斜拉桥斜拉索安装检验批质量验收记录
- 格式:xls
- 大小:25.00 KB
- 文档页数:1
模板及支架检验批质量验收记录[混凝土索塔] 03012601□□□□单位工程名称分部工程名称混凝土索塔分项工程名称模板及支架验收部位*(+34.80~+39.30)施工单位项目负责人施工质量验收标准名称及编号[A]《铁路混凝土工程施工质量验收标准》(TB 10424-2010)[B]《高速铁路桥涵工程施工质量验收标准》(TB 10752-2010)施工质量验收标准的规定施工单位检查评定记录监理单位验收记录主控项目1 材料质量和结构形式[A]第4.2.1条采用钢模和木模,符合施工工艺和施工设计要求。
2 模板安装质量[A]第4.2.2条模板安装稳固牢靠,接缝严密,不漏浆。
符合要求。
3 承重模板拆除[A]第4.3.1条同条件养护下试件强度符合要求。
一般项目1 非承重模板拆除[A]第4.3.2条混凝土表面及棱角无损伤。
2混凝土塔段模板允许偏差(mm)塔段模板顶、底面尺寸+50、+1、+1、+2顶、底面高程±20 +5、+4、+4、+1平面十字线位置 5 0、5、3、2表面平整度 3 0、1、1、2、1、0、2、2、2、1孔道定位模板斜拉索管道两端中心位置3 /预应力筋孔道位置 3预埋配件预埋铁件、锚杆孔、通风孔等位置10 4、6、7、3锚具支承垫板与预留孔道轴线垂直度1°/施工作业人员质量责任登记施工单位检查评定结果专职质量检查员:年月日分项工程技术负责人:年月日分项工程负责人:年月日监理单位监理工程师:年月日钢筋(原材料及加工)检验批质量验收记录(Ⅰ)[混凝土索塔]03012602□□□□单位工程名称分部工程名称混凝土索塔分项工程名称钢筋验收部位*(+34.80~+39.30)施工单位项目负责人施工质量验收标准名称及编号[A]《铁路混凝土工程施工质量验收标准》(TB 10424-2010)[B]《高速铁路桥涵工程施工质量验收标准》(TB 10752-2010)施工质量验收标准的规定施工单位检查评定记录监理单位验收记录主控项目1 钢筋材质[A]第5.2.1条合格证17份,编号:HFQ3-***O-GJ-20110708-3~4,HFQ3-***O-GJ-20110806-3~4,HFQ3-***O-GJ-20110814-6~11,HFQ3-***O-GJ-20110601-5~7,HFQ3-***O-GJ-20110806-11~13,HFQ3-***O-GJ- 20110901-7,符合要求。
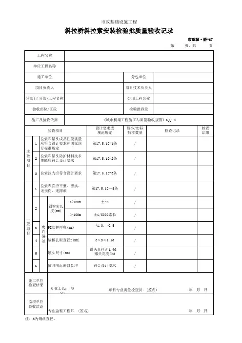
市政基础设施工程斜拉桥斜拉索安装检验批质量验收记录市政质检·2·67第页,共页工程名称单位工程名称施工单位分包单位项目经理技术负责人施工工长分部工程名称桥跨承重结构分项工程名称斜拉桥斜拉索安装验收部位67主要工程数量验收规范及图号CJJ2-2008施工与质量验收规范的规定施工单位检查记录监理单位验收记录主控项目1拉索和锚头成品性能质量应符合设计要求和国家现行标准规定。
第17.5.10-1条符合规范要求符合要求2拉索和锚头防护材料技术性能应符合设计要求。
第17.5.10-2条符合规范要求3 拉索拉力应符合设计要求。
第17.5.10-3条符合规范要求施工与质量验收规范的规定不合格点的实测偏差值或实测值应测点数合格点数合格率(%)符合要求一般项目1拉索表面应平整、密实、无损伤、无擦痕。
第17.5.10-5条符合规范要求2允许偏差斜拉索长度(mm)≤100m±20-29-2926464393>100m±1/5000索长0.1-0.102926893 PE防护厚度(mm) +1.0,-0.5-0.7-0.6-0.72421874 锚板孔眼直径D(mm)d<D<1.1d5 镦头尺寸(mm)镦头直径≥1.4d,镦头高度≥d6 锚具附近密封处理符合设计要求平均合格率(%)89施工单位检查意见主控项目全部符合要求,一般项目满足规范要求,本检验符合要求。
监理单位验收结论同意验收。
质检员:监理工程师:年 月 日 年 月 日注:d为钢丝直径。
注:d为钢丝直径。
斜拉桥斜拉索质量检验标准
17.5.10 斜拉索安装质量检验应符合下列规定:
主控项目
1. 拉索和锚头成品性能质量应符合设计要求和国家现行标准规定。
检查数量:全数检查。
检验方法:检查原材料合格证和制造厂复验报告;检查成品合格证和技
术性能报告。
2. 拉索和锚头防护材料技术性能应符合设计要求。
检查数量:全数检查。
检验方法:检查原材料合格证和检测报告。
3. 拉索拉力应符合设计要求。
检查数量:全数检查。
检验方法:检查施工记录。
一般项目
4 .平行钢丝斜拉索制作与防护允许偏差应符合表17.5.10 的规定。
表17.5.10 平行钢丝斜拉索制作与防护允许偏差
5 .拉索表面应平整、密实、无损伤、无擦痕。
检查数量:全数检查。