常用电缆电缆载流量表
- 格式:doc
- 大小:587.00 KB
- 文档页数:21
电线电缆载流量表(全)本文介绍了8.7/10(8.7/15)KV和26/35KV交联聚乙烯绝缘电力电缆的允许持续载流量表。
其中,电缆型号包括YJV、YJLV、YJY、YJLY、YJV22、YJLV22、YJV23、YJLV23、JYV32、YJLV32、YJV33和YJLV33.不同型号的电缆可敷设在空气中或土壤中,单芯或三芯排列,导体材质为铜或铝。
电缆的截面面积从25mm2到1200mm2不等,可适用于不同的环境温度和额定电压。
以下是详细的载流量表:8.7/10(8.7/15)KV电缆载流量表:26/35KV电缆载流量表:JYV32、YJLV32、YJV33、YJLV33是不同型号的电缆,可用于不同的敷设环境和电流承载能力。
这些电缆由铜或铝制成,可在空气中或土壤中使用。
其中,三芯电缆适用于空气中的敷设,而单芯电缆适用于土壤中的敷设。
此外,YJV、YJLV、YJY、YJLY是另一组电缆型号,适用于26/35KV的电压等级。
这些电缆的截面积不同,可用于不同的电流承载能力和环境温度。
在选择电缆时,需要考虑敷设环境和电流承载能力。
BVR电线可用于空气敷设长期允许的载流量A,而橡皮绝缘电线和聚氯乙烯绝缘电线则适用于不同的导线面积和电流承载能力。
BXF、BXFRBLXFBV、BVRBLV等型号的电线也可根据实际需求进行选择。
总之,选择适合的电缆和电线是非常重要的,需要根据实际需求和敷设环境进行选择。
标准文案和实用文档可作为参考,但最终的选择应该基于实际情况。
以下是YJV、YJLV电缆的载流量表。
表格中列出了不同铜电线型号的单心载流量、两心载流量、三心载流量和四心载流量。
同时,我们还提供了不同电线规格下的电压降。
这些数据可以帮助您选择合适的电缆规格,以满足您的需求。
单心载流量:根据表格,我们可以看出,YJV、YJLV电缆的单心载流量在不同电线型号下有所不同。
例如,VVYJV电线型号下的单心载流量为25A,而YJV电线型号下的单心载流量为16A。
1.表8-24 BVVB型、BLVVB型、RVVB型电线载流量
2.、1KV聚氯乙烯绝缘电力电缆的载流量
铠装VV22、VLV22型电力电缆载流量
载流量计算条件
1. 线芯长期工作温度:70。
;
2. 环境温度:25°;
3. 埋地深度:1000mm;
4. 土壤热阻系数:1.0m.°C/W;
5. 线芯轴间距离:S=2D
注:单芯电缆铠装应采用非磁性材料或采用减少磁耗的结构
3.防火电缆的载流量
阻燃电线电缆的载流量
1B、R系列阻燃电线电缆的载流量
交联聚氯乙烯绝缘阻燃电力电缆的载流量
载流量计算条件
环境温度:25°C; 2、土壤热阻系数;P=1.0°C、m/W; 3.埋地敷设深度:1000mm; 4. 导体温度:导体长期运行温度为90°C; 5.电缆敷设轴间中心距S=2D
2ZR-YJV 1kV
高压交联聚氯乙烯绝缘阻燃电力电缆的载流量3ZR-YJV、ZR-YJLV
4ZR-YJV22、ZR-YJLV22
5ZR-YJV、ZR-YJLV
交联电缆导体短路电流(短路时间为1S)。
最新电线电缆载流量表大全以下是格式正确的文章:0.6/1kV聚氯乙烯绝缘电力电缆载流量(阻燃耐火型亦参照此表)适用型号VV.VLV。
导电线芯最高工作温度70℃,空气温度30℃,土壤温度25℃,土壤热阻系数1.2℃·m/W。
1000m标称截面mm²。
在空气中:一芯铜:24、32、45、56、80、106、143、175、223、___、329、382、445、519、铝:-、25、34、43、61、83、111、133、170、207、254、297、339、392.___:-、21、29、36、51、69、91、111、138、170、182、211、242、298、17、23、31、39、56、76、102、122、154、191、233、270、313、360.___:-、18、24、31、43、59、78、94、122、148、180、207、244、281、34、46、61、75、105、138、180、218、___、310、369、416、474、530.在地下:___:-、35、47、58、81、106、138、169、196、239、283、323、364、408.___:-、27、35、47、58、80、105、133、164、201、244、280、320、355、407、铝:-、28、36、45、62、82、104、127、159、186、210、238、272、322、22、30、39、49、68、89、107、131、159、195、231、262、300、337.___:-、23、31、38、52、69、83、101、123、150、178、201、231、262、240、300、400、500、630、800、609、705、832、965、472、546、641、753、-、-、-、-、-、-、-、-、-、-、-、429、477、-、-、-、-、334、376、-、-、-、-、617、700、820、929、106、122、347、474、530、629、710、813、938、-、-、-、-、-、-、-、-、-、-、-、390、451、-、-、-、-、301.改写后的文章:本文介绍了0.6/1kV聚氯乙烯绝缘电力电缆的载流量,阻燃耐火型电缆也可参考此表。
电缆载流量对应表公司标准化编码 [QQX96QT-XQQB89Q8-NQQJ6Q8-MQM9N]YJV(FYJV),YJLV(FYJLV),ZC–YJV ZC-YJLV 1kVYJV(FYJV), ZC - YJV 1kVYJV22(FYJV22),YJLV22(FYJLV22),ZC–YJV22,ZC-YJLV22 1kV>电缆载流量表大全电线电缆载流量表(全)很多用户对的安全载流量不是很清楚,甚至是专业的电工对精确的数据都不是特别了解。
天津市电缆总厂第一分厂根据实际生产的规格品种,制定了不同规格型号的载流量表,简单易懂,一目了然。
希望能对各位朋友有所帮助.规格型号载流量表:1015)KV交联聚乙烯绝缘电力电缆允许持续载流量额定电压U。
/U1015)KV型号YJV、YJLV、YJY、YJLY、YJV22、YJLV22、YJV23、YJLV23、JYV32,YJLV32、YJV33、YJLV33YJV、YJLV、YJY、YJLY芯数三芯单芯敷设空气中土壤中空气中土壤中单芯电缆排列方式导体材质铜铝铜铝铜铝铜铝铜铝铜铝标称截面(mm2)253512014090110125155100120140170110135165205130155150180115135160190120145 5070165210130165180220140170205260160200245305190235215265160200225275175215 95120255290200225265300210235315360240280370430290335315360240270330375255290 150185330375225295340380260300410470320365490560380435405455305345425480330370 240300435495345390445500350395555640435500665765515595530595400455555630435490 400500565...450...520...450...7458555856808901030695810680765520595725825565650环境温度(℃)40 25 40 2526/35KV电力电缆允许持续载流量26/35KV交联聚乙烯绝缘电力电缆允许持续载流量额定电压U。
注:表中系铝芯电缆数值;铜芯电缆的允许持续载流量值可乘以1.29。
2、6KV三芯电力电缆直埋敷设时允许载流量(引用电网改造常用标准汇编)注:表中系铝芯电缆数值;铜芯电缆的允许持续载流量值可乘以1.29。
3、10KV三芯电力电缆允许载流量(引用电网改造常用标准汇编)注:表中系铝芯电缆数值;铜芯电缆的允许持续载流量值可乘以1.29。
4、敷设条件不同时电缆允许持续载流量的校正系数(引用电网改造常用标准汇编)注:其他环境温度下载流量的校正系数K可按下式计算:不同土壤热阻系数时电缆载流量的校正系数注:1、本表适用于缺乏实测土壤热阻系数时的粗略分类,对110KV及以上电压电缆线路工程,宜以实测方式确定土壤热阻系数。
2、本表中校正系数适于各表中采取土壤热阻系数为1.2C・m/W的情况,不适用于三相交流系统的高压单芯电缆。
二、单芯电缆允许载流量(2)扁平型排列(相邻间距等于电缆外径)(XLPE绝缘)不同环境下载流量较正系数三、钢芯铝绞线的长期允许载流量(引用电网改造常用标准汇编)1974年我国曾制定了钢芯铝绞线国家标准,按此标准生产了各种规格的导线。
1983年我国又修订颁布了新的铝绞线及钢芯铝绞线国家标准(GB—1179—83)。
新标准的导线规格较老标准多(即铝钢比的范围大),导电性能较好(采用电工铝),制造工艺及机械强度亦较高,目前已有部分制造厂生产供应,但由于老标准产品价格较低,制造工艺及材质要求较易达到,故仍大量生产使用。
上海电缆研究所迄未正式提供新老标准各种规程钢芯铝绞线的长期允许载流量,现将经过计算得出的载流量数据列于附表1及附表2参考使用。
标称葡{mm2)i血积计算栽流鹹(A)+90 +70+8011V26678 8716/385 10011325/4HI131 14935/6134158 18050/8161191 21850/3()E6619521871V1U23226670/4019623025795/15252 3(X)35195/20 233 27731995/55230 270301120/7287 35()401120/20 285S4H399120/25265315365120/7025830] 365150/8323 3954M150/20326 4004^1150/25331407469150/35331 407 469185/10 372 1458 528185/25 379 468540185/30 373460531185/45 379 4695412W10 397 49()565210/25 4055015792W35 409507586210/50 405075S6注:最高允许温度分+70°C、+80°C、+90°C三种。
电缆与载流量对照表
电缆的载流量通常取决于电缆的规格和材质。
一般来说,电缆的载流量越大,其传输能力就越强。
以下是一些常见的电缆规格及其对应的载流量对照表,但具体的载流量还需要根据具体的电缆型号和生产厂家来确定:
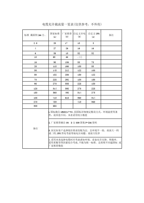
1.5平方毫米电缆载流量:约为10安培
2.5平方毫米电缆载流量:约为16安培
4平方毫米电缆载流量:约为25安培
6平方毫米电缆载流量:约为32安培
10平方毫米电缆载流量:约为45安培
需要注意的是,这只是一个粗略的参考值,实际使用时需要根据具体的电缆规格和材质以及安装环境等因素进行综合考虑和计算。
在选择电缆和确定载流量时,最好咨询专业的电气工程师或者生产厂家进行确认。
一、以下是一些常见的国标电缆载流量对照表,仅供参考。
请注意,不同地区和应用可能存在差异,因此在选择电缆时应遵循具体的规范和标准。
1. 铜芯电缆载流量对照表(单位:安培)· 1.5平方毫米:13A· 2.5平方毫米:18A·4平方毫米:25A·6平方毫米:32A·10平方毫米:45A·16平方毫米:60A·25平方毫米:80A·35平方毫米:100A·50平方毫米:125A·70平方毫米:155A·95平方毫米:185A·120平方毫米:220A2. 铝芯电缆载流量对照表(单位:安培)·16平方毫米:48A·25平方毫米:65A·35平方毫米:85A·50平方毫米:105A·70平方毫米:130A·95平方毫米:160A·120平方毫米:190A·150平方毫米:220A·185平方毫米:255A·240平方毫米:300A·300平方毫米:355A·400平方毫米:420A以上仅为一些常见电缆规格的载流量对照表,实际选择和应用时请参考相关的国家标准和电气设计规范,并根据具体情况进行合理选择。
二、当涉及到电缆的设计和选择时,一些常用的公式可以帮助我们计算和确定所需的参数。
以下是几个常见的电缆计算公式:1. 电流容量计算公式:电流容量(A)= (K × I) / √(d^2 + D^2)其中,K 是导体的材料特性系数(如铜、铝等),I 是要传输的电流(安培),d 是导体直径(mm),D 是绝缘外直径(mm)。
2. 电阻计算公式:电阻(Ω/km)= (R × L)/ A其中,R 是电阻率(Ω·mm²/m),L 是电缆长度(m),A 是导体截面积(mm²)。
电缆直径和载流量对照表电缆直径和载流量对照表铜芯线的电阻和压降计算公式如下:20℃时:每千米电阻值(Ω)=17.5÷截面积(平方毫米)75℃时:每千米电阻值(Ω)=21.7÷截面积(平方毫米)压降计算公式(按欧姆定律):V=R×A线损计算公式:P=V×A,其中线损与使用的压降和电流有关。
铜芯线电源线的安全载流量如下:1平方毫米铜电源线:17A1.5平方毫米铜电源线:21A2.5平方毫米铜电源线:28A4平方毫米铜电源线:35A6平方毫米铜电源线:48A10平方毫米铜电源线:65A16平方毫米铜电源线:91A25平方毫米铜电源线:120A单相负荷按每千瓦4.5A(COS&=1),计算出电流后再选择导线。
铜芯线与铝芯线的电流对比如下:2.5平方毫米铜芯线等于4平方毫米铝芯线4平方毫米铜芯线等于6平方毫米铝芯线6平方毫米铜芯线等于10平方毫米铝芯线10平方毫米以下乘以五>即:2.5平方毫米铜芯线=20安培=4400瓦;4平方毫米铜芯线=30安培=6600瓦;6平方毫米铜芯线=50安培=瓦;土方法是铜芯线1个平方1KW,铝芯2个平方1KW。
单位是平方毫米。
电缆载流量根据铜芯/铝芯不同,铜芯可使用2.5(平方毫米),其标准为:0.75/1.0/1.5/2.5/4/6/10/16/25/35/50/70/95/120/150/185/240/300/4 00…,还有非我国标准如:2.0.铝芯1平方最大载流量9A,铜芯1平方最大载流量13.5A。
根据条件变化进行折算,高温时铜折算为九折。
穿管根数为二三四,八七六折满载流。
二点五下乘以九,往上减一顺号走"这句话是指,截面为2.5mm2及以下的铝芯绝缘线,其载流量大约是截面数的9倍。
例如,2.5mm2导线的载流量为2.5×9=22.5(A)。
对于4mm2及以上的导线,其载流量与截面数的倍数关系是顺着线号往上排,倍数逐次减1,即4×8、6×7、10×6、16×5、25×4.三十五乘三点五,双双成组减点五"这句话是指,截面为35mm2的导线载流量为截面数的3.5倍,即35×3.5=122.5(A)。
1234567891011121314151 1.5 2.54610162535507095120150180倍数99987654 3.533 2.5 2.522安全电流(A )913.522.532426080100122.5150210237.5300300360倍数8.18.18.17.2 6.3 5.4 4.5 3.6 3.15 2.7 2.7 2.25 2.25 1.8 1.8安全电流(A )8.112.1520.2528.837.8547290110.25135189213.75270270324穿2根倍数7.27.27.2 6.4 5.6 4.84 3.2 2.8 2.4 2.422 1.6 1.6穿3根倍数6.3 6.3 6.3 5.6 4.9 4.2 3.5 2.8 2.45 2.1 2.1 1.75 1.75 1.4 1.4穿4根倍数 5.4 5.4 5.4 4.8 4.2 3.63 2.4 2.1 1.8 1.8 1.5 1.5 1.2 1.2穿2根电流7.210.81825.633.648648098120168190240240288穿3根电流 6.39.4515.7522.429.442567085.75105147166.25210210252穿4根电流5.48.113.519.225.236486073.590126142.5180180216铜线截面当量mm2111.52.54610162535507095120150说明:1.三相四线制中的零线截面通常选为相线截面的1/2左右。
2.在单相线路中,零线与相线截面相同。
裸线截流量加一倍,即原绝缘线电流容量的 1.5倍铜线的截面排列顺序提升一级10mm2以下电缆按5倍电流算,100mm2以上电缆按2倍电流算16、25mm2电缆按4倍电流算,35、50mm2电缆按3倍电流算70、95mm2电缆按2.5倍电流算穿管打8折,高温打9折条件有变加折算,高温九折铜升级穿管根数二三四,八七六折满截流70、95,两倍半穿管、温度,八、九折裸线加一半铜线升级算口诀(一)10下五,100上二25、35,四、三界口诀(二) 2.5mm2以下电缆9倍,4mm2电缆8倍,6mm2电缆7倍,10mm2电缆6倍,16mm2电缆5倍,25mm2电缆4倍35mm2电缆3.5倍,50、70mm2电缆3倍,95、120电缆2.5倍,150、180电缆2倍温度大于25℃,倍数打九折,铜线降一级,25mm2铝电缆相当于16mm2铜电缆一根管穿二根电缆倍数打8折,穿三根电缆倍数打7折,穿四根电缆倍数打6折二点五下乘以九,往上减一顺号走三十五乘三点五,双双成组减点五常用电缆载流量对照表标准大于25℃铝电缆截面mm2序号穿管。
1.表8-24 BVVB型、BLVVB型、RVVB型电线载流量
2.0.6、1KV聚氯乙烯绝缘电力电缆的载流量
铠装VV22、VLV22型电力电缆载流量
载流量计算条件
1. 线芯长期工作温度:70。
;
2. 环境温度:25° ;
3. 埋地深度: 1000mm;
4. 土壤热阻系数:1.0m.°C/W;
5. 线芯轴间距离:S=2D
注:单芯电缆铠装应采用非磁性材料或采用减少磁耗的结构
3.防火电缆的载流量
阻燃电线电缆的载流量
1B、R系列阻燃电线电缆的载流量
交联聚氯乙烯绝缘阻燃电力电缆的载流量
载流量计算条件
环境温度:25°C; 2、土壤热阻系数;P=1.0°C、m/W; 3.埋地敷设深度:1000mm; 4. 导体温度:导体长期运行温度为90°C; 5.电缆敷设轴间中心距 S=2D
2ZR-YJV 0.6/1kV
高压交联聚氯乙烯绝缘阻燃电力电缆的载流量3ZR-YJV、ZR-YJLV
4ZR-YJV22、 ZR-YJLV22
5ZR-YJV、 ZR-YJLV
交联电缆导体短路电流(短路时间为1S)。
300V-1000V电缆载流量(本资料选自《电气工程》常用数据速查手册)1)、导线载流量。
450V/750V 及以上橡胶绝缘、塑料绝缘电线的载流量。
BVVB型、 BLVVB型、 RVVB型电线载流量见表 8-24 。
(2)、450V/750V 及以下橡胶绝缘电力电缆的载流量。
通用橡套软电缆的载流量见表 8-25 。
(3)、 1KV聚氯乙烯绝缘电力电缆的载流量。
1KV 聚氯乙烯绝缘钢带铠装聚氯乙烯护套电力电缆载流量见表 8-26 。
(4)防火电缆的载流量。
1 、阻燃电缆的载流量。
1)B、R系列阻燃电线、电缆的载流量见表 8-27 。
2 )交联聚氯乙烯绝缘阻燃电力电缆的载流量见表 8-28 、表 8-29 ,短路电流见表 8-30。
3 )聚氯乙烯绝缘阻燃电力电缆的载流量见表 8-31 。
(5)耐火电缆的载流量。
1 )聚氯乙烯绝缘耐火电缆的载流量见表8-32 。
2 )BV-105 型耐热聚氯乙烯绝缘铜芯电线的载流量见表8-33 。
3)BTTQ、BTTVQ系列耐火电缆技术数据见表8-34 。
4 )BTTZ、BTTVZ 系列耐火电缆技术数据见表8-35 。
5 )NH-YYJV系列耐火电力电缆技术数据见表 8-36 —— 8-38 。
(6)表 8-39 。
聚氯乙烯绝缘低烟低卤阻燃电力电缆的载流量。
(7)表 8-40 。
交联聚氯乙烯绝缘低烟无卤阻燃电力电缆的载流量。
目录表 8-24 BVVB 型、 BLVVB型、 RVVB型电线载流量 ................错误 ! 不决义书签。
450V/750V 及以下橡胶绝缘电力电缆的载流量......................错误 ! 不决义书签。
通用橡套软电缆的载流量见表8-25 ...........................错误 ! 不决义书签。
YQ、 YQW、YHQ、型 / A . .................................错误 ! 不决义书签。
各种导线导体电缆允许载流量表在电气工程中,导线、导体和电缆都是常用的电气连接方式。
为了确保电路的正常运行,需要根据工作条件和规范要求选择合适的导线、导体或电缆,并合理安排导线导体电缆的载流量。
在本文中,我们将为您介绍各种导线、导体和电缆的允许载流量表。
导线的允许载流量表导线是一种常用的电气连接方式,广泛应用于各种电路,在选择导线时需要考虑导线的允许载流量。
通常,导线的允许载流量取决于导线的截面积、电流密度和材料温度等因素。
以下是一些常见的导线允许载流量表:铜导线的允许载流量表导线截面积(mm²)电流密度(A/mm²)最大运行温度(℃)允许载流量(A)0.75 10 70 7.51.0 10 70 101.5 10 70 152.5 10 70 214 10 70 306 9 70 5410 8 70 80 铝导线的允许载流量表导线截面积(mm²)电流密度(A/mm²)最大运行温度(℃)允许载流量(A)16 10 70 152 25 10 70 209 35 10 70 270 50 10 70 370 70 10 70 480 95 10 70 610 120 10 70 740电气导体是一种具有较高电导率的材料,通常用于传输电能或信号。
在选择导体时,也需要考虑导体的允许载流量。
通常,导体的允许载流量取决于导体的材料、直径和温度等因素。
以下是一些常见的导体允许载流量表:铜导体的允许载流量表导体直径(mm)导体材料最大运行温度(℃)允许载流量(A)0.5 铜70 40.8 铜70 61.0 铜70 101.2 铜70 141.5 铜70 182.0 铜70 242.5 铜70 32 铝导体的允许载流量表导体直径(mm)导体材料最大运行温度(℃)允许载流量(A)0.5 铝70 30.8 铝70 51.0 铝70 71.2 铝70 101.5 铝70 122.0 铝70 162.5 铝70 20电缆的允许载流量表电缆是一种电气连接方式,通常用于电能传输和信号传输,在选择电缆时需要考虑电缆的允许载流量。
1.表8-24 BVVB型、BLVVB型、RVVB型电线载流量
2.0.6、1KV聚氯乙烯绝缘电力电缆的载流量
铠装VV22、VLV22型电力电缆载流量
载流量计算条件
1. 线芯长期工作温度:70。
;
2. 环境温度: 25°;
3. 埋地深度: 1000mm;
4. 土壤热阻系数:1.0m.°C/W;
5. 线芯轴间距离:S=2D
注:单芯电缆铠装应采用非磁性材料或采用减少磁耗的结构
3.防火电缆的载流量
阻燃电线电缆的载流量
1B、R系列阻燃电线电缆的载流量
交联聚氯乙烯绝缘阻燃电力电缆的载流量
载流量计算条件
环境温度:25°C; 2、土壤热阻系数;P=1.0°C、m/W; 3.埋地敷设深度:1000mm; 4. 导体温度:导体长期运行温度为90°C; 5.电缆敷设轴间中心距 S=2D
2ZR-YJV 0.6/1kV
高压交联聚氯乙烯绝缘阻燃电力电缆的载流量3ZR-YJV、ZR-YJLV
4ZR-YJV22、 ZR-YJLV22
5ZR-YJV、 ZR-YJLV
交联电缆导体短路电流(短路时间为1S)。
1.表8-24 BVVB型、BLVVB型、RVVB型电线载流量
2.、1KV聚氯乙烯绝缘电力电缆的载流量
铠装VV22、VLV22型电力电缆载流量
载流量计算条件
1. 线芯长期工作温度:70。
;
2. 环境温度:25° ;
3. 埋地深度: 1000mm;
4. 土壤热阻系数:1.0m.°C/W;
5. 线芯轴间距离:S=2D
注:单芯电缆铠装应采用非磁性材料或采用减少磁耗的结构3.防火电缆的载流量
阻燃电线电缆的载流量
1B、R系列阻燃电线电缆的载流量
交联聚氯乙烯绝缘阻燃电力电缆的载流量
载流量计算条件
环境温度:25°C; 2、土壤热阻系数;P=1.0°C、m/W; 3.埋地敷设深度:1000mm; 4. 导体温度:导体长期运行温度为90°C; 5.电缆敷设轴间中心距 S=2D
2ZR-YJV 1kV
高压交联聚氯乙烯绝缘阻燃电力电缆的载流量3ZR-YJV、ZR-YJLV
4ZR-YJV22、 ZR-YJLV22
5ZR-YJV、 ZR-YJLV
交联电缆导体短路电流(短路时间为1S)。