电缆载流量对照表
- 格式:doc
- 大小:1.45 MB
- 文档页数:10
电缆电容量对照表
以下是一些常见的国标电缆载流量对照表,仅供参考。
请注意,不同地区和应用可能存在差异,因此在选择电缆时应遵循具体的规范和标准。
1. 铜芯电缆载流量对照表(单位:安培)
· 1.5平方毫米:13A
· 2.5平方毫米:18A
· 4平方毫米:25A
· 6平方毫米:32A
· 10平方毫米:45A
· 16平方毫米:60A
· 25平方毫米:80A
· 35平方毫米:100A
· 50平方毫米:125A
· 70平方毫米:155A
· 95平方毫米:185A
· 120平方毫米:220A
2. 铝芯电缆载流量对照表(单位:安培)
· 16平方毫米:48A
· 25平方毫米:65A
· 35平方毫米:85A
· 50平方毫米:105A
· 70平方毫米:130A
· 95平方毫米:160A
· 120平方毫米:190A
· 150平方毫米:220A
· 185平方毫米:255A
· 240平方毫米:300A
· 300平方毫米:355A
· 400平方毫米:420A
以上仅为一些常见电缆规格的载流量对照表,实际选择和应用时请参考相关的国家标准和电气设计规范,并根据具体情况进行合理选择。
最全电缆载流量和对照表(值得收藏)!铜芯线的压降与其电阻有关。
其电阻计算公式:20℃时:17.5÷截面积(平方毫米)=每千米电阻值(Ω)75℃时:21.7÷截面积(平方毫米)=每千米电阻值(Ω)其压降计算公式(按欧姆定律):V=R×A线损是与其使用的压降、电流有关。
其线损计算公式:P=V×AP-线损功率(瓦特)V-压降值(伏特)A-线电流(安培)1平方毫米铜电源线的安全载流量--17A。
1.5平方毫米铜电源线的安全载流量--21A。
2.5平方毫米铜电源线的安全载流量--28A。
4平方毫米铜电源线的安全载流量--35A 。
6平方毫米铜电源线的安全载流量--48A 。
10平方毫米铜电源线的安全载流量--65A。
16平方毫米铜电源线的安全载流量--91A 。
25平方毫米铜电源线的安全载流量--120A。
单相负荷按每千瓦4.5A(COS&=1),计算出电流后再选导线。
2.5平方毫米铜芯线等于4平方毫米铝芯线4平方毫米铜芯线等于6平方毫米铝芯线6平方毫米铜芯线等于10平方毫米铝芯线<10平方毫米以下乘以五>即: 2.5平方毫米铜芯线=<4平方毫米铝芯线×5> 20安培=4400千瓦;4平方毫米铜芯线=<6平方毫米铝芯线×5> 30安培=6600千瓦;6平方毫米铜芯线=<10平方毫米铝芯线×5> 50安培=11000千瓦土方法是铜芯线1个平方1KW,铝芯2个平方1KW.单位是平方毫米就是横截面积(平方毫米)电缆载流量根据铜芯/铝芯不同,铜芯你用2.5(平方毫米)就可以了其标准:0.75/1.0/1.5/2.5/4/6/10/16/25/35/50/70/95/120/150/185/240/300/40 0...还有非我国标准如:2.0铝芯1平方最大载流量9A,铜芯1平方最大载流量13.5A二点五下乘以九,往上减一顺号走。
电缆载流量对照表电缆类型最大载流量(A)1kV单芯铜芯电缆401kV三芯铜芯电缆321kV四芯铜芯电缆301kV五芯铜芯电缆251kV三芯铝芯电缆241kV四芯铝芯电缆201kV五芯铝芯电缆15 10kV单芯铜芯电缆110 10kV三芯铜芯电缆95 10kV四芯铜芯电缆85 10kV五芯铜芯电缆72 10kV三芯铝芯电缆68 10kV四芯铝芯电缆62 10kV五芯铝芯电缆55 35kV单芯铜芯电缆31535kV三芯铜芯电缆28035kV四芯铜芯电缆25035kV五芯铜芯电缆22535kV三芯铝芯电缆21535kV四芯铝芯电缆20035kV五芯铝芯电缆180以上是一份关于电缆载流量对照表的数据。
在设计和选择电缆时,了解电缆的最大载流量是非常重要的,以确保其不超过预定的负载。
本表提供了常见的1kV、10kV和35kV电缆的最大载流量数据,包括不同类型电缆在给定电压水平下的最大负载能力。
在表中,列出了各种电缆类型的最大载流量(以安培为单位)。
值得注意的是,载流量取决于电缆的结构、导体材料(铜或铝)以及电压等级。
此表作为一个参考,可用于电力系统设计、维护和安装中的决策过程。
•对于1kV电缆:最大载流量较低,适用于低电压传输和短距离应用。
不同芯数和导体材料的电缆负载能力有所差异。
例如,单芯铜芯电缆具有更高的最大载流量,适用于较长距离的电力传输。
•对于10kV电缆:具有较高的最大载流量,适用于中等电压传输和较长距离应用。
与1kV电缆相比,10kV 电缆更能承载更大的负载。
•对于35kV电缆:最大载流量较高,适用于高电压传输和长距离应用。
35kV电缆能够处理较大的负载,可应对更大规模的电力传输需求。
在实际使用中,还需要考虑电缆的环境条件、散热能力等因素以确保电缆正常运行,此表仅提供最大载流量的信息。
其他因素如电缆安装、敷设和维护等也需要综合考虑。
希望这份电缆载流量对照表能为你在电缆选择和设计过程中提供有用的信息。
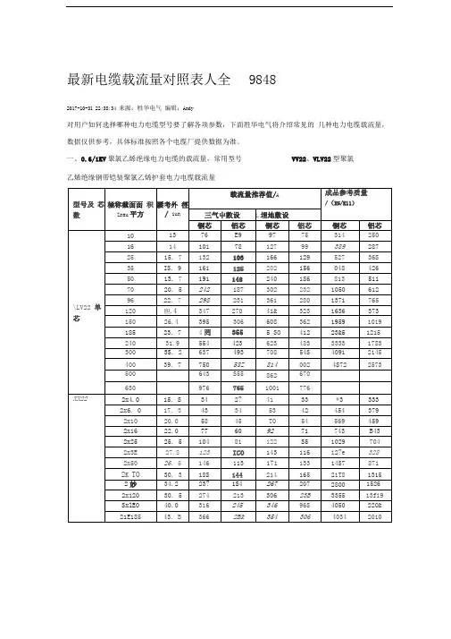
最新电缆载流量对照表人全98482017-10-31 22:38:34 来源:胜华电气编辑:Andy对用户如何选择哪种电力电缆型号要了解各项参数,下面胜华电气将介绍常见的几种电力电缆载流量,数据仅供参考,具体标准按照各个电缆厂提供数据为准。
一、0.6/1KV聚氯乙烯绝缘电力电缆的载流量,常用型号VV22、VLV22型聚氯乙烯绝缘钢带铠装聚氯乙烯护套电力电缆载流量注:载流量计算条件1.线芯长期工作温度:70°2.环境温度:25° ;3.埋地深度:1000mm;4.土壤热阻系数:1.0m. C/W;5.线芯轴间距离:S=2D、常见BVVB型、BLVVB型、RVVB型电线载流量、通用橡套软电缆的载流量(450V/750V及以下橡胶绝缘电力电缆YQ、YQW、YHQ、YC、YCW、YHC型号的载流量)注:1中性线截面面积同主线芯面积。
量按2芯电缆数据。
四、阻燃电线电缆的载流量。
1) B、R系列阻燃电线电缆的载流量2.3芯电缆中一根线芯不载流时,其流型号及电压等级标称観面面积/ nun平方最站能/ mm20°最大单位长度直蔬电阻/讨最小单位长度绝缘电阻八欧/km)那糧推荐值(环境温度25° )成品参考JSS/(kg/km>ZR-RVV 300/300V 2x0, 5 5.239" ^0121C 37 2x0. 75 6.6 26.0 C,010 1347 3x0. 5 6. 6 39. 0 C.0127. 444 3皿畀57.0^0109,5冏ZR-RVAT J00300V 2x0. 5 3.8kS.039.0 5012 10 282x0.V6SL 駐”42S.00.010 1335ZR-RW 300/500\72x0-75 7.S26.0 0,011 13 582x1. C7.81乩50.010 16iS62K1. E S-S13. 90.010 20 S92x2. 5 11.0 7,93 a 00©27. 51373^0.75S-02S.00.011g” B70S K I.C& 413, 5 a.oio 11. 7SO3sl. 59-613. 3 0.010 12. r 1123bt2. 6 11. 6 7.9S o.ooe 211724x0.758-626.00.01184 W.c敖19. 50.010101 4^1. E11,0 13. 30,0101414x2. 5 12, 57.980.000 210 :5x0.75日.436・。
电缆载流量对照表
电缆的载流量是指电缆能够承载的最大电流。
具体的电缆载流量对照表取决于电缆的型号和规格,以下是一些常见的电缆载流量对照表:
1. XLPE绝缘电力电缆载流量对照表:
电缆型号载流量(A)
1x16 93
1x25 134
1x35 169
3x10 143
3x16 192
3x25 268
1
3x35 344
2. PVC绝缘电力电缆载流量对照表:
电缆型号载流量(A)
1x16 83
1x25 116
1x35 147
3x10 122
3x16 162
3x25 223
3x35 279
2
以上只是一些常见电缆型号的载流量对照表,不同厂家和不同规格的电缆可能会有略微差异。
如果需要具体的电缆载流量对照表,请参考电缆生产厂家提供的技术资料或咨询专业电缆供应商。
3。
电缆载流量对照表电缆载流量口决:估算口诀:二点五下乘以九,往上减一顺号走。
三十五乘三点五,双双成组减点五。
条件有变加折算,高温九折铜升级。
穿管根数二三四,八七六折满载流。
说明:(1)本节口诀对各种绝缘线(橡皮和塑料绝缘线)的载流量(安全电流)不是直接指出,而是”截面乘上一定的倍数”来表示,通过心算而得。
由表5 3可以看出:倍数随截面的增大而减小。
“二点五下乘以九,往上减一顺号走”说的是2.5mm’及以下的各种截面铝芯绝缘线,其载流量约为截面数的9倍。
如2.5mm’导线,载流量为 2.5×9=22.5(A)。
从4mm’及以上导线的载流量和截面数的倍数关系是顺着线号往上排,倍数逐次减l,即4×8、6×7、10×6、16×5、25×4。
“三十五乘三点五,双双成组减点五”,说的是35mm”的导线载流量为截面数的3.5倍,即35×3.5=122.5(A)。
从50mm’及以上的导线,其载流量与截面数之间的倍数关系变为两个两个线号成一组,倍数依次减0.5。
即50、70mm’导线的载流量为截面数的3倍;95、120mm”导线载流量是其截面积数的2.5倍,依次类推。
“条件有变加折算,高温九折铜升级”。
上述口诀是铝芯绝缘线、明敷在环境温度25℃的条件下而定的。
若铝芯绝缘线明敷在环境温度长期高于25℃的地区,导线载流量可按上述口诀计算方法算出,然后再打九折即可;当使用的不是铝线而是铜芯绝缘线,它的载流量要比同规格铝线略大一些,可按上述口诀方法算出比铝线加大一个线号的载流量。
如16mm’铜线的载流量,可按25mm2铝线计算。
计算电缆载流量选择电缆(根据电流选择电缆):导线的载流量与导线截面有关,也与导线的材料、型号、敷设方法以及环境温度等有关,影响的因素较多,计算也较复杂。
各种导线的载流量通常可以从手册中查找。
但利用口诀再配合一些简单的心算,便可直接算出,不必查表。
电缆载流量对照表电缆载流量口决:估算口诀:二点五下乘以九,往上减一顺号走。
三十五乘三点五,双双成组减点五。
条件有变加折算,高温九折铜升级。
穿管根数二三四,八七六折满载流。
说明:(1)本节口诀对各种绝缘线(橡皮和塑料绝缘线)的载流量(安全电流)不是直接指出,而是”截面乘上一定的倍数”来表示,通过心算而得。
由表5 3可以看出:倍数随截面的增大而减小。
(2)“二点五下乘以九,往上减一顺号走”说的是2.5mm’及以下的各种截面铝芯绝缘线,其载流量约为截面数的9倍。
如2.5mm’导线,载流量为 2.5×9=22.5(A)。
从4mm’及以上导线的载流量和截面数的倍数关系是顺着线号往上排,倍数逐次减l,即4×8、6×7、10×6、16×5、25×4。
(3)“三十五乘三点五,双双成组减点五”,说的是35mm”的导线载流量为截面数的3.5倍,即35×3.5=122.5(A)。
从50mm’及以上的导线,其载流量与截面数之间的倍数关系变为两个两个线号成一组,倍数依次减0.5。
即50、70mm’导线的载流量为截面数的3倍;95、120mm”导线载流量是其截面积数的2.5倍,依次类推。
(4)“条件有变加折算,高温九折铜升级”。
上述口诀是铝芯绝缘线、明敷在环境温度25℃的条件下而定的。
若铝芯绝缘线明敷在环境温度长期高于 25℃的地区,导线载流量可按上述口诀计算方法算出,然后再打九折即可;当使用的不是铝线而是铜芯绝缘线,它的载流量要比同规格铝线略大一些,可按上述口诀方法算出比铝线加大一个线号的载流量。
如16mm’铜线的载流量,可按25mm2铝线计算。
(5)计算电缆载流量选择电缆(根据电流选择电缆):(6)导线的载流量与导线截面有关,也与导线的材料、型号、敷设方法以及环境温度等有关,影响的因素较多,计算也较复杂。
各种导线的载流量通常可以从手册中查找。
但利用口诀再配合一些简单的心算,便可直接算出,不必查(7)1. 口诀铝芯绝缘线载流量与截面的倍数关系(8)10下五,100上二,(9)25、35,四、三界,.(10)70、95,两倍半。
电缆载流量对照表Company Document number:WUUT-WUUY-WBBGB-BWYTT-1982GT电缆载流量对照表电缆载流量口决:估算口诀:二点五下乘以九,往上减一顺号走。
三十五乘三点五,双双成组减点五。
条件有变加折算,高温九折铜升级。
穿管根数二三四,八七六折满载流。
说明:(1)本节口诀对各种绝缘线(橡皮和塑料绝缘线)的载流量(安全电流)不是直接指出,而是”截面乘上一定的倍数”来表示,通过心算而得。
由表5 3可以看出:倍数随截面的增大而减小。
(2)“二点五下乘以九,往上减一顺号走”说的是2.5mm’及以下的各种截面铝芯绝缘线,其载流量约为截面数的9倍。
如2.5mm’导线,载流量为2.5×9=22.5(A)。
从4mm’及以上导线的载流量和截面数的倍数关系是顺着线号往上排,倍数逐次减l,即4×8、6×7、10×6、16×5、 25×4。
(3)“三十五乘三点五,双双成组减点五”,说的是35mm”的导线载流量为截面数的3.5倍,即35×3.5=122.5(A)。
从50mm’及以上的导线,其载流量与截面数之间的倍数关系变为两个两个线号成一组,倍数依次减0.5。
即50、70mm’导线的载流量为截面数的3倍;95、120mm”导线载流量是其截面积数的2.5倍,依次类推。
(4)“条件有变加折算,高温九折铜升级”。
上述口诀是铝芯绝缘线、明敷在环境温度25℃的条件下而定的。
若铝芯绝缘线明敷在环境温度长期高于25℃的地区,导线载流量可按上述口诀计算方法算出,然后再打九折即可;当使用的不是铝线而是铜芯绝缘线,它的载流量要比同规格铝线略大一些,可按上述口诀方法算出比铝线加大一个线号的载流量。
如16mm’铜线的载流量,可按25mm2铝线计算。
(5)计算电缆载流量选择电缆(根据电流选择电缆):(6)导线的载流量与导线截面有关,也与导线的材料、型号、敷设方法以及环境温度等有关,影响的因素较多,计算也较复杂。
1234567891011121314151 1.5 2.54610162535507095120150180倍数99987654 3.533 2.5 2.522安全电流(A )913.522.532426080100122.5150210237.5300300360倍数8.18.18.17.2 6.3 5.4 4.5 3.6 3.15 2.7 2.7 2.25 2.25 1.8 1.8安全电流(A )8.112.1520.2528.837.8547290110.25135189213.75270270324穿2根倍数7.27.27.2 6.4 5.6 4.84 3.2 2.8 2.4 2.422 1.6 1.6穿3根倍数6.3 6.3 6.3 5.6 4.9 4.2 3.5 2.8 2.45 2.1 2.1 1.75 1.75 1.4 1.4穿4根倍数 5.4 5.4 5.4 4.8 4.2 3.63 2.4 2.1 1.8 1.8 1.5 1.5 1.2 1.2穿2根电流7.210.81825.633.648648098120168190240240288穿3根电流 6.39.4515.7522.429.442567085.75105147166.25210210252穿4根电流5.48.113.519.225.236486073.590126142.5180180216铜线截面当量mm2111.52.54610162535507095120150说明:1.三相四线制中的零线截面通常选为相线截面的1/2左右。
2.在单相线路中,零线与相线截面相同。
裸线截流量加一倍,即原绝缘线电流容量的 1.5倍铜线的截面排列顺序提升一级10mm2以下电缆按5倍电流算,100mm2以上电缆按2倍电流算16、25mm2电缆按4倍电流算,35、50mm2电缆按3倍电流算70、95mm2电缆按2.5倍电流算穿管打8折,高温打9折条件有变加折算,高温九折铜升级穿管根数二三四,八七六折满截流70、95,两倍半穿管、温度,八、九折裸线加一半铜线升级算口诀(一)10下五,100上二25、35,四、三界口诀(二) 2.5mm2以下电缆9倍,4mm2电缆8倍,6mm2电缆7倍,10mm2电缆6倍,16mm2电缆5倍,25mm2电缆4倍35mm2电缆3.5倍,50、70mm2电缆3倍,95、120电缆2.5倍,150、180电缆2倍温度大于25℃,倍数打九折,铜线降一级,25mm2铝电缆相当于16mm2铜电缆一根管穿二根电缆倍数打8折,穿三根电缆倍数打7折,穿四根电缆倍数打6折二点五下乘以九,往上减一顺号走三十五乘三点五,双双成组减点五常用电缆载流量对照表标准大于25℃铝电缆截面mm2序号穿管。
电缆载流量对照表电缆载流量口决:估算口诀:二点五下乘以九,往上减一顺号走。
三十五乘三点五,双双成组减点五。
条件有变加折算,高温九折铜升级。
穿管根数二三四,八七六折满载流。
说明:(1)本节口诀对各种绝缘线(橡皮和塑料绝缘线)的载流量(安全电流)不是直接指出,而是”截面乘上一定的倍数”来表示,通过心算而得。
由表5 3可以看出:倍数随截面的增大而减小。
“二点五下乘以九,往上减一顺号走”说的是2.5mm’及以下的各种截面铝芯绝缘线,其载流量约为截面数的9倍。
如2.5mm’导线,载流量为 2.5×9=22.5(A)。
从4mm’及以上导线的载流量和截面数的倍数关系是顺着线号往上排,倍数逐次减l,即4×8、6×7、10×6、16×5、25×4。
“三十五乘三点五,双双成组减点五”,说的是35mm”的导线载流量为截面数的3.5倍,即35×3.5=122.5(A)。
从50mm’及以上的导线,其载流量与截面数之间的倍数关系变为两个两个线号成一组,倍数依次减0.5。
即50、70mm’导线的载流量为截面数的3倍;95、120mm”导线载流量是其截面积数的2.5倍,依次类推。
“条件有变加折算,高温九折铜升级”。
上述口诀是铝芯绝缘线、明敷在环境温度25℃的条件下而定的。
若铝芯绝缘线明敷在环境温度长期高于25℃的地区,导线载流量可按上述口诀计算方法算出,然后再打九折即可;当使用的不是铝线而是铜芯绝缘线,它的载流量要比同规格铝线略大一些,可按上述口诀方法算出比铝线加大一个线号的载流量。
如16mm’铜线的载流量,可按25mm2铝线计算。
电缆载流量对照表Coca-cola standardization office【ZZ5AB-ZZSYT-ZZ2C-ZZ682T-ZZT18】电缆载流量对照表电缆载流量口决:估算口诀:二点五下乘以九,往上减一顺号走。
三十五乘三点五,双双成组减点五。
条件有变加折算,高温九折铜升级。
穿管根数二三四,八七六折满载流。
说明:(1)本节口诀对各种绝缘线(橡皮和塑料绝缘线)的载流量(安全电流)不是直接指出,而是”截面乘上一定的倍数”来表示,通过心算而得。
由表5 3可以看出:倍数随截面的增大而减小。
“二点五下乘以九,往上减一顺号走”说的是2.5mm’及以下的各种截面铝芯绝缘线,其载流量约为截面数的9倍。
如2.5mm’导线,载流量为 2.5×9=22.5(A)。
从4mm’及以上导线的载流量和截面数的倍数关系是顺着线号往上排,倍数逐次减l,即4×8、6×7、10×6、16×5、25×4。
“三十五乘三点五,双双成组减点五”,说的是35mm”的导线载流量为截面数的3.5倍,即35×3.5=122.5(A)。
从50mm’及以上的导线,其载流量与截面数之间的倍数关系变为两个两个线号成一组,倍数依次减0.5。
即50、70mm’导线的载流量为截面数的3倍;95、120mm”导线载流量是其截面积数的2.5倍,依次类推。
“条件有变加折算,高温九折铜升级”。
上述口诀是铝芯绝缘线、明敷在环境温度25℃的条件下而定的。
若铝芯绝缘线明敷在环境温度长期高于25℃的地区,导线载流量可按上述口诀计算方法算出,然后再打九折即可;当使用的不是铝线而是铜芯绝缘线,它的载流量要比同规格铝线略大一些,可按上述口诀方法算出比铝线加大一个线号的载流量。
如16mm’铜线的载流量,可按25mm2铝线计算。
计算电缆载流量选择电缆(根据电流选择电缆):导线的载流量与导线截面有关,也与导线的材料、型号、敷设方法以及环境温度等有关,影响的因素较多,计算也较复杂。
电缆载流量对照表 Final approval draft on November 22, 2020电缆载流量对照表电缆载流量口决:估算口诀:二点五下乘以九,往上减一顺号走。
三十五乘三点五,双双成组减点五。
条件有变加折算,高温九折铜升级。
穿管根数二三四,八七六折满载流。
说明:(1)本节口诀对各种绝缘线(橡皮和塑料绝缘线)的载流量(安全电流)不是直接指出,而是”截面乘上一定的倍数”来表示,通过心算而得。
由表5 3可以看出:倍数随截面的增大而减小。
“二点五下乘以九,往上减一顺号走”说的是2.5mm’及以下的各种截面铝芯绝缘线,其载流量约为截面数的9倍。
如2.5mm’导线,载流量为 2.5×9=22.5(A)。
从4mm’及以上导线的载流量和截面数的倍数关系是顺着线号往上排,倍数逐次减l,即4×8、6×7、10×6、16×5、25×4。
“三十五乘三点五,双双成组减点五”,说的是35mm”的导线载流量为截面数的3.5倍,即35×3.5=122.5(A)。
从50mm’及以上的导线,其载流量与截面数之间的倍数关系变为两个两个线号成一组,倍数依次减0.5。
即50、70mm’导线的载流量为截面数的3倍;95、120mm”导线载流量是其截面积数的2.5倍,依次类推。
“条件有变加折算,高温九折铜升级”。
上述口诀是铝芯绝缘线、明敷在环境温度25℃的条件下而定的。
若铝芯绝缘线明敷在环境温度长期高于25℃的地区,导线载流量可按上述口诀计算方法算出,然后再打九折即可;当使用的不是铝线而是铜芯绝缘线,它的载流量要比同规格铝线略大一些,可按上述口诀方法算出比铝线加大一个线号的载流量。
如16mm’铜线的载流量,可按25mm2铝线计算。
计算电缆载流量选择电缆(根据电流选择电缆):导线的载流量与导线截面有关,也与导线的材料、型号、敷设方法以及环境温度等有关,影响的因素较多,计算也较复杂。
电缆载流量对照表电缆载流量口决:估算口诀:二点五下乘以九,往上减一顺号走。
三十五乘三点五,双双成组减点五。
条件有变加折算,高温九折铜升级。
穿管根数二三四,八七六折满载流。
说明:(1)本节口诀对各种绝缘线(橡皮和塑料绝缘线)的载流量(安全电流)不是直接指出,而是”截面乘上一定的倍数”来表示,通过心算而得。
由表5 3可以看出:倍数随截面的增大而减小。
(2)“二点五下乘以九,往上减一顺号走”说的是2.5mm’及以下的各种截面铝芯绝缘线,其载流量约为截面数的9倍。
如2.5mm’导线,载流量为 2.5×9=22.5(A)。
从4mm’及以上导线的载流量和截面数的倍数关系是顺着线号往上排,倍数逐次减l,即4×8、6×7、10×6、16×5、25×4。
(3)“三十五乘三点五,双双成组减点五”,说的是35mm”的导线载流量为截面数的3.5倍,即35×3.5=122.5(A)。
从50mm’及以上的导线,其载流量与截面数之间的倍数关系变为两个两个线号成一组,倍数依次减0.5。
即50、70mm’导线的载流量为截面数的3倍;95、120mm”导线载流量是其截面积数的2.5倍,依次类推。
(4)“条件有变加折算,高温九折铜升级”。
上述口诀是铝芯绝缘线、明敷在环境温度25℃的条件下而定的。
若铝芯绝缘线明敷在环境温度长期高于 25℃的地区,导线载流量可按上述口诀计算方法算出,然后再打九折即可;当使用的不是铝线而是铜芯绝缘线,它的载流量要比同规格铝线略大一些,可按上述口诀方法算出比铝线加大一个线号的载流量。
如16mm’铜线的载流量,可按25mm2铝线计算。
(5)计算电缆载流量选择电缆(根据电流选择电缆):(6)导线的载流量与导线截面有关,也与导线的材料、型号、敷设方法以及环境温度等有关,影响的因素较多,计算也较复杂。
各种导线的载流量通常可以从手册中查找。
但利用口诀再配合一些简单的心算,便可直接算出,不必查(7)1. 口诀铝芯绝缘线载流量与截面的倍数关系(8)10下五,100上二,(9)25、35,四、三界,.(10)70、95,两倍半。
线径的选择
导线的载流量与导线截面有关,也与导线的材料、型号、敷设方法以及环境温度等有关,影响的因素较多,计算也较复杂。
各种导线的载流量通常可以从手册中查找。
但利用口诀再配合一些简单的心算,便可直接算出,不必查表。
1. 口诀铝芯绝缘线载流量与截面的倍数关系
10下五,100上二, 25、35,四、三界, 70、95,两倍半。
穿管、温度,八、九折。
裸线加一半。
铜线升级算。
2. 说明口诀对各种截面的载流量(安)不是直接指出的,而是用截面乘上一定的倍数来表示。
为此将我国常用导线标称截面(平方毫米)排列如下:
1、1.5、 2.5、 4、 6、 10、 16、 25、 35、 50、 70、 95、 120、 150、185……
(1)第一句口诀指出铝芯绝缘线载流量(安)、可按截面的倍数来计算。
口诀中的阿拉伯数码表示导线截面(平方毫米),汉字数字表示倍数。
把口诀的截面与倍数关系排列起来如下:
1~10 16、25 35、50 70、95 120以上
﹀﹀﹀﹀﹀
五倍四倍三倍二倍半二倍
现在再和口诀对照就更清楚了,口诀“10下五”是指截面在10以下,载流量都是截面数值的五倍。
“100上二”(读百上二)是指截面100以上的载流量是截面数值的二倍。
截面为25与35是四倍和三倍的分界处。
这就是口诀“25、35,四三界”。
而截面70、95则为二点五倍。
从上面的排列可以看出:除10以下及100以上之外,中间的导线截面是每两种规格属同一种倍数。
例如铝芯绝缘线,环境温度为不大于25℃时的载流量的计算:
当截面为6平方毫米时,算得载流量为30安;
当截面为150平方毫米时,算得载流量为300安;
当截面为70平方毫米时,算得载流量为175安;
从上面的排列还可以看出:倍数随截面的增大而减小,在倍数转变的交界处,误差稍大些。
比如截面25与35是四倍与三倍的分界处,25属四倍的范围,它按口诀算为100安,但按手册为97安;而35则相反,按口诀算为105安,但查表为117安。
不过这对使用的影响并不大。
当然,若能“胸中有数”,在选择导线截面时,25的不让它满到100安,35的则可略为超过105安便更准确了。
同样,2.5平方毫米的导线位置在五倍的始端,实际便不止五倍(最大可达到20安以上),不过为了减少导线内的电能损耗,通常电流都不用到这么大,手册中一般只标12安。
(2)后面三句口诀便是对条件改变的处理。
“穿管、温度,八、九折”是指:若是穿管敷
设(包括槽板等敷设、即导线加有保护套层,不明露的),计算后,再打八折;若环境温度超过25℃,计算后再打九折,若既穿管敷设,温度又超过25℃,则打八折后再打九折,或简单按一次打七折计算。
关于环境温度,按规定是指夏天最热月的平均最高温度。
实际上,温度是变动的,一般情况下,它影响导线载流并不很大。
因此,只对某些温车间或较热地区超过25℃较多时,才考虑打折扣。
例如对铝心绝缘线在不同条件下载流量的计算:
当截面为10平方毫米穿管时,则载流量为10×5×0.8═40安;若为高温,则载流量为
10×5×0.9═45安;若是穿管又高温,则载流量为10×5×0.7═35安。
电缆型号类型、名称及参数
亦可生产聚氯乙烯护套YJY、YJLY系列产品
生产范围
表中未列入的产品标准、规格和截面,亦可按用户要求生产
二、聚氯乙烯绝缘控制电缆(基本型号:KVV)
电缆适用于交流额定电压550V或直流电压1000V及以下配电装置中电器,仪表接线电缆导电线芯允许长期工作温度不超过70℃
敷设时电缆的温度不低于0℃
电缆弯曲半径不小于电缆外径10倍
产品标准:GB9330.1.2-90和参照国际电工委员会IEC 227,IEC 332.3,IEC 331
电缆结构有屏蔽
1.铜导线
2.聚氯乙烯绝缘
3.包带
4.镀锡铜丝编织
5.聚氯乙烯护套
三、交联聚氯乙烯绝缘控制电缆
电缆适用于固定额定电压550V或直流电压1000V以下配电装置中电器仪表的接线。
电缆导体长期允许工作温度不超过90℃。
短路时导体最高温度不超过250℃,短路持续时间5秒。
敷设时低于0℃,电缆必须预先加热。
产品标准:GB9330.1.2和参照国际电工委员会IEC 502,EC 332-3,IEC 331
电缆的型号,名称及使用范围
四、聚乙烯绝缘同轴电缆
●电缆适用于闭路电视,共同天线电视系统作分支线和用户线以及其它电子工业装置。
●环境温度:–25~+70℃l
●相对温度:40+2℃时90%~95% l
●使用频率:5~960MHZ
●产品标准:SJ/T10302 1,2,3,4–92
电缆的型号、名称
电缆基本结构
电气性能
五、聚氯乙烯绝缘电缆电线
六、计算机电缆
电缆用于交流额定电压500V及以下或直流电压1000V及以下的配置中电器、仪表、计算机的连接线。
线芯长期允许工作温度不超过70℃、敷设温度不低于﹣10℃、电缆的弯曲半径为电缆外径的10倍及以上。
电缆型号、名称及主要用途
注:除以上产吕外还可生产阻燃计算机电缆,型号:ZR﹣DJYVP ZR﹣DJYVPR ZR﹣DJYP3P3 ZR﹣DJYVP3 ZR﹣DJYVP2
产品标准:参照英国BS 5308-1987
生产范围额定电压(0.6/1kv)。