人工挖孔桩日常安全检查表
- 格式:doc
- 大小:26.21 KB
- 文档页数:1
人工挖孔桩质量检查表一、挖孔前准备工作检查1、施工方案审查施工方案是否经过审批,内容是否完整、可行。
方案中是否包含施工工艺流程、安全措施、质量控制要点等。
2、场地平整施工场地是否平整,排水系统是否畅通。
周边是否设置了防护栏杆和警示标志。
3、测量放线桩位的测量放线是否准确,偏差是否在允许范围内。
控制点的保护措施是否到位。
4、材料及设备准备钢筋、水泥、砂、石等原材料的质量证明文件是否齐全,是否经过检验合格。
挖孔设备、提升设备、通风设备、照明设备等是否性能良好,运行正常。
二、挖孔过程检查1、桩孔尺寸桩孔的直径、垂直度是否符合设计要求。
每节挖孔的深度是否符合施工方案的规定。
2、护壁施工护壁的厚度、强度是否符合设计要求。
护壁混凝土的浇筑质量是否良好,有无蜂窝、麻面、裂缝等缺陷。
3、孔内地质情况挖孔过程中遇到的地质情况是否与勘察报告相符。
如有异常地质情况,是否及时采取了相应的处理措施,并做好记录。
4、孔内通风与照明孔内通风是否良好,空气质量是否符合要求。
照明设备是否满足施工需要,亮度是否足够。
5、安全防护孔口的防护措施是否到位,防止人员和物体坠落。
作业人员是否佩戴了安全帽、安全带等个人防护用品。
三、钢筋笼制作与安装检查1、钢筋质量钢筋的品种、规格、数量是否符合设计要求。
钢筋的外观质量是否良好,有无锈蚀、弯曲等缺陷。
2、钢筋笼制作钢筋笼的尺寸、主筋间距、箍筋间距等是否符合设计要求。
焊接质量是否良好,焊缝是否饱满、均匀,有无夹渣、气孔等缺陷。
3、钢筋笼安装钢筋笼的安装位置是否准确,偏差是否在允许范围内。
钢筋笼的固定措施是否可靠,防止在混凝土浇筑过程中发生移位。
四、混凝土浇筑检查1、混凝土配合比混凝土的配合比是否经过试验确定,是否符合设计要求。
2、混凝土原材料水泥、砂、石、水等原材料的质量是否符合要求。
外加剂的品种、用量是否符合规定。
3、混凝土浇筑混凝土的坍落度是否符合要求。
浇筑过程是否连续,分层厚度是否符合规定。
人工挖孔桩日常安全检查表 1 / 1
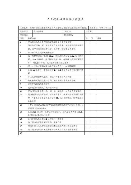
104 国道温岭大溪段改建工程第三施工标
段桥梁人工挖孔桩施工平时安全检查表
时间:
地址: 现场检查人: 序
要点检查项目 是/否 备 注 号
1.
进入现场人员能否所有正确佩带安全帽。
桩孔边沿作业 / 高处作业人员能否正确使用安全 2. 带。
桩孔边沿能否搭设坚固靠谱临边防备栏杆, 无人作 3. 业桩孔能否盖严。
挖出土石能否运离桩孔口 2 米之外,桩孔口四周是 4. 否保持净高 30cm 的护壁。
空压机、桩孔内垂直运输(卷扬机)等设施能否有出厂合格证、进场时能否查收、 平时能否有检查及 保护养护记录; 卷扬机能否安装坚固, 配重能否符 5.
合要求;吊篮在垂直调运时能否关闭严实、 钢丝绳吊绳能否有断股、 卡扣是不是 3 个;严禁使用麻绳等易断绳子。
电源线能否架空,一级、二级电箱能否锁好,三级
6. 开关箱能否依据 “一机、 一闸、一漏、一箱”设
置,作业队伍现场能否配置专业电工每日巡视检查。
每日工人作业前能否对开挖深度超出
8 米或有异 7. 味的桩孔进行排风换气检测。
能否有非施工人员,工人能否有年纪低于 18 周岁 8. 高于 55 周岁人员及残障人士在施工现场施工作
业。
9. 施工人员能否酒后上岗,身体情况能否优秀。
其
它。
人工挖孔桩施工安全检查表1. 前言本文档为人工挖孔桩施工过程中的安全检查表,旨在帮助施工方科学规范施工,减少事故发生,保障施工人员的生命安全和身体健康。
2. 施工前安全检查2.1 材料准备•请检查挖孔机械是否正常运转,无异响,刀具是否锋利,油水是否充足。
•请检查用于挖孔的钻头是否符合施工要求,材质、规格、长度等均需符合标准要求。
•请注意挖孔机械周围应留有足够的安全距离,挖孔机械切勿在人员进出通道或高处操作。
2.2 环境检查•请检查施工现场是否清洁整齐,避免施工中有杂物或障碍物影响施工过程。
•请检查施工现场周围是否有施工安全标志,如安全区域提示标志、禁止通行标志等,以免施工期间出现误伤或者误入禁止通行区域的情况。
•请检查施工现场周围是否有消防设施,并在施工中协助保持通道畅通。
2.3 工人状况•请检查每一位施工人员是否清楚了解施工流程和需求,是否采取了必要的防护措施。
•请检查每一位施工人员是否根据施工要求穿戴个人防护装备,如头盔、安全带、工作鞋、手套等。
3. 施工时安全检查3.1 现场管理•请确保施工现场必要的隔离措施已经采取,不能让非施工人员进入工作区域,保证施工区域的安全。
•请确保施工现场遵循行业标准,避免施工过程中出现构造偏差、规格偏差等情况,保障施工质量。
3.2 设备检查•请检查挖孔机械是否正常运转,无奇怪的声响或异常情况。
•请检查锚杆的长度是否符合要求,并严格按照正常的挖孔顺序操作。
•请在施工过程中,对于挖孔机械产生的噪音和振动进行管控,避免对周边环境和设备造成危害影响。
3.3 人员保护•请确保所有施工人员都穿戴好相应的个人防护装备,并在施工过程中随时查看保护状态。
•请确保施工过程中有人员提醒施工人员注意安全,避免施工人员过于疲劳或走神而发生事故。
•请确保施工过程中人员的分工明确,不发生“搭档”式操作,避免被机器切割的危险情况发生。
4. 施工后安全检查4.1 环境清理•请及时清理施工现场的杂物和垃圾,并将挖出来的石头和泥土处理好。
人工挖孔桩安全生产专项检查表人工挖孔桩是一种常见的基础施工方式,但由于其施工环境较为复杂,存在一定的安全风险。
为了确保施工过程中的安全,特制定本安全生产专项检查表,对人工挖孔桩施工的各个环节进行全面检查。
一、施工前准备1、施工方案检查施工方案是否经过审批,内容是否完整、可行,包括施工工艺、安全措施、应急预案等。
方案中是否对孔桩的深度、直径、护壁设置等参数进行明确规定。
2、人员资质施工人员是否经过专业培训,具备相应的操作技能和安全知识。
特种作业人员(如电工、焊工等)是否持证上岗。
3、设备与材料检查提升设备(如绞车、吊篮等)的性能是否良好,安全装置是否齐全有效。
护壁材料(如混凝土、钢筋等)的质量是否符合要求。
通风设备、照明设备是否完好。
二、孔口防护1、孔口周边围挡孔口周边是否设置高于地面 30cm 的围挡,防止地表水流入孔内。
围挡是否牢固可靠,有无破损、缺失。
2、孔口盖板未施工的孔口是否加盖牢固的盖板,防止人员坠落。
盖板上是否设置明显的警示标志。
3、安全梯孔内是否设置牢固的安全梯,便于人员上下。
安全梯的踏步间距是否符合要求,扶手是否牢固。
三、护壁施工1、护壁厚度与强度检查护壁的厚度是否符合设计要求。
护壁混凝土的强度是否经过检测,是否达到规定值。
2、护壁连接上下节护壁的搭接长度是否足够,连接是否牢固。
护壁是否有裂缝、脱落等现象。
3、护壁钢筋护壁钢筋的规格、数量、间距是否符合设计要求。
钢筋的绑扎、焊接是否牢固。
四、通风与照明1、通风设备孔内是否配备有效的通风设备,保证空气流通。
通风设备的运行是否正常,风量是否满足要求。
2、照明设备孔内照明是否采用安全电压,照明亮度是否足够。
照明线路是否架空或采取防护措施,防止磨损漏电。
五、气体检测1、检测仪器是否配备气体检测仪器,且仪器是否经过校准、处于有效使用期内。
2、检测内容施工前及施工过程中是否定期对孔内的氧气、一氧化碳、硫化氢等有害气体进行检测。
检测结果是否符合安全标准,如不符合,是否采取相应的通风措施。
人工挖孔桩安全专项检查表被检查单位:监理单位:合同段号:序号检查内容符合(√)不符合(×)备注1 人工挖孔桩施工方案2 1、安全技术交底和作业指导书制度;2、安全教育、培训记录3 1、孔桩施工时场地硬化,孔口四周排水系统设置,地表水排除;2、孔口施工范围内三面设置带有警示色的钢管围栏并挂密目安全网,高度宜在1. 2m,有无设置醒目标志牌。
4 1、桩孔编号,第一圈护壁要做锁口圈,锁口宽度要大于护壁外径30cm,锁口处要高出地面30cm以上,孔口边不得堆弃土渣及工具;2、孔桩必须错开桩位间隔开挖等是否符合要求。
5 1、桩基位置处于陡坡地段时,是否先开挖施工平台,做好边坡防护和临边围拦设置后开挖;2、开挖作业是否先上后下,严禁交叉作业;3、所有桩基施工现场的安全警示标志、操作规程、施工平面布置图等是否齐全,是否设置在醒目位置。
6 孔桩护壁厚度是否满足设计及规范要求。
7 1、作业人员在孔内出入时是否配置适用可靠的升降设备(如专用吊笼等)和安全爬梯;2、是否佩带安全带、安全帽;3、是否设置保险绳,做到双保险;4、挖孔作业停止时孔口是否设置罩盖将孔口盖住并设标志。
8 1、起吊设备是否有限位器,防脱保险装置;2、起重架安装是否平稳牢固,配重不小于设计要求;3、吊桶容量不得超过100kg,吊桶内所装土石方应低于桶口15~20cm,并加盖。
9 挖孔人员下孔是否先用风机将孔内气体排换,再用气体检测仪检验孔内是否存有毒有害气体。
10 是否配备瓦斯检测仪,检查瓦斯浓度。
11 孔内距孔底2m处是否设置半圆防护板。
12 相邻两孔中,一孔进行浇注混凝土时,另一孔的挖孔人员是否停止作业,并撤出井孔。
13 1、孔内有作业人员时,孔上是否有监护人员;2、孔口作业人员是否将安全绳栓挂在牢固可靠的固定设施上。
14 1、距孔口3m以内是否有施工机具、材料和机动车辆行驶或停放,挖出的土石方要随出随运;2、施工用井架、吊绳、吊桶、吊勾等作业工具,发现有扭结、变形、磨损、断丝等情况。
人工挖孔桩安全检查表一、施工前准备1、施工方案是否制定了详细且符合规范要求的人工挖孔桩施工方案,并经过审批。
施工方案中是否包含了安全技术措施和应急预案。
2、地质勘察施工前是否进行了详细的地质勘察,了解地质条件和地下水位情况。
地质勘察报告是否齐全,并向施工人员进行了交底。
3、场地平整施工现场是否进行了平整,清除了障碍物和浮土。
孔口周边是否设置了排水设施,防止雨水流入孔内。
4、设备与材料施工所需的提升设备(如绞车、吊篮等)是否完好,性能是否符合要求。
安全帽、安全带、安全网等个人防护用品是否配备齐全,并符合标准。
孔内护壁材料(如混凝土、钢筋等)的质量和数量是否满足施工要求。
5、人员培训施工人员是否经过了专门的安全培训,考核合格后上岗。
特种作业人员(如电工、焊工等)是否持证上岗。
二、孔内作业1、孔壁稳定性每次开挖前,是否检查孔壁的稳定性,有无裂缝、坍塌等迹象。
护壁混凝土的强度是否达到要求,有无脱落、开裂等情况。
2、孔内气体检测作业前是否对孔内气体进行检测,包括氧气含量、有毒气体(如一氧化碳、硫化氢等)浓度。
检测设备是否定期校准,检测记录是否完整。
3、孔内通风孔内是否安装了有效的通风设备,保证空气流通。
通风设备的运行是否正常,风量是否满足要求。
4、上下孔设施是否设置了牢固可靠的上下孔设施,如软梯、爬梯等。
上下孔设施是否定期检查和维护,有无损坏、变形等情况。
5、作业人员安全作业人员是否正确佩戴安全帽、安全带等个人防护用品。
作业人员在孔内作业时,是否有专人监护。
三、提升设备1、设备性能提升设备的额定起重量是否满足施工要求。
设备的制动装置、限位装置等安全装置是否灵敏可靠。
2、钢丝绳钢丝绳的规格、型号是否符合要求,有无断丝、磨损等情况。
钢丝绳的固定和连接是否牢固可靠,是否定期进行润滑和检查。
3、吊钩与吊篮吊钩是否有防脱钩装置,是否完好。
吊篮的结构是否牢固,有无变形、破损等情况。
4、操作与维护操作人员是否熟悉提升设备的操作规程,是否严格按照规程操作。
104国道温岭大溪段改建工程第三施工标段
桥梁人工挖孔桩施工日常安全检查表
时间:地点:现场检查人:
序
号
重点检查项目是/否备注1.进入现场人员是否全部正确佩戴安全帽。
2.桩孔边缘作业/高处作业人员是否正确使用安全带。
3.桩孔边缘是否搭设牢固可靠临边防护栏杆,无人作业桩孔是否盖严。
4.挖出土石是否运离桩孔口2米以外,桩孔口周围是否保持净高30cm的护壁。
5.空压机、桩孔内垂直运输(卷扬机)等设备是否有出厂合格证、进场时是否验收、日常是否有检查及维护保养记录;卷扬机是否安装牢固,配重是否符合要求;吊篮在垂直调运时是否封闭严实、钢丝绳吊绳是否有断股、卡扣是否是3个;禁止使用麻绳等易断绳索。
6.电源线是否架空,一级、二级电箱是否锁好,三级开关箱是否按照“一机、一闸、一漏、一箱”设置,作业队伍现场是否配置专业电工每天巡视检查。
7.每天工人作业前是否对开挖深度超过8米或有异味的桩孔进行排风换气检测。
8.是否有非施工人员,工人是否有年龄低于18周岁高于55周岁人员及残障人士在施工现场施工作业。
9.施工人员是否酒后上岗,身体状况是否良好。
其
它。