SMA沥青摊铺温度记录
- 格式:doc
- 大小:59.50 KB
- 文档页数:2
沥青摊铺要求(1)热拌沥青混合料应采用沥青摊铺机摊铺,在喷洒有粘层油的路面上铺筑改性沥青混合料或SMA时,宜使用履带式摊铺机。
摊铺机的受料斗应涂刷薄层隔离剂或防粘结剂.(2)摊铺机开工前应提前0.5~1h预热熨平板不低于100℃。
摊铺过程中应正确调整熨平板的振捣或夯锤压实装置具有适宜的振动频率和振幅,以提高路面的初始压实度.熨平板加宽连接应仔细调节至摊铺的混合料表面没有明显的离析痕迹.(3)摊铺过程中摊铺机必须缓慢、匀速、连续不间断的摊铺,不得随意变换速度或中途停顿,以提高平整度,减少混合料的离析.摊铺速度宜控制在2~6m/min的范围内,对改性沥青混合料及SMA混合料宜放慢至1~3m/min.当发现混合料出现明显的离析、波浪、裂痕、拖痕时,应及时分析原因,予以消除。
(4)摊铺机采用自动找平方式,下面层或基层宜采用钢丝绳引导的高程控制方式,上面层宜采用平衡梁或雪橇式摊铺作为摊铺厚度的控制方式,铺筑改性沥青或SMA路面时宜采用非接触式平衡梁。
(5)摊铺沥青混合料时,混合料的摊铺温度尤为重要,一定要有专人检查并作记录,方便以后查找.每天施工开始阶段宜采用较高温度的混合料,寒冷季节施工必须保证混合料的温度,沥青混合料的最低摊铺温度应满足下表的要求。
沥青混合料的最低摊铺温度下卧层的表面温度(℃)相应于下列不同摊铺层厚度的最低摊铺温度(℃)普通沥青混合料改性沥青混合料或SMA沥青混合料<50㎜50~80)㎜>80㎜<50㎜(50~80)㎜>80㎜<5 不允许不允许 140 不允许不允许不允许5~10 不允许140 135 不允许不允许不允许10~15 145 138 132 165 155 15015~20 140 135 130 158 150 14520~25 138 132 128 153 147 14325~30 132 130 126 147 145 141>30 130 125 124 145 140 139(6)沥青混合料的松铺系数应根据混合料的类型由试验路段试铺试压确定。
沥青混合料到场及摊铺温度检测记录
工程名称:芙蓉路沥青路面改造工程
测温人:
工程名称:芙蓉路沥青路面改造工程
施工单位:永州市第二市政工程公司部位:K0+530-K1+060
测温人:
工程名称:芙蓉路沥青路面改造工程
施工单位:永州市第二市政工程公司部位:K1+060-K1+590
测温人:
工程名称:芙蓉路沥青路面改造工程
施工单位:永州市第二市政工程公司部位:K1+060-K1+590
测温人:
工程名称:芙蓉路沥青路面改造工程
施工单位:永州市第二市政工程公司部位:K1+060-K1+590
测温人:
工程名称:芙蓉路沥青路面改造工程
施工单位:永州市第二市政工程公司部位:K1+590-K2+120
测温人:
工程名称:芙蓉路沥青路面改造工程
施工单位:永州市第二市政工程公司部位:K1 + 120-K2+650
测温人:
工程名称:芙蓉路沥青路面改造工程
施工单位:永州市第二市政工程公司部位:K2+650-K3+157.8
测温人:
工程名称:芙蓉路沥青路面改造工程
施工单位:永州市第二市政工程公司部位:K1 + 120-K2+650
测温人:
工程名称:芙蓉路沥青路面改造工程
施工单位:永州市第二市政工程公司部位:K2+650-K3+157.8
测温人:
沥青混合料到场及摊铺温度检测记录
工程名称:芙蓉路沥青路面改造工程
施工单位:永州市第二市政工程公司部位:K1 + 120-K2+650
测温人:。
2012年6月11日星期一马歇尔制样以泰普克基质沥青70#为例试验步骤:1.按照设计好的级配,天枰称重集料和矿粉,并一同放到160℃的烘箱里面加热2.打开混合料搅拌机,并设定温度为160℃,搅拌时间为180s3.沥青放到135℃的烘箱里面加热,放置时间:使沥青能顺利倒出即可4.把制样磨具(筒状柱体,几个样品就放几个;底座)放入到130℃的烘箱里面加热5.取出三分之二锅沥青,在煤气上进行加热、搅拌,直至成水状,此时温度应小于160℃(温度过高,会有黑烟产生,此时沥青发生氧化)6.取出已经达到160℃的集料和矿粉,放入混合料搅拌机中,加入已定质量的沥青,搅拌键常按,搅拌机容器上升,并开始搅拌混合过程7.搅拌完成后,取1250g(首次取此质量的沥青混合料,后面再根据此质量下的样品体积情况进行质量调整)混合料,放入装置好的磨具中,用尖刀使其四周无大空隙(最好是边上没有大的颗粒,不然样品做洛杉矶磨耗试验时边上的大颗粒容易掉,影响结果判断),之后放入到马歇尔击实仪中双面各击75下(根据级配类型确定击实次数,AC级别击实75次)8.对样品上下面厚度进行测量,与标准尺寸¢101.6m m×63.5mm进行比较,进而调整后一样品的混合料取料质量(标准击实法,一组试件的数量不少于4个)9.重复以上步骤10.把样品放在室温下冷却(空调房也可以),等样品温度降到室温时,在脱模机上进行脱模,并标上标签(标签标在密实一面,即制样时的底部,密实的原因是因为制样时小颗粒被作用到下部)11.测试其空气质量和水中质量(计算空隙率用?)2012年6月初星期1~5一、沥青三大指标(针入度、软化点和延度)测试以SK基质沥青为例试验步骤:1.沥青在烘箱中加热到130℃2.取量约三分之一小锅子,煤气上加热搅拌均匀,使温度在160摄氏度左右3.把沥青料倒入针入度容器、软化点半球和延度磨具中,后续放置和处理时间如4.测试各个性能,并记录试验结果二、动力粘度测试以上面的SK基质沥青为例试验步骤:1.同上2.同上3.把沥青料通过金属漏斗加到粘度玻璃管中,加入量已不超过测试刻度为准4.135℃烘箱里面15分钟后,室温下2分钟后,放入动力粘度仪中60℃恒温30min后,开始测试,并记录试验结果2012年6月14日星期四—昨天试验方法总结试验目的:研究岩沥青作为改性剂掺入基质沥青中作用效果。
SMA沥青混凝土路面施工“泛油”现象分析摘要:SMA沥青混合料路面施工过程中最常见的问题就是“泛油”现象。
木质素纤维吸油率、含水率对于SMA沥青混合料路面泛油影响最为明显,吸油率偏低、含水率较高都会降低沥青对纤维的吸附效果,从而导致路面施工过程中出现“泛油”。
除此之外,原材料规格、吸水率变化、SBS改性沥青偏软、沥青混合料加热温度过高、拌合设备不稳定以及摊铺碾压也可能导致路面出现“泛油”现象。
因此,务必要保证木质素纤维、原材料、矿粉、沥青的质量,拌和设备稳定性,摊铺及碾压工艺合理性。
关键词:SMA、“泛油”现象、木质素纤维、集料、引言沥青玛蹄脂碎石混合料(SMA),由沥青结合料与少量的纤维稳定剂、细集料以及较多量的填料(矿粉)组成的沥青玛蹄脂填充于间断级配的粗集料骨架的间隙,组成一体的沥青混合料。
SMA沥青混合料的特点是“四高一低”,即粗集料掺量高、矿粉掺量高、沥青掺量高、细集料掺量低以及前“三高”导致的高成本。
目前,SMA沥青混合料凭借优良的路用性能以及较成熟的施工技术,在国内几乎被所有高级公路、一级公路面层所采用。
SMA沥青混合料在施工过程中最常见的问题是“泛油”现象。
出现“泛油”现象的沥青路面表面功能几乎丧失,没有明显的构造深度,抗滑性能极差,容易导致交通事故。
结合工程实践总结,纤维、原材料、矿粉、沥青、混合料温度、拌和设备、压实工艺等均会导致SMA沥青混合料路面出现泛油现象。
1原材料1.1木质素纤维木质素纤维在SMA沥青混合料中起到了加筋作用,有效的提高了沥青混合料的高温抗车辙性能和抵抗疲劳破坏能力。
木质素纤维在低温下仍呈柔性,能有效的抵抗温度应力,减少温缩裂缝的产生,提高路面低温抗裂性能[1]。
木质素纤维在SMA中掺量非常小,通常情况下用于SMA的木质素纤维掺量不宜小于混合料总重的0.3%,如此小的掺量却对SMA沥青混合料的路用性能有着举足轻重的作用。
结合工程实践经验总结,木质素纤维的吸油率和含水率两项指标对SMA沥青混合料质量影响最为明显。
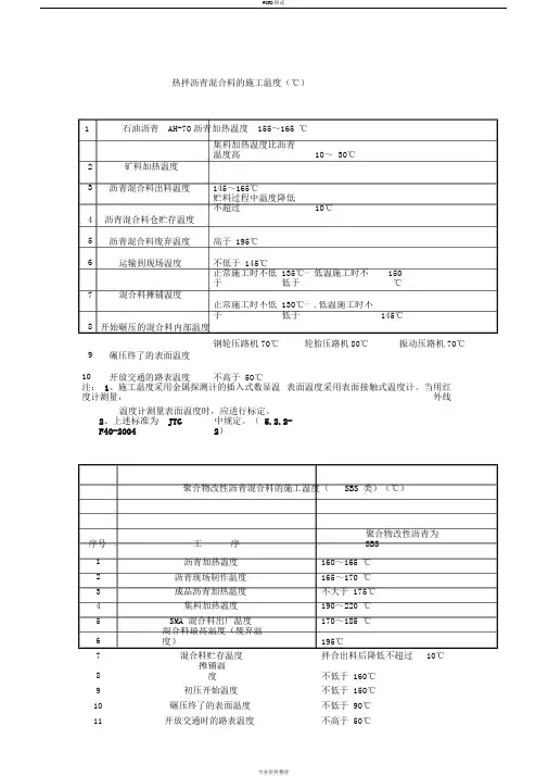
热拌沥青混合料的施工温度(℃)1石油沥青 AH-70沥青加热温度 155~165 ℃2 矿料加热温度集料加热温度比沥青温度高10~ 30℃3 沥青混合料出料温度145~165℃4 沥青混合料仓贮存温度贮料过程中温度降低不超过10℃5 沥青混合料废弃温度高于 195℃6 运输到现场温度不低于 145℃7 混合料摊铺温度正常施工时不低于135℃⋯低温施工时不低于150℃8 开始碾压的混合料内部温度正常施工时不低于130℃⋯ .低温施工时不低于145℃9 碾压终了的表面温度钢轮压路机70℃轮胎压路机80℃振动压路机70℃10 开放交通的路表温度不高于 50℃注: 1、施工温度采用金属探测计的插入式数显温度计测量,表面温度采用表面接触式温度计。
当用红外线温度计测量表面温度时,应进行标定。
2、上述标准为 JTG F40-2004中规定。
( 5.2.2-2)聚合物改性沥青混合料的施工温度(SBS 类)(℃)序号工序聚合物改性沥青为SBS1沥青加热温度160~165 ℃2沥青现场制作温度165~170 ℃3成品沥青加热温度不大于 175℃4集料加热温度190~220 ℃5SMA 混合料出厂温度170~185 ℃6混合料最高温度(废弃温度)195℃7混合料贮存温度拌合出料后降低不超过 10℃8摊铺温度不低于 160℃9初压开始温度不低于 150℃10碾压终了的表面温度不低于 90℃11开放交通时的路表温度不高于 50℃注:1、SMA 混合料的施工温度视纤维品种和数量,矿粉用量的不同在改性沥青混合料的基础上作适当高。
2、上述标准为JTG F40-2004 中规定。
( 5.2.2-3)。
SMA-13施工工艺一、混合料施工温度控制SMA温度控制的核心是拌和温度,它决定了后续各个环节的温度。
SMA沥青混合料的施工温度见表7-32。
SMA沥青混合料的施工温度表7-32二、混合料拌和1.木质素纤维投放要求(1)投放时间与投放数量。
木质素纤维的投放时间控制在12s之内,掺加比例以沥青混合料总质量的百分率计算,按0.3%参加,掺加量误差不得超过±2%。
(2)木质素纤维投放效果监控。
木质素纤维投放是SMA路面施工最关键的环节,采用质量和体积双控的自动投放设备进行投放。
每工作4~6h后应对输送管道进行检查,防止堵塞。
每锅料拌和好装车时,安排专人仔细观察混合料的颜色是否正常,混合料拌和是否均匀,若出现异常,应立即报告给技术人员,对混合料及设备进行检查,发现问题及时处理。
2.消石灰粉添加工艺沥青混合科拌和前,在拌和机一侧安装独立的消石灰粉储存罐,并与拌和机回收管道相连接,通过回收管道将消石灰粉输送到拌和机填料秤上。
拌和机生产时,按掺配比例对消石灰粉和矿粉单独进行称量(先称量消石灰粉,后按质量累加称量矿粉),直接加入拌缸进行拌和。
3.材料添加顺序与时间参数粗、细集料进入拌锅的同时,将木质素纤维存入纤维设备内,在12S之内全部投入拌锅,并开始干拌(干拌时间不得少于18s),之后依次将沥青、矿粉加入拌锅,湿拌时间不得少于45s,每锅混合料拌和总时间为70~75。
4.矿料加热温度控制针对水洗碎石材料含水率大的特点,适当降低拌和楼干燥筒的生产能力,延长碎石的烘干时间,使碎石表面与内部的含水率满足≤0.1%的要求。
5.回收粉的排放拌和机排放的粉尘应采用湿法处理,处理后再进入地面粉尘池,并且经常在周围洒水,最后用装载机和汽车运到监理工程师指定的地点。
监理人员必须对粉尘数量进行统计复核,并建立回收与废弃台账。
三、混合料运输SMA混合料运输要求如下:(1)混合料运输使用固定统一的、吨位不小于25t的专用汽车。
沥青玛蹄脂碎石(SMA)路面施工摘要:以京津高速公路采用改性沥青SMA路面的施工实践,提出把握SMA 路面施工的要点,藉以为进一步推广改性沥青SMA路面,奠定技术基础。
关键词:沥青路面、沥青玛蹄脂碎石、质量管理沥青玛蹄脂碎石(SMA)是一种由沥青结合料、矿粉、纤维与细集料组成的沥青玛蹄脂结合物,填充间断级配的粗集料骨架间隙所形成的沥青混合料。
以它修筑的路面,具有优异的面层功能特性,稳定性好。
由于具有高度的抗滑性、平整性和抗车辙能力,降低交通噪音,改善雨天的能见度,所以为车辆行驶提供了优良的安全性和舒适性。
同时,由于SMA路面耐久性好,养护工作少,使用寿命长,综合经济效益和环境效益好。
作为《公路沥青路面设计规范》中SMA首选抗滑面层在京津高速公路面层采用,在实践中加深了对SMA路面的认识,也为今后进一步在高等级路面中采用SMA路面奠定了可靠的技术基础。
一.SMA路面的技术特点SMA的特点可以归纳为三多一少,粗集料多、矿粉多、沥青结合料多、细集料少。
它由大比例的粗集料构成坚固的骨架结构,并以丰富的沥青玛蹄脂填充骨架,交通荷载主要由粗集料骨架支承,充分利用了集料的嵌挤作用,提高了路面高温抗车辙能力;SMA中粗集料所形成的空隙由沥青、矿料和纤维组成的玛蹄脂所填充,成为密实结构,空隙率小,集料颗粒表面沥青膜厚,不仅使混合料具有很好的耐疲劳性能,而且所铺路面具有良好的耐久性;SMA混合料粗集料多,所用石料质量好,路面表面构造深度大,具有良好的抗滑和降噪作用;SMA 混合料中沥青玛蹄脂,使混合料具有良好的柔韧性,增强了低温抗裂性能。
二.SMA对原材料的基本要求SMA混合料良好的技术特性,源自对原材料的严格要求。
1.沥青结合料SMA混合料对沥青结合料的要求比普通的沥青砼要求高,其质量必须满足沥青玛蹄脂的需要,要有较高的粘度,针入度小,软化点高,以保证有足够的高温稳定性和低温韧性。
高等级公路的SMA路面宜采用符合技术标准要求的改性沥青。