004线材及电阻检验规范
- 格式:doc
- 大小:88.00 KB
- 文档页数:3
电阻件检验规范(IATF16949-2016/ISO9001-2015)1.0目的:1.1确保生产所需电阻材料均能正确检验,以确认其符合品质要求。
2.0范围:2.1本公司电阻材料包括贴片电阻、炭膜电阻等各类电阻。
2.2 电阻材料入料检验和制程材料确认。
3.0职责:3.1仓库:负责确认进料物料的相关资料、产品的相关核对及物料送检、保存动作。
3.2品管部:负责对进料进行检验判定、资料分发及品质资料存档。
3.3资材部:负责供应商异常情况联络,品管检验不良品跟进处理。
4.0名词定义:4.1IQC:进料品质检验4.2 SQE:供应商品质工程师5.0步骤:5.1 抽样方式依《检验抽样管理规范》进行抽样。
5.2 检验注意事项:5.2.1 核对有无公司零件图或物料承认书及首件样品,若无则不予验收。
5.2.2 尺寸规格依据物料承认书或公司零件图中之数据;尺寸检验合格时,记录于报告中;若有尺寸检验不合格时,将重点检验不合格数据全部记录于检验表单中。
5.2.3 检验项目为本公司设备,治具,能力所无法验证之部分的物料,则依供应商之出厂检验报告为保证依据。
5.2.4 一般检验依5.3之项目执行,若有特殊项目或标准则依特殊要求检验,检验的记录则填写于备注栏,或附件中。
5.3 常规的检验项目:注:1.每批检验须有记录,其它各项在有异常需要时备注或附上相关记录。
2.尺寸规格依据物料承认书或公司零件图中之数据保持二位小数取得,其公差不变;尺寸检验合格时,将实测的最大值与最小值记录于报告中,若有尺寸检验不合格时,将重点检验不合格数据全部记录于检验表单中。
3.对于外观:全部内容都需要检验到位,记录3~5个重要方面即可。
4.检验项目为本公司设备、治具,能力所无法验证之部分的物料,则依供应商之出厂检验报告为保证依据。
5.一般检验依5.3之项目执行,若有特殊项目或标准则依特殊要求检验,检验之记录则填写于备注栏或附件中。
5.4将检验结果写入“IQC检验报告”中。
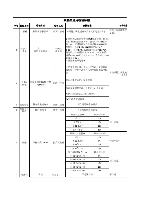
线材检验标准
一:线材检验方法:
检验工具:数字三用表,游标卡尺。
1:型号规格:检查型号规格是否符合我公司所规定要求。
2:包装、数量:检查外包装是否破损,清点数量是否符合。
3:外形尺寸:用卡尺测量线材的长度及插头的尺寸是否符合我公司所要求。
4:外观检查:ⅰ:线材破损并且露出内部金属导线。
(不能接受)
ⅱ:线材有轻微的破损但没有露出内部金属导线。
(可以接受)
ⅲ:剥出的线头没有按规定要求进行处理。
(不能接受)
5: 导通测试: 用数字表的RX1档,测量线材二端的阻值应为0.。
线材检验标准一、引言。
线材是电力系统中不可或缺的重要组成部分,其质量直接关系到电力传输的安全稳定。
为了确保线材的质量,制定和执行严格的线材检验标准是至关重要的。
本文将从线材检验的必要性、检验标准的制定和执行以及常见的线材检验方法等方面进行探讨。
二、线材检验的必要性。
1. 保障电力系统安全稳定运行。
线材作为电力系统的重要组成部分,其质量直接关系到电力系统的安全稳定运行。
如果线材质量不达标,可能会导致线路故障、电力损失甚至安全事故,因此进行线材检验是确保电力系统安全稳定运行的重要手段。
2. 保障用户电力供应质量。
线材质量不达标可能导致电力供应质量下降,影响用户的正常用电。
通过严格的线材检验,可以确保线材质量符合标准,从而保障用户的电力供应质量。
三、线材检验标准的制定和执行。
1. 制定标准。
线材检验标准的制定需要参考国家相关标准和行业规范,同时结合线材的具体用途和环境条件,制定适合的检验标准。
标准的制定应充分考虑线材的材质、尺寸、导电性能、绝缘性能、耐热性能等方面的要求,确保线材质量能够满足实际使用需求。
2. 执行标准。
线材检验标准的执行需要建立健全的检验机构和检验流程,确保检验过程的科学性和严谨性。
在执行标准时,需要严格按照标准规定的检验方法和要求进行检验,对线材进行全面、系统的检测,确保线材质量符合标准要求。
四、常见的线材检验方法。
1. 外观检验。
外观检验是线材检验的最基本方法之一,通过目测和仪器检测线材的外观质量,包括表面光洁度、外观缺陷、尺寸偏差等方面的检测。
2. 物理性能检验。
物理性能检验是对线材的拉伸性能、弯曲性能、硬度等物理性能进行检测,以评估线材的机械性能。
3. 化学成分分析。
化学成分分析是通过化学方法对线材的成分进行分析,以确保线材的材质符合要求。
4. 导电性能检验。
导电性能检验是对线材的电阻、电导率等导电性能进行检测,以评估线材的导电性能是否符合要求。
五、结论。
线材作为电力系统的重要组成部分,其质量直接关系到电力系统的安全稳定运行和用户的电力供应质量。
上制作: 核准:一、目旳:明确线材来料品质验收原则, 规范检查动作, 使检查、鉴定原则抵达一致性。
二、合用范围:合用于我司所有线材来料检查。
三、检查条件:1.照明条件: 日光灯600~800LUX;2.目光与被测物距离: 30~45CM;3.灯光与被测物距离: 100CM以內;4.检查角度: 以垂直正视为准±45度;5.检查员视力:双眼视力(包括戴上眼镜)1.0以上, 且视觉正常, 不可有色盲, 斜视、散光等;四、参照原则:根据MIL-STD-105EⅡ级单次正常抽样原则CR=(正常抽样Ac/Re:0/1);MA=0.65;MI=1.5根据MIL-STD-105EⅡ级单次S-.特殊抽样原则.AQL:2.5抽样五、检查仪器和设备: 卡尺、卷尺、烙铁、千分尺、拉力器、万用表、耐压仪、游标卡尺、绝缘电阻测试仪。
七、检查内容:(1)包装检查: 外包装箱应规范、整洁, 并具有产品标识, 应无破损、污物等不良现象。
产品标签清晰, 内容应注明物料名称、规格型号、数量、生产日期、产品厂家等标识。
(2)外观检查:线材表面清洁, 无破损、污脏、缺芯、变形及其他机械损坏, 颜色一致, 并具有3C、额定温度、额定电压标识。
连接端子不可有锈蚀、氧化现象;连接方式若为焊接式其焊点应饱满、光泽, 连接方式若为压接式其压接片完损、线芯不可折断及外露。
线芯无氧化、发黑现象, 线芯若浸锡应均匀, 多股时应不可散开。
(3)尺寸:尺寸用卡尺或卷尺检测。
用卡尺测量线材外护套尺寸、线芯绝缘层尺寸、线芯直径、连接端子尺寸、线头长度等, 用卷尺测量线材总长度。
试配:连接端子其对应旳端子进行试配。
(4)特性:a.线材通断(定义);用万用表蜂鸣档对其两端进行测试, 或用测试工装测试, 或与整机连机测试, 测试过程中用手按上、下、左、右各成45°轻摇线材之线与头连接处, 上下、左右各5次循环, 测试不能出现INT(接触不良)现象。
线材检验标准
首先,外观质量是线材检验的重要内容之一。
线材表面不得有裂纹、折痕、夹渣、麻点、气泡等缺陷,且应保持光洁度。
同时,线材的外观应符合相应的标准规定,如表面粗糙度、表面清洁度等指标要符合要求。
其次,尺寸偏差也是线材检验的重点内容之一。
线材的直径、长度、弯曲度、直线度等尺寸偏差应符合国家标准或行业标准的规定,以保证产品的使用性能和安全性。
另外,线材的化学成分也是需要进行严格检验的内容之一。
线材的化学成分应符合国家标准或行业标准的规定,包括主要元素含量、杂质含量等指标,以确保产品的材质质量符合要求。
最后,线材的力学性能也是线材检验的重要内容之一。
线材的抗拉强度、屈服强度、延伸率、硬度等力学性能指标应符合国家标准或行业标准的规定,以确保产品在使用过程中具有良好的力学性能和安全性能。
总之,线材检验标准的制定和执行对于保障产品质量和安全具
有重要意义。
各生产企业应严格按照相关标准进行线材的检验,确保产品质量和安全。
同时,监管部门也应加强对线材产品的抽检和监督检验,推动线材行业的健康发展。
希望各方共同努力,为线材产品的质量和安全保驾护航。
电阻检验规范1.外观1.1.色码均匀,易于识别,断环不得大于60℃;1.2.电阻体均匀,表面有光泽、无气孔、无起泡、无起皱、无露头;1.3.引线不得发黄,不得露铜,应无油污,引线根部不允许有长度超过1.0mm的漆。
2.尺寸2.1.签订技术协议按技术协议检验;2.2.没有签订技术协议按厂家承认或提供的产品规格说明书中的尺寸检验。
3.电参数要求3.1.电阻值误差:J(±5%);3.2.绝缘电阻:>10GΩ 。
3.3.耐压:3.3.1.特殊电阻3.3.1.1.电阻680KΩ/0.25W&0.5W:加1500V的DC电压3S,要求:LC<3mA、外观无可见损伤、△R≤±10%R;3.3.1.2.电阻470KΩ/0.25W&0.5W:加1100V的DC电压3S,要求:LC<3mA、外观无可见损伤、△R≤±5%R;3.3.1.3.电阻330KΩ/0.25W&0.5W:加900V的DC电压3S,要求:LC<5mA、外观无可见损伤、△R≤±3%R;3.3.1.4.电阻220KΩ/0.25W&0.5W:加700V的DC电压5S,LC<5mA、要求:外观无可见损伤、△R≤±1.5%R。
3.3.1.5.RSN型电阻:加2.5×(PR)0.5的DC电压5S,自然放置30分钟后测量阻值,要求:外观无可见损伤、△R≤±1%R 。
备注:△R=试验后阻值-试验前阻值,R-试验前阻值3.3.2.其余电阻:加3×(PR)0.5的DC电压5S,要求:外观无可见损伤、不得冒烟烧毁。
3.4.高温阻值变化3.4.1.特殊电阻电阻680KΩ、470KΩ、330KΩ、220KΩ/0.25W&0.5W :在125±2℃环境温度下放置30分钟测电阻值,要求:△R≤±7%R1;3.4.2.RSN型电阻:在室温+50±2℃环境温度下放置15分钟后测阻值,要求:(△R/R)/50*106 PPM/℃=±300PPM/℃ 。
中心位置高度不大低于四角0.2mm中心点不低于四个角0.2NGn Re g i st:五金变形,整条线材所有五金无一处或以上五金变形为允收:五金铁壳装配异常整个产品无装配异常为允收Un Re t e r ed:五金压尾位置异常,生产制程中需压五金尾的产品,五金压尾的位置须在线材的外被上,且线材压尾加工后,五金无损伤线材内芯线的现象,整条线材无一处或以上五金未压尾为允收:缺胶:整条线材无一处或以上缺胶为允收头歪:整条线材无一处或以上五金与主体不同轴心方向(<3度)为允收。
NGUn Rt er ed:尾部未点锡,整条线材无线材漏点锡为允收(客户有要求不点锡可例外):印字清晰:线材外被印字需与要求的字体,内容,颜色一致,无字体模糊不清现象。
字体破损,不清晰OKOKUn Re er ed:装配错位/离壳:装配的车充或充电器塑胶外壳装配后底面壳上下壳这间距离大于0.3mm 为离壳,有底面壳前后错位超过0.3mm 为错位,允收尺寸为前述尺寸Un Re4mmUn Re g发行日期版 次V0.0编 号页 次13测试方法:将测试母座固定在机器度部夹具内,将插头公座插入母座内,将机器上部按下降按钮到插头公座上,并用夹子夹紧公座使读数表归零,按上升按钮,此时表针指示读数为拔出力数值。
将读数表归零,按下降钮,将公座插入母座内,(注意要及时停机,否则读数将会很大,不是实际插入的数值,而是机器堵转的数值)此时显示的为插入力数值。
线材检验规范41:外箱标签:依据以下标签填定,QC 签名外以01,02:03,等字码代替。
验货合格后需加盖QC 专用的PASS 章,QC 成品出货时,如为ROHS 产品,外箱需有ROHS 绿色环保标签。
42:插头拔插力过大或过小,我厂生产的音叉插头线,有部分客户对插头不的拔插力有一定要求,具体标准以客户实际要求为准,本厂成品出厂时,需对此项有测试要求,测试工具可以使用本厂的端子拉力测试机进行测试,实际测量值以测试表上的读数为准,单位kgUn Re gi st er ed发行日期版 次V0.0编 号页 次14线材检验规范43:线材摇摆测试:固定DC 头,取下方导线 1M 外悬挂300G 砝码,拉紧导线,挂于摇摆实验机上呈左右60度摇摆,实验500次以上,导线可以正常使用44:五金盐雾测试 :电镀金属件可以通过12小时盐雾测试,3%盐水浓度,温度20度,PH 值越小,即腐蚀性越强,表示环境测试越恶劣Un Re gi st er ed。
制作:审核:核准:1. 目的:明确电阻来料品质验收标准,规范检验动作,使检验、判定标准达到一致性。
2.适用范围:适用于我司所有电阻类来料检验。
3.检验条件:3.1照明条件:日光灯600~800LUX;3.2目光与被测物距离:30~45CM;3.3灯光与被测物距离:100CM以內;3.4检查角度:以垂直正视为准±45度;3.5检查员视力:双眼视力(包括戴上眼镜)1.0以上,且视觉正常,不可有色盲,斜视、散光等;4.参照标准:依照MIL-STD-105EⅡ级单次正常抽样标准CR=(正常抽样Ac/Re:0/1);MA=0.65;MI=1.5依照MIL-STD-105EⅡ级单次S-2 特殊抽样标准. AQL:2.5抽样5.检验顺序:6.检验内容:6.1 外观:6.1.1 测试工具:目视6.1.2 步骤:抽样10PCS观察其表面:无刮痕、破损,印刷内容清楚;有标示电阻器色环或阻值、公差,外观数据符合工程设计要求且与承认书相符。
6.1.3判定:无以上不良且与承认书相符判定OK。
6.2 机械尺寸:6.2.1测试工具:游标卡尺一把。
6.2.2步骤:抽取10PCS,用游标卡尺以承认书图面标示为准进行检测、其本体长度,宽度,厚度,引脚直径,引脚长度及间距与承认书相符且符合工程设计要求。
6.2.3判定:数据符合工程设计要求且与承认书相符判为OK。
6.3电气性能检测:6.3.1测试工具:LCR测试仪,万用表,调温烙铁,直流电源,负载测试仪。
(1)固定电阻器检验方法:a.将LCR测试仪的表笔夹住电阻器的两只引脚(不分正负极),LCR测试仪将会显示相应读数.根据电阻器误差等级和标称值的不同,对照承认书和工程设计要求,所测数据符合工程设计要求且与承认书相符。
b.测试时注意手不要触及表笔和电阻器的导电部位;被测电阻器从电路之中焊下时至少要焊开一个头.以免电路中的其他组件对测试产生影响,造成测量误差。
(2)贴片电阻和水泥电阻检测方法:a.检测贴片电阻和水泥电阻的方法和注意事项与检测普遍固定电阻完全相同。
深圳市晶福源电子技术有限公司电阻进料检验规范编号:版本:A/00拟制:孔亚楠日期:2013-01-08审核:日期:标准化:日期:批准:日期:文件修订记录页面版本修订人修订内容修订日期6-6 A/00 孔亚楠首次发布2013-01-08(共6 页包括封面)会签栏市场部研发部PMC部制造部质量部工程部采购部财务部管理部总经理发放对象市场部研发部PMC部制造部工程部质量部财务部管理部采购部总经理制定日期:2013-01-08三阶文件电阻进料检验规范修订日期:首次发布版本:A/00页数:6/21.目的:为规范电阻进料检验,特制定此标准。
2.适用范围:适用于本公司所有电阻的进料检验和判定。
3.职责和权限:此检验标准的解释权属于质量部。
如果在使用中发现有部分不良现象未在检验规范中明确规定或不详细,使用单位可提出,由撰写单位进行分析判定,并作临时规范,如有必要后续需将其正式列入检验规范中。
4.名词解释:4.1.严重缺点(Critical):导致人体的生命或安全受到伤害;4.2.主要缺点(Major):产品的功能不能达到预期的目的或实用性质明显减低之缺点;4.3.次要缺点(Minor):不影响产品的使用目的之缺点。
5.检验环境、条件:5.1.检验环境:正常室温下进行检验;5.2.检IQC现有灯光条件下或室外正常光线,目视距离300±50mm进行外观检验和判定。
6.电阻介绍:6.1电阻是导体对电流阻碍作用的大小。
导体的电阻越大,表示导体对电流的阻碍作用越大。
不同的导体,电阻一般不同,电阻是导体本身的一种性质。
电阻元件是对电流呈现阻碍作用的耗能元件。
6.2电阻元件的电阻值大小一般与温度有关,衡量电阻受温度影响大小的物理量是温度系数,其定义为温度每升高1℃时电阻值发生变化的百分数。
有些物质在低温条件下电阻为零,被称为超导体。
6.3导体的电阻通常用字母R表示,电阻的单位是欧姆(ohm)简称欧,符号是Ω,1Ω=1V/A。
(完整版)电阻器校验标准操作规程1. 引言本文档旨在规范电阻器校验操作,确保校验过程的准确性和一致性。
该操作规程适用于所有需要校验电阻器的工作场景。
2. 校验标准校验标准是校验过程中的参考依据,确保校验结果的准确性和可比性。
校验标准应该基于相关行业标准或公司内部标准,包括以下几个方面:- 电阻器规格:包括电阻值、功率、误差等。
- 校验方法:详细描述了电阻器的校验方法,包括测试仪器的使用、测量方法和操作步骤等。
- 校验结果判定标准:根据不同的电阻器规格,制定相应的校验结果判定标准,以确定电阻器是否合格。
3. 校验设备校验设备是进行电阻器校验的必要工具,确保校验过程的可靠性。
校验设备应满足以下要求:- 测量仪器:选择准确度高、稳定性好的数字电阻测量仪、万用表或专用校验仪器。
- 标准电阻:校验设备中应包含标准电阻,确保校验的可追溯性和准确性。
- 连接线材:使用低阻抗、低温漂移、屏蔽良好的连接线材,减小误差影响。
4. 校验操作步骤电阻器校验操作应按照以下步骤进行:1. 准备校验设备:检查校验设备的完好性和准确性。
2. 接线准备:确认校验设备和电阻器的连接方式,保证连接的稳定性和可靠性。
3. 校验设备调整:校准校验设备的零点和量程,确保测量精度和稳定性。
4. 校验电阻器:按照校验标准的要求,使用校验设备测量电阻器的电阻值,并记录数据。
5. 校验结果分析:将测量数据与校验标准进行比较,并判断电阻器是否合格。
6. 记录与报告:将校验结果记录在校验记录表中,并生成校验报告,包括校验日期、校验人员、校验结果等信息。
5. 安全注意事项在进行电阻器校验时,应注意以下安全事项:- 校验设备的接线应符合相关安全规范,确保工作环境和人员安全。
- 避免直接接触高电压部分,确保操作人员的人身安全。
- 在操作过程中,严禁离开现场或进行其他无关操作,以免发生意外。
6. 结论电阻器校验标准操作规程是确保校验结果准确和可靠的重要工作依据。
中心位置高度不大低于四角0.2mm中心点不低于四个角0.2NGn Re g i st:五金变形,整条线材所有五金无一处或以上五金变形为允收:五金铁壳装配异常整个产品无装配异常为允收Un Re t e r ed:五金压尾位置异常,生产制程中需压五金尾的产品,五金压尾的位置须在线材的外被上,且线材压尾加工后,五金无损伤线材内芯线的现象,整条线材无一处或以上五金未压尾为允收:缺胶:整条线材无一处或以上缺胶为允收头歪:整条线材无一处或以上五金与主体不同轴心方向(<3度)为允收。
NGUn Rt er ed:尾部未点锡,整条线材无线材漏点锡为允收(客户有要求不点锡可例外):印字清晰:线材外被印字需与要求的字体,内容,颜色一致,无字体模糊不清现象。
字体破损,不清晰OKOKUn Re er ed:装配错位/离壳:装配的车充或充电器塑胶外壳装配后底面壳上下壳这间距离大于0.3mm 为离壳,有底面壳前后错位超过0.3mm 为错位,允收尺寸为前述尺寸Un Re4mmUn Re g发行日期版 次V0.0编 号页 次13测试方法:将测试母座固定在机器度部夹具内,将插头公座插入母座内,将机器上部按下降按钮到插头公座上,并用夹子夹紧公座使读数表归零,按上升按钮,此时表针指示读数为拔出力数值。
将读数表归零,按下降钮,将公座插入母座内,(注意要及时停机,否则读数将会很大,不是实际插入的数值,而是机器堵转的数值)此时显示的为插入力数值。
线材检验规范41:外箱标签:依据以下标签填定,QC 签名外以01,02:03,等字码代替。
验货合格后需加盖QC 专用的PASS 章,QC 成品出货时,如为ROHS 产品,外箱需有ROHS 绿色环保标签。
42:插头拔插力过大或过小,我厂生产的音叉插头线,有部分客户对插头不的拔插力有一定要求,具体标准以客户实际要求为准,本厂成品出厂时,需对此项有测试要求,测试工具可以使用本厂的端子拉力测试机进行测试,实际测量值以测试表上的读数为准,单位kgUn Re gi st er ed发行日期版 次V0.0编 号页 次14线材检验规范43:线材摇摆测试:固定DC 头,取下方导线 1M 外悬挂300G 砝码,拉紧导线,挂于摇摆实验机上呈左右60度摇摆,实验500次以上,导线可以正常使用44:五金盐雾测试 :电镀金属件可以通过12小时盐雾测试,3%盐水浓度,温度20度,PH 值越小,即腐蚀性越强,表示环境测试越恶劣Un Re gi st er ed。
电线绝缘电阻测试标准电线的绝缘电阻测试是电气安全检测中非常重要的一项内容,其标准化测试流程对于保障电气设备和人员的安全至关重要。
在进行电线绝缘电阻测试时,需要严格按照相关标准进行操作,以确保测试结果的准确性和可靠性。
本文将介绍电线绝缘电阻测试的标准要求,以及测试过程中需要注意的事项。
首先,电线绝缘电阻测试的标准要求包括测试设备的选择和校准、测试环境的要求、测试操作的流程等内容。
在选择测试设备时,应该确保其符合国家标准和行业标准的要求,并且经过定期的校准。
测试环境应该干燥、通风,并且没有任何可能对测试结果产生影响的外部因素。
测试操作的流程应该严格按照标准要求进行,以确保测试结果的准确性。
其次,电线绝缘电阻测试的过程中需要注意的事项包括测试前的准备工作、测试操作的规范性、测试结果的记录和分析等内容。
在进行测试前,应该对测试设备进行检查和校准,确保其正常工作。
测试操作应该按照标准要求进行,避免操作不规范导致测试结果的偏差。
测试结果应该及时记录并进行分析,以便及时发现和解决问题。
最后,电线绝缘电阻测试的标准要求对于保障电气设备和人员的安全具有重要意义。
只有严格按照标准要求进行测试,才能确保测试结果的准确性和可靠性,从而保障电气设备和人员的安全。
因此,在进行电线绝缘电阻测试时,务必严格遵守相关标准要求,确保测试过程的规范性和可靠性。
综上所述,电线绝缘电阻测试是电气安全检测中非常重要的一项内容,其标准化测试流程对于保障电气设备和人员的安全至关重要。
在进行测试时,需要严格按照相关标准进行操作,确保测试结果的准确性和可靠性。
只有这样,才能有效地保障电气设备和人员的安全。