大气辐射与遥感-第五章
- 格式:pptx
- 大小:3.34 MB
- 文档页数:72
大气辐射传输与遥感技术应用研究近年来,随着环境变化和气候变化的严重影响,对大气辐射传输和遥感技术的研究日益受到关注。
大气辐射传输是指太阳辐射在穿过大气层时与大气分子、云雾等相互作用的过程,而遥感技术则是通过对遥感影像的处理和分析,获得地球表面及大气等信息的技术手段。
它们在大气科学和环境保护等领域具有重要的应用价值。
第一部分:大气辐射传输的研究大气辐射传输研究的主要目的是揭示辐射在穿过大气层时的变化规律,为气候变化、能源利用和环境保护等方面提供科学依据。
科学家们通过建立物理模型和数值模拟,研究辐射在大气层中的吸收、散射和透射等过程。
同时,利用地面观测和卫星数据等手段,实时监测辐射传输过程的变化情况。
大气辐射传输的研究成果在气象、气候学等领域有着广泛的应用,其中包括太阳辐射的测量和预测、大气温室效应的评估、云和气溶胶对辐射的影响等。
这些研究有助于我们更好地理解和预测气候变化,为相关领域的决策提供科学支持。
第二部分:遥感技术在大气辐射传输研究中的应用遥感技术是通过获取地球表面的电磁辐射信息,并进行处理和分析,从而获得地理空间信息的一种技术手段。
在大气辐射传输研究中,遥感技术发挥着重要的作用。
首先,遥感技术可以提供大气成分的空间分布情况。
通过遥感影像中反射光谱信息的分析,我们可以了解大气中的气溶胶、水汽和臭氧等成分的浓度分布状况。
这对于研究辐射传输过程中光学厚度和光学深度等参数的变化具有重要意义。
其次,遥感技术可以监测气象要素的变化。
例如,通过卫星观测云的覆盖率、云的高度和云顶温度等参数,可以更加准确地估计大气中云的辐射特性,从而提高辐射传输的模拟和预测精度。
此外,遥感技术还可以辅助大气辐射传输模型的运行和验证。
通过比对模型模拟结果和遥感观测数据,可以对模型的准确性进行评估,并进行模型参数的优化和调整,从而提高模型的可靠性和适用性。
第三部分:未来的研究方向和挑战大气辐射传输与遥感技术的研究仍然存在一些挑战和待解决的问题。
《大气对遥感的影响》参考译文假如地球表面没有大气,所有波段的电磁能就会与地表面相互作用,并传输关于该表面的实际信息。
尽管地球的大气是透明的,但适用于遥感的波段仅占电磁波谱中的一小部分。
衰减较少的光谱段称为大气窗口,即使是在大气窗口,大气的影响有也非常大。
气体、大的气溶胶引起大气的散射、吸收以及放射辐射能。
因此,大气不仅是一个衰减器,同时也是辐射能的来源。
所以,从地面传到高处遥感平台的信息会发生衰减和失真。
大气散射和漫射的辐射能给信号增加了背景噪音。
比如物体与其背景的表观对比度,或者物体的表面颜色会随着距离的变化而变化。
同理,在红外、微波范围测量,地球表面的表观温度随着高度而变化。
离开大气的漫辐射能同样也是地面光照度的来源之一。
在遥感发展的初期,由于对大气的影响几乎不了解,大气的这些复杂影响因子没有被完全考虑。
由此可以看出,大气是遥感中一个重要的、随处存在的棘手因子。
电磁波谱电磁波谱是连续不断的电磁辐射,它的范围从频率最高、波长最短的Γ射线延伸到频率最低、波长最长的无线电波以及可见光。
大致可将电磁波谱分为七个不同的区域:Γ射线、X 射线、紫外线、可见光、红外线、微波和无线电波。
遥感涉及到电磁波谱中许多部分的能量测量。
卫星传感器中主要利用的是可见光、反射或放射的红外线以及微波。
这些辐射的测量发生在所谓的光谱段。
光谱段定义为电磁波谱中相分离的间隔。
例如,从0.4微米到0.5微米范围即为一个波段。
波长最短部分包括X射线和眼睛所能感知的可见光波段,位于0.39到0.76微米之间。
在这波段内,波长和光的颜色有关:波长最短的是紫光,位于0.39.到0.455微米之间;波长最长的是红光,位于0.620到0.760微米之间。
利用可见波谱的这些终点可区分波长比紫光还短的紫外线以及比红光还长的红外线。
实际上,更长的波长不是红外线,而属于微波和无线电波(上百米)的范畴。
卫星传感器设计来测量特定波谱段的响应,以便能够区分主要的地面物体。
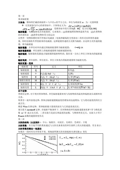
第一章基本辐射量立体角:锥体所拦截的球面积σ与半径r 的平方之比,单位为球面度sr ,为一无量纲量以发射体为中心的球坐标中,立体角定义为: 是极坐标中的天顶角[0,90],是方位角[0,360]辐射能量:电磁辐射是具有能量的,它表现在:(1)使被辐照的物体温度升高 (2)改变物体的内部状态 (3)使带电物体受力而运动自然界一切物体都时刻不停地以电磁波(电场和磁场的交变波动)的形式向四周传递能 量,同时也接收外界投射来的电磁波,这种能量传递的方式称为辐射。
以这种方式传递的能量,称为辐射能辐射通量:在单位时间内通过的辐射能量称为辐射通量: Φ=∂Q/ ∂t 辐射通量密度:单位面积上的辐射通量称为辐射通量密度:辐射强度:辐射强度是描述点辐射源的辐射特性的,指在某一方向上单位立体角内的辐射通量辐射亮度:单位面积、单位波长、单位立体角内的辐射通量称为辐射亮度: 辐射度量一览表普朗克定律:对于绝对黑体物质,单色辐射通量密度与发射物质的温度和辐射波长或频率的关系。
斯蒂芬-玻耳兹曼定律:黑体总辐射通量随温度的增加而迅速增加,它与绝对温度的四次方成正比。
维恩Wien 位移定律:黑体辐射最大强度的波长与它的温度成反比。
基尔霍夫kirchhoff 定律:在辐射平衡条件下,任何物体的单色辐射通量密度F λT 与吸收系数A λT 成正比关系,二者比值只是波长和温度的函数,与物体性质无关,比值大小等于Planck 函数的通量密度形式 第二章太阳的结构(从里到外):中心、辐射区、对流区、光球区、色球区、日冕太阳常数:在日地平均距离处通过与太阳光束垂直的单位面积上的太阳能通量,用S 表示。
太阳常数的测定—地基法如果在一段时间光学厚度不变,则地面所测太阳直接辐射光谱仅随m 变化()()sin d rd r d σθθφ=2sin d d d d r σθθφΩ==长法需较长时间进行观测,保证m有相当大的变化范围天气条件;紫外、红外观测不全,需补足第三章大气分为五层:对流层、平流层、中间层、暖层、散逸层(外层)太阳辐射—短波辐射:0.15~4.0mm (UV,VIS,IR)地气辐射—长波辐射:4.0~120mm (IR)气溶胶:气溶胶由固体或液体小质点分散并悬浮在气体介质中形成的胶体分散体系。
第五章 散射和吸收(Scatter and Absorption )§5.1 复折射率和衰减(Complex Index of Refraction and Attenuation )复折射率(Complex Index of Refraction )定义如下"n 'n i n -= (5-1)它的实部n ’是折射率,它表明电磁波在两介质的界面处传播速度和方向的变化。
在海-气界面,反映这种变化的斯奈尔(Snell )折射定律是vc sin sin 'n 21=θθ= (5-2) 式中n ’是电磁波从空气向海水传播时在海水的折射率,θ1 是入射角,θ2 是折射角,c 和 v 分别是电磁波在空气和海水中传播的相速度。
图 5-1: 折射和反射使用折射仪可测得在可见光范围介质的折射率n ’。
如果已知海水的温度和盐度,则可使用 r εn = (5-3)计算在微波波段的复折射率n = n ’+ i n ”;在微波波段里,相对电容率εr 可从德拜方程获得。
复折射率的虚部系数表示电磁波在介质中传播的衰减程度。
把(5-1)和(5-2)代入(4-2), 可得到)v z t (z c "n 0x )z c 'n t (z c "n 0x )z c "n 'n t (i 0x x e e E e e E e E )z ,(E -ωω--ωω---ω===ωi i i (5-4)我们知道,辐照度E( f ) 通过单位面积的辐射通量,辐射通量是单位时间里通过一个面积的能量,能量与电场强度E X (ω,z )的平方成比例,所以2x )z ,(E ~)f (E ω 2)v z t (i z c "n 220x z 0e e E ~e )f (E -ωω--a k (5-5)式中,k a 是衰减系数(也称为体消光系数),它表示电磁波辐射在传播过程中衰减的快慢程度,E 0 是辐照度在传播过程开始点(z = 0)的振幅,E x0 是电场在传播过程开始点(z = 0)的振幅。
大气辐射场的遥感监测与模拟大气辐射是指太阳辐射照射到地球大气层中,再被地球和大气层吸收、漫射、散射后到达地面的能量。
了解大气辐射场的分布情况对于气候变化、天气预报等方面具有重要意义。
遥感技术作为一种远距离、非接触的测量手段,发挥着重要的作用。
本文将探讨大气辐射场的遥感监测与模拟。
遥感监测大气辐射场的基本方法是利用卫星遥感技术获取大气辐射场的数据。
卫星遥感所获取的数据具有广域、高空间分辨率、连续观测等特点,可以提供大量的信息用于气象学研究。
例如,利用红外辐射、可见光辐射和微波辐射等多种波段的数据,可以获取大气中的云量、云高、水汽含量等参数,从而反演大气辐射场的分布情况。
同时,遥感技术还可以用于观测大气中的气溶胶、臭氧等重要组分,这些组分对大气辐射场有着重要的影响。
例如,气溶胶颗粒在大气中的散射和吸收作用会改变太阳辐射的传播路径,从而影响地面的辐射场。
通过遥感技术可以获取气溶胶颗粒的粒径、浓度等信息,从而在大气辐射模拟中引入更准确的数据,提高模拟结果的可靠性。
大气辐射模拟是指通过计算机模拟手段,利用物理模型和统计模型对大气辐射场进行建模和分析。
模拟可以帮助我们理解大气辐射场的形成机理、预测未来的气候变化,从而为气候预测和环境评估等提供科学依据。
大气辐射场的模拟需要考虑多种影响因素,如太阳辐射、地表反照率、云量和云的光学性质等。
通过物理模型和统计模型,可以对这些因素进行建模,并结合观测数据进行验证和校正。
例如,通过模拟太阳辐射在大气中的传播过程,可以得到太阳辐射的垂直分布和水平分布情况,进而了解大气辐射场的空间分布特征。
另外,大气辐射场的模拟还需要考虑不同时间尺度的变化。
例如,日变化和季节变化对大气辐射场有着重要的影响。
通过模拟不同时间尺度下的大气辐射场,可以对气候变化的情况进行预测和分析,为农业生产、水资源管理等提供参考依据。
在大气辐射场的遥感监测和模拟过程中,还需要充分考虑数据的准确性和可靠性。
遥感数据不同波段的分辨率、噪声、辐射定标等都会对监测结果产生影响。