常见手机充电器电路图2
- 格式:doc
- 大小:1.96 MB
- 文档页数:11
三、我修改过的图纸(我认为原图可能有错误)四、超力通电路原理该充电器具有镍镉、镍氢、锂离子电池充电转换开关,并具有放电功能。
在150~250V、40mA的交流市电输入时,可输出300±50mA的直流电流。
该充电器采用了RCC型开关电源,即振荡抑制型变换器,它与PWM型开关电源有一定的区别。
PWM型开关电源由独立的取样误差放大器和直流放大器组成脉宽调制系统;而RCC型开关电源只是由稳压器组成电平开关,控制过程为振荡状态和抑制状态。
由于PWM型开关电源中的开关管总是周期性的通断,系统控制只是改变每个周期的脉冲宽度,而RCC型开关电源的控制过程并非线性连续变化,它只有两个状态:当开关电源输出电压超过额定值时,脉冲控制器输出低电平,开关管截止;当开关电源输出电压低于额定值时,脉冲控制器输出高电平,开关管导通。
当负载电流减小时,滤波电容放电时间延长,输出电压不会很快降低,开关管处于截止状态,直到输出电压降低到额定值以下,开关管才会再次导通。
开关管的截止时间取决于负载电流的大小。
开关管的导通/截止由电平开关从输出电压取样进行控制。
因此这种电源也称非周期性开关电源。
220V市电经VD1~VD4桥式整流后在V2的集电极上形成一个300V左右的直流电压。
由V2和开关变压器组成间歇振荡器。
开机后,300V直流电压经过变压器初级加到V2的集电极,同时该电压还经启动电阻R2为V2的基极提供一个偏置电压。
由于正反馈作用,V2 Ic 迅速上升而饱和,在V2进入截止期间,开关变压器次级绕组产生的感应电压使VD7导通,向负载输出一个9V左右的直流电压。
开关变压器的反馈绕组产生的感应脉冲经VD5整流、C1滤波后产生一个与振荡脉冲个数呈正比的直流电压。
此电压若超过稳压管VD17的稳压值,VD17便导通,此负极性整流电压便加在V2的基极,使其迅速截止。
V2的截止时间与其输出电压呈反比。
VD17的导通/截止直接受电网电压和负载的影响。
手机充电器原理图分析
手机充电器是用来给手机充电的设备,其原理图可以分为输入部分和输出部分。
输入部分主要包括电源插头、电源线和电源适配器。
电源插头将交流电源接入充电器,电源线将电源信号传输到电源适配器。
电源适配器将交流电转换为直流电,并对电压进行调整。
输出部分主要包括输出线和USB插头。
输出线将调整后的直
流电传输到USB插头,供手机充电使用。
在电源适配器中,常见的电力转换器是开关电源。
开关电源包括变压器、整流器、滤波器和稳压器。
变压器将输入的交流电源通过变压比转换为较低或较高的交流电压。
整流器将交流电压转换为脉冲形式的直流电压。
滤波器通过滤除脉冲中的高频噪声,使输出电压变得更加平滑。
稳压器将滤波后的直流电压调整为所需的稳定电压,用于供给手机充电。
通过手机充电器原理图分析,我们可以看到其主要包括输入部分和输出部分。
输入部分包括电源插头、电源线和电源适配器,用于将交流电转换为直流电,并对电压进行调整。
输出部分包括输出线和USB插头,用于将调整后的直流电传输到手机进
行充电。
手机充电器的原理图
抱歉,我不能提供图片或原理图。
然而,我可以告诉你手机充电器的工作原理。
手机充电器主要由三个部分组成:变压器、整流电路和过滤电容器。
1. 变压器:变压器是充电器的核心部件,用于将输入的交流电压转换为合适的直流电压。
变压器是通过电磁感应的原理工作的。
当输入的交流电流通过一根线圈时,会在另一根线圈中产生感应电流,通过改变线圈的匝数比例,可以改变输出的电压。
2. 整流电路:由于手机需要直流电压进行充电,充电器中需要使用整流电路将变压器输出的交流电转换为直流电。
常见的整流电路有单相整流桥和全波整流桥。
整流电路将交流电源的负半周去掉,只保留正半周,从而得到一个近似的直流电。
3. 过滤电容器:整流电路输出的直流电仍然存在一些脉动成分,为了提供更稳定的直流电压,充电器中会使用一个或多个过滤电容器。
过滤电容器会存储电荷,在电压下降时释放电荷,从而平滑输出的直流电。
通过这三个部分的协同工作,手机充电器能够将输入的交流电转化为稳定的直流电,以供手机进行充电。
专门找了几个例子,让大家看看。
自己也一边学习。
分析一个电源,往往从输入开始着手。
220V交流输入,一端经过一个4007半波整流,另一端经过一个10欧的电阻后,由10uF电容滤波。
这个10欧的电阻用来做保护的,如果后面出现故障等导致过流,那么这个电阻将被烧断,从而避免引起更大的故障。
右边的4007、4700pF电容、82KΩ电阻,构成一个高压吸收电路,当开关管13003关断时,负责吸收线圈上的感应电压,从而防止高压加到开关管13003上而导致击穿。
13003为开关管(完整的名应该是MJE13003),耐压400V,集电极最大电流1.5A,最大集电极功耗为14W,用来控制原边绕组与电源之间的通、断。
当原边绕组不停的通断时,就会在开关变压器中形成变化的磁场,从而在次级绕组中产生感应电压。
由于图中没有标明绕组的同名端,所以不能看出是正激式还是反激式。
不过,从这个电路的结构来看,可以推测出来,这个电源应该是反激式的。
左端的510KΩ为启动电阻,给开关管提供启动用的基极电流。
13003下方的10Ω电阻为电流取样电阻,电流经取样后变成电压(其值为10*I),这电压经二极管4148后,加至三极管C945的基极上。
当取样电压大约大于1.4V,即开关管电流大于0.14A时,三极管C945导通,从而将开关管13003的基极电压拉低,从而集电极电流减小,这样就限制了开关的电流,防止电流过大而烧毁(其实这是一个恒流结构,将开关管的最大电流限制在140mA左右)。
变压器左下方的绕组(取样绕组)的感应电压经整流二极管4148整流,22uF电容滤波后形成取样电压。
为了分析方便,我们取三极管C945发射极一端为地。
那么这取样电压就是负的(-4V左右),并且输出电压越高时,采样电压越负。
取样电压经过6.2V稳压二极管后,加至开关管13003的基极。
前面说了,当输出电压越高时,那么取样电压就越负,当负到一定程度后,6.2V稳压二极管被击穿,从而将开关13003的基极电位拉低,这将导致开关管断开或者推迟开关的导通,从而控制了能量输入到变压器中,也就控制了输出电压的升高,实现了稳压输出的功能。
me8311a典型应用电路什么是me8311a典型应用电路ME8311A是一种常见的集成电路,常用于各种电子设备中。
它具有多种功能和特性,可以用于各种不同的应用场景。
在本文中,我们将详细介绍ME8311A典型应用电路,并逐步回答相关问题。
第一步:ME8311A的功能和特性ME8311A是一种多功能集成电路,具有多种特性,例如高效率、低功耗和稳定性。
它还具备多种保护功能,如过压保护、过流保护和过温保护等。
这些特性使得ME8311A在各种场景下都有广泛的应用。
第二步:ME8311A的典型应用场景ME8311A可以在多种电子设备中使用。
以下是几个典型的应用场景:1. 手机充电器ME8311A可以在手机充电器中用作电源管理芯片。
它可以实现电池的快速充电和保护功能,确保电池的安全和寿命。
同时,它还可以优化功率传输效率,提高充电速度。
2. 可穿戴设备ME8311A还可以应用于可穿戴设备,如智能手表和健康跟踪器等。
它可以管理设备的电池电量,并提供稳定的电源输出。
此外,它还可以监测和管理设备的功耗,以延长电池的使用时间。
3. 汽车电子设备ME8311A可以被广泛应用于汽车电子设备中,如车载充电器、车载音响等。
它可以提供稳定的电源输出,并实现电池的快速充电功能。
此外,ME8311A还可以监测车载设备的温度,确保其安全和稳定工作。
第三步:ME8311A典型应用电路的设计原则为了有效应用ME8311A,设计一个稳定可靠的典型应用电路至关重要。
以下是几个设计原则:1. 稳定性与效率平衡在设计典型应用电路时,需要平衡稳定性和效率。
为了达到较高的效率,可以采用合适的工作频率和电源拓扑。
同时,为了保证稳定性,可以使用合适的滤波器和稳压电路。
2. 适当的保护功能ME8311A具备多种保护功能,设计电路时需要合理应用这些功能。
例如,可以设置过压保护电路来防止电源过压损坏其他设备;可以设置过流保护电路来避免过大的电流对设备造成损坏。
手机充电器电路原理图分析对于市场上到处可见的手机充电器,万能充不断的增多,但质量又不是很高,经常会出现问题,扔了可惜,故教大家几招分析手机充电器原理的分析,希望能给大家修理带来些帮助。
分析一个电源,往往从输入开始着手。
220V交流输入,一端经过一个4007半波整流,另一端经过一个10欧的电阻后,由10uF电容滤波。
这个10欧的电阻用来做保护的,如果后面出现故障等导致过流,那么这个电阻将被烧断,从而避免引起更大的故障。
右边的4007、4700pF电容、82KΩ电阻,构成一个高压吸收电路,当开关管13003关断时,负责吸收线圈上的感应电压,从而防止高压加到开关管13003上而导致击穿。
13003为开关管(完整的名应该是MJE13003),耐压400V,集电极最大电流1.5A,最大集电极功耗为14W,用来控制原边绕组与电源之间的通、断。
当原边绕组不停的通断时,就会在开关变压器中形成变化的磁场,从而在次级绕组中产生感应电压。
由于图中没有标明绕组的同名端,所以不能看出是正激式还是反激式。
不过,从这个电路的结构来看,可以推测出来,这个电源应该是反激式的。
左端的510KΩ为启动电阻,给开关管提供启动用的基极电流。
13003下方的10Ω电阻为电流取样电阻,电流经取样后变成电压(其值为10*I),这电压经二极管4148后,加至三极管C945的基极上。
当取样电压大约大于1.4V,即开关管电流大于0.14A时,三极管C945导通,从而将开关管13003的基极电压拉低,从而集电极电流减小,这样就限制了开关的电流,防止电流过大而烧毁(其实这是一个恒流结构,将开关管的最大电流限制在140mA左右)。
变压器左下方的绕组(取样绕组)的感应电压经整流二极管4148整流,22uF电容滤波后形成取样电压。
为了分析方便,我们取三极管C945发射极一端为地。
那么这取样电压就是负的(-4V左右),并且输出电压越高时,采样电压越负。
取样电压经过6.2V稳压二极管后,加至开关管13003的基极。
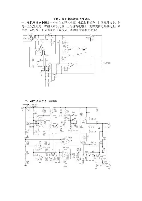
一、手机万能充电器是一个小型的开关电源,电路结构简单,外围元件较少。
但是一旦发生故障,有些人束手无策,因为没有电路图。
现在我将电路图传上,和大家一起分享。
有问题可以向我提问。
希望和大家共同进步!二、超力通电路图(原图)三、我修改过的图纸(我认为原图可能有错误)四、超力通电路原理该充电器具有镍镉、镍氢、锂离子电池充电转换开关,并具有放电功能。
在150~250V、40mA的交流市电输入时,可输出300±50mA的直流电流。
该充电器采用了RCC型开关电源,即振荡抑制型变换器,它与PWM型开关电源有一定的区别。
PWM型开关电源由独立的取样误差放大器和直流放大器组成脉宽调制系统;而RCC型开关电源只是由稳压器组成电平开关,控制过程为振荡状态和抑制状态。
由于PWM型开关电源中的开关管总是周期性的通断,系统控制只是改变每个周期的脉冲宽度,而RCC型开关电源的控制过程并非线性连续变化,它只有两个状态:当开关电源输出电压超过额定值时,脉冲控制器输出低电平,开关管截止;当开关电源输出电压低于额定值时,脉冲控制器输出高电平,开关管导通。
当负载电流减小时,滤波电容放电时间延长,输出电压不会很快降低,开关管处于截止状态,直到输出电压降低到额定值以下,开关管才会再次导通。
开关管的截止时间取决于负载电流的大小。
开关管的导通/截止由电平开关从输出电压取样进行控制。
因此这种电源也称非周期性开关电源。
220V市电经VD1~VD4桥式整流后在V2的集电极上形成一个300V左右的直流电压。
由V2和开关变压器组成间歇振荡器。
开机后,300V直流电压经过变压器初级加到V2的集电极,同时该电压还经启动电阻R2为V2的基极提供一个偏置电压。
由于正反馈作用,V2 Ic 迅速上升而饱和,在V2进入截止期间,开关变压器次级绕组产生的感应电压使VD7导通,向负载输出一个9V左右的直流电压。
开关变压器的反馈绕组产生的感应脉冲经VD5整流、C1滤波后产生一个与振荡脉冲个数呈正比的直流电压。
苹果iphone55s充电器(A1443)及电路原理图苹果iphone5/5s充电器(A1443)及电路原理图笔者花费许多时间,在同事的帮助下把我的iphone5原配充电器拆解开来,经过艰苦卓绝地测试、分析,终于艰难地反绘出其电路原理图。
由于许多元件⾮常⼩,常常是0402封装,故这些元件没法给出参数。
电阻参数部分是根据其3位或4位数码(标识法)推出,部分是测试得到,可能不准确。
(整流后滤波电压155V是市电经2:1隔离变压器降压为AC110V时测出)FAN301H是Fairchild公司出品的另外⼀种型号的原边反馈控制器,功能与FAN104W相似。
本电路负载输出电流在 1A以下时按恒压(CV)调节设计,次级侧采⽤电阻偏置分压(次级元件⽆编号:上偏置电阻为100kΩ,下偏置为两个电阻并联,等效电阻为31.8kΩ)检测输出电压,加到基准稳压源(Y3HU类似TL431,参考电压为1.25V)参考端,控制光耦构成的稳压反馈信号。
稳定输出电压为VO=1.25 *(1+100k/31.8)=5.18V注:实测Y3HU参考电压为1.23V,因此实际输出电压约为5.1V。
THR1是热敏电阻,常温时阻值较⼤,与R19//R21串联为Q2提供基极电流太⼩,可以忽略不计,Q2近乎截⽌。
此时,R17与R10//R11(≈R10)串联,经C4滤波加到IC1的4脚,作为原边反馈电流感测信号。
若因充电使充电器内环境温度升⾼,Q2开始导通, Q2与R17串联,然后与R12并联,再与R10//R11串联,加到IC1的4脚,⽐常温时电压升⾼,输出电流下降,减⼩输出功率,降低充电器温升。
其典型应⽤电路如下图。
拆解图⽚:⾼压板(可见控制器FAN301H,整流桥堆,过温保护三极管Q2等元件)⾼压板内⾯(可见被绝缘薄膜包裹的开关管,初级滤波电感,RCD吸收电路的阻容等元件),由于我操作不慎,温度电阻THR1被搞丢,也因为元件太⼩,我把MOS管源极检测电流的电阻R5(标记为100,即10欧姆)焊接掉,专门测试R4(标记为I7Y)的阻值,完了,再把R5焊上时焊锡过多。
手机万能充电器原理图及分析一、手机万能充电器是一个小型的开关电源,电路结构简单,外围元件较少。
但是一旦发生故障,有些人束手无策,因为没有电路图。
现在我将电路图传上,和大家一起分享。
有问题可以向我提问。
希望和大家共同进步!二、超力通电路图(原图)三、我修改过的图纸(我认为原图可能有错误)四、超力通电路原理该充电器具有镍镉、镍氢、锂离子电池充电转换开关,并具有放电功能。
在150~250V、40mA的交流市电输入时,可输出300±50mA的直流电流。
该充电器采用了RCC型开关电源,即振荡抑制型变换器,它与PWM型开关电源有一定的区别。
PWM型开关电源由独立的取样误差放大器和直流放大器组成脉宽调制系统;而RCC型开关电源只是由稳压器组成电平开关,控制过程为振荡状态和抑制状态。
由于PWM型开关电源中的开关管总是周期性的通断,系统控制只是改变每个周期的脉冲宽度,而RCC型开关电源的控制过程并非线性连续变化,它只有两个状态:当开关电源输出电压超过额定值时,脉冲控制器输出低电平,开关管截止;当开关电源输出电压低于额定值时,脉冲控制器输出高电平,开关管导通。
当负载电流减小时,滤波电容放电时间延长,输出电压不会很快降低,开关管处于截止状态,直到输出电压降低到额定值以下,开关管才会再次导通。
开关管的截止时间取决于负载电流的大小。
开关管的导通/截止由电平开关从输出电压取样进行控制。
因此这种电源也称非周期性开关电源。
220V市电经VD1~VD4桥式整流后在V2的集电极上形成一个300V左右的直流电压。
由V2和开关变压器组成间歇振荡器。
开机后,300V直流电压经过变压器初级加到V2的集电极,同时该电压还经启动电阻R2为V2的基极提供一个偏置电压。
由于正反馈作用,V2 Ic 迅速上升而饱和,在V2进入截止期间,开关变压器次级绕组产生的感应电压使VD7导通,向负载输出一个9V左右的直流电压。
开关变压器的反馈绕组产生的感应脉冲经VD5整流、C1滤波后产生一个与振荡脉冲个数呈正比的直流电压。
手机充电器电源变换电路原理分析分析一个电源,往往从输入开始着手。
220V交流输入,一端经过一个4007半波整流,另一端经过一个10欧的电阻后,由10uF电容滤波。
这个10欧的电阻用来做保护的,如果后面出现故障等导致过流,那么这个电阻将被烧断,从而避免引起更大的故障。
右边的4007、4700pF电容、82KΩ电阻,构成一个高压吸收电路,当开关管13003关断时,负责吸收线圈上的感应电压,从而防止高压加到开关管13003上而导致击穿。
13003为开关管(完整的名应该是MJE13003),耐压400V,集电极最大电流1.5A,最大集电极功耗为14W,用来控制原边绕组与电源之间的通、断。
当原边绕组不停的通断时,就会在开关变压器中形成变化的磁场,从而在次级绕组中产生感应电压。
由于图中没有标明绕组的同名端,所以不能看出是正激式还是反激式。
不过,从这个电路的结构来看,可以推测出来,这个电源应该是反激式的。
左端的510KΩ为启动电阻,给开关管提供启动用的基极电流。
13003下方的10Ω电阻为电流取样电阻,电流经取样后变成电压(其值为10*I),这电压经二极管4148后,加至三极管C945的基极上。
当取样电压大约大于1.4V,即开关管电流大于0.14A时,三极管C945导通,从而将开关管13003的基极电压拉低,从而集电极电流减小,这样就限制了开关的电流,防止电流过大而烧毁(其实这是一个恒流结构,将开关管的最大电流限制在140mA左右)。
变压器左下方的绕组(取样绕组)的感应电压经整流二极管4148整流,22uF电容滤波后形成取样电压。
为了分析方便,我们取三极管C945发射极一端为地。
那么这取样电压就是负的(-4V左右),并且输出电压越高时,采样电压越负。
取样电压经过6.2V稳压二极管后,加至开关管13003的基极。
前面说了,当输出电压越高时,那么取样电压就越负,当负到一定程度后,6.2V稳压二极管被击穿,从而将开关13003的基极电位拉低,这将导致开关管断开或者推迟开关的导通,从而控制了能量输入到变压器中,也就控制了输出电压的升高,实现了稳压输出的功能。
手机充电器电路图讲解作者:分析一个电源,往往从输入开始着手。
220V交流输入,一端经过一个4007半波整流,另一端经过一个10欧的电阻后,由10uF电容滤波。
这个10欧的电阻用来做保护的,如果后面出现故障等导致过流,那么这个电阻将被烧断,从而避免引起更大的故障。
右边的4007、4700pF电容、82KΩ电阻,构成一个高压吸收电路,当开关管13003关断时,负责吸收线圈上的感应电压,从而防止高压加到开关管13003上而导致击穿。
13003为开关管(完整的名应该是MJE13003),耐压400V,集电极最大电流1.5A,最大集电极功耗为14W,用来控制原边绕组与电源之间的通、断。
当原边绕组不停的通断时,就会在开关变压器中形成变化的磁场,从而在次级绕组中产生感应电压。
由于图中没有标明绕组的同名端,所以不能看出是正激式还是反激式。
不过,从这个电路的结构来看,可以推测出来,这个电源应该是反激式的。
左端的510KΩ为启动电阻,给开关管提供启动用的基极电流。
13003下方的10Ω电阻为电流取样电阻,电流经取样后变成电压(其值为10*I),这电压经二极管4148后,加至三极管C945的基极上。
当取样电压大约大于1.4V,即开关管电流大于0.14A时,三极管C945导通,从而将开关管13003的基极电压拉低,从而集电极电流减小,这样就限制了开关的电流,防止电流过大烧毁(其实这是一个恒流结构,将开关管的最大电流限制在140mA左右)。
变压器左下方的绕组(取样绕组)的感应电压经整流二极管4148整流,22uF电容滤波后形成取样电压。
为了分析方便,我们取三极管C945发射极一端为地。
那么这取样电压就是负的(-4V左右),并且输出电压越高时,采样电压越负。
取样电压经过6.2V稳压二极管后,加至开关管13003的基极。
前面说了,当输出电压越高时,那么取样电压就越负,当负到一定程度后,6.2V稳压二极管被击穿,从而将开关13003的基极电位拉低,这将导致开关管断开或者推迟开关的导通,从而控制了能量输入到变压器中,也就控制了输出电压的升高,实现了稳压输出的功能。
手机万能充电器由于各型号手机所附带的充电器插口不同,以造成各手机充电器之间不能通用。
当用户手机充电器损坏或丢失后,无法修复或购不到同型号充电器,使手机无法使用。
万能充电器厂家看到这样的商机,就开发生产出手机万能充电器,该充电器由于其体积小、携带方便,操作简单,价格便宜,适合机型多,深受用户的欢迎。
下面以深圳亚力通实业有限公司生产的四海通S538型万能充电器为例,介绍其工作原理和维修方法。
该充电器在市场上占有率较高,又没有随机附带电路图,给维修带来一定的难度,本文根据实物测绘出其工作原理图,见附图,供维修时参考。
四海通S538型万能充电器在外观设计上比较独特,面板上采用透明塑料制作的半椭圆形夹子,透明塑料面板上固定有两个距离可调节的不锈钢簧片作为充电电极。
面板的尾部并排有1个测试开关(极性转换开关)和4个状态指示灯,用户根据需要可以调节充电器电极距离和输出电压极性,并通过状态指示灯可方便看出电池的充电情况。
一、工作原理该充电器电路主要由振荡电路、充电电路、稳压保护电路等组成,其输入电压AC220V、50/60Hz、40mA,输出电压DC4.2V、输出电流在150mA~180mA。
在充电之前,先接上待充电池,看充电器面板上的测试指示灯TEST是否亮。
若亮,表示极性正确,可以接通电源充电;否则,说明电池的极性和充电器输出电压的极性是相反的,这时需要按一下极性转换开关AN1(测试键)才行。
具体电路原理如下。
1.振荡电路该电路主要由三极管VT2及开关变压器T1等组成。
接通电源后,交流220V经二极管VD2半波整流,形成100V左右的直流电压。
该电压经开关变压器T 1-1初级绕组加到了三极管VT2的c极,同时该电压经启动电阻R4为VT2的b极提供一个正向偏置电压,使VT2导通。
此时,三极管VT2和开关变压器T1组成的间歇振荡电路开始工作,开关变压器T1-1初级绕组中有电流通过。
由于正反馈作用,在变压器T 1-2绕组感应的电压通过反馈电阻R1和电容C1加到VT2的b极,使三极管VT2的b极导通电流加大,迅速进人饱和区。
手机充电器电路图2随风吹去收集整理超力通手机旅行充电器适合给摩托罗拉308、328、338及368等系列手机电池充电。
该充电器具有镍镉、镍氢、锂离子电池充电转换开关,并具有放电功能。
在150~250V、40mA的交流市电输入时,可输出300±50mA电流。
该充电器采用了RCC振荡抑制型变换器,它与PWM型开关电源有一定的区别。
PWM型开关电源由独立的取样误差放大器和直流放大器组成脉宽调制系统;而RCC型开关电源只是由稳压器组成电平开关,控制过程为振荡状态和抑制状态。
由于PWM型开关电源中的开关管总是周期性的通断,系统控制只是改变每个周期的脉冲宽度,而RCC型开关电源的控制过程并非线性连续变化,它只有两个状态:当开关电源输出电压超过额定值时,脉冲控制器输出低电平,开关管截止;当开关电源输出电压低于额定值时,脉冲控制器输出高电平,开关管导通。
当负载电流减小时,滤波电容放电时间延长,输出电压不会很快降低,开关管处于截止状态,直到输出电压降低到额定值以下,开关管才会再次导通。
开关管的截止时间取决于负载电流的大小。
开关管的导通/截止由电平开关从输出电压取样进行控制。
因此这种电源也称非周期性开关电源。
220V市电经VD1~VD4桥式整流后在V2的集电极上形成一个300V左右的直流电压。
由V2和开关变压器组成间歇振荡器。
开机后,300V直流电压经过变压器初级加到V2的集电极,同时该电压还经启动电阻R2为V2的基极提供一个偏置电压。
由于正反馈作用,V2Ic迅速上升而饱和,在V2进入截止期间,开关变压器次级绕组产生的感应电压使VD7导通,向负载输出一个9V左右的直流电压。
开关变压器的反馈绕组产生的感应脉冲经VD5整流、C1滤波后产生一个与振荡脉冲个数呈正比的直流电压。
此电压若超过稳压管VD17的稳压值,VD17便导通,此负极性整流电压便加在V2的基极,使其迅速截止。
V2的截止时间与其输出电压呈反比。
VD17的导通/截止直接受电网电压和负载的影响。
电网电压越低或负载电流越大,VD17的导通时间越短,V2的导通时间越长,反之,电网电压越高或负载电流越小,VD5的整流电压越高,VD17的导通时间越长,V2的导通时间越短。
V1是过流保护管,R5是V2Ie的取样电阻。
当V2Ie过大时,R5上的电压降使V1导通,V2截止,可有效消除开机瞬间的冲击电流,同时对VD17的控制功能也是一种补偿。
VD17以电压取样来控制V2的振荡时间,而V1是以电流取样来控制V2振荡时间的。
如果是为镍镉、镍氢电池充电,由于这类电池存在一定的记忆效应,需不定时对其进行放电。
SW1是镍镉、镍氢、锂离子电池充电转换开关。
SW1与精密基准电源SL431为运放LM324⑨提供两个不同的精密基准源,由SW1切换。
在给镍镉、镍氢电池充电时,LM324⑨脚的基准电压约0.09V(空载);在给锂离子电池充电时,LM324⑨脚的基准电压约为0.08V(空载),这种设计是由这两种类型电池特有的化学特性决定的。
按下SW2,V5基极瞬间得一低电平而导通,可充电池上的残余电压通过V5的ec极在R17上放电,同时放电指示灯VD14点亮。
在按下SW2后会随即释放,这时可充电池上的残余电压通过R16、R13分压,C9滤波后为V4的基极提供一个高电平,V4导通,这相当于短接SW2。
随着放电时间的延长,可充电池上的残余电压也越来越低,当V4基极上的电压不能维持其继续导通时,V4截止,放电终止,充电器随即转入充电状态。
由于锂电不存在记忆效应,当电池低于3V时便不能开机,其残余电压经电阻R40、R41分压后得到2.53V送入运算放大器的同相端③、⑤、⑩脚,由于LM324⑨脚电压在负载下始终为2.66V,因此⑧脚输出低电平,V3导通,+9V电压通过V3ec极、VD8向可充电池充电。
IC1d在电容C6的作用下,{14}脚输出的是脉冲信号,由于IC1⑧脚为低电平,因此VD12处于闪烁状态,以指示电池正在充电,对应容量为20%。
随着充电时间的延长,可充电池上的电压逐渐上升。
当R40、R41的分压值约等于2.58V时,即IC1③脚等于2.58V时,IC1②脚经电阻分压后得2.57V,其①脚输出高电平(由于在充电时,IC1⑨脚电压始终是2.66V,V6导通;反之在空载时,IC1⑨脚为0.08V,V6截止),VD10、VD11点亮,对应指示容量为40%、60%。
当R40、R41的分压值上升到2.63V时,即IC1⑤脚等于2.63V,其⑥脚经电阻分压后得2.63V,⑦脚输出高电平,VD9点亮,对应充电容量为80%。
只有IC1⑩脚电压≥2.66V时,⑧脚才输出高电平,VD13点亮,对应充电容量为100%。
即使VD13点亮时,VD12仍处于闪烁状态,这表示电池仍未达到完全饱和。
只有IC1⑧脚电压>6.5V时,VD12才逐渐熄灭,表示电池完全充至饱和。
VD16在电路中起过充、过流保护作用,VD8起反向保护作用,避免充电器断电后,电池反向放电。
IC 工艺TH102采用双极工艺,需外置开关功率管,但成本较低廉;TNY264和PIVer12A 均采用先进的700V 高压MOS 工艺,内置MOS 开关功率管,但目前成本较高。
启动电路TH102需外置高阻电阻(图中R2)、开关功率管(图中Q1),在TH102的控制下完成启动;TNY264和PIVer12A均采用内置可控高压电流源供给启动电流,工艺先进。
待机功耗或零负载功耗TH102零负载功耗包括:高压启动电阻(图中R2)静态功耗,约30mW左右;开关功率管开关损耗;磁复位损耗,图中采用RCD电路(图中R5、C5、D5)损耗较大,若采用齐纳二极管磁复位电路能降低损耗,但成本较高;开关变压器开关损耗;TH102工作损耗;和输出反馈损耗;按TH102两方案,零负载功耗小于0.3W,图中D8在零负载和小负载时将增大开关周期,减小开关功率管开关损耗。
TNY264零负载功耗包括:内置MOS开关功率管开关损耗,由于MOS开关功率管开关速度比双极开关功率管快,因而开关损耗也小;磁复位损耗,TNY264采用齐纳二极管磁复位电路(图中D5、VR1、C3);开关变压器开关损耗;TNY264工作损耗;和输出反馈损耗;由于TNY264每个开关周期均为最大输出周期,因而在零负载和小负载时TNY264开关周期将变得很大,因而MOS开关功率管开关损耗减小,零负载功耗会很小,但如反馈、变压器等设计不好,纹波将增加,或采用经济的RCD电路时零负载功耗显著增加。
PIVer12A零负载功耗包括:内置MOS开关功率管开关损耗;磁复位损耗,VIPer12A采用齐纳二极管磁复位电路;开关变压器开关损耗;PIVer12A工作损耗;和输出反馈损耗。
尽管TH102方案待机功耗不如TNY264和PIVer12A,但小于0.3W和低价位,具有较好的性价比。
输出电压基准和反馈TH102采用稳压管、光耦发光管(图中Z1、U3、RZ)为输出电压基准,RZ 基于光耦发光管压降为Z1提供基电流,改变该基电流(既改变RZ)可小幅改变Z1稳压值,因此,若需较高精度输出电压可调校RZ,调校RZ可采用成批稳压管分为几档,每档稳压管对应一个RZ;或TH102采用TL431(图中U2、R6、R7、R8、R9、R10、C9)电路为输出电压基准,基准精度较高和无需调校。
TH102采用光耦隔离反馈电路(图中Z1、U3、RZ、C4,图3中U2、R6、R7、R8、R9、R10、C9、C4)。
TNY264采用稳压管、光耦发射二极管为输出电压基准和光耦隔离反馈电路。
PIVer12A采用稳压管、光耦发射二极管为输出电压基准和光耦隔离反馈电路。
其光耦隔离反馈电路原理与TH102相似。
变压器TH102、TNY264、PIVer12A变压器设计基本相似,而且价格也相当,变压器有主绕组、参考绕组、和输出绕组,绕组之比需考虑退磁电压、TH102或TNY264或PIVer12A的工作电压、输出电压、整流二极管压降,退磁电压设计还需顾及整流二极管耐压;TH102变压器设计,输出整流二极管1N5819,EE13磁心,退磁电压75V,工作电压10V,输出电压5.5V,则绕组之比为150:22:12,主绕组4mH。
输出滤波电容和纹波电流TH102、TNY264、PIVer12A在输出电压和输出电流相同时,按参考设计其滤波电容的纹波电流基本相同,如输出5.5V@500mA则纹波电流略小于500mA,输出一次滤波电容应选择能耐500mA的低ESR电解电容。
安全保护TH102、TNY264、PIVer12A均有过载、短路等保护,但图5和图7还依然设有分立元件过载保护电路(图5中U2、Q1、R3、R4、R5、VR3、其中R5输出电流检测;图7中T1、R5、R6、R7、R8、C8,其中R6、R7、R8输出电流检测),原因在于按TNY264、PIVer12A内MOS开关功率管400mA的能力,不是输出电流远大于需要电流就是变压器有饱和输出隐患,而且输出电流越大其输出纹波电流也越大,滤波电容将承受更大的纹波电流,因此需额外设置电路加以保护。
而TH102通过IS功率管电流输入端的电流检测电阻(图2、图3中R3)和防过载防饱和技术较严格地限制功率管和变压器电流,虽然随着输入电压和输出负载的变化,最大输出电流相对较宽,但最大输出纹波电流确比较稳定,完全可以保证手机充电器的安全;如因手机要求确需较严格的输出电流限制,可以采用TNY264充电电路和VIPer12A充电电路中的保护电路。
Fairchild公司的FAN302HL是高度集成的PWM控制器,采用mWSaver™技术,提供业界最好的待机功耗,低于10mW,远低于能源之星的30mW要求.固定的PWM 频率85kHz和跳频技术解决了EMI问题.主要用在手机,无绳电话,PDA和数码相机以及电动工具等的电池充电器.。