混凝土结构原理课程设计指导书
- 格式:doc
- 大小:197.50 KB
- 文档页数:10
混凝土结构原理课程设计指导书一、设计内容1.预应力钢绞线面积估算、布置及校核;2.截面几何参数的计算;3.确定张拉控制应力,进行预应力损失估算;4.承载能力极限状态正截面、斜截面承载能力计算;5.应力验算;6.正常使用极限状态抗裂性验算;7.变形验算及预拱度设置;8.锚固区局部承压设计计算。
9、图纸绘制:预应力钢束布置图。
二、设计步骤(一)准备工作1、设计题目,设计用的原始数据和有关资料由指导教师以设计任务书的形式发给学生。
2、学生接到设计任务书后,首先熟悉所给的原始资料, 明确设计题目和设计内容。
(二)预应力钢绞线面积估算、布置及校核预应力混凝土梁钢筋数量估算的一般方法:根据构件正截面抗裂性确定预应力钢筋的数量。
由构件承载能力极限状态要求确定非预应力钢筋数量。
预应力钢筋数量估算时截面几何特性可取构件全截面几何特性。
(1)按构件正截面抗裂性要求估算预应力钢筋数量全预应力混凝土梁按作用(或荷载)短期效应组合进行正截面抗裂性验算,计算所得的正截面混凝土法向拉应力应满足式(1)的要求,可得到:(1)(2)Ms——按作用(或荷载)短期效应组合计算的弯矩值;Npe——使用阶段预应力钢筋永存应力的合力;A——构件混凝土全截面面积;W——构件全截面对抗裂验算边缘弹性抵抗矩;ep——预应力钢筋的合力作用点至截面重心轴的距离。
A类部分预应力混凝土构件,根据式(3)可以得到:(3)求得Npe的值后,再确定适当的张拉控制应力σcon并扣除相应的应力损失σl(对于配高强钢丝或钢铰线的后张法构件σl约为0.2σcon ),估算出所需要的预应力钢筋的总面积Ap = Npe/(1-0.2)σcon。
Ap确定之后,则可按一束预应力钢筋的面积Ap1算出所需的预应力钢筋束数n1为: n1 =A p/ A p1(2)按构件承载能力极限状态要求估算非预应力钢筋数量在确定预应力钢筋的数量后,非预应力钢筋根据正截面承载能力极限状态的要求来确定。
《混凝土结构设计原理》课程设计任务书辽宁工业大学《混凝土结构设计原理》课程设计任务书 预应力混凝土T 梁、箱梁桥主梁预应力钢束设计 (标准跨径20m ,桥宽15m ) 开课单位:土木建筑工程学院 2022年3月课程设计(论文)任务及评语 院(系):土木建筑工程学院 教研室:施工教研室学 号 学生姓名 专业班级道桥181级课程设计(论文)题 目预应力混凝土T 梁、箱梁桥主梁预应力钢束设计课程设计(论文)要求与任务一、课设要求1、依据已知条件,完成主梁的预应力钢束设计。
2、完成相关设计图纸不少于3张(3#图纸)。
二、课设任务1、完成钢束估算,钢束线形设计。
2、预应力钢束的预应力损失计算。
3、主梁截面强度验算,挠度验算等,4、完成相关设计图纸不少于3张(3#图纸) 三、设计说明书要求1、计算过程完整,计算方法符合公路桥梁预应力混凝土设计规范要求。
2、课设论文成果格式符合要求,图纸绘制规范。
工作计划第一周 周一、布置课设任务、查资料;周二、钢束面积估算;周三、钢束布置周四、主梁截面特性计算,截面强度计算;周五、主梁截面特性计算,截面强度计算第二周周一、预应力损失计算;周二、预应力损失计算;周三、应力验算,挠度计算,下锚应力计算;周四、应力验算,挠度计算,下锚应力计算;周五、整理计算书,上交课设成果,答辩指导教师评语及成绩成绩平时表现10% 计算书、图纸70%答辩成绩20%合计教师评语:成绩:指导教师签字:学生签字:2022年03月18日一、课程设计的目的与要求1.教学目的《混凝土结构设计原理》是土木工程专业的重要课,为了加强学生对基本理论的理解和相关规范条文的应用,培养学生独立分析问题和解决问题的能力,要在讲完有关课程内容后,安排2周的课程设计,以提高学生的综合运用知识的能力。
通过课程设计,着重培养学生综合分析和解决问题的能力以及严谨,扎实的工作作风。
为学生将来走上工作岗位,顺利完成设计任务奠定基础。
《混凝土结构(1)》课程设计指导书《混凝土结构》课程设计指导书姓名学号专业年级院系《混凝土结构》课程设计指导书课程编号:课程名称:混凝土结构课程设计周数/学分:2周先修课程:材料力学、结构力学、土木工程材料、混凝土结构适用专业:土木工程开课教研室:土木工程教研室一、目的与要求混凝土结构设计原理课程设计是教学计划中一个重要的实践性教学环节,对培养和提高学生的基本技能,启发学生对实际结构工作情况的认识和巩固所学的理论知识具有重要作用。
1.了解钢筋混凝土结构设计的一般程序和内容,为毕业设计以及今后从事实际设计工作奠定初步基础;2.复习巩固加深所学的基本构件中受弯、受拉、受压、受剪的相关计算;3.掌握钢筋混凝土构件在压、弯、剪、扭等复合作用下的承载力计算;4.了解构造设计的重要性,掌握现浇梁板等相关构造要求;5.掌握现浇钢筋混凝土结构施工图的表示方法和制图规定;6.学习书写结构计算书;7.学习运用规范。
二、课程设计内容1.在上海地区的某公园水榭走廊,是一露天敞开的钢筋混凝土结构,有一矩形截面简支梁,它的截面尺寸和配筋如图1所示,结构安全等级为二级。
采用C3O砼,单筋矩形梁,纵向受拉筋采用HRB335,已知相对受压区高度确定该梁能够承受的弯矩设计值。
试图12.某公司办公楼,6层框架结构,其平面图与计算简图见图2。
已知1-6层所有柱截面为600mm×600 mm,所有纵向梁的截面尺寸为250 mm×500 mm,自重为/m,所有横向梁截面为250 mm×700 mm,自重为 kN/m,所有柱、梁的混凝土强度等级均为C40,2-6层楼面永久荷载为/m2,活载 kN/m2,屋面永久荷载 kN/m2,活载 kN/m2,楼面和屋面的永久荷载包括楼板自重、粉刷与吊顶等。
除屋面梁外,其余各层纵向梁和横向梁上均作用有填充墙均布荷载 kN/m,计算时忽略柱子自重的影响,上述永久荷载和活荷载均为标准值。
一、教案基本信息1.1 课程名称:混凝土结构设计原理1.2 课时安排:本课程共安排32课时,每课时45分钟。
1.3 教学目标:通过本课程的学习,使学生掌握混凝土结构的基本设计原理和方法,具备初步的混凝土结构设计和分析能力。
1.4 教学方法:采用课堂讲解、案例分析、数值模拟、实践操作等多种教学方式,引导学生主动学习、积极思考。
二、教学内容2.1 混凝土结构的基本概念2.1.1 混凝土结构的定义2.1.2 混凝土结构的分类2.1.3 混凝土结构的组成2.2 混凝土的力学性能2.2.1 混凝土的抗压性能2.2.2 混凝土的抗拉性能2.2.3 混凝土的抗弯性能2.2.4 混凝土的抗剪性能2.3 混凝土结构的受力分析2.3.1 简支梁受力分析2.3.2 连续梁受力分析2.3.3 框架结构受力分析2.4 混凝土结构的设计方法2.4.1 极限状态设计方法2.4.2 极限状态设计的应用2.4.3 正常使用极限状态设计三、教学过程3.1 课程导入:通过引入实际工程案例,使学生了解混凝土结构在工程中的应用背景,激发学生的学习兴趣。
3.2 课堂讲解:讲解混凝土结构的基本概念、混凝土的力学性能、受力分析以及设计方法等内容,结合实例进行分析。
3.3 案例分析:分析实际工程中的混凝土结构设计案例,使学生掌握设计原理在实际工程中的应用。
3.4 数值模拟:利用计算机软件进行混凝土结构设计的数值模拟,让学生更加直观地理解设计原理和方法。
3.5 实践操作:组织学生进行实地考察,了解混凝土结构在工程中的施工和验收过程,提高学生的实践能力。
四、教学评价4.1 课堂互动:通过提问、讨论等方式,评估学生对课堂内容的掌握程度。
4.2 课后作业:布置相关习题,检验学生对课程知识点的理解和应用能力。
4.3 课程设计:组织学生进行混凝土结构设计课程设计,综合评估学生的设计能力和创新能力。
五、教学资源5.1 教材:选用权威、实用的教材,为学生提供系统的学习资源。
混凝土结构原理课程设计1. 课程设计要求1.1 设计目的本课程设计旨在通过实践操作,深化学生对混凝土结构原理知识的认识,培养学生的实际操作能力和团队协作能力,提高学生的综合素质。
1.2 设计内容本课程设计主要包括以下内容:•混凝土结构力学基础:混凝土强度、应力应变关系、受力分析等;•混凝土结构设计:一般结构设计、规范计算、现场施工质量控制等;•混凝土结构施工管理:施工组织、加固加强、施工安全等。
1.3 设计要求•设计人数:每组 3 人;•设计时间:10 周;•设计过程中需要注意安全,在操作过程中需戴好安全帽、手套等个人防护装备;•设计成果:完整的混凝土结构原理课程设计报告和相关施工图纸。
2. 课程设计流程2.1 选题阶段在选题阶段,学生需要根据自身专业特长和兴趣选择合适的课题,如混凝土建筑、桥梁、隧道等。
2.2 方案设计阶段在方案设计阶段,学生需要进行初步设计方案的编制和选择,并进行必要的计算分析,提取设计方法和结论,明确需要的技术措施和注意事项。
2.3 作图阶段在作图阶段,学生需要根据方案编制相应的施工图纸,对方案中涉及的细节进行说明,如结构要素的尺寸、形状、布置、配筋细节、钢筋弯制图等。
2.4 资料准备阶段在资料准备阶段,学生需要准备完整的工程资料,如混凝土强度试验结果、钢筋拉伸试验结果等,为后续的施工工作做准备。
2.5 申报阶段在申报阶段,学生需要提交完整的课程设计报告和相关施工图纸,并进行现场展示、答辩等环节,以检验学生对混凝土结构原理的掌握程度和实践能力。
3. 课程设计重点本课程设计的重点在于:•通过理论与实践相结合,提高学生的深入理解和实际操作能力;•培养学生的团队协作能力和创新意识,鼓励学生积极思考解决方案;•强化学生的安全意识,培育学生的责任心和团队合作精神。
4. 结语本课程设计在深入理解混凝土结构原理的同时,培养了学生团队协作意识和实际操作能力,为今后的工程实践打下坚实的基础。
课程设计说明书课程设计名称:混凝土结构设计原理课程设计课程设计题目:钢筋混凝土伸臂粱设计学院名称:专业班级:学生学号:学生姓名:学生成绩:指导教师:课程设计时间:至格式说明(打印版格式,手写版不做要求)(1)任务书三项的内容用小四号宋体,1.5倍行距。
(2)目录(黑体,四号,居中,中间空四格),内容自动生成,宋体小四号。
(3)章的标题用四号黑体加粗(居中排)。
(4)章以下的标题用小四号宋体加粗(顶格排)。
(5)正文用小四号宋体,1.5倍行距;段落两端对齐,每个段落首行缩进两个字。
(6)图和表中文字用五号宋体,图名和表名分别置于图的下方和表的上方,用五号宋体(居中排)。
(7)页眉中的文字采用五号宋体,居中排。
页眉统一为:武汉工程大学本科课程设计。
(8)页码:封面、扉页不占页码;目录采用希腊字母Ⅰ、Ⅱ、Ⅲ…排列,正文采用阿拉伯数字1、2、3…排列;页码位于页脚,居中位置。
(9)标题编号应统一,如:第一章,1,1.1,……;论文中的表、图和公式按章编号,如:表1.1、表1.2……;图1.2、图1.2……;公式(1.1)、公式(1.2)。
武汉工程大学本科课程设计课程设计任务书一、课程设计的任务和基本要求1、设计条件受均布荷载作用的伸臂梁,简支跨L1=6m,均布荷载的标准值q1k= 65kN/m,伸臂跨L2=2m,均布荷载的标准值q2k=130kN/m,梁支承情况如下图。
梁截面尺寸b= 1/16 mm,h=1/8mm。
混凝土的强度等级为C35,纵筋采用HRB335级钢筋,箍筋采用HPB300级钢筋,要求对梁进行配筋计算,并布置钢筋。
最后进行正常使用极限状态验算。
(注:构件处于正-81常环境,环境类别一类)参考设计参数:序号q1k q2kL1L2bxh 混凝土等级1 65 150 62 h=(1/8~1/12)L,高宽比取2.0~3.5 自定2 65 145 6 2 h=(1/8~1/12)L,高宽比取2.0~3.5 自定3 65 150 7 1.5 h=(1/8~1/12)L,高宽比取2.0~3.5 自定4 65 145 7 1.5 h=(1/8~1/12)L,高宽比取2.0~3.5 自定5 65 1306 2 h=(1/8~1/12)L,高宽比取2.0~3.5 自定6 65 1307 1.5 h=(1/8~1/12)L,高宽比取2.0~3.5 自定7 75 130 6 2 h=(1/8~1/12)L,高宽比取2.0~3.5 自定8 75 130 7 1.5 h=(1/8~1/12)L,高宽比取2.0~3.5 自定9 75 150 6 2 h=(1/8~1/12)L,高宽比取2.0~3.5 自定10 75 150 7 1.5 h=(1/8~1/12)L,高宽比取2.0~3.5 自定2、设计说明书内容及要求(1)梁的内力(M、V)计算,绘制内力图和内力包络图;(2)正截面承载能力计算:包括截面尺寸,正截面纵向受弯钢筋的截面面积;(3)斜截面承载能力计算:包括斜截面受剪钢筋(弯起钢筋和箍筋)的截面面积(4)截面校核:包括正截面和斜截面尺寸校核和强度校核(正截面受弯和斜截面受剪承载力);(5)梁裂缝宽度验算;(6)梁挠度验算。
《结构设计原理》课程设计指导书全预应力混凝土结构设计一、主梁截面尺寸确定主梁截面轮廓尺寸任务书中已给出,但需要计算受压翼缘板计算宽度。
《公路桥规》规定,T 形截面梁(内梁)的受压翼板有效宽度'f b 用下列三者中最小值:(1)简支梁计算跨径的1/3。
对连续梁各中间跨正弯矩区段,取该跨计算跨径的0.2倍;边跨正弯矩区段,取该跨计算跨径的0.27倍;各中间支点负弯矩区段,则取该支点相邻两跨计算跨径之和的0.07倍。
(2)相邻两梁的平均间距。
T 形截面受压翼板有效宽度计算示意图(3)'122f h h b b ++。
当13h h h <时,取('612f h bh h ++)。
此处,b 、h b 、h h 和'f h 分别见图3-33,h h 为承托根部厚度。
二、荷载效应计算利用影响线求支点、l/8、l/4、l/2截面的弯矩和剪力,计算时注意利用影响线的特点。
1.自重荷载集度的计算自重荷载集度包括:预制主梁自重荷载集度11g ,桥面铺装等二期荷载集度2g 。
2.可变荷载集度的计算《公路桥涵设计通用规范(JTG D60-2004)》4.3.1中规定:3.利用影响线求l/8、l/4、l/2截面的弯矩(1)求自重荷载弯矩标准值1G K M 、K G M 2;(2)求可变荷载弯矩标准值QK M ;(3)求使用荷载组合值 ①短期效应组合sd M ;②长期效应组合ld M 。
该荷载用于计算梁的应力及变形。
(4)求弯矩设计值d M 。
该荷载用于计算梁的抗弯承载能力。
4. 利用影响线求支点、l/8、l/4、l/2截面的剪力(1)求自重荷载剪力标准值1G K V 、K G V 2 ;(2)求可变荷载剪力标准值QK V ;(3)求剪力设计值d V ,该荷载用于计算梁的抗剪承载力。
三、钢筋数量的计算及主梁截面几何特性的计算(一)钢筋数量的计算根据全预应力混凝土构件正截面抗裂性要求估算预应力钢筋数量。
一、课程设计的性质与目的该课程设计是土木工程专业课。
钢筋混凝土课程设计的一个重要环节,是全面检验和巩固钢筋混凝土结构课程学习效果的一个有效方式。
通过课程设计,可以使学生进一步加深对所学混凝土理论课程的理解和巩固:可以综合所学的混拟稿土课程的相关知识解决实际问题;可以使学生得到工程实践的实际训练,提高其应用能力及动手能力。
其任务是:了解混凝土结构设计的主要过程;锻炼和提高钢筋混凝土结构的计算、设计及构造处理、绘制结构施工图的能力;培养学生设计过程中的配合意识。
加深对所学理论课程的理解和巩固。
培养正确、熟练运用结构设计规范、手册、各种标准图籍及参考书的能力。
通过实际工程训练,初步建立结构设计、施工、经济全面协调同统一的思想。
二、设计内容安排与要求1、设计内容:结构平面布置,荷载及内力计算,承载力计算,绘制施工图(断面法和平法两种)。
2、设计过程:单向肋梁楼盖:(1)板、次梁和主梁的截面尺寸拟定;(2)板、次梁和主梁的荷载计算、内力计算,主梁的弯距包络图和剪力包络图;(3)构件截面配筋计算;(4)板结构布置图;(5)次梁结构布置图;(6)主梁结构布置图;(7)必要的施工说明。
双向板肋梁楼盖:计算任意一块板3、基本要求:结构布置合理,设计计算正确。
4、相关资料:1)该房屋为商场,查阅相关规范进行荷载选用;2)主梁、次梁受力钢筋采用HRB400级钢筋,其他均用HPB300级钢筋,混凝土C30;3)学号尾数a为0~9的同学,其跨度L选择为5.40.3a+⨯。
图1 楼盖柱子布置三、计算书要求1、计算书格式采用A4打印纸。
要求表达清楚,文字简洁,计算正确,有必要的配图,最后装订整齐。
2、计算书内容(1) 封面;(2) 目录;(3) 工程概况;(4) 计算书正文;3、结构施工图内容(1) 结构构件(墙、柱)截面;(2) 轴线及其编号、尺寸;(3) 构件平法标注;(4) 标高;(5) 说明。
四、进度安排结构计算 4天计算书、图纸整理 1天————————————————————合计教学周一周 5天附:1 设计指导书一肋梁楼盖的计算简图在进行内力分析前,必须先把楼盖实际结构抽象成为一个计算简图,在抽象过程中要忽略一些次要因素,并做如下假定:1.板的竖向荷载全部沿短跨方向传给次梁,且荷载→板→次梁→主梁→主梁支承的传递过程中,支承条件简化为集中于一点的支承链杆,忽略支承构件的竖向变形,即按简支考虑。
《混凝土结构基本原理》课程设计姓名学号专业班级指导老师东莞理工学院建筑工程系《钢筋混凝土结构基本原理》课程设计任务书题目:某钢筋混凝土伸臂梁设计图1 梁的跨度、支撑及荷载1、 设计资料某支承在370mm 厚砖墙上的钢筋混凝土伸臂梁(图1),构件处于正常坏境(环境类别为一类),安全等级为二级,纵筋选用HRB400级钢筋,箍筋选取300HPB 级钢筋,砼强度等级根据学号按表一选取,试设计该伸臂梁并绘制其配筋详图。
图中:l 1——梁的简支跨跨度;l 2——梁的外伸跨度;q 1k ——简支跨活荷载标准值; q 2k ——外伸跨活荷载标准值;g 1k ——楼面传来的永久荷载标准值(未包括梁自重)。
每位同学的具体取值见安排表一。
2、设计内容1)确定梁的截面尺寸。
2)进行内力(M 、V )计算,作内力图及内力包络图。
g k 、q 2k1853)正截面承载力计算,选配纵向受力钢筋。
4)斜截面承载力计算,选配箍筋,根据需要设置弯起钢筋。
5)作抵抗弯矩图,确定受力钢筋的弯起与切断位置。
6)作配筋图,并列出钢筋统计表。
3、设计要求1)完成计算书一套,计算书应包含设计任务书,设计计算过程。
2)绘制A2施工图1张:绘制梁的弯矩包络图、抵抗弯矩图、梁的配筋图(包括梁的纵剖面、梁的横剖面,钢筋大样图)、并列出钢筋统计表及必要说明。
3)计算书统一采用A4白纸纸张,字迹工整,符号书写正确,计算应有必要的数据及计算过程;采用专用绘图纸绘图,图纸布局合理,线条清晰,线型适当。
4)时间:18周周五12:00之前上交。
4、课程设计任务安排表安排表《钢筋混凝土结构基本原理》课程设计钢筋混凝土伸臂梁设计指导书1 、梁的截面尺寸简支跨h =(1/8~ 1/12)l,b =(1/3~1/2)h外伸跨:截面尺寸同简支跨2 、梁的内力及内力图(1)、荷载计算注意事项:A、恒载标准值g k包括由楼面传来的永久荷载标准值g1k与梁自重标准值g2k在内,即g k=g1k+g2kB、计算恒荷载设计值时,应考虑悬臂的恒载对求简支跨正弯矩有利时,此时求解悬臂恒载设计值'g时取 1.0γ=G(2)、梁的内力及内力包络图恒荷载设计值作用于梁上的位置是固定的,计算简图如图(1)和图(2);活荷载q1、q2的作用位置有三种情况,计算简图如图(3)、(4)、和(5)。
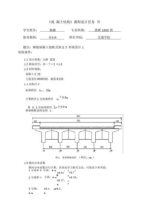
《混 凝土结构》课程设计任务 书学生姓名:杨柳专业班级: 道桥 1003 班 指导教师:邓育林所在学院:交通学院题目:钢筋混凝土装配式简支 T 形梁设计 1 初始条件:1.1 设计荷载:公路 II 级 1.2 桥面净空:净- 7 + 2 ×1.0 1.3 材料规格: 混凝土 C 25主筋采用 HRB335,箍筋 R2351.4 结构尺寸标准跨径 L b : 20m计算跨径 L 比标准跨径L b 小0.5m'L b 小 0.04m 梁 长 L 比标准跨径 桥梁横断面图见图 1。
图 1 桥梁横断面图(单位:cm )1.5 横向分布系数横向分布系数自行计算,若尚未学习相关方法,可取如下参考值: 1 号梁和 5 号梁: m cq , c =0.7 ;=0.54 2 号梁和 4 号梁: m cqmr=0.45;c=0.47,m r3 号梁: =0.4, cr =0.2。
m cq m1.6 设计规范《公路工程技术标准》(JTG B01-2003)《公路桥涵设计通用规范》(JTG D60-2004)《公路钢筋混凝土及预应力混凝土桥涵设计规范》(JTG D62-2004)2 要求完成的主要任务:(包括课程设计工作量及其技术要求,以及说明书撰写等具体要求)完成其中一片 T 梁的设计,具体为:2.1 截面尺寸拟定 ,要求每位同学的设计尺寸均不相同。
2.2 内力组合计算首先计算控制截面上各种内力,截面内力计算的一般公式可表述为:S=( 1+μ)?ξ?Σm i?P i?? i;y然后按照规范规定,进行内力组合。
2.3 跨中截面正截面强度计算(选择钢筋并复核截面强度);2.4 斜截面强度计算(腹筋设计);2.5 全梁承载能力校核;2.6 变形和裂缝宽度计算;2.7 绘制钢筋图,编制钢筋明细表、钢筋总表。
设计说明书采用 16 开纸,一律手写;图纸采用 A3 纸,手绘或计算机绘。
版面格式、装订、封面及封底的要求由指导老师在布置任务时说明。
12级土木工程(建筑工程方向) 《混凝土结构设计原理》课程设计任务书
一、设计内容:钢筋混凝土简支伸臂梁设计
二、设计目的:通过本课程设计,使学生掌握梁的设计程序和方法,进
一步巩固掌握荷载的计算,纵筋和箍筋的计算,材料的选取,为将来的结构设计打下良好的基础,达到工程师初步训练的目的。
三、设计要求:
1.计算简图:某钢筋混凝土伸臂梁,支承在宽度均为370mm 砖墙上,其跨度1L 和2L 按根据学号按表一选取。
该梁承受楼板传来的均布恒载标准值m kN g g k k /2121==(未包括梁的自重),均布活载标准值
m kN q k /331=、m kN q k /782=;
2.材料:纵筋选用HRB400级钢筋,箍筋选取300HPB 级钢筋,混凝土强度等级根据学号按表一选取。
3.绘制3#施工图1张:绘制梁的配筋纵断面图,横断面钢筋表、弯矩包络图和材料图(需配弯起钢筋)、结构设计说明。
5.提供完整计算书一份。
独立完成计算书一份内容包括: 1、 梁的内力计算
2、 完成梁的配筋计算及配筋
3、 绘制梁内力包络图
4、 绘制梁的配筋图及计算钢筋长度
q g +
L 1
L 2
表一:
三、设计时间:一个星期
课程设计说明书
课程名称:混凝土结构设计原理
设计题目:钢筋混凝土伸臂梁设计
院系:建筑工程系
学生姓名:
学号:
专业班级:
指导教师:
2014年月日。
《混凝土结构设计原理课程设计》教学大纲
英文名称:The Course Design for Principle of
Concrete Structure Design
课程编号: 080727034
课程总学时:1周学分:1
适用专业及年级:土木工程、三年级
大纲主撰人:大纲审核人:
一、教学目标
通过课程设计,要求学生了解一般建筑结构工程设计的基本方法;掌握用学的建筑结构工程设计知识,进行施工图的设计与计算,掌握建筑结构工程设计相关规范的正确使用,将课程设计成果绘制施工图,使学生将所学的知识加以具体应用,以培养学生实践能力。
三、教学形式
在课程设计之前,学生应首先对设计大纲和指导书进行预习,明确设计的目标和方法,在此基础上由指导老师通过案例分析对设计方法进行讲授,然后由学生完成方案设计,待方案设计经指导老师审查通过后,方可在老师的指导下,进行下一段的设计工作,并最终按要求完成设计。
四、教学指导书
[1]张誉、混凝土结构基本原理[M]:北京:中国建筑工业出版社,2010.
[2]周克荣,顾祥林,苏小卒,混凝土结构设计[M],上海:同济大学出版社,2001.
五、考核方式及成绩评定
图纸质量占50%,计算书质量占50%,由指导老师根据学生完成任务情况,对其成绩打分。
第 1 页/ 共1 页。
混凝土结构课程设计指导书一、课程目标知识目标:1. 让学生掌握混凝土结构的基本组成、分类及受力特点;2. 使学生了解混凝土结构设计的基本原则和方法;3. 帮助学生理解混凝土结构施工过程中的关键技术。
技能目标:1. 培养学生运用混凝土结构设计原理解决实际问题的能力;2. 提高学生分析和解决混凝土结构施工过程中技术难题的技能;3. 培养学生运用专业软件进行混凝土结构设计和计算的熟练度。
情感态度价值观目标:1. 培养学生热爱建筑行业,关注混凝土结构技术发展的积极态度;2. 增强学生的团队协作意识,培养合作解决问题的精神;3. 培养学生遵循工程伦理,注重工程质量,关爱生命安全的责任感。
课程性质分析:本课程为专业实践课程,旨在帮助学生将理论知识与实际工程相结合,提高解决实际问题的能力。
学生特点分析:学生具备一定的混凝土结构理论知识,但实践经验不足,需要通过课程设计来提高实际操作能力。
教学要求:结合学生特点和课程性质,将课程目标分解为具体的学习成果,注重理论与实践相结合,强调实际操作能力的培养。
在教学过程中,关注学生的个体差异,因材施教,确保课程目标的达成。
1. 混凝土结构基本原理- 混凝土材料的性质与选用- 混凝土结构分类及受力特点- 混凝土结构设计的基本原则2. 混凝土结构设计方法- 钢筋混凝土基本构件设计- 混凝土梁、板、柱的设计计算- 抗震设计原理及方法3. 混凝土结构施工技术- 混凝土浇筑与养护- 钢筋加工与安装- 施工质量控制与验收标准4. 混凝土结构计算软件应用- 常用混凝土结构设计软件介绍- 软件操作方法与技巧- 实际工程案例分析与计算教学大纲安排:第一周:混凝土结构基本原理第二周:混凝土结构设计方法第三周:混凝土结构施工技术第四周:混凝土结构计算软件应用每周安排一次理论教学,一次实践操作,确保学生将所学知识及时应用于实际工程案例中。
教材章节关联:《混凝土结构设计规范》相关章节,具体内容见教材。
《混凝土结构设计》课程设计――整体式单向板肋梁楼盖设计任务书适用专业:土木工程专业(本科)使用班级:2014级土木4、5班设计时间:2016年12月建筑工程教研室1《混凝土结构设计》课程设计――整体式单向板肋梁楼盖设计任务书一、设计任务:设计某三层轻工厂房车间的楼盖,拟采用整体式钢筋混凝土单向板肋梁楼盖。
要求进行第二层楼面梁格布置,确定梁、板、柱截面尺寸,计算梁板配筋,并绘制结构施工图。
二、设计目的《混凝土结构》课程设计是教育计划中一个重要的实践性教学环节,对培养和提高学生的基本技能,启发学生对实际结构工作情况的认识和巩固所学的理论知识具有重要作用。
1.了解钢筋混凝土结构设计的一般程序和内容,为毕业设计以及今后从事实际设计、管理工作奠定初步基础。
2.复习巩固加深所学的基本构件中受弯构件和钢筋混凝土梁板结构等章节的理论知识。
3.掌握钢筋混凝土肋梁楼盖的一般设计方法,诸如:(1)进一步理解单向板肋梁楼盖的结构布置、荷载传递途径和计算简图;(2)掌握弹性理论和塑性理论的设计方法;(3)掌握内力包络图和抵抗弯矩图的绘制方法;(4)了解构造设计的重要性,掌握现浇梁板的有关构造要求;(5)掌握现浇钢筋混凝土结构施工图的表示方法和制图规定;(6)学习书写结构计算书;(7)学习运用规范。
三、设计资料1、结构平面及柱网布置如图所示(楼梯间在此平面外),按不同用途的车间工业楼面活荷载标准值见表1,车间内无侵蚀性介质,柱网尺寸见表二。
每位学生按学号顺序根据表3选取一组数据进行设计。
活荷载标准值结构平面及柱网布置图柱网跨度尺寸表2分组编号楼面面层为水磨石(底层20mm厚水泥砂浆,10mm面层),自重为0.65kN/m2;顶棚为15mm厚混合砂浆抹灰;梁用15mm厚混合砂浆抹灰。
3、材料①混凝土:自定。
②钢筋:自定。
四、设计内容及要求1.结构布置柱网尺寸给定,要求了解确定的原则。
梁格布置,要求确定主、次梁布置方向及次梁间距。
厦门理工学院土木工程与建筑学院《混凝土结构设计原理》课程设计任务书及指导书题目:钢筋混凝土肋梁楼盖设计班级:工程力学11级指导老师:王晨飞设计时间:2013.12.23—2013.12.30前言一、指导思想课程设计是《混凝土结构》课程的一项实践性教学环节,对理解所学理论知识,培养工程设计的基本技能,认识实际工程设计工作都具有十分重要的意义。
通过课程设计,应能1.了解建筑结构设计的一般内容和程序,为实际工程设计工作奠定基础;2.复习和巩固所学理论知识,提高综合运用理论知识解决实际问题的能力。
二、设计项目《混凝土结构设计原理》课程设计钢筋混凝土肋梁楼盖结构设计(1周)(一)三、总体要求1.必须按期完成指定任务。
2.每项设计均需递交一份计算说明书。
3.计算书应内容完整、条理清晰、字迹规范、图文并茂、排版得当。
4.发挥独立思考的能力,培养运用规范、查阅资料的基本技能。
四、成绩评定1.根据计算书的质量,结合平时表现进行成绩评定。
2.成绩制度:优、良、中、及格、不及格。
任务书一、设计项目某三层工业建筑(生产车间)的中间楼面(采用现浇钢筋混凝土单向板肋梁楼盖)。
二、设计资料1.建筑地点:厦门市某厂区2.层数层高:四层;底层及顶层4.2m,中间层3.9m3.车间类别:见表1-14.结构类型:现浇钢筋混凝土内框架结构5.柱网布置:见图1-1和表1-26.工程做法:楼盖面层做法,表1-3梁面做法,15mm厚混合砂浆抹灰7.材料供应:见表1-48.荷载:(1)楼面活荷载,见建筑结构荷载规范(GB 50009-2012)附录Cγ=(2)钢筋混凝土容重,225KN/mγ=(3)混合砂浆容重,217KN/mγ=(4)水泥砂浆容重,220KN/m三、设计内容每位学生根据自己的学号从表1-5中查出选题代号,由选题代号确定有关设计条件,然后完成一中间层楼盖的设计工作。
1.方案部分①柱网布置,梁格划分②确定主要构件的材料和断面尺寸2.计算部分①楼板的配筋计算(按塑性内力重分布计算)②次梁的配筋计算(按塑性内力重分布计算)③主梁的配筋计算(按弹性理论计算)表1-1 车间类别建筑结构荷载规范(GB 50009-2012)表1-2 柱网尺寸(m)表1-3 楼面做法表1-4 结构材料表1-5 选题代号指导书一、设计目的熟悉钢筋混凝土肋梁楼盖结构设计的一般内容和程序,理解并掌握现浇单向板钢筋混凝土肋梁楼盖的结构布置原则、基于弹性理论和塑性理论的内力分析方法、连续梁内力包络图及抵抗弯矩图的绘制方法以及重要的构造措施,复习并巩固所学现浇钢筋混凝土肋梁楼盖结构设计以及钢筋混凝土受弯构件截面设计的理论知识,为今后的课程设计、毕业设计以及实际工程设计奠定扎实的基础。
混凝土结构原理课程设计指导书一、设计内容1.预应力钢绞线面积估算、布置及校核;2.截面几何参数的计算;3.确定张拉控制应力,进行预应力损失估算;4.承载能力极限状态正截面、斜截面承载能力计算;5.应力验算;6.正常使用极限状态抗裂性验算;7.变形验算及预拱度设置;8.锚固区局部承压设计计算。
9、图纸绘制:预应力钢束布置图。
二、设计步骤(一)准备工作1、设计题目,设计用的原始数据和有关资料由指导教师以设计任务书的形式发给学生。
2、学生接到设计任务书后,首先熟悉所给的原始资料, 明确设计题目和设计内容。
(二)预应力钢绞线面积估算、布置及校核预应力混凝土梁钢筋数量估算的一般方法:根据构件正截面抗裂性确定预应力钢筋的数量。
由构件承载能力极限状态要求确定非预应力钢筋数量。
预应力钢筋数量估算时截面几何特性可取构件全截面几何特性。
(1)按构件正截面抗裂性要求估算预应力钢筋数量全预应力混凝土梁按作用(或荷载)短期效应组合进行正截面抗裂性验算,计算所得的正截面混凝土法向拉应力应满足式(1)的要求,可得到:(1)(2)Ms——按作用(或荷载)短期效应组合计算的弯矩值;Npe——使用阶段预应力钢筋永存应力的合力;A——构件混凝土全截面面积;W——构件全截面对抗裂验算边缘弹性抵抗矩;ep——预应力钢筋的合力作用点至截面重心轴的距离。
A类部分预应力混凝土构件,根据式(3)可以得到:(3)求得Npe的值后,再确定适当的张拉控制应力σcon并扣除相应的应力损失σl(对于配高强钢丝或钢铰线的后张法构件σl约为0.2σcon ),估算出所需要的预应力钢筋的总面积Ap = Npe/(1-0.2)σcon。
Ap确定之后,则可按一束预应力钢筋的面积Ap1算出所需的预应力钢筋束数n1为: n1 =A p/ A p1(2)按构件承载能力极限状态要求估算非预应力钢筋数量在确定预应力钢筋的数量后,非预应力钢筋根据正截面承载能力极限状态的要求来确定。
对仅在受拉区配置预应力钢筋和非预应力钢筋的预应力混凝土梁,以T形截面梁为例:第一类T形截面:(4)、(5)第二类T形截面:(6)、(7)估算时,先假定为第一类T形截面按式(6)计算受压区高度x。
若计算所得x满足x≤hf’,则由式(5)可得受拉区非预应力钢筋截面积为:若按式(6)计算所得的受压区高度为x>hf’ ,则为第二类T形截面,须按式(8)重新计算受压区高度x。
若所得x≤ξbh0且满足的限值条件,则由式(7)可得受拉区非预应力钢筋截面积为:若按式(8)计算所得的受压区高度x>hf’且x>ξbh0 ,则须修改截面面尺寸,增大梁高。
《公路桥规》规定部分预应力混凝土受弯构件中受拉普通钢筋截面积不应小于0.003bh0,其中b为截面宽度,h0为受弯构件截面有效高度。
预应力筋的布置1)束界把由E1和E2两条曲线所围成的布置预应力钢筋时的钢筋重心界限,称为束界(或索界)。
图1 全预应力混凝土简支梁的束界图2)预应力钢筋的布置原则(1)预应力钢筋的布置应使其重心线不超出束界范围。
(2)预应力钢筋弯起的角度,应与所承受的剪力变化规律相配合。
(3)预应力钢筋的布置应符合构造要求。
3)预应力钢筋弯起点的确定预应力钢筋的弯起点,应从兼顾剪力与弯矩两方面的受力要求来考虑。
(1)从受剪考虑,应从主梁Vd≥Vcs的截面开始起弯,以提供一部分预剪力来抵抗作用产生的剪力。
一般是根据经验,在主梁跨径的三分点到四分点之间开始弯起。
(2)从受弯考虑,应注意预应力钢筋弯起后的正截面抗弯承载力的要求。
(3)预应力钢筋的起弯点尚应考虑满足主梁斜截面抗弯承载力的要求。
4)预应力钢筋弯起角度弯起角度θp不宜大于20°;对于弯出梁顶锚固的钢筋,θp常在25°~30°之间。
θp角较大的预应力钢筋应注意采取减小摩擦系数值的措施,以减小由此而引起的摩擦应力损失。
5)预应力钢筋弯起的曲线形状预应力钢筋弯起的曲线可采用圆弧线、抛物线或悬链线三种形式。
公路桥梁中多采用圆弧线。
后张法预应力构件的曲线形预应力钢筋,其曲率半径应符合下列要求:(1)钢丝束、钢绞线束的钢丝直径d≤5mm时,不宜小于4m;钢丝直径d>5mm时,不宜小于6m;(2)精轧螺纹钢筋直径d≤25mm时,不宜小于12m;直径d>25mm时,不宜小于15m;6)预应力钢筋布置的具体要求(1)后张法构件后张法构件预应力钢筋管道的设置应符合下列规定:①直线管道之间的水平净距不应小于40mm,且不宜小于管道直径的0.6倍;对于预埋的金属或塑料波纹管和铁皮管,在竖直方向可将两管道叠置;②曲线形预应力钢筋管道在曲线平面内相邻管道间的最小距离为:图2 曲线形预应力钢筋弯曲平面内净距后张法预应力混凝土构件,其预应力管道的混凝土保护层厚度:普通钢筋和预应力直线形钢筋的最小混凝土保护层厚度(钢筋外缘或管道外缘至混凝土表面的距离)不应小于钢筋公称直径;后张法构件预应力直线形钢筋不应小于管道直径的1/2且应符合附表1-7的规定。
非预应力钢筋的布置预应力混凝土T形、I形截面梁和箱形截面梁腹板内应分别设置直径不小于10mm和12mm的箍筋,且应采用带肋钢筋,间距不应大于250mm;自支座中心起长度不小于一倍梁高范围内,应采用闭合式箍筋,间距不应大于100mm。
在T形、I形截面梁下部的肋扩大截面“马蹄”内,应另设直径不小于8mm的闭合式箍筋,间距不应大于200mm。
肋扩大截面“马蹄”内还应设直径不小于12mm的定位钢筋。
(三)、截面几何参数的计算;后张法预应力混凝土梁主梁截面几何特性应根据不同的受力阶段分别计算。
T形梁从施工到运营经历了如下三个阶段。
阶段一:主梁预制并张拉预应力钢筋主梁混凝土达到设计强度的90%后,进行预应力钢筋的张拉,此时管道尚未压浆,其截面特性为计入非预应力钢筋影响(将非预应力钢筋换算为混凝土)的净截面。
该截面的截面特性计算中应扣除预应力管道的影响,T梁翼板宽度为预制宽度。
阶段二:灌浆封锚,主梁吊装就位并现浇湿接缝预应力钢筋张拉完成并进行管道压浆、封锚后,预应力钢筋能够参与截面受力。
主梁吊装就位后现浇湿接缝,但湿接缝还没有参与截面受力,此时的截面特性计算采用计入非预应力钢筋和预应力钢筋影响的换算截面,T梁翼板宽度仍为预制宽度。
阶段三:桥面、栏杆及人行道施工和运营阶段桥面湿接缝结硬后,主梁即为全截面参与工作。
此时截面特性计算采用计入非预应力钢筋和预应力钢筋影响的换算截面,T梁翼板有效宽度为成桥状态主梁全宽。
(四)确定张拉控制应力,进行预应力损失估算;1)预应力钢筋张拉(锚下)控制应力按《公路桥规》规定采用σcon =0.75f pk2)钢束应力损失计算(1)计算预应力钢筋与管道间摩擦引起的预应力损失σl1(2)计算锚具变形、钢丝回缩引起的应力损失σl2计算锚具变形、钢筋回缩引起的应力损失,后张法曲线布筋的构件应考虑锚固后反摩阻的影响。
(3)预应力钢筋分批张拉时混凝土弹性压缩引起的应力损失σl4直接按简化公式进行计算,即:(4)计算钢筋松弛引起的预应力损失σl5对于采用超张拉工艺的低松弛级钢绞线,由钢筋松弛引起的预应力损失下式计算,即:(5)计算混凝土收缩、徐变引起的损失σl6(五)、承载能力极限状态正截面、斜截面承载能力计算;1)正截面承载力计算一般取主梁弯矩最大的跨中截面进行正截面抗弯承载力计算。
(1)求受压区高度xT形截面类型判别计算结果,主梁截面受压区全部位于翼缘板内,说明确实是第一类T 形截面梁。
(2)正截面承载力计算预应力钢筋和非预应力钢筋的合力作用点到截面底边距离a为:计算的梁跨中截面抗弯承载力为2)斜截面承载力计算(1)斜截面抗剪承载力计算根据公式进行截面抗剪计算的上、下限复核;斜截面抗剪承载力按下式计算,即(六)、应力验算;1)短暂状况的正应力验算构件在制作、运输及安装等施工阶段,混凝土强度等级为C45。
在预加力和自重作用下的截面边缘混凝土的法向压应力应符合下式要求。
短暂状况下(预加力阶段)梁跨中截面上、下缘的正应力:截面特性取用第一阶段的截面特性。
2)持久状况的正应力验算(1)截面混凝土的正应力验算对于预应力混凝土简支梁的截面正应力,由于已配设了曲线筋束,应取跨中、l/4、l/8、支点及钢束突然变化处(截断或弯出梁顶等)分别进行验算。
应力计算的作用(或荷载)取标准值,汽车荷载计入冲击系数。
(2)持久状况下预应力钢筋的应力验算由二期恒载及活载作用产生的预应力钢筋截面重心处的混凝土应力为:钢束应力为:3)持久状况下的混凝土主应力验算(七)、正常使用极限状态抗裂性验算;1)作用短期效应组合作用下的正截面抗裂验算取跨中截面进行。
(1)预加力产生的构件抗裂验算边缘的混凝土预压应力的计算:(2)由荷载产生的构件抗裂验算边缘混凝土法向拉应力的计算:(3)正截面混凝土抗裂验算对于全预应力混凝土构件,作用荷载短期效应组合作用下的混凝土拉应力应满足下列要求:对于预制构件:对于A类部分预应力混凝土构件,作用荷载短期效应组合作用下的混凝土拉应力应满足下列要求:截面在作用(或荷载)短期效应组合作用下没有消压,计算结果满足《公路桥规》中A类部分预应力构件按作用短期效应组合计算的抗裂要求。
同时,A类部分预应力混凝土构件还必须满足作用长期效应组合的抗裂要求。
<02)作用短期效应组合作用下的斜截面抗裂性验算斜截面抗裂验算应取剪力和弯矩均较大的最不利区段截面进行。
剪应力和正应力的计算分别用下式进行计算:主应力的计算:主拉应力的限制值:作用短期效应组合下抗裂验算的混凝土的主拉应力限值为小于0.7ftk。
(八)、变形验算及预拱度设置;1)荷载短期效应作用下主梁挠度计算(1)可变荷载作用引起的挠度(2)考虑长期效应的一期恒载、二期恒载引起的挠度值2)预加力引起的上拱度计算主梁上拱度(跨中截面)为:考虑长期效应的预加力引起的上拱值为:3)预拱度的设置梁在预加力和荷载短期效应组合共同作用下并考虑长期效应的挠度值为:(九)、锚固区局部承压设计计算1)局部受压区尺寸要求配置间接钢筋的混凝土构件,其局部受压区的尺寸应满足:2)局部抗压承载力计算配置间接钢筋的局部受压构件,其局部抗压承载力复核公式为:且应满足:。