挥发油测定法标准操作规程
- 格式:doc
- 大小:23.00 KB
- 文档页数:2
目的:建立挥发油测定法标准操作规程,保证检测结果准确
范围:原辅质量
1.仪器与用具
1.1500ml圆底烧瓶,挥发油测定器,回流冷凝器。
以上均用玻璃磨口连接。
1.2水,用去离子水。
1.3乳胶管,连接冷凝器与水管
1.4电热套。
2.操作方法
2.1取供试品适量(约相当于含挥发油0.5-1.0ml),称定重量(准确至0.01g)置圆底烧瓶中,加水300-500ml(或适量)与玻璃珠数粒,振摇混合后,连接挥发油测定器与回流冷凝管。
2.2自冷凝管上端加水使充满挥发油测定器的刻度部分,溢流入烧瓶时为止。
2.3置加热套中缓缓加热至沸,并保持微沸约5小时,至测定器中油量不再增加,停止加热
2.4放置片刻,开启测定器下端的活塞,将水缓缓放出,至油层下端到达刻度0线5mm处为止、
2.5放置1小时以上,再开启活塞例油层下降至其下端恰与零刻度齐,读取挥发油量。
3.注意事项
3.1全部仪器应充分洗净,并检查接合部分是否严密,以防油分逸出。
3.2装置中挥发油测定器的支管岔处应与基准线平行。
4.计算
挥发油量
4.1供试品中含挥发油的百分数=———————×100%(ml/g)
供试品重量。
附录Ⅹ D 挥发油测定法测定用的供试品,除另有规定外,须粉碎使能通过二号至三号筛,并混合均匀。
仪器装置如图。
A为1000ml(或500ml、2000ml)的硬质圆底烧瓶,上接挥发油测定器B,B的上端连接回流冷凝管C。
以上各部均用玻璃磨口连接。
测定器B应具有0.1ml的刻度。
全部仪器应充分洗净,并检查接合部分是否严密,以防挥发油逸出。
测定法甲法本法适用于测定相对密度在1.0以下的挥发油。
取供试品适量(约相当于含挥发油0.5~1.0ml),称定重量(准确至0.01g),置烧瓶中,加水300~500ml(或适量)与玻璃珠数粒,振摇混合后,连接挥发油测定器与回流冷凝管。
自冷凝管上端加水使充满挥发油测定器的刻度部分,并溢流入烧瓶时为止。
置电热套中或用其他适宜方法缓缓加热至沸,并保持微沸约5小时,至测定器中油量不再增加,停止加热,放置片刻,开启测定器下端的活塞,将水缓缓放出,至油层上端到达刻度0线上面5mm处为止。
放置1小时以上,再开启活塞使油层下降至其上端恰与刻度。
线平齐,读取挥发油量,并计算供试品中挥发油的含量(%)。
乙法本法适用于测定相对密度在1.0以上的挥发油。
取水约300ml与玻璃珠数粒,置烧瓶中,连接挥发油测定器。
自测定器上端加水使充满刻度部分,并溢流入烧瓶时为止,再用移液管加入二甲苯1ml,然后连接回流冷凝管。
将挠瓶内容物加热至沸腾,并继续蒸馏,其速度以保持冷凝管的中部呈冷却状态为度,30分钟后,停止加热,放置15分钟以上,读取二甲苯的容积,然后照甲法自“取供试品适量”起,依法测定,自油层量中减去二甲苯量,即为挥发油量,再计算供试品中挥发油的含量(%)。
注:装置中挥发油测定器的支管分岔处应与基准线平行。
附录10D 挥发油测定法测定用的供试品,除另有规定外,须粉碎使能通过二号至三号筛,并混合均匀。
仪器装置如图。
A为1000ml(或500ml,2000ml)的硬质圆底烧瓶,上接挥发油测定器B。
B的上端连接回流冷凝管C,以上各部均用玻璃磨口连接。
测定器B应具有0.1ml的刻度,全部仪器应充分洗净,并检查接合部分是否严密,以防油分逸出。
(注:装置中挥发油测定器的支管分岔处应与基准线平行)。
测定法甲法:本法适用于测定相对密度在1.0以下的挥发油。
取供试品适量(约相当于含挥发油0.5~1.0ml),称定重量(准确至0.01g),置烧瓶中,加水300~500ml(或适量)与玻璃珠数粒,振摇混合后,连接挥发油测定器与回流冷凝管。
自冷凝管上端加水使充满挥发油测定器的刻度部分,并溢流入烧瓶中为止。
置电热套中或用其他适宜方法缓缓加热至沸腾,并保持微沸约5小时,至测定器中油量不再增加,停止加热,放置片刻,开启测定器下端的活塞,将水缓缓放出,至油层上端到达刻度0线上面5mm处为止。
放置1小时以上,再开启活塞使油层下降至其上端恰与刻度0 线平齐,读取挥发油量,并计算供试品中含挥发油的百分数。
乙法:本法适用于测定相对密度在1.0以上的挥发油。
取水约300ml与玻璃珠数粒,置烧瓶中,连接挥发油测定器。
自测定器上端加水使充满刻度部分,并溢流入烧瓶时为止,再用移液管加入二甲苯1ml,然后连接回流冷凝管。
将烧瓶内容物加热至沸腾,并继续蒸馏,其速度以保持冷凝管的中部呈冷却状态为度。
30分钟后,停止加热,放置15分钟以上,读取二甲苯的容积。
然后照甲法自“取供试品适量”起,依法测定,自油层量中减去二甲苯量,即为挥发油量,再计算供试品中含挥发油的百分数。
1 简述1.1 本规程适用于按中国药典附录《挥发油测定法》测定挥发油成分的药材、饮片及中成药中的挥发油含量。
1.2 挥发油测定法系利用供试品初水蒸馏时,挥发油和水能一起蒸馏出,经回流冷凝管冷却并滴入挥发达测定器中,据二者互不混溶,且相对密度不同而分层,馏出的水经特殊设计的挥发油测定器下端的连通装置不断溢流入固底烧瓶中、而挥发油则留在测定器中。
湖南湘大兽药有限公司工作标准文件题目挥发油测定法标准操作规程编号ZLJG F-044-02 修定质检部审核批准修定日期2016.12 审核日期批准日期颁发部门GMP办公室颁发数量 2 份生效日期分发部门质检部、档案室文件页数共2页一、目的:该操作规程用于规范兽用中药材及中药制剂中挥发油的含量测定操作二、依据:《中华人民共和国兽药典》(2015年版二部附录P136)。
三、适用范围:该操作规程适用于兽用中药挥发油的含量测定。
四、职责:进行该项检验的检验员应按该操作规程进行检验,检测室主任负责监督该操作规程的正确执行。
五、检验:1 技术依据及原理:挥发油是一类可随水蒸气蒸馏且不与水混溶的油状液体。
本测定法即利用这种特性,用水蒸气蒸馏法测定挥发油的含量。
2 注意事项2.1 测定用的供试品,除另有规定外,须粉碎使能通过二至三号筛,并混合均匀。
2.2 装置中挥发油测定器的支管分岔处应与基准线平行。
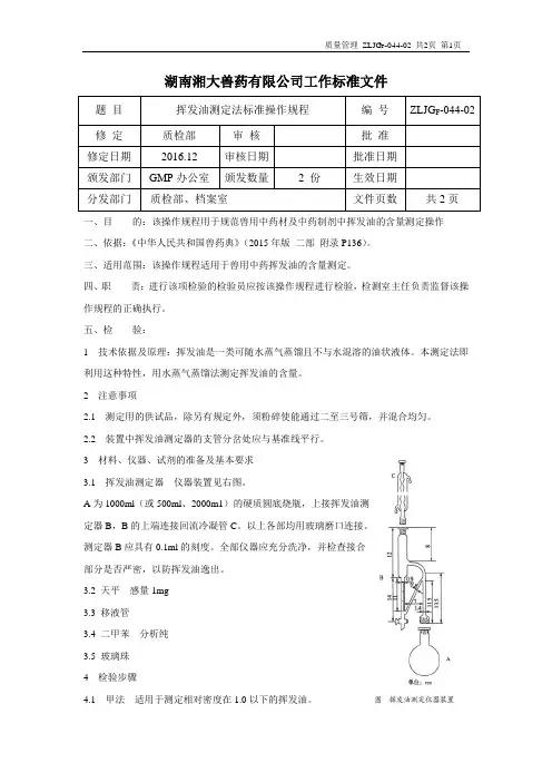
3 材料、仪器、试剂的准备及基本要求3.1 挥发油测定器仪器装置见右图。
A为1000ml(或500ml、2000m1)的硬质圆底烧瓶,上接挥发油测定器B,B的上端连接回流冷凝管C。
以上各部均用玻璃磨口连接。
测定器B应具有0.1ml的刻度。
全部仪器应充分洗净,并检查接合部分是否严密,以防挥发油逸出。
3.2 天平感量1mg3.3 移液管3.4 二甲苯分析纯3.5 玻璃珠4 检验步骤4.1 甲法适用于测定相对密度在1.0以下的挥发油。
4.1.1 取供试品适量(约相当于含挥发油0.5~1.0ml ),称定重量(准确至0.0lg ),置烧瓶中,加水300~500ml (或适量)与玻璃珠数粒,振摇混合后,连接挥发油测定器与回流冷凝管。
4.1.2 自冷凝管上端加水使充满挥发油测定器的刻度部分,并溢流入烧瓶时为止。
4.1.3 置电热套中或用其他适宜方法缓缓加热至沸,并保持微沸约5小时,至测定器中油量不再增加,停止加热,放置片刻。
中国药典挥发油测定法
中国药典挥发油测定法是常用于中药材中挥发油含量测定的方法。
该方法主要是通过蒸馏法将中药材中挥发性成分分离出来,然后以干燥后建立的定量容器中收集挥发油,并以重量百分比的形式表示。
具体步骤如下:
1.取适量的中药材研磨成均匀的粉末状。
2.将2克左右的中药材粉末放入蒸馏器中,加入适量的水,进行水蒸气蒸馏。
3.在蒸馏器中加入氯仿等有机溶剂,将挥发油从水相中萃取出来。
4.将有机相收集于干燥的量筒中,在60°C下加热除去有机溶剂。
5.将得到的挥发油重量与中药原料的质量比较,得到挥发油含量。
该方法具有简单、重复性好、准确性高等优点,但缺点是不能区分挥发性成分的种类和组成,对于不同种类的挥发油测量的灵敏度不同,需要根据实际情况选择合适的方法。
挥发油的测定方法This model paper was revised by the Standardization Office on December 10, 2020附录Ⅹ D 挥发油测定法测定用的供试品,除另有规定外,须粉碎使能通过二号至三号筛,并混合均匀。
仪器装置如图。
A为1000ml(或500ml、2000ml)的硬质圆底烧瓶,上接挥发油测定器B,B的上端连接回流冷凝管C。
以上各部均用玻璃磨口连接。
测定器B应具有0.1ml 的刻度。
全部仪器应充分洗净,并检查接合部分是否严密,以防挥发油逸出。
测定法甲法本法适用于测定相对密度在1.0以下的挥发油。
取供试品适量(约相当于含挥发油0.5~1.0ml),称定重量(准确至0.01g),置烧瓶中,加水300~500ml (或适量)与玻璃珠数粒,振摇混合后,连接挥发油测定器与回流冷凝管。
自冷凝管上端加水使充满挥发油测定器的刻度部分,并溢流入烧瓶时为止。
置电热套中或用其他适宜方法缓缓加热至沸,并保持微沸约5小时,至测定器中油量不再增加,停止加热,放置片刻,开启测定器下端的活塞,将水缓缓放出,至油层上端到达刻度0线上面5mm处为止。
放置1小时以上,再开启活塞使油层下降至其上端恰与刻度。
线平齐,读取挥发油量,并计算供试品中挥发油的含量(%)。
乙法本法适用于测定相对密度在1.0以上的挥发油。
取水约300ml与玻璃珠数粒,置烧瓶中,连接挥发油测定器。
自测定器上端加水使充满刻度部分,并溢流入烧瓶时为止,再用移液管加入二甲苯1ml,然后连接回流冷凝管。
将挠瓶内容物加热至沸腾,并继续蒸馏,其速度以保持冷凝管的中部呈冷却状态为度,30分钟后,停止加热,放置15分钟以上,读取二甲苯的容积,然后照甲法自“取供试品适量”起,依法测定,自油层量中减去二甲苯量,即为挥发油量,再计算供试品中挥发油的含量(%)。
注:装置中挥发油测定器的支管分岔处应与基准线平行。
附录Ⅹ D 挥发油测定法测定用的供试品,除另有规定外,须粉碎使能通过二号至三号筛,并混合均匀。
仪器装置如图。
A为1000ml(或500ml、2000ml)的硬质圆底烧瓶,上接挥发油测定器B,B的上端连接回流冷凝管C。
以上各部均用玻璃磨口连接。
测定器B应具有的刻度。
全部仪器应充分洗净,并检查接合部分是否严密,以防挥发油逸出。
测定法甲法本法适用于测定相对密度在以下的挥发油。
取供试品适量(约相当于含挥发油~),称定重量(准确至),置烧瓶中,加水300~500ml (或适量)与玻璃珠数粒,振摇混合后,连接挥发油测定器与回流冷凝管。
自冷凝管上端加水使充满挥发油测定器的刻度部分,并溢流入烧瓶时为止。
置电热套中或用其他适宜方法缓缓加热至沸,并保持微沸约5小时,至测定器中油量不再增加,停止加热,放置片刻,开启测定器下端的活塞,将水缓缓放出,至油层上端到达刻度0线上面5mm处为止。
放置1小时以上,再开启活塞使油层下降至其上端恰与刻度。
线平齐,读取挥发油量,并计算供试品中挥发油的含量(%)。
乙法本法适用于测定相对密度在以上的挥发油。
取水约300ml与玻璃珠数粒,置烧瓶中,连接挥发油测定器。
自测定器上端加水使充满刻度部分,并溢流入烧瓶时为止,再用移液管加入二甲苯1ml,然后连接回流冷凝管。
将挠瓶内容物加热至沸腾,并继续蒸馏,其速度以保持冷凝管的中部呈冷却状态为度,30分钟后,停止加热,放置15分钟以上,读取二甲苯的容积,然后照甲法自“取供试品适量”起,依法测定,自油层量中减去二甲苯量,即为挥发油量,再计算供试品中挥发油的含量(%)。
注:装置中挥发油测定器的支管分岔处应与基准线平行。
山东康源堂中药饮片有限公司标准操作规程题目:紫外可见分光光度法标准操作规程编号:颁发部门:质量管理部起草:日期:审核:日期:批准:日期:执行日期:分发部门:质量管理部、检验室依据:《中国药典》2015年版四部目的:建立挥发油含量测定的标准操作规程,明确其检查法的操作。
范围:适用于紫外可见分光光度法的操作。
责任:质量管理部、生产技术部、检验员负责执行内容:1.仪器与用具1.1 挥发油测定装置一套包括:1000ml(或500ml、2000ml)的硬质圆底烧瓶一个,具有0.1ml刻度的挥发油测定器一只;球形冷凝管一只。
三部分均用玻璃磨口连接。
1.2 千分位天平一台1.3 电热套一台1.4 蝶形夹三只2.测定2.1 准备2.1.1 样品处理除另有规定处,供试品一般应粉碎使能通过二号至三号筛。
2.1.2 检查挥发油测定装置是否洁净干燥,将挥发油测定装置安装固定好,检查接口是否严密。
2.1.3 确认挥发油测定器的支管分岔处与基准线平等。
2.2 甲法适用于测定相对密度在1.0以下的挥发油。
2.2.1 取处理合格的样品适量(约相当于含挥发油0.5~1.0ml),称定重量(精确至0.01g)。
2.2.2 供试品置烧瓶中,加水300~500ml,与玻璃珠数粒,振摇混合,连接挥发油测定器与冷凝管。
自冷凝管上端加水使充满挥发油测定器的刻度部分,并溢流入烧瓶时为止,置电热套中缓缓加热至沸,并保持微沸约5小时,至测定器中油量不再增加。
2.2.3 停止加热,放置片刻,开启测定器下端的活塞,将水缓缓放出,至油层上端达刻度0线上面5mm处为止。
2.2.4 放置1小时,再开启活塞使油层下降至其上端恰与刻度0平齐,读取挥发油的量。
2.2.5 计算供试品中挥发油的含量(%)。
2.3 乙法适用于测定相对密度在1.0以上的挥发油。
2.3.1 取水约300ml与玻璃珠数粒,置烧瓶中,连接挥发油测定器。
2.3.2 自测定器上端加水使充满刻度部分,并溢流入烧瓶时为止。
食品中挥发油含量测定操作规程1 目的对公司产品的挥发油含量测定制定标准操作规程,检验室操作人员按本规程操作,保证公司挥发油含量检测结果准确。
2 范围本操作适用于孜然、花椒、八角、丁香等原料的挥发油含量的测定。
3 依据SB/T 10040-1992《花椒》、GB/T 30385-2013《香辛料和调味品挥发油含量的测定》4 实验原理蒸馏试样的水悬浮液,馏分收集于存有二甲苯的刻度管中,当有机相与水相分层后,读取有机相的体积毫升数,扣除二甲苯体积后计算出挥发油含量。
5 仪器和设备5.1 A 500ml蒸馏烧瓶、B 5ml挥发油接收管5.2 电热套5.3 二甲苯5.4 电子天平:感量为0.1mg。
5.5 C 冷凝管6 实验步骤6.1 样品制备取有代表性样品用粉碎机粉碎均匀,粉碎机应由不吸水材料制成,易清洗,无死角,操作时尽量避免与外界接触,不产生过热现象,操作方便,颗粒在1mm以下。
6.2 操作步骤适用于测定相对密度在1.0以下的挥发油。
称取10.00g左右试样,加入蒸馏烧瓶内,并加入300ml蒸馏水和几粒玻璃珠,振摇混合后,连接挥发油测定器与回流冷凝管。
自冷凝管上端加水使充满挥发油测定器的刻度部分,并溢流入烧瓶时为止。
置电热套中或用其他适宜方法缓缓加热至沸,并保持微沸约4小时,至测定器中油量不再增加,停止加热,放置片刻,开启测定器下端的活塞,将水缓缓放出,至油层上端到达刻度0线上面5mm处为止。
放置1小时以上,再开启活塞使油层下降至其上端恰与刻度0线平齐,读取挥发油量,并计算供试品中挥发油的含量(%)。
适用于测定相对密度在1.0以上的挥发油。
称取10.00g左右试样,加入蒸馏烧瓶内,取水约300ml与玻璃珠数粒,置烧瓶中,连接挥发油测定器。
自测定器上端加水使充满刻度部分,并溢流入烧瓶时为止,再用移液管加入二甲苯1ml,然后连接回流冷凝管。
置电热套中或用其他适宜方法缓缓加热至沸,并保持微沸约4小时,至测定器中油量不再增加,停止加热,放置1h以上,自油层量中减去二甲苯量,即为挥发油量,再计算供试品中含挥发油的含量(%)。
挥发油的测定方法 The manuscript was revised on the evening of 2021附录Ⅹ D 挥发油测定法测定用的供试品,除另有规定外,须粉碎使能通过二号至三号筛,并混合均匀。
仪器装置如图。
A为1000ml(或500ml、2000ml)的硬质圆底烧瓶,上接挥发油测定器B,B的上端连接回流冷凝管C。
以上各部均用玻璃磨口连接。
测定器B应具有的刻度。
全部仪器应充分洗净,并检查接合部分是否严密,以防挥发油逸出。
测定法甲法本法适用于测定相对密度在以下的挥发油。
取供试品适量(约相当于含挥发油~),称定重量(准确至),置烧瓶中,加水300~500ml (或适量)与玻璃珠数粒,振摇混合后,连接挥发油测定器与回流冷凝管。
自冷凝管上端加水使充满挥发油测定器的刻度部分,并溢流入烧瓶时为止。
置电热套中或用其他适宜方法缓缓加热至沸,并保持微沸约5小时,至测定器中油量不再增加,停止加热,放置片刻,开启测定器下端的活塞,将水缓缓放出,至油层上端到达刻度0线上面5mm处为止。
放置1小时以上,再开启活塞使油层下降至其上端恰与刻度。
线平齐,读取挥发油量,并计算供试品中挥发油的含量(%)。
乙法本法适用于测定相对密度在以上的挥发油。
取水约300ml与玻璃珠数粒,置烧瓶中,连接挥发油测定器。
自测定器上端加水使充满刻度部分,并溢流入烧瓶时为止,再用移液管加入二甲苯1ml,然后连接回流冷凝管。
将挠瓶内容物加热至沸腾,并继续蒸馏,其速度以保持冷凝管的中部呈冷却状态为度,30分钟后,停止加热,放置15分钟以上,读取二甲苯的容积,然后照甲法自“取供试品适量”起,依法测定,自油层量中减去二甲苯量,即为挥发油量,再计算供试品中挥发油的含量(%)。
注:装置中挥发油测定器的支管分岔处应与基准线平行。
药材挥发油测定法
一目的:制定挥发油测定法,规范药材的检验及验收。
二适用范围:适用于挥发油测定法。
三责任者:品控部。
四正文
1.测定用的供试品,除另有规定外,须粉碎使能通过二至三号筛,并混合均匀。
2.仪器
2.1 1000ml的硬质圆底烧瓶
2.2 挥发油测定器
2.3 回流冷凝管
3.测定法
3.1 甲法:
本法适用于测定相对密度在1.0以下的挥发油。
取供试品适量(约相当于含挥发油0.5~1.0ml),称定重量(准确至0.01g),置烧瓶中,加水300~500ml(或适量)与玻璃珠数粒,振摇混合后,连接挥发油测定器与回流冷凝管。
自冷凝管上端加水使充满挥发油测定器的刻度部分,并溢流入烧瓶时为止。
置电热套中或用其它适宜方法缓缓加热至沸,并保持微沸约5小时,至测定器中油量不再增加,停止加热,放置片刻,开启测定器下端的活塞,将水缓缓放出,至油层上端到达刻度0线上面5mm处为止。
放置1小时以上,再开启活塞使油层下端至其上端恰与刻度0线平齐,读取挥发油量,并计算供试品中挥发油的含量(%)。
3.1 乙法:
本法适用于测定相对密度在1.0以上的挥发油。
取水约300ml与玻璃珠数粒,置烧瓶中,连接挥发油测定器。
自测定器上端加水使充满刻度部分,并溢流入烧瓶时为止,再用移液管加入二甲苯1ml,然后连接回流冷凝管,将烧瓶内容物加热至沸腾,并继续蒸馏,其速度以保持冷凝管的中部呈冷却状态为度。
30分钟后,停止加热,放置15分钟以上,读取二甲苯的容积。
然后照甲法自“取供试品适量”起,依法测定,自油层量中减去二甲苯量,即为挥发油量,再计算供试品中含挥发油的含量(%)。
挥发油的含量测定实验报实验流程下载温馨提示:该文档是我店铺精心编制而成,希望大家下载以后,能够帮助大家解决实际的问题。
文档下载后可定制随意修改,请根据实际需要进行相应的调整和使用,谢谢!并且,本店铺为大家提供各种各样类型的实用资料,如教育随笔、日记赏析、句子摘抄、古诗大全、经典美文、话题作文、工作总结、词语解析、文案摘录、其他资料等等,如想了解不同资料格式和写法,敬请关注!Download tips: This document is carefully compiled by theeditor. I hope that after you download them,they can help yousolve practical problems. The document can be customized andmodified after downloading,please adjust and use it according toactual needs, thank you!In addition, our shop provides you with various types ofpractical materials,such as educational essays, diaryappreciation,sentence excerpts,ancient poems,classic articles,topic composition,work summary,word parsing,copy excerpts,other materials and so on,want to know different data formats andwriting methods,please pay attention!一、实验目的测定样品中挥发油的含量。
二、实验原理挥发油是一类具有挥发性的油状液体,通常存在于植物的各个部位。
挥发油测定法————————————————————————————————作者:————————————————————————————————日期:挥发油测定法测定用的供试品,除另有规定外,须粉碎使能通过二至三号筛,并混合均匀。
仪器装置如图。
A为1000ml(或500ml、2000ml)的硬质圆底烧瓶,上接挥发油测定器B,B的上端连接回流冷凝管C。
以上各部均用玻璃磨口连接。
测定器B应具有0.1ml的刻度。
全部仪器应充分洗净, 并检查接合部分是否严密,以防油分逸出。
(注:装置中挥发油测定器的支管分岔处应与基准线平行)。
测定法甲法:本法适用于测定相对密度在1.0以下的挥发油。
取供试品适量(约相当于含挥发油0.5~1.0ml),称定重量(准确至0.01g), 置烧瓶中,加水300~500ml(或适量)与玻璃珠数粒,振摇混合后,连接挥发油测定器与回流冷凝管。
自冷凝管上端加水使充满挥发油测定器的刻度部分,并溢流入烧瓶时为止。
置电热套中或用其他适宜方法缓缓加热至沸,并保持微沸约5小时,至测定器中油量不再增加,停止加热,放置片刻,开启测定器下端的活塞,将水缓缓放出,至油层上端到达刻度0线上面5mm处为止。
放置1小时以上,再开启活塞使油层下降至其上端恰与刻度0线平齐,读取挥发油量,并计算供试品中含挥发油的百分数。
紫苏为常用的辛温解表药,具有解表散寒、行气和胃等功效,用于风寒感冒,咳嗽呕恶,妊娠呕吐,鱼蟹中毒等症。
其药源为一年生草本唇形科植物皱紫苏Perilla frutescens(L.) Britt 的干燥叶、茎、果[1]。
传统认为紫苏以湖北为道地产区[2]。
本实验采用湖北产紫苏,以水蒸气蒸馏法提取其有效成分挥发油,并利用气-质联用技术对其化学成分进行分析,通过计算机检索与标准图谱对照鉴定化合物,用归一法确定各化合物在挥发油中的相对含量,为进一步对紫苏挥发油进行成分分析提供科学依据。
1 材料与方法1.1 材料与仪器紫苏全草购自湖北省药材公司,经本院生药教研室鉴定为赤紫苏[Perilla frutescens(L.)Britt]。
挥发油测定法测定用的供试品,除另有规定外,须粉碎使能通过二至三号筛,并混合均匀。
仪器装置如图。
A为1000ml(或500ml、2000ml)的硬质圆底烧瓶,上接挥发油测定器B,B的上端连接回流冷凝管C。
以上各部均用玻璃磨口连接。
测定器B应具有0.1ml的刻度。
全部仪器应充分洗净, 并检查接合部分是否严密,以防油分逸出。
(注:装置中挥发油测定器的支管分岔处应与基准线平行)。
测定法甲法:本法适用于测定相对密度在1.0以下的挥发油。
取供试品适量(约相当于含挥发油0.5~1.0ml),称定重量(准确至0.01g), 置烧瓶中,加水300~500ml(或适量)与玻璃珠数粒,振摇混合后,连接挥发油测定器与回流冷凝管。
自冷凝管上端加水使充满挥发油测定器的刻度部分,并溢流入烧瓶时为止。
置电热套中或用其他适宜方法缓缓加热至沸,并保持微沸约5小时,至测定器中油量不再增加,停止加热,放置片刻,开启测定器下端的活塞,将水缓缓放出,至油层上端到达刻度0线上面5mm处为止。
放置1小时以上,再开启活塞使油层下降至其上端恰与刻度0线平齐,读取挥发油量,并计算供试品中含挥发油的百分数。
紫苏为常用的辛温解表药,具有解表散寒、行气和胃等功效,用于风寒感冒,咳嗽呕恶,妊娠呕吐,鱼蟹中毒等症。
其药源为一年生草本唇形科植物皱紫苏Perilla frutescens(L.) Britt 的干燥叶、茎、果[1]。
传统认为紫苏以湖北为道地产区[2]。
本实验采用湖北产紫苏,以水蒸气蒸馏法提取其有效成分挥发油,并利用气-质联用技术对其化学成分进行分析,通过计算机检索与标准图谱对照鉴定化合物,用归一法确定各化合物在挥发油中的相对含量,为进一步对紫苏挥发油进行成分分析提供科学依据。
1 材料与方法1.1 材料与仪器紫苏全草购自湖北省药材公司,经本院生药教研室鉴定为赤紫苏[Perilla frutescens(L.)Britt]。
HP5890气相色谱HP5972质谱联用仪。
挥发油的含量测定实验报实验流程下载提示:该文档是本店铺精心编制而成的,希望大家下载后,能够帮助大家解决实际问题。
文档下载后可定制修改,请根据实际需要进行调整和使用,谢谢!本店铺为大家提供各种类型的实用资料,如教育随笔、日记赏析、句子摘抄、古诗大全、经典美文、话题作文、工作总结、词语解析、文案摘录、其他资料等等,想了解不同资料格式和写法,敬请关注!Download tips: This document is carefully compiled by this editor. I hope that after you download it, it can help you solve practical problems. The document can be customized and modified after downloading, please adjust and use it according to actual needs, thank you! In addition, this shop provides you with various types of practical materials, such as educational essays, diary appreciation, sentence excerpts, ancient poems, classic articles, topic composition, work summary, word parsing, copy excerpts, other materials and so on, want to know different data formats and writing methods, please pay attention!第一部分:引言。
1.1 研究背景。
挥发油是指在常温下具有挥发性的有机化合物。
挥发油的测定方法标准化管理处编码[BBX968T-XBB8968-NNJ668-MM9N]附录Ⅹ D 挥发油测定法测定用的供试品,除另有规定外,须粉碎使能通过二号至三号筛,并混合均匀。
仪器装置如图。
A为1000ml(或500ml、2000ml)的硬质圆底烧瓶,上接挥发油测定器B,B的上端连接回流冷凝管C。
以上各部均用玻璃磨口连接。
测定器B应具有0.1ml 的刻度。
全部仪器应充分洗净,并检查接合部分是否严密,以防挥发油逸出。
测定法甲法本法适用于测定相对密度在1.0以下的挥发油。
取供试品适量(约相当于含挥发油0.5~1.0ml),称定重量(准确至0.01g),置烧瓶中,加水300~500ml (或适量)与玻璃珠数粒,振摇混合后,连接挥发油测定器与回流冷凝管。
自冷凝管上端加水使充满挥发油测定器的刻度部分,并溢流入烧瓶时为止。
置电热套中或用其他适宜方法缓缓加热至沸,并保持微沸约5小时,至测定器中油量不再增加,停止加热,放置片刻,开启测定器下端的活塞,将水缓缓放出,至油层上端到达刻度0线上面5mm处为止。
放置1小时以上,再开启活塞使油层下降至其上端恰与刻度。
线平齐,读取挥发油量,并计算供试品中挥发油的含量(%)。
乙法本法适用于测定相对密度在1.0以上的挥发油。
取水约300ml与玻璃珠数粒,置烧瓶中,连接挥发油测定器。
自测定器上端加水使充满刻度部分,并溢流入烧瓶时为止,再用移液管加入二甲苯1ml,然后连接回流冷凝管。
将挠瓶内容物加热至沸腾,并继续蒸馏,其速度以保持冷凝管的中部呈冷却状态为度,30分钟后,停止加热,放置15分钟以上,读取二甲苯的容积,然后照甲法自“取供试品适量”起,依法测定,自油层量中减去二甲苯量,即为挥发油量,再计算供试品中挥发油的含量(%)。
注:装置中挥发油测定器的支管分岔处应与基准线平行。
挥发油测定法标准操作规程
1 目的
建立挥发油测定法标准操作规程,确保正确操作。
2 范围
适用本公司挥发油测定法标准操作规程。
3 责任
质量管理部
4 内容
4.1 引用标准
《中华人民共和国药典》(2015年版)四部
4.2概述
测定用的供试品,除另有规定外粉粹使能通过二号至三号筛,并混合均匀。
4.3 仪器与用具
1000ml的硬质圆底烧瓶、0.1ml的挥发油测定器、冷凝管、电热套。
4.4测定法
4.4.1 甲法
本法适用于测定相对密度在 1.0以下的挥发油。
取供试品适量(相当于含挥发油0.5~1.0ml),称定重量(准确至0.01g),置烧瓶中,加水300~500ml(或适量)与玻璃珠数粒,振摇混合后,连接挥发油测定器与回流冷凝管。
自冷凝管上端加水使充满挥发油测定器的刻度部分,并溢流入烧瓶时为止。
置电热套中或用其他适宜方法缓缓加
编码: SW10-04-017-00 挥发油测定法标准操作规程第2页共2页
热至沸,并保持微沸约5小时,至测定器中油量不再增加,停止加热,放置片刻,开启测定器下端的活塞,将水缓缓放出,至油层上端到达刻度0线上面5mm处为止。
放置1小时以上,再开启活塞使油层下降至其上端恰与刻度0线平齐,读取挥发油量,并计算供试品中挥发油的含量(%)。
4.4.2乙法
本法适用于测定相对密度在1.0以上的挥发油。
取水约300ml与玻璃珠数粒,置烧瓶中,连接挥发油测定器。
自测定器上端加水使充满刻度部分,并溢流入烧瓶时为止,再用移液管加入二甲苯1ml,然后连接回流冷凝管。
将烧瓶内容物加热至沸腾,并继续蒸馏,其速度以保持冷凝管的中部呈冷却状态为度。
30分钟后,停止加热,放置15分钟以上,读取二甲苯的容积。
然后照甲法“取供试品适量”起,依法测定,自油层量中减去二甲苯量,即为挥发油量,再计算供试品中挥发油的含量(%)。
4.5 注意事项
4.5.1 装置中挥发油测定器的支管分岔处应与基准线平行。
————————————————。