出车车辆检查表--
- 格式:xls
- 大小:11.00 KB
- 文档页数:1
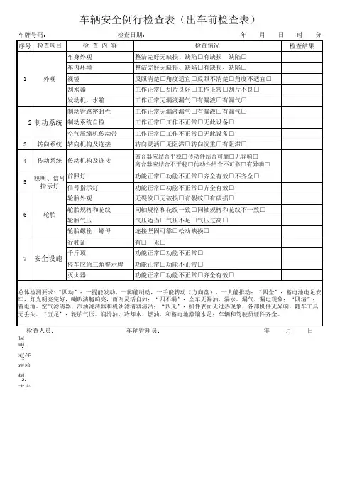
车辆日常安全检查实用表及出车单1 / 1 出车单用车单位用车事由搭车人数出发地用车时间驾驶员年月申请人日时目的地分至月日经理同意时分止灵活车辆平时安全检查表序检查项目检查内容检查整改措施号结果方案履行人达成时间1驾驶员精神和体力能否饱满。
????2驾驶行车证件驾驶证、行车证件等能否齐备有效。
????3安全带能否完满有效。
????1.能否吻合规定及行车车型要求;4运输内容2.载客能否超出审定载客人数;????3.载货能否超出审定载货量,包装坚固否。
1.方向盘自由度、紧度能否适合;5转向 2. 转向拉杆球头空隙能否适合,有????无松动。
1.刹车板踏度能否适合,制动距离6制动系能否达到安全规定要求;????2.手刹车能否靠谱有效。
1.轮胎磨损不超限,没有特其他耗7轮胎损及损害,气压适合,备胎完满;????2.螺母无松动、丢掉。
减震正常。
1.离合器吻合能否正常;变速器及8传动系分动器换档时,齿轮啮合灵巧;????2.传动系统运行时无异响。
1.运行声音有无异样,怠速稳固,9发动机机油压力正常;????2.点火系、燃料系、润滑系、冷却系应齐备,性能优秀。
10电路、油路1.点灭能否正常,有无漏电现象。
????2.油路能否通畅,有无漏油现象。
11喇叭、雨刮器能否正常。
???? 12车门锁开、锁能否正常。
????13后视镜、车灯、能否反照清楚、工作正常、号码清????车牌照晰。
14仪表显示能否正常。
????15千斤顶、灭火器、齐备有效。
????泊车三角警告牌注: 1. 司机在填写出车单经同意后,检查车辆安全性能能否靠谱,发现问题立刻办理,不得带病出车。
2.每次检查内容只好扩大范围不可以减小。
检查后实时填写此表。
综合主管检查履行状况。
驾驶员安全出车检查表
每周一次检查:
1、检查发动机机油油面和清洁度。
2、检查制动液液面。
3、检查发动机冷却液液面。
4、检查挡风玻璃洗涤液液面。
每月一次检查:
1、检查水泵、发电机驱动皮带。
2、检查方向盘。
3、检查蓄电池电解液液面。
4、检查制动。
5、检查轮胎气压及磨损。
6、检查加速踏板是否运动滑快。
行车检查(低速行驶):
1、检查速度表和水温表。
2、查方向盘转动力,并检查汽车是否跑偏。
3、检查前轮是否侧滑或摆动。
4、检查制动效能是否正常或车辆制动时是否跑偏。
其他检查项目:
1、注意:发现异常及时排除。
车有下列情况必须进行修理:
1、发动机熄火、工作不稳或有敲击声。
2、发动机有杂音。
3、明显的功率下降。
4、排气声音有变化。
5、制动效能降低,制动踏板或离合器踏板“软”,踏板低几乎碰地板,制动跑偏。
6、发动机温度比正常温度高。
7、在水平路面上直线行使车辆跑偏。
8、轮胎磨损不均匀。
填写说明:
一、本表由司机在每次出车前、途中、收车后填写。
二、符合标准的项目用“√”表示,不符合标准的项目用“×”表示并将原因在备注栏内简要填写。
三、技术标准:
1、车体清洁-是指在通常情况下保持车辆外部和驾驶室清洁;
2 、随车物资-随车证件和物资齐备;
3、灯光齐全-车辆各部位灯光都能发亮,特别是交通信号灯;
4 、雨刮器 -能正常工作;
5、消防设施 -灭火器齐全保持有效性和未过期;
6 、连接紧固-车辆连接部位或构件紧固牢靠;
7、三 清-发动机、蓄电池、虑芯器清洁和正常保养;
8 、四不 漏-指不漏油(润滑油和燃油)、(水冷却水)、气(制动压缩空气)和电(电源线短路);
9、轮 胎-气压正常和安全性能可靠;
10、机 油-机油量应在标尺两个刻度线中间;
11 、冷却水 -不缺;
12、电池水 -侧面观察应在蓄电池外壳标线之间 ;
13 、转向系统-灵活无发卡和间隙过大;
14、刹车系统-刹车鼓无漏油漏气制动效果良好;
15 、传动系统-无漏油无紧固螺丝松动;
16、底 盘-无零部件脱落;
17 、安全设施-反光片、三角牌、三角灯、危险品牌和导静电带齐备。
出车前仔细检查行车时有备无患范本出车前仔细检查,是车辆驾驶员在行车前必须要做的一项重要工作。
一个仔细的检查能够确保车辆的安全性,减少潜在问题的出现,为行车提供无患的保障。
下面是一个出车前仔细检查的范本,包括车辆外观、车辆内部设施、燃油和润滑剂、轮胎以及其他一些常见的检查项目。
一、车辆外观检查:1. 车身外观:检查车身是否有划痕、凹陷等明显损坏。
2. 车窗玻璃:检查车窗玻璃是否完整,有无破损或裂纹。
3. 车灯和灯光:检查前后大灯、雾灯、远近光、转向灯等灯光是否正常工作。
4. 雨刷器:检查雨刷器是否完好、是否能够正常工作。
5. 车牌号码:确认车牌号码是否清晰可辨,与车辆登记信息一致。
二、车辆内部设施检查:1. 座椅和安全带:检查座椅和安全带是否完好,能够正常使用。
2. 方向盘和操纵杆:检查方向盘和操纵杆是否灵活、无卡顿。
3. 空调和暖风:开启空调和暖风,检查空调和暖风系统是否正常工作。
4. 车辆仪表板:检查仪表板上的指示灯是否正常,如发动机故障灯、油量、水温、电池电压等。
5. 音响和娱乐系统:检查音响和娱乐系统是否正常工作,包括收音机、CD播放器等。
三、燃油和润滑剂检查:1. 燃油:检查燃油是否充足,确认燃油是否无泄漏现象。
2. 发动机机油:检查发动机机油的液面是否在正常范围内,机油是否需要补充。
3. 刹车液:检查刹车液的液面是否在正常范围内。
4. 冷却液:检查冷却液的液面是否在正常范围内。
四、轮胎检查:1. 轮胎气压:检查轮胎气压是否适合行车,包括备胎在内。
2. 轮胎磨损:检查轮胎的磨损程度,确认是否需要更换。
3. 轮胎是否有异物:检查轮胎是否有异物,如钉子、石子等。
五、其他检查项目:1. 车钥匙:确认携带车钥匙,并检查车钥匙是否正常使用。
2. 卫生清洁:清理车内的杂物,保持车辆卫生。
3. 防抱死刹车系统(ABS):检查ABS系统是否正常工作,确认制动是否灵敏。
4. 驾驶镜和后视镜:调整驾驶镜和后视镜,保证视野清晰。