居住用地用水量指标估算_以宁波市中心城区为例
- 格式:pdf
- 大小:1.64 MB
- 文档页数:5
浅谈居住用地规划用水量指标1 确定地均用水量指标的意义城市规划中,常采用综合指标法和不同性质用地用水量指标计算用水量。
综合指标法是根据城市单位人口和单位建设用地综合用水量指标预测城市用水量,该方法适用于一般性质的城市,即城市中居住用地、公共服务设施用地、工业用地等比例协调,城市各功能相对成熟。
但是对于特殊城市(如经济特区、纯旅游城市、水资源紧缺城市、工业城市等)或城市的某个功能片区,采用综合指标法进行用水量预测时,预测结果与实际值会存在较大偏差。
在这一条件下,常采用不同性质用地用水量指标法进行预测。
目前,不同性质用地用水量指标取值依据《城市给水工程规划规范》,该规范中,不同性质用地用水量指标是通用性指标,而我国幅员辽阔,城市众多,由于城市性质、规模、地理位置、经济发达程度、居民生活习惯等因素影响,各城市的用水量指标差异很大。
且近年来节水技术的大力发展,导致根据《城市给水工程规划规范》中不同性质用地用水量指标预测的用水量结果偏大,如叶晓东1通过对宁波市中心城区进行相关数据调研分析,宁波市中心城区居住小区平均日用水量为0.47万m3(km2·d),中小学平均日用水量为0.3万m3(km2·d)。
因此,居住用地用水量指标规范取值偏大对给水工程规划、设计和管理工作中,自来水厂、增压泵站建设规模和自来水管管径等的确定,造成了极大的困扰,因此,本文以南京市江宁区的实际情况为例,对居住用地用水指标的取值进行讨论,该值的确定对南京市江宁区城市规划中用水量预测具有一定的指导意义。
2 不同规范中用水量指标分析目前,我国对于居住用水量指标主要依据《室外给水设计规范》(GB50013-2006)等三部规范,其中,用水量指标可分为居民生活用水指标、居住用地用水指标和综合生活用水指标三类,根据三类用水指标用水范围的规范界定,供水范围次序应为:综合生活用水> 居住用地用水> 居民生活用水。
其中,居民生活用水指标取值范围为120-270L/(人.d),按《南京市江宁区城乡总体规划》(2010-2030)2中确定均居住用地达34.7m2/人推算,折合成地均用水指标为0.35-0.78万m3/(km2.d)。
宁波市水资源综合规划文本宁波市水利局二OO五年十二月宁波市水资源综合规划文本宁波市水利局二OO五年十二月目录一总则 (1)第一条编制目的 (1)第二条规划依据 (1)第三条规划指导思想与原则 (1)第四条规划任务 (1)第五条规划范围 (2)第六条规划标准与期限 (2)第七条法律地位 (2)二水资源调查评价 (2)第八条水资源利用分区 (2)第九条降水与蒸发 (3)第十条地表水资源(径流量) (4)第十一条地下水资源 (5)第十二条水资源总量 (6)第十三条水资源质量 (7)第十四条水资源可利用量 (7)第十五条水资源开发现状 (7)三水资源需求 (8)第十六条社会经济指标 (8)第十七条需水预测 (9)四水资源节约 (14)第十八条总体目标 (14)第十九条规划指标 (15)第二十条节水措施 (16)五水资源保护 (17)第二十一条水功能区划 (17)第二十二条污染物总量控制 (18)第二十三条保护措施与对策 (18)六水资源开发 (19)第二十四条规划水源工程 (19)第二十五条境外引水工程 (20)七水资源平衡分析 (20)第二十六条现状工况下供需平衡成果 (20)第二十七条规划工况(本地)下供需平衡成果 (23)第二十八条规划工况(境外引水)下供需平衡成果 (26)八水资源配置 (28)第二十九条宁波市区配置 (28)第三十条各县(市)水资源配置 (30)第三十一条特殊干旱期应急对策 (34)九总体布局与实施方案 (34)第三十二条节水实施方案与布局 (34)第三十三条水资源保护实施方案与布局 (35)第三十四条水源工程实施方案与布局 (35)第三十五条农民饮用水工程实施方案 (36)第三十六条非工程措施方案 (37)十建议 (37)第三十七条有关建议 (37)附图1:宁波市水资源利用分区与行政分区图附图2:宁波市雨量站分布图附图3:宁波市1956~2000年降水等值线图附图4:宁波市多年平均蒸发量等值线图附图5:宁波市1956~2000年径流深等值线图附图6:宁波市地表水功能区划及2020年水质目标图附图7:宁波市规划水源工程布置图附图8:宁波市中心城区2010年水源配置图附图9:宁波市中心城区2020年水源配置图一总则第一条编制目的为贯彻落实国家新时期的治水方针,合理开发利用和科学配置水资源,加强水资源的科学管理,提高水的利用效率,促进水资源的可持续利用,保障宁波市经济社会可持续发展,根据国家发展和改革委员会、水利部关于开展全国水资源综合规划编制工作的部署和要求,进行宁波市水资源综合规划编制。
宁波市水利局关于印发宁波市中心城区中高层住宅二次供水管理指导意见的通知文章属性•【制定机关】宁波市水利局•【公布日期】2019.12.26•【字号】甬水资〔2019〕9号•【施行日期】2020.02.01•【效力等级】地方规范性文件•【时效性】现行有效•【主题分类】水利正文宁波市水利局关于印发宁波市中心城区中高层住宅二次供水管理指导意见的通知甬水资〔2019〕9号各区县(市)供水行业主管部门:为规范本市中心城区中高层居民住宅二次供水管理,保障饮用水安全,根据《城市供水条例》(国务院令第158号)、《宁波市城市供水和节约用水管理条例》、《关于理顺中心城区中高层住宅二次供水管理体制的实施意见》等规定,结合本市实际,我局制定了《宁波市中心城区中高层住宅二次供水管理指导意见》(以下简称《指导意见》),现将该《指导意见》印发,望参照《指导意见》进一步做好我市二次供水管理工作。
宁波市水利局2019年12月26日宁波市中心城区中高层住宅二次供水管理指导意见为规范本市中心城区中高层居民住宅二次供水管理,保障饮用水安全,根据《城市供水条例》(国务院令第158号)、《宁波市城市供水和节约用水管理条例》、《关于理顺中心城区中高层住宅二次供水管理体制的实施意见》等规定,结合本市实际,提出如下指导意见。
一、总则(一)本意见所称中高层住宅二次供水(以下简称“二次供水”),是指对水压要求超过城市供水规划服务压力,通过将市政管网供应的自来水储存、加压后再供给中高层住宅居民用水户的供水方式。
本意见所称二次供水设施,是指从市政供水管道取水点阀门位置至住宅用户计量水表前的供水管道、阀门、泵房设施、水箱、储水池、电气和自控设备、仪器仪表等。
本意见所称二次供水运行维护管理单位(以下简称“运维单位”),是指负责二次供水设施日常运行、维护、更新等工作的单位。
(二)市水利局负责本市行政区域内二次供水的监督管理,属地供水行政主管部门按照职责做好辖区内二次供水设施的具体监督管理工作。
宁波市城乡规划管理技术规定第一章总则第一条为了加强本市城乡建设规划管理,保障城乡规划的实施,根据《中华人民共和国城乡规划法》、《浙江省城乡规划条例》、《宁波市城乡规划条例》和其他有关法律、法规,结合本市实际,制定本规定。
第二条本规定适用于宁波市城市规划区。
第三条编制详细规划应当符合本规定的要求。
各类建设工程的设计、建设和管理应当按照批准的详细规划、专项规划和本规定执行。
第二章用地管理第一节城市建设用地第四条结合本市用地实际,对《城市用地分类与规划建设用地标准》(GB50137-2011)作局部优化。
在居住用地中增加其他居住用地(Rr),包括服务式公寓用地(Rra)、职工宿舍用地(Rrc)和老年居住用地(Rrd)。
工业用地中增加工业研发用地。
取消旅馆用地(B14)中的服务型公寓。
具体见表一。
表一调整用地类别第五条当一个地块中某类使用性质的计容建筑面积占计容总建筑面积比例超过90%时,该地块被视为单一性质的用地;混合用地是指一个地块有两类或两类以上使用性质的建筑,且每类使用性质的计容建筑面积占计容总建筑面积比例均超过10%(含)的用地。
工业、仓储用地除外。
混合用地中的用地比例一般按计容建筑面积的比例进行拆分计算;其中,计容总建筑面积应扣除有明确要求的配套设施面积。
当涉及无建筑的用地之间混合时,按用地面积的比例进行拆分计算。
第六条功能用途互利、环境要求相似且相互间没有不利影响的用地,可混合设置。
环境要求相斥的用地之间禁止混合。
鼓励城市各级中心区、公共活动中心区、客运交通枢纽地区、轨道站点周边地区、重要滨水区、历史文化街区及历史风貌区内的用地混合。
用地之间的混合引导参见附件二《用地混合引导表》。
采用“+”连接用地代码表示。
第七条为提高城市土地利用效率和集约节约利用水平,鼓励土地的综合开发利用。
鼓励利用城市轨道交通设施上部空间进行综合开发。
在满足运行安全和系统布局的前提下,鼓励交通场站设施、市政公用设施结合商业、商务等非居住用地综合设置;鼓励变电站、泵站、垃圾压缩转运站、消防站等设施集中设置,共建共享内部通道及相应管理设施。
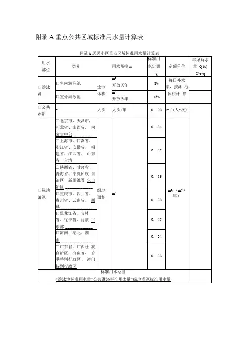
附录A重点公共区域标准用水量计算表
附录B应安装计量器具的公共场所举例
附录C居民小区节水评价报告模板
居民小区节水评价报告
(年度)
申报时间
居民小区名称
物业单位名称(盖章)
报告书填写注意事项
一、格式规范,字迹清楚整齐。
二、情况具体、真实,数据计算准确。
三、另附材料用纸应与报告书规格相同
二、评价情况
指标过程与小结:
1.人均居民生活用水量(L/人•天)=[居民家庭年用水总量(m3)/(居民总人数XloOoX365)] XIoo%
2.居民户表率(%)=[(已安装且正常计量的居民家庭户表数量(个)/居民家庭应安装户表总数
(个)]×100%
3.居民节水意识占比(%)=[有节水意识的居民人数(人)/调查居民总人数(人)]X100%
4.重点公共区域节水指数=小区重点公共区域年实际用水总量(m3)/小区重点公共区域年标准用水总量(m3)
5.小区公共用水计量器具配备率(%)=(实际设置的公共用水计量器具总数量/应安装的公共用水计量器具总数量)Xl00%
四、评价结果及评价人员
五、审核意见
评价单位审核意见:
(盖
章)
年月日。
二、用水量预测2.1 用水指标用水指标的确定主要依据河南省部分大中小城市地人口、用地、用水指标统计,国标《城市给水工程规划规范》(GB50282-98)及建设部原国家经委主持编制的《工业用水量定额》的有关规定。
用水量预测的方法有好几种。
工业企业用水结合该区的用地规划和水源情况,本设计考虑采用单位建设用地面积法和人口与建设用地综合用水量指标法来预测工业园区的用水量。
在单位用地面积法中,不同性质用地的用水量指标也不相同,应根据用地规划中的用地分类来分别确定用水指标。
公共设施用水一般用定额法来预测。
通常对城市各类公共设施历年和现状用水单耗进行统计,并参照有关公建用水标准,确定规划期该城市的公共设施用水标准,从而算出公共设施用水量。
在总体规划阶段,公共设施用水分类只能分到大类,进行概略计算。
一般城市公建用地的用水量标准在0.5~1.532/()km d ∙万m 。
例如行政办公用地、商贸金融用地、体育文化用地等可考虑0.5~1.032/()km d ∙万m 的指标;服务业、教育、医疗等用地为1.0~1.532/()km d ∙万m 。
总体规划时,难以精确确定工业种类和产品生产情况,无法按单位产品的生产用水指标精确计算,再者由于市场经济情况下工业项目的性质、生产管理、项目期限都有不确定性,所以可采用工业用地单位面积用水指标来预测工业用水量。
因为城市性质、工业种类、生产力水平的差别,工业用地用水指标也因地而异。
表2-1-3是河南省1992年面积用水指标统计。
可以看出,最大日工业用地面积比流量在0.6~1.332/()km d ∙万m 。
按工业用地类型分,在规划时可以采用如下指标:一类工业用地321.20~2.00/km 万m ,二类工业用地322.00~3.50/km 万m ,三类工业用地32/km 3.00 5.00万m 。
城市人口和建设用地综合用水指标 表2-1-1注:①A 为单位人口综合用水量指标[3/()m d ∙人]B 为单位建设用地综合用水量指标[3/()m d ∙人]②沿海开放区城市综合用水量指标可根据实际情况酌情增加 ③特大城市指市区和近郊区非农业人口100万以上的城市 大城市指市区和近郊区非农业人口50万以上不满100万的城市 中等城市指市区和近郊区非农业人口20万以上不满50万的城市 小城市指市区和近郊区非农业人口不满20万的城市④一区包括:上海、江苏、浙江、安徽南部、福建、台湾、江西、河南南部、湖北、湖南、广东、香港、澳门、海南、广西、四川、贵州、云南、陕西南部⑤用水人口为城市总体规划确定的规划人口数(下同)。
第二部分宁波市城市绿地构建分析1宁波市概述1.1宁波市基本概况1.1.1自然地理概况宁波,简称甬,位于中国大陆海岸线中段,经济发达的长江三角洲南翼(东经120。
55’至122。
16’,北纬28051’至3o。
33’)。
东有舟山群岛为天然屏障,北濒杭州湾,西接绍兴市的嵊县、新昌、上虞,南临三门湾,并与台洲的三门、天台相接。
全市辖象山、宁海两个县,余姚、慈溪、奉化三个县级市。
市区设海曙、江图1宁波市区位图东、江北、鄞州、镇海、北仑六个区。
全市总面9365平方公里,总人口530万。
(图1)全市地貌基本分布为中部平原区,西南部岗岭区和东部沿海区3大部分。
市域内遍布丘陵山地,构成复杂多变的山地景观。
大多维持良好的植被状况,生物物种资源丰富多样。
境内东、南、西三面群山环绕,四明山、达蓬山绵延西北,尽于杭州湾,太白山迤俪南部、东南部海岸线曲折绵长,是我国著名的四大国际深水中转枢纽港之一。
宁波城市地处余姚江、奉化江、甬江三江交汇的河网平原,奉化江自南而来,姚江自西至,在城市中心“三江口”汇合而成甬江,东流至镇海招宝山人海。
市区河网水渠纵横密布,主要有市区东侧的鄞东南河网,市区西侧的鄞西河网区,市区北面的江北河网区,以及北仑大图2宁波市区地图11第三产业804.33亿元,三次产业比重分别为5.7%、57.o%和37.3%,产业结构逐步趋于优化。
市区居民人均可支配收入15882元,城乡居民生活水平和质量继续提高。
良好的经济条件为创造良好的城市环境提供了坚强的经济保障。
近几年来,宁波市还加大了对城市基础设施建设的投入,城市建设步伐明显加快。
中心城市初步形成了快速便捷的交通骨架,市域范围内基本实现了“一小城市空间结构进一步完善,中心城市一一副中心城市一一中心镇~般镇多层时交通区”的目标。
中心城区规模不断扩大,建成区面积扩大到155多平方公里。
次的城市体系初步形成。
全市城市化水平已超过55%,城市化水平和城市化质量同步提高。
科研创新用地在实际操作中的困境与对策 ——以宁波国家高新区为例林倩,张凌,郑铄摘要:在大众创新万众创业热潮下,如何确保新产业、新业态发展用地,营造适宜的空间形态成为当前规 划国土等相关部门在促进经济发展方式转变和结构优化的新常态时期的职责所在。
基于“规划与土地”的 视角,本文通过明晰与梳理科研创新用地的内涵特征、发展现状、未来趋势,指出未来功能布局的混合多 元态势。
面临此类挑战,本文针对惯用的混合用地这类应对措施所带来的困惑,探讨高新区未来适合新产 业新业态发展的切实可行的空间发展策略及与之相适应的土地运营方式,提出扩大用地兼容性、以单一用 地简化部门操作、完善业态管控与灵活的用地管控措施、提升园区自持比重等具体措施,为未来国家高新 区乃至整个宁波市在科研创新用地上的规划编制与管理提出具体的策略与建议。
关键词:科研创新用地,混合用地,宁波国家高新区1.引言当前新常态下,新产业、新业态成为转变经济发展方式和推动产业结构迈向中高端的 关键,也是当前城市竞争的高地。
相应的,确保新产业、新业态发展用地,营造适宜的空间 形态, 促进经济发展方式转变和结构优化成为当前规划国土等相关部门在大众创新万众创业 热潮中的职责所在。
宁波国家高新区作为宁波市建设创新型城市的核心载体,近年来随着以其为核心创立 的新材料科技城建设的推进,高新区更是未来宁波的创新驱动先行区、新兴产业引领区、高 端人才集聚区1。
站在创新转型的关键期,高新区的发展需要更多地从原先的关注物质空间 建设转向创新平台的营造,需要对维系园区核心的创新服务平台及其运营进行深层次的探 索。
因此,本文以宁波国家高新区为研究重点,围绕科研创新用地,基于“规划与土地”的 视角,针对园区当前土地开发方式上存在的突出矛盾,尤其是刚批复的《新材料科技城城市 总体规划》 中提出提出的混合用地给编制与管理所带来的困惑, 探讨高新区未来适合新产业 新业态发展的切实可行的空间发展策略及与之相适应的土地运营方式, 为下一步国家高新区1资料来源:宁波国家高新区概述 /doc/zjgxq/yqjs/jbgs/index.shtml乃至整个宁波市在科研创新用地上的规划编制与管理提出具体的策略与建议。
第一章总则第一条为加强我市城市建设的规划管理,保证城市规划的实施,根据《中华人民共和国城市规划法》、《宁波市城市总体规划》、《宁波市城市规划管理条例》以及其他有关规定,制定本规定.本规定适用于宁波市城市规划区。
各县(市)及建制镇可结合各地实际参照执行。
第二章城市用地第三条根据中华人民共和国《城市用地分类与规划建设用地标准》(GBJ137-90),城市建设用地分类包括居住用地、公共设施用地、工业用地、仓储用地、对外交通用地、道路广场用地、市政公用设施用地、绿化用地和特殊用地等九大类,不包括水域和其他用地(详见附件一)。
第四条在计算城市建设用地标准时,人口计算范围必须与用地计算范围相一致。
第五条各类建设用地的划分,应遵循土地使用相容性的原则。
在已经批准的详细规划地段内进行建设的,应按批准的详细规划执行;确需在未经批准的详细规划地段内进行建设的,应根据城市总体规划、分区规划和《各类建设用地适建范围表》(见附件二)的规定执行。
第六条凡附件二中未列入的建设项目,应由城市规划管理部门根据对周围环境的影响和基础设施条件,具体核定适建范围。
凡需改变规划用地性质并超出附件二规定范整申请,按规定程序,报城市规划行政主管部门批准后执行,重大调整须报市人民政府批准围的,应先提出调。
第三章建筑容量第七条新建、扩建建筑工程项目的建筑密度、建筑容积率、建筑高度以及建筑性质、应根据批准的详细规划确定;尚未编制详细规划的,应按表一规定的内容确定。
第八条在满足自身的规划要求下,能为社会公众提供广场、绿地、通道、停车场等公共使用空间,又符合消防、卫生、交通、空域等有关规定的,可在原详细规划或控制指标的基础上酌情增加建筑面积,并按表二的规定换算。
但增加的建筑面积总计不得超过原核定建筑面积的百分之十五。
第九条对未列入表一的体育场馆、幼托等设施,其建筑容量控制指标应按有专业规定执行,但不应超过表一中居住建筑的控制指标。
注:1、有关指标在规定的幅度内由城市规划行政主管部门综合考虑有关规定及实际情况后确定,原则上较高的容积率适用较低的建筑密度。
城市最高日用水的预测从多年的规划实践看,现行《城市给水工程规划规范》GB50282-98D 的多数指标大大高于实际需求,规划中只可参考,不能盲目照搬。
随着节水工作的深入,节能减排意识的提高,我国城市用水量指标正在逐年下降,最终也必将达到饱和。
这也符合发达国家的发展经验,人均综合用水量普遍表现为从上升为下降,最后趋于稳定。
针对上述问题,提出单位人口综合用水量指标及单位建设用地综合用水量指标建议值,如下表结合项目实例:上顿渡和西城区控规,人口5万,建设用地369.19公顷。
用地统计表如下表格:1.人均综合指标法。
人均综合用水指标取0.65万m³/(万人·d),最高日用水量0.65x5=3.25万m³/d。
2.单位用地指标法(包括综合和分类两种)。
(1)单位用地指标法(综合)单位建设用地综合用水指标取0.60万m³/(km³·d),最高日用水量0.60x3.69=2.21万m³/d。
综合上述预测结果,规划区内最高日用水量取3.25万m³/d。
3.分类加和法此法可用于总体规划,又可用于详细规划。
常见的分类是综合生活用水(居民生活用水和公共建筑用水)、工业企业用水、市政用水、消防用水、未预见及管网漏失用水。
不同地方分类不同。
工业企业用水计算中,须具有如下数据:工业万元产值用水量(1995年大约是200m³/万元,一般逐年减小)和工业总产值和工业用水量重复利用率(不同工业,利用率在30-98%不等)。
由于未收集到相关的数据,所以本次并未采取分类加和法预测用水量。
二、用水量预测2.1 用水指标用水指标的确定主要依据河南省部分大中小城市地人口、用地、用水指标统计,国标《城市给水工程规划规范》(GB50282-98)及建设部原国家经委主持编制的《工业用水量定额》的有关规定。
用水量预测的方法有好几种。
工业企业用水结合该区的用地规划和水源情况,本设计考虑采用单位建设用地面积法和人口与建设用地综合用水量指标法来预测工业园区的用水量。
在单位用地面积法中,不同性质用地的用水量指标也不相同,应根据用地规划中的用地分类来分别确定用水指标。
公共设施用水一般用定额法来预测。
通常对城市各类公共设施历年和现状用水单耗进行统计,并参照有关公建用水标准,确定规划期该城市的公共设施用水标准,从而算出公共设施用水量。
在总体规划阶段,公共设施用水分类只能分到大类,进行概略计算。
一般城市公建用地的用水量标准在0.5~1.532/()km d ∙万m 。
例如行政办公用地、商贸金融用地、体育文化用地等可考虑0.5~1.032/()km d ∙万m 的指标;服务业、教育、医疗等用地为1.0~1.532/()km d ∙万m 。
总体规划时,难以精确确定工业种类和产品生产情况,无法按单位产品的生产用水指标精确计算,再者由于市场经济情况下工业项目的性质、生产管理、项目期限都有不确定性,所以可采用工业用地单位面积用水指标来预测工业用水量。
因为城市性质、工业种类、生产力水平的差别,工业用地用水指标也因地而异。
表2-1-3是河南省1992年面积用水指标统计。
可以看出,最大日工业用地面积比流量在0.6~1.332/()km d ∙万m 。
按工业用地类型分,在规划时可以采用如下指标:一类工业用地321.20~2.00/km 万m ,二类工业用地322.00~3.50/km 万m ,三类工业用地32/km 3.00 5.00万m 。
城市人口和建设用地综合用水指标 表2-1-1注:①A 为单位人口综合用水量指标[3/()m d ∙人]B 为单位建设用地综合用水量指标[3/()m d ∙人]②沿海开放区城市综合用水量指标可根据实际情况酌情增加 ③特大城市指市区和近郊区非农业人口100万以上的城市 大城市指市区和近郊区非农业人口50万以上不满100万的城市 中等城市指市区和近郊区非农业人口20万以上不满50万的城市 小城市指市区和近郊区非农业人口不满20万的城市④一区包括:上海、江苏、浙江、安徽南部、福建、台湾、江西、河南南部、湖北、湖南、广东、香港、澳门、海南、广西、四川、贵州、云南、陕西南部⑤用水人口为城市总体规划确定的规划人口数(下同)。
关于推进资源节约集约利用的几点思考——以宁波市鄞州区为例作者:褚爱国曹仁国来源:《浙江国土资源》 2015年第10期宁波市国土资源局鄞州分局褚爱国曹仁国节约集约用地制度是我国土地管理制度中的一项基础性制度,是保障和促进经济社会科学发展的战略举措。
近年来,随着新型工业化、城市化、城镇化的快速推进,各地正处于投入的增长期、建设的高峰期、转型的关键期,保障与发展、保护与开发、管理与使用等一系列问题日益突出。
以土地利用结构调整促进产业结构调整、以节约集约用地促进经济发展方式转变,最大限度发挥土地资源的经济效益、社会效益和环境效益,是土地利用管理亟待研究的重大课题之一。
现以宁波市鄞州区为例对资源节约集约利用做一些探索。
一、宁波市鄞州区节约集约用地的基本情况近年来,宁波市鄞州区围绕优化土地布局空间、挖掘存量土地潜力、提高土地利用效率,多措并举提高土地集约利用水平,走上了一条循环利用有力度、立体开发有深度、地上建筑有高度的新常态下国土资源综合利用的新路子。
2011年获评首届全国国土资源节约集约模范区。
目前,全区工业用地亩均投资强度达到450万元以上、亩均税收达到40万元以上。
(一)从“散”到“聚”,优化土地布局空间坚持按照“功能分区、集中布局、集约利用”原则,积极推进中心城区城市开发、“美丽镇村·幸福家同”建设,通过集约开发、集聚发展进一步优化全区土地布局空间。
1 原拆原建,打造都市功能区块摒弃原来粗放“摊大饼”式的城市发展理念,坚持原地改造、就地提升,通过对城镇建成区城中村、旧厂房、旧市场的整体拆迁、原地改建,集中建设现代都市功能区块,打造城市核心。
一是“城中村”改建核心商业区块。
通过对中心城区核心区块钟公庙街道、中河街道等城中村的拆迁改造,建成了万达广场、联盛广场、印象城等一批高端商业综合体,构建了现代化的城市核心商圈,成为宁波市商业副中心。
二是“旧厂房”改建休闲娱乐区块。
通过对原长丰工业区块等旧厂房的拆迁改造,建成“舟宿夜江”等一批娱乐休闲综合体项目,成功打造为兼具商务、休闲、旅游等功能的长丰滨江休闲区块,成为宁波市新兴的休闲娱乐胜地。
工业用地用水量指标分析――以宁波市中心城区为例叶晓东摘要:对宁波中心城区现状工业用地用水量数据进行分析,采用二次平均法对用水量水平进行了计算。
在分析宁波市工业用水发展前景后,提出了宁波中心城区单位工业用地用水量指标的建议值。
关键词:给水规划 工业用地 用水量指标 二次平均 宁波从各种需水量预测方法及预测结果的特点来分析,由于能够预测需水量在空间上的分布,以分类用地用水量指标和土地利用信息为基础的单位建设用地用水量指标法是决定城市供水规划是否科学合理的关键,直接影响到城市水源、水厂及管网的布局甚至城市污水规划等各项内容,因此,作为城市三大类用地的工业用地的用水量指标的重要性不言而喻。
从现行的工业用水量指标来分析,除单位工业用地用水量指标外分别为万元产值新水量和单位产品用水量定额。
万元产值新水量这是一项综合性的考核指标,它主要从宏观上评价企业及城市的工业用水水平;单位产品用水量定额指是一系列针对于不同行业工业企业用水量控制指标,主要作为工业企业用水定额管理的指导。
由于在规划阶段,除能获取较为详细的工业用地规模外,对于工业企业的工艺流程、生产规模及技术先进水平等相关基础数据无从读取,只能依据单位工业用地用水量指标来测算工业用地的用水量。
综上所述,单位工业用地用水量指标对于保证城市供水系统的合理性和安全性有着极其重要的意义。
对于指标,《城市给水工程规划规范》(GB50282-98)做了相应的规定,见表1。
表1 单位工业用地用水量指标[1] 单位:吨/(公顷·日)用地代号用地名称用水量指标M1 一类工业用地120~200M2 二类工业用地200~350M3 三类工业用地300~500 注:本表指标包括了工业用地中职工生活用水及管网漏失水量。
工业用水量指标与不同地区不同时期不同的工业类型、产业结构、工业技术水平和节水水平紧密相关,另外,“规范”编制于1998年,用水量指标能否代表现阶段的工业用地用水量指标需进一步探讨。