注塑机锁模力计算公式
- 格式:docx
- 大小:66.46 KB
- 文档页数:4
F:锁模力TON Am:模腔投影面积CM2Pv:充填压力KG/CM2(一般塑胶材料充填压力在150-350KG/CM2)(流动性良好取较底值,流动不良取较高值)充填压力/射出压力例:模腔投影面积270CM2 充填压力220KG/CM2锁模力=270*220/1000=外形分有:立式的,卧式的,(这两种最常见)按注塑量分有:超小型注塑机,小型注塑机,中型注塑机,大型注塑机,超大型注塑机。
也就是注塑量从几毫克到几十千克不等。
按合模力分有:几吨到几千吨不等怎样选择合适的注塑机1、选对型: 由产品及塑料决定机种及系列。
由于注塑机有非常多的种类,因此一开始要先正确判断此产品应由哪一种注塑机,或是哪一个系列来生产,例如是一般热塑性塑胶或电木原料或PET原料等,是单色、双色、多色、夹层或混色等。
此外,某些产品需要高稳定(闭回路)、高精密、超高射速、高射压或快速生产(多回路)等条件,也必须选择合适的系列来生产。
2、放得下:由模具尺寸判定机台的“大柱内距”、“模厚”、“模具最小尺寸”及“模盘尺寸”是否适当,以确认模具是否放得下。
模具的宽度及高度需小于或至少有一边小于大柱内距;模具的宽度及高度最好在模盘尺寸范围内;模具的厚度需介于注塑机的模厚之间;模具的宽度及高度需符合该注塑机建议的最小模具尺寸,太小也不行。
3、拿得出:由模具及成品判定“开模行程”及“托模行程”是否足以让成品取出。
开模行程至少需大于成品在开关模方向的高度的两倍以上,且需含竖浇道(sprue)的长度;托模行程需足够将成品顶出。
4、锁得住:由产品及塑料决定“锁模力”吨数。
当原料以高压注入模穴内时会产生一个撑模的力量,因此注塑机的锁模单元必须提供足够的“锁模力”使模具不至于被撑开。
锁模力需求的计算如下:由成品外观尺寸求出成品在开关模方向的投影面积;撑模力量=成品在开关模方向的投影面积(cm2)×模穴数×模内压力(kg/cm2); 模内压力随原料而不同, 一般原料取350~400kg/cm2; 机器锁模力需大于撑模力量,且为了保险起见,机器锁模力通常需大于撑模力量的倍以上。
abs注塑模具产品锁模力的计算公式注塑模具是一种用于生产塑料制品的模具,它在塑料注塑过程中起到了关键作用。
在注塑过程中,模具的锁模力是一个重要指标,它决定了模具能否正常运行和生产出合格的产品。
因此,准确计算注塑模具产品的锁模力对于模具设计和生产非常重要。
abs注塑模具产品的锁模力计算公式如下:锁模力 = 产品面积× 注塑压力其中,产品面积是指产品所占据的模具射出面积,通常以平方毫米(mm²)为单位进行计算;注塑压力是指注塑过程中对塑料材料施加的压力,通常以兆帕(MPa)为单位进行计算。
注塑模具产品的锁模力计算公式可以帮助我们准确计算出所需的锁模力,从而指导模具设计和生产过程。
下面将详细介绍锁模力计算公式的每个部分。
产品面积是计算锁模力的关键参数之一。
在计算产品面积时,需要考虑产品的形状、尺寸和结构。
一般来说,产品面积可以通过测量产品的尺寸并计算出来。
在实际应用中,可以使用CAD软件进行绘图和计算,以获得更准确的产品面积。
注塑压力是计算锁模力的另一个重要参数。
注塑压力是指在注塑过程中对塑料材料施加的压力。
注塑压力的大小受到多个因素的影响,包括塑料材料的特性、产品的尺寸和结构等。
在实际应用中,可以通过注塑机的参数设置和调整来控制注塑压力的大小。
通过将产品面积和注塑压力代入锁模力计算公式,就可以得到abs 注塑模具产品的锁模力。
锁模力的大小对于模具的设计和生产非常重要。
如果锁模力过小,可能会导致模具无法正常工作或产品质量不合格;如果锁模力过大,不仅会增加模具的成本和复杂度,还可能导致模具损坏或使用寿命缩短。
因此,在设计和生产过程中,需要根据实际情况合理计算和控制锁模力。
总结一下,abs注塑模具产品锁模力的计算公式为锁模力 = 产品面积× 注塑压力。
通过准确计算锁模力,可以指导模具设计和生产过程,确保模具的正常运行和产品的质量。
同时,需要注意合理控制锁模力的大小,避免锁模力过小或过大带来的问题。
注塑机锁模力的计算公式
锁模力是注塑机的重要参数,锁模力即为注塑机施加于模具的夹紧力。
锁模力与注射量一样,在一定程度上反映了机器加工制品的能力的大小,经常用来作为表示机器规格的大小的主要参数。
根据注塑制品在模板上的垂直投影面积,计算锁模力P:
锁模力=锁模力常数X制品的投影面积
即P=kp*S
P-锁模力(T)
Kp-锁模力常数(t/cm2)
S-制品在模板的垂直投影面积(cm2)
S=产品的长L*宽B*穴数N
Kp值列于下表中常用塑料名称Kp
举例说明:
设某一制品在垂直方向上的投影面积为410cm2,制品材料为PE,计算需要的锁模力。
由以上公式计算如下式:
P=Kp*S=0.32X410=131.2(吨) 可选择150T成型机
需要注意的是:锁模力不足,制品生产飞边或不能成型,而如果锁模力过大于,造成系统资源的浪费,并且会使液压系统元件在高压下长时间工作,可能过早老化,机械结构过快磨损。
.锁模力计算的三种方法概述锁模力又称合模力,是指注射机的合模装置对模具所施加的最大夹紧力,当熔体充满型腔时,注射压力在型腔内所产生的作用力总是力图使模具沿分型面胀开,为此,注射机的锁模力必须大于型腔内熔体压力与塑料制品及浇注及浇注系统在分型面上的投影面积之和的乘积。
公式:锁模力≥模力压力X 制品、流道、浇口在分型面上的投影面积之和。
需要注意的是:锁模力不足,制品产生飞边或不能成型,而如果锁模力过大,造成系统资源的浪费,并且会使液压系统元件在高压下长时间工作,可能过早老化,机械结构过快磨损。
第一部分:锁模力计算的经验计算经验公式一:核心思路——通过锁模力常数来计算锁模力计算公式:锁模力=锁模力常数×制品的投影面积S —制品在模板上);—锁模力常数(t/cm—锁模力(T);Kp即P=KpS 式中P 2的投影面积(cm)2锁模常数Kp表:(注射较精密制品时参考值)经验公式二:核心思路——通过估计模腔压力来计算锁模力221000 即:)乘以产品的投影面积(kg/(350cmcm)除以...注:除以1000 是将KG 转为吨第二部分:锁模力精准计算可以通过准确的计算公式或通过Moldflow 模流分析,来精确确定成型所需的锁模力。
3.1 精确公式计算:计算锁模力有两个重要因素:(1)投影面积(2)模腔压力(1)投影面积(S)是沿着模具开合所观看得到的最大面积(2)模腔压力(P)的确定模腔压力由以下因素所影响:(1)浇口的数目和位置(2)浇口的尺寸(3)制品的壁厚(4)使用塑料的粘度特性(5)注射速度3.1.1 热塑性塑料流动特性的分组及粘度等级(流动能力)粘度等级常数(K)...第四组ABS AAS/ASA SAN MBS PPS PPO-M BDS POM×1.45~1.55第五组PMMA PC/ABS PC/PBT×1.55~1.70第六组PC PES PSU PEI PEEK UPVC×1.70~1.903.1.2 模腔压力决定于壁厚、流程与壁厚的比例及粘度等级常数(K)模腔基本压力(P0)决定于壁厚、流程与壁厚的比例(如图)。
查看文章注塑基本计算公式2010-02-08 08:341.锁模力 F(TON) F=Am*Pv/1000F:锁模力 TON Am:模腔投影面积 CM2 Pv:充填压力 KG/CM2(一般塑胶材料充填压力在150-350KG/CM2)(流动性良好取较底值,流动不良取较高值)充填压力/0.4-0.6=射出压力例:模腔投影面积 270CM2 充填压力 220KG/CM2 锁模力=270*220/1000=59.4TON2.射出压力 Pi KG/CM2 Pi=P*A/AoPi: 射出压力 P:泵浦压力 A:射出油缸有效面积Ao:螺杆截面积A= π*D2/4 D:直径π:圆周率 3.14159例1:已知泵浦压力求射出压力?泵浦压力=75 KG/CM2 射出油缸有效面积=150CM2螺杆截面积=15.9CM2(∮45)Pi=75*150/15.9=707 KG/CM2例2:已知射出压力求泵浦压力?所需射出压力=900 KG/CM2 射出油缸有效面积=150CM2 螺杆截面积=15.9CM2(∮45)泵浦压力P= Pi*Ao/A=900*15.9/150=95.4 KG/CM23.射出容积 V CM3 V= π*Do2/4*STV:射出容积 CM3 π:圆周率 Do:螺杆直径 CMST:射出行程 CM例:螺杆直径 42mm 射出行程 165mmV= π*4.2*4.2/4*16.5=228.6CM34.射出重量 G Vw=V*η*δVw:射出重量 G V:射出容积η:比重δ:机械效率例:射出容积=228.6 CM3 机械效率=0.85 比重=0.92 射出重量 Vw=228.6*0.85*0.92=178.7G5.射出速度 S CM/SEC S=Q/AS:射出速度 CM/SEC Qr:泵浦吐出量(每回转/CC)CC/REVA:射出油缸有效面积 CM2 Q=Qr*RPM/60 (每分钟/L)Q:泵浦吐出量 RPM:马达回转数/每分钟例:马达转速 1000RPM 泵浦吐出量85 CC/REV射出油缸有效面积 140 CM2S=85*1000/60/140=10.1 CM/SEC6.射出率 Sv G/SEC Sv=S*AoSv:射出率G/SEC S:射出速度CM/SEC Ao:螺杆截面积例:射出速度=10CM/SEC 螺杆直径∮42面积=3.14159*4.2*4.2/4=13.85CM2Sv=13.85*10=138.5G/SEC。
人们常谈到注塑机的锁模力.但常常顾及一而忘却整体.这里有必婆大家J'解下锁模力相关的一些知识C 先简单介绍一下锁模力的计算方法。
锁模力常有四种方法计算:方法1:经验公式1锁模力(T)二锁模力常数Kp*产品投影面积S (CM*CM)Kp经验值:PS/PE/PP ・ 0・ 32;ABS - 0・30、0・48;PA - 0. 6・广0・ 72;P0M - 0・64、0・72;加玻纤・0・64、0・72:其它工程塑料-0. 64^0.8;例如:一制品投影面积为410CM2材料为PE,讣算锁模力。
由上述公式计算所得:P=Kp*S=0. 32*410=131. 2 (T),应选150T机床。
方法2:经验公式2350bar*S(cm*2)/1000.如上题,350*^110/1000=143. 5T,选择150T 机床。
以上两种方法为粗调的讣算方法.以下为比较精确的计算方法1000方法3:计算锁模力有两个重要因素:1.投影而积2.模腔斥•力1.投影曲积(S)是沿若模具开合所观看得到的最大面积C2、模腔压力的决定(P)模腔压力由以下因素所影响(1)浇口的数目和位宜(2)浇口的尺寸(3)制品的壁厚(4)使用塑料的粘度持性(5)射胶速度3・1热塑性塑料流动特性的分组第一组GPPS HIPS TPS PE-LD PE-LLD PE-'ID PE-HD PP-H PP-CO PP-EPDM第二组PA6 PA66 PA11/12 PBT PETP第三组CA CAB CAP CP EVA PEEL PUR/TPU PPVC第四组ABS AAS/ASA SAN MBS PPS PPO-M BDS POM第五组PMMA PC/ABS PC/PBT第六组PC PES PSU PEI PEEK UPVC3. 2粘度等级以上各组的塑料都有一个粘度(流动能力)等级。
每组塑料的相对粘度等级如下: 组别倍增常数<K)第一组X1.0第二组XI. 3-1. 35第三组XI. 35〜1.45第四组XI. 45-1. 55第五组XI. 55-1. 70第六组XI. 70-1. 901000 3. 3模腔压力决定于壁厚.流程与壁犀的比例査表得PO-P=PO-K (倍増常数)UiBl力的il »公亢tQfft h F TOX- PMi^Pv 1000壁厚(毫米)3・4锁模力的确定(F)F二p・S=PO・K・S例如零件:聚碳酸屬(PC)灯座锁模力的il•算一个圆形PC塑料的灯座,它的外径是220mm.壁厚范嗣是1. 9-2. 1mm•并有针型的中心浇口设汁。
锁模力的计算公式锁模力 F(TON) F=Am*Pv/1000F:锁模力 TON Am:模腔投影面积 CM2Pv:充填压力 KG/CM2(一般塑胶材料充填压力在150-350KG/CM2)(流动性良好取较底值,流动不良取较高值)充填压力/0。
4-0.6=射出压力例:模腔投影面积 270CM2 充填压力 220KG/CM2锁模力=270*220/1000=59。
4TON外形分有:立式的,卧式的,(这两种最常见)按注塑量分有:超小型注塑机,小型注塑机,中型注塑机,大型注塑机,超大型注塑机。
也就是注塑量从几毫克到几十千克不等. 按合模力分有:几吨到几千吨不等怎样选择合适的注塑机 1、选对型: 由产品及塑料决定机种及系列。
由于注塑机有非常多的种类,因此一开始要先正确判断此产品应由哪一种注塑机,或是哪一个系列来生产,例如是一般热塑性塑胶或电木原料或PET原料等,是单色、双色、多色、夹层或混色等。
此外,某些产品需要高稳定(闭回路)、高精密、超高射速、高射压或快速生产(多回路)等条件,也必须选择合适的系列来生产。
2、放得下 :由模具尺寸判定机台的“大柱内距”、“模厚”、“模具最小尺寸"及“模盘尺寸”是否适当,以确认模具是否放得下。
模具的宽度及高度需小于或至少有一边小于大柱内距;模具的宽度及高度最好在模盘尺寸范围内;模具的厚度需介于注塑机的模厚之间;模具的宽度及高度需符合该注塑机建议的最小模具尺寸,太小也不行。
3、拿得出:由模具及成品判定“开模行程”及“托模行程”是否足以让成品取出。
开模行程至少需大于成品在开关模方向的高度的两倍以上,且需含竖浇道(sprue)的长度; 托模行程需足够将成品顶出。
4、锁得住:由产品及塑料决定“锁模力”吨数。
当原料以高压注入模穴内时会产生一个撑模的力量,因此注塑机的锁模单元必须提供足够的“锁模力”使模具不至于被撑开。
锁模力需求的计算如下: 由成品外观尺寸求出成品在开关模方向的投影面积;撑模力量=成品在开关模方向的投影面积(cm2)×模穴数×模内压力(kg/cm2);模内压力随原料而不同,一般原料取350~400kg/cm2;机器锁模力需大于撑模力量,且为了保险起见,机器锁模力通常需大于撑模力量的1。
注塑机在生产过程中,原料会以一种高压的态势被快速地注入模具中,从而产生一种猛烈的涨开力,这种力有可能会冲开合模限制,导致生产终止,而这时就需要另一种力量对其进行压制,那就是锁模力。
锁模力的大小依据不同模具的质量形态而定,锁模力过大或过小都会对生产造成影响,因此如何设定最为合适的锁模力,是需要一套较为完善的公式来进行计算的,这样的计算会使得每一种模具都得到较为精确的锁模力。
锁模力的计算公式锁模力的计算一般运用这样一个公式:撑模力量=成品在开关模方向的投影面积(cm)×模穴数×模内压力(kg/cm)。
这种计算得出了的其实只是一个估算值,按照这个公式计算出所需的锁模力后,还需在实际的生产中进行检验调试。
锁模力常用方法计算:方法1:经验公式1锁模力(T)=锁模力常数Kp*产品投影面积S(CM*CM)Kp经验值:PS/PE/PP - 0.32;ABS - 0.30~0.48;PA - 0.64~0.72;POM - 0.64~0.72;加玻纤- 0.64~0.72;其它工程塑料- 0.64~0.8;例如:一制品投影面积为410CM^2,材料为PE,计算锁模力。
由上述公式计算所得:P=Kp*S=0.32*410=131.2(T),应选150T机床。
方法2:经验公式2350bar*S(cm^2)/1000.如上题,350*410/1000=143.5T,选择150T机床。
以上两种方法为粗调的计算方法,以下为比较精确的计算方法方法3:计算锁模力有两个重要因素:1.投影面积2.模腔压力1、投影面积(S)是沿着模具开合所观看得到的最大面积。
2、模腔压力的决定(P)模腔压力由以下因素所影响(1)浇口的数目和位置(2)浇口的尺寸(3)制品的壁厚(4)使用塑料的粘度特性(5)射胶速度。
1.锁模力 F(TON)公式:F=Am*Pv/1000F:锁模力:TON Am:模腔投影面积:CM2Pv:充填压力:KG/CM2(一般塑胶材料充填压力在150-350KG/CM2)(流动性良好取较底值,流动不良取较高值)射出压力=充填压力/0.4-0.6例:模腔投影面积 270CM2 充填压力 220KG/CM2锁模力=270*220/1000=59.4TON2.射出压力 Pi(KG/CM2)公式:Pi=P*A/Ao即:射出压力=泵浦压力*射出油缸有效面积÷螺杆截面积Pi: 射出压力 P:泵浦压力 A:射出油缸有效面积Ao:螺杆截面积A=π*D2/4 D:直径π:圆周率3.14159例1:已知泵浦压力求射出压力?泵浦压力=75KG/CM2 射出油缸有效面积=150CM2螺杆截面积=15.9CM2(∮45mm)公式:2〒R2即:3.1415*(45mm÷2)2=1589.5mm2Pi=75*150/15.9=707 KG/CM2例2:已知射出压力求泵浦压力?所需射出压力=900KG/CM2 射出油缸有效面积=150CM2螺杆截面积=15.9CM2(∮45)泵浦压力P= Pi*Ao/A=900*15.9/150=95.4 KG/CM23.射出容积 V(CM3)公式:V= π*(1/2Do)2*ST即:射出容积=3.1415*半径2*射出行程V:射出容积 CM3 π:圆周率 3.1415 Do:螺杆直径 CMST:射出行程 CM例:螺杆直径 42mm 射出行程 165mmV= π*(4.2÷2)2*16.5=228.6CM34.射出重量 Vw(g)公式:Vw=V*η*δ即:射出重量=射出容积*比重*机械效率Vw:射出重量 g V:射出容积η:比重δ:机械效率例:射出容积=228.6CM3 机械效率=0.85 比重=0.92射出重量Vw=228.6*0.85*0.92=178.7G5.射出速度 S(CM/SEC)公式:S=Q/A即:射出速度=泵浦吐出量÷射出油缸有效面积S:射出速度 CM/SECA:射出油缸有效面积 CM2Q:泵浦吐出量 CC/REV公式:Q=Qr*RPM/60 (每分钟/L)即:泵浦吐出量=泵浦每转吐出量*马达回转数/每分钟Qr:泵浦每转吐出量(每回转/CC)RPM:马达回转数/每分钟例:马达转速 1000RPM/每分钟泵浦每转吐出量85 CC/RPM射出油缸有效面积 140 CM2S=85*1000/60/140=10.1 CM/SEC6.射出率 Sv(G/SEC)公式:Sv=S*Ao即:射出率=射出速度*螺杆截面积Sv:射出率G/SEC S:射出速度CM/SEC Ao:螺杆截面积例:射出速度=10CM/SEC 螺杆直径∮42面积=3.14159*4.2*4.2/4=13.85CM2Sv=13.85*10=138.5G/SEC。
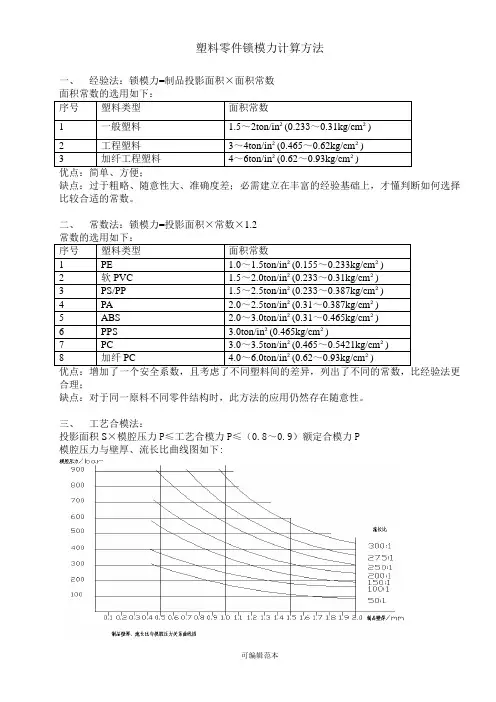
塑料零件锁模力计算方法一、经验法:锁模力=制品投影面积×面积常数序号塑料类型面积常数1 一般塑料 1.5~2ton/in²(0.233~0.31kg/cm²)2 工程塑料3~4ton/in²(0.465~0.62kg/cm²)3 加纤工程塑料4~6ton/in²(0.62~0.93kg/cm²)缺点:过于粗略、随意性大、准确度差;必需建立在丰富的经验基础上,才懂判断如何选择比较合适的常数。
二、常数法:锁模力=投影面积×常数×1.2序号塑料类型面积常数1 PE 1.0~1.5ton/in²(0.155~0.233kg/cm²)2 软PVC 1.5~2.0ton/in²(0.233~0.31kg/cm²)3 PS/PP 1.5~2.5ton/in²(0.233~0.387kg/cm²)4 PA 2.0~2.5ton/in²(0.31~0.387kg/cm²)5 ABS 2.0~3.0ton/in²(0.31~0.465kg/cm²)6 PPS 3.0ton/in²(0.465kg/cm²)7 PC 3.0~3.5ton/in²(0.465~0.5421kg/cm²)8 加纤PC 4.0~6.0ton/in²(0.62~0.93kg/cm²)合理;缺点:对于同一原料不同零件结构时,此方法的应用仍然存在随意性。
三、工艺合模法:投影面积S×模腔压力P≤工艺合模力P≤(0.8~0.9)额定合模力P模腔压力与壁厚、流长比曲线图如下:优点:该方法也增加了一个安全系数,按照制品类别区分,考虑了零件结构的复杂因素;缺点:没有考虑不同塑料之间的差异,应用的准确性也不高。
注塑机在生产过程中,原料会以一种高压的态势被快速地注入模具中,从而产生一种猛烈的涨开力,这种力有可能会冲开合模限制,导致生产终止,而这时就需要另一种力量对其进行压制,那就是锁模力。
锁模力的大小依据不同模具的质量形态而定,锁模力过大或过小都会对生产造成影响,因此如何设定最为合适的锁模力,是需要一套较为完善的公式来进行计算的,这样的计算会使得每一种模具都得到较为精确的锁模力。
锁模力的计算公式
锁模力的计算一般运用这样一个公式:撑模力量=成品在开关模方向的投影面积(cm)×模穴数×模内压力(kg/cm)。
这种计算得出了的其实只是一个估算值,按照这个公式计算出所需的锁模力后,还需在实际的生产中进行检验调试。
如何根据锁模力选择合适的注塑机
市面上大部分的注塑机都是依照锁模力吨数来设定级别的,这个吨数多数为整数。
很显然这样的设置是为了便于生产商在计算锁模力后,更直观准确地选择合适的注塑机。
除此之外注塑模具的尺寸以及制品的高度,也是需要在选择注塑机时纳入考虑范围的。
总体来说注塑模具与注塑机的配型要满足放得下、拿得出、锁得住、射得饱、射得好、射得快这几个条件。
“放得下”是要求模具与注塑机在尺寸上能够匹配;“拿得出”是指在生产中模具的开模和脱模行程是否能满足拿得出成品的条件;“锁得住”也就是注塑机能否给予模具需要并且合适的锁模力;而“射得饱”、“射得好”、“射得快”则是对注塑机注射系统的统一要求,它的运作既是独立的,又与其他系统的工作状态紧密相连。
锁模力的计算是为了让生产达到更精准的作业标准,它的正确使用可以减少器具的磨损和维护正常的生产,因此掌握锁模力的计算和确定方法极为重要。
1.锁模力 F(TON)公式:F=Am*Pv/1000F:锁模力:TON Am:模腔投影面积:CM2Pv:充填压力:KG/CM2(一般塑胶材料充填压力在150-350KG/CM2)(流动性良好取较底值,流动不良取较高值)射出压力=充填压力/0.4-0.6例:模腔投影面积 270CM2 充填压力 220KG/CM2锁模力=270*220/1000=59.4TON2.射出压力 Pi(KG/CM2)公式:Pi=P*A/Ao即:射出压力=泵浦压力*射出油缸有效面积÷螺杆截面积Pi: 射出压力 P:泵浦压力 A:射出油缸有效面积Ao:螺杆截面积A=π*D2/4 D:直径π:圆周率3.14159例1:已知泵浦压力求射出压力?泵浦压力=75KG/CM2 射出油缸有效面积=150CM2螺杆截面积=15.9CM2(∮45mm)公式:2〒R2即:3.1415*(45mm÷2)2=1589.5mm2Pi=75*150/15.9=707 KG/CM2例2:已知射出压力求泵浦压力?所需射出压力=900KG/CM2 射出油缸有效面积=150CM2螺杆截面积=15.9CM2(∮45)泵浦压力P= Pi*Ao/A=900*15.9/150=95.4 KG/CM23.射出容积 V(CM3)公式:V= π*(1/2Do)2*ST即:射出容积=3.1415*半径2*射出行程V:射出容积CM3 π:圆周率 3.1415 Do:螺杆直径 CMST:射出行程 CM例:螺杆直径 42mm 射出行程 165mmV= π*(4.2÷2)2*16.5=228.6CM34.射出重量 Vw(g) 公式:Vw=V*η*δ即:射出重量=射出容积*比重*机械效率Vw:射出重量 g V:射出容积η:比重δ:机械效率例:射出容积=228.6CM3 机械效率=0.85 比重=0.92射出重量Vw=228.6*0.85*0.92=178.7G5.射出速度 S(CM/SEC)公式:S=Q/A即:射出速度=泵浦吐出量÷射出油缸有效面积S:射出速度 CM/SECA:射出油缸有效面积 CM2Q:泵浦吐出量 CC/REV公式:Q=Qr*RPM/60 (每分钟/L)即:泵浦吐出量=泵浦每转吐出量*马达回转数/每分钟Qr:泵浦每转吐出量(每回转/CC)RPM:马达回转数/每分钟例:马达转速 1000RPM/每分钟泵浦每转吐出量85 CC/RPM射出油缸有效面积 140 CM2S=85*1000/60/140=10.1 CM/SEC6.射出率 Sv(G/SEC)公式:Sv=S*Ao即:射出率=射出速度*螺杆截面积Sv:射出率G/SEC S:射出速度CM/SEC Ao:螺杆截面积例:射出速度=10CM/SEC 螺杆直径∮42面积=3.14159*4.2*4.2/4=13.85CM2Sv=13.85*10=138.5G/SEC一.理论出容积:(π/4=0.785)(1)螺杆直径²*0.785*射出行程=理论射出容积(cm³);(2)理论射出容积/0.785/螺杆直径=射出行程(cm).二.射出重量:理论射出容积*塑料比重*射出常数(0.95)理想=射出重量(gr);三.射出压力:(1)射出缸面积²/螺杆面积²*系统最大压力(140kg/cm²)²=射出压力(kg/cm²);(2)射出缸直径²/螺杆直径²*系统最大压力(140kg/cm²)=射出压力(kg/cm²);(3)料管组合最大射出压力*实际使用压力(kg/cm²)/系统最大压力(140kg/cm²)=射出压力(kg/cm²).四.射出速率:(1)螺杆面积(cm²)*射出速度(cm/sec)=射出速率(cm³/sec);(2)螺杆直径(cm²)*0.785*射出速度(cm/sec)=射出速度(cm³/sec).五.射出速度:(1)射出速率(cm³/sec)/螺杆面积(cm²)=射出速度(cm/sec);(2)泵浦单转容积(cc/rev)*马达转速(rev/sec)/60(秒)/射出面积(cm²)=射出速度(cm/sec).(马达转速RPM:60HZ------1150,50HZ-----958)六.射出缸面积;(1)射出压力(kg/cm²)/系统最大压力(140kg/cm²)*料管面积(cm²)=射出缸面积(cm²);(2)单缸---(射缸直径²-柱塞直径²)*0.785=射出缸面积(cm²);双缸---(射缸直径²-柱塞直径²)*0.785*2=射出缸面积(cm²).七.泵浦单转容积:射出缸面积(cm²)*射出速度(cm/sec)*60秒/马达转速=泵浦单转容积(cc/sec).(马达转速RPM: 60HZ------1150,50HZ-----958)八.螺杆转速及油压马达单转容积:(1)泵浦单转容积(cc/rec)*马达转速(RPM)/油压马达单转容积=螺杆转速;(2)泵浦单转容积(cc/rec)*马达转速(RPM)/螺杆转速=油压马达单转容积.九.射出总压力:(1)系统最大压力(kg/cm²)*射出缸面积(cm²)=射出总压力(kg);(2)射出压力(kg/cm²)*螺杆面积(cm²)=射出总压力(kg).十.盎司及相关单位换算:(1)1盎司(oz)=28.375公克(gr);(2)1磅(ib)=16盎司(oz);(3)1公斤(kg)=2.2磅(ib);即:1斤=1.1磅;(4)1磅(ib)=454公克(gr)=0.454公斤(kg).十一.关模力:(1)曲手式:关模缸面积(cm²)*系统最大压力(140kg/cm²)/1000*曲手放大率(20-50)=关模力(Ton)(2)单缸直压式:关模缸面积(cm²)*系统最大压力(140kg/cm²)/1000=关模力(Ton)十二.道柱直径和关模力的公式:道柱直径²(cm²)*0.785*杨氏系数(scm4约1000kg/cm²)*4=关模力概值(Ton).十三.成品排列投影面积和关模力关系公式:成品排列投影面积(寸²)*标准厚度(1.5mm)/成品平均厚度(mm)*使用原料常数/PS原料常数(1)=关模力(Ton);(1)成品排列投影面影以射入浇口为圆心,长边为半径计算出直径;排列直径²(寸²)*0.785=成品排列投影面积(寸²).(2)使用原料常数,以概略经验值计算,以流动性良劣比PS好的列为1以下;比PS不好的列为1以上.如:ABS 1.05; AS 1.2; PMMA 1.3; PC 1.6; PBT 0.9;PP 0.7; PE 0.7-0.8;塑胶钢 0.8; NILON 0.7-0.9¨¨¨等.各种原料亦分不同等级,宜多了解只付参与.(3)和射出从向的成品部份之要求,如杯子的高度部份大约以投影面积的30%计算即可. 十四.托模力:托模缸面积(cm²)*系统最大压力(140kg/cm²)/1000=托模力(Ton)十五.电力单位:1马力(HP)=0.754千瓦(KW);1千瓦(KW)=1.326马力(HP)=1000瓦(W);1千瓦(KW)=1度电计量单位(1KW/Hr).十六.泵浦大小和马力关系:P=最大使用压力(如:125kg/cm².140kg/cm²);Q=油泵浦一分钟吐出量(L/min);Q=油泵浦单转容积(cc/rec)*马达转速(RPM)/1000=油泵浦一分钟吐出量(L/min).适用马力:P*Q/540=HP;P*Q/612=KW.所配合马达可达不降速的最高压力(LP):HP*450/Q=LP;KW*612/Q=LP.十七.计算使用电力:(马达容量+电热容量+烘干机容量)*用电常数(约40%)=实际每小时用电量(度,KW/Hr).第三载A:什么是注塑机的射出能力?射出能力=射出压力(kg/cm2)×射出容积(cm3)/1000B:什么是注塑机的射出马力?射出马力PW(KW)=射出压力(kg/cm2)×射出率(cm3/sec)×9.8×100%C:什么是注塑机的射出率?射出率V(cc/sec)=π/4×d2×γd2::料管直径γ:料的密度D:什么是注塑机的射胶推力?射胶推力F(kgf)=π/4(D12-D22)×P×2D 1:油缸内径 D2:活塞杆外径 P:系统压力E:什么是注塑机的射胶压力?射胶压力P(kg/cm2)=[π/4×(D12-D22)×P×2]/(π/4×d2)F:什么是注塑机的塑化能力?塑化能力W(g/sec)=2.5×(d/2.54)2×(h/2.54)×N×S×1000/3600/2h=螺杆前端牙深(cm) S=原料密度G:什么是系统压力?与注塑压力有什么区别?系统压力(kg/cm2)=油压回路中设定最高的工作压力H:射出速度?H:速度=距离/时间第四载1.锁模力F(TON)公式:F=Am*Pv/1000即:锁模力=模腔投影面积*充填压力÷1000 F:锁模力TON Am:模腔投影面积CM2Pv:充填压力KG/CM2(一般塑胶材料充填压力在150-350KG/CM2)(流动性良好取较底值,流动不良取较高值)充填压力/0.4-0.6=射出压力例:模腔投影面积270CM2 充填压力220KG/CM2锁模力=270*220/1000=59.4TON2.射出压力Pi(KG/CM2)公式:Pi=P*A/Ao即:射出压力=泵浦压力*射出油缸有效面积÷螺杆截面积Pi: 射出压力P:泵浦压力A:射出油缸有效面积Ao:螺杆截面积A= π*D2/4 D:直径π:圆周率3.14159例1:已知泵浦压力求射出压力?泵浦压力=75 KG/CM2 射出油缸有效面积=150CM2螺杆截面积=15.9CM2(∮45)Pi=75*150/15.9=707 KG/CM2例2:已知射出压力求泵浦压力?所需射出压力=900 KG/CM2 射出油缸有效面积=150CM2螺杆截面积=15.9CM2(∮45)泵浦压力P= Pi*Ao/A=900*15.9/150=95.4 KG/CM23.射出容积V(CM3)公式:V= π*Do2/4*ST即:射出容积=螺杆截面积*射出行程V:射出容积CM3 π:圆周率Do:螺杆直径CMST:射出行程CM例:螺杆直径42mm 射出行程165mmV= π*4.2*4.2/4*16.5=228.6CM34.射出重量G公式:Vw=V*η*δ即:射出重量=射出容积*比重*机械效率Vw:射出重量G V:射出容积η:比重δ:机械效率例:射出容积=228.6 CM3 机械效率=0.85 比重=0.92射出重量Vw=228.6*0.85*0.92=178.7G5.射出速度S(CM/SEC)公式:S=Q/A即:射出速度=泵浦吐出量÷射出油缸有效面积S:射出速度CM/SEC Qr:泵浦吐出量(每回转/CC)CC/REVA:射出油缸有效面积CM2 Q=Qr*RPM/60 (每分钟/L)Q:泵浦吐出量RPM:马达回转数/每分钟例:马达转速1000RPM 泵浦吐出量85 CC/REV射出油缸有效面积140 CM2S=85*1000/60/140=10.1 CM/SEC6.射出率Sv(G/SEC)公式:Sv=S*Ao即:射出率=射出速度*螺杆截面积Sv:射出率G/SEC S:射出速度CM/SEC Ao:螺杆截面积例:射出速度=10CM/SEC 螺杆直径∮42螺杆截面积=3.14159*4.2*4.2/4=13.85CM27.圆的计算圆的面积S=πR2(R为圆半径)圆的周长=2πR(R为圆半径)或πH(H为直径)。
塑料零件锁模力计算方法一、经验法:锁模力=制品投影面积×面积常数缺点:过于粗略、随意性大、准确度差;必需建立在丰富的经验基础上,才懂判断如何选择比较合适的常数。
二、常数法:锁模力=投影面积×常数×1.2合理;缺点:对于同一原料不同零件结构时,此方法的应用仍然存在随意性。
三、工艺合模法:投影面积S×模腔压力P≤工艺合模力P≤(0.8~0.9)额定合模力P模腔压力与壁厚、流长比曲线图如下:优点:该方法也增加了一个安全系数,按照制品类别区分,考虑了零件结构的复杂因素;缺点:没有考虑不同塑料之间的差异,应用的准确性也不高。
四、考虑塑料黏度的锁模力计算方法:锁模力=投影面积×模腔压力×黏度系数K÷安全系数K1此方法既考虑了材料间的差异,又考虑了不同制品结构复杂程度的差异,同时考虑了模具设计这一因素。
应该说是比较科学、准确的。
以上各种方法中,各常数的选择、设定,都是建立在大理实际案例所收集的数据基础之上。
但实际应用中,当事人不一定具备如此广泛的理论与实践经验,因此计算中出现误差是在所难免的。
总之,实际应用时,必须考虑以下几点:材料、模具结构、模具浇口形式、零件结构、工艺条件(包括模温、料温等)。
以上只是一些确定锁模力的方法,在实际选择注塑机时,还应考虑如注射量、容模量等其它条件。
例一:零件描述:圆柱体,中间多片薄片;零件直径:10 cm;高度=80mm壁厚=0.8mm原料:普通PP;扇形浇口;一模四腔;总重量180克;尺寸如图1所示。
1)、投影面积计算:S=零件主体面积(3.14×5²×4)+流道面积(21+24+6×2+9×2)×0.8=314+60=374 cm²2)、流长比计算:L/B=(120+30)/8+80/0.8=18.75+100=118.573)、模腔压力的确定:根据制品壁厚和流长比,确定模腔压力P=320 kg/cm²4)、材料黏度系数:K=15)、安全系数:K1=80%锁模力计算:F=P×S×K/K1=320×374×1/80%=149600 kg/cm²=149.6吨例二:薄壁制品零件描述:塑料杯子。
注塑机的注射速率和塑化能力的计算公式点击次数:2744 发布时间:2012-5-211.锁模力F(TON)公式:F=Am*Pv/1000F:锁模力:TON Am:模腔投影面积:CM2Pv:充填压力:KG/CM2(一般塑胶材料充填压力在150-350KG/CM2)(流动性良好取较底值,流动不良取较高值)射出压力=充填压力/0.4-0.6例:模腔投影面积270CM2 充填压力220KG/CM2锁模力=270*220/1000=59.4TON2.射出压力Pi(KG/CM2)公式:Pi=P*A/Ao即:射出压力=泵浦压力*射出油缸有效面积÷螺杆截面积Pi: 射出压力P:泵浦压力A:射出油缸有效面积Ao:螺杆截面积A=π*D2/4 D:直径π:圆周率3.1 4159例1:已知泵浦压力求射出压力?泵浦压力=75KG/CM2 射出油缸有效面积=150CM2螺杆截面积=15.9CM2(∮45mm)公式:2〒R2即:3.1415*(45mm ÷2)2=1589.5mm2Pi=75*150/15.9=707 KG/CM2例2:已知射出压力求泵浦压力?所需射出压力=900KG/CM2 射出油缸有效面积=150CM2螺杆截面积=15.9CM2(∮45)泵浦压力P= Pi*Ao/A=900*15.9/150=95.4 KG/CM2 3.射出容积V(CM3)公式:V= π*(1/2Do)2*ST即:射出容积= 3.1415*半径2*射出行程V:射出容积CM3 π:圆周率 3.1415 Do:螺杆直径C MST:射出行程CM例:螺杆直径42mm 射出行程165mmV= π*(4.2÷2)2*16.5=228.6CM34.射出重量Vw(g)公式:Vw=V*η*δ即:射出重量=射出容积*比重*机械效率Vw:射出重量g V:射出容积η:比重δ:机械效率例:射出容积=228.6CM3 机械效率=0.85 比重=0.92射出重量Vw=228.6*0.85*0.92=178.7G5.射出速度S(CM/SEC)公式:S=Q/A即:射出速度=泵浦吐出量÷射出油缸有效面积S:射出速度CM/SECA:射出油缸有效面积CM2Q:泵浦吐出量CC/REV公式:Q=Qr*RPM/60 (每分钟/L)即:泵浦吐出量=泵浦每转吐出量*马达回转数/每分钟Qr:泵浦每转吐出量(每回转/CC)RPM:马达回转数/每分钟例:马达转速1000RPM/每分钟泵浦每转吐出量85 CC/RPM射出油缸有效面积140 CM2S=85*1000/60/140=10.1 CM/SEC6.射出率Sv(G/SEC)公式:Sv=S*Ao即:射出率=射出速度*螺杆截面积Sv:射出率G/SEC S:射出速度CM/SEC Ao:螺杆截面积例:射出速度=10CM/SEC 螺杆直径∮42面积=3.14159*4.2*4.2/4=13.85CM2Sv=13.85*10=138.5G/SEC。
锁模力计算的三种方法概述锁模力又称合模力,是指注射机的合模装置对模具所施加的最大夹紧力,当熔体充满型腔时,注射压力在型腔内所产生的作用力总是力图使模具沿分型面胀开,为此,注射机的锁模力必须大于型腔内熔体压力与塑料制品及浇注及浇注系统在分型面上的投影面积之和的乘积。
公式:锁模力≥模力压力X 制品、流道、浇口在分型面上的投影面积之和。
需要注意的是:锁模力不足,制品产生飞边或不能成型,而如果锁模力过大,造成系统资源的浪费,并且会使液压系统元件在高压下长时间工作,可能过早老化,机械结构过快磨损。
第一部分:锁模力计算的经验计算经验公式一:核心思路——通过锁模力常数来计算锁模力计算公式:锁模力=锁模力常数×制品的投影面积即P=KpS 式中P—锁模力(T);Kp—锁模力常数(t/cm2);S —制品在模板上的投影面积(cm2)锁模常数Kp表:(注射较精密制品时参考值)经验公式二:核心思路——通过估计模腔压力来计算锁模力即:350(kg/cm2)乘以产品的投影面积(cm2)除以1000注:除以1000 是将KG 转为吨第二部分:锁模力精准计算可以通过准确的计算公式或通过Moldflow 模流分析,来精确确定成型所需的锁模力。
3.1 精确公式计算:计算锁模力有两个重要因素:(1)投影面积(2)模腔压力(1)投影面积(S)是沿着模具开合所观看得到的最大面积(2)模腔压力(P)的确定模腔压力由以下因素所影响:(1)浇口的数目和位置(2)浇口的尺寸(3)制品的壁厚(4)使用塑料的粘度特性(5)注射速度3.1.1 热塑性塑料流动特性的分组及粘度等级(流动能力)粘度等级常数(K)3.1.2 模腔压力决定于壁厚、流程与壁厚的比例及粘度等级常数(K)模腔基本压力(P0)决定于壁厚、流程与壁厚的比例(如图)。
模腔压力P=P0*K。
锁模力F=P*S=P0*K*S举例说明:成型Iphone4/4S手机保护壳已知:产品一出二,厚度0.5,PC材料,制品长(117mm)宽(60mm)求:要用多大吨位的机器成型?解:1、流长比计算流动长度:117mm,厚度0.5mm;流长比:117/0.5=234查曲线得知:P0=700bar;PC的粘度系数在1.7-1.9;2、产品面积=2*117*60/100=140cm23、模腔压力P=P0*K=700bar*1.7=1190bar。
注塑机锁模力计算公式
内容来源网络,由“深圳机械展(11万㎡,1100多家展商,超10万观众)”收集整理!更多cnc加工中心、车铣磨钻床、线切割、数控刀具工具、工业机器人、非标自动化、数字化无人工厂、精密测量、数控系统、3D打印、激光切割、钣金冲压折弯、精密零件加工等展示,就在深圳机械展
锁模力常有四种方法计算:
方法1:经验公式1
锁模力(T)=锁模力常数Kp*产品投影面积S(CM*CM)
Kp经验值:
PS/PE/PP - 0.32;
ABS - 0.30~0.48;
PA - 0.64~0.72;
POM - 0.64~0.72;
加玻纤- 0.64~0.72;
其它工程塑料- 0.64~0.8;
例如:一制品投影面积为410CM^2,材料为PE,计算锁模力。
由上述公式计算所得:P=Kp*S=0.32*410=131.2(T),应选150T机床。
方法2:经验公式2
350bar*S(cm^2)/1000.
如上题,350*410/1000=143.5T,选择150T机床。
以上两种方法为粗调的计算方法,以下为比较精确的计算方法
方法3:计算锁模力有两个重要因素:1.投影面积 2.模腔压力
1、投影面积(S)是沿着模具开合所观看得到的最大面积。
2、模腔压力的决定(P)
模腔压力由以下因素所影响
(1)浇口的数目和位置
(2)浇口的尺寸
(3)制品的壁厚
(4)使用塑料的粘度特性
(5)射胶速度
3.1 热塑性塑料流动特性的分组
第一组 GPPS HIPS TPS PE-LD PE-LLD PE-MD PE-HD PP-H PP-CO PP-EPDM 第二组 PA6 PA66 PA11/12 PBT PETP
第三组 CA CAB CAP CP EVA PEEL PUR/TPU PPVC
第四组 ABS AAS/ASA SAN MBS PPS PPO-M BDS POM
第五组 PMMA PC/ABS PC/PBT
第六组 PC PES PSU PEI PEEK UPVC
3.2 粘度等级
以上各组的塑料都有一个粘度(流动能力)等级。
每组塑料的相对粘度等级如下:组别倍增常数(K)
第一组×1.0
第二组×1.3~1.35
第三组×1.35~1.45
第四组×1.45~1.55
第五组×1.55~1.70
第六组×1.70~1.90
3.3 模腔压力决定于壁厚、流程与壁厚的比例
查表得P0•P=P0•K(倍增常数)
3.4 锁模力的确定(F)
F=P•S= P0•K•S
例如零件:聚碳酸酯(PC)灯座锁模力的计算
如图所示是一个圆形PC塑料的灯座,它的外径是220mm,壁厚范围是1.9-2.1mm,并有针型的中心浇口设计。
零件的最长流程是200mm。
熔料流动阻力最大的地方发生在壁厚最薄的位置(即1.9mm处),所以在计算需要的注射压力时应使用1.9mm这一数值。
(1)流程/壁厚比例计算
流程/壁厚=熔料最长流程/最薄零件壁厚=200mm/1.9mm=105:1
(2)模腔压力/壁厚曲线图的应用
图中提供了模腔压力和壁厚以及流程/壁厚比的关系,由图可知1.9mm壁厚,流程/壁厚比例105:1的注件的模腔压力是160Bar,这里应注意,所有数据都是应用第一组的塑料,对于其他组别的塑料,我们应乘上相应的倍增常数K。
(3)PC的模腔压力数值确定
PC塑料的流动性能属于第六组的粘度等级。
和第一组的相比较,PC的粘度是它们的1.7-1.9倍,不同的粘度反映在模腔压力上,所以生产PC灯座的模腔压力应是160bar×K (PC的粘度等级),P=160×1.9bar=304bar为了安全理由,我们取1.9倍。
(4)PC灯座的投影面积数值
S=π×灯座外径2/4=3.14×22×22/4(cm2)=380cm2
(5)PC灯座的锁模力
F=P•S=304bar•380cm2=304kg/cm2•380 cm2=115520Kg或115.5Ton,所以选用120T即可使用。
方法4:使用CAE软件计算(MOLDFLOW等)。
内容来源网络,由“深圳机械展(11万㎡,1100多家展商,超10万观众)”收集整理!更多cnc加工中心、车铣磨钻床、线切割、数控刀具工具、工业机器人、非标自动化、数字化无人工厂、精密测量、数控系统、3D打印、激光切割、钣金冲压折弯、精密零件加工等展示,就在深圳机械展。