锁模力的计算公式
- 格式:doc
- 大小:31.50 KB
- 文档页数:3
锁模力如何计算?
压铸时,为保证铸件尺寸精度和内部质量,并防止金属飞溅,必须锁紧模具分型面。
应按模具计算锁模力,选用压铸机。
锁模力的计算公式为:
FS>K (Ff+Ffa)
Ff=p∑A
p =4Fy/πD2y
Ffa=p∑A1tanα
式中 Fs——所需压铸机锁模力(N);
K——系数,一般取1~1.3,壁薄复杂件取大值;
Ff——压铸时的反压力(N);
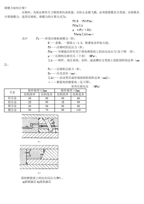
Ffa——有横抽芯时作用于滑块禊紧面上的法向反压力(见下图 (N);
p——压铸机压射比压(下表) (MPa);
∑A——铸件、浇注系统、余料、溢流槽在分型面上投影面积的总和(mm2);
Fy——压铸机压射力(N);
Dy——压室直径(mm);
∑A1——活动型芯成形端面投影面积总和(mm2);
α——楔紧块的楔紧角(见下图)。
滑块楔紧面上的法向反压力Ffα。
a)斜销抽芯 b)滑块抽芯。
注塑机锁模力计算公式内容来源网络,由“深圳机械展(11万㎡,1100多家展商,超10万观众)”收集整理!更多cnc加工中心、车铣磨钻床、线切割、数控刀具工具、工业机器人、非标自动化、数字化无人工厂、精密测量、数控系统、3D打印、激光切割、钣金冲压折弯、精密零件加工等展示,就在深圳机械展锁模力常有四种方法计算:方法1:经验公式1锁模力(T)=锁模力常数Kp*产品投影面积S(CM*CM)Kp经验值:PS/PE/PP - 0.32;ABS - 0.30~0.48;PA - 0.64~0.72;POM - 0.64~0.72;加玻纤- 0.64~0.72;其它工程塑料- 0.64~0.8;例如:一制品投影面积为410CM^2,材料为PE,计算锁模力。
由上述公式计算所得:P=Kp*S=0.32*410=131.2(T),应选150T机床。
方法2:经验公式2350bar*S(cm^2)/1000.如上题,350*410/1000=143.5T,选择150T机床。
以上两种方法为粗调的计算方法,以下为比较精确的计算方法方法3:计算锁模力有两个重要因素:1.投影面积 2.模腔压力1、投影面积(S)是沿着模具开合所观看得到的最大面积。
2、模腔压力的决定(P)模腔压力由以下因素所影响(1)浇口的数目和位置(2)浇口的尺寸(3)制品的壁厚(4)使用塑料的粘度特性(5)射胶速度3.1 热塑性塑料流动特性的分组第一组 GPPS HIPS TPS PE-LD PE-LLD PE-MD PE-HD PP-H PP-CO PP-EPDM 第二组 PA6 PA66 PA11/12 PBT PETP第三组 CA CAB CAP CP EVA PEEL PUR/TPU PPVC第四组 ABS AAS/ASA SAN MBS PPS PPO-M BDS POM第五组 PMMA PC/ABS PC/PBT第六组 PC PES PSU PEI PEEK UPVC3.2 粘度等级以上各组的塑料都有一个粘度(流动能力)等级。
锁模力的计算目前计算锁模力大致有两种方法,第一种方法是:锁模力=安全系数X总投影面积X模腔压力安全系数可取1.1,模腔压力根据表1选取第二种方法是:锁模力=安全系数X总投影面积X模腔压力X粘度系数安全系数可取1.1,模腔压力根据制品的壁厚及最长流距在图一中选取,并乘以1.3的安全系数,粘度系数根据塑料种类在表2中选取第一中方法是粗略计算,第二中方法是精确计算,它把塑料流径距离,注塑件壁厚,塑料的流动性等都考虑进去了,所以比较准确,第一种方法因为在取值时,未考虑实际情况,为保险起见,都取最大值,所以算出来的值都偏大。
举例说明:假设一制品的总投影面积为320c?,所用塑料为PS,制品壁厚为1?,最长流距与壁厚的比值为56:1,计算锁模力如下:第一种方法:根据表1,我们取压力值为此30.9MN/?,所需锁模力=1.1X320X10-4X30.9=10878X10-4MN=108.78吨应选锁模力为110吨左右的注塑机第二种方法:从图一中查出总模腔压力是180巴,根据表2取粘度系数为1 所需锁模力=1.1X320X10-4X1.3X180X10-1X1=8448X10-4MN=84.48吨应选锁模力为90吨左右的注塑机以上表明,计算方法不同,得出的锁模力也不同,视不同情况而采用,特别是对于形状简单,壁厚较大的产品,可能相差会大。
这时根据第一种计算方法计算出的值会超出制品的实际所需值较多。
1 MN/m-2=0。
0001 T/mm-2表一热塑性塑料的模腔压力塑料缩写 Tons.in-2 MN/m-2 塑料缩写 Tons.in-2 MN/m-2ASA 2.5~4.0 38.6~61.8 PES 6.0~10.0 92.6~154.4 ABS 2.5~4.0 38.6~61.8 PES(easy flow) 4.0~6.0 61.8~92.6 PP-H/CO(long flows) 2.5~3.5 38.6~54.0 PET Amorphous 2.0~2.5 30.9~38.6BDS(薄壁) 3.0~4.0 46.3~61.8 PET Crystalline 4.0~6.0 61.8~92.6 CA1.0~2.0 15.4~30.9 PMMA 2.0~4.0 30.9~61.8 CBA 1.0~2.0 15.4~30.9 POM-H3.0~5.0 46.3~77.2 CAP 1.0~2.0 15.4~30.9 POM-CO 3.0~5.0 46.3~77.2 FEP 5.0 77.2 TPU/PUR 0.5~1.5 7.7~23.2 HIPS 1.0~2.0 15.4~30.9 TPU/PUR 1.5~2.5 23.2~38.6 HIPS(薄壁) 2.5~3.5 38.6~54.0 PPS 2.0~3.0 30.9~46.3 PPVC1.5~2.5 23.2~38.6 PP-H 1.5~2.5 23.2~38.6 PA 64.0~5.0 61.8~77.2 PP-CO 1.5~2.5 23.2~38.6PA 66 4.0~5.0 61.8~77.2 BDS 2.0~3.0 30.9~46.3 PA 11 1.5~2.023.2~30.9 PS 1.0~2.0 15.4~30.9 PA 12 1.5~2.0 23.2~30.9 PS(thin walls) 3.0~4.0 46.3~61.8 PBT 3.0~4.5 46.3~69.5 PSU 6.0~10.0 92.6~154.4 PC3.0~5.0 46.3~77.2 PSU(easy flow)4.0~6.0 61.8~92.6 PEBA(硬) 2.0 30.9 PVDF 2.0 30.9PEBA(软) 1.5~2.0 23.2~30.9 SAN 2.5~3.0 38.6~46.3 PEEL 2.0~3.0 30.9~46.3 SAN 3.0~4.0 46.3~61.8 PEEK(unreinforced) 2.0~4.0 30.9~61.8 PEEK(reinforced) 4.0~4.6 61.8~92.6PPO-M(unreinforced) 2.0~3.0 30.9~46.3 PPO-M(reinforced) 4.0~5.0 61.8~77.2HDPE 1.5~2.5 23.2~38.6 UPVC 2.0~3.0 30.9~46.3 HDPE(long flow)2.5~3.5 38.6~54.0 LDPE 1.0~2.0 15.4~30.9表二热塑性塑料的粘度系数粘度系数热塑性塑料1.0 PE, PP, PS1.2~1.4 NYLONS(PA6 OR PA66), POM1.3~1.5 Celluosics1.3~1.5 ABS, ASA, SAN1.5~1.7 PMMA1.7~2.0 PC, PES, PSU安士吨数 1 27 28 2962 45 30 3113 60 35 3484 74 40 3825 87 45 4166 99 50 4487 110 60 5118 121 80 62710 142 100 73612 162 120 83814 181 150 98316 199 200 120720 233 250 141622 250 300 161324 266 350 180126 281 400 1981吨数安士吨数安士 10 0.24 220 18.4 20 0.64 250 22.1 30 1.1 300 28.5 40 1.7 350 35.3 50 2.3 400 42.6 60 3 450 50.2 75 4.1 500 58.2 80 4.5 550 66.5 90 5.3 600 75.1 100 6.1 650 84 110 7 850 122 120 7.9 1000 154 130 8.8 1200 198 140 9.8 1400 246 150 10.8 1600 297 160 11.8 1800 350 180 13.9 2000 405 200 16.1 4000 1070。
锁模力计算公式
1、螺母锁模力计算公式
螺母锁模力(F)由两部分组成,即回转力(Fr)和轴向力(Ft),即
F= Fr + Ft
其中,
Fr=m × e (e为螺纹螺距d的倍数)
Ft=m × f (f为直接拧紧力。
如果使用普通锤)
2、紧固件拉伸力和承受的载荷计算
如果紧固件被拉伸,则其实际应力可由Mks系统求出:
M=F
σ=F/ A
其中M为拉伸力,σ为螺母锁模力A为螺母锁螺纹截面积。
螺母锁所承受的载荷= M*τ; τ为螺纹螺距。
3、螺母锁可承受的最大轴向力值和最大回转力值计算
可能按工程精度要求设计出最大应力值。
根据公式F=Fr+Ft,可得出螺母锁最大可承受的轴向力大小以及最大可承受的回转力大小,即最大轴向力值为Ftmax= m × Ft;最大回转力值为Frmax=m × Fr。
4、螺母锁的松紧值计算
螺母锁的松紧值可按以下式子计算:
N=F/T(T为最大扭矩值)
其中,F为螺母锁的最大锁装力,T为螺栓头的最大设计扭矩;N 表示螺母锁的松紧值,也就是螺母锁锁紧完后,螺栓头还可以转动几圈。
锁模力的计算公式锁模力 F(TON) F=Am*Pv/1000F:锁模力 TON Am:模腔投影面积 CM2Pv:充填压力 KG/CM2(一般塑胶材料充填压力在150-350KG/CM2)(流动性良好取较底值,流动不良取较高值)充填压力/0.4-0.6=射出压力例:模腔投影面积 270CM2 充填压力 220KG/CM2锁模力=270*220/1000=59.4TON外形分有:立式的,卧式的,(这两种最常见)按注塑量分有:超小型注塑机,小型注塑机,中型注塑机,大型注塑机,超大型注塑机。
也就是注塑量从几毫克到几十千克不等。
按合模力分有:几吨到几千吨不等怎样选择合适的注塑机1、选对型: 由产品及塑料决定机种及系列。
由于注塑机有非常多的种类,因此一开始要先正确判断此产品应由哪一种注塑机,或是哪一个系列来生产,例如是一般热塑性塑胶或电木原料或PET原料等,是单色、双色、多色、夹层或混色等。
此外,某些产品需要高稳定(闭回路)、高精密、超高射速、高射压或快速生产(多回路)等条件,也必须选择合适的系列来生产。
2、放得下:由模具尺寸判定机台的“大柱内距”、“模厚”、“模具最小尺寸”及“模盘尺寸”是否适当,以确认模具是否放得下。
模具的宽度及高度需小于或至少有一边小于大柱内距;模具的宽度及高度最好在模盘尺寸范围内;模具的厚度需介于注塑机的模厚之间;模具的宽度及高度需符合该注塑机建议的最小模具尺寸,太小也不行。
3、拿得出:由模具及成品判定“开模行程”及“托模行程”是否足以让成品取出。
开模行程至少需大于成品在开关模方向的高度的两倍以上,且需含竖浇道(sprue)的长度;托模行程需足够将成品顶出。
4、锁得住:由产品及塑料决定“锁模力”吨数。
当原料以高压注入模穴内时会产生一个撑模的力量,因此注塑机的锁模单元必须提供足够的“锁模力”使模具不至于被撑开。
锁模力需求的计算如下:由成品外观尺寸求出成品在开关模方向的投影面积;撑模力量=成品在开关模方向的投影面积(cm2)×模穴数×模内压力(kg/cm2); 模内压力随原料而不同, 一般原料取350~400kg/cm2; 机器锁模力需大于撑模力量,且为了保险起见,机器锁模力通常需大于撑模力量的1.17倍以上。
人们常谈到注塑机的锁模力,但常常顾及一面忘却整体,这里有必要大家了解下锁模力相关的一些知识. 先简单介绍一下锁模力的计算方法.锁模力常有四种方法计算:方法1:经验公式1锁模力(T)=锁模力常数Kp*产品投影面积S(CM*CM)Kp经验值:PS/PE/PP —0.32;ABS —0.30~0.48;PA —0.64~0.72;POM - 0.64~0.72;加玻纤—0.64~0.72;其它工程塑料—0。
64~0.8;例如:一制品投影面积为410CM^2,材料为PE,计算锁模力.由上述公式计算所得:P=Kp*S=0。
32*410=131。
2(T),应选150T机床。
方法2:经验公式2350bar*S(cm^2)/1000.如上题,350*410/1000=143.5T,选择150T机床。
以上两种方法为粗调的计算方法,以下为比较精确的计算方法方法3:计算锁模力有两个重要因素:1.投影面积2.模腔压力1、投影面积(S)是沿着模具开合所观看得到的最大面积。
2、模腔压力的决定(P)模腔压力由以下因素所影响(1)浇口的数目和位置(2)浇口的尺寸(3)制品的壁厚(4)使用塑料的粘度特性(5)射胶速度3.1 热塑性塑料流动特性的分组第一组GPPS HIPS TPS PE-LD PE-LLD PE—MD PE-HD PP—H PP-CO PP-EPDM 第二组PA6 PA66 PA11/12 PBT PETP第三组CA CAB CAP CP EVA PEEL PUR/TPU PPVC第四组ABS AAS/ASA SAN MBS PPS PPO—M BDS POM第五组PMMA PC/ABS PC/PBT第六组PC PES PSU PEI PEEK UPVC3.2 粘度等级以上各组的塑料都有一个粘度(流动能力)等级。
每组塑料的相对粘度等级如下:组别倍增常数(K)第一组×1。
0第二组×1。
3~1。
35第三组×1。
F:锁模力TON Am:模腔投影面积CM2Pv:充填压力KG/CM2(一般塑胶材料充填压力在150-350KG/CM2)(流动性良好取较底值,流动不良取较高值)充填压力/射出压力例:模腔投影面积270CM2 充填压力220KG/CM2锁模力=270*220/1000=外形分有:立式的,卧式的,(这两种最常见)按注塑量分有:超小型注塑机,小型注塑机,中型注塑机,大型注塑机,超大型注塑机。
也就是注塑量从几毫克到几十千克不等。
按合模力分有:几吨到几千吨不等怎样选择合适的注塑机1、选对型: 由产品及塑料决定机种及系列。
由于注塑机有非常多的种类,因此一开始要先正确判断此产品应由哪一种注塑机,或是哪一个系列来生产,例如是一般热塑性塑胶或电木原料或PET原料等,是单色、双色、多色、夹层或混色等。
此外,某些产品需要高稳定(闭回路)、高精密、超高射速、高射压或快速生产(多回路)等条件,也必须选择合适的系列来生产。
2、放得下:由模具尺寸判定机台的“大柱内距”、“模厚”、“模具最小尺寸”及“模盘尺寸”是否适当,以确认模具是否放得下。
模具的宽度及高度需小于或至少有一边小于大柱内距;模具的宽度及高度最好在模盘尺寸范围内;模具的厚度需介于注塑机的模厚之间;模具的宽度及高度需符合该注塑机建议的最小模具尺寸,太小也不行。
3、拿得出:由模具及成品判定“开模行程”及“托模行程”是否足以让成品取出。
开模行程至少需大于成品在开关模方向的高度的两倍以上,且需含竖浇道(sprue)的长度;托模行程需足够将成品顶出。
4、锁得住:由产品及塑料决定“锁模力”吨数。
当原料以高压注入模穴内时会产生一个撑模的力量,因此注塑机的锁模单元必须提供足够的“锁模力”使模具不至于被撑开。
锁模力需求的计算如下:由成品外观尺寸求出成品在开关模方向的投影面积;撑模力量=成品在开关模方向的投影面积(cm2)×模穴数×模内压力(kg/cm2); 模内压力随原料而不同, 一般原料取350~400kg/cm2; 机器锁模力需大于撑模力量,且为了保险起见,机器锁模力通常需大于撑模力量的倍以上。
abs注塑模具产品锁模力的计算公式注塑模具是一种用于生产塑料制品的模具,它在塑料注塑过程中起到了关键作用。
在注塑过程中,模具的锁模力是一个重要指标,它决定了模具能否正常运行和生产出合格的产品。
因此,准确计算注塑模具产品的锁模力对于模具设计和生产非常重要。
abs注塑模具产品的锁模力计算公式如下:锁模力 = 产品面积× 注塑压力其中,产品面积是指产品所占据的模具射出面积,通常以平方毫米(mm²)为单位进行计算;注塑压力是指注塑过程中对塑料材料施加的压力,通常以兆帕(MPa)为单位进行计算。
注塑模具产品的锁模力计算公式可以帮助我们准确计算出所需的锁模力,从而指导模具设计和生产过程。
下面将详细介绍锁模力计算公式的每个部分。
产品面积是计算锁模力的关键参数之一。
在计算产品面积时,需要考虑产品的形状、尺寸和结构。
一般来说,产品面积可以通过测量产品的尺寸并计算出来。
在实际应用中,可以使用CAD软件进行绘图和计算,以获得更准确的产品面积。
注塑压力是计算锁模力的另一个重要参数。
注塑压力是指在注塑过程中对塑料材料施加的压力。
注塑压力的大小受到多个因素的影响,包括塑料材料的特性、产品的尺寸和结构等。
在实际应用中,可以通过注塑机的参数设置和调整来控制注塑压力的大小。
通过将产品面积和注塑压力代入锁模力计算公式,就可以得到abs 注塑模具产品的锁模力。
锁模力的大小对于模具的设计和生产非常重要。
如果锁模力过小,可能会导致模具无法正常工作或产品质量不合格;如果锁模力过大,不仅会增加模具的成本和复杂度,还可能导致模具损坏或使用寿命缩短。
因此,在设计和生产过程中,需要根据实际情况合理计算和控制锁模力。
总结一下,abs注塑模具产品锁模力的计算公式为锁模力 = 产品面积× 注塑压力。
通过准确计算锁模力,可以指导模具设计和生产过程,确保模具的正常运行和产品的质量。
同时,需要注意合理控制锁模力的大小,避免锁模力过小或过大带来的问题。
.锁模力计算的三种方法概述锁模力又称合模力,是指注射机的合模装置对模具所施加的最大夹紧力,当熔体充满型腔时,注射压力在型腔内所产生的作用力总是力图使模具沿分型面胀开,为此,注射机的锁模力必须大于型腔内熔体压力与塑料制品及浇注及浇注系统在分型面上的投影面积之和的乘积。
公式:锁模力≥模力压力X 制品、流道、浇口在分型面上的投影面积之和。
需要注意的是:锁模力不足,制品产生飞边或不能成型,而如果锁模力过大,造成系统资源的浪费,并且会使液压系统元件在高压下长时间工作,可能过早老化,机械结构过快磨损。
第一部分:锁模力计算的经验计算经验公式一:核心思路——通过锁模力常数来计算锁模力计算公式:锁模力=锁模力常数×制品的投影面积S —制品在模板上);—锁模力常数(t/cm—锁模力(T);Kp即P=KpS 式中P 2的投影面积(cm)2锁模常数Kp表:(注射较精密制品时参考值)经验公式二:核心思路——通过估计模腔压力来计算锁模力221000 即:)乘以产品的投影面积(kg/(350cmcm)除以...注:除以1000 是将KG 转为吨第二部分:锁模力精准计算可以通过准确的计算公式或通过Moldflow 模流分析,来精确确定成型所需的锁模力。
3.1 精确公式计算:计算锁模力有两个重要因素:(1)投影面积(2)模腔压力(1)投影面积(S)是沿着模具开合所观看得到的最大面积(2)模腔压力(P)的确定模腔压力由以下因素所影响:(1)浇口的数目和位置(2)浇口的尺寸(3)制品的壁厚(4)使用塑料的粘度特性(5)注射速度3.1.1 热塑性塑料流动特性的分组及粘度等级(流动能力)粘度等级常数(K)...第四组ABS AAS/ASA SAN MBS PPS PPO-M BDS POM×1.45~1.55第五组PMMA PC/ABS PC/PBT×1.55~1.70第六组PC PES PSU PEI PEEK UPVC×1.70~1.903.1.2 模腔压力决定于壁厚、流程与壁厚的比例及粘度等级常数(K)模腔基本压力(P0)决定于壁厚、流程与壁厚的比例(如图)。
查看文章注塑基本计算公式2010-02-08 08:341.锁模力 F(TON) F=Am*Pv/1000F:锁模力 TON Am:模腔投影面积 CM2 Pv:充填压力 KG/CM2(一般塑胶材料充填压力在150-350KG/CM2)(流动性良好取较底值,流动不良取较高值)充填压力/0.4-0.6=射出压力例:模腔投影面积 270CM2 充填压力 220KG/CM2 锁模力=270*220/1000=59.4TON2.射出压力 Pi KG/CM2 Pi=P*A/AoPi: 射出压力 P:泵浦压力 A:射出油缸有效面积Ao:螺杆截面积A= π*D2/4 D:直径π:圆周率 3.14159例1:已知泵浦压力求射出压力?泵浦压力=75 KG/CM2 射出油缸有效面积=150CM2螺杆截面积=15.9CM2(∮45)Pi=75*150/15.9=707 KG/CM2例2:已知射出压力求泵浦压力?所需射出压力=900 KG/CM2 射出油缸有效面积=150CM2 螺杆截面积=15.9CM2(∮45)泵浦压力P= Pi*Ao/A=900*15.9/150=95.4 KG/CM23.射出容积 V CM3 V= π*Do2/4*STV:射出容积 CM3 π:圆周率 Do:螺杆直径 CMST:射出行程 CM例:螺杆直径 42mm 射出行程 165mmV= π*4.2*4.2/4*16.5=228.6CM34.射出重量 G Vw=V*η*δVw:射出重量 G V:射出容积η:比重δ:机械效率例:射出容积=228.6 CM3 机械效率=0.85 比重=0.92 射出重量 Vw=228.6*0.85*0.92=178.7G5.射出速度 S CM/SEC S=Q/AS:射出速度 CM/SEC Qr:泵浦吐出量(每回转/CC)CC/REVA:射出油缸有效面积 CM2 Q=Qr*RPM/60 (每分钟/L)Q:泵浦吐出量 RPM:马达回转数/每分钟例:马达转速 1000RPM 泵浦吐出量85 CC/REV射出油缸有效面积 140 CM2S=85*1000/60/140=10.1 CM/SEC6.射出率 Sv G/SEC Sv=S*AoSv:射出率G/SEC S:射出速度CM/SEC Ao:螺杆截面积例:射出速度=10CM/SEC 螺杆直径∮42面积=3.14159*4.2*4.2/4=13.85CM2Sv=13.85*10=138.5G/SEC。
1.锁模力 F(TON)公式:F=Am*Pv/1000F:锁模力:TON Am:模腔投影面积:CM2Pv:充填压力:KG/CM2(一般塑胶材料充填压力在150-350KG/CM2)(流动性良好取较底值,流动不良取较高值)射出压力=充填压力/0.4-0.6例:模腔投影面积 270CM2 充填压力 220KG/CM2锁模力=270*220/1000=59.4TON2.射出压力 Pi(KG/CM2)公式:Pi=P*A/Ao即:射出压力=泵浦压力*射出油缸有效面积÷螺杆截面积Pi: 射出压力 P:泵浦压力 A:射出油缸有效面积Ao:螺杆截面积A=π*D2/4 D:直径π:圆周率3.14159例1:已知泵浦压力求射出压力?泵浦压力=75KG/CM2 射出油缸有效面积=150CM2螺杆截面积=15.9CM2(∮45mm)公式:2〒R2即:3.1415*(45mm÷2)2=1589.5mm2Pi=75*150/15.9=707 KG/CM2例2:已知射出压力求泵浦压力?所需射出压力=900KG/CM2 射出油缸有效面积=150CM2螺杆截面积=15.9CM2(∮45)泵浦压力P= Pi*Ao/A=900*15.9/150=95.4 KG/CM23.射出容积 V(CM3)公式:V= π*(1/2Do)2*ST即:射出容积=3.1415*半径2*射出行程V:射出容积 CM3 π:圆周率 3.1415 Do:螺杆直径 CMST:射出行程 CM例:螺杆直径 42mm 射出行程 165mmV= π*(4.2÷2)2*16.5=228.6CM34.射出重量 Vw(g)公式:Vw=V*η*δ即:射出重量=射出容积*比重*机械效率Vw:射出重量 g V:射出容积η:比重δ:机械效率例:射出容积=228.6CM3 机械效率=0.85 比重=0.92射出重量Vw=228.6*0.85*0.92=178.7G5.射出速度 S(CM/SEC)公式:S=Q/A即:射出速度=泵浦吐出量÷射出油缸有效面积S:射出速度 CM/SECA:射出油缸有效面积 CM2Q:泵浦吐出量 CC/REV公式:Q=Qr*RPM/60 (每分钟/L)即:泵浦吐出量=泵浦每转吐出量*马达回转数/每分钟Qr:泵浦每转吐出量(每回转/CC)RPM:马达回转数/每分钟例:马达转速 1000RPM/每分钟泵浦每转吐出量85 CC/RPM射出油缸有效面积 140 CM2S=85*1000/60/140=10.1 CM/SEC6.射出率 Sv(G/SEC)公式:Sv=S*Ao即:射出率=射出速度*螺杆截面积Sv:射出率G/SEC S:射出速度CM/SEC Ao:螺杆截面积例:射出速度=10CM/SEC 螺杆直径∮42面积=3.14159*4.2*4.2/4=13.85CM2Sv=13.85*10=138.5G/SEC。
锁模力的计算及注射量的计算1,锁模力的计算锁模力(又称合模力),是注塑机的重要参数,即注塑机施加于模具的夹紧力。
锁模力与注射量一样,在一定程度上反映了机器加工制品的能力的大小,经常用来作为表示机器规格的大小的主要参数。
锁模力=锁模力常数X制品的投影面积。
即 P=kp*SP-锁模力(t);S-制品在模板的垂直投影面积(cm2);Kp-锁模力常数(t/cm2)。
常用塑料Kp值:举例说明:设某一制品投影面积为410cm2,制品材料为ABS,计算需要的锁模力:P=Kp*S==164(吨)。
选用160-180吨左右的注塑机较合适。
另一种粗略计算方法:锁模力=安全系数X总投影面积(c m2)X模腔压力(Kg/cm2)。
即P=*S*F说明:安全系数可取。
模腔压力(F)选取:根据经验,一般以注射压力的一半作为型腔压力的基数,流动性越好的塑料,其取值比一半要高,流动性差的塑料,其取值比一半要低;另深腔产品或深筋位的产品(简单说是难走满胶的产品),其取值也要高些。
上述举例再计算:假设注射压力是100MPa,我们取型腔压力为40MPa=400 Kg/cm2,则:P=*410*400=18040Kg=(吨)2,注射量的计算注射容积是理论性的,它等于螺杆的横截面积乘以注射行程。
由于熔融料回流及止流阀后移,实际注射容积约是理论值的90%。
先算出实际注射容积,然后根据实际注射容积来计算重量,不同的塑料的密度不同,而且同种塑料在熔融状态下的密度比在常温下的密度小得多。
见下表:考虑到多方因素及安全系数,实际注射量可按下式计算:实际注射量=(~)X塑料熔融密度X理论注射容积。
(制品质量要求较高时系数取小值)。
锁模力的计算公式锁模力 F(TON) F=Am*Pv/1000F:锁模力 TON Am:模腔投影面积 CM2Pv:充填压力 KG/CM2(一般塑胶材料充填压力在150-350KG/CM2)(流动性良好取较底值,流动不良取较高值)充填压力/0。
4—0。
6=射出压力例:模腔投影面积 270CM2 充填压力 220KG/CM2锁模力=270*220/1000=59.4TON外形分有:立式的,卧式的,(这两种最常见)按注塑量分有:超小型注塑机,小型注塑机,中型注塑机,大型注塑机,超大型注塑机。
也就是注塑量从几毫克到几十千克不等。
按合模力分有:几吨到几千吨不等怎样选择合适的注塑机 1、选对型:由产品及塑料决定机种及系列。
由于注塑机有非常多的种类,因此一开始要先正确判断此产品应由哪一种注塑机,或是哪一个系列来生产,例如是一般热塑性塑胶或电木原料或PET原料等,是单色、双色、多色、夹层或混色等。
此外,某些产品需要高稳定(闭回路)、高精密、超高射速、高射压或快速生产(多回路)等条件,也必须选择合适的系列来生产. 2、放得下 :由模具尺寸判定机台的“大柱内距”、“模厚”、“模具最小尺寸”及“模盘尺寸"是否适当,以确认模具是否放得下。
模具的宽度及高度需小于或至少有一边小于大柱内距;模具的宽度及高度最好在模盘尺寸范围内;模具的厚度需介于注塑机的模厚之间;模具的宽度及高度需符合该注塑机建议的最小模具尺寸,太小也不行。
3、拿得出:由模具及成品判定“开模行程”及“托模行程”是否足以让成品取出. 开模行程至少需大于成品在开关模方向的高度的两倍以上,且需含竖浇道(sprue)的长度;托模行程需足够将成品顶出。
4、锁得住:由产品及塑料决定“锁模力"吨数. 当原料以高压注入模穴内时会产生一个撑模的力量,因此注塑机的锁模单元必须提供足够的“锁模力”使模具不至于被撑开。
锁模力需求的计算如下:由成品外观尺寸求出成品在开关模方向的投影面积;撑模力量=成品在开关模方向的投影面积(cm2)×模穴数×模内压力(kg/cm2);模内压力随原料而不同,一般原料取350~400kg/cm2;机器锁模力需大于撑模力量,且为了保险起见,机器锁模力通常需大于撑模力量的1.17倍以上. 至此已初步决定夹模单元的规格,并大致确定机种吨数,接着必须再进行下列步骤,以确认哪一个射出单元的螺杆直径比较符合所需. 5、射得饱:由成品重量及模穴数判定所需“射出量”并选择合适的“螺杆直径”。
注塑工作常用计算公式1.锁模力F(TON)F=Am*Pv/1000F:锁模力TONAm:模腔投影面积CM2Pv:充填压力KG/CM2(一般塑胶材料充填压力在150-350KG/CM2)(流动性良好取较底值,流动不良取较高值)充填压力/0.4-0.6=射出压力例:模腔投影面积270CM2 充填压力220KG/CM2锁模力=270*220/1000=59.4TON2.射出压力Pi KG/CM2 Pi=P*A/AoPi: 射出压力P:泵浦压力A:射出油缸有效面积Ao:螺杆截面积A= π*D2/4 D:直径π:圆周率3.14159例1:已知泵浦压力求射出压力?泵浦压力=75 KG/CM2 射出油缸有效面积=150CM2螺杆截面积=15.9CM2(∮45)Pi=75*150/15.9=707 KG/CM2例2:已知射出压力求泵浦压力?所需射出压力=900 KG/CM2 射出油缸有效面积=150CM2 螺杆截面积=15.9CM2(∮45)泵浦压力P= Pi*Ao/A=900*15.9/150=95.4 KG/CM2 3.射出容积V CM3 V= π*Do2/4*STV:射出容积CM3π:圆周率Do:螺杆直径CMST:射出行程CM例:螺杆直径42mm 射出行程165mmV= π*4.2*4.2/4*16.5=228.6CM34.射出重量G Vw=V*η*δVw:射出重量GV:射出容积η:比重δ:机械效率例:射出容积=228.6 CM3 机械效率=0.85 比重=0.92射出重量Vw=228.6*0.85*0.92=178.7G5.射出速度S CM/SEC S=Q/AS:射出速度CM/SEC Qr:泵浦吐出量(每回转/CC)CC/REV A:射出油缸有效面积CM2 Q=Qr*RPM/60 (每分钟/L)Q:泵浦吐出量RPM:马达回转数/每分钟例:马达转速1000RPM 泵浦吐出量85 CC/REV射出油缸有效面积140 CM2S=85*1000/60/140=10.1 CM/SEC6.射出率Sv G/SEC Sv=S*AoSv:射出率G/SECS:射出速度CM/SECAo:螺杆截面积例:射出速度=10CM/SEC 螺杆直径∮42面积=3.14159*4.2*4.2/4=13.85CM2Sv=13.85*10=138.5G/SEC。
塑料经典计算大全1.锁模力 F(TON)公式:F=Am*Pv/1000F:锁模力:TON Am:模腔投影面积:CM2Pv:充填压力:KG/CM2(一般塑胶材料充填压力在150-350KG/CM2)(流动性良好取较底值,流动不良取较高值)射出压力=充填压力/0.4-0.6例:模腔投影面积 270CM2 充填压力 220KG/CM2锁模力=270*220/1000=59.4TON2.射出压力 Pi(KG/CM2)公式:Pi=P*A/Ao即:射出压力=泵浦压力*射出油缸有效面积÷螺杆截面积Pi: 射出压力 P:泵浦压力 A:射出油缸有效面积Ao:螺杆截面积A=π*D2/4 D:直径π:圆周率3.14159例1:已知泵浦压力求射出压力?泵浦压力=75KG/CM2 射出油缸有效面积=150CM2螺杆截面积=15.9CM2(∮45mm)公式:2〒R2即:3.1415*(45mm÷2)2=1589.5mm2Pi=75*150/15.9=707 KG/CM2例2:已知射出压力求泵浦压力?所需射出压力=900KG/CM2 射出油缸有效面积=150CM2螺杆截面积=15.9CM2(∮45)泵浦压力P= Pi*Ao/A=900*15.9/150=95.4 KG/CM23.射出容积 V(CM3)公式:V= π*(1/2Do)2*ST即:射出容积=3.1415*半径2*射出行程V:射出容积CM3 π:圆周率 3.1415 Do:螺杆直径 CMST:射出行程 CM例:螺杆直径 42mm 射出行程 165mmV= π*(4.2÷2)2*16.5=228.6CM34.射出重量Vw(g) 公式:Vw=V*η*δ即:射出重量=射出容积*比重*机械效率Vw:射出重量 g V:射出容积η:比重δ:机械效率例:射出容积=228.6CM3 机械效率=0.85 比重=0.92射出重量Vw=228.6*0.85*0.92=178.7G5.射出速度S(CM/SEC)公式:S=Q/A即:射出速度=泵浦吐出量÷射出油缸有效面积S:射出速度 CM/SECA:射出油缸有效面积 CM2Q:泵浦吐出量 CC/REV公式:Q=Qr*RPM/60 (每分钟/L)即:泵浦吐出量=泵浦每转吐出量*马达回转数/每分钟Qr:泵浦每转吐出量(每回转/CC)RPM:马达回转数/每分钟例:马达转速 1000RPM/每分钟泵浦每转吐出量85 CC/RPM射出油缸有效面积 140 CM2S=85*1000/60/140=10.1 CM/SEC6.射出率Sv(G/SEC)公式:Sv=S*Ao即:射出率=射出速度*螺杆截面积Sv:射出率G/SEC S:射出速度CM/SEC Ao:螺杆截面积例:射出速度=10CM/SEC 螺杆直径∮42面积=3.14159*4.2*4.2/4=13.85CM2Sv=13.85*10=138.5G/SEC一.理论出容积:(π/4=0.785)(1)螺杆直径2*0.785*射出行程=理论射出容积(cm3);(2)理论射出容积/0.785/螺杆直径=射出行程(cm).二.射出重量:理论射出容积*塑料比重*射出常数(0.95)理想=射出重量(gr);三.射出压力:(1)射出缸面积2/螺杆面积2*系统最大压力(140kg/cm2)2=射出压力(kg/cm2);(2)射出缸直径2/螺杆直径2*系统最大压力(140kg/cm2)=射出压力(kg/cm2);(3)料管组合最大射出压力*实际使用压力(kg/cm2)/系统最大压力(140kg/cm2)=射出压力(kg/cm2).四.射出速率:(1)螺杆面积(cm2)*射出速度(cm/sec)=射出速率(cm3/sec);(2)螺杆直径(cm2)*0.785*射出速度(cm/sec)=射出速度(cm3/sec).五.射出速度:(1)射出速率(cm3/sec)/螺杆面积(cm2)=射出速度(cm/sec);(2)泵浦单转容积(cc/rev)*马达转速(rev/sec)/60(秒)/射出面积(cm2)=射出速度(cm/sec).(马达转速RPM:60HZ------1150,50HZ-----958)六.射出缸面积;(1)射出压力(kg/cm2)/系统最大压力(140kg/cm2)*料管面积(cm2)=射出缸面积(cm2);(2)单缸---(射缸直径2-柱塞直径2)*0.785=射出缸面积(cm2);双缸---(射缸直径2-柱塞直径2)*0.785*2=射出缸面积(cm2).七.泵浦单转容积:射出缸面积(cm2)*射出速度(cm/sec)*60秒/马达转速=泵浦单转容积(cc/sec).(马达转速RPM: 60HZ------1150,50HZ-----958)八.螺杆转速及油压马达单转容积:(1)泵浦单转容积(cc/rec)*马达转速(RPM)/油压马达单转容积=螺杆转速;(2)泵浦单转容积(cc/rec)*马达转速(RPM)/螺杆转速=油压马达单转容积.九.射出总压力:(1)系统最大压力(kg/cm2)*射出缸面积(cm2)=射出总压力(kg);(2)射出压力(kg/cm2)*螺杆面积(cm2)=射出总压力(kg).十.盎司及相关单位换算:(1)1盎司(oz)=28.375公克(gr);(2)1磅(ib)=16盎司(oz);(3)1公斤(kg)=2.2磅(ib);即:1斤=1.1磅;(4)1磅(ib)=454公克(gr)=0.454公斤(kg).十一.关模力:(1)曲手式:关模缸面积(cm2)*系统最大压力(140kg/cm2)/1000*曲手放大率(20-50)=关模力(Ton)(2)单缸直压式:关模缸面积(cm2)*系统最大压力(140kg/cm2)/1000=关模力(Ton) 十二.道柱直径和关模力的公式:道柱直径2(cm2)*0.785*杨氏系数(scm4约1000kg/cm2)*4=关模力概值(Ton).十三.成品排列投影面积和关模力关系公式:成品排列投影面积(寸2)*标准厚度(1.5mm)/成品平均厚度(mm)*使用原料常数/PS原料常数(1)=关模力(Ton);(1)成品排列投影面影以射入浇口为圆心,长边为半径计算出直径;排列直径2(寸2)*0.785=成品排列投影面积(寸2).(2)使用原料常数,以概略经验值计算,以流动性良劣比PS好的列为1以下;比PS不好的列为1以上.如:ABS 1.05; AS 1.2; PMMA 1.3; PC 1.6; PBT 0.9;PP 0.7; PE 0.7-0.8;塑胶钢 0.8; NILON 0.7-0.9¨¨¨等.各种原料亦分不同等级,宜多了解只付参与.(3)和射出从向的成品部份之要求,如杯子的高度部份大约以投影面积的30%计算即可. 十四.托模力:托模缸面积(cm2)*系统最大压力(140kg/cm2)/1000=托模力(Ton)十五.电力单位:1马力(HP)=0.754千瓦(KW);1千瓦(KW)=1.326马力(HP)=1000瓦(W);1千瓦(KW)=1度电计量单位(1KW/Hr).十六.泵浦大小和马力关系:P=最大使用压力(如:125kg/cm2.140kg/cm2);Q=油泵浦一分钟吐出量(L/min);Q=油泵浦单转容积(cc/rec)*马达转速(RPM)/1000=油泵浦一分钟吐出量(L/min).适用马力:P*Q/540=HP;P*Q/612=KW.所配合马达可达不降速的最高压力(LP):HP*450/Q=LP;KW*612/Q=LP.十七.计算使用电力:(马达容量+电热容量+烘干机容量)*用电常数(约40%)=实际每小时用电量(度,KW/Hr).第三载A:什么是注塑机的射出能力?射出能力=射出压力(kg/cm2)×射出容积(cm3)/1000B:什么是注塑机的射出马力?射出马力PW(KW)=射出压力(kg/cm2)×射出率(cm3/sec)×9.8×100%C:什么是注塑机的射出率?射出率V(cc/sec)=π/4×d2×γd2::料管直径γ:料的密度D:什么是注塑机的射胶推力?射胶推力F(kgf)=π/4(D12-D22)×P×2D1:油缸内径 D2:活塞杆外径 P:系统压力E:什么是注塑机的射胶压力?射胶压力P(kg/cm2)=[π/4×(D12-D22)×P×2]/(π/4×d2)F:什么是注塑机的塑化能力?塑化能力W(g/sec)=2.5×(d/2.54)2×(h/2.54)×N×S×1000/3600/2h=螺杆前端牙深(cm) S=原料密度G:什么是系统压力?与注塑压力有什么区别?系统压力(kg/cm2)=油压回路中设定最高的工作压力H:射出速度?H:速度=距离/时间第四载1.锁模力F(TON)公式:F=Am*Pv/1000即:锁模力=模腔投影面积*充填压力÷1000 F:锁模力TON Am:模腔投影面积CM2 Pv:充填压力KG/CM2(一般塑胶材料充填压力在150-350KG/CM2)(流动性良好取较底值,流动不良取较高值)充填压力/0.4-0.6=射出压力例:模腔投影面积270CM2 充填压力220KG/CM2锁模力=270*220/1000=59.4TON2.射出压力Pi(KG/CM2)公式:Pi=P*A/Ao即:射出压力=泵浦压力*射出油缸有效面积÷螺杆截面积Pi: 射出压力P:泵浦压力A:射出油缸有效面积Ao:螺杆截面积A= π*D2/4 D:直径π:圆周率 3.14159例1:已知泵浦压力求射出压力?泵浦压力=75 KG/CM2 射出油缸有效面积=150CM2螺杆截面积=15.9CM2(∮45)Pi=75*150/15.9=707 KG/CM2例2:已知射出压力求泵浦压力?所需射出压力=900 KG/CM2 射出油缸有效面积=150CM2螺杆截面积=15.9CM2(∮45)泵浦压力P= Pi*Ao/A=900*15.9/150=95.4 KG/CM23.射出容积V(CM3)公式:V= π*Do2/4*ST即:射出容积=螺杆截面积*射出行程V:射出容积CM3 π:圆周率Do:螺杆直径CMST:射出行程CM例:螺杆直径42mm 射出行程165mmV= π*4.2*4.2/4*16.5=228.6CM34.射出重量G公式:Vw=V*η*δ即:射出重量=射出容积*比重*机械效率Vw:射出重量G V:射出容积η:比重δ:机械效率例:射出容积=228.6 CM3 机械效率=0.85 比重=0.92射出重量Vw=228.6*0.85*0.92=178.7G5.射出速度S(CM/SEC)公式:S=Q/A即:射出速度=泵浦吐出量÷射出油缸有效面积S:射出速度CM/SEC Qr:泵浦吐出量(每回转/CC)CC/REVA:射出油缸有效面积CM2 Q=Qr*RPM/60 (每分钟/L)Q:泵浦吐出量RPM:马达回转数/每分钟例:马达转速1000RPM 泵浦吐出量85 CC/REV射出油缸有效面积140 CM2S=85*1000/60/140=10.1 CM/SEC6.射出率Sv(G/SEC)公式:Sv=S*Ao即:射出率=射出速度*螺杆截面积Sv:射出率G/SEC S:射出速度CM/SEC Ao:螺杆截面积例:射出速度=10CM/SEC 螺杆直径∮42螺杆截面积=3.14159*4.2*4.2/4=13.85CM27.圆的计算圆的面积S=πR2(R为圆半径)圆的周长=2πR(R为圆半径)或πH(H为直径)。
锁模力的计算公式锁模力 F(TON) F=Am*Pv/1000F:锁模力 TON Am:模腔投影面积 CM2Pv:充填压力 KG/CM2(一般塑胶材料充填压力在150-350KG/CM2)(流动性良好取较底值,流动不良取较高值)充填压力/0.4-0.6=射出压力例:模腔投影面积 270CM2 充填压力 220KG/CM2锁模力=270*220/1000=59.4TON外形分有:立式的,卧式的,(这两种最常见)按注塑量分有:超小型注塑机,小型注塑机,中型注塑机,大型注塑机,超大型注塑机。
也就是注塑量从几毫克到几十千克不等。
按合模力分有:几吨到几千吨不等怎样选择合适的注塑机 1、选对型: 由产品及塑料决定机种及系列。
由于注塑机有非常多的种类,因此一开始要先正确判断此产品应由哪一种注塑机,或是哪一个系列来生产,例如是一般热塑性塑胶或电木原料或PET原料等,是单色、双色、多色、夹层或混色等。
此外,某些产品需要高稳定(闭回路)、高精密、超高射速、高射压或快速生产(多回路)等条件,也必须选择合适的系列来生产。
2、放得下:由模具尺寸判定机台的“大柱内距”、“模厚”、“模具最小尺寸”及“模盘尺寸”是否适当,以确认模具是否放得下。
模具的宽度及高度需小于或至少有一边小于大柱内距;模具的宽度及高度最好在模盘尺寸范围内;模具的厚度需介于注塑机的模厚之间;模具的宽度及高度需符合该注塑机建议的最小模具尺寸,太小也不行。
3、拿得出:由模具及成品判定“开模行程”及“托模行程”是否足以让成品取出。
开模行程至少需大于成品在开关模方向的高度的两倍以上,且需含竖浇道(sprue)的长度;托模行程需足够将成品顶出。
4、锁得住:由产品及塑料决定“锁模力”吨数。
当原料以高压注入模穴内时会产生一个撑模的力量,因此注塑机的锁模单元必须提供足够的“锁模力”使模具不至于被撑开。
锁模力需求的计算如下:由成品外观尺寸求出成品在开关模方向的投影面积;撑模力量=成品在开关模方向的投影面积(cm2)×模穴数×模内压力(kg/cm2); 模内压力随原料而不同, 一般原料取350~400kg/cm2; 机器锁模力需大于撑模力量,且为了保险起见,机器锁模力通常需大于撑模力量的1.17倍以上。
至此已初步决定夹模单元的规格,并大致确定机种吨数,接着必须再进行下列步骤,以确认哪一个射出单元的螺杆直径比较符合所需。
5、射得饱: 由成品重量及模穴数判定所需“射出量”并选择合适的“螺杆直径”。
计算成品重量需考虑模穴数(一模几穴);为了稳定性起见,射出量需为成品重量的1.35倍以上,亦即成品重量需为射出量的75%以内。
6、射得好:由塑料判定“螺杆压缩比”及“射出压力”等条件。
有些工程塑料需要较高的射出压力及合适的螺杆压缩比设计,才有较好的成型效果,因此为了使成品射得更好,在选择螺杆时亦需考虑射压的需求及压缩比的问题。
一般而言,直径较小的螺杆可提供较高的射出压力。
7、射得快:及“射出速度”的确认。
有些成品需要高射出率速射出才能稳定成型,如超薄类成品,在此情况下,可能需要确认机器的射出率及射速是否足够,是否需搭配蓄压器、闭回路控制等装置。
一般而言,在相同条件下,可提供较wk_ad_begin({pid : 21});wk_ad_after(21, function(){$('.ad-hidden').hide();}, function(){$('.ad-hidden').show();});高射压的螺杆通常射速较低,相反的,可提供较低射压的螺杆通常射速较高。
因此,选择螺杆直径时,射出量、射出压力及射出率(射出速度),需交叉考量及取舍。
此外,也可以采用多回路设计,以同步复合动作缩短成型时间。
有一些特殊问题可能也必须再加以考虑:大小配的问题:在某些特殊状况下,客户的模具或产品可能模具体积小但所需射量大,或模具体积大但所需射量小,在这种况下,厂家所预先设定的标准规格可能无法符合客户需求,而必须进行所谓“大小配”,亦即“大壁小射”或“小壁大射”。
所谓“大壁小射”指以原先标准的夹模单元搭配较小的射出螺杆,反之,“小壁大射”即是以原先标准的夹模单元搭配较大的射出螺杆。
当然,在搭配上也可能夹模与射出相差好几级。
快速机或高速机的观念:在实际运用中,越来越多的客户会要求购买所谓“高速机”或“快速机”。
一般而言,其目的除了产品本身的需求外,其他大多是要缩短成型周期、提高单位时间的产量,进而降低生产成本,提高竞争力。
通常,要达到上述目的,有几种做法:射出速度加快:将电机马达及泵浦加大,或加蓄压器(最好加闭回路控制);加料速度加快:将电机马达及泵浦加大,或加料油压马达改小,使螺杆转速加快;多回路系统:采用双回路或三回路设计,以同步进行复合动作,缩短成型时间;增加模具水路,提升模具的冷却效率。
注塑机(啤机)锁模力的计算及注射量的计算!锁模力的计算及注射量的计算 1,锁模力的计算目前计算锁模力大致有两种方法:第一种方法是:锁模力=安全系数X总投影面积X模腔压力,安全系数可取1.1,模腔压力根据表1选取。
第二种方法是:锁模力=安全系数X总投影面积X模腔压力X粘度系数安全系数可取1.1,模腔压力根据制品的壁厚及最长流距在图一中选取,并乘以1.3的安全系数,粘度系数根据塑料种类在表2中选取。
第一中方法是粗略计算,第二中方法是精确计算,它把塑料流径距离,注塑件壁厚,塑料的流动性等都考虑进去了,所以比较准确,第一种方法因为在取值时,未考虑实际情况,为保险起见,都取最大值,所以算出来的值都偏大。
举例说明:假设一制品的总投影面积为320c㎡,所用塑料为PS,制品壁厚为1㎜,最长流距与壁厚的比值为56:1,计算锁模力如下:第一种方法:根据表1,我们取压力值为此30.9MN/㎡,所需锁模力=1.1X320X10-4X30.9=10878X10-4MN=108.78吨应选锁模力为110吨左右的。
注塑机第二种方法:从图一中查出总模腔压力是180巴,根据表2取粘度系数为1 所需锁模力=1.1X320X10-4X1.3X180X10-1X1=8448X10-4MN=84.48吨应选锁模力为90吨左右的注塑机以上表明,计算方法不同,得出的锁模力也不同,视不同情况而采用,特别是对于形状简单,壁厚较大的产品,可能相差会大。
这时根据第一种计算方法计算出的值会超出制品的实际所需值较多。
2,注射量的计算注射容积是理论性的,它等于螺杆的横截面积乘以注射行程。
由于熔融料回流及止流阀后移,实际注射容积约是理论值的90%。
先算出实际注射容积,然后根据实际注射容积来计算重量,不同的塑料的密度不同,而且同种塑料在熔融状态下的密度比在常温下的密度小得多见下表:塑胶简称熔融密度一般硬胶 GPPS(PS) 0.89~0.9 聚苯硫醚 PPS 1.08~1.11 不碎胶 HIPS 0.90~0.97 尼龙66 PA-66 0.96~1.00 超不碎胶 ABS 0.90~.91 亚加力 PMMA 1.00~1.01 透明大力胶 AS (SAN) 0.91~0.92 防弹胶 PC 1.02~1.04 软胶 LDPE 0.73~0.74 赛钢 POM 1.19~1.21 硬性PE HDPE 0.75~0.77 聚酯 PET 1.13~1.17 百折胶 PP 0.71~0.74 聚酯 PBT 1.10~1.11 软性PVC PPVC 1.05~1.39 酸性胶 CA .01~1.10 硬性PVC UPVC 1.13~1.22 聚苯醚 PPO-M 0.87~0.89 尼龙6 PA-6 0.96~1.0考虑到多方因素及安全系数,实际注射量可按下式计算:实际注射量=(0.75~0.90)X塑料熔融密度X理论注射容积制品质量要求较高时系数取小值表一热塑性塑料的模腔压力塑料缩写 Tons.in-2 MN/m-2ASA 2.5~4.0 38.6~61.8 PES 6.0~10.0 92.6~154.4 ABS 2.5~4.0 38.6~61.8 PES(easy flow) 4.0~ 6.0 61.8~92.6 PP-H/CO(long flows) 2.5~3.5 38.6~54.0 PET Amorphous 2.0~2.5 30.9~38.6 BDS(薄壁) 3.0~4.0 46.3~61.8 PET Crystalline 4.0~6.0 61.8~92.6 CA 1.0~2.0 15.4~30.9 PMMA 2.0~4.0 30.9~61.8 CBA 1.0~2.0 15.4~30.9 POM-H 3.0~5.0 46.3~77.2 CAP 1.0~2.0 15.4~30.9 POM-CO 3.0~5.0 46.3~77.2 FEP 5.0 77.2 TPU/PUR 0.5~1.5 7.7~23.2 HIPS 1.0~2.0 15.4~30.9 TPU/PUR 1. 5~2.5 23.2~38.6 HIPS(薄壁) 2.5~3.5 38.6~54.0 PPS 2.0~3.0 30.9~46.3 PPVC 1.5~2.5 23.2~38.6 PP-H 1.5~2.5 23.2~38.6 PA 6 4.0~5.0 61.8~77.2 PP-CO 1.5~2.5 23.2~38.6 PA 66 4.0~5.0 61.8~77.2 BDS 2.0~3.0 30.9~46.3 PA 11 1.5~2.0 23.2~30.9 PS 1.0~2.0 15.4~30.9 PA 12 1.5~2.0 23.2~30.9 PS(thin walls) 3.0~4.0 46.3~61.8 PBT 3.0~4.5 46.3~69.5 PSU 6.0~10.0 92.6~154.4 PC 3.0~5.0 46.3~77.2 PSU(easy flo w) 4.0~6.0 61.8~92.6 PEBA(硬) 2.0 30.9 PVDF 2.0 30.9 PEBA (软) 1.5~2.0 23.2~30.9 SAN 2.5~3.0 38.6~46.3 PEEL 2.0~3.0 30.9~46.3 SAN 3.0~4.0 46.3~6 1.8 PEEK(unreinforced) 2.0~4.0 30.9~61.8 PEEK(reinforced) 4.0~4.6 61.8~92.6 PPO-M (unreinforced) 2.0~3.0 30.9~46.3 PPO-M (reinforced) 4.0~5.0 61.8~77.2 HDPE 1.5~2.5 23.2~38.6 UPVC 2.0~3.0 30.9~46.3 HDPE(lon g flow) 2.5~3.5 38.6~54.0 LDPE 1.0~2.0 15.4~30.9表二热塑性塑料的粘度系数热塑性塑料1.0 PE, PP, PS 1.2~1.4 NYLONS(PA6 OR PA66) POM 1.3~1.5 Celluosics 1.3~1.5 ABS, ASA , SAN 1.5~1.7 PMMA 1.7~2.0 PC, PES, PSU。