出货流程图
- 格式:xlsx
- 大小:20.20 KB
- 文档页数:2
实用文档
仓库销售出货流程表
一、根据销售合同出货日期及出货明细,由销售助理填写业务销售
订单,由销售经理审核。
(业务销售订单一式二份:仓库一份,销售部门一份)
二、仓库根据销售单发货,并填制出库单,(出库单一式五联:二
联仓库,一联财务,一联销售部门,一联客户)
三、仓库收到销售单之后,如订单里的产品有的库存不足或没有库
存,必须第一时间告知行政小张这边,由小张通知柯经理进行调货。
四、货发出后,仓库需第一时间通知销售助理,且必须有仓库和销
售助理签字确认,以便销售助理进行物流跟踪,通知客户到货时间。
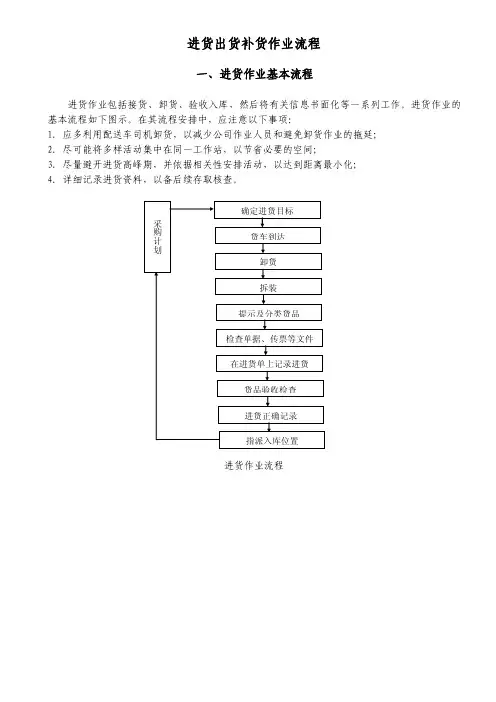
进货出货补货作业流程一、进货作业基本流程进货作业包括接货、卸货、验收入库,然后将有关信息书面化等一系列工作。
进货作业的基本流程如下图示。
在其流程安排中,应注意以下事项:1.应多利用配送车司机卸货,以减少公司作业人员和避免卸货作业的拖延;2.尽可能将多样活动集中在同一工作站,以节省必要的空间;3.尽量避开进货高峰期,并依据相关性安排活动,以达到距离最小化;4.详细记录进货资料,以备后续存取核查。
进货作业流程将拣选的商品按订单或配送路线进行分类,再进行出货检查,做好相应的包装、标识和帖印标签工作,根据门店或行车路线等将物品送到出货暂存区,最后装车配送。
出货作业流程如下图示:出货作业流程图1.分货作业采用人工分货方式处理,在完成货物拣选之后,将所拣选的商品根据不同的门店或配送路线进行分类,对其中需要进行包装的商品,拣选集中后,先按包装分类处理,再按送货要求分类出货。
2.出货检查作业根据门店、车次对象等对拣选商品进行产品号码和数量的核对,以及产品状态和品质的检验。
可以采取以下两种方法检查。
(1)人工检查,将货品一个个点数并逐一核对出货单,再检查出货品质水准及状态。
(2)商品条码检查。
当进行出货检查时,只将拣出货品的条码,用扫描机读出,电脑则会自动将资料与出货单对比,检查是否有数量或号码上的差异。
3.出货形式配送中心在拣取方面采用托盘、箱、单品为单位。
4.出货作业质量控制拣选作业的效率和对拣选准确性直接影响供应商的结算和库存的准确率和后续作业的正常进行。
补货作业是将货物从仓库保管区域搬运到拣货区的工作,其目的是确保商品能保质保量按时送到指定的拣货区。
1.补货方式(1)整箱补货(2)托盘补货(3)货架上层——货架下层的补货方式2.补货时机(1)批组补货每天由计算机计算所需货物的总拣取量和查询动管区存货量后得出补货数量,从而在拣货之前一次性补足,以满足全天拣货量。
这种一次补足的补货原则,较适合一日内作业量变化不大、紧急插单不多或是每批次拣取量大的情况。
出库业务流程图(总2页)--本页仅作为文档封面,使用时请直接删除即可----内页可以根据需求调整合适字体及大小--仓库出库作业流程一、接到提货单二、出库凭证审核1、核对出库牌子凭证的真实性和合法性2、核对商品的品名、型号、规格、价格等三、捡货、备货1、信息处理和拣货作业订单2、根据订单对商品进行分类四、出货检查1、客户对产品进行验收检查2、仓库管理员对所有出库商品实行检查核对,保证实发货物准确无误五、出库1、提货人签字确认2、仓库管理员签字确认3、填写出库单六、善后处理1、库管员整理现场,清理单据,登记帐册,资料归档2、管理员整理互联网电子信息注:出库单也是一式四份,第一联、存根;第二联、成品库留存;第三联、财务核算:第四联提单,提货人留存。
货物出库的方式主要有三种;客户自提,委托发货,公司送货。
第一种:客户自提,是客户自已派人或派车来公司的库房来提货。
第二种:委托发货,自己去提货有困难的客户而言,他们会委托我们公司去找第三方物流公司提供送货服务,第三种:是仓储企业派自己的货车,给客户送货的一种出库方式。
一论采用哪种出货的方式,都要填写出库单,出库单主要有以下项目:发货单位、发货时间、出库品种、出库数量、金额、出库方式选择、运算结算方式、提货人鉴字、成品库主管鉴字。
出库物品要求:出库物品要求做到“三不”、“三核”、“五检查”“三不”即未接单据不翻帐、未经审核不备库、未经复核不出库。
“三核”即发货时要核实凭证、核对账卡、核对实物。
“五检查”即指单据和实物要进行品名检查、规格检查、包装检查、件数检查、重量检查。
物流一班孙秋爱乔艳红张明月??出库业务流程图。
拟制:杜琪山2013-4-13审核:业务下单及跟踪出货流程图客户下单跟单员确认业务下单,并核对转交仓库评审无料或
欠料仓库请购采购订料采购回复到料交期有材料确认BOM 表中物料
并反回到市场部业务打印生产单
并提交生产部生产部回复生产周期
和内部交期业务部回复客户交期生产/检验/包装/标识跟单员关注生产进度包装员填入库单并报检合格
包装员封箱QA 在入库单上签名QA 在外标识中盖章
不合格退回生产部返工
入库单转业务部签名后分发到生产/业务/仓库各1份
通知跟单员对货/出货
业务经理审批。