制程稽核作业程序
- 格式:xls
- 大小:151.50 KB
- 文档页数:4
制程检验管理程序(IATF16949/ISO9001-2015)1目的:1.1防止制程中品质变异提早发现不良原因避免不良品大量产生。
1.2增进作业人员对品质标准的认识,作为自主检查与巡回检查之基准,进而达到降低成本,提高市场竞争力。
2适用范围:自零、配件原料开始上线制造到成品包装入库完成为止均适用本办法,模具依『模具制程管理程序』。
3职责:3.1生管负责生产进度安排及物料、成品之发(领)料及保存。
3.2制造于制程中依制程作业标准书之规定做自主检查,并予以记录。
3.3品保对制程中或入库前作全程的品质检核,包括巡回检验及成品检验。
4名词定义:4.1发(领)料:仓库依生产计划发料至制造单位或由制造领料之作业。
4.2自主检查:作业人员对工作站制品自我检查并记录。
4.3巡回检查:品检人员于制程中作不定时依品质管制计划表的检查频率对现场及产品查核并予记录。
5制程检验内容:5.1作业程序5.2执行方法:5.2.1生管每月底前依客户需求排定生产计划。
5.2.2领发料作业:5.2.2.1生管依生产计划需求,以成套领发退料单依指定数量标示明确,发料至现场指定区,并经制造单位签收。
5.2.2.2.螺丝帽等法定标准件或指定物料制造单位就现场库存需求,以领料单向生管领取。
5.2.3生产作业:制造单位每日依生产计划派工,并查核所需人力、材料、设备条件等是否正确,合格后即依制程作业标准书进行生产作业及首件检查、自主检查。
5.2.4自主检查:5.2.4.1首件检查之时机:每日开机后之首件换线后之首件设备修理后之首件作业人员更换后之首件作业条件变更后之首件停电后再开机之首件。
5.2.4.2专机(线)生产之产品或生产期间长,中途有休息停机者均需做首中件检查,作业员于每日上、下午开机时做首件检查,中间休息后再开机生产时做中件检查,小批量短期间生产之产品则做首末件检查。
5.2.4.3首中件检查由作业员检查壹件,依检查项目实施并记录于自主检查表中,并在检查部品上签名,注明时间,放置于检具上或易于目视之规定处,至中件检查后再放入料架中,中件检查作业亦同,至末件检查时放入料架中。
稽核工作流程第一篇:稽核工作流程稽核工作流程一、制定稽核计划1.和被稽核科室交流,了解业务特点,确立稽核重点。
2.起草稽核工作计划报科室分管处长,处长。
二、制度学习阶段1.全面收集文件依据,包括国家、省、学校、处内部规范等。
2.学习文件,记录学习笔记,写出备忘录,明确涉及内部控制、实际操作的重点条款。
3.学习业务知识,了解业务流程,寻找关键控制点,发现管理上及认知上盲点。
三、业务稽核阶段1.按照工作计划,分块,分条进行帐务处理、会计凭证等抽查、稽核,发现内控、操作上错误,形成稽核工作底稿。
2.与科室人员交流,达成共识,共同提高认识,促进工作开展。
四、汇报、整改阶段1.深化、整理、汇总稽核工作底稿,起草稽核工作报告。
2.与科长等协商修改报告后,提交科室分管处长,处长。
3.根据领导指示,进一步修改、充实稽核报告。
3.参与科室制定有关整改措施。
4.向处长办公会汇报。
第二篇:稽核员每日工作流程稽核员每日工作流程稽核员每日主要工作流程如下:1、检查收拾,整理清洁,保持工作环境的干净整洁,以一个良好的精神面貌迎接一天的工作。
2、查看工作交接本,阅读晚班同事交接内容,处理交接事项,并做好详细记载和交接。
3、数据稽核。
整理归档上一天的单据、报表等,落实上一天稽查出来的问题。
根据系统入单和结账数据仔细对照各营业点上交的日报表数据,做到一一对应,如发现不能核对的数据须询问该营业点具体情况,根据服务员开出的消费单据和收银员结算的结账单,核实误差的原由,对少入,误入等情况做好登记,责任到人。
3.1客房/温泉/餐饮/太乙洞/员工商场稽核A各营业点的报表与收入要一致,报表左右要平衡,账单齐全并盖有收款章,账单要有付款方式,如果客人要底单,底单要盖上结算章。
B折扣要由部门经理签字认可,免费住房或公司招待必须有董事长或者总经理或相关负责人批准并签字,汇报财务总监核查。
C做报表要按订单所指房间种类,天数、包括加床、餐费,报账单单位的报表一定要资料齐全(订单和底单)D数额减少要经主管及经理签字,而客人拒绝付款要有经理的签字认可。
版本(次)
生效日期
规定静止时间内就使用,对品质存在较大的隐患。
5>环境:环境也是影响生产中的一大要素,温湿度、含尘量都是环境因
素,如:无尘室内的温湿度不在范围内,会导致菲林涨缩。
5.2.3持续未改善处理办法:
1>所有违规现场由当站品保要求责任制程主管书面对策改善。
2>以月为单位针对各制程人员违规稽核缺失前三项,设定月目标,以单
项违规次数降低50%做为下月目标值。
3>如设定目标第一个月未达成时,将以看板宣导方式,将未达标项目张
贴作业现场。
4>如设定目标第二个月未达成时,将以看板宣导方式,将未达标项目张
贴制造部办公室,供制造最高主管,每日开会宣导。
5>如设定目标第三个月未达成时,将对制程课长及主任呈报处理。
处理
结果由稽核统一归档。
5.2.4若查核标准互有抵触时,按下列规范为准:
1>作业规范,
2>操作规范
3>最新联络单
4>最新会议记录
+0.15+0.30NG NG OK 30mm 30mm 5mm 60-100mm。
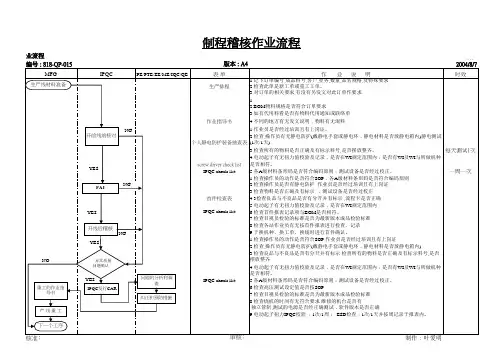
益阳天格印业高新区分公司1.目的明确制程稽核作业流程,完善制程稽核作业,使生产部作业严格按照QC工程图和相关制程文件要求进行生产,保证成品品质符合要求。
2.范围适用于生产车间、产成品仓库、出货站台区域管制。
3.名词解释稽核:制程品管按QC工程图的项目、频率检查生产人员的首检和自检,各制程参数的执行状况:如:糊化温度、粘度,模切压力,油墨粘度等。
4.职责4.1 生产部:生产自主检查、调试,控制,异常处理;4.2 质控部:稽核生产相关人员的执行状况、工艺参数执行状况稽核、产成品及半成品规格符合性以及出现异常时进行反馈、处理及改善追踪。
5.作业内容:5.1 制程稽核作业流程图见附件一;5.2 制程调试和控制:生产部班组根据《QC工程图》和相关制程文件要求,调整制程参数,使其控制点在允许的误差范围之内。
5.3 稽核内容和频次:质控部质控员组根据《QC工程图》规定的项目和频次对制程工艺和半成品及成品品质进行检查,并将稽核结果记录在《平板线稽核巡检表》、《水印稽核巡检表》、《后工序巡检记录表》上。
5.4 过程异常及处理:质控部质检在稽核过程中发现控制点异常应立即通知相关生产人员进行调整,直到调整至规定要求,并填写《制程异常改善通知单》提报质控部主管。
如果该员不予以配合,应报告生产主管进行协调,并将情况如实记录。
5.5制程品异常处理:质控部制程稽核人员在稽核过程中发现制程品异常,对已生产或入库的产成品进行检查,并通知制造人员追溯全部不良品,依《不合格品控制程序》作业。
5.6稽核异常的处罚:质控部主管依据异常情况发现制程品质异常进行分析,如果异常是人为原因造成,依据《品质奖惩作业办法》进行提报处罚,并会签相关责任部门主管。
非人为原因则不予处罚。
发现制程品异常,经复查仍未改善的则应依据《品质奖惩作业办法》进行处罚。
5.7 特殊情况下的制程稽核5.7.1 首检时发现的异常项目或者异常机台作为本班的重点稽核点;5.7.2 在本月制程稽核异常中排列前三位的稽核项目,应列为下一个月的稽核重点,稽核频次加倍。
稽核流程说明书一、引言稽核流程是指对企业或组织内部的各项活动、流程、制度进行全面审查和评估的过程。
通过稽核流程,可以发现问题、弥补漏洞、提高效率,从而确保企业的正常运营和发展。
本文将详细介绍稽核流程的各个环节和步骤,以及相关的注意事项。
二、稽核前准备在进行稽核之前,需要进行一系列的准备工作。
首先,明确稽核的目的和范围,确定需要稽核的具体对象和内容。
其次,制定稽核计划,确定稽核的时间安排、人员配备等。
同时,收集相关的资料和信息,为稽核工作提供必要的依据和参考。
三、稽核程序1. 了解业务流程在进行稽核之前,需要对被稽核对象的业务流程进行全面了解。
通过与相关人员的交流和资料的查阅,掌握企业的运作方式、各个环节的具体流程以及相关的制度和规定。
2. 风险评估稽核的目的之一是发现潜在的风险和问题。
在进行稽核过程中,需要对各个环节进行风险评估,确定可能存在的风险点和薄弱环节。
通过评估,可以为后续的稽核工作提供重点和方向。
3. 数据收集与分析稽核过程中,需要收集各种相关的数据和信息。
这些数据可以来自企业内部的系统、文件、报表等,也可以来自外部的调查和比较。
通过对数据的收集和分析,可以对企业的运营情况进行客观的评估和判断。
4. 实地调查为了更加准确地了解企业的实际情况,稽核人员需要进行实地调查。
通过观察、访谈和检查,可以直接获取相关的信息和证据。
实地调查是稽核工作中不可或缺的环节,可以发现隐藏的问题和不合规的行为。
5. 发现问题与整改建议在稽核过程中,如果发现问题和不合规行为,稽核人员需要及时记录并提出整改建议。
整改建议应该具体、明确,指出问题的原因和解决方案,并提出相应的改进措施。
稽核人员应该与企业内部的相关人员进行充分的沟通和协商,确保整改工作的顺利进行。
6. 编写稽核报告稽核报告是稽核工作的总结和归纳,也是对稽核结果的正式呈现。
稽核报告应该包括稽核的目的、范围、方法、结果和建议等内容。
报告的撰写应该准确、清晰,逻辑严密,以便于相关人员的理解和接受。
IPQC如何做好制程检验及制程稽核如此重要的制造过程中,质量管理的人员更加责作者重大,要求格外认真,切不可因为做"熟"了而对每次检查抱例行敷衍的态度,大家都知道,东西要一次做好,关键就在这里,若等到错了再来返工,损失巨大而无谓!下面介绍的就是IPQC如何做好制程检验及制程稽核:一. 制程检验与测试之规划1.1 对新产品、新制程或新项目而牵涉及制程的新设定或变更时,研发部门、工程部门、质量部门等相关单位应共同考虑产品特性、物料或环境的状况,于制程中的重要点验证其质量状况。
每一阶段的检验与测试作业均应直接与成品规格或作业要求相关。
1.2 应在制程中适当定点实施检验与测试作业,设置的位置与检验频率,应依据产品的重要特性与验证的难易而规划(拉力.醋酸.张力.百格.耐磨.组装。
1.3 制程中检验与测试应依产品之特性、制程之型态规划于特定产品制程检验与测试作业中,并采用下列之一种或数种方法;a 自主检查-作业人员本身所作的检验与测试,依据SIP与各作业指导书执行之。
b 自动化检验与测试-使用自动量测减少人为失误,为现代化工厂大量使用。
c 检验站检验-依据IPQC制程检验标准执行100%检验或IPQC抽样检验。
d 巡回稽核-由IPQC巡回稽核以监测特定之制程,巡回稽核之作业应定于制程检验与测试作业程序中。
e 首件检验-依据《图纸》《客户样品》《SIP》《SOP》等与IPQC制程检验标准执行每个生产环节正式生产前之第一件检验。
(首件定义为每日生产前或换线,异常停止后重开或每产品的第一件二 .检验与测试作业的实施2.1 完成制程检验作业流程。
2.2 新开机及产品初次生产、制程初次设立或间隔一段时间再生产时,应依产品试产之规定实施验证。
2.3 首件检验: 每批首件产品须经制程IPQC人员检验合格后,始可继续生产,检验结果记录于首件检查表。
若首件不合格﹐应立即通知生产现场领班重新设定与调整。
2.4 制程检验工 a 每工段作业完后, 生产现场人员将产品放置待验区待制程IPQC人员检验﹐检验前应确认半成品标签数据内容填写是否详实。
************
文件类别: 作业规范
文件编号: ************ 撰定单位: **************** 版本: 第 * 版
发行日期: 年月日
机密等级: □机密□一般
合计页数: 共 * 页
饮品事业群品保中心
PS: 1.CAN250、350停机超过30分钟后回收再开以开机条件管制。
2.CAN1000 停机温度低于80℃皆回收。
3.CAN350、CAN350 停机温度低于85℃皆回收。
4.CAN250空罐重 43gm。
CAN250上部空隙 4 – 6 mm 。
CAN350 空罐重 55gm。
CAN350上部空隙 6 – 11 mm 。
CAN1000 空罐重 118gm。
CAN1000上部空隙 8 – 18 mm 。
5.冷却槽残氯量2-4ppm 。
PS:玻璃瓶冷却槽残氯量罐头出口处1-3 ppm;罐头入口处3-7 ppm。
PS:1.PET冷却槽残氯量罐头出口处3-7 ppm。
2.旋盖扭力单位inlbs为每一英镑可旋转多少英吋。
(附件五)
PS:停机再开充填温度不得低于罐中心温度,温度不足,则果汁回收。
(附件六)
(附件七)
TP制程检核记录表
品名:系统别:
副理:。
1.目的
PCB各制程设备能力在固定期间内做相关稽核测试,以确保各工序的设备能力稳定,同时反映出各制程的问题点,以改善之确保制程稳定性,特订制此作业指导书;
2.适用:
凡本公司内的PCB各制程应对工序
3.职责
技术部:制定各工序设备能力测试项目、方法与频率,同时分析各制程能力是否稳定并提出改善或提升计划;
生产部:执行各工序设备能力测试项目,并制定出记录表单进行记录,以便品管追查稽核之用;
品质部:负责各制程能力测试结果的稽核与改善追踪
4.管理内容:
当本公司新制程或新设备导入试车,制程能力需要进行测试
4.1.1 定义:因厂内生产所需且会影响产品品质之制程、设备,在增加新制程、变更型
号,加装新功能时或引进新设备时适用
当本公司因产能或某一制程缺少,需评估外包商时,制程能力需要进行测试
4.2.1 定义:因厂内某单一制程产能存在瓶颈,或因业务产品订单需要,但暂缺某单一制
程,需寻求外包商协同解决时,外包商的设备及制程均适用
当本公司已经投入量产阶段,为确保制程稳定性,须定期检测制程能力4.3.1 定义:凡是厂内PCB制程均适用
制程能力测试项目、方式及频率:
4.4.1 内层/内检
4.2.2压合
4.4.3 钻孔/PTH/电镀
4.4.4 外线/蚀刻
4.4.5防焊
4.4.6 表面处理/成型/品检
5.相关文件
制程管理计划作业指导书
6.附件
______________课制程能力测试点检表
日期:_______________。
工厂生产制程稽核计划内容《工厂生产制程稽核计划内容:那些不得不说的事儿》嘿,咱今儿就来唠唠工厂生产制程稽核计划内容这档子事儿。
咱先说说这为啥要有这个稽核计划吧。
你想啊,工厂就像个大机器,各个零件都得好好协作才能顺畅运转。
这制程就好比是机器运行的轨道,要是轨道歪了或者有啥毛病,那这机器可不就得出乱子嘛!所以啊,得有个稽核计划来盯着,就像个严厉又细心的老妈子,随时监督着生产过程,可不能出岔子。
那这稽核计划都得干点啥呢?那可多了去了。
首先得检查原材料吧,别弄些次品进来,那生产出来的东西能好嘛!这就像做菜,你用烂菜叶子能炒出美味佳肴吗?显然不能啊!再来就是看生产工艺对不对头,这一步该这么做,下一个环节又该咋整,都得严格按规矩来。
要是有工人偷懒或者瞎搞,那可不行,得赶紧揪出来批评教育。
还有设备的维护也很重要啊!那设备就是工人的好伙伴,得好好对待人家。
要是设备总出毛病,今天卡壳明天罢工的,那还咋生产啊!所以得定期检查设备有没有好好保养,该上油的上油,该维修的维修。
然后呢,环境卫生也不能忽视!你想想,要是车间里脏兮兮的,到处是灰尘和垃圾,那产品质量能有保证吗?说不定还会带上点“附加物”呢,哈哈!工人上班的环境也得舒适点嘛,不然怎么有心情好好干活呢。
执行这个稽核计划的人可得瞪大了眼睛,不能放过任何一个小细节。
他们就像是工厂的“超级英雄”,哪里有问题就往哪里冲。
有时候我就在想,他们是不是得有一双火眼金睛和一个像计算机一样的脑袋,这样才能把所有问题都找出来。
当然啦,这个稽核计划也不是为了为难大家,而是为了让工厂生产得更好,让大家都有好果子吃。
质量好了,订单就多了,大家的奖金不也就多了嘛!所以说,大家还是得好好配合,别嫌麻烦。
总之,工厂生产制程稽核计划内容可是关乎着工厂的命运和我们每个人的钱包啊!让我们一起重视起来,把这个“大工程”搞好,让我们的工厂像火箭一样蒸蒸日上!哈哈!。