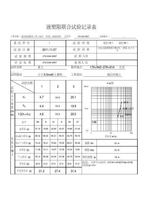
液塑限记录图形自动计算表
- 格式:xls
- 大小:107.50 KB
- 文档页数:1
浅谈Excel电子表格进行液塑限计算与作图按照《土工试验操作规程》做液塑限试验时,其作图求解时误差较大。
含水量跟插入深度的读数都精确到0.1,普遍认为在双对数坐标上难以定点,连线以后亦难以准确读出读数。
解决这一问题,我们可以利用电脑、用计算的方法准确算出液限、塑限。
作图亦可利用电脑的作图功能作出准确的双对数图。
电脑上去计算,首先我们得利用“土在液限与塑限范围内时含水量,其用液塑限联保测量方法的锥或仪的入土深度和土的含水量成对数正比”。
用函数的表示方法:lg(w)=klg(h)+b。
按照此理论:用液塑限联合测量法我们会得出三组试验数据。
入土深度为20mm时(h1、w1),入土深度中间点时(h2、w2),入土深度在塑限点附近时(h3、w3),根据上列函数,我们可得:按此两直线,再根据粉性土或砂性土的公式。
由于做试验的同时一般都须出报告,而Excel同时具备表格和计算作图。
于是我们选择Excel表格来完成该工作。
解出两直线的塑限入土深度,hp1,hp2,(若液限点刚好是20mm时,则只有一个入土深度hp。
再根据两直线方程,用各自的入土深度hp值,计算出塑限Wp1、Wp2。
当│Wp1-Wp2│≤2时,塑限值hp为:(Wp1-Wp2)/2。
当│Wp1-Wp2│>2时,本次试验无效,须重新做试验。
而当│Wp1-Wp2│≤2时,利用试验的液限点(h1,W1)和计算出的塑限点([hp1+hp2]/2,Wp)定的中间线,计算出液限值在h=20mm 时中间线对应的含水量即为液限。
根据以上所列公式,我们利用Excel的计算及作图功能,那我们只须将液塑限试验的数据输入Excel表格。
即可得到液塑限的计算结果。
就用广东省公路工程施工表格中的試验表(15)作为示范。
如下表:我们先建立一个Excel新文件,在“Sheet1”改名为“报告”“Sheet2”中改名为“计算”。
在上图“报告”工作表中,[即试验表(15)]如上表。
液塑限联合测定试验记录表本图坐0.832534820.341945930.983685840.431132550.055109140.87855227123456789101123.419.414.715.613.519.817.613.614.819.220.4 0.1305340.4148350.9871920.1210210.5711460.4778440.3222370.6836110.4452290.680400160.2331410711145826391215253040450.12692221.331803864.711063370.750861312.39297259 2.82703421砂土塑限入土深度粘土塑限入土深度盒号及重量含水量的范围1230.918978602辅助公式系数标准公式系数0.5766645750.680015402顺便给我讲一下如何用VBA将趋势线的公式取出来存在某一个单元格之中,想解决以上问题都需要用到什么知识,在哪里可以查到。
请指教。
图表外的好多数据都是编程序用的辅助数据,不用管他。
两点连成的线用的面的红色数据第一个注意点后面的批注第三个注意点在上面批注中102030405060708011088101809011099101901001101010101100102020101103030101:本图坐标是用双对数函数做的X 注意点在批注中101104040101419.910505010113.344.5106060101410.219.910707010113.327.044.510909010110100100101INDEX 引有EXP 返回e的n次方LN返回给定数值的自然对数LINEST 返回线性回归方程的参数POWER 返回某数的乘幂线用的是后面的红色数据。