220通讯协议说明(1)
- 格式:doc
- 大小:45.00 KB
- 文档页数:2
LoRa集中器说明书USR-LG220-L1.产品特点 (5)2.产品概述 (5)2.1.产品简介............................................................................................................................52.2.基本参数............................................................................................................................62.3.设备支持的有人云功能.......................................................................................................62.4.硬件描述............................................................................................................................73.快速入门.. (8)3.1.前期准备............................................................................................................................83.2.模式简介............................................................................................................................83.3.集中器轮询唤醒入门.........................................................................................................113.4.有人云入门.......................................................................................................................164.产品功能 (24)4.1.私有服务器.......................................................................................................................254.2.有人云..............................................................................................................................314.3.私有服务器+云监测..........................................................................................................394.4.有人云私有部署................................................................................................................394.5.其他设置与功能................................................................................................................395.组装与安装.................................................................................................................................406.集中器调试方法.. (41)6.1.前期准备..........................................................................................................................416.2.用户配置流程...................................................................................................................416.3.速率与传输距离参考表.....................................................................................................446.4.常见入网方式...................................................................................................................447.附加功能及设置.. (45)7.1.4G 接口............................................................................................................................457.1.1.APN 设置.......................................................................................................................467.2.WAN 接口.........................................................................................................................477.3.W I F I 无线局域网................................................................................................................487.4.网络诊断功能...................................................................................................................507.5.固件升级..........................................................................................................................517.6.指示灯状态.......................................................................................................................527.7.软重启..............................................................................................................................528.附录. (53)8.1.私有服务器通信协议类型..................................................................................................538.2.如何连接私有服务器.........................................................................................................538.3.有人云计算软件使用说明.. (58)目录Content8.4.常见问题及注意事项 (63)9.联系方式 (64)有人愿景:成为物联网领域的生态型企业 (64)目录10.免责声明 (65)11.更新历史 (66)Content1.产品特点●LoRa私有协议,简单、安全、可靠●智能自组网●采用时分复用,多通道挂载,减小干扰●支持挂载多个LoRa终端节点最多可达500个●支持接入有人云与私有服务器●支持节点主动上报、集中器轮询唤醒、服务器主动下发●支持网口、4G联网方式●支持1个WLAN无线局域网●网口支持10/100Mbps速率●支持VPN(PPTP/L2TP),PPPOE,DHCP,静态IP等功能●支持一键恢复出厂设置●支持MQTT/Socket服务器连接●远距离传输,空旷地带传输距离可达2500米●可设置相应LoRa节点模块为低功耗●数据加密、校验处理,提高数据传输的安全性、可靠性2.产品概述2.1.产品简介USR-LG220-L是一款基于LoRa私有协议的集中器,通过USR私有协议实现集中器与LoRa节点自由组网、集中器与服务器通讯。
(三相国网表)校表通讯协议范文版本号:V2.4.4一、帧数据格式1.写数据帧格式·功能:主站向从站请求设置数据(或编程)·控制码:C=14H注1:P0P1P2为密码,PA表示该密码权限。
2.从站应答帧(1)从站正常应答帧·控制码:C=94H·数据域长度:L=00H·帧格式:68HA0...A568H94H00HCS16H(2)从站异常应答帧·控制码:C=D4H·数据域长度:L=01H·帧格式:68HA0...A568HD4H01HERRCS16H二、校表帧数据波特率:2400奇偶校验:偶校验数据长度:8位停止位:1位1、部分帧数据示例:选择Un=220V,Ib=10A,脉冲常数EC=800,对应ADC输入端的信号幅度为Vu=230mv,Vi=94mv,表规格为三相四线。
2、电表清零数据标识:04F81600例:6899999999999968140D33492B3777665544333333338D34163、有功增益校正(1)数据标识:DI0DI1DI2DI3=04F81000④.完整的一个写数据帧为:6811111111111168143033432B3735333333333333338333247D23883396D235435AF31417333436C636184E8650238823882388435A435A435A2616注:按07规约的写数据帧格式(2)数据项计算①.数据项1:(2字节)脉冲常数寄存器公式:脉冲常数EC/10,再将结果装换成2字节的十六进制数。
示例:EC=800,则EC/10=80,转换成十六进制为0050②.数据项2:(2字节)HFCONST值A.公式:HFCont=INT[P某3.6某10^6某foc/(32某EC某Un某Ib某2^31)]其中,P为当PF=1.0时,中计算出的标准有功功率。
一、模块功能概述DAM-E3220M适用于以太网转串口的透传以及Modbus RTU到Modbus TCP的网关,硬件设计有以太网口、RS232、RS485、CAN(暂未开放)。
二、模块结构及接线端子三、模块主要性能指标串口设备联网服务器⏹网络端口:10/100Base-T,RJ-45接口⏹串口:1个RS-232,1个RS-485⏹传输速率:RS-232(300bps~115.2Kbps)RS-485(300bps~115.2Kbps)⏹电源:未调理+10~+30VDC⏹功耗:1.0W@24VDC⏹工作温度:-40℃~+85℃四、连接器和信号端子名称说明1CTS1RS-232接口发送数据正2RTS1RS-232接口发送数据负3RXD1RS-232接口接收数据正4TXD1RS-232接口接收数据负5未连接6DATA2+RS-485接口信号正7DATA2-RS-485接口信号负8未连接9未连接10未连接11未连接12INIT*复位端13(R)+Vs直流正电源输入,+10~+30VDC 14(B)GND直流电源输入地五、故障及排除1、数据通信失败⏹检查RS-232/RS485接口连线是否正确⏹检查RJ-45接口接线是否正确⏹检查接线端子是否连接良好2、数据丢失或错误⏹检查数据通信设备两端数据传输速率、格式是否一致六、端口映射关系及参数配置说明控制端口10000用于产品一些工作参数的设定,用户可以不用关注,而10001端口用用只要使用一些通用的以太网虚拟串口工具或本产品附带的工具软件即可将本端口虚拟成串口即可使用。
ModbusTCP端口502为本产品将485口的数据转发到TCP端的专用端口,以太网端采用标准的ModbusTCP协议,可以与一些具有标准ModbusTCP协议的主机进行通信,如测试工具ModbusPOLL、组态软件等。
同时灵活的数据转发方式能够适用于将所有的具有Modbus RTU协议的产品很方便的连接到以太网设备,关于配置方法下面将进行说明。
目录1概述 (1)1.1消息的格式 (1)1.2校验和 (1)1.3数据类型 (2)2消息定义 (3)2.1Common Message (3)2.1.1PDTINFO (3)2.1.2RESET (3)2.1.3OK (4)2.1.4FAIL (4)2.2Config Message (4)2.2.1CFGPRT (4)2.2.2CFGMSG (5)2.2.3CFGNAV (6)2.2.4CFGTM (7)2.2.5CFGTP (8)2.2.6CFGEM (9)2.2.7CFGNMEA (9)2.2.8CFGSYS (10)2.2.9CFGSAVE (10)2.2.10CFGLOAD (11)2.2.11CFGCLR (11)2.3NMEA Message (11)2.3.1GGA (11)2.3.2GLL (12)2.3.3GSA (13)2.3.4GSV (14)2.3.5RMC (15)2.3.6VTG (16)2.3.7ZDA (16)2.3.8GST (17)2.4Navigation Result Message (18)2.4.1NAVPOS (18)2.4.2NAVVEL (18)2.4.3NAVTIME (19)2.5Misc Message (19)3默认配置 (21)3.1串口设置(CFGPRT) (21)3.2消息设置(CFGMSG) (21)3.3定位配置(CFGNAV) (21)3.4授时配置(CFGTP) (21)3.5外部触发事件配置(CFGEM) (22)3.6NMEA配置(CFGNMEA) (22)3.7卫星系统配置(CFGSYS) (22)1概述1.1消息的格式在Unicore协议中,输入和输出的语句被统称为消息。
每条消息均为全ASCII字符组成的字符串。
消息的基本格式为:$MSGNAME,data1,data2,data3,…[*CC]\r\n所有的消息都以'$'(0x24)开始,后面紧跟着的是消息名。
CDP-M22-MODBUS通信协议内容简要本通信协议详细地描述了CDP-M22在MODBUS通讯模式下的输入和输出命令、信息和数据,以便第三方使用和开发。
1.1 串行通讯协议的目的通信协议的作用使信息和数据在上位机(主站)和CDP-M22之间有效地传递,它包括:1)允许主站访问和设定所接CDP-M22的全部设置参数;2)允许访问CDP-M22的所有测量数据和事件记录。
1.2 MODBUS通讯协议的版本该通讯协议适用于本公司已经出厂的CDP-M22仪表,对于日后的系列若有改动会加以特别说明。
1. 3传输特性传输方式:异步串行通信方式。
采用规约:MODBUS从站规约。
传输速率:1200 bps,2400 bps,4800bps,9600bps,19200bps。
传输电缆:采用带屏蔽的多芯铜导线,接口标准应采用一对双绞线。
组成RS-485网络时,双绞线电缆特性阻抗约120Ω,导线电阻应小于0.10Ω/m,导线间电容应小于60pF/m,导线与屏蔽层间电容小于100pF/m 。
RS-485接口为后面板2个端子。
最大传输距离:1300米。
网络连接主站数目:1个。
网络连接从站数目:最多31个。
应答时间:小于10毫秒。
RS-485网络的匹配电阻选取:双绞线网络两端的匹配电阻选取,以现场通信正常为准,一般地1.2km时取120Ω,600m时取220Ω,300m时取330Ω,如通信误码率较大,观察通信时的波形,匹配电阻做适当改变:末端匹配电阻合适末端匹配电阻偏小末端匹配电阻偏大第一章CDP-M22-MODBUS 串行通信协议详细说明2.1 CDP-M22-MODBUS协议基本规则以下规则确定在RS485回路控制器和其他RS485串行通信回路中设备的通信规则:1)所有RS485回路通信应遵照主/从方式。
在这种方式下,信息和数据在单个主站和最多32个从站(监控设备)之间传递;2)主站将初始化和控制所有在RS485通信回路上传递的信息;3)无论如何都不能从一个从站开始通信;4)所有RS485环路上的通信都以“打包”方式发生。
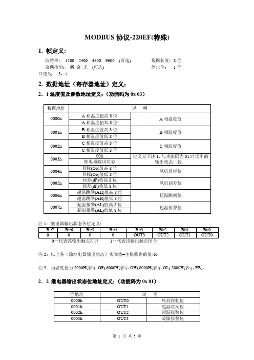
MODBUS协议-220EF(特殊)
1.帧定义:
波特率:1200 2400 4800 9600 (可选) 数据长度:8位
奇偶校验:偶奇无(可选) 停止位:1位
口连线3,4
2.数据地址(寄存器地址)定义:
2.1温度值及参数地址定义:(功能码为0x 03)
0-代表该输出触点打开1-代表该输出触点闭合
注2:以上各(除继电器输出状态)实际值=主机收到的值/10
注3:当温度值为7000H(表示OP),6000H(表示OH),8000H(表示OL),5000H(表示ER)。
2.2 继电器输出状态位地址定义:(功能码为0x 01)
2.3 继电器遥控,输出状态位地址定义:(功能码为0x 05)
2.4 写参数地址定义:(功能码为0x 06或0x10)
0-代表该输出触点打开1-代表该输出触点闭合
注2:以上各(除继电器输出状态)主机下传的值= 实际值*10
注3:功能码0x06为修改单个参数值;功能码0x10为修改多个参数值。
注4:保留地址与表2.1相同,请参见表2.1,如果是保留地址,请用户不要修改此地址数据。
3.说明:
3.1 温控器(仪)通讯中功能码为0x03中上传继电器输出状态与功能码为0x01功能重复,只是为了方便用户选择使用何种方式读继电器输出状态。
3.2 温控器(仪)通讯中功能码为0x06或0x10中遥控继电器输出状态与功能码为0x05功能重复,只是为了方便用户选择使用何种方式遥控继电器输出状态。
3.3 我们建议用户不对超温跳闸进行遥控,否则产生的后果由用户负责。
作者:北铁高科声明:此稿件为北铁高科原创如需转载请注明出处BT-210型车号识别系统是一种铁路货车和机车电子标签读出装置,由主机、天线、射频电缆和车轮传感器(磁钢)四部分组成。
主机内包含线性电源、射频组件的解码板和磁钢板等部件。
BT-210型车号识别系统提供了友好的人机界面,方便易用的通讯协议和良好的可靠性。
BT-210型车号识别系统提供了一块液晶显示屏和4个LED指示灯,可以实时的显示车号主机的工作状态,包括功放的开关、标签的读取情况、以及标签的内容等等。
BT-210型车号识别系统提供两个RS-232串行接口,实现四种通讯协议,可以适应不同的使用要求。
一种通讯协议是实时解码、实时采集车轮传感器信息,然后实时上传,即当标签在读取区域时不断的进行解码并通过串口1实时输出标签信息,并实时上传采集的车轮传感器通过时间信息;第二种通讯协议是当列车通过后,将列车的车号信号和车轮时间信息生成报文再通过串口1上传;第三者通讯协议是只实时解码车号标签,通过串口2以固定的115200波特率上传。
这三种协议可以根据实际使用要求进行选译。
系统还支持车号数据备份功能,可以保存上次过车的车号数据,直到下车列车到达之前都可以读取出来。
关于通讯协议的具体说明,请参考下文“通讯协议”部分。
BT-210型车号识别系统各串口的通讯速度可以通过软件进行设置,以适应不同的使用要求。
串口通讯速度的配置信息保存在主机内的存储器内,仅设置一次即可。
如果记忘记了以前设置的通讯速度,本机附送的软件可以自动测试各串口的通讯速度,并可以方便配置各串口通讯速度。
BT-210型车号识别系统可以通过通过车轮传感器识别列车到达和离开,然后自动打开和关闭功放。
在不工作时,可以把功放关闭,以减少对环境和工作人员的微波辐射。
本车号识别系统也可以提供TTL电平的功放控制接口,以适应特殊的应用场合。
BT-210型车号识别系统可以根据主机内的温度自动控制冷却风扇的启停,不需人工干预,使用方便。
mqw5102通讯协议Profibus-DP 简介Profibus 是唯一集成 H1(过程)和 H2(工厂自动化)的现场总线解决方案,是一种国际化的、开放的现场总线标准,它也是国际标准 IEC61158 中 8 种现场总线之一。
Profibus 可以将数字自动化设备从低级(传感器/执行器)到中间级执行级(单元级)分散开来。
根据应用特点和用户不同的需要,Profibus 提供了 3 种兼容版本通信协议:FMS 、PA 和DP 。
Profibus-DP 用于自动化系统中单元级控制设备与分布式I/O 的通讯。
Profibus-DP 使用第 1 层、第 2 层和用户接口层、第3~7 层未使用,这种精简的结构确保了高速数据传输。
直接数据链路映像程序 DDLM 提供对第 2 层的访问。
用户接口规定了设备的应用功能、Profibus-DP 系统和设备的行为特性。
Profibus-DP 特别适合于 PLC 与现场分级式 I/O 设备之间的通讯。
主站之间的通讯为令牌方式,主站与从站之间为主从方式,以及这两种方式的混合。
PROFIBUS–DP协议明确规定了用户数据怎样在总线各站之间传递,但用户数据的含义是在PROFIBUS行规中具体说明的。
另外,行规还具体规定了PROFIBUS-DP如何用于应用领域。
使用行规可使不同厂商所生产的不同设备互换使用,而工厂操作人员毋须关心两者之间的差异。
因为与应用有关的含义在行规中均作了精确的规定说明。
下面是PROFIBUS-DP行规,括弧中数字是文件编号:(1)NC/RC行规(3.052)(2)编码器行规(3.062)(3)变速传动行规(3.071)(4)操作员控制和过程监视行规(HMI)Profibus-DP 物理层传输介质:PROFIBUS-DP 传输技术采用的是 RS485 传输,其传输介质可以选择型式A 和型式 B 两种导线,A 为屏蔽双绞线,B 为普通双绞线。
但在 EN50 170 标准中规定为型式 A 导线,型式 A 比型式 B 有较大的扩展长度,见表 1。
海为PLC与组态软件通讯介绍:一、注意要点:1、因为目前组态软件不直接支持海为PLC设备,只能使用Modbus通讯协议与海为PLC进行通讯。
对不直接支持海为PLC 设备的触摸屏和文本显示器,也使用Modbus通讯协议与海为PLC进行通讯。
2、在组态时需要将海为PLC的位(X/Y/T/C/M/SM)地址或寄存器(AI/AQ/TCV/CCV/V/SV)地址转换为Modbus的地址,见下面“Haiwell PLC通信地址代码表”,如M0=3072 M11=3083 V0=512 V200=712。
3、海为PLC的Modbus的地址以0为开始,如果组态软件中Modbus的地址也是以0为开始则直接使用转换后地址(如M0=3072 M11=3083 V0=512 V200=712),如果组态软件中Modbus的地址是1为开始则必须将转换后地址再加1(如M0=3072+1=3073 M11=3083+1=3084 V0=512+1=513 V200=712+1=713)。
4、海为PLC的所有通讯端口默认的通讯格式是:波特率19200/数据位8/无校验/停止位2/RTU,即19200,8,N,2 RTU。
5、详细的Modbus通讯协议介绍请参考“海为PLC编程软件在线帮助”的通讯协议部分。
6、海为PLC与8种组态软件通讯的示例程序可以到海为网站的“下载中心”下载。
/download.asp二、与组态软件通讯一般遵循以下步骤来完成:1、建立新工程2、建立通讯设备3、定义变量(标签)4、建立画面5、根据需要建立其他如报警/配方6、运行测试1-4步为必须完成的步骤,具体操作请参考相关组态软件的使用手册。
三、与8种组态软件通讯介绍因为主要难点在“建立通讯设备”和“定义变量(标签)”,下面介绍与8种组态软件通讯也着重在这方面1、与杰控组态软件通讯(Modbus的地址也是以0为开始)1)、在“设备通讯”中“安装通讯驱动”,如图:2)、在“设备通讯”中“选择通讯驱动”,如图:3)、在“设备通讯”中“定义设备数据表”,如图:4)、在“运行数据库”中“定义变量”,如图:2、与MCGS组态软件通讯(Modbus的地址也是以1为开始) 1)、在“设备窗口”中建立“通用串口父设备”,如图:2)、在“通用串口父设备”下建立“设备0-Modbus设备”,在“设备0-Modbus设备”下建立“通道”,如图:3)、进行“通道连接”和“设备调试”,如图:4)、在“实时数据库”页“定义变量”,如图:海为续前3、与超控组态软件通讯(Modbus的地址也是以1为开始)1)、在“硬件设备”中新建“设备”,类型选择“莫迪康ModbusRTU”,如图:2)、定义设备的通讯格式,如图:3)、在“标签管理”增加“标签”,如图:4、与组态王组态软件通讯(Modbus的地址也是以1为开始)1)、在“设备/COM1”下新建“设备”,类型选择“莫迪康Modbus RTU”,按步骤定义设备的通讯格式,如图:2)、在“数据库/数据词典”中定义“变量”,如图:5、与世纪星组态软件通讯(Modbus的地址也是以1为开始)1)、在“设备驱动/驱动设备管理”窗口中新建“设备”,类型选择“标准Modbus协议/ Modbus RTU(十进制地址)”,如图:2)、定义设备的通讯格式,如图:3)、在“变量字典”中增加“变量”,如图:6、与开物2000组态软件通讯(Modbus的地址也是以1为开始)1)、在“硬件系统”下新建一个节点,在节点下新建“设备”,类型选择“其他设备/Modbus RTU兼容设备”,按步骤定义设备的通讯格式,如图:2)、在“标签”中增加“标签”,如图:续前7、与力控组态软件通讯(Modbus的地址也是以0为开始)1)、在“实时数据库/IO设备驱动/PLC/Modicon(莫迪康)/MODBUS(ASCII&RTU串行口通讯)”下“添加设备驱动”,按步骤定义设备的通讯格式,如图:2)、双击“变量/数据库变量”打开“变量定义”窗口,如图:3)、按“点组态”打开“数据库点定义”窗口,如图:4)、从“数据库点”中选择点“定义变量”,如图:8、与紫金桥组态软件通讯(Modbus的地址也是以0为开始)1)、在“数据库/设备驱动/PLC/Modicon(莫迪康)/MODBUS (ASCII&RTU串行口通讯)”下“添加设备驱动”,按步骤定义设备的通讯格式,如图:2)、双击“点组态”打开“点组态管理”窗口,定义数据点如图:——完——[ 123] 求用海为PLC modbus协议编程[ 112] 求编程软件[ 90] 计数器使用[ 86] 海为公告[ 74] 请高手来个例程[ 59] 请教偏移量问题?[ 54] 海为PLC HW-E16ZS220R 继电器输出[ 38] 求基于上下位机的水泥清洗系统的海为PLC程序[ 11633] 温度控制难吗?太简单了,看源程序详细介绍[ 4124] 海为PLC与接近开关接线图[ 3788] 海为PLC——AI/AO模拟量运用介绍(图)[ 2791] 海为PLC在恒压供水中的应用程序[ 2047] 通过手机短信控制海为PLC的程序(图)[ 2024] 大家认为海为的PLC如何?[ 1788] 海为PLC——在继电器检测设备上的应用[ 1739] 用海为PLC计算累计流量的程序(图)[ 1488] VB与海为PLC通讯源程序讲解[ 1462] 海为PLC联网示意图Haiwell-海为最新悬赏帖子。
220仪表通讯协议说明
220采用485通讯接口,执行Modbus-RTU协议,数据位8位,停止位2位,无校验。
具体由参数27(通讯模式,设定为1)、参数28(机码)和参数29(波特率)设定。
仪表支持02读开入命令,03读参数命令,05开关输出命令,单字节写命令和0x10多字节写命令。
1. 02读开入命令
格式:01 02 00 00 00 04 crc0 crc1 返回01 02 01 Data crc0 crc1
读取00开始的4个开入状态Data为开入状态,每个位代表一个开入
220仪表有4个输入。
2. 03读参数命令
格式:01 03 00 00 00 01 84 0A 返回01 02 02 03 04 crc0 crc1
读00开始的1个字返回2个字节0304
仪表参数地址见下面的附表。
3. 05命令
格式:01 05 00 01 ff 00 crc0 crc1 返回格式一样
05命令可以实现开关量输出控制,报警复位,恢复出厂等。
具体功能见下附表。
4. 06和0x10命令
格式:01 10 00 00 00 02 04 01 02 03 04 crc0 crc1 返回01 10 00 00 00 02 crc0 crc1 修改00开始的2个字为0102 0304
01 06 00 00 01 02 CRC0 CRC1 返回一样
修改00地址参数为0102
注意仪表的参数都是有int和long型的,int型参数,每个参数占用一个地址,1个字长。
Long型参数,每个参数占用2个地址,2个字的长度!
注:除了上述数据外,仪表的参数表中所有参数都可以通讯读取或者修改,所有实时数据都可以读取。