广东省汽车客运站站级验收标准(试行)
- 格式:pdf
- 大小:185.51 KB
- 文档页数:7
广东省汽车客运站
级别验收报告
(2011版)
业主名称
经营单位名称
站场名称
验收时间
组织验收单位
验收方法
1.本验收报告由验收单位通过省道路运政管理信息系统打印后,交验收小组填写,除报告正文外还应包括专家个人意见及相关单位意见。
2.验收内容包括对基础资料、相关证明材料、设施设备、相关数码照片、其他资料及报表核查等五个方面。
3.验收专家组应如实对五个方面的实际情况进行现场核查,并在验收表中逐项填写。
各项核实无误后在每页右下角的“验收专家签名:”处签署自己的姓名。
4.验收专家组应根据实际核查情况,对照站级验收标准,综合确定最终验收意见和结论,并由小组所有成员共同签字确认。
5.各项填写完毕后,由验收单位逐页扫描合并为一个PDF文件,并将该文件保存在系统的“验收报告扫描件”项目中,以备后续的资料审查。
审核专家签名:
申报材料2—核查结果核查方式:
审核专家签名:
审核专家签名:
审核专家签名:
申报材料3—相关数码照片打印照片属实请在□内划√
审核专家签名:
审核专家签名:
审核专家签名:
审核专家签名:
审核专家签名:
审核专家签名:
申报材料4—资料、报表核查结果情况核查方式:
验收组最终意见:
验收报告附件之一:
专家个人意见
验收报告附件之二:
相关单位意见。
广东省汽车客运站站级验收标准(试行)1 汽车客运站设施设备配置表1.1 表11.2 表22 其他规定2.1 站房2.1.1 站房的主要功能区(售票厅、候车室、行包托运处、检票口等)应做到分布明显,客流、行包流避免交叉。
2.1.2 车站的各种宣传告示(班次时刻表、里程票价表、行包价目表、营运线路图、旅客须知、禁运限运物品宣传图、公告牌等)应在站房内外的适当位置配置齐全,做到有效、醒目、美观大方。
一、二级站应以电子显示方式清晰、明了地发布班车信息。
2.1.3 问讯处应设在邻近旅客主要入口处。
问讯处前宜留有充足的旅客活动空间。
2.1.4 候车厅(室)候车厅(室)座椅的排列方向应有利于旅客通向检票口,每排座椅不多于20座,两端宜设置不少于1.5m的通道。
双向对坐的座椅,排间通道的宽度应不少于1.5m。
重点旅客候车室应邻近站台设置,室内宜设婴儿床、哺乳分隔区。
2.1.5 厕所一、二、三级站应在候车区域设置旅客厕所并配置盥洗设施;四、五级站宜在候车区域设置旅客厕所并配置盥洗设施。
具体指标见下表:厕所及盥洗设备指标房间名称 设备内容(按旅客最高聚集人数计)男 厕 每70人设大便器一个和小便斗一个(或小便槽0.7m长)女 厕 每35人设大便器一个盥 洗 台 每125人设一个盥洗台注:⑴男、女旅客人数分别按旅客最高聚集人数的60%和40%计;⑵大便器至少设2个;⑶残疾人大便器另计。
一、二、三级站应设到站旅客使用的厕所,其面积和坑位数不计入候车厅(室)厕所之内。
2.2 场地设施2.2.1 站前广场应明确、合理地划分车流路线、客流路线、停车区域等。
2.2.2 汽车进站口、出站口应符合下列规定:一、二级站进站口、出站口应分别独立设置,三、四级站宜分别设置;进站口、出站口宽度均不应小于4米。
汽车进站口、出站口与旅客主要出入口应设不小于5m的安全距离,并应有隔离措施。
2.2.3 残疾人通道凡是有台阶的站前广场、候车室、站台、发车位等区域均应设置符合《城市道路和建筑物无障碍设计规范》(JGJ50-2001)规定、方便残疾人员使用的无障碍通道,并设有无障碍标识。
汽车客运站等级划分和建设要求2020一、引言近年来,随着城市化进程的加快和人们出行需求的增加,汽车客运站的建设和管理也变得愈发重要。
汽车客运站等级的划分和建设要求不仅关系到城市形象和发展水平,更关乎广大市民的出行体验和安全。
本文将从深度和广度两方面出发,全面评估汽车客运站等级划分和建设要求,以期为相关部门提供有价值的参考。
二、汽车客运站等级划分1. 一级汽车客运站一级汽车客运站是指城市的门户站、主要客运片区的交通枢纽,通常分布在人口密集的大中型城市,具有较强的枢纽和联络作用。
其建设要求包括站房建筑面积、候车大厅、售票大厅、候车座椅等设施的规划和设置,以及与周边交通网的衔接等。
2. 二级汽车客运站二级汽车客运站通常分布在县级城市或乡镇,承担着区域性的客运服务功能。
相比一级汽车客运站,其规模较小,但对于当地居民的出行同样具有重要意义。
建设要求包括场站规划、候车室舒适度、便民设施设置等。
3. 三级汽车客运站三级汽车客运站多位于农村地区或偏远山区,承担着区域性和特殊性的客运服务功能。
其建设要求主要是基础设施的完善和舒适度的提升。
三、汽车客运站建设要求1. 设施建设要求(1)站房规划设计应满足人性化、舒适的要求,包括候车大厅、候车座椅、售票大厅、洗手间等的设置;(2)车辆调度区域应满足安全、高效的要求,包括候车场、进出站通道、停靠站台等的设置;(3)服务设施应满足便民、高效的要求,包括餐饮服务、沟通台、包裹托运等的设置。
2. 环境建设要求(1)周边交通衔接要求,包括公交站点设置、地铁换乘、步行通道等;(2)场站周边环境规划,包括市政道路、绿化带、停车场等;(3)安全保障设施,包括消防通道、紧急疏散通道、监控设备等。
3. 管理要求(1)站内秩序管理,包括候车秩序、售票秩序、车辆调度秩序等;(2)服务质量管理,包括员工培训、服务态度、信息公开等;(3)安全保障管理,包括应急预案、设施维护、环境清洁等。
四、对汽车客运站等级划分和建设要求的个人观点和理解汽车客运站等级的划分和建设要求直接关系到城市居民的出行体验和安全保障。
广东省客运站管理规定一汽车客运站的分类:客运站设施是指客运站的停车场、建筑物及其配套设施、设备,分为:1、等级汽车客运站:符合行业标准《汽车客运站级别划分和建设要求》JT/T200-2021五级以上站级要求的汽车客运站以下简称“等级站”。
其中,设在旅游景区、边境口岸,专门为游客或过境旅客服务的客运站称为旅游站、口岸站。
2、简易汽车客运站:以停车场为依托,具有候车、售票、接发车、停车等功能的汽车客运站以下简称“简易站”。
3、停靠站汽车客运站配客点:为方便城市旅客乘车,在市县城区设立的具有简易售票、候车设施和停车位,用于途经客运班车停靠、上下旅客和提供配客服务,不具始发班车功能的汽车客运站以下简称“配客点”。
4、招呼站:为途经客运班车在道路沿线含城市道路设立的旅客上落点。
等级、简易站的站名为“地名+标志名+汽车客运站”标志名可以缺省,如“广州××汽车客运站”;其中旅游站、口岸站也可为“地名+标志名+旅游汽车客运站”或“地名+标志名+口岸汽车客运站”,如“深圳××口岸汽车客运站”。
配客点的站名为“地名+配客点名称+汽车客运配客点”,如“东莞××汽车客运配客点”。
二汽车客运站的站级验收:1、等级站的站级分为一级、二级、三级、四级和五级;其中旅游、口岸站,站级分为一级、二级。
简易站和配客点的站级为简易级。
招呼站不设站级。
2、汽车客运站在有关部门依法进行的竣工验收合格后,应向县级及以上交通主管部门提出站级验收申请。
其中新迁建客运站,由客运站业主作为申请人提出首次站级验收申请,改扩建客运站,由客运站业主和客运站经营者共同作为申请人提出升级验收申请。
申请人填写《广东省汽车客运站级别验收申请表》见附表1,表格可在省交通厅网站下载。
3、汽车客运站的级别验收工作由县级及以上交通主管部门根据客运站建设规划和年度计划,以及交通部《汽车客运站级别划分和建设要求》JT/T200-2021组织验收。
广东省汽车客运站站级验收标准一、引言广东省作为中国南方最大的经济和人口中心,公路交通的顺畅与安全对于社会经济发展至关重要。
汽车客运站作为公路交通的重要节点,其建设与运营的质量直接影响到公众的出行体验和道路交通的安全。
为了规范广东省汽车客运站的建设与运营,提高服务质量,广东省交通运输管理部门制定了本站级验收标准。
二、验收标准1、设施设备:汽车客运站的基础设施必须符合国家和广东省的相关标准,包括但不限于站场布局、停车场、安全设施、消防设施、环保设施等。
各项设备应配置齐全,并应保持良好状态,满足运营需求。
2、服务质量:汽车客运站应提供规范、热情、周到的服务,包括售票、检票、咨询、卫生保洁等方面。
站内应设有方便乘客的各种服务设施,如公共休息区、卫生间、哺乳室等。
3、运营管理:汽车客运站应建立健全的运营管理制度,包括安全管理制度、突发事件应急预案、服务质量监督机制等。
站内秩序应保持良好,各项运营活动应规范有序。
4、环境保护:汽车客运站应遵守环境保护法规,采取必要的环保措施,减少噪音、污染物排放,合理利用资源,保护站内及周边的环境。
5、人员资质:汽车客运站的工作人员应具备相应的职业资质和技能,遵守职业道德规范。
特别是直接面对乘客的工作人员,应具备良好的服务态度和服务技能。
6、站前交通:汽车客运站前道路应畅通无阻,标志标线清晰明了,各类交通标志应规范设置,方便乘客出行。
7、信息化管理:汽车客运站应建立信息化管理系统,实现售票、检票、车辆调度等业务的自动化和信息化,提高工作效率和服务质量。
8、安全管理:汽车客运站应严格执行国家和广东省的安全管理规定,建立健全的安全管理制度和应急预案,确保站内及乘客的安全。
9、票务管理:汽车客运站的票务管理应规范、透明,严格执行国家的票价政策和相关规定,保障乘客的合法权益。
10、投诉处理:汽车客运站应设立投诉处理机制,及时处理乘客的投诉和意见反馈,不断改进服务质量和提升乘客满意度。
200-2020《汽车客运站级别划分和建设要求》汽车客运站是一个城市的交通枢纽,承担着乘客接送、货物运输和信息服务等多种功能。
为了提高城市客运站的服务质量和运营效率,我国制定了《汽车客运站级别划分和建设要求》,以规范客运站的建设和运营。
根据《汽车客运站级别划分和建设要求》,客运站分为铜牌站、银牌站、金牌站和钻石站四个级别。
不同级别的客运站有不同的建设要求和服务标准。
首先,铜牌站是客运站的基本级别,主要服务于城市和乡镇之间的小型客运班车。
铜牌站要求配备至少两个检票口和两个售票窗口,能够提供基本的餐饮和休息设施。
其次,银牌站是中等规模的客运站,服务范围更广,包括城市间和乡镇之间的中型客运班车。
银牌站要求配备更多的检票口和售票窗口,提供更完善的站内设施和服务设备,如洗手间、行李寄存处、候车大厅、餐厅等。
金牌站是规模较大的综合性客运站,服务范围包括城市间、省际和国内的各类长途客运班车。
金牌站要求配备完备的设施和服务设备,包括多个检票口和售票窗口、宽敞明亮的候车大厅、信息查询系统、洗手间、商店、餐饮设施等。
最高级别的钻石站是一座大型、现代化的综合客运站,主要服务于省际和国际的客运班车。
钻石站配备了先进的技术设施和优质的服务设备,如自动售票机、电子显示屏、高速无线网络、商务中心等。
此外,钻石站要求环境优美,配备绿化带和广场等公共空间。
除了以上的建设要求,客运站还要注重安全管理,确保站内秩序井然和人流顺畅。
客运站应配备安保人员和紧急疏散设备,制定应急预案,并进行演练。
在服务上,客运站要提供便捷的购票方式,如电话订票、网上购票和移动支付等。
还应提供信息咨询和查询服务,方便乘客了解班次信息和线路查询。
此外,客运站还应开展各种乘客满意度调查,及时改进服务质量。
总之,根据《汽车客运站级别划分和建设要求》,客运站的级别划分和建设要求紧密结合了规模、服务范围和设施等方面的要素,旨在提高城市客运站的服务品质和运营效率。
这对于改善城市交通状况、提升城市形象和方便民众出行都具有重要意义。
2021客运站评级标准及标准要求1.客运站整体环境干净整洁,无杂物堆放。
The overall environment of the passenger station is clean and tidy, with no debris.2.车站内外设施完好,无破损。
The facilities inside and outside the station are in good condition without damage.3.客运站通道畅通无阻。
The passenger station has unobstructed passageways.4.车站设施标识清晰明了。
The station facilities have clear and visible signage.5.客运站设有无障碍设施,并符合相关标准要求。
The passenger station has barrier-free facilities that meet relevant standards.6.车站内设有舒适的候车座椅和休息区。
There are comfortable waiting chairs and rest areas inside the station.7.客运站设施配置辅助警示设备,并严格按照标准设置。
The passenger station facilities are equipped with auxiliary warning devices and are set up in strict accordance with standards.8.车站设有灭火器、应急指示灯等安全设备。
The station is equipped with fire extinguishers, emergency exit lights and other safety equipment.9.客运站设有有效的紧急疏散设施,并定期组织演练。
三级汽车站建设标准和站级验收要求根据《中华人民共和国交通行业标准》规定和要求,新建三级客运站属公益性基础设施,符合枢纽站(仅靠阜阳编组站)、商贸网区(临沂商城)两种以上方式提供换乘运输服务功能总体规划,站址选择原则,地位独特、布局合理,与城市道路连接出入方便建站要求。
一、三级站建设标准及规模车站主要场地设施和建筑设施构成,全封闭运营。
1、三级车站设计标准:月发送量2000人以上5000人以下,具备物流、商贸集散功能(现临沂商城换乘中心均具备)。
2、三级站建设要求:三级汽车站占地面积按部颁M2/百人次指标核定,其占地面积不小于6000 M2/、最适宜计算值8000 M2,(已具备)。
二、三级车站基础设施配置(一)、场地建设1、站前广场面积按车站占地面积1/2配置。
(以现行的北门为进站口,向北延伸视为空场地即达标)。
2、停车场地(指除去站房、站务用房和辅助用房占有面积,剩余均为停车场地),三级站应4800 M2。
注解:按现有停车场地、北站门移动中心部位,场地中间开辟8—10 M2通道,通行道东西侧为停车位,并列依次停放60辆车位。
三、建筑设施(综合面积905M2)(一)、站房:1、候车厅(室)260 M2,厅室内竖放置塑座单人连椅100个。
2、重点旅客候车室(区)50 M2,座椅20个,空调开放。
(二)、站务用房(310 M2)1、售票厅15 M2,置于候车厅内(隔离分设),设为4个售票窗口;2、行包寄存处(综合服务处)30—40 M2;3、站务员室30—40 M2;4、驾乘休息室50—60 M2;5、调度室20—30 M2;6、治安室15—20 M2;7、广播室15—20M2;8、公厕60—80M2(蹲位男女厕各15个);9、无障碍通道宽2.5 M2。
(三)、办公用房(165 M2)站长室40 M2副站长室40 M2站务办15 M2微机室30 M2安全生产科20 M2会计室20 M2(四)、辅助用房(120 M2)1、汽车安检修台80 M22、车辆清洗台30 M23、保洁保管室10 M2四、基础配套设施一、候车休息设备(无须另建设候车大厅)。
汽车客运站级别划分和建设要求JT 200-20041范围本标准规定了汽车客运站(以下简称“车站”)的术语和定义、车站类别、主要功能、站址选择、设施设备、级别划分、建没要求等。
本标准适用于新建和改扩建汽车客运站的规划、没计、建没和站级验收。
2术语和定义下列术语和定义适用于本际准2.1汽车客运站Passe nger tran sport stati on汽车客运站是公益性交通基础设施,是道路旅客运输网络的节点,是道路运输经营者与旅客进衍运输交易活动的场所,是为旅客和运输经营者提供站务服务的场听,是培育和发展道路运输市场的载体。
2.2设计年度平均日旅客发送量Average passenger delivery volume perdiem in a year设计年度车站平均每天始发旅客的数量。
2.3统计年度Statistical year车站筹建年度或核定级别年度的前一年。
2.4设计年度Design year车站建成投产使用后的第十年2.5旅客最高聚集人数Maximum gather passenger设计年度中旅客发送量偏高期间内、每天最大同时在站人数的平均值,并非指一年中客流高峰日内客流最高时刻聚集在车站的旅客人数。
2.6发车位数Number of seats of delivery passenger vehicle车站同一时刻发出客运班咋的停车位数。
3车站类别3.1按车站规模分为a)等级站:具有一定规模•可按规定分级的车站;b)简易车站:以停车场为依托具有集散旅客、售票和停发客运班车功能的车站;C)招呼站:道路沿线(客运班线)设立的旅客上落点3.2按车站位置和特点分为a)枢纽站:可为两种及两种以上交通方式提供旅客运输服务,且旅客在站内能实现自由换乘的车站;b)口岸站:位于边境口岸城镇的车站;c)停靠站:为方便城市旅客乘车,在市(城)区设立的具有候车设施和停车位,用于长途客运班车停靠、上下旅客的车站;d)港湾站:道路旁具有候车标志、辅道和停车位的旅客上落点。
客运站分级根据中华人民共和国交通行业标准《汽车客运站级别划分和建设要求》(JT/T200-95 ),将客运站分为四个级别和简易客运站。
(客运)一级车站:1. 年平均日旅客发送量在10,000 及10,000 人次以上,设施符合本附录表1、设备符合本附录表 2 所列一级车站必备各项的车站。
2. 省(自治区、直辖市)及其所辖市、自治州(盟)人民政府和地区行政公署所在地,如无10,000 人次以上的车站,可将具有代表性的一个车站列为一级车站。
(客运)二级车站:1. 年平均日旅客发送量在5,000及5,000 人次以上,不足10,000人次,设施符合本附录表1、设备符合本附录表 2 所列二级车站必备各项的车站。
2. 县以上或相当于县人民政府所在地,如无5,000 人次以上的车站,可将具有代表性的一个车站列为二级车站。
3. 国家确定的旅游区和重要边境口岸,设施符合本附录表1、设备符合本附录表 2 所列二级车站必备各项的车站。
(客运)三级车站:1. 年平均日旅客发送量在1,000及1,000 人次以上,不足5,000人次,设施符合本附录表1、设备符合本附录表 2 所列三级车站必备各项的车站。
2. 乡、镇人民政府所在地、大中型工矿区,年平均日旅客发送量在600 人次以上,不足1,000人次,设施符合本附录表1、设备符合本附录表 2 所列三级车站必备各项的车站。
3. 省、自治区、直辖市确定的旅游区和一般边境口岸,设施符合本附录表1、设备符合本附录表 2 所列三级车站必备各项的车站。
(客运)四级车站:年平均日旅客发送量不足1,000人次,设施符合本附录表1、设备符合本附录表 2 所列四级车站必备各项的客运站。
(客运)简易车站:达不到四级车站要求的客运站。
表 1 汽车客运站设施配置表站前广场•••⊙•停车场•••••发车位•••★•站房站务用房候车室•••••重点旅客候车室•★⊙⊙★售票厅•••⊙•售票室••••票据库••★⊙★行包托运处•••⊙•行包库房•••⊙•发车站台和行包装卸平台••★⊙★行包提升机••★⊙★问讯处••★⊙广播室•••••小件寄存处•••★•失物招领处••⊙⊙•邮电服务处••★⊙•值班站长室•••⊙•调度室•••••站务员室•••••驾驶员休息室•••••治安办公室••⊙⊙•联运办公室••⊙⊙★旅客厕所•••••盥洗饮水室••⊙⊙•注:① •—必备;★—视情设置;⊙—不设② 旅游、口岸车站指国家确定的旅游区、重要边境口岸和省、自治区、直辖市确定的旅游区和一般边境口岸的车站。
客运站站级验收标准客运站站级验收是指对客运站的各项设施、服务和管理进行综合评估,以确保客运站的正常运营和服务质量。
客运站站级验收标准是客运站进行验收时所需遵循的一系列标准和要求,它涵盖了客运站的各个方面,包括站场设施、安全管理、服务质量等内容。
本文将从客运站站级验收的各个方面进行详细介绍,以期为客运站的验收工作提供参考和指导。
首先,客运站站级验收标准要求客运站的站场设施必须符合相关规定和标准。
站场设施包括候车室、站台、广场、停车场等,这些设施的建设和维护对于保障旅客的出行安全和舒适至关重要。
验收标准要求客运站的站场设施必须保持干净整洁,无破损和安全隐患,同时要求设施的布局合理,便于旅客出行和换乘。
其次,客运站站级验收标准对客运站的安全管理提出了严格要求。
安全是客运站运营的首要任务,客运站必须建立健全的安全管理体系,制定完善的安全管理制度和操作规程。
验收标准要求客运站要加强对旅客和行李的安全检查,加强对危险品的管理,确保客运站的安全生产工作得到有效落实。
此外,客运站站级验收标准还对客运站的服务质量提出了明确要求。
客运站作为服务旅客的重要场所,其服务质量直接关系到旅客的出行体验和满意度。
验收标准要求客运站要建立健全的服务质量评价体系,加强对服务人员的培训和管理,提高服务意识和服务水平,努力为旅客提供优质、高效的服务。
总之,客运站站级验收标准是客运站进行验收时所需遵循的一系列标准和要求,它涵盖了客运站的站场设施、安全管理、服务质量等各个方面。
客运站必须严格按照验收标准进行自查自改,确保客运站的正常运营和服务质量。
同时,相关管理部门也要加强对客运站的监督和检查,确保客运站的验收工作得到有效落实。
希望客运站能够按照验收标准不断提升自身的管理水平和服务质量,为旅客提供更加优质、便捷的出行体验。
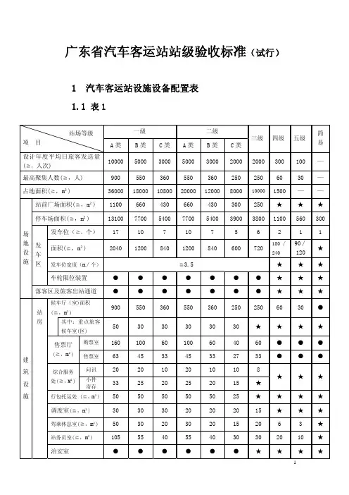
广东省汽车客运站站级验收标准(试行)
1 汽车客运站设施设备配置表
1.1 表1
1.2 表2
2 其他规定
2.1 站房
2.1.1 站房的主要功能区(售票厅、候车室、行包托运处、检票口等)应做到分布明显,客流、行包流避免交叉。
2.1.2 车站的各种宣传告示(班次时刻表、里程票价表、行包价目表、营运线路图、旅客须知、禁运限运物品宣传图、公告牌等)应在站房内外的适当位置配置齐全,做到有效、醒目、美观大方。
一、二级站应以电子显示方式清晰、明了地发布班车信息。
2.1.3 问讯处应设在邻近旅客主要入口处。
问讯处前宜留有充足的旅客活动空间。
2.1.4 候车厅(室)
候车厅(室)座椅的排列方向应有利于旅客通向检票口,每排座椅不多于20座,两端宜设置不少于1.5m的通道。
双向对坐的座椅,排间通道的宽度应不少于1.5m。
重点旅客候车室应邻近站台设置,室内宜设婴儿床、哺乳分隔区。
2.1.5 厕所
一、二、三级站应在候车区域设置旅客厕所并配置盥洗设施;四、五级站宜在候车区域设置旅客厕所并配置盥洗设施。
具体指标见下表:
厕所及盥洗设备指标
房间名称 设备内容(按旅客最高聚集人数计)
男 厕 每70人设大便器一个和小便斗一个(或小便槽0.7m长)女 厕 每35人设大便器一个
盥 洗 台 每125人设一个盥洗台
注:⑴男、女旅客人数分别按旅客最高聚集人数的60%和40%计;
⑵大便器至少设2个;
⑶残疾人大便器另计。
一、二、三级站应设到站旅客使用的厕所,其面积和坑位数不计
入候车厅(室)厕所之内。
2.2 场地设施
2.2.1 站前广场应明确、合理地划分车流路线、客流路线、停车区域等。
2.2.2 汽车进站口、出站口应符合下列规定:
一、二级站进站口、出站口应分别独立设置,三、四级站宜分别设置;进站口、出站口宽度均不应小于4米。
汽车进站口、出站口与旅客主要出入口应设不小于5m的安全距离,并应有隔离措施。
2.2.3 残疾人通道
凡是有台阶的站前广场、候车室、站台、发车位等区域均应设置符合《城市道路和建筑物无障碍设计规范》(JGJ50-2001)规定、方便残疾人员使用的无障碍通道,并设有无障碍标识。
自站房入口至问讯处应铺设盲道。
2.2.4 停车场的客流、车流、行包流应避免交叉干扰,各功能区(落客区、停车区、洗车位、汽车安检台(槽)等)分布合理、明确。
通向洗车位及汽车安检台(槽)前的通道应确保车辆良好的通过性。
2.2.5 停车场的进、出通道如为单车道时,通道净宽应不小于4m,双车道时,通道净宽应不小于6m,因地形高差,通道为坡道时,通道净宽应不小于7m。
2.3 站台与发车位
2.3.1 发车位与检票口之间宜设置站台,站台的净宽度应不少于2.5M。
2.3.2 发车位为露天时,站台应设置雨棚。
雨棚净高应不低于5m,向前伸展应能完全遮蔽客车车门及行李舱门。
2.3.3 发车位与站台前沿之间应设有车轮限位装置。
2.4 消防、环保
2.4.1 汽车客运站消防设计应符合国家现行建筑设计防火规范的有关规定。
2.4.2 站场洗车污水应进行处理,达到排放标准方可排入下水道系统。
2.4.3 停车场周边宜种植常绿乔木绿化环境及降低周边环境噪声。
2.5 智能系统
2.5.1 用房要求
2.5.1.1 环境要求
基本要求:空调系统,保证24小时温控;防潮防尘;合格的电源系统(主要是电压及电流的稳定);相应的消防设备。
推荐要求:不间断电源(UPS)配电系统;防雷系统;应急照明系统。
2.5.1.2 网络要求
本单位的局域网建议采用5类或超5类的双绞线(或光纤)构建骨干带宽100M或以上的局域网,客运站智能系统室须有2个以上的网络接入点。
2.5.1.3 硬件要求
序号 设备名称 数量 备注
1 机柜(1.2米或以上) ≧1
2 PC服务器 ≧1
3 网络交换机(100M或以上,12口) ≧1
4 防火墙 ≧1 如与互联网联接,推荐使用
2.5.2功能要求
2.5.2.1整体要求
智能系统的各子系统间应有效实时联接,建立相应业务逻辑关联机制,如:票务系统应根据车辆调度情况进行相应售票,财务系统应按照实际售票情况予以结算,电子显示系统应显示实时的班次、票价等信息。
2.5.2.2具体要求
票务信息系统应提供站内售票、异地售票、联网售票、网上售票和自动化售票等各种票务方式,还应尽量向旅客提供票价信息、车辆信息、行车路线信息、出行前乘车信息、换乘信息和行车时刻表等信息。
车辆调度系统应包括车辆进站报班及回场检等功能,并应充分利用营运车辆IC卡电子证件及车辆卫星定位系统等科技信息技术,实现科学的运营调度和公共服务。
监控系统应有效覆盖站场及周边区域,并提供与行业管理部门的监控数据接口,实现与运政视频监控执法管理等系统的有效联接。