广东省汽车客运站站级复核标准
- 格式:doc
- 大小:149.00 KB
- 文档页数:9
广州市交通委员会关于印发《广州市道路旅客运输站管理规定》的通知正文:---------------------------------------------------------------------------------------------------------------------------------------------------- 广州市交通委员会关于印发《广州市道路旅客运输站管理规定》的通知(穗交〔2008〕84号)市运管局、市维管处,各区、县级市交通局,市道路运输行业协会,市各客运站:为规范本市道路旅客运输站经营活动,保障旅客和客运经营者的合法权益,我委组织制定了《广州市道路旅客运输站管理规定》,并经市法制办审查同意,现印发给你们,请遵照执行。
广州市交通委员会二○○八年二月四日广州市道路旅客运输站管理规定第一章总则第一条为规范本市道路旅客运输站(以下简称客运站)经营活动,保障旅客和客运经营者的合法权益,根据《中华人民共和国道路运输条例》、《道路旅客运输及客运站管理规定》等规定,结合本市实际情况,制定本规定。
第二条本规定所称客运站经营,是指以站场设施为依托,为道路客运经营者和旅客提供有关运输服务的经营活动。
第三条在本市行政区域内从事客运站经营活动的适用本规定。
第四条县级以上交通主管部门负责组织领导本辖区内客运站管理工作,县级以上道路运输管理机构(简称:运管机构)负责具体实施客运站管理工作。
第五条市交通主管部门根据旅客运输市场需求、道路交通条件、方便旅客集散乘车的原则,统一规划客运站。
第六条按照方便市民出行、缓解交通压力、实施有效监管的指导原则,由交通主管部门对现有和新建的客运站进行功能定位。
第七条客运站实行等级评定和服务评议工作,其中交通主管部门负责组织开展客运站等级评定工作,运管机构具体组织客运站服务评议工作。
第二章经营许可第八条申请从事客运站经营的,应当具备下列条件:(一)客运站经有关部门组织的工程竣工验收合格,且经站级验收合格;(二)有与业务量相适应的专业人员和管理人员;(三)有相应的设备、设施,具体要求按照行业标准《汽车客运站级别划分及建设要求》(JT/T200-2004)的规定执行;(四)有相关的业务操作规程和安全管理制度,包括服务规范、安全生产操作规程、车辆发车前例检制度、安全生产责任制、危险品查堵、安全生产监督检查制度等。
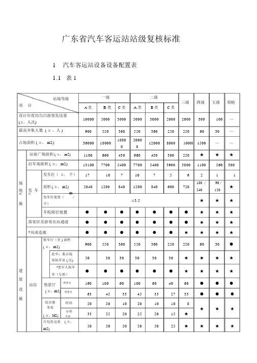
广东省汽车客运站站级复核标准1汽车客运站设备设备配置表1.1表1站场等级项目设计年度均匀日游客发送量(≧,人次)最高齐集人数 ( ≧,人 )占地面积 ( ≧, m2)站前广场面积( ≧, m2)泊车场面积 ( ≧, m2)发车位(≧,个)场面积 ( ≧, m2)地发车m 设区发车位宽度(∕施个)车轮限位装置落客区及游客出站通道*风雨连廊候车厅(室 ) 面积( ≧,m2)此中:要点旅客候车室 ( 区)*老年人候车建室(专座)筑站房售票厅购票室一级二级A 类B 类C 类 A 类 B 类 C 类三级四级五级简略10000500030005000300020002000300100—9005503605503602502506030—360001800010802000120008000100001500——001100660430660430300250★★★131007700540077005400390038001100560300 1710710756211 204012008401200840600720180 ∕90∕★240120≧3.5★★★●●●●●●●★★★●●●●●●●★★★●●●●●●★★★★9005503605503602502506030●503030303030★★★★●●●●●●★★★★16010060100604060●●●设施( ≧,m2)售票室综合服问讯务处小件( ≧,M2)存放行包托运处( ≧,m2)63453345332733●●●2020102010108332520252015★★★★505050505025★★★★站场等级项目调动室 ( ≧,m2)驾乘歇息室 ( ≧,m2)站务员室 ( ≧,m2)治安室广播室 ( ≧,m2)无阻碍通道残疾人服务设备饮水室(处)男厕(≧,盥洗室和m2)游客女厕(≧,卫生间m2)智能系统用房配电室医疗救护室安检区 ( ≧, m2)车辆安检安检台(槽)(≧,个)车辆洁净、冲洗台( ≧,m2)一级二级A 类B 类C 类 A 类 B 类 C 类三级四级五级简略30303020202015★★★5030203020152063★1055540554030302010★●●●●●●★★★★101010101010★★★★●●●●●●●●●★●●●●●●●●●★●●●●●●★★★★70503750373030188●83554055403535208●●●●●●●●★★★●●●●●●★★★★★★★★★★★★★★160808080808080808060 211111111★1809090909090●★★★注:“●”—必备;“★”—视状况设置;“—”—不作要求。
200-2020《汽车客运站级别划分和建设要求》随着城市化进程的加速和人民生活水平的提高,汽车客运站作为城市交通枢纽的重要组成部分,承载着日益增长的客运需求和城市交通流量。
为了规范和优化汽车客运站的建设和管理,提高客运站的服务水平和交通效率,我国于200-2020年发布了《汽车客运站级别划分和建设要求》,对汽车客运站的建设和管理提出了具体要求。
一、汽车客运站的级别划分1. 一级客运站一级客运站是地区内主要的客运枢纽,承担着地区客运枢纽、省际客运换乘和长途客运服务的重要功能。
一级客运站应位于城市中心或交通要道,占地面积较大,设施完备,交通便利,服务设施齐全,可提供汽车售票、包裹托运、旅客休息、餐饮服务等多种服务,是地区客运交通的重要枢纽。
2. 二级客运站二级客运站是地区内次要的客运枢纽,承担着地区内城市客运和近郊客运服务。
二级客运站应位于城市次要交通枢纽或城区边缘,占地面积适中,设施完善,交通便利,服务设施齐备,可提供汽车售票、旅客休息、餐饮服务等基本服务,是地区客运交通的重要节点。
3. 三级客运站三级客运站是地区内普通的客运服务点,主要承担城市内部的公交、通勤、短途客运服务。
三级客运站应位于城市次要交通枢纽或城市边缘地区,占地面积较小,设施基本,交通便利,服务设施简单,可提供汽车售票、旅客休息等基本服务,是地区客运交通的基础节点。
二、汽车客运站的建设要求1. 场地选址一、二级客运站的场地选址应考虑城市规划、交通便利等因素,尽量选址于城市主要交通干道沿线或交通枢纽节点。
三级客运站的场地选址应考虑周边客流量、交通便利等因素,尽量选址于城市次要交通干道沿线或城市边缘地区。
2. 建筑设计一、二级客运站的建筑设计应符合城市规划和主干道景观要求,建筑外观大气、设施齐全,结构稳固,符合安全标准。
三级客运站的建筑设计应简洁实用,符合城市边缘地区的环境特点,建筑外观朴素,设施齐全。
3. 设施配套一、二级客运站应配备完备的候车室、售票厅、包裹托运区、餐饮服务区、洗手间、停车场等各项服务设施,设施配套齐全,服务人性化。
汽车客运站级别划分和建设要求交科教发[2004]190号 JT/T 200-2004(代替JT/T 200-1995)关于发布汽车客运站级别划分和建设要求等38项交通行业标准的通知各有关单位:《汽车客运站级别划分和建设要求》等38项交通行业标准业经审查通过,现予发布,自2004年7月15日起实施。
38项标准的编号和名称是:1、JT/T 200-2004 《汽车客运站级别划分和建设要求》(代替JT/T 200-1995)2、JT/T 276-2004 《沥青洒布车/机》(代替JT/T 276-1995,JT/T 2-1993)3、JT/T386-2004 《汽车排气分析仪》(代替JT/T 386-1999)4、JT/T 498-2004 《道路旅客运输计算机移动售票票样及使用规定》5、JT/T 499-2004 《稀浆封层机》6、JT/T 500-2004 《路面铣刨机》7、JT/T 501-2004 《沥青路面养护车/机》8、JT/T 502-2004 《桥梁波形伸缩装置》9、JT/T 503-2004 《汽车发动机综合检测仪》10、JT/T 504-2004 《前轮定位仪》11、JT/T 505-2004 《四轮定位仪》12、JT/T 506-2004 《不透光烟度计》13、JT/T 507-2004 《汽车侧滑检验台》(代替JT/T 3131-1987)14、JT/T 508-2004 《机动车前照灯检测仪》(代替JT/T 3166-1993)15、JT/T 509-2004 《轿车车身维护技术要求》16、JT/T 510-2004 《汽车防抱制动系统检测技术条件》17、JT/T 511-2004 《液化石油气汽车维护、检测技术规范》18、JT/T 512-2004 《压缩天然气汽车维护、检测技术规范》19、JT/T 513-2004 《公路工程土工合成材料土工网》20、JT/T 514-2004 《公路工程土工合成材料有纺土工织物》21、JT/T 515-2004 《公路工程土工合成材料土工模袋》22、JT/T 516-2004 《公路工程土工合成材料土工格室》23、JT/T 517-2004 《公路工程土工合成材料土工加筋带》24、JT/T 518-2004 《公路工程土工合成材料土工膜》25、JT/T 519-2004 《公路工程土工合成材料长丝纺粘针刺非织造土工布》26、JT/T 520-2004 《公路工程土工合成材料短纤针刺非织造土工布》27、JT/T 521-2004 《公路工程土工合成材料塑料排水板(带)》28、JT/T 522-2004 《公路工程混凝土养护剂》29、JT/T 523-2004 《公路工程混凝土外加剂》30、JT/T 524-2004 《公路水泥混凝土纤维材料钢纤维》31、JT/T 525-2004 《公路水泥混凝土纤维材料聚丙烯纤维和聚丙烯腈纤维》32、JT/T 526-2004 《路面沥青改性材料苯乙烯-丁二烯嵌段共聚物(SBS)》33、JT/T 527-2004 《路面沥青改性材料苯乙烯-丁二烯橡胶1502(SBR1502)》34、JT/T 528-2004 《公路边坡柔性防护系统》35、JT/T 529-2004 《预应力混凝土桥梁用塑料波纹管》36、JT/T 530-2004 《沥青路面坑槽冷拌修补材料SBS沥青液》37、JT/T 531-2004 《桥梁结构用芳纶纤维复合材料》38、JT/T 155-2004 《汽车举升机》(代替JT/T 155-1994)以上发布的38项交通行业标准均为推荐性标准,由人民交通出版社出版,并在《交通标准化》刊物上公告。
广东省汽车客运站站级验收标准(试行)修改说明省交通厅制定的《广东省汽车客运站站级验收标准》(下称《验收标准》)自2006年颁布实施以来,不仅为汽车客运站的站级验收工作提供了工作依据,而且为各类投资主体提供了站场建设的具体要求,对实现我省汽车客运站场资源的优化配置,推动我省汽车客运站场的规划和建设起到了良好的指导和促进作用。
随着形势的发展和实践的深入,《验收标准》在体例上和相关指标上的不妥以及公共服务设施及功能上的滞后等亦逐步有所显现,同时,与之相配套的《站级验收申请表》等材料之间的指标项目差异,也给管理部门、汽车客运站的投资建设和经营管理带来了一些不便。
为引导我省汽车客运站的建设向以人为本以及资源节约型和环境友好型方向发展,同时,增强《验收标准》的可操作性以进一步做好站级验收等管理工作,省厅根据近两年《验收标准》实施过程中遇到的问题,结合国家有关部门制定的《汽车客运站建筑设计规范》和《城市道路和建筑物无障碍设计规范》等行业标准的相关要求,委托省道路运输协会组织修订了《验收标准》。
经多次组织专题研讨,征求有关企业、专家意见后,修订后的(征求意见稿)于2008年七月在全省运输站场建设管理工作会议上提交各市讨论通过。
修订后的标准着重在引导站场贯彻落实以人为本,构建和谐社会和建设资源节约型、环境友好型社会等要求方面,进行了适当的修改补充,现具体说明如下:第一部分有关指标调整内容一、最高聚集人数《部标》对站场的基础设施的多数指标是依据站场运行过程中的“最高聚集人数”这一指标为基础测算的。
而最高聚集人数又以“设计年度日旅客发送量”乘以一个“计算百分比”。
本次修改,主要根据多数地方的反应,适当降低“计算百分比”的取值。
原则上取《部标》表A.2中的中间值。
即:设计年度平均日旅客发送量10000人次的,“计算百分比”取9%;5000人次的,取11%;3000人次的,取12%;2000人次的,取12.5%;300人次的,取20%。
广东省客运站管理规定一汽车客运站的分类:客运站设施是指客运站的停车场、建筑物及其配套设施、设备,分为:1、等级汽车客运站:符合行业标准《汽车客运站级别划分和建设要求》JT/T200-2021五级以上站级要求的汽车客运站以下简称“等级站”。
其中,设在旅游景区、边境口岸,专门为游客或过境旅客服务的客运站称为旅游站、口岸站。
2、简易汽车客运站:以停车场为依托,具有候车、售票、接发车、停车等功能的汽车客运站以下简称“简易站”。
3、停靠站汽车客运站配客点:为方便城市旅客乘车,在市县城区设立的具有简易售票、候车设施和停车位,用于途经客运班车停靠、上下旅客和提供配客服务,不具始发班车功能的汽车客运站以下简称“配客点”。
4、招呼站:为途经客运班车在道路沿线含城市道路设立的旅客上落点。
等级、简易站的站名为“地名+标志名+汽车客运站”标志名可以缺省,如“广州××汽车客运站”;其中旅游站、口岸站也可为“地名+标志名+旅游汽车客运站”或“地名+标志名+口岸汽车客运站”,如“深圳××口岸汽车客运站”。
配客点的站名为“地名+配客点名称+汽车客运配客点”,如“东莞××汽车客运配客点”。
二汽车客运站的站级验收:1、等级站的站级分为一级、二级、三级、四级和五级;其中旅游、口岸站,站级分为一级、二级。
简易站和配客点的站级为简易级。
招呼站不设站级。
2、汽车客运站在有关部门依法进行的竣工验收合格后,应向县级及以上交通主管部门提出站级验收申请。
其中新迁建客运站,由客运站业主作为申请人提出首次站级验收申请,改扩建客运站,由客运站业主和客运站经营者共同作为申请人提出升级验收申请。
申请人填写《广东省汽车客运站级别验收申请表》见附表1,表格可在省交通厅网站下载。
3、汽车客运站的级别验收工作由县级及以上交通主管部门根据客运站建设规划和年度计划,以及交通部《汽车客运站级别划分和建设要求》JT/T200-2021组织验收。
汽车客运站整治及复核定级工作方案为了提升汽车客运站的服务质量和管理水平,保障旅客的出行安全和舒适,促进道路客运行业的健康发展,特制定本汽车客运站整治及复核定级工作方案。
一、工作目标通过本次整治及复核定级工作,实现以下目标:1、规范汽车客运站的经营行为,消除各类安全隐患,确保旅客生命财产安全。
2、提升汽车客运站的服务质量,改善站容站貌,提高旅客满意度。
3、明确汽车客运站的等级划分,促进资源合理配置,推动行业有序竞争。
二、工作原则1、依法依规原则:严格按照国家和地方相关法律法规、标准规范开展整治及复核定级工作。
2、问题导向原则:针对汽车客运站存在的突出问题,有针对性地采取措施加以解决。
3、公正公平原则:在整治及复核定级过程中,确保标准统一、程序透明、结果公正。
4、标本兼治原则:既要解决当前存在的问题,又要建立长效机制,防止问题反弹。
三、工作范围本次整治及复核定级工作涵盖本市范围内所有汽车客运站。
四、工作内容(一)设施设备整治1、站房设施检查站房的建筑结构是否安全,有无破损、渗漏等情况。
完善售票厅、候车厅、行包房等功能区域的设施配备,确保布局合理、标识清晰。
2、场地设施整治停车场、发车区的地面平整度,确保车辆行驶和停放安全。
检查排水系统是否畅通,避免积水影响正常运营。
3、安全设施配备齐全的消防设施,并确保其完好有效。
安装安检设备,严格落实旅客行李和行包的安检制度。
(二)服务质量提升1、人员培训组织客运站工作人员参加业务培训,提高服务意识和业务水平。
加强职业道德教育,树立良好的行业形象。
2、服务规范制定并执行统一的服务标准,包括售票、检票、咨询、投诉处理等环节。
设立旅客意见箱,及时处理旅客的投诉和建议。
3、信息化建设完善客运站的信息化系统,实现网上售票、信息查询等功能。
利用电子显示屏、广播等设备及时发布班次信息和出行提示。
(三)经营管理规范1、票务管理严格执行票价政策,杜绝乱涨价、乱收费现象。
加强对售票渠道的管理,打击非法售票行为。
广东省汽车客运站站级验收标准一、引言广东省作为中国南方最大的经济和人口中心,公路交通的顺畅与安全对于社会经济发展至关重要。
汽车客运站作为公路交通的重要节点,其建设与运营的质量直接影响到公众的出行体验和道路交通的安全。
为了规范广东省汽车客运站的建设与运营,提高服务质量,广东省交通运输管理部门制定了本站级验收标准。
二、验收标准1、设施设备:汽车客运站的基础设施必须符合国家和广东省的相关标准,包括但不限于站场布局、停车场、安全设施、消防设施、环保设施等。
各项设备应配置齐全,并应保持良好状态,满足运营需求。
2、服务质量:汽车客运站应提供规范、热情、周到的服务,包括售票、检票、咨询、卫生保洁等方面。
站内应设有方便乘客的各种服务设施,如公共休息区、卫生间、哺乳室等。
3、运营管理:汽车客运站应建立健全的运营管理制度,包括安全管理制度、突发事件应急预案、服务质量监督机制等。
站内秩序应保持良好,各项运营活动应规范有序。
4、环境保护:汽车客运站应遵守环境保护法规,采取必要的环保措施,减少噪音、污染物排放,合理利用资源,保护站内及周边的环境。
5、人员资质:汽车客运站的工作人员应具备相应的职业资质和技能,遵守职业道德规范。
特别是直接面对乘客的工作人员,应具备良好的服务态度和服务技能。
6、站前交通:汽车客运站前道路应畅通无阻,标志标线清晰明了,各类交通标志应规范设置,方便乘客出行。
7、信息化管理:汽车客运站应建立信息化管理系统,实现售票、检票、车辆调度等业务的自动化和信息化,提高工作效率和服务质量。
8、安全管理:汽车客运站应严格执行国家和广东省的安全管理规定,建立健全的安全管理制度和应急预案,确保站内及乘客的安全。
9、票务管理:汽车客运站的票务管理应规范、透明,严格执行国家的票价政策和相关规定,保障乘客的合法权益。
10、投诉处理:汽车客运站应设立投诉处理机制,及时处理乘客的投诉和意见反馈,不断改进服务质量和提升乘客满意度。
广东省交通厅实施《道路旅客运输及客运站管理规定》办法文章属性•【制定机关】广东省交通厅•【公布日期】2006.01.27•【字号】粤交运[2006]89号•【施行日期】2006.02.01•【效力等级】地方规范性文件•【时效性】失效•【主题分类】公路正文广东省交通厅关于印发《广东省交通厅实施<道路旅客运输及客运站管理规定>办法》的通知(粤交运〔2006〕89号)各市交通局(委):为了切实贯彻实施好《道路旅客运输及客运站管理规定》(交通部令2005年第10号,以下简称《客规》),进一步规范全省道路旅客运输及客运站管理行为,结合我省实际,我厅制定了《广东省交通厅实施〈道路旅客运输及客运站管理规定〉办法》,现印发给你们,并提出以下要求,请一并遵照执行:一、对在《客规》颁布实施以前获取许可的跨省、市客运班车达不到《客规》规定条件的,按以下办理:(一)对企业自有的客车数量、座位数和控股子公司的控股比例不到《客规》规定条件的,要引导企业通过兼并、重组等方式,做大做强。
对2006年3月底前仍达不到条件的,客运班线的车辆不予以更新调整,可经营至车辆类型等级和车辆技术等级达不到该班线规定要求为止。
(二)对企业自有的客车数量、座位数和对控股子公司的控股比例达到《客规》规定条件,但车辆类型等级和车辆技术等级达不到该班线规定要求的,要引导企业通过车辆内部调整、运力更新改造等方式,与客运班线相匹配,否则,不予续期。
二、省内包车客运经营许可从本文下发之日起,由省厅负责。
在此之前已取得省内包车客运经营许可的客车,由各市于2006年6月底前统一详细列表,并通过道路运政信息系统报省厅。
经省厅核实后,对达到许可条件的,按已获取市际、县际、县内包车客运经营许可和获得省际包车客运经营资格处理,并核发省内包车客运标志牌。
三、对目前省厅已受理新增市际客运班线申请的,将全部在省交通厅道路运输网站(http:// /dlys/)上公示15日,并征询起讫地市级交通主管部门意见,对确需新增的,列入招标投标计划,省厅将通过招标投标的方式确定经营者。
汽车客运站级别划分和建设要求(JTT-200-2004)汽车客运站级别划分和建设要求交科教发[2004]190号 JT/T 200-2004(代替JT/T 200-1995)关于发布汽车客运站级别划分和建设要求等38项交通行业标准的通知各有关单位:《汽车客运站级别划分和建设要求》等38项交通行业标准业经审查通过,现予发布,自2004年7月15日起实施。
38项标准的编号和名称是:1、JT/T 200-2004 《汽车客运站级别划分和建设要求》(代替JT/T 200-1995)2、JT/T 276-2004 《沥青洒布车/机》(代替JT/T 276-1995,JT/T 2-1993)3、JT/T386-2004 《汽车排气分析仪》(代替JT/T 386-1999)4、JT/T 498-2004 《道路旅客运输计算机移动售票票样及使用规定》5、JT/T 499-2004 《稀浆封层机》6、JT/T 500-2004 《路面铣刨机》7、JT/T 501-2004 《沥青路面养护车/机》8、JT/T 502-2004 《桥梁波形伸缩装置》9、JT/T 503-2004 《汽车发动机综合检测仪》10、JT/T 504-2004 《前轮定位仪》11、JT/T 505-2004 《四轮定位仪》12、JT/T 506-2004 《不透光烟度计》13、JT/T 507-2004 《汽车侧滑检验台》(代替JT/T3131-1987)14、JT/T 508-2004 《机动车前照灯检测仪》(代替JT/T3166-1993)15、JT/T 509-2004 《轿车车身维护技术要求》16、JT/T 510-2004 《汽车防抱制动系统检测技术条件》17、JT/T 511-2004 《液化石油气汽车维护、检测技术规范》18、JT/T 512-2004 《压缩天然气汽车维护、检测技术规范》19、JT/T 513-2004 《公路工程土工合成材料土工网》20、JT/T 514-2004 《公路工程土工合成材料有纺土工织物》21、JT/T 515-2004 《公路工程土工合成材料土工模袋》22、JT/T 516-2004 《公路工程土工合成材料土工格室》23、JT/T 517-2004 《公路工程土工合成材料土工加筋带》24、JT/T 518-2004 《公路工程土工合成材料土工膜》25、JT/T 519-2004 《公路工程土工合成材料长丝纺粘针刺非织造土工布》26、JT/T 520-2004 《公路工程土工合成材料短纤针刺非织造土工布》27、JT/T 521-2004 《公路工程土工合成材料塑料排水板(带)》28、JT/T 522-2004 《公路工程混凝土养护剂》29、JT/T 523-2004 《公路工程混凝土外加剂》30、JT/T 524-2004 《公路水泥混凝土纤维材料钢纤维》31、JT/T 525-2004 《公路水泥混凝土纤维材料聚丙烯纤维和聚丙烯腈纤维》32、JT/T 526-2004 《路面沥青改性材料苯乙烯-丁二烯嵌段共聚物(SBS)》33、JT/T 527-2004 《路面沥青改性材料苯乙烯-丁二烯橡胶1502(SBR1502)》34、JT/T 528-2004 《公路边坡柔性防护系统》35、JT/T 529-2004 《预应力混凝土桥梁用塑料波纹管》36、JT/T 530-2004 《沥青路面坑槽冷拌修补材料SBS沥青液》37、JT/T 531-2004 《桥梁结构用芳纶纤维复合材料》38、JT/T 155-2004 《汽车举升机》(代替JT/T155-1994)以上发布的38项交通行业标准均为推荐性标准,由人民交通出版社出版,并在《交通标准化》刊物上公告。
公路汽车客运站级别核定和建设要求交通部〔84〕交科技字886号本标准适用于核定公路汽车客运站级不,并对车站建设提出要求。
1.站级划分依照站务工作量(要紧指旅客日发送量),结合所在地政治、经济、文化等因素,将车站划分为一、二、三、四级。
1.1一级站凡具备下列条件之一者,为一级站:1.1.1站务工作量在7000及7000人次以上的车站;人口稀少及少数民族地区站务工作量在5000及5000人次以上的车站。
1.1.2省、自治区、直辖市人民政府所在地,如无7000人次以上的车站,可将具有代表性的一个车站列为一级站。
1.1.3省(自治区)辖市、自治州(盟)人民政府和地区行政公署所在地如无7000人次以上的车站,可将站务工作量在3000及3000人次以上的一个车站列为一级站。
1.2二级站凡具备下列条件之一者,为二级站:1.2.1站务工作量在3000及3000人次以上,不足7000人次的车站。
1.2.2除已列为一级站的省、自治区、直辖市人民政府所在地及省(自治区)辖市、自治州(盟)人民政府和地区行政公署所在地车站。
1.2.3县级人民政府所在地如无3000人次以上的车站,可将站务工作量在1500及1500人次以上的一个车站列为二级站。
1.2.4国家规定的重点旅行区车站。
1.3三级站凡具备下列条件之一者,为三级站:1.3.1站务工作量在500及500人次以上,不足3000人次的车站。
1.3.2除已列为一、二级车站的县级人民政府所在地车站。
1.3.3一样旅行区的车站。
1.4四级站站务工作量不足500人次的乡级人民政府或乡级以下行政单位所在地车站,均为四级站。
1.5站务工作量运算1.5.1站务工作量包括旅客日发送折算量及行包换算量。
1.5.2旅客日发送折算量,指车站年度平均每日发送长途旅客的数量及短途旅客折算量之和。
1.5.3在车站发售车票的城乡短途班车(系指班次密度大、站距短、旅客上下频繁或班线长度在30公里以内的班车)旅客日发送量,按每2人次折合,人次计入车站旅客日发送折算量总数。
客运站站级验收标准客运站站级验收是指对客运站的各项设施、服务和管理进行综合评估,以确保客运站的正常运营和服务质量。
客运站站级验收标准是客运站进行验收时所需遵循的一系列标准和要求,它涵盖了客运站的各个方面,包括站场设施、安全管理、服务质量等内容。
本文将从客运站站级验收的各个方面进行详细介绍,以期为客运站的验收工作提供参考和指导。
首先,客运站站级验收标准要求客运站的站场设施必须符合相关规定和标准。
站场设施包括候车室、站台、广场、停车场等,这些设施的建设和维护对于保障旅客的出行安全和舒适至关重要。
验收标准要求客运站的站场设施必须保持干净整洁,无破损和安全隐患,同时要求设施的布局合理,便于旅客出行和换乘。
其次,客运站站级验收标准对客运站的安全管理提出了严格要求。
安全是客运站运营的首要任务,客运站必须建立健全的安全管理体系,制定完善的安全管理制度和操作规程。
验收标准要求客运站要加强对旅客和行李的安全检查,加强对危险品的管理,确保客运站的安全生产工作得到有效落实。
此外,客运站站级验收标准还对客运站的服务质量提出了明确要求。
客运站作为服务旅客的重要场所,其服务质量直接关系到旅客的出行体验和满意度。
验收标准要求客运站要建立健全的服务质量评价体系,加强对服务人员的培训和管理,提高服务意识和服务水平,努力为旅客提供优质、高效的服务。
总之,客运站站级验收标准是客运站进行验收时所需遵循的一系列标准和要求,它涵盖了客运站的站场设施、安全管理、服务质量等各个方面。
客运站必须严格按照验收标准进行自查自改,确保客运站的正常运营和服务质量。
同时,相关管理部门也要加强对客运站的监督和检查,确保客运站的验收工作得到有效落实。
希望客运站能够按照验收标准不断提升自身的管理水平和服务质量,为旅客提供更加优质、便捷的出行体验。
广东省汽车客运站站级复核标准
汽车客运站设施设备配置表
表
表
其他规定
站房
2.1.1 站房的主要功能区(售票厅、候车室、行包托运处、检票口等)应做到分布明显,标志清晰,客流、行包流避免交叉。
2.1.2 车站的各种宣传告示(班次时刻表、里程票价表、行包价目表、营运线路图、旅客须知、禁运限运物品宣传图、公告牌等)应在站房内外的适当位置配置齐全,做到有效、醒目、美观大方。
一、二级站应以电子显示方式清晰、明了地发布班车信息。
.3 问讯处应设在邻近旅客主要入口处。
问讯处前宜留有充足的旅客活动空间。
.4 候车厅(室)
候车厅(室)座椅的排列方向应有利于旅客通向检票口,每排座椅不多于座,两端宜设置不少于.5m的通道。
双向对坐的座椅,排间。