正交试验设计法[17]
- 格式:doc
- 大小:59.50 KB
- 文档页数:9
正交试验验证试验的说明
正交试验设计法是研究与处理多因素实验的一种科学方法,是数理统计中的一个较大的分支。
利用规格化的表格—正交表,科学地挑选试验条件,合理安排实验。
主要优点是能在很多试验方案中挑选出代表性强的少数几个试验方案,并且通过这些试验方案的结果的分析,推断出最优方案,同时还可以作进一步的分析,得到比试验结果本身给出的还要多的有关各因素的信息。
正交试验设计法最早由日本质量管理专家田口玄一提出,称为国际标准型正交试验法。
他认为:“一个工程技术人员若不掌握正交试验设计法,只能算半个工程师”。
工业企业特别是化工、纺织、医药、电子、机械行业,正交试验设计法的应用也取得相当的成就,中国数学家张里千教授发明了中国型正交试验设计法。
在生产和科研中,为了研制新产品,改革生产工艺,寻找优良的生产条件,需要做许多多因素的试验。
在方差分析中对于一个或两个因素的试验,我们可以对不同因素的所有可能的水平组合做试验,这叫做全面试验。
正交试验法在西方发达国家已经得到了广泛的应用,特别是日本,对促进经济发展起到了很好的作用。
在我国,正交试验法的理论研究工作已有了很大的进展,在工农业生产中也正在被广泛推广和应用,使这种方法能为经济发展服务。
正交试验设计的理论分析方法及应用一、本文概述正交试验设计是一种高效、系统的试验设计方法,广泛应用于工程、农业、医学等多个领域。
本文旨在深入探讨正交试验设计的理论分析方法及其应用。
我们将对正交试验设计的基本概念进行简要介绍,包括正交表、正交性等关键要素。
随后,本文将重点阐述正交试验设计的理论分析方法,包括试验设计原则、误差分析、方差分析等方面。
通过这些理论分析方法,我们可以有效地评估试验结果的可靠性和有效性。
在应用领域方面,本文将通过具体案例展示正交试验设计在多个领域的实际应用。
例如,在工程领域,正交试验设计可用于优化产品设计参数,提高产品质量;在农业领域,正交试验设计可用于研究作物生长条件,提高农作物产量;在医学领域,正交试验设计可用于药物筛选和临床试验,提高药物研发效率。
通过这些案例,我们将展示正交试验设计在实际问题中的独特优势和广泛应用价值。
本文还将对正交试验设计的未来发展进行展望,探讨其在新技术、新领域的应用前景。
通过本文的阐述,我们期望能够帮助读者更好地理解和应用正交试验设计,为推动相关领域的研究和实践提供有益的参考。
二、正交试验设计的基本原理与特点正交试验设计是一种高效、系统的试验设计方法,其核心原理在于通过正交表来安排试验,使得试验点分布均匀且具有代表性。
正交表是一种特殊类型的表格,其每一行代表一种试验条件组合,每一列则代表一个试验因素的不同水平。
通过正交表,研究者可以方便地选择出具有代表性的试验点,从而有效地减少试验次数,提高试验效率。
均衡分散性:正交表的设计保证了试验点在试验范围内分布均匀,每个试验点都具有代表性,从而能够全面反映试验因素与试验指标之间的关系。
整齐可比性:由于正交表的特殊结构,不同试验点之间具有良好的可比性。
这使得研究者可以方便地比较不同试验条件下的试验结果,从而得出准确的结论。
灵活性:正交试验设计可以根据实际需要进行调整和优化。
例如,当试验因素或水平发生变化时,可以通过调整正交表来适应新的试验需求。
测试用例设计方法--正交试验法详解正交试验法介绍正交试验法是研究多因素、多水平的一种试验法,它是利用正交表来对试验进行设计,通过少数的试验替代全面试验,根据正交表的正交性从全面试验中挑选适量的、有代表性的点进行试验,这些有代表性的点具备了“均匀分散,整齐可比”的特点。
正交表是一种特制的表格,一般用L n (m k)表示,L 代表是正交表,n 代表试验次数或正交表的行数,k 代表最多可安排影响指标因素的个数或正交表的列数,m 表示每个因素水平数,且有n=k*(m-1)+1。
正交表的特点正交表具有以下两个特点。
正交表必须满足这两个特点,有一条不满足,就不是正交表。
每列中不同数字出现的次数相等。
这一特点表明每个因素的每个水平与其它因素的每个水平参与试验的几率是完全相同的,从而保证了在各个水平中最大限度地排除了其它因素水平的干扰,能有效地比较试验结果并找出最优的试验条件。
在任意2列其横向组成的数字对中,每种数字对出现的次数相等。
这个特点保证了试验点均匀地分散在因素与水平的完全组合之中,因此具有很强的代表性。
使用正交试验法的原因对于单因素或两因素试验,因其因素少,试验的设计、实施与分析都比较简单。
但在实际工作中,常常需要同时考察3个或3个以上的试验因素,若进行全面试验,试验的规模很大,由于时间和成本的限制我们不可能进行全面试验,但是具体挑其中的哪些测试用例进行测试我们心里拿不准,总担心不做不挑选的那些测试用例会遗漏一些严重缺陷。
为了有效的、合理地减少测试的工时与费用,我们利用正交试验法来设计测试用例。
正交试验法就是安排多因素试验、寻求最优水平组合的一种高效率的试验设计方法。
我们用测试实例来进行说明使用正交试验法设计测试用例的好处。
测试需求:某所大学通信系共2个班级,刚考完某一门课程,想通过“性别”、“班级”和“成绩”这三个查询条件对通信系这门课程的成绩分布,男女比例或班级比例进行人员查询: 根据“性别”=“男,女”进行查询 根据“班级”=“1班,2班”查询 根据“成绩”=“及格,不及格”查询按照传统设计——全部测试分析上述测试需求,有3个被测元素,被测元素我们称为因素,每个因素有两个取值,我们称之为水平值,所以全部测试用例个数是2*2*2=8,参见下表利用正交表设计测试用例,我们得到的测试用例个数是n=3*(2-1)+1=4,对于三因素两水平的刚好有L4(23)的正交表可以套用,于是用正交表试验法得出4个测试用例如下:根据实际需要可以在用正交试验法设计用例的基础上补充一些测试用例。
第5章正交试验设计方法5. 1试验设计方法概述试验设计是数理统计学的一个重要的分支。
多数数理统计方法主要用于分析已经得到的数据,而试验设计却是用于决定数据收集的方法。
试验设计方法主要讨论如何合理地安排试验以及试验所得的数据如何分析等。
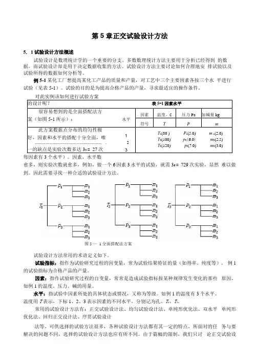
例5-1某化工厂想提高某化工产品的质量和产量,对工艺中三个主要因素各按三个水平进行试验(见表5-1)。
试验的目的是为提高合格产品的产量,寻求最适宜的操作条件。
每因素有3个水平)。
因素、水平数愈多,则实验次数就愈多,例如,做一个6因素3水平的试验,就需36 = 729次实验,显然难以做到。
因此需要寻找一种合适的试验设计方法。
图5 —1全面搭配法方案试验设计方法常用的术语定义如下。
试验指标:指作为试验研究过程的因变量,常为试验结果特征的量(如得率、纯度等)。
例1的试验指标为合格产品的产量。
因素:指作试验研究过程的自变量,常常是造成试验指标按某种规律发生变化的那些原因。
如例1的温度、压力、碱的用量。
水平:指试验中因素所处的具体状态或情况,又称为等级。
如例1的温度有3个水平。
温度用T表示,下标1、2、3表示因素的不同水平,分别记为孔、T2、T3。
常用的试验设计方法有:正交试验设计法、均匀试验设计法、单纯形优化法、双水平单纯形优化法、回归正交设计法、序贯试验设计法等。
可供选择的试验方法很多,各种试验设计方法都有其一定的特点。
所面对的任务与要解决的问题不同,选择的试验设计方法也应有所不同。
由于篇幅的限制,我们只讨论正交试验设计方法。
5. 2正交试验设计方法的优点和特点用正交表安排多因素试验的方法,称为正交试验设计法。
其特点为:①完成试验要求所需的实验次数少。
②数据点的分布很均匀。
③可用相应的极差分析方法、方差分析方法、回归分析方法等对试验结果进行分析,引出许多有价值的结论。
从例1可看出,采用全面搭配法方案,需做27次实验。
那么采用简单比较法方案又如何呢?先固定T1和p1,只改变m,观察因素m不同水平的影响,做了如图2-2 (1)所示的三次实验,发现m=m2时的实验效果最好(好的用口表示),合格产品的产量最高,因此认为在后面的实验中因素m应取m2水平。
正交试验设计法[17]正交试验设计法[17]正交试验设计是利用“正交表”选择试验的条件,并利用正交表的特点进行数据分析,找出最好的或满意的试验条件,适用于多因素的设计问题。
正交试验法的理论基础是正交拉丁方理论与群论。
在工作中可用的多因素寻优工作方法,一类是从优选区某一点开始试验,一步一步到达较优点,这类实验方法叫序贯试验法,如因素轮换法、爬山法等;另一类是,在优选区内一次布置一批试验点,通过对这批试验结果的分析,逐步缩小优选范围从而达到较优点,如正交试验法等。
科研中普遍采用正交试验法,因其具有如下优点:①实用上按表格安排试验,使用方便;②布点均衡、试验次数较少;③在正交试验法中的最好点,虽然不一定是全面试验的最好点,但也往往是相当好的点。
特别在只有一两个因素起主要作用时,正交试验法能保证主要因素的各种可能都不会漏掉。
这点在探索性工作中很重要,其他试验方法难于作到;④正交试验法提供一种分析结果(包括交互作用)的方法,结果直观易分析。
且每个试验水平都重复相同次数,可以消除部分试验误差的干扰;⑤因其具有正交性,易于分析出各因素的主效应。
名词解释:1试验因素:影响考核指标取值的量称为试验因素(因子),一般记为:A,B,C等。
有定量的因素,可控因素,定性的因素,不可控因素等。
2 因素的位级(水平):指试验因素所处的状态。
4 考核指标:根据试验目的而选定的用来衡量试验效果的量值(指标)。
5 完全因素位级组合:指参与实验的全部因素与全部位级相互之间的全部组合次数,即全部的实验次数。
6 部分因素位级组合:⑴单因素转换法⑵正交试验法7 正交表的符号:正交表是运用组合数学理论在正交拉丁名的基础上构造的一种规格化的表格。
符号:Ln(ji)其中:L--正交表的符号n--正交表的行数(试验次数,试验方案数)j--正交表中的数码(因素的位级数)i--正交表的列数(试验因素的个数)N=ji--全部试验次数(完全因素位级组合数)总之,利用正交试验法的设计方案,结合代数方法对数据进行分析,可达到使试验收敛速度加快、试验的效率非常高的效果。
正交试验设计在生产和科研工作中,经常要做许多试验。
特别在纺织生产过程中,实际问题是错综复杂的。
影响试验结果的因素很多,有些因素单独起作用,有些因素的水平好坏与另一个因素水平的选取有紧密地依赖关系。
在安排试验时总想多试验几个因素,但是逐个试验,次数必然很多,不仅会耗费大量的人力物力,而且有时还会因为时间的拖长,试验条件改变,使试验失败。
那么,如何安排这种多因素的试验,使试验既能次数少,耗费小,又能得到正确结论,取得较好的效果呢?这就是值得研究的一个问题。
正交试验设计是一种安排多因素试验的数学方法,它是从大量生产实践和科学实验中总结出来的,它在提高产品的产量、质量,研究采用新工艺、新品种,了解新设别的工艺性能以及改进技术管理等方面,都取得了较好的效果。
正交试验设计所要解决的问题是:1.合理安排多因素的试验,使试验次数尽量减少。
2.从试验数据中能分析各因素对试验结果造成的影响,即要能分析出哪些是主要因素,哪些是次要因素,哪些是独立作用,哪些是交互作用。
第一节正交表的一般知识一、正交表的定义设有a1,a2…a r和b1,b2…b s两组水平,把“水平对”(a1,b1),(a1,b2)…(a1,b s)(a2,b1),(a2,b2)…(a2,b s)………………………………………(a r,b1),(a r,b1)…(a r,b s)称为上述两组水平所构成的“完全对”。
一般写成(a i,b j),用数码表示,如(1,1)(1,2)(1,3)(2,1)(2,2)(2,3)(3,1)(3,2)(3,3)“完全对”的个数=因素1的水平数 因素2的水平数如果一个矩阵的某两列中,同一行的水平所构成的“水平对”是一个“完全对”,而且每次出现的次数相同时,就说这两列搭配均衡。
如1 1 1 1 12 2 2 1 2 2 21 2 2 2 2 2 1 1 1 2 1 12 1 2 1 2 1 2 1 2 1 2 12 2 1 2 1 1 1 2 2 1 1 2在每两列中,(1,1),(1,2),(2,1),(2,2)都各出现一次,因此“搭配均衡”。
正交试验设计方法详细步骤正交试验设计是研究多因素多水平的一种设计方法,它是根据正交性从全面试验中挑选出部分有代表性的点进行试验,这些有代表性的点具备了“均匀分散,齐整可比”的特点。
下面为您详细介绍正交试验设计的步骤。
一、明确试验目的和确定试验指标首先要清楚为什么要进行这个试验,是为了提高产品质量、降低成本,还是为了优化某个工艺过程等。
然后根据试验目的确定一个或多个能够衡量试验结果好坏的指标,这些指标可以是定量的,如产量、纯度、强度等;也可以是定性的,如外观、色泽、口感等。
需要注意的是,试验指标要尽量具体、明确、可测量。
二、挑选因素和确定水平因素就是影响试验指标的各种条件,比如温度、压力、时间、浓度等。
在挑选因素时,要综合考虑实际情况和专业知识,找出那些对试验指标可能有较大影响的因素。
每个因素又有不同的取值,这些取值就称为水平。
水平的设置要合理,既要有一定的范围,又不能过于宽泛或狭窄。
例如,在研究某个化学反应时,我们可能会选择反应温度、反应时间和反应物浓度作为因素。
假设反应温度的水平设定为 60℃、70℃和80℃;反应时间的水平设定为 1 小时、2 小时和 3 小时;反应物浓度的水平设定为 10%、20%和 30%。
三、选择合适的正交表正交表是一种已经标准化的表格,它能够保证试验点的均匀分散和齐整可比。
选择正交表时,要根据因素的个数和水平数来确定。
通常,我们可以参考现成的正交表手册,或者使用相关的软件来帮助选择。
在选择正交表时,需要遵循以下两个原则:一是正交表的列数要大于或等于因素的个数;二是正交表能够安排下所有因素的水平。
例如,如果有 3 个因素,每个因素有 3 个水平,那么可以选择 L9(3^4)正交表。
四、表头设计表头设计就是将因素安排到正交表的列中。
一般来说,可以随机安排因素的位置,但为了方便分析试验结果,有时也会根据因素的重要性或主次顺序进行安排。
比如,将上述的 3 个因素(反应温度、反应时间、反应物浓度)分别安排到 L9(3^4)正交表的前 3 列。
正交试验设计方法详细步骤正交试验设计方法(Orthogonal Experimental Design)是一种通过系统地变化每个试验因素的水平,来确定各个试验因素对结果的影响的实验设计方法。
它可以帮助研究者有效地评估各个试验因素对结果的影响程度,并找到最佳的组合方案。
本文将详细介绍正交试验设计方法的步骤。
一、确定试验因素和水平首先,我们需要确定参与实验的各个试验因素及其可能的水平。
试验因素是指影响结果的各个因素,而水平则是试验因素可能的取值。
在确定试验因素和水平时,要考虑到实验目的和实际情况,确保涵盖了可能的影响因素。
二、建立正交表正交表是正交试验设计的核心工具,它是由行和列组成的表格,用于指导实验的进行。
根据试验因素的个数和水平数量,选择适当的正交表。
常用的正交表包括L8、L16、L32等。
三、确定试验方案根据正交表,确定实验方案。
将正交表的行用于标识试验次数,将列用于表示各个试验因素及其水平的组合。
在确定试验方案时,要保证各个水平和因素的组合均匀且全面。
四、进行实验按照试验方案,进行实验。
根据正交表的设计原理,每个试验因素的水平都会被均匀地应用到各个试验中,从而使得各个试验的结果具有可比性。
五、收集数据在实验进行过程中,要准确地记录各个试验的结果数据。
根据实验目的和需要,可以选择合适的数据收集方法和工具,如测量仪器、问卷调查等。
六、数据分析与解释对收集到的数据进行分析和解释,评估各个试验因素对结果的影响程度。
常用的数据分析方法包括方差分析、回归分析等。
通过数据分析,可以得出各个试验因素的影响大小和统计显著性,为进一步优化和改进提供依据。
七、优化和改进根据数据分析的结果,可以进一步优化和改进设计方案。
针对影响较大的试验因素,可以考虑调整其水平,或者进行二次试验以进一步验证结果。
八、总结报告最后,根据实验结果和分析,撰写总结报告。
总结报告应包括实验目的、方法、结果和结论等内容,以便他人理解和参考。
正交试验设计法一、什么是正交试验设计法正交试验设计法(简称正交试验法)就是利用正交表来合理安排试验的一种方法。
二、正交表表1正交表L9(34)此表是日本规格协会推荐的正交表表1就是一张已经设计好的正交表,它有9行4列,表内有3种数码—“1”、“2”、“3”。
如果我们用L表示正交表,n 表示正交表的行数;q表示正交表的列数;t表示正交表内的数码种类,那么一张正交表可以用符号表示为:例如:L9(34)正交表,最多可以安排4个因素做试验,每个因素可取3个水平,共有9种试验方案,这显然大大减少了试验方案是数量,因为如果安排4因素3水平的全搭配试验必须有34=81次试验方案才行。
三、正交表的优点多:可以考虑多因素,多指标。
快:试验周期短,见效快。
好;可以找到最佳方案。
省:试验次数少。
假如:考虑十三个因素,三水平的试验。
用L27(313)安排只要做27次试验。
而进行全面试验时,则要做313=1594323次试验,如果每天做10次试验,也要做436.8年之久方可做完.四、正交试验表的种类分两类:一类是水平数相同的正交表,即正交表中每一列所包含的代表水平的数码是一样的。
例如:L4(23)、L8(27)、L9(34)等等。
另一类是水平数不同的正交表,例如:L8(41×24)、L18(21×37)、L18(61×36)、L16(42×212)L32(49×24)。
L8(41×24)L16(42×212)四:常用正交试验设计与分析步骤1、明确试验目的2、确定考察指标3、挑因素选水平4、设计试验方案5、实施试验方案6、试验结论分析7、验证试验8、结论与建议例:设计纸飞机试验1、试验目的:找到一组飞行距离最远的纸飞机设计参数。
2、考察指标Y——纸飞机飞行距离。
3、挑因素选水平分析:影响Y的重要因素A:材料B:尺寸C:抛出力D:抛出角度根据实际情况每个因素取3个水平制定因素水平表因素水平表4、设计试验方案由因素水平表可以清楚的看出,这是一项4因素3水平的试验,必须有3种数码的正交表中找到合适的表安排此项试验,这类表试验次数最少的是L9(34)表于是就选L9(34)正交表安排试验方案。
正交试验设计法
正交试验设计法是一种运用数学模型来研究多因素对结果的影响情况的试验方法,它和常规参数试验设计法同样也是研究多因素组合影响最终结果的一种方法。
一、正交试验设计法的定义
正交试验设计法是1947年由R.A.Fisher提出的一种试验设计法,它的本质是将实验的自变量及其组合组合成一种定量的试验模型。
它具有以下特点:
1、因素的互斥:正交试验设计法可以明确因素的各种量级的互斥;
2、多因素的加入;正交试验设计法可以根据实验设计的要求,灵活的增减多因素;
3、定量配比;正交试验法能够将多个实验因素或其配比统一地量化;
4、实验结果的获得:正交试验设计法建立在定量关系的基础上,从而可以以更加真实的结果衡量出各种因素的影响;
二、正交试验设计法的原理
正交试验设计法建立在统计学及数学模型对因素及实验结果之间关系分析的基础之上,通过分析自变量及其数量级来确定其效力。
简而言之,所谓“贡献度”,是指每个因素/因子单独影响实验结果的比率。
贡献度比值可以确定该实验因素/因子对实验结果所产生的影响,并可以推算出实验的最佳分层,从而更加精确的提高实验的精准性。
三、应用场景
正交试验设计法更多的被用来设计和分析设备性能实验;药物研究,如治疗药效试验;食品质量实验,如软硬度,甜度等实验;还可以运用于生物学和土壤科学等多个领域中。
此外,它还可以为品牌或产品的实验推广加入模式的有利性,通过实验对各种可切换的因素进行统一的定义及研究,为最佳策略的设定提供必要的依据。
正交实验法的原理
正交实验(Orthogonal Experiment)是一种试验设计方法,它按照经
验准则确定各个自变量的取值,从而控制变量的变化量。
它的基本原理是
把试验的变量拆分成多个独立的部分,然后确定每个部分的取值,从而获
得一组模型各参数变量互相正交的参数组合,使每个因素影响实验结果的
效果能够清楚的反映出来。
因此,正交实验不仅可以准确地确定影响和
反应变量的因素,也能有效的控制试验的变量,从而有效的控制实验结果。
正交实验设计的基本原理在于:它以参数组合作为基本单元,不改变
条件之间的正交关系,即每个因素都保持其变量能力,提高参数组合上的
数量;在每个参数组合上,只改变一个变量,以保持其他变量不变,从而
获得较为准确地实验结果;在每组参数组合上,可以选择不同程度的值,
以满足实验的各种需求;最后,根据实验的结果,可以进行合理的因素分析,有助于更加准确的判断实验结果。
一、正交试验设计法这也是一种减少试验次数的部分实施法,试验样本的选取不是随机的,而是按正交表来选取和安排试验,使试验中每一因素的不同水平的试验次数相同,且和不同因素的各水平相遇机率相等。
由于这一特点,用正交表安排的试验方案是有代表性的,能够比较前面的反映各因素各水平对试验指标影响的大致情况。
因此用蒸饺试验设计安排的试验次数虽然减少了,但仍能得到比较精确的试验结果。
以切削力试验为例,三水平四因素的正交表L9(34)查得只需做9次试验,试验按正交表要求做。
因此在多因素试验时,应尽可能使用正交试验设计法。
二、正交表和正交试验设计法1.正交试验法要解决的问题正交试验法师在试验经验与理论分析的基础上,利用现成的规格化的“正交表科学地选取试验样本,合理安排试验。
它在很多的试验条件中选出代表性强的少次数条件,并通过少次数的试验,找出符合客观规律的试验结论或优选出好的方案。
正交试验设计还有相应的科学地分析试验结果的方法。
通过正交试验和相应的试验结果的分析,可得到(1)分清影响试验指标诸因素的主次关系,可找出起主要作用的因素和影响较小的因素。
(2)找出个因素的水平高低对试验指标的影响规律,可明确哪个因素的水平影响大,哪个水平的影响小。
(3)在水平和因素的不同搭配中,找出好的组合方案。
2.正交表正交表是试验设计的核心,应对它有必要的了解。
正交表是有代表因素和水平的数字组成的、具有数字性质的表格。
正交表很多,常用的正交表水平有L4(23),L8(27 ),L12(211),L18(215)等;三水平正交表有L9(34),L18(37),L27(318)等,四水平正交表有L18(45)等。
现以L9(34)正交表为例来说明它的性质和使用。
L9(34)正交表如表所示。
试验号1 2 3 4列号1 1 1 1 12 1 2 2 23 1 3 3 34 2 1 2 35 2 2 3 16 2 3 1 27 3 1 3 28 3 2 1 39 3 3 2 1L9(34)正交表有9个横行,表示要进行9次试验;有4个纵列,表示可以安排4个因素;水平1、2、3表示3个不同水平。
正交试验设计法[17]正交试验设计是利用“正交表”选择试验的条件,并利用正交表的特点进行数据分析,找出最好的或满意的试验条件,适用于多因素的设计问题。
正交试验法的理论基础是正交拉丁方理论与群论。
在工作中可用的多因素寻优工作方法,一类是从优选区某一点开始试验,一步一步到达较优点,这类实验方法叫序贯试验法,如因素轮换法、爬山法等;另一类是,在优选区内一次布置一批试验点,通过对这批试验结果的分析,逐步缩小优选范围从而达到较优点,如正交试验法等。
科研中普遍采用正交试验法,因其具有如下优点:①实用上按表格安排试验,使用方便;②布点均衡、试验次数较少;③在正交试验法中的最好点,虽然不一定是全面试验的最好点,但也往往是相当好的点。
特别在只有一两个因素起主要作用时,正交试验法能保证主要因素的各种可能都不会漏掉。
这点在探索性工作中很重要,其他试验方法难于作到;④正交试验法提供一种分析结果(包括交互作用)的方法,结果直观易分析。
且每个试验水平都重复相同次数,可以消除部分试验误差的干扰;⑤因其具有正交性,易于分析出各因素的主效应。
名词解释:1 试验因素:影响考核指标取值的量称为试验因素(因子),一般记为:A,B,C等。
有定量的因素,可控因素,定性的因素,不可控因素等。
2 因素的位级(水平):指试验因素所处的状态。
4 考核指标:根据试验目的而选定的用来衡量试验效果的量值(指标)。
5 完全因素位级组合:指参与实验的全部因素与全部位级相互之间的全部组合次数,即全部的实验次数。
6 部分因素位级组合:⑴单因素转换法⑵正交试验法7 正交表的符号:正交表是运用组合数学理论在正交拉丁名的基础上构造的一种规格化的表格。
符号:Ln(ji) 其中:L--正交表的符号n--正交表的行数(试验次数,试验方案数)j--正交表中的数码(因素的位级数)i--正交表的列数(试验因素的个数)N=ji--全部试验次数(完全因素位级组合数)总之,利用正交试验法的设计方案,结合代数方法对数据进行分析,可达到使试验收敛速度加快、试验的效率非常高的效果。
可利用试验结果获取更多信息,准确掌握效应的趋势规律,而且优选点可超越所选水平范围和精度,从而可大大减少试验次数。
这种联用技术,对于可获得定量结果或结果容易定量化,以及试验代价高时,很有效。
正交实验设计当析因设计要求的实验次数太多时,一个非常自然的想法就是从析因设计的水平组合中,选择一部分有代表性水平组合进行试验。
因此就出现了分式析因设计(fractional factorial designs),但是对于试验设计知识较少的实际工作者来说,选择适当的分式析因设计还是比较困难的。
正交试验设计(Orthogonal experimental design)是研究多因素多水平的又一种设计方法,它是根据正交性从全面试验中挑选出部分有代表性的点进行试验,这些有代表性的点具备了“均匀分散,齐整可比”的特点,正交试验设计是分式析因设计的主要方法。
是一种高效率、快速、经济的实验设计方法。
日本著名的统计学家田口玄一将正交试验选择的水平组合列成表格,称为正交表。
例如作一个三因素三水平的实验,按全面实验要求,须进行33=27种组合的实验,且尚未考虑每一组合的重复数。
若按L9(3)3正交表按排实验,只需作9次,按L18(3)7正交表进行18次实验,显然大大减少了工作量。
因而正交实验设计在很多领域的研究中已经得到广泛应用。
1.正交表正交表是一整套规则的设计表格,用。
L为正交表的代号,n为试验的次数,t为水平数,c为列数,也就是可能安排最多的因素个数。
例如L9(34), (表11),它表示需作9次实验,最多可观察4个因素,每个因素均为3水平。
一个正交表中也可以各列的水平数不相等,我们称它为混合型正交表,如L8(4×24) (表12),此表的5列中,有1列为4水平,4列为2水平。
根据正交表的数据结构看出,正交表是一个n行c 列的表,其中第j列由数码1,2,… Sj 组成,这些数码均各出现N/S 次,例如表11中,第二列的数码个数为3,S=3 ,即由1、2、3组成,各数码均出现次。
正交表具有以下两项性质:(1)每一列中,不同的数字出现的次数相等。
例如在两水平正交表中,任何一列都有数码“1”与“2”,且任何一列中它们出现的次数是相等的;如在三水平正交表中,任何一列都有“1”、“2”、“3”,且在任一列的出现数均相等。
(2)任意两列中数字的排列方式齐全而且均衡。
例如在两水平正交表中,任何两列(同一横行内)有序对子共有4种:(1,1)、(1,2)、(2,1)、(2,2)。
每种对数出现次数相等。
在三水平情况下,任何两列(同一横行内)有序对共有9种,1.1、1.2、1.3、2.1、2.2、2.3、3.1、3.2、3.3,且每对出现数也均相等。
以上两点充分的体现了正交表的两大优越性,即“均匀分散性,整齐可比”。
通俗的说,每个因素的每个水平与另一个因素各水平各碰一次,这就是正交性。
2. 交互作用表每一张正交表后都附有相应的交互作用表,它是专门用来安排交互作用试验。
表14就是L8(27)表的交互作用表。
安排交互作用的试验时,是将两个因素的交互作用当作一个新的因素,占用一列,为交互作用列,从表14中可查出L8(27)正交表中的任何两列的交互作用列。
表中带( )的为主因素的列号,它与另一主因素的交互列为第一个列号从左向右,第二个列号顺次由下向上,二者相交的号为二者的交互作用列。
例如将A因素排为第(1)列,B因素排为第(2)列,两数字相交为3,则第3列为A×B交互作用列。
又如可以看到第4列与第6列的交互列是第2列,等等。
3.正交实验的表头设计表头设计是正交设计的关键,它承担着将各因素及交互作用合理安排到正交表的各列中的重要任务,因此一个表头设计就是一个设计方案。
表头设计的主要步骤如下:(1)确定列数根据试验目的,选择处理因素与不可忽略的交互作用,明确其共有多少个数,如果对研究中的某些问题尚不太了解,列可多一些,但一般不宜过多。
当每个试验号无重复,只有1个试验数据时,可设2个或多个空白列,作为计算误差项之用。
(2)确定各因素的水平数根据研究目的,一般二水平(有、无)可作因素筛选用;也可适用于试验次数少、分批进行的研究。
三水平可观察变化趋势,选择最佳搭配;多水平能以一次满足试验要求。
(3)选定正交表根据确定的列数©与水平数(t)选择相应的正交表。
例如观察5个因素8个一级交互作用,留两个空白列,且每个因素取2水平,则适宜选L16(215)表。
由于同水平的正交表有多个,如L8(27)、L12(211)、L16(215),一般只要表中列数比考虑需要观察的个数稍多一点即可,这样省工省时。
(4)表头安排应优先考虑交互作用不可忽略的处理因素,按照不可混杂的原则,将它们及交互作用首先在表头排妥,而后再将剩余各因素任意安排在各列上。
例如某项目考察4个因素A、B、C、D及A×B交互作用,各因素均为2水平,现选取L8(27)表,由于AB两因素需要观察其交互作用,故将二者优先安排在第1、2列,根据交互作用表查得A×B应排在第3列,于是C排在第4列,由于A×C交互在第5列,B×C 交互作用在第6列,虽然未考查A×C与B×C,为避免混杂之嫌,D就排在第7列。
(5)组织实施方案根据选定正交表中各因素占有列的水平数列,构成实施方案表,按实验号依次进行,共作n次实验,每次实验按表中横行的各水平组合进行。
例如L9(34)表,若安排四个因素,第一次实验A、B、C、D四因素均取1水平,第二次实验A因素1水平,B、C、D取2水平,……第九次实验A、B因素取3水平,C因素取2水平,D因素取1水平。
实验结果数据记录在该行的末尾。
因此整个设计过程我们可用一句话归纳为:“因素顺序上列、水平对号入座,实验横着作”。
4.二水平有交互作用的正交实验设计与方差分析例8 某研究室研究影响某试剂回收率的三个因素,包括温度、反应时间、原料配比,每个因素都为二水平,各因素及其水平见表16。
选用L8(27)正交表进行实验,实验结果见表17。
首先计算Ij 与IIj ,Ij为第j列第1水平各试验结果取值之和,IIj为第j列第2水平各试验结果取值之和。
然后进行方差分析。
过程为:求:总离差平方和各列离差平方和 SSj=本例各列离均差平方和见表10最底部一行。
即各空列SSj之和。
即误差平方和自由度v为各列水平数减1,交互作用项的自由度为相交因素自由度的乘积。
分析结果见表18。
从表18看出,在α=0.05水准上,只有C因素与A×B交互作用有统计学意义,其余各因素均无统计学意义,A因素影响最小,考虑到交互作用A×B的影响较大,且它们的二水平为优。
在C2的情况下,有B1A2和B1,A1两种组合状况下的回收率最高。
考虑到B因素影响较A因素影响大些,而B中选B1为好,故选A2B1。
这样最后决定最佳配方为A2B1C2,即80℃,反应时间2.5h,原料配比为1.2:1。
如果使用计算机进行统计分析,在数据是只需要输入试验因素和实验结果的内容,交互作用界的内容不用输入,然后按照表头定义要分析的模型进行方差分析。
1.正交试验法的评价正交试验法的理论基础是正交拉丁方理论与群论。
在工作中可用的多因素寻优工作方法,一类是从优选区某一点开始试验,一步一步到达较优点,这类实验方法叫序贯试验法,如因素轮换法、爬山法等;另一类是,在优选区内一次布置一批试验点,通过对这批试验结果的分析,逐步缩小优选范围从而达到较优点,如正交试验法等。
科研中普遍采用正交试验法,因其具有如下优点:①实用上按表格安排试验,使用方便;②布点均衡、试验次数较少;③在正交试验法中的最好点,虽然不一定是全面试验的最好点,但也往往是相当好的点。
特别在只有一两个因素起主要作用时,正交试验法能保证主要因素的各种可能都不会漏掉。
这点在探索性工作中很重要,其他试验方法难于作到;④正交试验法提供一种分析结果(包括交互作用)的方法,结果直观易分析。
且每个试验水平都重复相同次数,可以消除部分试验误差的干扰;⑤因其具有正交性,易于分析出各因素的主效应。
但其也有一些缺点:它提供的数据分析方法所获得的优选值,只能是试验所用水平的某种组合,优选结果不会超越所取水平的范围;另外,也不能给进一步的试验提供明确的指向性,使试验仍然带很强的摸索性色彩,不很精确。
这样,正交试验法用在初步筛选时显得收敛速度缓慢、难于确定数据变化规律,增加试验次数。
尤其在试验工作烦琐、费用昂贵的情况更显突出。
2.正交试验法的代数学基础对试验的寻优工作,用数学语言可描述为求多维连续空间上的最大或最小值(极值)。