椭圆函数低通滤波器
- 格式:ppt
- 大小:230.50 KB
- 文档页数:16
摘要滤波器是自动控制、信号处理和通信领域重要组成部分,广泛运用各个系统中。
ADS(Advanced Design System)软件是安捷伦公司开发的电子设计自动化软件,功能强大,仿真手段丰富多样,并可对设计结果进行优化,是非常优秀的微波电路设计工具。
它的版面计算功能和建模功能,能够精确的对滤波器的匹配电路进行优化和计算。
本文是通过利用ADS自带的滤波器设计向导实现椭圆低通滤波器的设计,介绍了椭圆型滤波器的基本原理和设计理念,给出了基于ADS设计滤波器的基本步骤和怎么利用ADS对设计进行优化。
关键词:滤波器设计,ADS,仿真ABSTRACTFilter is an important part of automatic control, signal processing and communications, widely used in various systems. ADS (Advanced Design System) software is electronic design automation software developed by Agilent, powerful, means rich and diverse, and to optimize the design, it is a very nice microwave circuit design tools. Its layout calculation and modeling capabilities, able to accurately to optimize filter matching circuit and calculation. This is through the use of ADS's filter design guide implementation of elliptic low-pass filter design, introduces the basic principles and elliptic filter design concepts, design based on ADS filter is given the basic steps and how to use your ADS to optimize the designKey words: filter design, ADS,simulation目录第1章引言 (1)1.1背景和意义 (1)1.1 滤波器的发展前景 (1)1.2 滤波器的前景 (2)1.3 本次的主要任务 (2)第2章LC滤波器 (3)2.1滤波器的介绍 (3)2.2滤波器的分类 (3)2.3滤波器的主要参数(Definitions) (4)2.4滤波器的特性指标 (5)2.4.1特征频率 (5)2.4.2增益与衰耗 (6)2.4.3阻尼系数与品质因数 (6)2.4.4灵敏度 (6)2.4.5群时延函数 (6)2.5 LC滤波器的工作原理 (7)2.6二端口网络的意义 (9)2.6.1 S参数的意义 (9)2.6.2 S参数的意义 (11)第3章设计的理论基础 (13)3.1椭圆滤波器 (13)3.2椭圆滤波器的特点 (13)3.3低通滤波器 (14)3.4 椭圆低通滤波器的设计理论 (16)3.5设计计算 (16)第4章ADS的仿真 (20)4.1ADS软件介绍 (20)4.2设计目标 (20)4.3ADS仿真 (21)4.3.1运行ADS (21)第5章总结 (29)参考文献 (30)致谢 (31)第1章引言1.1背景和意义如今,无线通信技术飞速发展,人们对无线产品的需求迅速增长,滤波器在许多射频\微波的应用中扮演重要角色,并随着通信技术的发展而取得不断进展,它们被用来离散或者合成不同的频率,正发挥着巨大的作用。
燕山大学课程设计说明书题目:椭圆低通滤波器的设计学院(系):电气工程学院年级专业: 08级精仪2班学号: 0701********学生姓名:高俊指导教师:刘永红教师职称:讲师燕山大学课程设计(论文)任务书基层教学单位:仪器科学与工程系指导教师:刘永红学号0701******** 学生姓名高俊专业(班级)08精仪2班设计题目1椭圆低通滤波器设计设计技术参数采样频率为100Hz,采样点数100,低频、中频、高频信号频率分别为5Hz、15Hz 、30Hz设计要求产生一个连续信号,包含低频率,中频,高频分量,对其进行采样,进行频谱分析。
设计低通滤波器对信号进行滤波处理,观察滤波后信号的频谱。
(熟悉函数freqz,butter,filter,fft)参考资料数字信号处理方面资料MATLAB方面资料工作计划收集消化资料、学习MATLAB软件进行相关参数计算编写仿真程序、调试指导教师签字刘永红基层教学单位主任签字说明:此表一式四份,学生、指导教师、基层教学单位、系部各一份。
2011年 7月 4日目录第一章摘要 (3)第二章引言 (4)第三章基本原理 (4)3.1数字滤波器的基本理论 (4)3.2椭圆滤波器的特点 (5)第四章设计过程 (5)4.1椭圆滤波器设计结构图 (5)4.2设计椭圆数字滤波器的步骤 (6)第五章程序和仿真图 (8)5.1低通滤波器设计程序 (8)5.2带通滤波器设计程序........................... 错误!未定义书签。
5.3高通滤波器设计程序........................... 错误!未定义书签。
5.4信号的仿真图 (9)第六章结语 (11)心得体会 (11)参考文献 (11)第一章摘要滤波器是自动控制、信号处理和通信领域的重要组成部分,广泛地应用于各种系统中。
MATLAB语言是一种简单、高效的高级语言,是一种内容丰富、功能强大的分析工具,其应用范围几乎覆盖了所有的科学和工程计算领域。
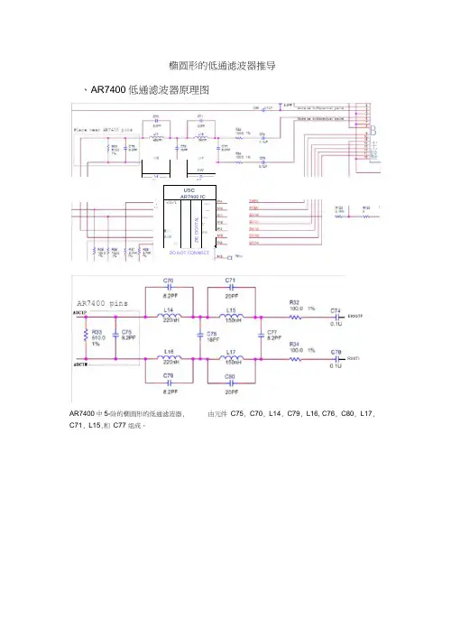
椭圆形的低通滤波器推导、AR7400低通滤波器原理图AR7400中5-阶的椭圆形的低通滤波器, C71, L15,和C77 组成。
B注鑿cw----- )1---- ------ n------ 畠k J.*FF-lU5CAR7400 IC~.-rCEv*£.■如ALOS站ZfEDiGftTAL"M.S 'KAC.''-LA N-IA"MW■•」.*DO NOT CONNECTEIOQTFRIMTI由元件C75, C70, L14, C79, L16, C76, C80, L17,二、单端线上的椭圆低通滤波器1. 归一化椭圆低通滤波器模型特性:通带内有起伏,阻带内也有起伏:Iff画腑故型LPF的嚣减特性I通带由和駅带山懈有起伏》2. 5-阶椭圆低通滤波器的归一化模型:Ur归一化低通滤波器截止频率为(1/2n)Hz,特征阻抗1 Q;帯内起伏■为6 lidH时的阻帯内J1自斜牛陪诜点的扁■薫徽空LPF的设计裁抿3. 利用归一化模型设计低通滤波器步骤:利用归一化LPF 的设廿 数擔来设计潼波器时的步骤4. 频率和阻抗变换计算公式:… 待设计滤波器的截止频率U == ------------------ : ------------------------基淮滤波器的截止频率[“ L(old)r(new) —M厂C^Ld)mlK待设计滤波器的阻抗 基准滤波當的阻抗I * <nr<) = L(u i (i) * K厂丿、—C (直<oQ (new] .5. 设计一个截止频率为68MHz 阻抗为50Q 的低通滤波器:6. 对归一化低通滤波器滤波器进行频率变换:L2 1.16391H1 --II -i… C2・ L C4-0.21867F '" 0.08130F"~L C 3Lil. 04770H42, 31423 FC51. S3695FC1 1. 51534F5阶归一化低通滤波器截止频率为(1/2n) Hz,特征阻抗1 Q;基准滤波器的截止频率68MHz(l/2n )Hz(l/2n )Hz515243548PFC515240477HLc163S1H725nH 2636953833. 247pF53548pFv5阶低通滤波器截止频率为68M Hz, C2512p F&C3541^pF427. 04 x 100. 08130 F2.3142427. 041 10190诃 511.SS6PFC3c 2427. 04 x 10 '特征阻抗1Q7.对以上滤波器进行阻抗变换L2 2. 725nH〒C53833. 247pF63 X 10—H£二 4乩 04 x 10 6427. 04 x 10 6 —待设计滤波器的截止频率427. 04 x 10 &427. 04 x 10 6— 427. 04 x 10 £0. 2186x10"pF427, 0*2 x10 61. 0477x10 ,F427. 04 x 10 £2. 3142KIO ]2P F427. 04 x 10 60.08130x 101?pF427- 04 x 心1”16391xio Y F427. 04 x 10 &1.63695x 1O 1?PF5152仇1012P F_____L_1朴tC4190pF特设计滤波器阻抗750C1 二3548 诃K6 —511. 896 PFKL ]二2. 45nH * K = C3 =5419 pFK_c 4 二190 PFK _3548 P F---------------- =47. 3pF75511. 396 PF =良 827pF751S3. 975nH5419 P F---------------- ---- 12. 25pF75ISO pF---------- 二 2. 533pF75L 2 = 2. 725rH * K 二 204. 375nH3833. 247pF6 二—3B33. 247pF— ------------------ =51pF75$C372- 25pF〒砧51pF5阶低通滤波器截止频率为 68M Hz,特征阻抗50 Q;8.对5阶低通滤波器截止频率为68MHz ,特征阻抗50Q 仿真;基准澹波需阻抗1Q二75L1133.975nHC26. S27pF204- 375nHC4 2. 533pF5阶低通滤波器截止频率为68MHz,特征阻抗50Q仿真图形仿真结果:通带内有两个起伏点,阻带内有两个陷波点,通带截止频率68MHz插损小于1.2dB,阻带内带外抑制》23 dB (at87 〜125MHz ), > 60 dB(at125 〜860MHz );9.对AR7400单端线滤波器的仿真;当滤波器中的容值和电感值变化时,如下图,并对其进行仿真,AR7400滤波器的一部分仿真结果:通带内有两个起伏点,阻带内有两个陷波点,通带截止频率80MHz 插损小于1.35dB,阻 带内带外抑制》17dB (at90〜〜860MHz );说明:电容变小截止频率变大,带外抑制变小;三、差分线上的椭圆低通滤波器与单端走线的比较差分信号与传统的一根信号线一根地线(即单端信号)相比,其优点是:a 、 抗干扰能力强。
椭圆函数低通滤波器设计引言椭圆函数低通滤波器是一种常用的滤波器,在信号处理中起着重要的作用。
它具有较为复杂的设计和计算方法,但可以实现较为精确的滤波效果。
本文将介绍椭圆函数低通滤波器的设计原理和步骤,并给出具体的实例。
设计原理椭圆函数低通滤波器的设计基于椭圆函数(或称Chebyshev函数)的性质。
椭圆函数具有特殊的振幅响应特性,可以实现更为陡峭的滤波特性。
在椭圆函数低通滤波器设计中,需要指定截止频率、通带波纹和阻带衰减等参数。
通过调整这些参数,可以灵活地设计出满足特定需求的低通滤波器。
设计步骤椭圆函数低通滤波器的设计步骤如下:1.确定滤波器的截止频率。
根据具体应用需求,选择适当的截止频率。
截止频率是指滤波器开始对信号进行衰减的频率。
2.确定通带波纹和阻带衰减。
通带波纹是指通过滤波器的信号波形的最大波动幅度,阻带衰减是指滤波器对截止频率之后的频率的衰减程度。
3.根据截止频率、通带波纹和阻带衰减等参数,计算滤波器的阶数。
阶数是指滤波器的阶数,即滤波器的复杂度。
较高的阶数可以实现更陡峭的滤波特性,但也会增加滤波器的计算和设计难度。
4.根据计算的阶数,使用椭圆函数逼近方法计算椭圆函数的极点和零点。
极点和零点是滤波器设计中重要的参数,它们的位置决定了滤波器的频率响应特性。
5.根据计算得到的极点和零点,构造椭圆函数低通滤波器的传递函数。
传递函数描述了滤波器的输入输出关系。
6.对传递函数进行归一化处理,以确保滤波器的增益在通带为1。
7.根据得到的传递函数,设计数字滤波器的巴特沃斯原型。
8.使用数字滤波器设计中的双线性变换方法将巴特沃斯原型转换为数字滤波器。
实例演示以一个实例来演示椭圆函数低通滤波器的设计过程。
假设我们需要设计一个截止频率为1 kHz,通带波纹为0.5 dB,阻带衰减为40 dB的椭圆函数低通滤波器。
根据设计步骤,首先确定截止频率为1 kHz。
然后根据通带波纹和阻带衰减,选择滤波器的阶数为4。
Technology Innovation and Application2021年16期设计创新5阶椭圆函数低通滤波器的仿真与应用梁炯(新疆广播电视局6501台,新疆乌鲁木齐830000)摘要:ADS-Advanced DesignSystem,由美国Agilent公司推出的微波电路和通信系统仿真软件,是当今业界最流行的微波射频电路、通信系统RFIC设计软件,也是国内高校、科研院所和大型IT公司使用最多的软件之一。
其功能非常强大,仿真手段丰富多样,可实现包括时域与频域、数字与模拟、线性与非线性、噪声等多种仿真分析手段,并可对设计结果进行成品率分析与优化,从而大大提高了复杂电路的设计效率,是非常优秀的微波射频电路、系统信号链路的设计工具。
关键词:滤波器;仿真设计;应用中图分类号:TN838文献标志码:A文章编号:2095-2945(2021)16-0083-06Abstract:ADS-Advanced DesignSystem,a microwave circuit and c ommunication system simulation software developed by Agilent Company in the United States,is the most popular microwave radio frequency circuit and communication system RFIC design software in the industry,and it is also one of the most widely used software in domestic universities,scientific research institutes and large IT companies.Its function is very powerful,and the simulation means are rich and various.It can realize many kinds of simulation analysis methods,including time domain and frequency domain,digital and analog,linear and nonlinear,noise and so on,and can analyze and optimize the yield of the design results.Thus,the design efficiency of complex circuits is greatly improved,and it is a very excellent design tool for microwave radio frequency circuits and system signal links.Keywords:filter;simulation design;application1滤波器的仿真设计1.1滤波器的设计基础依据归一化元件参数来设计滤波器,以归一化元件参数为基本依据,经截止频率变换和特征阻抗变换两个步骤求得待设计滤波器的构成元件参数。
基于LTCC技术的椭圆函数低通滤波器设计秦舒【摘要】With the rapid development of wireless communication, the requirement for the performance of microwave iflters becomes higher and higher. Based on the classiifcation and characteristics of iflters, rules and methods on introducing the transmission zeros into the lumped iflter are studied, and the attenuation characteristics of three different types of low-pass iflters are analyzed and compared. According to the design speciifcation, a miniaturized elliptic seven-order low-pass iflter with high performance is designed by LTCC technology. The equivalent circuit of the proposed iflter comprises four inductors in the series branch and three LC resonators in the parallel branch, with ten elements in total. By optimizing the physical structure of the proposed iflter, the parasitic and coupling effects between the internal elements are reduced, and the performance of the iflter is improved by introducing the transmission zeros into the stop-band successfully.%随着无线通信领域的快速发展,人们对微波滤波器性能的要求也越来越高。
2010届电子信息工程专业毕业设计(论文)前言经过D/A转换获得模拟信号在现代社会生活中比比皆是,如声卡中的语音合成输出、合成信号发生器等,为了滤除谐波干扰,获得高精度的模拟信号,大多采用衰减特性陡峭的椭圆低通滤波器进行滤波。
基于上述原因,文章提出了一种有源椭圆函数滤波器的设计,椭圆滤波器在通带和阻带内都是等波纹的逼近方式,是滤波器阶数N 已给定的情况下的最好的逼近方式。
对于同样的性能要求,它比巴特沃思、切比雪夫滤波器所需用的阶数都低,而且它的过渡带比较窄。
滤波器设计是比较成熟的技术,根据设计要求,首先确定滤波器的曲线和类型,以及滤波器的阶数,根据设计参数确定具体曲线和归一化的元件值,再根据实际去归一化得到实际的元件值。
这样得到的设计参数完全是计算得到的,往往与实际有一定的出入,修正也比较繁锁。
现在EDA技术的应用可以大大简化了设计过程,特别是设计过程中进行仿真,确保设计的一次成功率。
本文以语音和波形合成中常用的椭圆低通滤波器为例说明滤波器的设计过程和EDA技术在其中的应用。
目录摘要 (I)ABSTRACT ................................................................ I I 第1章绪论 (1)1.1滤波器的发展 (1)1.1.1早期的情况 (1)1.1.2 发展时期 (1)1.1.3 现代的滤波器 (2)1.2滤波器的功能 (3)1.3滤波器的分类 (4)1.3.1按所处理的信号 (4)1.3.2按所通过信号的频段 (4)1.3.3按所采用的元器件 (4)1.4文章所做工作 (5)第2章滤波器综合技术基础 (7)2.1现代网络理论 (7)2.1.1极-零点的概念 (7)2.1.2 由多项式综合滤波器 (9)2.2频率响应的归一化 (11)2.2.1频率和阻抗标度 (11)2.2.2低通滤波器的归一化 (14)2.3椭圆函数滤波器 (15)第3章方案设计及仿真 (19)3.1滤波器的逼近 (19)3.1.1滤波器的实现形式选择 (19)3.1.2滤波器的阶数确定 (20)3.2电路实现 (21)3.2.1 实现方式选择 (21)3.2.2 元件值的计算 (22)3.3仿真 (24)3.3.1 EDA技术的概念 (24)3.3.2 EDA常用软件 (25)3.3.3电子电路设计与仿真工具 (25)3.3.4 multisim10 仿真实现 (26)3.3.5仿真结果 (30)第4章调试与测试结果 (31)4.1测试仪器表 (31)4.2对安装好的电路进行调整和测试 (31)4.3实际电路遇到的问题及解决方法 (31)4.4测试结果和幅频图分析 (32)第5章结论 (35)5.1结论 (35)5.2感想和收获 (35)5.3展望 (36)参考文献 (37)致谢 (38)附录 (39)附录一:电路板 (39)附录二:元器件清单 (40)2010届电子信息工程专业毕业设计(论文)摘要分析信号频谱时为了提高系统的频率分辨率,需要设计性能优良的模拟滤波器。
dds信号发生器中椭圆低通滤波器的设计椭圆低通滤波器是一种常用的电路,它主要是通过一定的滤波器结构,其频率响应曲线呈椭圆形,来滤除信号中的高频部分,从而达到低通滤波的目的。
椭圆低通滤波器一般应用于DDS信号发生器,其目的是滤去DDS信号输出端的噪声信号,提高信号的整体质量。
二、椭圆低通滤波器的原理椭圆低通滤波器是一种电路,它具有两个独立的变压器,每个变压器的结构都是一个椭圆形的双张网络,椭圆的两个对称轴分别为半阻续时间ΔΩ和半通时间ΔΩ。
这两个变压器的输出相当于是两个标准正弦波的累加,当其频率超过半阻突时,输出的差分信号就会消失,频率超过半阻突时,就会形成椭圆形的低通滤波器特性曲线。
三、椭圆低通滤波器的设计1、变压器设计椭圆低通滤波器的设计主要由两个变压器组成,每个变压器的结构都是一个椭圆形的双张网络。
其中,椭圆的两个对称轴的大小分别是半阻续时间ΔΩ和半通时间ΔΩ。
半阻滞时间ΔΩ的计算公式:ΔΩ=√L1C1+L2C2半通时间ΔΩ的计算公式:ΔΩ=1/√L1C1+L2C2根据实际应用所需要的频率响应特性,确定椭圆低通滤波器的参数,然后根据上述公式来计算变压器的对称轴大小。
2、元件的选择在椭圆低通滤波器设计过程中,由于其结构的特殊性,元件的选择很关键,元件的选择有两方面:(1)电感L1和L2:因为电感要承担大的电流,所以要保证电感的抗污染性和加工性。
(2)电容C1和C2:因为滤波器的精度和效率的要求,所以选择的电容电荷要足以应付信号的幅度变化,同时要选择高精度的电阻来完成精确的滤波控制3、调试调试椭圆低通滤波器的有两种方法:(1)首先,可以通过测量其中每个元件的参数,然后确定其最佳参数值。
(2)其次,可以采用数字电路板设计,将椭圆低通滤波器结构图放入PCB设计软件中,然后设计实现其功能,最后将PCB设计文件打印出来,以进行实际测量。
这种方法适用于许多常见的电路设计,能够实现更高的精度调整。
四、结论以上就是椭圆低通滤波器的设计方法,它主要使用两个变压器,每个变压器的结构都是一个椭圆形的双张网络,椭圆的两个对称轴分别为半阻续时间ΔΩ和半通时间ΔΩ,以滤去DDS信号输出端的噪声信号,提高信号的整体质量。
第25卷 第4期Vol.25 No.4 新乡学院学报(自然科学版)Journal of Xinxiang University (Natural Science Edition )2008年12月Dec.2008椭圆函数低通滤波器的设计3吴胜阳(新乡学院物理系,河南新乡453003)摘 要:介绍了椭圆函数低通滤波器的设计思想,给出了设计椭圆函数低通滤波器的具体步骤,在MA TL AB 软件的基础上设计了一个椭圆函数低通滤波器,并给出其在微带线上的实现方法。
关键词:椭圆函数;低通滤波器;MA TL AB ;微带线中图分类号:TN713+.4 文献标志码:A 文章编号:167423326(2008)0420018203Design of the Elliptic Function Low 2pass FilterWU Sheng 2yang(Physics Department ,Xinxiang University ,Xinxiang 453000,China )Abstract :The paper introduces the designing thoughts and operations of ellipse f unction low 2pass filter ,which de 2signs an ellipse f unction low 2pass filter based on the software of MA TL AB and provides the approach of realization on the micro strip line.K ey w ords :elliptic f unction ;low 2pass filter ;MA TL AB ;micro strip line0引言在最常用的巴特沃斯、切比雪夫、反切比雪夫和椭圆函数四种类型的滤波器中,在给定阶数和通带、阻带衰减要求的前提下,椭圆函数滤波器具有最窄的过渡带。
椭圆形的低通滤波器推导一、AR7400低通滤波器原理图AR7400中5-阶的椭圆形的低通滤波器,由元件C75,C70,L14,C79,L16,C76,C80,L17,C71,L15,和C77组成。
二、单端线上的椭圆低通滤波器1.归一化椭圆低通滤波器模型特性:通带内有起伏,阻带内也有起伏:2.5-阶椭圆低通滤波器的归一化模型:归一化低通滤波器截止频率为(1/2∏)Hz,特征阻抗1Ω;3.利用归一化模型设计低通滤波器步骤:4.频率和阻抗变换计算公式:5.设计一个截止频率为68MHz,阻抗为50Ω的低通滤波器:5阶归一化低通滤波器截止频率为(1/2∏)Hz,特征阻抗1Ω;6.对归一化低通滤波器滤波器进行频率变换:5阶低通滤波器截止频率为68MHz,特征阻抗1Ω;7.对以上滤波器进行阻抗变换:5阶低通滤波器截止频率为68MHz,特征阻抗50Ω;8.对5阶低通滤波器截止频率为68MHz,特征阻抗50Ω仿真;f req, MHzd B (S (1,2))5阶低通滤波器截止频率为68MHz ,特征阻抗50Ω仿真图形仿真结果:通带内有两个起伏点,阻带内有两个陷波点,通带截止频率68MHz ,插损小于1.2dB, 阻带内带外抑制≥23 dB (at87~125MHz ), ≥60 dB(at125~860MHz );9. 对AR7400单端线滤波器的仿真;当滤波器中的容值和电感值变化时,如下图,并对其进行仿真,AR7400滤波器的一部分m1m2m3m4m5204060801001201401601800200-45-40-35-30-25-20-15-10-5-500freq, MHzd B (S (1,2))m1m2m3m4m5Reverse Transmission, dBfreq=dB(S(1,2))=-0.98350.00MHz freq=dB(S(1,2))=-1.35080.00MHz freq=dB(S(1,2))=-26.424100.0MHz freq=dB(S(1,2))=-17.464Peak200.0MHz freq=dB(S(1,2))=-1.46160.00MHz仿真结果:通带内有两个起伏点,阻带内有两个陷波点,通带截止频率80MHz ,插损小于1.35dB, 阻带内带外抑制≥17dB (at90~~860MHz ); 说明:电容变小截止频率变大,带外抑制变小;三、差分线上的椭圆低通滤波器与单端走线的比较差分信号与传统的一根信号线一根地线(即单端信号)相比,其优点是: a 、抗干扰能力强。
椭圆原型低通数字滤波器到带通滤波器的转换方法下载提示:该文档是本店铺精心编制而成的,希望大家下载后,能够帮助大家解决实际问题。
文档下载后可定制修改,请根据实际需要进行调整和使用,谢谢!本店铺为大家提供各种类型的实用资料,如教育随笔、日记赏析、句子摘抄、古诗大全、经典美文、话题作文、工作总结、词语解析、文案摘录、其他资料等等,想了解不同资料格式和写法,敬请关注!Download tips: This document is carefully compiled by this editor. I hope that after you download it, it can help you solve practical problems. The document can be customized and modified after downloading, please adjust and use it according to actual needs, thank you! In addition, this shop provides you with various types of practical materials, such as educational essays, diary appreciation, sentence excerpts, ancient poems, classic articles, topic composition, work summary, word parsing, copy excerpts, other materials and so on, want to know different data formats and writing methods, please pay attention!一、椭圆原型低通数字滤波器的概述。