SR31-02 动火作业风险评估表
- 格式:doc
- 大小:61.00 KB
- 文档页数:1
动火作业风险评估表
1. 背景
动火作业是指使用明火或电火花进行焊接、切割、热风清洗等工作。
由于动火过程中可能引发火灾、爆炸等安全风险,因此需要进行风险评估,以确保作业的安全性和顺利进行。
2. 目的
本评估表旨在对动火作业风险进行评估,包括可能存在的安全隐患和相应的应对措施,以便在实施动火作业前进行有效的风险管理。
3. 评估内容
3.1 工作环境
- 作业地点:
- 工作区域是否通风良好:
- 是否存在易燃易爆物品:
- 是否存在有毒有害物质:
3.2 动火设备和工具
- 使用的动火设备和工具:
- 设备和工具是否正常运行:
- 是否经过必要的维护和检修:3.3 作业人员
- 是否具备相关的动火作业证书:- 是否接受过动火作业培训:
- 是否熟悉动火作业标准和程序:4. 风险评估
4.1 潜在风险
根据评估内容,列出可能存在的潜在风险,如火灾、爆炸、中毒等。
4.2 风险等级
针对每个潜在风险,评估其严重性和可能性,确定风险等级。
4.3 应对措施
针对每个风险等级,提出相应的应对措施,包括但不限于改进工作环境、加强设备维护、提供培训等。
5. 总结
根据风险评估结果,总结动火作业所面临的主要风险和应对措施,并强调风险管理的重要性和必要性。
6. 参考
- 动火作业管理办法
- 动火作业安全操作规程
- 动火作业培训教材
以上为本次动火作业风险评估表的基本内容,希望能对相关工作提供帮助与指导。
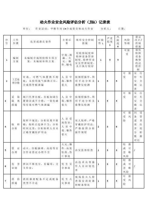
动火作业危害风险识别及评价公司特种作业危害分析表动火作业危害分析记录表分析人员:审核人:分析日期:审核日期:岗位工作步骤危害因素可能的后果LSR风险等级控制措施可否接受备注不办理动火安全作业证安全措施不落实没有安排监护人检修的设备、管线清洗置换不合格检修的设备、管线不与外界隔绝违章作业引发事故火灾、爆炸、人员伤害133轻微风险严格办理动火安全作业证133可接受1动火作业作业前动火作业周围下水道、井盖没封堵、易燃杂物没清理高处作业未采取防火花飞溅措施监护人不到位消防器材不到位作业证手续不全火灾、爆炸、人员伤害133轻微风险动火负责人负责安全措施的落实安排责任心强有经验的人员进行监护作业前仔细检查落实配备到位严格按照公司有关管理规定办理作业票证133可接受3焊接把线、电焊把子不正确接电焊机或不按规定接地线触电、人员伤害爆炸、火灾、人员伤害122轻微风险使用前认真检测检查122可接受2由专业人员进行接线漏电触电、人员伤害、财产损失236一般风险按要求定置133可接受1佩戴劳动防护用品人员伤害224一般风险佩戴劳动防护用品122可接受2小幅度改写:公司特种作业危害分析表动火作业危害分析记录表分析人员:审核人:分析日期:审核日期:岗位工作步骤危害因素可能的后果 LSR风险等级控制措施可否接受备注不办理动火安全作业证安全措施不落实没有安排监护人检修的设备、管线清洗置换不合格检修的设备、管线不与外界隔绝违章作业引发事故火灾、爆炸、人员伤害 133轻微风险严格办理动火安全作业证可接受 1动火作业作业前动火作业周围下水道、井盖没封堵、易燃杂物没清理高处作业未采取防火花飞溅措施监护人不到位消防器材不到位作业证手续不全火灾、爆炸、人员伤害 133轻微风险动火负责人负责安全措施的落实安排责任心强有经验的人员进行监护作业前仔细检查落实配备到位严格按照公司有关管理规定办理作业票证可接受 3焊接把线、电焊把子不正确接电焊机或不按规定接地线触电、人员伤害爆炸、火灾、人员伤害 122轻微风险使用前认真检测检查可接受 2漏电触电、人员伤害、财产损失 236一般风险按要求定置可接受 1佩戴劳动防护用品人员伤害 224一般风险佩戴劳动防护用品可接受 2说明:对于表格中的每个步骤,列出了可能的危害因素和可能的后果。
动火作业危害分析记录表作业单位:作业地点:分析人:作业时间:序号工作步骤危害或潜在事件主要后果以往发生频率及现有安全控制措施L S R 建议改进措施检查情况偏差发生频次管理措施员工胜任程度安全设施1 动火部位的设备内部构件清理干净未清理或置换不合格;可燃或有毒气体超标动火时易发生燃爆,易造成人员轻、重伤甚至死亡未曾发生每次审查,有动火作业管理规定,并严格执行胜任人员培训强化监督考核2 断开与动火部位相连的设备、管线隔绝措施不当运行设备出现渗漏可燃有毒气、液体在动火时易发生燃爆、中毒,易造成人员轻、重伤甚至死亡从未发生每次均检查,有动火管理规定,并严格执行胜任3 动火点(包括地沟、下水井、电缆沟等)周围易燃物品的清除情况地沟、下水井、电缆沟等处易积聚有毒、可燃气液体在积聚的浓度达到爆炸极限时遇明火易发生燃爆曾经发生每次检查,有管理规定,并严格执行胜任人员培训强化监督考核4 电焊回路线、把子线电焊回路线未接在焊件上;把线与其它设备搭接在施焊时时易引起焊件与回路线搭接处发生火灾,引起不必要的火情曾经发生每次检查,有管理规定,并严格执行胜任5 登高/入罐焊接时防止火花措施焊接现场火花飞溅或熔融物滴落高温物体或飞溅物易引燃可燃物质造成火灾曾经发生每次检查,动火作业管理规定,并严格执行胜任6 液化气瓶与氧气瓶、动火间距及存放方式乙炔与氧气间距≤5米,距明火均≤10米或乙炔瓶横放易导致因间距不够引爆气瓶或因乙炔瓶放置方式不对致使乙炔气瓶中丙酮流出曾经发生每次检查,有动火作业管理规定,并严格执行胜任7 动火点周围易燃物品清除情况动火点周围有可燃易燃物质物质遇有火花或熔融物质易引起燃烧爆炸造成火灾曾经发生每次检查,有管理规定,并严格执行胜任8 现场配备消防措施一旦起火无法消除火情因无消防设施而导致失去最佳灭火时机,致使火灾酿成大患从未发生每次检查,有管理规定,并严格执行胜任9 监火人及其他安全措施监护人不熟悉作业场所危险有害因素;脱离监护现场,监火人不到位监护人脱岗时对动火作业人员的违章操作未及时劝阻,因监督不到位易引起后患曾经发生每次检查,有管理规定,并严格执行胜任人员培训强化监督考核危险等级:I、轻微或可忽略的风险;Ⅱ、可接受风险;Ⅲ、中等风险;Ⅳ、重大风险;V巨大风险。
动火作业安全评估表1. 动火作业概述动火作业是指使用明火或其他自燃源进行的工作活动。
该评估表用于评估和记录动火作业的安全情况。
2. 评估范围本评估表适用于所有需要进行动火作业的场所和工作活动。
3. 安全评估内容1. 动火作业申请- 工作开始前,必须填写动火作业申请表,包括作业内容、时间、地点等信息。
- 动火作业申请表必须由相关负责人审核并批准后方可进行作业。
2. 作业场所准备- 确保作业场所清洁整齐,无易燃易爆物品和其他危险物品。
- 检查作业场所的防火设施是否完好有效,如灭火器、消防喷淋系统等。
3. 火源控制- 确保只在指定的作业区域内使用明火,并保持足够的安全距离。
- 使用火焰切割等高温设备时,必须采取火焰防护措施,确保周围无可燃物。
4. 作业人员培训和装备- 所有从事动火作业的人员必须接受相关的安全培训,并熟悉动火作业的操作规程。
- 作业人员必须佩戴适当的个人防护装备,包括防火服、防护面具、耐火手套等。
5. 环境监测和风险控制- 进行动火作业前,必须进行环境监测,确保作业区域内的可燃气体浓度和氧气含量在安全范围内。
- 根据监测结果采取相应的风险控制措施,如通风换气、隔离措施等。
4. 评估结果记录动火作业安全评估结果记录如下:5. 评估结论与建议综合评估结果,动火作业整体表现较为安全,但需要注意以下问题:1. 动火作业申请的审核流程需要更加严格,确保申请表的准确性和完整性。
2. 增加对作业人员的安全培训和技能提升,提高其对动火作业风险的认识和应对能力。
3. 加强作业场所的巡检和维护,确保防火设施的有效性和可靠性。
评估人员建议对动火作业进行定期复评,以确保动火作业的安全性和可持续性。
以上为动火作业安全评估表,请相关人员按照评估结果和建议,积极改进和完善动火作业的安全管理工作。
动火作业风险评估表一、引言动火作业是指在工程、维修、装饰等活动中,使用明火或产生高温的设备进行焊接、切割、烘烤等操作。
由于动火作业涉及明火和高温,存在较高的安全风险。
为了保障工作人员和设备的安全,必须对动火作业进行风险评估。
本文将从火源、工作环境、操作人员等多个方面进行风险评估,以确保动火作业的安全进行。
二、火源评估1. 火源类型:明火或高温设备产生的火焰。
2. 火源强度:火焰的温度和能量。
3. 火源位置:火焰与可燃物的距离和相对位置。
4. 火源稳定性:火焰是否容易失控或扩散。
三、工作环境评估1. 空气流动性:空气流动对火焰的扩散和烟雾的排放有影响。
2. 空气湿度:湿度对火焰的燃烧速度和烟雾的扩散有影响。
3. 空气质量:空气中是否有易燃气体或有毒气体存在。
4. 环境温度:环境温度对火源的热传导和燃烧速度有影响。
四、可燃物评估1. 可燃物种类:液体、气体、固体。
2. 可燃物性质:易燃性、爆炸性、燃烧速度。
3. 可燃物储存方式:密闭容器、散装堆放、管道输送等。
4. 可燃物相对位置:可燃物与火源的距离和相对位置。
五、操作人员评估1. 操作人员培训:操作人员是否接受过动火作业安全培训。
2. 操作人员经验:操作人员是否具有丰富的动火作业经验。
3. 操作人员防护措施:操作人员是否佩戴适当的防护装备。
4. 操作人员的安全意识和风险认知能力。
六、风险评估等级划分根据以上评估内容,对动火作业风险进行等级划分。
常见的等级划分为:低风险、中风险、高风险和极高风险。
根据不同等级划分,制定相应的防护措施和应急预案。
七、防护措施和应急预案1. 灭火器材准备:根据风险等级,配置相应类型和数量的灭火器材。
2. 防护装备使用:操作人员应佩戴适当的防护装备,包括防火服、防火靴、防火手套等。
3. 安全通道设置:保证作业现场的安全通道畅通,方便人员疏散。
4. 作业现场监控:设置监控设备,实时监测作业现场的火源和可燃物情况。
5. 应急预案制定:制定详细的应急预案,包括火灾报警、疏散逃生、施救救援等方面。
动火作业危害分析记录表分析人员:分析日期:审核人:审核日期:岗位工作步骤危害因素可能的后果L S R 风险等级控制措施L S R 可否接受备注动火作业作业前不办理动火安全作业证违章作业引发事故1 3 3 轻微风险严格办理动火安全作业证1 2 2 可接受安全措施不落实引发事故 1 3 3 轻微风险动火负责人负责安全措施的落实1 3 3 可接受没有安排监护人不能及时发现处理作业现场出现的问题1 3 3 轻微风险安排责任心强有经验的人员进行监护1 3 3 可接受检修的设备、管线清洗置换不合格火灾、爆炸、人员伤害1 4 4 一般风险严格按照处理方案进行清洗置换,并分析合格1 3 3 可接受检修的设备、管线不与外界隔绝火灾、爆炸、人员伤害1 4 4 一般风险安排专人进行加盲板或者拆除一段管线进行隔1 3 3 可接受动火作业周围下水道、井盖没封堵、易燃杂物没清理火灾、爆炸、人员伤害1 3 3 轻微风险安排专人进行清理 1 3 3 可接受高处作业未采取防火花飞溅措施火灾、爆炸、人员伤害1 3 3 轻微风险动火负责人负责安全措施的落实1 3 3 可接受监护人不到位出现事故不能及时处置,造成事故扩大2 2 4 一般风险安排责任心强有经验的人员进行监护1 2 2 可接受消防器材不到位不能及时灭火,造成事故扩大1 3 3 轻微风险作业前仔细检查落实配备到位1 3 3 可接受部分内容来源于网络,有侵权请联系删除!部分内容来源于网络,有侵权请联系删除!作业证手续不全 引发事故 2 2 4 一般风险严格按照公司有关管理规定办理作业票证 1 2 2 可接受作业中焊接把线、电焊把子漏电触电、人员伤害 1 2 2 轻微风险 使用前认真检测检查 1 2 2 可接受不正确接电焊机或不按规定接地线触电、人员伤害、财产损失2 2 4 一般风险 由专业人员进行接线 1 2 2 可接受 焊接时焊烟大、超标 人员伤害 1 2 2 轻微风险 加强通风、佩戴劳动防护用品1 2 2 可接受 焊渣飞溅 人员伤害 1 2 2 轻微风险 佩戴劳动防护用品 1 2 2 可接受 焊光强烈人员伤害 2 2 4 一般风险 佩戴劳动防护用品 1 2 2 可接受 气割时劳保护品穿戴不齐全 烫伤 2 2 4 一般风险 佩戴劳动防护用品 1 2 2 可接受 焊花飞溅烫伤224一般风险佩戴劳动防护用品122可接受氧气瓶、乙炔瓶与动火点之间的距离小于10米爆炸、火灾、人员伤害2 3 6 一般风险 按要求定置 1 3 3 可接受氧气瓶与乙炔瓶之间的距离小于5米 爆炸、火灾,人员伤害 2 3 6 一般风险 按要求定置 1 3 3 可接受作业人员不穿戴劳动保护用品 人员伤害2 2 4 一般风险 佩戴劳动防护用品 1 2 2 可接受完工后现场没有清理人员伤害 1 2 2 轻微风险 及时清理1 2 2 可接受 余火没有扑灭引发事故、人员伤害224一般风险扑灭余火后方可离开现场122可接受注:依据表中进行风险评价分级(R=L*S ),评价结果分为:轻微风险(R=1-3)、一般风险(R=4-6)、中度风险(R=8-12)、高度风险(R=15-25)四个等级。