膝痹病中医临床路径1.1
- 格式:doc
- 大小:59.50 KB
- 文档页数:6
膝痹、临床路径分析及改进方案doc膝痹、临床路径分析及改进方案一、疾病概述1.1 定义:膝痹是一种慢性退行性关节病变,主要表现为膝关节疼痛、僵硬和功能障碍等症状。
常见于老年人,与年龄、肥胖、关节过度使用等因素有关。
1.2 发病机制:膝痹的发病机制尚不完全清楚,可能与关节软骨损伤、关节滑膜炎和炎症介质释放等因素有关。
二、临床表现2.1 主要症状:膝关节疼痛、肿胀、活动受限、晨僵等。
2.2 体征:关节肿胀、畸形、杵状指等。
三、辅助检查3.1 影像学检查:X线、CT、MRI等。
3.2 体液检查:关节腔积液分析、血液生化指标检查等。
四、诊断与鉴别4.1 诊断标准:根据患者症状、体征和辅助检查结果综合判断。
4.2 鉴别诊断:与类风湿关节炎、骨关节炎等疾病进行鉴别。
五、治疗原则5.1 非手术治疗:药物治疗、物理治疗、康复锻炼等。
5.2 手术治疗:关节镜手术、人工关节置换等。
六、临床路径分析6.1 临床路径制定的目的和原则。
6.2 膝痹患者入院的预评估和选优。
6.3 术前准备和术前指导。
6.4 手术治疗的规范流程和操作要点。
6.5 术后并发症的预防和处理。
6.6 出院指导和术后康复计划。
七、改进方案7.1 加强预防宣教:向患者普及相关知识,提醒注意膝关节的保护和锻炼。
7.2 完善临床路径:优化膝痹患者入院评估和手术治疗流程,减少不必要的延误和复杂性。
7.3 强化团队合作:加强医护人员的沟通与配合,确保手术治疗的顺利进行。
7.4 提升技术水平:引进先进的手术器械和技术,提高手术治疗的效果和安全性。
附件:1.临床路径制定的参考资料。
2.膝痹患者术前评估表格。
法律名词及注释:1.责任保险:指医疗机构或医生为减轻患者治疗过程中可能造成的风险而购买的责任保险。
2.医疗纠纷:医患之间因医疗行为产生的争议或纠纷,可能导致法律诉讼。
膝痹病(膝关节骨性关节炎)中医临床路径门诊一、膝痹(膝关节骨性关节炎)中医门诊临床路径标准流程(一)适用对象中医诊断:第一诊断为膝痹或骨痹(TCD编码:BNV090)。
西医诊断:第一诊断为膝关节骨性关节炎(ICD-10编码:M17.900X003或M17.900X004)。
(二)诊断依据1.疾病诊断(1)中医诊断标准:参照1995年1月1日实施,由国家中医药管理局发布的《中华人民共和国中医药行业标准》中的《中医病证诊断疗效标准》有关“骨痹”的诊断。
(2)西医诊断标准:参照《骨关节炎诊治指南(2007年版)》中的诊断标准:2.证候诊断参照国家中医药管理局重点专科协作组制定的《膝关节骨性关节炎中医诊疗方案》。
膝痹(膝关节骨性关节炎)临床常见证候:风寒湿痹证:肢体关节酸楚疼痛、痛处吲定,有如刀割或有明显重着感或患处表现肿胀感,关节活动欠灵活,畏风寒,得热则舒。
舌质淡,苔白腻,脉紧或濡。
风湿热痹证:起病较急,病变关节红肿、灼热、疼痛,甚至痛不可触,得冷则舒为特征;可伴有全身发热,或皮肤红斑、硬结。
舌质红,苔黄,脉滑数。
痰瘀痹阻证:曾有外伤或扭伤史,或痹病反复发作,日久入络,关节刺痛,掣痛,疼痛较剧,痛有定处或痛而麻木,不得屈伸,或关节僵硬变形,关节及周围皮色暗紫,舌体暗紫或有瘀点、瘀斑,苔白而干涩,脉细涩。
肝肾两虚证:骨关节疼痛日久不愈,反复发作,时轻时重,致骨节变形,筋脉拘急,肌肉萎缩,难以屈伸,腰酸肢冷,尿少便溏,或心悸气短,或头晕耳鸣,舌质淡白,或舌红少津,脉沉细,或沉细而数。
(三)治疗方案的选择参照国家中医药管理重点专科协作组制定的《膝关节骨性关节炎中医诊疗方案》。
1诊断明确,第一诊断为膝关节骨性关节炎。
2患者适合并接受中医治疗。
(四)标准治疗时间为≥7天(五)进入路径标准1.第一诊断必须符合骨痹或骨痹(TCD编码:BNV090)和膝关节骨性关节炎(ICD-10编码:M17.900X003或M17.900X004)。
膝痹病中医临床路径 YKK standardization office【 YKK5AB- YKK08- YKK2C- YKK18】膝痹病(膝关节骨性关节炎)中医临床路径路径说明:本路径适合于西医诊断为膝关节骨性关节炎的患者。
一、膝痹病(膝关节骨性关节炎)中医临床路径标准住院流程(一)适用对象中医诊断:第一诊断为膝痹病(TCD 编码:BNV090)。
西医诊断:第一诊断为膝关节骨性关节炎(ICD-10 编码:)。
(二)诊断依据1.疾病诊断参照2007 年中华医学会骨科学分会制定的《骨关节诊治指南》。
2.疾病分期(1)早期(2)中期(3)晚期3.证候诊断参照“国家中医药管理局‘十一五’重点专科协作组膝痹病(膝关节骨性关节炎)诊疗方案”。
膝痹病(膝关节骨性关节炎)临床常见证候:风寒湿痹证风湿热痹证瘀血闭阻证肝肾亏虚证(三)治疗方案的选择参照“国家中医药管理局‘十一五’重点专科协作组膝痹病(膝关节骨性关节炎)诊疗方案”。
1.诊断明确,第一诊断为膝痹病(膝关节骨性关节炎)。
2.患者适合并接受中医治疗。
(四)标准住院日为≤21 天。
(五)进入路径标准1.第一诊断必须符合膝痹病(TCD 编码:BNV090)和膝关节骨性关节炎(ICD-10 编码:)的患者。
2.患者同时具有其他疾病,但在住院期间不需特殊处理,也不影响第一诊断的临床路径流程实施时,可以进入本路径。
3.各种保守治疗无效半年以上,X 线片显示为晚期改变,有全膝置换术指征者,不进入本路径。
(六)中医证候学观察四诊合参,收集该病种不同证候的主症、次症、舌、脉特点。
注意证候的动态变化。
(七)入院检查项目1.必需的检查项目(1)血常规、尿常规、便常规+潜血(2)肝功能、肾功能、血糖、血沉、凝血功能(3)C-反应蛋白(4)膝关节X 线片(5)心电图(6)胸部透视或胸部X 线片2.可选择的检查项目:根据病情需要而定,如骨代谢指标、ASO、类风湿因子、血脂、膝关节MRI、关节液检查等。
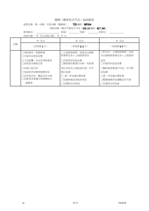
膝痹(膝骨性关节炎)临床路径
适用对象:第一诊断:中医诊断:膝痹病(TCD编码:BNV264;
西医诊断:膝关节骨性关节炎(ICD-10编码:M17.961)
患者姓名:___________________ 性别:________ 年龄:________ 住院号:____________ 住院日期:年月曰出院日期:年月日
1、制定该临床路径的依据为康复科的膝痹的诊疗常规。
故应根据该患者的实际临床诊断进行相应项目的
填写。
当临床诊疗过程与医院相关文件规定发生冲突时,应以医院发布的相关文件规定为指导原则。
2、检查项目:按医保政策,为避免滥用生化六大项的检查,此项目应根据患者的身体状况及病况选择。
3、中药及中成药项的选择原则:以诊疗常规为依据,根据实际情况,静滴药物每次只能选1〜2种,根据合
理用药的规定,静滴与口服药物原则上不能同时使用疗效类似的品种,如静滴红花针时,不能同时
选用丹七胶囊等同样具有活血作用的口服药。
4、医生护士签名:指该患者的主管医师及主管护士。
5、变异项指:患者因各种原因未按常规开展和完成诊疗,中途办理岀院、转院或转科等特殊情况的。
6、“□其他”:指表格中未能具体列岀的内容。
7、由医生填写的项目包括:姓名、性别、年龄、住院号、住院及岀院日期、住院天数、主要诊疗工作、重点医嘱、病
情改善情况及变异记录。
8、由护理负责填写的项目包括:主要护理工作。
康复科:。
膝痹病(膝关节骨性关节炎)中医临床路径路径说明:本路径适合于西医诊断为膝关节骨性关节炎的患者。
一、膝痹病(膝关节骨性关节炎)中医临床路径标准住院流程(一)适用对象中医诊断:第一诊断为膝痹病(TCD 编码:BNV090)。
西医诊断:第一诊断为膝关节骨性关节炎(ICD-10 编码:M17.901)。
(二)诊断依据1.疾病诊断参照 2007 年中华医学会骨科学分会制定的《骨关节诊治指南》。
2.疾病分期(1)早期(2)中期(3)晚期3.证候诊断参照“国家中医药管理局‘十一五’重点专科协作组膝痹病(膝关节骨性关节炎)诊疗方案”。
膝痹病(膝关节骨性关节炎)临床证候:风寒湿痹证:膝关节重着、酸楚,疼痛,或有关节肿胀,甚至屈伸不利,痛处多固定,亦游走,每遇阴雨天或感寒后加剧,皮色不红,触之不热,苔薄白,脉弦紧。
风湿热痹证:膝关节疼痛,掀红灼热,肿胀疼痛剧烈,得冷则舒,筋脉拘急,日轻夜重,多兼有发热,口渴,烦闷不安,舌质红,苔黄腻或黄燥,脉滑数。
瘀血痹阻证:膝关节疼痛,拒按,或胀痛不适,或痛如锥刺,日轻夜重,或持续不解,活动不利,甚则不能转侧,面晦唇暗,舌质隐青或有瘀斑,脉多弦涩或细数。
病程迁延,常有外伤、劳损史。
肝肾亏虚证:膝腿酸软无力,或绵绵作痛,常伴腰腿痛,喜按喜揉,遇劳则甚,卧则减轻,常反复发作。
脉沉细或沉弱无力。
(三)治疗方案的选择参照“国家中医药管理局‘十一五’重点专科协作组膝痹病(膝关节骨性关节炎)诊疗方案”。
1.诊断明确,第一诊断为膝痹病(膝关节骨性关节炎)。
2.患者适合并接受中医治疗。
(四)标准住院日为≤21 天。
(五)进入路径标准1.第一诊断必须符合膝痹病(TCD 编码:BNV090)和膝关节骨性关节炎(ICD-10 编码:M17.901)的患者。
2.患者同时具有其他疾病,但在住院期间不需特殊处理,也不影响第一诊断的临床路径流程实施时,可以进入本路径。
3.各种保守治疗无效半年以上,X线片显示为晚期改变,有全膝置换术指征者,不进入本路径。
膝痹病(膝关节骨性关节炎)中医临床路径路径说明:本路径适合于西医诊断为膝关节骨性关节炎的患者。
一、膝痹病(膝关节骨性关节炎)中医临床路径标准住院流程(一)适用对象中医诊断:第一诊断为膝痹病(TCD编码:BNV090)。
西医诊断:第一诊断为膝关节骨性关节炎(ICD-10 编码:M17.901)。
(二)诊断依据1. 疾病诊断参照2007 年中华医学会骨科学分会制定的《骨关节诊治指南》。
2.疾病分期(1)早期(2)中期(3)晚期3. 证候诊断参照“国家中医药管理局‘十一五’重点专科协作组膝痹病(膝关节骨性关节炎)诊疗方案”。
膝痹病(膝关节骨性关节炎)临床常见证候:风寒湿痹证风湿热痹证瘀血闭阻证肝肾亏虚证(三)治疗方案的选择参照“国家中医药管理局‘十一五’重点专科协作组膝痹病(膝关节骨性关节炎)诊疗方案”。
1.诊断明确,第一诊断为膝痹病(膝关节骨性关节炎)。
2.患者适合并接受中医治疗。
(四)标准住院日为≤21天。
(五)进入路径标准1.第一诊断必须符合膝痹病(TCD编码:BNV090)和膝关节骨性关节炎(ICD-10 编码:M17.901)的患者。
2.患者同时具有其他疾病,但在住院期间不需特殊处理,也不影响第一诊断的临床路径流程实施时,可以进入本路径。
3.各种保守治疗无效半年以上,X线片显示为晚期改变,有全膝置换术指征者,不进入本路径。
(六)中医证候学观察四诊合参,收集该病种不同证候的主症、次症、舌、脉特点。
注意证候的动态变化。
(七)入院检查项目1.必需的检查项目(1)血常规、尿常规、便常规+潜血(2)肝功能、肾功能、血糖、血沉、凝血功能(3)C-反应蛋白(4)膝关节X线片(5)心电图(6)胸部透视或胸部X线片2.可选择的检查项目:根据病情需要而定,如骨代谢指标、ASO、类风湿因子、血脂、膝关节MRI、关节液检查等。
(八)治疗方法1.辨证选择口服中药汤剂(1)风寒湿痹证:祛风散寒,除湿止痛。
(2)风湿热痹证:清热疏风,除湿止痛。
膝痹、临床路径分析及改进方案doc 膝痹、临床路径分析及改进方案1、病症概述1.1 病症定义膝痹是一种以膝关节肿胀、疼痛、运动受限等症状为主要表现的疾病。
1.2 病症病因膝痹的病因包括退行性变、外伤、炎症等多种因素。
1.3 病症分类根据病症表现和病因,膝痹可以分为退行性膝痹、创伤性膝痹和炎性膝痹等类型。
2、临床表现2.1 病症症状膝关节肿胀、疼痛、运动受限。
2.2 体征检查包括膝关节活动度、膝关节肿胀程度、膝关节压痛点的检查等。
2.3 相关检查可以通过X线、MRI、血液检查等进一步明确诊断。
3、诊疗流程3.1 病史采集详细了解患者的病史,包括疾病起因、发展过程、治疗经历等。
3.2 体格检查包括膝关节活动度、膝关节肿胀程度、膝关节压痛点的检查等。
3.3 相关检查根据临床需要,进行X线、MRI、血液检查等进一步明确诊断。
3.4 综合诊断根据病史、体格检查和相关检查结果,综合判断患者的病情。
3.5 治疗方案制定根据综合诊断结果,制定个体化治疗方案,包括药物治疗、物理治疗、手术治疗等。
4、改进方案4.1 临床路径管理引入临床路径管理,明确膝痹的诊疗流程,优化医疗资源的利用。
4.2 多学科协作加强多学科协作,包括骨科、康复科、疼痛科等,共同制定治疗方案,提高治疗效果。
4.3 宣教和健康管理加强对患者的宣教,提高患者自我管理能力,减少膝痹的复发率。
4.4 病例追踪和评估对膝痹患者进行长期追踪和评估,及时调整治疗方案,改进治疗效果。
附件:1、诊疗流程图2、相关检查结果报告法律名词及注释:1、临床路径管理:医疗机构为提供高效、优质医疗服务而制定的一系列操作指导和标准化流程的管理方式。
2、膝关节活动度:指膝关节能够进行的各种运动的范围。
3、膝关节肿胀程度:指膝关节肿胀的程度,通常以周径或体积表示。
4、膝关节压痛点:指在膝关节区域按压时患者感觉疼痛的特定点位。
膝痹病(膝关节骨性关节炎)中医临床路径路径说明:本路径合适于西医诊断为膝关节骨性关节炎的患者。
一、膝痹病(膝关节骨性关节炎)中医临床路径标准住院流程(一)合用对象中医诊断:第一诊断为膝痹病(TCD编码: BNV090。
)西医诊断:第一诊断为膝关节骨性关节炎( ICD-10 编码:。
)(二)诊断依照1.疾病诊断参照 2007年中华医学会骨科学分会拟订的《骨关节诊治指南》。
(1)临床表现:膝关节的痛苦及压痛、关节僵直、关节肿大、骨摩擦音 ( 感) 、关节无力、活动阻碍。
(2)影像学检查x 线检查:骨关节炎的 x 线特色表现为非对称性关节空隙变窄,软骨下骨硬化和囊性变,关节边沿骨质增生和骨赘形成;关节内游离体,关节变形及半脱位。
(3)实验室检查:血惯例、蛋白电泳、免疫复合物及血清补体等指征一般在正常范围。
伴有滑膜炎者可见 c 反响蛋白 (cRP) 及血沉 (ESR)轻度高升,类风湿因子及抗核抗体阴性。
(4)详细诊断标准①近 1 个月内频频膝关节痛苦②x线片(站立或负重位)示关节空隙变窄、软骨下骨硬化和 ( 或 ) 囊性变、关节缘骨赘形成③关节液(起码2次)清明、粘稠,WBC<2000个/m1④中老年患者 ( ≥ 40 岁) ⑤晨僵≤ 3 分钟⑥活动时有骨擦音 ( 感)综合临床、实验室及 x 线检查,切合① +②条或① +③+⑤+⑥条或① +④+⑤+⑥条,可诊断膝关节骨性关节炎。
2.疾病分期(1)初期 : 症状与体征表现为膝关节痛苦,常见于内侧,上下楼或站起时犹重,无显然畸形,关节空隙及四周压痛,髌骨研磨试验 (+) ,关节活动可。
(2)中期 : 痛苦较重,可归并肿胀,内翻畸形,有屈膝畸形及活动受限,压痛,髌骨研磨试验 (+) ,关节不稳。
(3)后期 : 痛苦严重,行走需支具或不可以行走,内翻及屈膝畸形显然,压痛,髌骨研磨试验 (+) ,关节活动度显然减小,严重不稳。
3.证候诊断参照“国家中医药管理局‘十一五’要点专科协作组膝痹病(膝关节骨性关节炎)诊断方案”。
一、膝痹病(膝关节骨关节病)临床路径一、适用对象中医诊断:第一诊断为膝痹病(TCD编码:BNV090)西医诊断:第一诊断为膝关节骨关节病(ICD-10编码:M17.900)二、诊断依据1、疾病诊断(一)中医诊断标准:参照《中医病症诊断疗效标准》1、初起多见膝关节等隐隐作痛,屈伸、转侧不利,轻微活动稍微缓解,气候变化加重,反复缠绵不愈。
2、起病隐袭,发病缓慢,多见于中老年。
3、局部关节可轻度肿胀,活动时关节常有喀喇声或磨擦音。
严重者可见肌肉萎缩,关节畸形等。
4、X线提示骨质疏松,关节面不规则,关节间隙狭窄、软骨下骨硬化等。
(二)西医诊断标准:1、症状膝关节骨性关节炎主要症状是疼痛和关节活动功能障碍。
(1)疼痛其特点多为①始动痛:即关节处于静止体位较长时间,刚一开始变化体位时疼痛,活动后减轻,负重活动后又加重;②负重痛:上下楼梯及上下坡时疼痛,坐位或蹲位站起时痛,或提重物时痛;③主动活动痛:主动活动肌肉收缩加重了关节负担,导致主动活动重于被动活动;④休息痛:因长时间静止,关节静脉血液回流不畅,髓腔及关节内压力增高,静止不动或夜间睡觉时疼痛。
常需经常变化体位才得以缓解。
疼痛与气温、气压、环境、情绪有关,秋冬加重,天气变换时加重,故有“老寒腿”、“气象台”之称。
(2)活动障碍包括关节僵硬、不稳、活动范围减少,步行能力减弱等。
2、体征(1)关节肿胀可由于滑膜肥厚、脂肪垫增大、骨赘增生引起。
(2)肌肉萎缩股四头肌可因废用而导致萎缩。
(3)关节压痛关节间隙、髌骨边缘及韧带附着处压痛。
(4)关节运动受限及关节活动度异常。
(5)摩擦音或摩擦感屈伸关节出现摩擦感。
(6)关节畸形多见于晚期病人。
3、影像学检查(1)X线检查关节间隙逐渐变窄,间隙狭窄可呈不均匀改变。
负重软骨下可见骨质囊性变。
关节边缘及软组织止点可有骨赘形成。
或见关节内游离体,骨质疏松、骨端肥大,软组织肿胀阴影等。
(2)MRI 能敏锐的发现膝关节软骨及软组织改变。
膝痹(膝关节骨性关节炎)中医诊疗方案一、概述膝关节炎是膝关节的常见疾病,骨关节炎的主要特征包括有软骨退行性病变和关节边缘骨赘的形成。
是最常见的关节炎,一般认为是慢性进行性退化性疾病。
以软骨的慢性磨损为特点。
常在中老年发病,在疾病的初期,没有明显的症状,或症状轻微。
早期常表现为关节的僵硬不适感,活动后好转。
遇剧烈活动可出现急性炎症表现,休息及对症治疗后缓解。
二、诊断标准(一)中医诊断标准:参照中华人民共和国中医药行业标准《中医病证诊断疗效标准》(ZY/T001.1-001.9-94)制定。
1、临床表现:膝关节的疼痛及压痛、关节僵硬、关节肿大、骨摩擦音(感)、关节无力、活动障碍。
2、影像学检查X线检查:骨关节炎的X线特点表现为非对称性关节间隙变窄,软骨下骨硬化和囊性变,关节边缘骨质增生和骨(赘)形成;关节内游离体,关节变形及半脱位。
3、实验室检查:血常规、蛋白电泳、免疫复合物及血清补体等指针一般在正常范围,伴有滑膜炎者可见C反应蛋白(CRP)及血沉(EDR)轻度升高,类风湿因子及抗核抗体阴性。
(二)西医诊断标准1、近一个月内反复膝关节疼痛。
2、X线(站位或负重位)示关节间隙变窄、软骨下骨硬化和(或)囊性变、关节缘骨赘形成。
3、中老年患者(240岁)。
4、活动时有骨擦音。
综合临床、实验室及放射检查,可诊断膝关节骨性关节炎。
5、骨性关节炎的分级:根据kelIgren和LaWLeCne的放射学诊断标准,骨性关节炎分为五级。
0级:正常。
I级:关节间隙可疑变窄,可能有骨赘。
II级:有明显骨赘,关节间隙轻度变窄。
ΠI级:中等量骨赘,关节间隙变窄较明确,软骨下骨质轻度硬化改变,范围较小。
IV级:大量骨赘形成,可波及软骨面,关节间隙明显变窄,硬化改变极为明显,关节肥大明显畸形。
6、疾病分期根据临床及放射学结合,可分为以下三期:早期:症状及体征表现为膝关节疼痛,多见于内侧,上下楼或站起时犹重,五明显畸形,关节间隙及周围压痛,骰骨研磨试验(+),关节活动可,X线表现(0——I级)。
膝痹病(膝关节骨性关节炎)中医治疗临床路径一.适用对象。
中医诊断:第一诊断为膝痹病(TCD 编码:BNV080)西医诊断:第一诊断为膝关节骨性关节炎(ICD-10 编码:M19.966)。
二.诊断依据1.疾病诊断。
参照2007 年中华医学会骨科学分会制定的《骨关节诊治指南》2.疾病分期①早期:症状与体征表现为膝关节疼痛,多见于内侧,上下楼或站起时犹重,无明显畸形,关节间隙及周围压痛,髌骨研磨试验(+),关节活动可。
X线表现(0~I级)②中期:疼痛较重,可合并肿胀,内翻畸形,有屈膝畸形及活动受限,压痛,髌骨研磨试验(+),关节不稳。
X线表现(II~III级)③晚期:疼痛严重,行走需支具或不能行走,内翻及屈膝畸形明显,压痛,髌骨研磨试验(+),关节活动度明显缩小,严重不稳。
X线表现(IV级)。
3.证候诊断参照“国家中医药管理局‘十一五’重点专科协作组膝痹病(膝关节骨性关节炎)诊疗方案”。
膝痹病(膝关节骨性关节炎)临床候:风寒湿痹证:膝关节重着、酸楚,疼痛,或有关节肿胀,甚至屈伸不利,痛处多固定,亦游走,每遇阴雨天或感寒后加剧,皮色不红,触之不热,苔薄白,脉弦紧。
风湿热痹证:膝关节疼痛,掀红灼热,肿胀疼痛剧烈,得冷则舒,筋脉拘急,日轻夜重,多兼有发热,口渴,烦闷不安,舌质红,苔黄腻或黄燥,脉滑数。
瘀血痹阻证:膝关节疼痛,拒按,或胀痛不适,或痛如锥刺,日轻夜重,或持续不解,活动不利,甚则不能转侧,面晦唇暗,舌质隐青或有瘀斑,脉多弦涩或细数。
病程迁延,常有外伤、劳损史。
肝肾亏虚证:膝腿酸软无力,或绵绵作痛,常伴腰腿痛,喜按喜揉,遇劳则甚,卧则减轻,常反复发作。
舌淡红,苔薄白,脉沉细或沉弱无力。
三.住院诊疗疗程(一)住院第1天,完善相关入院检查。
1.必需的检查项目(1)血常规、尿常规(2)肝功能、肾功能、血糖、凝血功能(3)C-反应蛋白、血沉(4)膝关节X线片(5)心电图2.可选择的检查项目:根据病情需要而定,如膝关节核磁、骨密度指标、ASO、类风湿因子、血脂、关节液检查等。
膝痹病(膝关节骨性关节炎)中医诊疗方案(2019版)一、膝骨关节炎现代医学诊断标准:参照中华医学会骨科学分会骨关节炎诊治指南(2007年版)及2017年膝关节骨性关节炎(膝痹病)诊疗方案制定。
二、膝痹病辩证施治中药内服治疗方案痹证是指感受风寒湿热之邪而引起以肢体关节疼痛、酸楚麻木、重着以及活动障碍为主要症状的病证。
痹最早见于《黄帝内经》,《素问》设有《痹论》专篇,并指出病症可分为行痹、痛痹、着痹,五体痹,五脏痹等。
但就临床而言,本证可分为最基本的两型,即寒、热痹。
吴鞠通在《温病条辨》中指出,本证大抵不外寒热两端,虚实并治,其中又以寒者多见。
膝痹病是多发于中年以后的慢性、变性性关节疾病,是一种因关节软骨退行性变所引起的以骨质增生为主要表现的关节病变。
本病种参照1994年1月实施了《中医急症诊疗规范》;1995年1月执行《中医病症诊断疗效标准》,该标准规定了中医病证的病证名及诊断依据、症候分类和疗效评定;1996年3月执行《中医病证分类与代码》,它已成为疾病、损伤和死亡原因统计分类的工具。
痹症又分为内痹和外痹,本病即肢节痹病,所谓肢节痹病,系以肢体经络为风寒湿热之邪所闭塞,导致气血不通,经络痹阻,引起肌肉、关节、筋骨发生疼痛、酸楚、麻木、重着、灼热、屈伸不利,甚或关节肿大变形为主要临床表现的病证。
根据膝关节骨性关节炎现代医学诊断标准及中医痹症的诊断归类范畴,膝骨关节炎属中医的痹症范畴,结合其临床症状、体征可将风、着、痛痹统一为肢节痹症即风寒湿痹,又可将其分为早、中、晚期。
1病因病机1.1外感风寒湿邪《素问痹论》:风寒湿三气杂至,合而为痹。
所谓痹者,各以其时重感于风寒湿者也。
张子和在《儒门事亲痹论》中即指出,此疾之作,多在四时阴雨之时,及三月九月,太阴湿土用事之月,或凝水之地,劳力之人,辛劳过度,触冒风雨,寝处浸湿,痹从外入。
风寒湿邪闭阻经络,而致气血运行不畅,痹者,闭也,因而出现诸多闭阻不通之。
1.2正气不足,脾胃不健病者禀赋不足,气血亏虚,营卫失调,腠理空疏,卫外不固,而使虚邪贼风趁虚而入,《济生方痹》指出:皆因体虚,腠理空疏,受风寒湿气而成痹也。
膝痹病(膝关节骨性关节炎)中医临床路径
路径说明:本路径适合于西医诊断为膝关节骨性关节炎的患者。
一、膝痹病(膝关节骨性关节炎)中医临床路径标准住院流程
(一)适用对象
中医诊断:第一诊断为膝痹病(TCD 编码:BNV090)。
西医诊断:第一诊断为膝关节骨性关节炎(ICD-10 编码:M17.901)。
(二)诊断依据
1.疾病诊断参照 2007 年中华医学会骨科学分会制定的《骨关节诊治指南》。
2.疾病分期(1)早期(2)中期(3)晚期 3.证候诊断
参照“国家中医药管理局‘十一五’重点专科协作组膝痹病(膝关节骨性关节炎)诊疗方案”。
膝痹病(膝关节骨性关节炎)临床证候:
风寒湿痹证:膝关节重着、酸楚,疼痛,或有关节肿胀,甚至屈伸不利,痛处多固定,亦游走,每遇阴雨天或感寒后加剧,皮色不红,触之不热,苔薄白,脉弦紧。
风湿热痹证:膝关节疼痛,掀红灼热,肿胀疼痛剧烈,得冷则舒,筋脉拘急,日轻夜重,多兼有发热,口渴,烦闷不安,舌质红,苔黄腻或黄燥,脉滑数。
瘀血痹阻证:膝关节疼痛,拒按,或胀痛不适,或痛如锥刺,日轻夜重,或持续不解,活动不利,甚则不能转侧,面晦唇暗,舌质隐青或有瘀斑,脉多弦涩或细数。
病程迁延,常有外伤、劳损史。
肝肾亏虚证:膝腿酸软无力,或绵绵作痛,常伴腰腿痛,喜按喜揉,遇劳则甚,卧则减轻,常反复发作。
脉沉细或沉弱无力。
(三)治疗方案的选择参照“国家中医药管理局‘十一五’重点专科协作组膝痹病(膝关节骨性关节炎)诊疗方案”。
1.诊断明确,第一诊断为膝痹病(膝关节骨性关节炎)。
2.患者适合并接受中医治疗。
(四)标准住院日为≤21 天。
(五)进入路径标准
1.第一诊断必须符合膝痹病(TCD 编码:BNV090)和膝关节骨性关节炎(ICD-10 编码M17.901)的患者。
2.患者同时具有其他疾病,但在住院期间不需特殊处理,也不影响第一诊断的临床路径流程实施时,可以进入本路径。
3.各种保守治疗无效半年以上,X 线片显示为晚期改变,有全膝置换术指征者,不进入本路径。
(六)中医证候学观察四诊合参,收集该病种不同证候的主症、次症、舌、脉特点。
注意证候的动态变化。
(七)入院检查项目 1.必需的检查项目
(1)血常规、尿常规、便常规+潜血
(2)肝功能、肾功能、血糖、血沉、凝血功能
(3)C-反应蛋白
(4)膝关节 X 线片
(5)心电图
(6)胸部透视或胸部 X 线片
2.可选择的检查项目:根据病情需要而定,如骨代谢指标、ASO、类风湿因子、血脂、关节液检查等。
(八)治疗方法
1.辨证选择口服中药汤剂(1)风寒湿痹证:祛风散寒,除湿止痛。
防己黄芪汤合防风汤加减:防己10g 黄芪20g防风12g 麻黄10g 桂枝10g 当归10g 羌活10g 独活10g 秦艽10g
茯苓12g 甘草6g 生姜6g
加减:关节肿大或有积液,可加茯苓20g 泽泻20g;服药后咽干、咽痛者加玄参,麦冬,知母。
(2)风湿热痹证:清热疏风,除湿止痛。
麻杏薏甘汤加减:麻黄10g 杏仁10g 薏米20g 甘草6g 苍术10g 黄柏10g 忍冬藤15g 木通6g。
(3)瘀血闭阻证:活血化瘀,舒筋止痛。
身痛逐瘀汤加减:秦艽10g 桃仁10g乳香
6g 红花6g 羌活10g没药6g 当归10g 五灵脂6g 香附6 牛膝9g地龙10g
加减:微热加苍术、黄柏;若虚弱,加黄芪一二两。
(4)肝肾亏虚证:补肝肾,强壮筋骨。
独活寄生汤加减:独活10g 寄生10g 杜仲10g
牛膝10g 细辛3g 秦艽10g 茯苓12g 肉桂3g 防风12g 川芎6g 党参10g 甘草6g 当归10g 白芍15g 熟地12g
加减:腰膝疼痛甚者加补骨脂,骨碎补,狗脊;头晕耳鸣者加天麻,枸杞子。
2.根据病情选择中成药,如壮骨关节丸,追风透骨丸,大活络丸,小活络丸,舒经活血片,对各证型膝痹可选择丹红注射液,丹参注射液,或血塞通注射液,红花注射液,骨肽注射液等活血化瘀类注射剂静滴。
3.针灸治疗:局部取穴:阳陵泉、阴陵泉、足三里、内外膝眼、血海、梁丘、鹤顶等。
远端取穴:昆仑、悬钟、三阴交、太稀等。
4.手法治疗:整体放松和局部点按。
5.针刀治疗:根据不同分期选用不同的部位进行针刀松解。
6.关节腔内治疗:根据病情需要选择关节腔冲洗和关节腔内注射治疗。
7.其他疗法:根据病情需要选择熏洗、牵引、外敷、蜡疗、火龙、中药离子导入、足浴的疗法。
8.护理:辨证施护。
(九)出院标准
1.肿胀、疼痛、关节活动障碍等症状好转或消失;
2.日常生活、工作能力基本恢复。
(十)有无变异及原因分析
1.在治疗过程中发生了病情变化,或辅助检查结果异常,需要复查和明确异常原因,从而延长治疗时间和增加住院费用或退出本路径。
2.临床症状改善不明显,导致住院时间延长或退出本路径。
3.治疗过程中出现严重并发症时,退出本路径。
4. 因患者及其家属意愿而影响本路径执行时,退出本路径。
膝痹病(膝关节骨性关节炎)中医临床路径住院表单
适用对象:第一诊断为膝痹病(膝关节骨性关节炎)
患者姓名:性别:年龄:住院号:
发病时间:年月日时分住院日期:年月日出院日期:年月日标准住院日≤14 天实际住院日:天。