监控系统调试记录表
- 格式:doc
- 大小:45.00 KB
- 文档页数:2
工程名称桐庐县中医院改扩建工程(智能工程)所属子分部(系统)/分监控项(子系统)工程名称系统所在部位、区、段桐庐县中医院试运行日期由2016年2月至2016年3月试运行负责人项志微施工单位浙江威星电子系统软件有限公司项目负责人娄金成施工执行标准名称及编号GB50339-2003监控系统试运行记录记录时间试运行情况及备注值班人(记录)签名年月日时分系统运行正常2016月2月17日08:00 系统运行正常2016月2月18日08:00 系统运行正常2016月2月19日08:00 系统运行正常2016月2月20日08:00 系统运行正常2016月2月21日08:00 系统运行正常2016月2月22日08:00 系统运行正常2016月2月23日08:00 系统运行正常2016月2月24日08:00 系统运行正常2016月2月25日08:00 系统运行正常2016月2月26日08:00 系统运行正常2016月2月27日08:00 系统运行正常2016月2月28日08:00 系统运行正常2016月3月1 日08:00 系统运行正常2016月3月2 日08:00 系统运行正常2016月3月3 日08:00 系统运行正常2016月3月4 日08:00 系统运行正常2016月3月5 日08:00 系统运行正常2016月3月6 日08:00 系统运行正常2016月3月7 日08:00 系统运行正常2016月3月8 日08:00 系统运行正常2016月3月9 日08:00 系统运行正常2016月3月10日08:00 系统运行正常安装单位检查评论结果专业长工(施工员)项志微施工班组长检测调试人员项目专业质量检查员:年月日建设单位验收结论建设单位项目专业技术负责人:年月日工程名称桐庐县中医院改扩建工程(智能工程)所属子分部(系统)/分防盗报警项(子系统)工程名称系统所在部位、区、段桐庐县中医院试运行日期由2016年2月至2016年3月试运行负责人项志微施工单位浙江威星电子系统软件有限公司项目负责人娄金成施工执行标准名称及编号GB50339-2003防盗报警系统试运行记录记录时间试运行情况及备注值班人(记录)签名年月日时分系统运行正常2016月2月17日08:00 系统运行正常2016月2月18日08:00 系统运行正常2016月2月19日08:00 系统运行正常2016月2月20日08:00 系统运行正常2016月2月21日08:00 系统运行正常2016月2月22日08:00 系统运行正常2016月2月23日08:00 系统运行正常2016月2月24日08:00 系统运行正常2016月2月25日08:00 系统运行正常2016月2月26日08:00 系统运行正常2016月2月27日08:00 系统运行正常2016月2月28日08:00 系统运行正常2016月3月1 日08:00 系统运行正常2016月3月2 日08:00 系统运行正常2016月3月3 日08:00 系统运行正常2016月3月4 日08:00 系统运行正常2016月3月5 日08:00 系统运行正常2016月3月6 日08:00 系统运行正常2016月3月7 日08:00 系统运行正常2016月3月8 日08:00 系统运行正常2016月3月9 日08:00 系统运行正常2016月3月10日08:00 系统运行正常安装单位检查评论结果专业长工(施工员)黄哲兴施工班组长检测调试人员项目专业质量检查员:年月日建设单位验收结论建设单位项目专业技术负责人:年月日工程名称桐庐县中医院改扩建工程(智能工程)所属子分部(系统)/分监控项(子系统)工程名称系统所在部位、区、段桐庐县中医院试运行日期由2016年2月至2016年3月试运行负责人项志微施工单位浙江威星电子系统软件有限公司项目负责人娄金成施工执行标准名称及编号GB50339-2003巡更系统试运行记录记录时间试运行情况及备注值班人(记录)签名年月日时分系统运行正常2016月2月17日08:00 系统运行正常2016月2月18日08:00 系统运行正常2016月2月19日08:00 系统运行正常2016月2月20日08:00 系统运行正常2016月2月21日08:00 系统运行正常2016月2月22日08:00 系统运行正常2016月2月23日08:00 系统运行正常2016月2月24日08:00 系统运行正常2016月2月25日08:00 系统运行正常2016月2月26日08:00 系统运行正常2016月2月27日08:00 系统运行正常2016月2月28日08:00 系统运行正常2016月3月1 日08:00 系统运行正常2016月3月2 日08:00 系统运行正常2016月3月3 日08:00 系统运行正常2016月3月4 日08:00 系统运行正常2016月3月5 日08:00 系统运行正常2016月3月6 日08:00 系统运行正常2016月3月7 日08:00 系统运行正常2016月3月8 日08:00 系统运行正常2016月3月9 日08:00 系统运行正常2016月3月10日08:00 系统运行正常安装单位检查评论结果专业长工(施工员)黄哲兴施工班组长检测调试人员项目专业质量检查员:年月日建设单位验收结论建设单位项目专业技术负责人:年月日。
电气火灾监控系统调试检测验收记录一、检测目的和背景电气火灾是一种严重的安全隐患,对于大型建筑物、工厂、商场等场所来说,一旦发生电气火灾往往会造成巨大的人员伤亡和财产损失。
因此,为了及时发现和防止电气火灾的发生,需要安装电气火灾监控系统。
本次检测的目的是对电气火灾监控系统进行调试和验收,确保其性能和可靠性。
二、检测内容和方法1.检测内容(1)电气火灾监控系统的硬件设备、传感器、控制器等是否正常运行;(2)电气火灾监控系统的网络通信功能是否正常;(3)火灾报警信号的准确性和及时性;(4)火灾报警信息的显示和传输是否正常。
2.检测方法(1)检查硬件设备:检查电气火灾监控系统的各个硬件设备是否安装正确,线缆连接是否牢固,设备是否通电,是否存在明显的物理损坏。
(2)传感器检测:通过模拟火灾场景,触发传感器,检测传感器是否准确地感知到火灾信号,并及时触发报警。
(3)网络通信功能检测:检查电气火灾监控系统的网络连接是否正常,包括局域网和远程网络通信。
(4)火灾报警信号检测:通过触发火灾报警信号源,检查火灾报警信号是否及时、准确地传输到监控系统,并触发报警。
(5)火灾报警信息显示和传输检测:检查火灾报警信息是否能够正确显示在监控设备上,并能够及时传输给相应的人员。
三、检测过程和结果1.检测过程(1)检查硬件设备:通过视觉检查、手动操作等方法,检查硬件设备的安装情况和物理损坏情况,并对线缆连接进行检查。
(2)传感器检测:触发传感器,检查监控系统是否及时收到火灾信号,并能够触发报警。
(3)网络通信功能检测:通过测试网络连接速度和稳定性,检查网络通信功能是否正常。
(4)火灾报警信号检测:触发火灾报警信号,检查监控系统是否能够准确地接收到信号,并及时触发报警。
(5)火灾报警信息显示和传输检测:检查监控设备上的显示是否准确,并通过测试传输功能,确认报警信息能够及时传输。
2.检测结果(1)硬件设备检查结果:所有硬件设备安装正确,线缆连接牢固,未发现物理损坏。
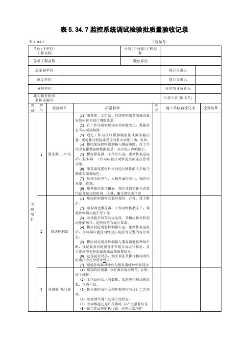
监控系统调试检验批质量验收记录一、项目概况项目名称:监控系统调试检验批质量验收项目编号:XXX-XXX-XXX验收日期:XXXX年XX月XX日验收单位:XXXX公司二、项目背景本次验收项目为监控系统调试检验批质量验收,旨在评估监控系统的正常运行情况,确保其能够满足设计要求并提供有效的安全保护措施。
三、验收标准1.监控系统安装调试符合相关技术规范和设计要求;2.监控系统硬件设备能够正常运行并提供稳定的视频信号;3.监控系统软件能够实现各项功能要求,并能与其他设备进行有效地联动操作;4.监控系统图像清晰,无丢失、模糊、干扰等问题;5.监控系统数据存储完整、可靠,能够满足长期储存的需求;6.监控系统报警功能可靠,能够及时发现和报警异常情况;7.监控系统电源供应稳定,能够正常工作。
四、验收内容1.检验监控系统硬件设备的安装调试情况,包括主机、监控摄像头、显示器等设备的安装位置、连接线路、能源供应等;2.检查监控系统软件的安装情况,包括系统是否能够启动、各项功能是否正常等;3.进行图像质量检验,评估监控系统画面的清晰度、色彩还原度等;4.测试报警功能,模拟异常情况触发报警,检查系统是否能够及时响应并进行报警;5.检查数据存储功能,确认监控系统能够将数据存储到指定位置并确保数据的完整性;6.检查电源供应情况,确保监控系统的稳定运行。
五、检验结果1.监控系统硬件设备安装调试合格,各项参数符合设计要求;2.监控系统软件安装正常,各项功能齐全并正常运行;3.图像质量良好,清晰度高,色彩还原度较好;4.报警功能可靠,能够及时发现和报警异常情况;5.数据存储功能正常,存储位置准确,数据完整可靠;6.电源供应稳定,能够满足监控系统正常工作的需求。
六、验收结论经过检验,本次监控系统调试检验批质量验收合格。
监控系统安装调试符合相关技术规范和设计要求,功能正常,能够提供有效的安全保护措施。
七、建议及意见在验收过程中,未发现明显的问题或缺陷。
建筑设备监控系统调试检验批质量验收记录注:本表内容的填写需依据《现场验收检验批检查原始记录》。
本检验批质量验收的规范依据见本页背面。
填写说明一、填写依据1 《智能建筑工程质量验收规范》GB50339-2013。
2 《建筑工程施工质量验收统一标准》GB50300-2013。
二、检验批划分可按系统、区域等划分检验批。
三、GB50339-2013规范摘要17.0.5 暖通空调监控系统的功能检测应符合下列规定:1 检测内容应按设计要求确定。
2 冷热源的监测参数应全部检测:空调、新风机组的监测参数应按总数的20%抽检,且不应少于5台,不足5台时应全部检测;各种类型传感器,执行器应按10%抽检,且不应少于5只,不足5只时应全部检测。
3 抽检结果全部符合设计要求的应判定为合格。
17.0.6 变配电监测系统的功能检测应符合下列规定:1 检测内容应按设计要求确定。
2 对高低压配电柜的运行状态、变压器的温度、储油罐的液位,各种备用电源的工作状态和联锁控制功能等应全部检测,各种电气参数检测数最应按每类参数抽20%,且数量不应少于20点,数量少于20点时应全部检测。
3 抽检结果全部符合设计要求的应判定为合格。
17.0.7 公共照明监控系统的功能检测应符合下列规定:1 检测内容应按设计要求确定。
2 应按照明回路总数的10%抽检,数量不应少于10路,总数少于10路时应全部检测。
3 抽检结果全部符合设计要求的应判定为合格。
17.0.8 给排水监控系统的功能检测应符合下列规定:1 检测内容应按设计要求确定。
2 给水和中水监控系测应全部检测;排水监控系统应抽检50%,且不得少于5套,总数少于5套时应全部检测。
3 抽检结果全部符合设计要求的应判定为合格。
17.0.9 电梯和自动扶梯监测系统应检测启停、上下行、位置、故障等运行状态显示功能。
检测结果符合设计要求的应判定为合格。
17.0.10 能耗检测系统应检测能耗数据的显示、记录、统计、汇总及趋势分析等功能。