安防监控系统维护收费标准及检测报告表格.doc
- 格式:doc
- 大小:103.00 KB
- 文档页数:6
安防监控系统维保表格安防监控系统维保表格一、概述安防监控系统是指利用摄像头和相关设备对特定范围内的目标进行实时监控和录像,并通过网络传输和存储,实现安全管理和事故调查的系统。
本文档旨在规范安防监控系统的维护和保养工作,确保系统的正常运行和稳定性。
二、维保内容1.系统设备检查a.摄像头的清洁和定位调整。
b.云台和镜头的运行状态和校准。
c.电源、网络线路和连接器的检查和维修。
d.储存设备(如硬盘、服务器)的工作状态和容量检查。
2.软件维护a.检查监控系统的软件版本,并进行升级。
b.清理系统缓存和日志文件,确保系统运行顺畅。
c.检查系统配置和参数设置,根据需要进行修改。
d.定期备份监控数据和设置文件。
3.视频质量检测a.检查摄像头的图像质量和色彩表现。
b.检查录像的清晰度和保存格式。
c.校准亮度、对比度和其他图像参数。
4.运行状态监测a.检查系统的运行正常与否,如遇异常情况及时报警。
b.检查各个组件的运行状态,如存储设备、服务器等。
5.系统巡检a.检查摄像头的安装位置和角度,是否有盲区。
b.检查系统的布防和联动设置,确保安全性。
c.检查监控画面的遮挡和损坏情况。
d.检查是否存在潜在的安全隐患。
三、维保周期根据实际情况,安防监控系统的维保可以分为日常维护和定期维护。
日常维护包括系统设备检查和软件维护,建议每月进行一次。
定期维护包括视频质量检测、运行状态监测和系统巡检,建议每季度进行一次。
四、附件本文档涉及的附件包括:1.维保记录表格。
2.维修记录表格。
3.系统配置文件备份。
五、法律名词及注释1.安防监控系统:指用于保护人员和财产安全的监控系统,包括摄像头、录像设备、云台等设备。
2.维保:维护和保养,包括设备检查、软件维护和系统巡检等工作。
3.视频质量检测:检查摄像头画面的清晰度、色彩表现和图像参数设置。
4.运行状态监测:监测安防监控系统的各个组件的工作状态,如存储设备、服务器等。
通常监控维护收费标准
一、收费方式:
A、按次收取每次维修完成后收费,并且承担一定时间的免费保修期;
B、按阶段收取保证设备或系统的正常工作,每一阶段收取一定费
用;
C、按件收取每维修好一件后收费,并且承担一定时间的免费保修期;
D、按一次性收取收取一次费用,终身提供免费维修维护服务。
二、收费标准:
收费统计表
三、系统收费标准。
安防设施维修保养技术服务费(简称维保服务费)按系统总投资额分档累加计收:100万元及以内的,年度维保服务费为6%-4%;100万元以上至300万元的为5%-3%;300万元以上至600万元的为4%-2%;600万元以上的为2%-0.5%。
安防监控系统维保表格安防监控系统维保表格1、系统概述1.1 系统名称:1.2 系统功能:1.3 系统组成:2、维保单位信息2.1 维保单位名称:2.2 维保单位地质:2.3 维保单位联系人及联系方式:3、维保周期计划3.1 维保周期:3.2 维保计划起始日期:3.3 维保计划结束日期:4、维保内容及要求4.1 系统设备检查:- 检查各个设备的运行状态,包括摄像头、录像机、监控主机等;- 检查设备的电源、联网状态;- 检查设备的镜头、焦距、亮度等参数设置。
4.2 系统软件检查:- 检查系统软件版本,是否需要升级;- 检查系统软件运行状态,是否出现异常;- 检查系统软件的配置参数,是否需要调整。
4.3 视频质量检查:- 检查视频信号的清晰度、色彩还原度等;- 检查视频是否存在卡顿、抖动等问题;- 检查视频录像是否正常存储。
4.4 系统安全检查:- 检查系统的安全设置,是否存在漏洞;- 检查系统的防火墙、入侵检测等安全措施的运行状态;- 检查系统的权限管理设置,是否存在不符合要求的用户权限。
5、维保记录- 记录每次维保的具体操作内容; - 记录设备的异常情况及处理方式; - 记录系统的升级情况。
6、维保结果评估6.1 维保结果评估标准:- 设备运行情况是否正常;- 视频质量是否满足要求;- 系统安全性是否达到要求。
6.2 维保结果评估方法:- 对维保记录进行综合评估;- 根据评估结果给出评价意见。
附件:附件1:维保单位资质证书复印件附件2:维保合同复印件法律名词及注释:1、维保:维护和保养的缩写,指对设备、系统等进行检修、更换、维护、保护,以保持其正常运行和良好状态的工作。
2、维保周期:工程设备或系统的维保时间间隔。
3、维保计划:对系统维保工作进行提前安排和计划,包括维保时间、内容、负责人等细节安排。
**银行安防系统工程维保表格******安防科技2021年01月05日一、定期维保效劳内容定期维保效劳主要包含两个方面,一是定期系统巡检,由公司组织专职巡检人员进行周期性的定期系统巡检.二是规定现场工程师组织定期系统保养及维修.维保主要效劳内容包括:1、监控室机房环境.2、设备运行环境.3、所有设备的安装位置、运行情况.4、线路使用情况及线路敷设路径、走线方式等.5、线路所有接口、所有视频头、接线柱线路接点是否牢固.6、软件使用情况、软件升级情况.7、系统数据备份情况.系统整体检测具体内容有:♦系统故障隐患排查♦系统试运行检测♦系统各项功能性检查♦系统设备重要性能指标检查♦系统运行稳定性检测♦系统运行平安可靠性检测♦系统重要数据备份♦系统软件维护和升级♦系统重要设备工作电源环境检查♦重要设备接地可靠性检查保养评估具体内容有:♦系统设备环境专业保洁整理♦系统前端设备专业保洁整理♦系统核心设备定期维护性保养安排一名技术人员在工作时间驻点值班,保证设备正常运转.二、系统维保相关表格〔监控系统〕机房日常维护记录表重大硬件维护审批表设备名称: 编号:名称:致:内容:软件维护审批表编号: 申请入〔现场工程师〕:日期:监控用户名新增审批表名称:编号:注:密码内容由系统治理员〔专人〕填写,并由其保管.其他人员不得保存该表.设备更换审批表名称: 编号:设备测试报表应急处理举措记录表事故原因分析事故造成的影响总结系统检测维护^录表分管领导/负责人:日期:。
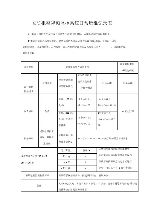
安防报警视频监控系统日常运维记录表1.非本公司所售产品或本公司销售产品逾保修期后,运维模式和收费标准如下。
2.本公司销售产品质保期内,提供免费的人员培训和设备维修(因地震、雷击、火灾等自然灾害,以及因病毒、人为操作、第三方原因导致设备及系统损坏除外),日常维护保养半价收取。
系统类型一般性简单独立运营系统高端联网型集成联动系统项目名称服务模式技术咨询按次数提供维修的服务模式按次数提供系统日常全面维护保养模式包年运维包年运维收费标准免费市内:100元/人/次10个点以上:20元/点/次10个点以上:60元/点/4次/年50元/点/月市外:200元/人/次+交通住宿费用10个点一下:30元/点/次10个点一下:100元/点/4次/年服务标准提供电话技术咨询,解决方案设计故障检测、排查或排除恢复DB 34/T 2134—2014中关于维护保养标准要求或按照此表计费(DB 34/T 2134—2014)运行年限费率/% 计费额基础为系统设备器材费。
非正常运行的安防系统维护保养取费原则按照双方约定方式进行计取,可以高于7.1的取费原则3年以内 3.03-5年 4.05年以后 5.0系统远程监测收费标准需具有联网基础条件,搭建联网平台,费用另议。
备注人/次的含义为1名技术员在8小时/1日以内;设备器材等零配件的维修更换费用按实际发生另行计取。
附录A前端巡检表表一巡检辖区: 辖区部位,巡检点数:巡检日期:项目名称巡检项目备注检查情况杆件整体外观口正常口不正常控制箱整体外观口正常口不正常电源适配器口正常口不正常空气开关口正常口不正常防雷隔离器口正常口不正常摄像机整体外观口正常口不正常镜头口正常口不正常云台口正常口不正常设备供电情况口正常口不正常线路通畅口正常口不正常辅助照明装置口正常口不正常摄像机玻璃罩污垢口正常口不正常立杆周围环境口正常口不正常防雷接地测量口正常口不正常其它口正常口不正常抵达时间:离开时间:是否作为问题点位汇总口是口否检测报告处理建议情况日期:B后端巡检表表二巡检辖区: 辖区部位,巡检点数:巡检日期:项目名称巡检项目备注检查情况温湿度口正常口不正常消防、防雷接地口正常口不正常配电系统口正常口不正常处理设备口正常口不正常视频解码器口正常口不正常机房环境口正常口不正常显示设备口正常口不正常控制设备口正常口不正常网络设备口正常口不正常记录存储设备口正常口不正常软件运行状态口正常口不正常软件版本更新口正常口不正常主要设备配置参数备份口正常口不正常其它口正常口不正常抵达时间:离开时间:是否作为问题点位汇总口是口否检测报告处理建议情况日期:C传输巡检表表三巡检辖区: 辖区部位,巡检点数:巡检日期:项目名称巡检项目备注检查情况网线口正常口不正常视频线口正常口不正常控制线口正常口不正常电源线口正常口不正常光纤口正常口不正常标识、标示口正常口不正常通迅设备口正常口不正常线路带宽口正常口不正常线缆测试口正常口不正常无线设备口正常口不正常人井手孔口正常口不正常其它口正常口不正常抵达时间:离开时间:是否作为问题点位汇总口是口否检测报告处理建议情况日期:报修单位报修人员报修时间修复时间故障地点故障描述处理情况技术建议故障处理人员:日期:建设/使用单位确认人员:日期:D维修记录表表四。
安防监控系统维保表格(可以直接使用,可编辑实用优秀文档,欢迎下载)XXXXXX安防系统工程维保表格XXXXXXXXXXX2021年06月01日一、定期维保服务内容定期维保服务主要包含两个方面,一是定期系统巡检,由公司组织专职巡检人员进行周期性的定期系统巡检。
二是规定现场工程师组织定期系统保养及维修。
维保主要服务内容包括:1、监控室机房环境。
2、设备运行环境。
3、所有设备的安装位置、运行情况。
4、线路使用情况及线路敷设路径、走线方式等。
5、线路所有接口、所有视频头、接线柱线路接点是否牢固。
6、软件使用情况、软件升级情况。
7、系统数据备份情况。
系统整体检测具体内容有:◆系统故障隐患排查◆系统试运行检测◆系统各项功能性检查◆系统设备重要性能指标检查◆系统运行稳定性检测◆系统运行安全可靠性检测◆系统重要数据备份◆系统软件维护和升级◆系统重要设备工作电源环境检查◆重要设备接地可靠性检查保养评估具体内容有:◆系统设备环境专业保洁整理◆系统前端设备专业保洁整理◆系统核心设备定期维护性保养二、系统维保相关表格(监控系统)机房日常维护记录表重大硬件维护审批表设备名称:编号:软件维护审批表名称:编号:监控用户名新增审批表录像资料备份/取证审批表名称:编号:设备更换审批表名称:编号:设备测试报表应急处理措施记录表系统检测维护记录表安防报警视频监控系统日常运维记录表1.非本公司所售产品或本公司销售产品逾保修期后,运维模式和收费标准如下。
2.本公司销售产品质保期内,提供免费的人员培训和设备维修(因地震、雷击、火灾等自然灾害,以及因病毒、人为操作、第三方原因导致设备及系统损坏除外),日常维护保养半价收取。
附录A前端巡检表表一B后端巡检表表二C传输巡检表表三D维修记录表表四XXXXXX安防系统工程维保表格XXXXXXXXXXX2021年06月01日一、定期维保服务内容定期维保服务主要包含两个方面,一是定期系统巡检,由公司组织专职巡检人员进行周期性的定期系统巡检。
安防报警视频监控系统日常运维记录表1.非本公司所售产品或本公司销售产品逾保修期后,运维模式和收费标准如下。
2.本公司销售产品质保期内,提供免费的人员培训和设备维修(因地震、雷击、火灾等自然灾害,以及因病毒、人为操作、第三方原因导致设备及系统损坏除外),日常维护保养半价收取。
系统类型一般性简单独立运营系统高端联网型集成联动系统项目名称服务模式技术咨询按次数提供维修的服务模式按次数提供系统日常全面维护保养模式包年运维包年运维收费标准免费市内:100元/人/次10个点以上:20元/点/次10个点以上:60元/点/4次/年50元/点/月市外:200元/人/次+交通住宿费用10个点一下:30元/点/次10个点一下:100元/点/4次/年服务标准提供电话技术咨询,解决方案设计故障检测、排查或排除恢复DB 34/T 2134—2014中关于维护保养标准要求或按照此表计费(DB 34/T 2134—2014)运行年限费率/% 计费额基础为系统设备器材费。
非正常运行的安防系统维护保养取费原则按照双方约定方式进行计取,可以高于7.1的取费原则3年以内 3.03-5年 4.05年以后 5.0系统远程监测收费标准需具有联网基础条件,搭建联网平台,费用另议。
备注人/次的含义为1名技术员在8小时/1日以内;设备器材等零配件的维修更换费用按实际发生另行计取。
附录A前端巡检表表一巡检辖区: 辖区部位,巡检点数:巡检日期:项目名称巡检项目备注检查情况杆件整体外观口正常口不正常控制箱整体外观口正常口不正常电源适配器口正常口不正常空气开关口正常口不正常防雷隔离器口正常口不正常摄像机整体外观口正常口不正常镜头口正常口不正常云台口正常口不正常设备供电情况口正常口不正常线路通畅口正常口不正常辅助照明装置口正常口不正常摄像机玻璃罩污垢口正常口不正常立杆周围环境口正常口不正常防雷接地测量口正常口不正常其它口正常口不正常抵达时间:离开时间:是否作为问题点位汇总口是口否检测报告处理建议情况日期:B后端巡检表表二巡检辖区: 辖区部位,巡检点数:巡检日期:项目名称巡检项目备注检查情况温湿度口正常口不正常消防、防雷接地口正常口不正常配电系统口正常口不正常处理设备口正常口不正常视频解码器口正常口不正常机房环境口正常口不正常显示设备口正常口不正常控制设备口正常口不正常网络设备口正常口不正常记录存储设备口正常口不正常软件运行状态口正常口不正常软件版本更新口正常口不正常主要设备配置参数备份口正常口不正常其它口正常口不正常抵达时间:离开时间:是否作为问题点位汇总口是口否检测报告处理建议情况日期:C传输巡检表表三巡检辖区: 辖区部位,巡检点数:巡检日期:项目名称巡检项目备注检查情况网线口正常口不正常视频线口正常口不正常控制线口正常口不正常电源线口正常口不正常光纤口正常口不正常标识、标示口正常口不正常通迅设备口正常口不正常线路带宽口正常口不正常线缆测试口正常口不正常无线设备口正常口不正常人井手孔口正常口不正常其它口正常口不正常抵达时间:离开时间:是否作为问题点位汇总口是口否检测报告处理建议情况日期:报修单位报修人员报修时间修复时间故障地点故障描述处理情况技术建议故障处理人员:日期:建设/使用单位确认人员:日期:D维修记录表表四。
安防报警视频监控系统日常运维记录表1.非本公司所售产品或本公司销售产品逾保修期后,运维模式和收费标准如下。
2.本公司销售产品质保期内,提供免费的人员培训和设备维修(因地震、雷击、火灾等自然灾害,以及因病毒、人为操作、第三方原因导致设备及系统损坏除外),日常维护保养半价收取。
系统类型一般性简单独立运营系统高端联网型集成联动系统项目名称服务模式技术咨询按次数提供维修的服务模式按次数提供系统日常全面维护保养模式包年运维包年运维收费标准免费市内:100元/人/次10个点以上:20元/点/次10个点以上:60元/点/4次/年50元/点/月市外:200元/人/次+交通住宿费用10个点一下:30元/点/次10个点一下:100元/点/4次/年服务标准提供电话技术咨询,解决方案设计故障检测、排查或排除恢复DB 34/T 2134—2014中关于维护保养标准要求或按照此表计费(DB 34/T 2134—2014)运行年限费率/% 计费额基础为系统设备器材费。
非正常运行的安防系统维护保养取费原则按照双方约定方式进行计取,可以高于7.1的取费原则3年以内 3.03-5年 4.05年以后 5.0附录A前端巡检表表一巡检辖区: 辖区部位,巡检点数:巡检日期:项目名称巡检项目备注检查情况杆件整体外观口正常口不正常控制箱整体外观口正常口不正常电源适配器口正常口不正常空气开关口正常口不正常防雷隔离器口正常口不正常摄像机整体外观口正常口不正常镜头口正常口不正常云台口正常口不正常设备供电情况口正常口不正常线路通畅口正常口不正常辅助照明装置口正常口不正常摄像机玻璃罩污垢口正常口不正常立杆周围环境口正常口不正常防雷接地测量口正常口不正常其它口正常口不正常系统远程监测收费标准需具有联网基础条件,搭建联网平台,费用另议。
备注人/次的含义为1名技术员在8小时/1日以内;设备器材等零配件的维修更换费用按实际发生另行计取。
抵达时间:离开时间:是否作为问题点位汇总口是口否检测报告处理建议情况巡检人:建设/使用单位确认人员:日期:B后端巡检表表二巡检辖区: 辖区部位,巡检点数:巡检日期:项目名称巡检项目备注检查情况温湿度口正常口不正常消防、防雷接地口正常口不正常配电系统口正常口不正常处理设备口正常口不正常视频解码器口正常口不正常机房环境口正常口不正常显示设备口正常口不正常控制设备口正常口不正常网络设备口正常口不正常记录存储设备口正常口不正常软件运行状态口正常口不正常软件版本更新口正常口不正常主要设备配置参数备份口正常口不正常其它口正常口不正常抵达时间:离开时间:是否作为问题点位汇总口是口否检测报告处理建议情况巡检人:建设/使用单位确认人员:日期:C传输巡检表表三巡检辖区: 辖区部位,巡检点数:巡检日期:项目名称巡检项目备注检查情况网线口正常口不正常视频线口正常口不正常控制线口正常口不正常电源线口正常口不正常光纤口正常口不正常标识、标示口正常口不正常通迅设备口正常口不正常线路带宽口正常口不正常线缆测试口正常口不正常无线设备口正常口不正常人井手孔口正常口不正常其它口正常口不正常抵达时间:离开时间:是否作为问题点位汇总口是口否检测报告处理建议情况巡检人:建设/使用单位确认人员:日期:报修单位报修人员报修时间修复时间故障地点故障描述处理情况技术建议故障处理人员:日期:建设/使用单位确认人员:日期:D维修记录表表四。