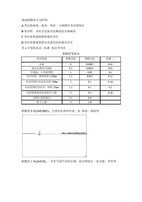
地面粗糙度等级及其对风速的影响
- 格式:doc
- 大小:130.50 KB
- 文档页数:3
地面粗糙度等级及其对风速的影响空气在流动的过程中不仅受到气压梯度力和地转偏向力的作用,而且在离地面1.5公里的近地面大气层里,它还受到地面障碍物的影响,气象学上将1.5公里以下的气层称为摩擦层。
在摩擦层里,空气经过粗糙不平的地表面,受到摩擦力的作用,空气流动的速度,也就是风速会越来越小。
由于地表粗糙程度不一,作用于空气的摩擦力的大小也就不同,风速减小的程度也就不同,地面粗糙度越大,作用于空气的摩擦力也就越大,相应的风速减小的也就越多。
在风力发电机以及建筑学等领域对地面粗糙度进行了分类,总共分为A、B、C、D四类,各类对应的地表状况如下:A类指近海海面、海岛、海岸、湖岸及沙漠地区;B类指田野、乡村、丛林、丘陵以及房屋比较稀疏的中小城市郊区;C类指有密集建筑群的中等城市市区;D类指有密集建筑群但房屋较高的大城市市区。
图1 A类图2 B类图3 C类图4 D类为了能对地面粗糙度进行量化分析,通常使用粗糙度长度(表征完全湍流中表面粗糙程度所用的特征长度参数,单位为:m)Z0对地面粗糙度进行度量,其值分布于0-2m之间。
表1中列出了地面粗糙度等级值对应的粗糙度长度值,以及能源指数和地表特征。
表1:地面粗糙度等级及粗糙度长度(来源于德国风能协会)在确定某地区的地面粗糙度类别时,若无实测资料,建筑学上可按下述原则近似,该原则同样适用于风力发电机领域。
1. 以拟建房屋为中心、2km为半径的迎风半圆影响范围内的房屋高度和密集度来区分粗糙度类别,风向原则上应以该地区最大风的风向为准,但也可取其主导风向;2. 以半圆影响范围内建筑物的平均高度来划分地面粗糙类别。
当平均高度不大于9m时为B类;当平均高度大于9m但不大于18m时为C类;当平均高度大于18m时为D类;3. 影响范围内不同高度的面域可按下述原则确定,即每座建筑物向外延伸距离等于其高度的面域内均为该高度,当不同高度的面域相交时,交叠部分的高度取大者;4. 平均高度取各面域面积为权数计算。
风荷载地面粗糙度类别
摘要:
1.风荷载地面粗糙度简介
2.地面粗糙度对风荷载的影响
3.不同地面粗糙度类别的风荷载特点
4.我国相关规定及设计建议
正文:
风荷载地面粗糙度类别是指建筑物所在地面表面的不平整程度,它对风荷载产生很大的影响。
地面粗糙度越大,风速越大,风荷载也越大。
反之,地面粗糙度越小,风速越小,风荷载也越小。
因此,正确理解和评估地面粗糙度对风荷载的影响,对于建筑物的设计和安全至关重要。
地面粗糙度对风荷载的影响主要表现在以下几个方面:
1.增加风速:地面粗糙度大的地方,风速会增加,从而使风荷载增大。
2.减小风速:地面粗糙度小的地方,风速会减小,从而使风荷载减小。
3.改变风向:地面粗糙度大的地方,风向会偏离建筑物,从而减小风荷载。
4.改变风切变:地面粗糙度大的地方,风切变会增大,从而使风荷载增大。
根据我国相关规定,地面粗糙度分为五类,分别为:粗糙、较粗糙、一般粗糙、较光滑和光滑。
不同地面粗糙度类别的风荷载特点如下:
1.粗糙地面:风速大,风荷载大。
如:草地、灌木丛等。
2.较粗糙地面:风速较大,风荷载较大。
如:农田、疏林地等。
3.一般粗糙地面:风速适中,风荷载适中。
如:城市道路、广场等。
4.较光滑地面:风速较小,风荷载较小。
如:水面、沥青路面等。
5.光滑地面:风速小,风荷载小。
如:大理石地面、玻璃幕墙等。
在建筑物设计和风荷载计算中,应根据实际情况选择合适的地面粗糙度类别,并结合我国相关规定,合理确定风荷载。
风电场选址需要考虑的主要因素【摘要】随着世界环境污染的加重和一次能源的逐渐减少,人们对可再生能源越来越重视。
风能作为清洁可再生能源,是当今世界技术最成熟、最环保、最具大规模和商业化开发的新能源。
风力发电场的建设正以每年1000万千瓦的装机增长,风力发电市场前景可观,因此风电场选址是一项很重要的工作。
【关键词】风电场宏观选址;微观选址前言理论上风资源丰富、风向稳定、风能分布集中、破坏性风速较小的风场具有一定的开发价值,是一个理想的风电场,适宜建设大型风电场,但实际上好多风资源较丰富的地方往往受到接入电网、地质、地形、交通运输、地质灾害、矿产资源等诸多因素的影响,不能进行开发利用。
本文主要从宏观和围观两方面入手,简单介绍风电场选址及风机布置需要考虑的因素。
1 风电场宏观选址风电场的宏观选址是指在一个较大的区域,对形成风的各种因素包括地形、地貌、地质、气象、交通运输、接入系统等因素进行综合分析,找出风资源较好,具备装机条件的风场。
风电场宏观选址是整个风电场建设的最重要的一个环节。
(1)风资源:风资源是风场必须具备的先决条件,没有良好的风资源,一切都是空谈,良好的风资源才能提高整个风场的经济效益。
一般来说风功率密度等级达到2级及以上的区域具有开发价值。
风力发电机组一般在3~25m/s风速区间可以进行发电,小于3m/s风速风机叶片虽然有转动但是机组仅做无用功,大于25m/s时,为考虑风机运行的安全性,需要停机。
(2)地形、地貌:地形,是指地势高低起伏的变化,即地表的形态。
分为:山脉、丘陵、河流、湖泊、海滨、沼泽等。
地貌分八种:山地,盆地,丘陵,平原,高原等。
假如以图形表示,也就是用等高线绘制出来的地形图。
对于内陆风电场,风资源较好的地方,都有其特殊的地形、地貌。
(3)工程地质:风电机组基础位置最好是承载力强的基岩、密实的壤土或者粘土等。
良好的地质条件可以减少风机基础的处理量,减少工程造价。
(4)交通条件:风能资源丰富的地区一般都在比较偏远的地区,如山脊、戈壁滩、草原和海岛等,必须拓宽现有的道路并新修部分道路以满足大部件运输,其中有些部件的长度可能超过30米。
风荷载地面粗糙度类别
(实用版)
目录
一、风荷载的概述
二、地面粗糙度类别的定义及影响
三、风荷载与地面粗糙度类别的关系
四、结论
正文
一、风荷载的概述
风荷载是指风力对建筑物、结构物等表面产生的压力。
风荷载是结构设计中必须考虑的重要因素之一,因为它会对建筑物的稳定性、安全性产生直接影响。
风荷载的计算和考虑需要依赖于许多参数,如风速、风向、地面粗糙度等。
二、地面粗糙度类别的定义及影响
地面粗糙度是指地面表面对风流的阻力大小,它直接影响风荷载的计算。
根据地面粗糙度的不同,可以将其分为五类,分别是:A 类(极其光滑)、B 类(光滑)、C 类(中等粗糙)、D 类(粗糙)和 E 类(极其粗糙)。
不同的地面粗糙度类别会对风荷载产生不同的影响,一般来说,地面粗糙度越大,风荷载越大。
三、风荷载与地面粗糙度类别的关系
风荷载与地面粗糙度类别的关系可以通过风荷载系数来体现。
风荷载系数是风荷载计算中的一个重要参数,它与地面粗糙度类别有直接关系。
根据地面粗糙度类别的不同,风荷载系数也会有所不同。
例如,A 类地面粗糙度对应的风荷载系数为 0.8,而 E 类地面粗糙度对应的风荷载系数为 1.8。
四、结论
风荷载与地面粗糙度类别有着密切的关系,地面粗糙度类别的划分对风荷载的计算有着重要的影响。
因此,在进行结构设计时,需要根据实际情况选择合适的地面粗糙度类别,以确保计算结果的准确性。
Roughness and Wind Shear粗糙度和风切变High above ground level, at a height of about 1 kilometer, the wind is hardly influenced by the surface of the earth at all. In the lower layers of the atmosphere, however, wind speeds are affected by the friction against the surface of the earth. In the wind industry one distinguishes between the roughness of the terrain, the influence from obstacles, and the influence from the terrain contours, which is also called the orography of the area. We shall be dealing with orography, when we investigate so called speed up effects, i.e. tunnel effects and hill effects, later.在距离地面约1公里的高度,风几乎不受地球表面的影响。
然而,在大气的下层,风速受到与地球表面的摩擦的影响。
在风能行业中,人们区分地形的粗糙度,障碍物的影响以及地形轮廓的影响,这也称为该地区的地形。
当我们稍后研究所谓的加速效应,即隧道效应和山地效应时,我们将讨论山岳学Orography。
Roughness粗糙度In general, the more pronounced the roughness of the earth's surface, the more the wind will be slowed down.一般来说,地球表面粗糙度越明显,风速就越慢。
地面粗糙度等级及其对风速的影响空气在流动的过程中不仅受到气压梯度力和地转偏向力的作用,而且在离地面1.5公里的近地面大气层里,它还受到地面障碍物的影响,气象学上将1.5公里以下的气层称为摩擦层。
在摩擦层里,空气经过粗糙不平的地表面,受到摩擦力的作用,空气流动的速度,也就是风速会越来越小。
由于地表粗糙程度不一,作用于空气的摩擦力的大小也就不同,风速减小的程度也就不同,地面粗糙度越大,作用于空气的摩擦力也就越大,相应的风速减小的也就越多。
在风力发电机以及建筑学等领域对地面粗糙度进行了分类,总共分为A、B、C、D四类,各类对应的地表状况如下:A类指近海海面、海岛、海岸、湖岸及沙漠地区;B类指田野、乡村、丛林、丘陵以及房屋比较稀疏的中小城市郊区;C类指有密集建筑群的中等城市市区;D类指有密集建筑群但房屋较高的大城市市区。
图1 A类图2 B类图3 C类图4 D类为了能对地面粗糙度进行量化分析,通常使用粗糙度长度(表征完全湍流中表面粗糙程度所用的特征长度参数,单位为:m)Z0对地面粗糙度进行度量,其值分布于0-2m之间。
表1中列出了地面粗糙度等级值对应的粗糙度长度值,以及能源指数和地表特征。
表1:地面粗糙度等级及粗糙度长度(来源于德国风能协会)在确定某地区的地面粗糙度类别时,若无实测资料,建筑学上可按下述原则近似,该原则同样适用于风力发电机领域。
1. 以拟建房屋为中心、2km为半径的迎风半圆影响范围内的房屋高度和密集度来区分粗糙度类别,风向原则上应以该地区最大风的风向为准,但也可取其主导风向;2. 以半圆影响范围内建筑物的平均高度来划分地面粗糙类别。
当平均高度不大于9m时为B类;当平均高度大于9m但不大于18m时为C类;当平均高度大于18m时为D类;3. 影响范围内不同高度的面域可按下述原则确定,即每座建筑物向外延伸距离等于其高度的面域内均为该高度,当不同高度的面域相交时,交叠部分的高度取大者;4. 平均高度取各面域面积为权数计算。
风资源评估-工程应用—粗糙度篇(1)目录一、必看内容: (1)二、实际工程经验 (4)问题一: (4)问题二: (4)问题三: (5)一、必看内容:为了计算地形和地貌对风的影响,需要对其特征进行系统的描述。
地形和地貌对风的影响主要来自于三个方面:地形、障碍物和粗糙度。
空气在流动的过程中不仅受到气压梯度力和地转偏向力的作用,而且在离地面1.5公里的近地面大气层里,它还受到地面障碍物的影响,气象学上将1.5公里以下的气层称为摩擦层。
在摩擦层里,空气经过粗糙不平的地表面,受到摩擦力的作用,空气流动的速度,也就是风速会越来越小。
由于地表粗糙程度不一,作用于空气的摩擦力的大小也就不同,风速减小的程度也就不同,地面粗糙度越大,作用于空气的摩擦力也就越大,相应的风速减小的也就越多。
1)地表粗糙度有地表粗糙元的尺寸和分布决定,对于陆地表面,粗糙元主要有植被、建筑区和土壤表面。
2)一旦确定了特定表面的粗糙长度,它将不随风速、大气稳定度和应力而改变。
3)粗糙长度Z=0.5*h*S/Ah:粗糙元的高度S:粗糙元迎风面的截面积A:平均每个粗糙元所占的面积;粗糙度有很多计算方法,具体见【几种典型地表粗糙度计算方法的比较研究】4)实际工程中主要根据经验值进行粗糙度划分和设置:在风力发电领域对地面粗糙度进行了分类,总共分为A、B、C、D四类,各类对应的地表状况如下:A类指近海海面、海岛、海岸、湖岸及沙漠地区;B类指田野、乡村、丛林、丘陵以及房屋比较稀疏的中小城市郊区;C类指有密集建筑群的中等城市市区;D类指有密集建筑群但房屋较高的大城市市区。
5)图1 A类图2 B类图3 C类图4 D类6)为了能对地面粗糙度进行量化分析,通常使用粗糙度长度(表征完全湍流中表面粗糙程度所用的特征长度参数,单位为:m)Z0对地面粗糙度进行度量,其值分布于0-2m之间。
表1中列出了地面粗糙度等级值对应的粗糙度长度值,以及能源指数和地表特征。
7)表1:地面粗糙度等级及粗糙度长度(来源于德国风能协会)8)在确定某地区的地面粗糙度类别时,若无实测资料,风力发电领域上可按下述原则近似。
粗糙度和风切变指数的关系
粗糙度和风切变指数之间存在着密切的关系,它们在气象学和
飞行领域都具有重要的意义。
首先,让我们来了解一下粗糙度和风切变指数各自的含义。
粗
糙度是指地表或其他物体表面的不平整程度,它对风场的影响很大。
粗糙度的大小会影响风的流动情况,从而影响大气的运动和风速的
分布。
在气象学中,粗糙度常常用来描述地表的特征,如建筑物、
树木等对风场的阻碍程度。
而风切变指数则是用来描述大气中风速和风向随高度变化的程度。
风切变指数通常用于飞行领域,特别是对飞机的起降和飞行过
程具有重要影响。
风切变指数大的地方,风速和/或风向会随着高度
的变化而急剧改变,对飞行安全会构成一定的威胁。
粗糙度和风切变指数之间的关系主要体现在以下几个方面:
1. 粗糙度对风切变的影响,粗糙地表会使得风场在地面附近产
生湍流,进而影响风场的垂直分布。
这种地面粗糙度对风切变的影
响尤为显著,因为它会使得风速和风向在不同高度上发生较大的变
化,从而增加风切变的强度。
2. 风切变对粗糙度的影响,风切变会影响大气的运动情况,从而改变地表的风场分布。
在风切变较大的情况下,地表风速和风向的变化会更加剧烈,从而进一步增加地表粗糙度对风场的影响。
综上所述,粗糙度和风切变指数之间存在着相互影响的关系。
地表的粗糙度会影响风切变的强度,而风切变的存在也会进一步增加地表粗糙度对风场的影响。
因此,在气象学和飞行领域中,研究粗糙度和风切变指数之间的关系对于准确预测风场的变化以及保障飞行安全具有重要意义。
Q/CSG 中国南方电网有限责任公司企业标准南方电网公司输电线路防风设计技术规范中国南方电网有限责任公司发布目次1 范围 (1)2 规范性引用文件 (1)3 术语和定义 (1)4 路径选择 (3)5 基本风速 (3)6 导地线 (4)7 绝缘子和金具 (4)8 杆塔型式及荷载 (5)9 杆塔结构 (6)10 基础 (6)11 附属设施 (7)条文说明 (8)前言为科学、高效、有序地开展防风工作,提高输电线路抵御台风的能力,减少线路故障和经济损失,保证输电线路安全运行,在调研分析南方电网沿海地区台风登陆特征及对输电线路影响的基础上,特制定《南方电网公司输电线路防风设计技术规范》。
本规范以现行国家及行业的有关法律法规、标准、规范为基础,结合南方电网沿海地区的实际情况及管理要求而提出,适用于南方电网公司沿海强风区域的110kV~500kV新建交、直流架空输电线路的设计,该区域已建线路的技改、运维及35kV输电线路可参照执行。
本规范由中国南方电网有限责任公司生产设备管理部归口。
本规范主要起草单位:中国南方电网有限责任公司生产设备管理部、南方电网科学研究院有限责任公司、中国能源建设集团广东省电力设计研究院。
本规范主要起草人:牛保红、马辉、樊灵孟、吴新桥、刘昌、李成、陈鹏、李锐海、庄志伟、潘春平、王衍东、朱映洁、王振华、汪晶毅、李敏生、梁水林、王乐铭。
南方电网公司输电线路防风设计技术规范1 范围1.1 本规范适用于南方电网沿海强风区域的110kV~500kV新建交、直流架空输电线路的设计,该区域已建线路的技改、运维及35kV输电线路可参照执行。
1.2 南方电网沿海强风区域的线路设计除执行本设计技术规范外,还应符合现行规程、规范的要求。
2 规范性引用文件本规范引用下列文件中的部分条款。
当引用文件版本升级(或修改单)导致所引用的条文发生变化时,编制单位应研究新条文是否继续适用于本规范,并及时予以修订。
GB 50009-2012 建筑结构荷载规范GB 50010-2010 混凝土结构设计规范GB 50017-2003 钢结构设计规范GB 50068-2001 建筑结构可靠度设计统一标准GB 50545-2010 110kV~750kV架空输电线路设计规范GB/T 19201-2006 热带气旋等级DL/T 436-2005 高压直流架空送电线路技术规范DL/T 5154-2012 架空送电线路杆塔结构设计技术规定DL/T 5158-2012 电力工程气象勘测技术规程DL/T 5254-2010 架空输电线路钢管塔设计技术规定Q/CSG 1203004.2-2015 35kV~500kV交流输电线路装备技术导则3 术语和定义3.1 基本风速 reference wind speed按当地空旷平坦地面上10m高度处10min时距,平均的年最大风速观测数据,经概率统计得出50(30)年一遇最大值后确定的风速。
物体速度和粗糙度的关系
物体的速度和粗糙度之间存在着密不可分的关系。
在我们日常生活中,这种关系无处不在,无论是汽车在路面上行驶,还是我们手指在玻璃表面滑动,都可以感受到速度和粗糙度之间的相互影响。
让我们来看看速度对物体摩擦力的影响。
摩擦力是指两个物体表面接触时产生的阻碍它们相对运动的力。
一般来说,速度越大,摩擦力也会越大。
这是因为当物体表面相互接触时,速度越大,表面间的摩擦力也会增加,从而使物体更难以相对运动。
这就解释了为什么在高速行驶中汽车需要更长的制动距离,因为摩擦力增大,制动效果降低。
粗糙度也会影响物体的速度。
粗糙的表面会增加物体与表面之间的摩擦力,从而使物体的运动速度减慢。
这就是为什么在冰面上滑行比在砂石路面上滑行更快的原因。
因为冰面相对较光滑,摩擦力较小,所以物体在冰面上可以更快地滑行。
速度和粗糙度还会相互作用,影响物体的运动轨迹。
当物体以一定速度在粗糙的表面上运动时,由于表面的不平整性会产生摩擦力,使物体的运动轨迹产生偏离。
这就是为什么在足球比赛中,球员在草地上传球比在泥泞的场地上传球更容易控制方向的原因。
总的来说,物体的速度和粗糙度之间存在着密切的关系。
速度会影响摩擦力的大小,而粗糙度会影响物体的运动速度和轨迹。
在日常
生活中,我们可以通过理解速度和粗糙度之间的关系,更好地控制物体的运动,提高工作效率和生活质量。
希望这篇文章能够帮助大家更好地理解这一关系,从而更好地运用在实际生活中。
粗糙度的提取及其对风电场的影响姓名:刘晓尘部门:项目咨询中心专业:地图学与地理信息系统入职时间:2011年07月01日为人类奉献白云蓝天,给未来留下更多资源。
摘要粗糙度数据是风电场前期工作中一个重要的参数,其精度的提高可以更加准确的获取风电场理论发电量、各个机位点平均风速及湍流强度等信息。
在实际工作中,对粗糙度数据的提取还没有一个规范的方法。
本文尝试利用遥感技术和GIS技术来提取西营子风电场的粗糙度信息,获得了准确的风电场粗糙度的分布信息,并利用此数据使用windsim软件重新计算和模拟了风电场的发电量、各个机位点的平均风速和湍流强度信息,并与原计算结果进行了对比分析,结果显示,此项目中粗糙度度信息对整个风电场发电量的影响较小,但对各机位点平均风速和湍流的影响较为明显。
关键词:ArcGIS ENVI 监督分类分类后处理目录1 粗糙度概述 (1)1.1粗糙度概述 (1)1.2研究粗糙度的意义 (2)1.3本文技术流程图 (3)2.提取方法介绍 (5)2.1监督分类法 (5)2.2非监督分类法 (5)2.3监督分类与分监督分类的比较 (5)2.4监督分类后处理 (6)2.5粗糙度生成 (7)3提取过程介绍 (7)3.1数据介绍 (7)3.2软件介绍 (8)3.3地物信息提取过程 (11)3.4分类数据后处理 (16)3.5精度验证 (19)3.6粗糙度生成 (20)4 实例计算与对比 (23)4.1某西营子项目 (23)4.3原发电量计算结果 (25)4.3现在发电量计算 (26)4.3结果对比分析 (26)5 结论及建议 (27)附表1 TM各波段信息简介 (28)附表2:风电场33台机组单台机组前后计算结果比较 (29)1 粗糙度概述1.1粗糙度概述地表粗糙度通常有两种理解,一种是从空气动力学角度出发,因地表起伏不平或地物本身几何形状的影响,风速廓线上风速为零的位置并不在地表(高度为零处),而在离地表一定高度处,这一高度则被定义为地表粗糙度,也称为空气动力学粗糙度。
混凝土风道内表面的标准粗糙度一、前言混凝土风道是建筑物中重要的空气传输设备,其内表面的标准粗糙度直接影响着风道的气动性能和清洁度,因此,制定混凝土风道内表面的标准粗糙度十分必要。
二、标准粗糙度的定义标准粗糙度是指在相同的压力和流量下,风道内表面的摩擦阻力系数与标准粗糙度的比值。
标准粗糙度越小,表面越光滑,阻力系数越小,气动性能越好。
三、标准粗糙度的分类根据混凝土风道内表面的处理方式和粗糙度大小,可将标准粗糙度分为以下几类:1. A类标准粗糙度:表面经过机械打磨处理,粗糙度范围为0.1-0.2毫米。
2. B类标准粗糙度:表面经过人工打磨和机械打磨处理,粗糙度范围为0.2-0.4毫米。
3. C类标准粗糙度:表面经过人工打磨处理,粗糙度范围为0.4-0.8毫米。
4. D类标准粗糙度:表面经过拆模处理,粗糙度范围为0.8-1.6毫米。
5. E类标准粗糙度:表面未经任何处理,粗糙度范围为1.6-3.2毫米。
四、标准粗糙度的选择根据混凝土风道的使用要求和实际情况,应选择相应的标准粗糙度。
一般来说,使用要求越高的风道,所需的标准粗糙度越低。
1. A类标准粗糙度适用于高洁净度要求的风道,如医院、实验室等场所。
2. B类标准粗糙度适用于较高洁净度要求的风道,如食品加工厂、电子厂等场所。
3. C类标准粗糙度适用于一般洁净度要求的风道,如办公楼、商场等场所。
4. D类标准粗糙度适用于一般通风要求的风道,如宿舍、工厂车间等场所。
5. E类标准粗糙度适用于通风要求不高的风道,如地下车库、库房等场所。
五、标准粗糙度的检测方法标准粗糙度的检测可以采用以下方法:1. 直接测量法:使用粗糙度测量仪,在混凝土风道内表面测量粗糙度。
2. 模拟方法:在实验室内制作混凝土风道模型,并在模型内部放置流量计,通过测量流量和压力差来计算表面粗糙度。
3. 数值模拟方法:借助计算机软件,通过数值模拟计算混凝土风道内表面的摩擦阻力系数和标准粗糙度。
设计基本风速设计基本风速是指在设计建筑、桥梁、高大构筑物等工程项目时,所考虑的风力等级。
在设计中确定基本风速是十分重要的,因为它直接关系到工程项目的安全性和稳定性。
本文旨在介绍设计基本风速的相关概念、影响因素以及确定方法。
一、设计基本风速的概念设计基本风速是指在建筑设计规范中规定的基本风压值。
根据《建筑结构荷载规范》(GB50009-2012)、《桥梁抗风设计规范》(JTG/T D60-01-2004)等相关规范,基本风速是指具有50年一遇风速的1分位值。
它是工程设计中使用的基本参数之一,也是进行结构荷载计算的重要依据。
二、影响因素1. 地理位置:不同地理位置的风速差别较大。
一般来说,地处临海或者地势开阔的地区风速较大,而临近山区或者被高楼包围的地区风速较小。
2. 建筑高度和形状:建筑的高度和形状对风速的影响较大。
一般来说,建筑高度越高,所受风力越大;建筑的形状也会影响风速的分布和速度。
3. 地表粗糙度:地表的粗糙程度对风速有一定影响。
地表越粗糙,摩擦力越大,风速越小;反之,则风速越大。
4. 气象条件:气象条件如气压、湿度等也对风速有一定影响。
气象条件的变化会导致风速的不稳定性。
三、确定方法设计基本风速的确定方法一般包括以下几种:1. 根据规范计算:建筑结构荷载规范中都有相应的计算方法和风速等级,可以根据规范中的公式和表格,结合具体的气象条件和地理位置,计算出相应的基本风速。
2. 历史风速资料法:根据当地气象局或者气象站的历史记录,获取该地区50年一遇的风速数据,然后进行适当处理和统计分析,得出基本风速的估算值。
3. 数值模拟法:利用气象模型进行数值模拟,模拟出不同气象条件下的风场分布,进而得出设计基本风速。
4. 实测法:在一些特殊情况下,可以通过在工程现场采取实地观测和实验手段,来确定基本风速。
设计基本风速在工程设计中具有极其重要的地位,确定基本风速需要充分考虑地理位置、建筑形状、地表粗糙度等因素,并采用合适的确定方法。
地面粗糙度等级及其对风速的影响
空气在流动的过程中不仅受到气压梯度力和地转偏向力的作用,而且在离地面公里的近地面大气层里,它还受到地面障碍物的影响,气象学上将公里以下的气层称为摩擦层。
在摩擦层里,空气经过粗糙不平的地表面,受到摩擦力的作用,空气流动的速度,也就是风速会越来越小。
由于地表粗糙程度不一,作用于空气的摩擦力的大小也就不同,风速减小的程度也就不同,地面粗糙度越大,作用于空气的摩擦力也就越大,相应的风速减小的也就越多。
在风力发电机以及建筑学等领域对地面粗糙度进行了分类,总共分为A、B、C、D四类,各类对应的地表状况如下:
A类指近海海面、海岛、海岸、湖岸及沙漠地区;
B类指田野、乡村、丛林、丘陵以及房屋比较稀疏的中小城市郊区;
C类指有密集建筑群的中等城市市区;
D类指有密集建筑群但房屋较高的大城市市区。
图1 A类图2 B类
图3 C类图4 D类
为了能对地面粗糙度进行量化分析,通常使用粗糙度长度(表征完全湍流中表面粗糙程度所用的特征长度参数,单位为:m)Z0对地面粗糙度进行度
量,其值分布于0-2m之间。
表1中列出了地面粗糙度等级值对应的粗糙度长度值,以及能源指数和地表特征。
表1:地面粗糙度等级及粗糙度长度(来源于德国风能协会)
在确定某地区的地面粗糙度类别时,若无实测资料,建筑学上可按下述原则近似,该原则同样适用于风力发电机领域。
1. 以拟建房屋为中心、2km为半径的迎风半圆影响范围内的房屋高度和密集度来区分粗糙度类别,风向原则上应以该地区最大风的风向为准,但也可取其主导风向;
2. 以半圆影响范围内建筑物的平均高度来划分地面粗糙类别。
当平均高度不大于9m时为B类;当平均高度大于9m但不大于18m时为C类;当平均高度大于18m时为D类;
3. 影响范围内不同高度的面域可按下述原则确定,即每座建筑物向外延伸距离等于其高度的面域内均为该高度,当不同高度的面域相交时,交叠部分的高度取大者;
4. 平均高度取各面域面积为权数计算。
地面粗糙度对风速的影响范围如下图所示。
图5 地面粗糙度对风速的影响范围
图片版权声明:图片来源于互联网,版权归原作者所有。
参考文献:
;
;
50009—2001。