总台操作流程散客叫醒操作流程
- 格式:docx
- 大小:2.30 MB
- 文档页数:2
1)散客预订程序一、《接待员散客预定程序》归口管理说明总台领班是《接待员散客预定程序》归口管理岗位,负责对客预定、审核预定情况,及时处理预定中遗漏问题,在客情忙时及时将预订情况汇报前厅主管。
二、工作程序:(一)礼貌问候1、电话预订:铃响三声之内接起电话,中英文自报家门,声音清晰,语速适中,礼貌地向对方问好:“good morning reception 您好,总台!”铃响超过三声,应礼貌的说:“对不起,让您久等了。
”2、柜台(当面)预订:“321”服务方式,即:接待员目测客人距离柜台3米处注视、2米处微笑、1米处向客人微笑问好:“您好!请问有什么可以帮您吗?”(二)询问有关信息并做好记录1、询问所需房间类型、房间数量和入住天数。
“我们有套房、标间、单间您需要哪一种?需要预订几个房间,住几天”2、询问抵店日期。
“您预订几号的房间,大约几点到店”3、询问会员、付费方式和付费范围。
(是否办理可签单房卡)“是我们酒店的会员吗?还需要挂其它费用吗?”4、迅速查看该日房间预订情况。
如有该种类型房间则可为客人办理预订手续;如果该种类型房间已全部预订,则可根据客人情况向客人推销其它类型的房间。
在推销时,根据客人的情况按照从高到低的顺序或者从低到高的顺序或者三明治报价法报出房价并视情况介绍房间,注意语言推销技巧,适时推销。
“我们的套房有830、540、464,您需要哪一种”5、确认房间类型后,询问客人姓名、公司名称、联系电话及最晚保留时间,并复述跟客人进行二次确认。
最晚保留时间一般为18:00,也可根据当日客情和客人预抵时间来确定。
“先生,您全名怎么称呼,联系电话,XX先生,您X号预留了高级套房一间一晚、房价540元含早,房间最晚为您保留到18:00”6、询问客人是否还有其他特殊要求,并做好记录。
“请问您还有其它要求吗?需要提供车接服务吗。
感谢您的预订,期待您的光临。
再见XX先生。
”7、输入电脑,各项信息输入确保完整准确。
总台预订处服务操作规程[散客预订的处理]1、电话预订(1)客人打电话来,订房员应在三次铃响内拿起话筒,有礼貌地向对方问好,尊称对方,自报饭店、部门。
(2)客人提出订房要求,订房员立即查看订房控制总表或电脑,如果有房间,向客人报价。
如果没有空房间,则问客人是否愿意改变订房的类型及间数或改变订房的日期或天数,如果客人愿意改变,则报价。
(3)问清客人的详细资料并记录在订房单(表)上。
(4)复述订房要点,请客人听你的记录是否准确。
(5)明确答复对方有无客房,并说明饭店的具体规定(如留房期限和定金的规定等),必要时通知客人付定金并办妥相应的手续。
(6)向客人道谢并道别。
⑺在客人订房而无房时,把订房客人列入候补订房客人名单(Waiting1ist),即把客人姓名、电话号码、地址和订房要求依次列入候补名单,如果己订房客人中有人取消了预订,则按客人留下的电话号码及候补名单上的序号顺序通知候补客人正式办理预订手续。
(8)如果客人不愿意列为候补,在没有其他做法的前提下,可以婉拒客人,即在电话中对客人的预订表示感谢,对酒店不能满足客人的要求表示歉意,向客人表达非常希望再次为客人服务的愿望,最后向客人道别,并待对方挂电话后挂电话。
2、传真预订根据传真订房的原始凭证,再根据电脑控制表上显示的有或无客房的信息答复客人,(尽量以同等方式)。
书面答复同样说明以后留房期限的规定及向客人道谢、道别。
3、当面订房(与电话预订程序相同)。
[团队的订房程序]1、由公关营销部下达接待计划单给予预订处。
2、预订处接到订房信息后,应填写订房单。
3、预订处应与公关营销部核对次日将到的团体资料,查看是否有变更或取消,也可主动与订房单位核对订房资料。
4、团体订房资料应提前一天交接待处,以便合理分房。
1总台收银服务操作程序1、散客结帐服务(1)前来办理结帐手续,应礼貌向客人问好。
(2)收回房卡。
(3)打电话到客房中心通知查房。
(4)打电话到总机关闭外线。
前台接待服务程序标准
一、工作流程:
早班:
1、与夜班员工交接班,了解哪些工作需早班帮助解决,以及当天的开房预计情况。
2、检查各报表是否齐全和准确。
3、整理台面卫生,将已分好的散客和团队的房号输入电脑。
4、当班过程中,如有重要通知和有待解决的问题,必须写下交班。
5、将已到客人的订单取出,并在订单上写的房号和人数。
6、写下交班内容和当天预订房单,统计钥匙数量准确等。
交接班。
(中班同早班)
夜班
1、接待客人。
2、打印和制作报表。
3、打扫本组范围内的卫生
二、有关工作的操作程序。
1、散客的登记程序。
【1】主动向客人报以亲切的微笑,热情地问好,问清是否有订房。
【2】问明订房的名字,从电脑找出客人的订房资料。
【3】请客人填写登记表。
【4】与客人确认所租的房间种类、房价、付款方式、离店日期,用信用卡要做授权。
【5】检查登记表的内容是否与证件一致。
【6】将钥匙交给客人,指引电梯方向并向客人致祝愿语。
入完电脑后在登记表上签名。
【7】【8】。
酒店总台散客入住登记操作程序总台入住登记操作程序1、客人距离总台1.5米处,总台人员应使用正确站姿,面带微笑点头示意问好。
标准:“早上好/您好/晚上好,请问有什么可以帮您吗?”2、得到客人要求住宿的答复后。
标准:“好的,请问您有预定吗?”3、如宾客有预订。
标准:“请问您是以什么名字预定的?“(得到答复)“请稍等,我需要为您查询一下。
”4、查询到该宾客预订,与客人确认预订内容,要求确认:预订人姓名或入住人姓名、抵离时间、房型、房价、特殊要求。
5、根据预订单,办理入住手续。
(如宾客无预订,应主动依据宾客需求推荐房间)标准:“请问是几位住宿?”(得到答复)如:两位。
标准:“麻烦您出示两张身份证件或驾驶证登记,好吗?”6、客人出示身份证件,服务人员应使用双手接,同时向客人表示感谢。
标准:“谢谢,请您稍等。
”★7、接收身份证时必须做到身份证件核对,并同时要求以客人的姓称呼。
要求核对:照片、年龄、身份证号码、口音。
8、为客人登记并进行身份证件扫描。
标准:“XXX 先生/小姐,对不起让您久等。
”用双手呈上身份证。
标准:“这是您的身份证,谢谢。
”★9、基本信息登记(日期、房号、姓名、性别、籍贯、民族、抵离日期、房价、加床、身份证号码及住址),并保证准确。
要求:尤其关注藏族等少数民族人员,第一时间将相关信息告知部门经理。
10、基本信息登记完毕,应询问客人其他重要信息。
标准:“XXX先生/小姐,您是否有车需要在这里停放过夜?”(得到答复)如:有。
标准:“请您检查是否将车上贵重物品带出,并请告知车牌号,好吗?”如有车停放,必须要将车牌号码登记正确。
标准:“请问XXX先生/小姐,您是否有贵重物品需要寄存,我们可以为您免费办理寄存手续。
”如客人不需要此项服务,在登记单的相关栏上标明“无”。
11、如宾客入住标准间,又只提供了一张身份证件进行登记,必须要做到:标准:“请问XXX先生/小姐,是否有与您同住的人员?”A、如客人表示有同住人员,应再次提醒客人出示同住人员的身份证件。
一、前台操作流程1、提前10分钟到办公室开例会。
了解当天需跟进事宜,认真阅读工作交接班,并签字。
交接班时要做到仔细认真。
2、负责客人入住、问询、预订、退房结帐等工作,礼貌待客,热情服务,为旅店树立良好形象3、正确掌握有关客房、客人信息,了解当天预订的情况4、接受和处理宾客订房,按日期排列好散客和团体订房单,如有变更按规定相应更改5、了解房态,熟练操作电脑系统,确保录入资料准确6、按程序办理散客及团队入住、退房手续7、负责有关房类、房价及查找住客等方面的问询工作,做到有问必答8、做好宾客留言的保存及转交,负责住店客人贵重物品的保管9、熟悉连锁旅店的经营情况,了解本地内公共设施、游览胜地等情况10、最大限度向宾客推销房间,提高开房率11、建立住客帐户并准确为客人结帐,受理现金、转帐支票及信用卡等付费方式,12、汇总后交财务处入帐13、建立客史挡案,熟悉协议单位客户、常客的资料,收集客户反馈意见14、保护自己的电脑密码,注意总台资料的保密工作15、时刻保持工作区域及设施、设备的清洁卫生,并做好保养工作16、与各部门做好协调沟通工作工作流程:早班:(08:30——16:30)1、阅读交班本、按交接班制度操作,清楚无误后签名2、了解并落实上一班移交事项3、整理总台,备好文具及各项表单、资料4、了解当日客人情况、预定情况5、做好团队分房工作,准备预定房卡、资料6、按岗位职责做好宾客入住登记、问询、换房、留言、保密等各项服务7、按操作程序为客人办理退房、结帐手续8、中午12点将预离房间余额统计,电话通知客人是否续住,催收押金。
在扫描系统内修改离店信息,并及时发送9、14:30与楼层核对酒水单,酒水单核对正确后签名,留一联在总台,续住房及时输入电脑。
10、15:00以前,将本班帐目、金额核对,若有差异仔细查找(押金输入、免费房卡、客人挂帐等),当班超出权限范围的特别折扣,请相关上司签字确认11、保持总台区域的卫生12、根据交班报表,填写收银员交款单,将本班现金装入信封连单据一起投入投币箱13、认真填写交接班记录14、与下班交接、签名后将工号退出中班:(16:30——23:30)1、阅读交班本,按交接班制度操作,清楚无误后签名2、了解并落实上一班移交事项3、了解房态按岗位职责,做好各项对客服务4、18:00检查预定情况,对预计时间内未到的客人及时联系确认是否留房5、19:00统计并发放续住客人早餐券6、当班超出权限范围的特别折扣,请相关上司签字确认7、检查是否有维修项目并上报8、21:00与楼层核对酒水单水单核对正确后签名,留一联在总台,续住房及时输入电脑。
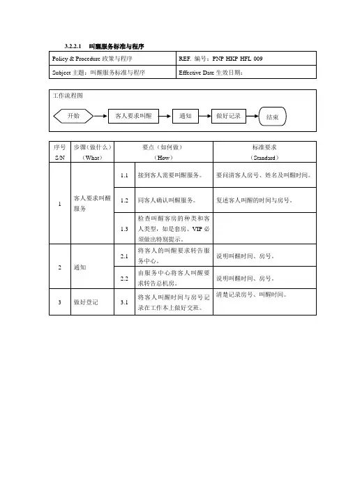
前台叫醒服务程序第一篇:前台叫醒服务程序前台叫醒服务程序一、接到叫醒要求1、接听客人的叫醒电话,要问清并记录下内容:房号、具体时间(日,上午/下午、几点几分)2、重复叫醒时间,并祝客人晚安/睡个好觉。
3、认真填写叫醒记录表。
内容包括房号、具体时间、接受人、接受时间。
二、设定定时钟1、在定时钟上准确定时。
2、定时钟鸣叫。
三、叫醒客人1、前台接待员迅速接通客房分机,叫醒客人。
2、核对叫醒记录,并作记录,以免出错。
四、接待员在受理叫醒服务时应十分慎重,因为叫醒服务的失误,可能会给客人带来不可弥补的损失。
另外,没有人乐意在熟睡中被人无端叫醒。
因此,接待员在受理叫醒服务时应注意下列有关事项。
1、接受叫醒服务预订时,问清房号与时间并重述一遍,保证叫醒信息准确无误。
2、人工叫醒时,如无人应答,5分钟后,再叫醒一次,如仍无人应答,应立即通知客房夜班服务员,查明原因。
3、同一房间有两次以上叫醒时间时,应在某一个时间上注明下一次的叫醒时间,以免遗忘。
4、在叫醒客人时,尽量称呼客人的姓名,并注意使用礼貌用语和规范用语。
第二篇:酒店前台服务程序澳门德兴海鲜火锅(经开店)服务接待程序一、车场接待(车位图)进场:由进场岗安保员敬礼并根据场内车位情况指挥车辆进场。
1、进车位:由场内岗安保员指挥车辆根据先进先出的原则停放到指定车位,为客人开车门问好并提醒客人锁好车门,车内不要存放贵重物品。
2、离场:由场内岗安保员指挥车辆驶出车位,根据离场路线驶离车场。
二、礼宾接待(预定记录、餐位图)迎接:由门门厅岗迎宾员热情洋溢,声音响亮地向来宾问好,(欢迎光临)由排在第一位的迎宾员负责接待领位。
1、预订领位:(先生/女士,晚上/中午好!请问您有预定吗?)有预定的先询问预订人的姓名单位,确定后在咨客电脑上先打开咨客预定管理界面,查询客人预定信息,然后打开点菜界面,登陆后对预定包间进行开台操作后退出,最后带领客人就位,同时,对讲机通知楼层部长(二楼张部长208客人到)如有相关管理人员为客人预订则把客人安排好后立即通知本人。
酒店前厅总台组操作规程一、总则酒店前厅总台是酒店前厅工作的核心部分,是酒店与客人之间的重要连接点。
为了保证前厅总台工作的规范和高效,制定本操作规程。
二、总台接待流程1.客人到达酒店前厅时,总台接待员应立即迎接,并热情地打招呼。
2.接待员应主动询问客人的姓名、预订信息,并核实客人的身份。
3.根据客人的要求和酒店的房态情况,总台接待员提供最合适的房间选择,并说明房间价格和附加设施。
4.客人确认房间后,总台接待员应引导客人填写登记表格,并提醒客人注意酒店的相关规定。
5.接待员应当准确记录客人的个人要求或特殊需求,并及时传达给相关部门。
三、房间分配流程1.根据客人的要求和酒店的房态情况,总台接待员完成房间分配。
2.接待员应根据客人的身份、会员等级等因素,合理安排房间。
3.在房间分配过程中,总台接待员应将房间的位置、楼层以及相关注意事项告知客人,确保客人对房间的满意度。
四、客人结账流程1.客人在离店时,前台接待员应主动提醒客人结账的事宜,并询问客人是否需要打印发票。
2.接待员应根据客人的住宿时间、消费项目等进行结账,核对账单的准确性。
3.付款方式包括现金、信用卡、支付宝等,接待员应根据客人的需求和酒店的支付规定,提供相应的支付方式。
4.结账时,接待员应向客人提供详细的结账清单,并为客人解答结账过程中的任何疑问。
五、总台报表填写1.每位接待员在交接班时,应填写总台交接报表,记录房间入住情况、客人投诉、特殊要求等事项,并将报表交给下一个班次的接待员。
2.接待员应准确填写客人数量、客房收入、非住宿收入等数据,并进行核对。
3.在报表中,接待员还应记录客人满意度调查的结果,以供酒店管理层参考。
六、总结酒店前厅总台是酒店服务的窗口,接待员的工作效率和规范性直接影响着客人的满意度和酒店的形象。
制定并遵守本操作规程,能够提高前厅总台工作的效率和质量,为客人提供更好的服务体验。
总台服务操作规程(一)接待处服务操作规程1、准备工作(1)提前15分钟到岗,整理仪表仪容,完毕后方可正式上岗。
(2)上班后,查看交班记录,了解交接事宜,核准有关物件。
(3)掌握准确的房态信息,查看本日订房情况,核查本班客房出租及待租情况。
2、散客入住登记程序(1)微笑迎宾。
热情问好,主动询问客人是否需要帮助。
当客人提出住宿要求时,要先问客人是否有预订。
⑵对有预订的客人问清预订人的姓名,用查名或查日期的方法从预订单或电脑中找出客人的订房资料。
⑶请客人填写一式二份的入住登记表。
(4)请客人出示合法有效的身份证件,并将客人证件进行扫描。
(5)检查入住登记表中所填的内容是否与证件一致,是否清晰、正确齐全,特别注意客人的地址与姓名是否已填写清楚。
(6)询问客人有无贵重物品寄存,如没有,请客人在登记单上签名。
(7)再与客人确认所租的房间种类、房价、离店日期,询问客人的付款方式,如果客人用信用卡结帐要先压好卡并请客人在信用卡压卡单上签名。
(8)如客人告知是以现金方式结帐则应收取一定额度的押金(由前厅收款办理),接待员在登记表上注明现金额度并让收款员签收。
(9)制作IC卡。
(10)把房号、房价、抵离日期等资料填写到欢迎卡上,向客人介绍相关设施及客用券信息。
(11)询问客人是否需要行李服务,若客人需要,把房间钥匙交行李员,让其引领客人进房,并预祝客人逗留愉快。
若不需要,为客人指引电梯方向。
(12)将入住登记表信息输入电脑.并通知有关部门。
(13)输入电脑后,在入住登记表小面下方签上接待员的姓名。
(14)如果客人没有订房,应热情地向客人介绍饭店现有的可出租的房间种类及价格,如果客人接受,则按有预订客人同样的椁序办理客人入住登记手续。
3、团体接待规程(1)旅游团接待:①团体到达前一天订房处应提供旅行团成员名单和该团体分房名单以及团体订房表(即生活接待委托书),由接待员负责分配好客房。
②把分好的客房钥匙放入已经准备好的团体钥匙袋(或信封)中,每个钥匙袋封面上注明房号和客人姓名,然后提前足够的时间通知客房部该团体的房号及到达时间,请客房部及时把客房准备好,如有客人的信件或留言也必须放入相应客人的团体钥匙袋中。
酒店总台工作流程主要有哪些(精选15篇)酒店总台工作流程主要有哪些 1一、预订散客入住1、向客人确认是否有预订,从“本日预订”中找出该客人的姓名、公司名称,以及订房种类,或者通过电脑迅速查找结果;与客人确认房类、房数、房价及价调基金。
2、请客人出示证件进行登记、扫描,住房登记表的填写内容包括:中、英文姓名、性别、国籍、出生年月日、证件名称、证件号码、签证种类、签证有效期、抵离日期、房间号码、价格等。
3、询问客人需要入住的天数,收取押金,(信用卡或现金、支票),收银押金标准房租+300元杂费押金。
4、制作房卡,填写欢迎卡,并请客人签名并留下联系电话,同时介绍房卡的用途。
5、检查扫描信息是否清晰,写登记表必填项目(姓名、房号、住离日期、房价)请客人在住宿登记单上签名。
(如扫描信息不完整则需要手工补全必填项目,如非身份证的有效证件则需要查询签证日期、签证号码、入境日期、入境口岸等)6、将房卡、押金收据、客人证件交还客人,房间钥匙交给行李生,并小声的向客人重复其房间号。
由行李生带客人进房,并向客人致祝愿语。
7、通知总机与HSKP入住房间号,电脑做登记入祝8、补全登记单中相关内容,正确无误的将资料输入电脑及外管系统。
接待员在客人登记表上签名。
9、将所有单据放入账袋,押金录入电脑。
二、无预订散客入住1、询问客人有无订房。
知其未订房后,主动向客人介绍酒店现有的可出租房间种类及价格,并从价格高的房间开始推销,必要时可以请客参观房间。
2、确认房价后,请客人出示证件登记、扫描,与客人确认入住天数及付款方式,收取押金方式。
(现金、外币、信用卡、支票)3、询问客人停留天数,收取押金,(信用卡、现金、支票)收银押金标准房租+300元杂费押金。
4、制作房卡,填写欢迎卡,并请客人签名并留下联系电话,同时介绍房卡的用途。
5、检查扫描信息是否清晰,写登记表必填项目(姓名、房号、住离日期、房价)请客人在住宿登记单上签名。
(如扫描信息不完整则需要手工补全必填项目,如非身份证的有效证件则需要查询签证日期、签证号码、入境日期、入境口岸等)6、将房卡、押金收据、客人证件交还客人,房间钥匙交给行李生,并小声的向客人重复其房间号。
制度和程序名称:叫醒服务程序制度编号:F0/027 页数: 2 页编制者:前厅部经理日期:2007年8月28日关系人员:总机员工接待员服务中心定义:为需要具体时间进行唤醒服务的人提供叫醒服务。
叫醒服务是总机重要的服务体现。
一、散客房叫醒服务程序:1、总机房接到房间和客人需叫醒服务时,先在千里马系统的电脑中核对好房间号和客人姓名,姓名不符时,要与客人核对电脑中登记的姓名,以免客人报错房间号,而叫错房间,然后确认具体叫早时间,并询问需叫醒几次,分隔叫醒时间为3分钟,最后将上述情况复述一遍2、将叫醒服务的内容立即在叫醒服务登记本上做好记录,分几次叫醒的,要在备注中注明,而后将叫醒服务的房间号和具体叫醒时间在电脑中设置,并将叫醒时间在“8001”分机中设置以便提醒总机当值员工叫醒。
最后将叫醒服务的接受过程在工作日志中做好记录。
3、各班次话务员必须清楚记得,当班次的叫醒时间和房间号,时间临近时,先用电话叫醒,便用规范语言:××先生/小姐早上好/下午好/晚上好!我是酒店总机员工×××,很高兴为你提供叫醒服务,现在是你的叫醒时间,早上/下午/晚上××点。
VIP或特殊房间的叫醒,需加上职务和使用早餐的地点和时间,或已有的行程安排提醒。
4、若客人没有接听,要连续致电,叫醒是总机房的工作范畴,不能有人接听,要请服务中心人员帮助,叫醒后当值人员要做好记录,若是服务中心叫醒的则要备注中的。
二、团队叫醒服务程序:1、旅行团对入住时,通常情况下,都会要求房间集体叫醒服务.当接到前台传递到总机房的团队接待通知单后,按接待单上的时间,对房间逐一在电脑中录入,录入完毕后,仔细检查一遍。
2、交接班时,需特别交接好各团队的叫醒,通宵班人员复查一遍叫醒设置,避免团队叫醒时间混乱和房间遗漏,团队房间太多时,要请接待员、收银员、大堂副理和客房服务中心协助。
3、所有房间叫醒时,要提醒客人的用餐时间和地点.叫醒完毕后要检查电脑叫醒是否成功的记录,对房间无应答的请服务中心派人跟踪叫醒情况,并主动跟进客房对团队叫醒情况的回复。