YCT电机调速器说明书
- 格式:doc
- 大小:37.00 KB
- 文档页数:3
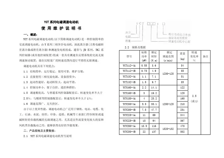
YCT系列电磁调速电动机使用维护说明书一、概述:YCT系列电磁调速电动机(以下简称调速电动机是一种控制简单的交流调速电动机,由Y系列三相异步电动机,涡流离合器(又称电磁转差离合器或滑差离合器和测速发电机组成,通常与JD系列、TKZ系列控制器(或其他控制装置组成一套具有测速负反馈系统的交流无级调速驱动装置,能在比较宽广的转速范围内进行平滑的无级调速。
调速电动机具有下列优点:1.1结构简单,运行稳定,使用可靠,维护方便;1.2直接使用三相交流电源,设备投资少;1.3起动性能好,起动转矩大,起动平滑;1.4控制功率小,便于自控、遥控和群控;1.5调速精度高,与普通系列控制器配套后,转速变化率不大于2.5%,与精密型控制器配套后,转速变化率不大于1%;1.6调速范围广,无失控区。
由于以上优异性能,调速电动机已广泛用于钢铁、电站、电缆、化工、石油、水泥、纺织、印染、造纸、机械等工业部门作恒转矩或递减转矩的负载机械的无级调速之用,尤其适宜作流量变化较大的泵和风机类负载拖动之用,能够获得良好的节能效果。
二、产品规格及主要数据:2.1YCT系列电磁调速电动机型号说明2.2规格及数据型号标称功率(kW额定转矩(N.m额定调速范围(r/min重量(kg转速变化率%备注 YCT112-4A 0.55 3.6 54 YCT112-4B 0.75 4.9 55 YCT132-4A 1.1 7.1 81YCT132-4B 1.5 9.71230-12585YCY160-4A 2.2 14.1122 YCY160-4B 3 19.2125YCY180-4A 4 25.2160YCY200-4A 5.5 35.1218 YCY200-4B 7.5 47.7231 YCY225-4A 11 69 344YCY225-4B 15 941250-125367YCY250-4A 18.5116 478YCY250-4B 22 1371320-1325022.5(或1型号标称功率(kW额定转矩 (N.m 额定调速范围 (r/min重量 (kg 转速变化率%备注YCT280-4A 30 189630YCT315-4A 37 232 830 YCT315-4B 45 282 1320-132 858YCT355-4A 55 344 1440 YCT355-4B 75 469 1340-440 1570 YCT355-4C 90 564 1640YCT355-4D 110 688 1900 YCT355-4E1328211340-600 20102.5 (或1* 标称功率:即拖动电动机的额定功率**转速变化率δ:10%额定转矩时转速-额定转矩时转速δ= 额定最高转速×100%2.3 定额:连续工作制(S1 2.4 防护等级;IP21二、结构简述:调速电动机的拖动电动机是Y 系列(IP44三相交流异步电动机,其前端盖、轴伸直径及前轴承均有特殊要求。
安全注意事项安全标记的说明:危险:错误使用,可能会导致火灾、人身严重伤害,甚至死亡。
注意:错误使用,可能会导致人身中等程度的伤害或轻伤,以及发生设备损坏。
⏹用途危险●本系列调速器用于控制三相电动机的变速运行,不能用于单相电动机或其它用途,否则可能引起调速器故障或火灾。
●本系列调速器不能简单地应用于医疗装置等直接与人身安全有关的场合。
●本系列调速器是在严格的质量管理体系下生产的,如果调速器的故障可能会导致重大事故或损失,则需要设置冗余或旁路等安全措施,以防万一。
⏹到货检验注意●若发现调速器受损或缺少零部件则不可安装,否则可能发生事故。
⏹安装注意●搬运、安装时,请托住产品底部,不能只拿住外壳,以防砸伤脚或摔坏调速器。
●调速器要安装于金属等阻燃物上,远离易燃物体,远离热源。
●安装作业时切勿将钻孔残余物落入调速器内部,否则可能引起调速器故障。
●调速器安装于柜内时,电控柜应配置风扇、通风口,柜内应构建有利于散热的风道。
⏹接线危险●必须由合格的电气工程人员进行接线工作,否则有触电或损坏调速器的危险。
●接线前需确认电源处于断开状态,否则可能有触电或火灾的危险。
●接地端子PE要可靠接地,否则调速器外壳有带电的危险。
●请勿触摸主回路端子,调速器主回路端子接线不要与外壳接触,否则有触电的危险。
●制动电阻器的连接端子是⊕2/B1、B2。
请勿连接除此以外的端子,否则可能引起火灾。
●调速器整机的漏电流大于3.5mA,漏电流的具体数值由使用条件决定,为保证安全,调速器和电机必须接地。
⏹接线注意●三相电源不能接到输出端子U/T1、V/T2、W/T3,否则将造成调速器损坏。
●绝对禁止在调速器的输出端连接电容或相位超前的LC/RC噪声滤波器,否则将导致调速器内部器件损坏。
●请确认电源相数、额定电压是否与产品的铭牌相符,否则可能造成调速器损坏。
●不能对调速器进行耐压测试,否则可能造成调速器损坏。
●调速器的主回路端子配线和控制回路端子配线应分开布线或垂直交叉,否则将造成控制信号受干扰。
YCT电磁调速电动机的特点与安装维护YCT电磁调速电动机(JB/T 7123-1993)是一种控制简单的交流调速电动机,一般由Y 系列三相异步电动机、涡流离合器和测速发电机组成,通常与JD系列控制器组成一套具有速度负反馈的交流无级调速系统,能在较宽的转速范围内进行平滑的无级调速。
主要特点:(1)调速精度高,由于采用了径向磁钢恒磁爪极式三相中频测速发电机,消除了过去应用轴向磁钢造成电机加载后转速出现周期性摆动的不稳定因素;JD系列控制器采用速度负反馈方式达到自动稳定转速的目的,从而减小了调速电机的转速变化率。
(2)调速范围广,效率高,节能效果显着电机在额定转速范围内任意调速时无失控区,调速范围可达1:10。
最高额定转速下传递效率一般可达86%,转矩传递系数可达96%,其主要技术指标均高于YCT电磁调速电动机部颁标准。
电机的防护等级是IP21。
适用场合:由于该电机调速范围广,负载特性硬,调速精度高,因而能广泛适用于纺织、印染、食品、化工、造纸、水泥机械、橡胶、线缆、冶金、包装等行业。
在流水线上,该电机还易于实现“群控”。
使用环境:(1)海拔不超过1000米;(2)无爆炸、无腐蚀性气体;(3)环境温度不高于40℃,不低于-15℃安装维护:(1)电机安装前应用500V兆欧表测量电机绕组、励磁绕组、测速发电机绕组的绝缘电阻,阻值应不低于5兆欧,否则要进行干燥处理;(2)YCT112~200 可用弹性连轴器或皮带轮连接;YCT225~355 用弹性连轴器连接。
特别提醒:连轴器或皮带轮内孔与电机输出转轴的配合尺寸必须适当,不适当的配合尺寸会造成安装困难,严重时易造成轴承损坏!(3)出线标志:F1,F2 励磁线圈;U、V、W 测速发电机。
(4)起动、运行、停机拖动电机可以全压起动,受变压器容量限制时亦可降压起动。
拖动电机起动后,接通控制器电源,逐步调节调速旋钮至需要的输出转速。
停车时先把控制器调速旋钮调到零位,再依次拖动电机的电源、控制器电源(为使负载机械迅速停止也可以先切断拖动电机的电源,然后把控制器旋钮调到零位)。
中特威科技竞赛级车用无刷电子调速器说明书尊敬的用户:感谢您使用中特威科技有限公司设计、制造的竞赛级车用无刷电子调速器。
ZTW 车模用调速器专门针对竞赛级车模用而开发的有感,无感无刷马达专用电子调速器。
我们强烈建议您在使用之前阅读本使用手册中特威公司有权不经通知变更其产品,包括其外观和性能参数及使用要求;对其产品是否适合特定用途不作任何保证、申明或承诺。
不承担因第三方产品相关修改所造成的任何责任,中特威科技有限公司亦不承担因应用或使用任何产品或电路而引起的任何责任,包括但不限于对附带损失或间接损失的赔偿责任。
一、车用无刷电子调速器主要特性:● 快速的油门响应、强劲的加速度、比例式的刹车与优异的油门线性 ● 可用电脑编程菜单设置和软件升级,还有操作简单方便的编程卡 ● 可用电脑编程油门线性设置,根据油门曲线图,您可任意设置油门点状态 ● 可用电脑,编程盒编程前进与倒车输出功率大小 ● 可用电脑,编程盒编程刹车比● 多重保护功能:电池低压保护、温度保护、油门失控保护、马达堵转保护 ● 有感电调兼容NOV AK LRP ORION 等品牌的有感无刷马达 ● 按键设置功能;一键式复位功能二、首次使用车用无刷电子调速器:在使用全新的车用无刷电子调速器前请您仔细检查各个连接是否正确可靠。
检查一切正常后,请按以下顺序启动您的电子调速器。
(出厂没有接线或您需要配其它品牌马达,请按图示连接)连接有感马达时,请注意三根电调马达线颜色蓝色线( A )、 黄色线( B )、 橙色线( C )、一定要对应有感马达外壳标示A 、 B 、 C 连接。
马达传感线要顺应插头位置连接。
图示:集合有感与无感车用电调功能指示灯说明: 有感与无感车用电调功能转换电调连接电源后,会自动检测马达类型,并通过LED 灯指示,不用人为设置。
当您电调使用有感功能时,马达传感线掉落后,电调会自动转换为无感工作模式运行。
SET 键马达橙色线( C ) 马达黄色线( B ) 马达蓝色线( A ) 电池线( + )电池线( – )电调开关连接接收机马达传感线插座LED灯亮与闪烁指示相应功能说明有感/无感集成电调指示灯说明功能状态功能状态LED灯功能状态LED灯指示电池低压红色LED 闪烁电调与马达过热(95℃)红色橙色LED 长亮配用有感马达红色橙色LED 长亮配用无感马达橙色LED 长亮有感电调指示灯说明功能状态功能状态LED灯功能状态LED灯指示电池低压红色LED 闪烁电调与马达过热(95℃)红色橙色LED 长亮配用有感马达红色橙色LED 长亮正向模式. 红色 LED 长亮双向模式橙色LED 长亮无感电调指示灯说明功能状态功能状态LED灯功能状态LED灯指示电池低压红色LED 闪烁电调过热(95℃) 红色橙色LED 长亮配用无感马达橙色LED 长亮正向模式. 红色 LED 长亮正向模式. 红色 LED 长亮1.油门行程设定:首先关闭电调开关,连接电池,再打开您的车用发射机电源,将油门通道方向设置为(REV),油门微调设置为(0),油门通道的EPA/ATV正反向均设置为最大按下SET键不松开,将电调开关打到ON位,等待4秒左右,电调橙色LED亮,这时把SET键松开,同时把您的发射机油门拉杆拉最大,红色LED闪烁3秒左右长亮,马达滴响后;再把油门拉杆推到最小,橙色LED闪烁3秒左右长亮,马达滴滴响后;把发射机油门拉杆置自然位,红色LED、橙色LED、同时闪烁3秒左右长亮,马达滴滴响后,2个LED熄灭;油门行程设定OK, 关闭电调开关2.打开电调开关,您的电调现在可以工作了三. 可编程的车用无刷电子调速器功能说明与出厂默认图示:功能值编程项目1 2 3 4 5 6 7 8 91.低电压关断值2.6V/节 2.8V/节3.0V/节 3.2V/节 3.4V/节不保护2.运行模式单向带刹车双向带刹车3.马达进角2度4度6度8度12度4.启动加速度低中高最高5. 反向工作输出功率比20% 30% 40% 50% 60% 70% 80% 90%100%6.正向工作输出功率比0% 20% 30% 40% 50% 60% 70% 80%90%7.刹车力比10% 20% 30% 40% 50% 60% 70% 80%100%8.拖刹力比4% 8% 12% 15% 20% 25% 30%9.电调工作频率8KHz 16KHz10.油门自然位宽度2% 3% 4% 5% 6%四.可编程的车用无刷电子调速器功能说明:我们的车用无刷电子调速器允许您针对自身需求来编程所有功能,充分体现了产品以用户为本的特点1. 低电压关断值●自动检测电池节数.出厂默认3.0V/节关断根据您使用的电池,通过电脑软件或编程盒设置您的电池类型与低压关断值;这样可使电调工作时随时监测电池电压,一旦电池电压低于设置低压点,电调将停止工作.●当使用镍氢.镍隔电池时,您不需要设置关断电压来保护电池。
WOODWARD调速器 启动调节器
放大器 4. 随动活塞套筒
5. 回油口
6. 枢轴
7. 比例杠杆
8. 连接件组合
9. 调速器壳体
10. 连接法兰
11. 蜗轮
12. 蜗杆
调速器本体由比例杠杆(7)、连接件组合(8)、调速器壳体(9)及蜗轮、蜗杆(11,12)等组成,调速器壳体是ZL104铝合金铸件,通过连接法兰(10)装配在齿轮箱或前轴承座端面。
WOODWARD调速器(1),启动调节器(2)和放大器(3)与调速器本体组装成整体。
进、出调速器的速关油、启动油、二次油通过外管路与相关设备连接,调速器的回油从回油口(5)经带有波纹膨胀节的回油管排出。
蜗杆轴通过联轴器与齿轮箱输出轴或汽轮机转子相联,蜗杆传动蜗轮并将汽轮机转速信号输入WOODWARD调速器。
WOODWARD调速器油缸的输出轴通过连接件组合(8)与比例杠杆(7)相连,比例杠杆的另一端挑着随动活塞套筒(4),在正常运行转速范围内,枢轴(6)的位置是固定不动的,比例杠杆以枢轴为支点转动,随油缸输出行程的变化而操纵随动活塞套筒的位置。
当机组转速低于给定值时,油缸输出轴上行,相应套筒下移关小放大器泄油窗口,使二次油压升高,随着调节汽阀开度增大,机组转速回升,在机组转速等于给定值时,调速器恢复到。
YCT系列电磁调速电机使用说明书一、使用条件1、海拔不超过1000米。
2、无爆炸,且无足以腐蚀金属和破坏绝缘气体的环境。
3、冷却介质温度不超过40℃。
二、使用与维护1、安装使用前应检查下列各项:①电机转动应灵活、轻快、无有害杂音。
②用500伏兆欧表检测拖动电机绕组,激磁绕组和测速发电机绕组,绝缘电阻不低于0.38兆欧,否则进行干燥。
2、安装:YCT112~YCT200安装可用弹性联轴器或皮带联接。
YCT225~YCT315安装用弹性联轴器联接。
3、出线端标记:激磁线圈:F1、F2 测速发电机:U、V、W4、停车:短时间的停车,可将电位器调到零转速位置上,切断控制器的电源开关即可,毋需切断异步电动机的电源,以减少异步电动机的再起动。
长期的停车,要先将电位器调到最低转速位置,再依次切断控制器和电动机的电源开关。
遇到紧急停车时,可直接按下异步电动机的“停止”按钮。
同时切断控制器和电源,该要求应由系统线路连锁保护,并将电位器调到最低转速位置,以便下一次启动。
5、反方向运转:调速电机的旋转方向完全取决于拖动异步电动机。
如欲反方向运转只需调换任意两个电源进线,而控制器和测速发电机的引线毋需变更。
YCT系列电磁调速电动机(简称YCT调速电机)是一种结构简单,使用维护方便,运行可靠,能在一定范围内平滑调节转速的交流恒转矩调速电机。
该电机由电磁转差离合器,拖动电动机,测速发电机和控制装置所组成。
通过对控制装置调节可实现电机的无级调速。
该系列电动具有以下特点:1、无失控区,能平滑调速范围广,调速比可达10:1。
2、具有速度负反馈的自动调节系统,速度变化率不大于3%。
3、起动性能好,好动转矩大,起动平滑,且频繁起动时对电网无冲击。
4、结构简单,运行可靠,使用维护方便,在调速电机中价格低廉。
5、控制功率小,便于自控、群控和遥控。
智能调速器使用说明
一、安装前的准备:
1.确定好电机的功率和额定转速,并选择适合的智能调速器型号。
2.检查电动机和调速器的安装位置,确保没有遮挡和其他干扰。
3.准备好所需的工具和材料,如螺丝刀、扳手、接线盒等。
二、安装智能调速器:
1.将智能调速器固定在电机上,确保牢固可靠。
2.根据电机的额定功率和转速,连接调速器的输入和输出电缆。
3.将调速器的控制线接好,通常有速度调节信号线、启停信号线和报
警信号线。
4.定位和连接电动机的传感器,如温度传感器、震动传感器等。
三、调试设置:
1.接通电源,按照调速器的说明书进行开机操作。
2.按照实际需要,选择合适的调速方式,如恒转速、恒转矩、恒功率等。
3.根据实际情况,调节转速范围和转速曲线,以适应不同的工作负载。
4.设置报警参数,如过温报警、过载报警等,保护电机的安全运行。
四、运行维护:
1.定期检查智能调速器及相关设备的运行情况,如有异常及时处理。
2.调整调速器的参数,以适应不同工况下的需求,提高运行效率。
3.清洁智能调速器外壳,防止积尘影响散热效果。
4.定期检查电动机及传感器的工作状态,如有故障及时修复或更换。
Q Y1/T起重机调压调速控制器 用 户 手 册上海共久电气有限公司制造温州市久久电子电器有限公司监制2005年1月目录本机使用系统设计系统安装、接线和调试故障及处理维护包装、储存和运输使用期限、范围和办法、订货须知2005年1月修订警告:本控制器包括有危险的带电部件及旋转机械部件。
不遵守用!户手册中规定的安全说明,可能产生严重的人身伤亡事故和严重的设备损坏。
只有经过认证合格的专业人员才允许操作本设备,并且在使用设备前要熟悉本手册中所有的安全说明和有关安装、操作和维护的规定。
在专利和商业拥有权已注册的情况下,本公司保留对此文件的最终解释权。
任何不合理的使用,特别是未经授权的第三方对该产品和文件的再生产和发布,是不允许的。
手册仅仅用来描述产品,为了满足顾客的需要,本公司在不 断地改进产品,以达到最新的技术。
本公司保留不预先通知而修改本手册的权利。
目录1本机使用…………………………………………………………………………………1/1 1.1概况………………………………………………………………………………………1/1 1.2结构特征…………………………………………………………………………………1/3 1.3技术数据…………………………………………………………………………………1/3 1.4工作原理…………………………………………………………………………………1/3 1.5控制板功能介绍…………………………………………………………………………1/8 1.6 工作状态指示……………………………………………………………………………1/10 2系统设计…………………………………………………………………………………2/1 2.1 控制器接线图……………………………………………………………………………2/1 2.2典型应用参考图…………………………………………………………………………2/2 2.3Q Y1/T控制器系列型谱…………………………………………………………………2/5 2.4Q Y1/T控制器的选型……………………………………………………………………2/5 2.5外围元器件的选用………………………………………………………………………2/6 3系统安装、接线和调试………………………………………………………………3/1 3.1安装………………………………………………………………………………………3/1 3.2接线………………………………………………………………………………………3/5 3.3 调试………………………………………………………………………………………3/104故障及处理……………………………………………………………………………4/1 5维护 ……………………………………………………………………………………5/1 5.1预防性维护………………………………………………………………………………5/1 5.2制动器的维护……………………………………………………………………………5/1 5.3限位开关的维护…………………………………………………………………………5/1 5.4电阻器的维护……………………………………………………………………………5/1 5.5备品备件…………………………………………………………………………………5/1 5.6随机附件…………………………………………………………………………………5/3 6包装、储存和运输……………………………………………………………………6/1 7保用期限、范围和办法、订货须知………………………………………………7/11 本机使用1.1 概况Q Y 1-□□/T 起重机调压调速控制器(以下简称Q Y 1/T 控制器)是根据起重机运行特点设计的,按企业标准Q/WJD 003-2001生产,是我公司模拟控制的第三代产品。
操作终端说明书(触摸屏)武汉四创自动控制技术有限责任公司目录一、系统概述 (2)二、画面简介 (2)1.状态指示画面 (3)2.操作画面 (4)3.主菜单画 (5)4.密码框 (6)5.数值键盘画面 (7)6.参数设置 (8)7.导叶参数设置 (9)8.浆叶参数设置(*双调机组) (11)9.功率参数设置 (13)10.大网参数、小网参数、空载参数、负载频率参数 (14)11.水头参数设置 (15)12.PID优化参数设置 (16)13.过程监视 (17)14.动态过程记录 (18)15.空载频率扰动 (18)16.空载频率摆动 (20)17.甩负荷试验 (20)18.故障查询 (21)19.协联数据(*双调机组) (22)一、系统概述图示操作终端可对调速器的各种状态进行监视,如开机、停机、并网、调相、机械手动/自动、水头手动/自动、跟踪网频/跟踪频给等。
用触摸键代替按钮,当需要增加某些按键时,只须修改程序,避免了采用按钮须修改硬件的敝端。
可对调速器进行静态、动态试验;对不同操作人员设置不同的权限,只有知道密码方可操作;对采样数据和报警记录进行存储,并可打印。
图示操作终端采用24V供电,背景灯使用寿命长,亮度可根据现场进行调整。
当调速器处于运行状态而没有任何操作时,背景灯到一定时间就熄灭。
这时,画面呈黑色,当需要看画面内容时,只须用手点屏幕即可。
也可以不用此功能,而使画面总是处于显示状态。
二、画面简介图示操作终端由各种画面组成,每个画面具有不同的功能。
当进行画面操作时,请勿用尖、硬物体点画面,以免损坏机器。
下面对各种画面进行介绍。
1.状态指示画面状态指示画面双调机组状态指示画面(*双调机组)状态指示画面如图所示。
该画面显示调速器的各种状态:开机、停机、并网、调相、开度调节/功率调节、机械自动/机械手动、浆叶手动/自动(双调机组)、水头手动/水头自动、跟踪频给/跟踪网频、调速器故障/调速器正常、停机备用、故障锁定。
JD1、JD2系列控制器是机械工业部全国联合设计的最新产品,已通过部级鉴定,用作JZT,YCT系列电磁调速电机的控制设备,操作控制器面板上的旋钮,可实现电机宽范围无级调速,当负载为风机和泵类时,节电效果显著,可达20~30%,是我国目前推广的节能产品之一。
一、品种和主要技术数据手操普通型(JD1A为指针式,JD2A为数显式):二、使用环境最高环境温度不超过40℃,海拨不超过1000米,相对湿度不超过90%,适用于少灰尘、无腐蚀性、爆炸性气体的场合。
三、工作原理JD1、JD2系列电磁调速电动机控制器是由速度调节器、移相触发器、可控硅整流电路及负反馈等环节所组成。
JD1A与JD2A原理相同,速度指令信号电压和速度负反馈信号电压比较后,其差值信号被送入速度调节器进行放大。
放大后的信号电压与锯齿波叠加,控制了晶体管GB1的导通时刻,随着差值信号电压改变移动脉冲,从而控制了可控硅的开放角,使滑差离合器的激磁电流随着变化,即滑差离合器的转速随着激磁电流的改变而改变。
四、结构与按装接线JD1A、JD2A系列电磁调速电动机控制器的结构为塑壳密封结构,具有IP5X的防尘等级,可用于面板嵌入式或墙挂式安装,底部进线。
其外型尺寸、安装方式和和联并接线如图五、调整与试运行1、JD1A、JD2A按(图1)接线,输出端(3)、(4)接入离合器线圈或接入100W 的照明灯泡做摸拟负载,并在输出端接入100V以上的直流电压表。
2、接通电源,指示灯亮,当转动速度指令电位器W1时,输出端应有0~90V的突跳电压(因测速负反馈未加入时的开环放大倍数很大,则认为开环时工作基本正常)。
3、起动交流异步电动机,使系统闭环工作。
a、转速表的校正(适用于JD1A,JD2A跳过此项操作):由于每台测速发电机的电压都不同,故转速表上的指示值必须要根据实际转速进行校正。
当离合器运转在某一转速时,用轴测式转速表或数字转速表测量其实际转速,当出现转速表的指示值与测得的实际转速不一致时,调节“转速表校准”电位器,使之一致。
鑫邦机电调速器说明书1. 产品介绍鑫邦机电调速器是一种用于控制电机转速的设备。
它采用先进的调速技术,通过调整电机输入电压和频率,实现电机转速的精确控制。
本说明书将详细介绍鑫邦机电调速器的特点、安装方法、操作步骤等内容,帮助用户正确使用该设备,以获得最佳的调速效果。
2. 产品特点2.1 高精度调速:鑫邦机电调速器采用先进的数字控制技术,能够实现对电机转速的高精度调节,精确到0.1%。
2.2 广泛适用:该调速器适用于各类交流电机,包括三相异步电机和单相异步电机。
无论是工业生产还是家庭用途,都可以使用该调速器进行电机转速控制。
2.3 超载能力强:鑫邦机电调速器具有出色的超载能力,可以在一定范围内承受瞬时高负载,保证设备的稳定运行。
2.4 过载保护功能:调速器内置过载保护装置,当电机运行超过额定负载或异常工况时,会自动切断电源,以保护电机和设备的安全。
3. 安装与连接3.1 安装前准备:在安装调速器之前,确保电源已经切断并断开电机连接。
选择合适的安装位置,通风良好,避免阳光直射、潮湿和腐蚀性气体。
3.2 电机连接:将调速器的输出端与电机连接,确保接线牢固可靠,并且符合电路图的要求。
应该注意的是,为了避免电机电源干扰,调速器的电源与电机的电源线应该分开引入。
3.3 控制信号连接:鑫邦机电调速器支持多种控制信号,包括外部电位器、0-10V电压信号和4-20mA电流信号。
根据实际需求,选择合适的控制信号连接方式。
4. 调速操作4.1 打开电源:在完成连接后,先打开调速器的电源开关,然后打开电机的电源开关。
4.2 调速方式选择:鑫邦机电调速器支持多种调速方式,包括手动、自动和远程。
按照实际需要,选择合适的调速方式。
4.3 转速设定:通过调节调速器上的控制旋钮或使用外部控制信号来设置电机的转速。
调节旋钮时,顺时针方向增加转速,逆时针方向降低转速。
使用外部控制信号时,根据信号的变化来实现转速的调节。
5. 故障排除5.1 电源故障:若调速器无法正常启动或显示屏无内容显示,首先检查电源线路是否接触良好,电源开关是否打开,以及电源电压是否符合要求。
YCT电机参数1. 引言YCT电机是一种常见的交流感应电动机,广泛应用于各种工业和家用设备中。
了解YCT电机的参数对于正确选择、安装和维护电机至关重要。
本文将详细介绍YCT电机的各项参数,包括额定功率、额定转速、额定电压、额定电流、效率等。
2. 额定功率额定功率是指电机在标准工况下能够持续运行的功率。
通常以千瓦(kW)为单位表示。
YCT电机的额定功率是根据电机的设计和制造标准确定的,是选择电机时的重要参考指标。
额定功率越高,电机的输出能力越强。
3. 额定转速额定转速是指电机在额定电压和额定负载下的旋转速度。
通常以转/分(rpm)为单位表示。
YCT电机的额定转速是由电机的设计和制造决定的,与电机的极数、电源频率等因素有关。
额定转速对于电机运行的稳定性和效率具有重要影响。
4. 额定电压额定电压是指电机在正常工作条件下所需的电源电压。
通常以伏特(V)为单位表示。
YCT电机的额定电压一般为380V,但也可以根据实际需求进行定制。
额定电压的选择应与供电系统的电压匹配,以确保电机能够正常工作。
5. 额定电流额定电流是指电机在额定电压和额定负载下所需的电流。
通常以安培(A)为单位表示。
YCT电机的额定电流是根据电机的设计和制造标准确定的,是选择适当的电源和保护装置的重要依据。
额定电流越高,电机的负载能力越强。
6. 效率效率是指电机将输入的电能转化为有用输出功率的比例。
通常以百分比(%)表示。
YCT电机的效率取决于电机的设计和制造质量,以及工作条件的合理选择。
高效率的电机可以更好地节约能源和减少能源浪费。
7. 功率因数功率因数是指电机输入功率与视在功率之比,是衡量电机电能利用率的重要指标。
功率因数的范围为0到1之间,越接近1表示电机的功率因数越高,电能利用率越高。
YCT电机通常具有较高的功率因数,可提高电机的效率和性能。
8. 起动扭矩起动扭矩是指电机在启动过程中所产生的扭矩。
YCT电机具有较大的起动扭矩,可以快速启动并带动负载。
yct电机参数(实用版)目录1.概述2.电机工作电压3.电机工作电流4.电机额定功率5.电机效率6.电机启动方式7.电机保护等级8.电机噪音9.电机振动10.结论正文1.概述YCT 电机是一种常用的交流电机,广泛应用于各种工业设备中。
本文将对 YCT 电机的主要参数进行详细介绍,以便帮助读者更好地了解和选择合适的电机。
2.电机工作电压YCT 电机的工作电压通常为 380V、50Hz,也可根据客户需求定制其他电压等级。
在选择电机时,需要确保电机的电压与电源电压相匹配,以保证电机正常工作。
3.电机工作电流YCT 电机的工作电流根据电机的功率和电压等级不同而有所差异。
一般来说,电机的电流越大,其承载能力越强。
在选型时,应根据实际负载需求选择适当电流的电机。
4.电机额定功率YCT 电机的额定功率是指电机在额定电压和频率下能够持续工作的最大功率。
电机的额定功率应根据负载设备的实际需求进行选择,以避免电机过载或浪费。
5.电机效率电机效率是指电机将电能转化为机械能的效果。
YCT 电机的效率较高,一般在 80% 以上。
高效率的电机能够为企业节省能源,降低运行成本。
6.电机启动方式YCT 电机的启动方式分为直接启动和减压启动两种。
直接启动适用于轻载启动的场合,而减压启动则适用于重载启动,以减小启动电流对电网的影响。
7.电机保护等级YCT 电机的保护等级为 IP44,具有一定的防尘和防水功能。
在较为恶劣的环境中,可采用更高保护等级的电机以确保电机的安全运行。
8.电机噪音YCT 电机在运行过程中噪音较低,具有良好的静音性能。
在需要降低噪音的场合,可以选择低噪音型号的电机。
9.电机振动YCT 电机在运行过程中振动较小,对周围设备的影响较小。
在需要降低振动的场合,可以选择特殊设计的低振动电机。
10.结论综上所述,YCT 电机在参数方面表现优异,适用于各种工业设备的驱动。
JD1、JD2系列控制器是机械工业部全国联合设计的最新产品,已通过部级鉴定,用作JZT,YCT系列电磁调速电机的控制设备,操作控制器面板上的旋钮,可实现电机宽范围无级调速,当负载为风机和泵类时,节电效果显著,可达20~30%,是我国目前推广的节能产品之一。
一、品种和主要技术数据
手操普通型(JD1A为指针式,JD2A为数显式):
二、使用环境
最高环境温度不超过40℃,海拨不超过1000米,相对湿度不超过90%,适用于少灰尘、无腐蚀性、爆炸性气体的场合。
三、工作原理
JD1、JD2系列电磁调速电动机控制器是由速度调节器、移相触发器、可控硅整流电路及负反馈等环节所组成。
JD1A与JD2A原理相同,速度指令信号电压和速度负反馈信号电压比较后,其差值信号被送入速度调节器进行放大。
放大后的信号电压与锯齿波叠加,控制了晶体管GB1的导通时刻,随着差值信号电压改变移动脉冲,从而控制了可控硅的开放角,使滑差离合器的激磁电流随着变化,即滑差离合器的转速随着激磁电流的改变而改变。
四、结构与按装接线
JD1A、JD2A系列电磁调速电动机控制器的结构为塑壳密封结构,具有IP5X的防尘等级,可用于面板嵌入式或墙挂式安装,底部进线。
其外型尺寸、安装方式和和联并接线如图
五、调整与试运行
1、JD1A、JD2A按(图1)接线,输出端(3)、(4)接入离合器线圈或接入100W 的照明灯泡做摸拟负载,并在输出端接入100V以上的直流电压表。
2、接通电源,指示灯亮,当转动速度指令电位器W1时,输出端应有0~90V的突跳电压(因测速负反馈未加入时的开环放大倍数很大,则认为开环时工作基本正常)。
3、起动交流异步电动机,使系统闭环工作。
a、转速表的校正(适用于JD1A,JD2A跳过此项操作):由于每台测速发电机的电压都不同,故转速表上的指示值必须要根据实际转速进行校正。
当离合器运转在某一转速时,用轴测式转速表或数字转速表测量其实际转速,当出现转速表的指示值与测得的实际转速不一致时,调节“转速表校准”电位器,使之一致。
b、最高转速整定;此整定方法就是对速度反馈量的调节,将速度指令电位器顺时针方向调节至最大,并调节“反馈量调节”电位器,使之转速达到滑差电机的最高额定转速(小容量为1250转/分,大容量为1320转/分)。
4、运行中,当加入负载后发现转速有周期性的摆动,可将输出端(3)、(4)交换连接。
电气参数:
∙调速范围125-1320转/分
∙控制电机功率0.55-40KW
∙转速变化率≤3%
∙稳速精度≤1%
∙电源电压AC220V
∙励磁电压DC90V
∙励磁电流5A
∙外形尺寸210×150mm
∙安装开孔尺寸192×132mm ∙航空插接线:。