公共建筑施工图设计(建筑节能)
- 格式:doc
- 大小:121.00 KB
- 文档页数:8
参考样式一江苏省公共建筑施工图绿色设计专篇(建筑)一、项目名称:二、项目概况:注:停车库建筑面积为地上、地下自行车库和汽车库建筑面积总和。
三、设计依据1.《江苏省绿色建筑设计标准》DGJ32/T173-20142.《绿色建筑评价标准》GB/T 50378-20143.《民用建筑绿色设计规范》JGJ/T229-20104.《民用建筑热工设计规范》GB50176-935.江苏省《公共建筑节能设计标准》DGJ32/J96-20106.《江苏省绿色建筑施工图设计文件编制深度规定》(2014年版)7.当地城市规划主管部门的批文:8.国家、省、市现行的法律、法规、其它相关标准和规定四、场地规划与室外环境:1.主要技术经济指标:1)总用地面积m2,总建筑面积m2(其中:地下建筑面积m2,地上建筑面积m2)。
建筑密度%,容积率,绿地率%。
2)地下建筑面积与建设用地面积之比,地下一层建筑面积与建设用地面积比率%。
3)机动车停车数(地上停车数、地下停车数),停车方式。
非机动车停车数,停车方式。
2.本项目场地内无超标排放的污染源。
3.场地内无障碍停车位辆,占总停车位比例%,无障碍停车位位于。
4.场地内道路系统便捷顺畅,满足消防、救护及减灾救灾等要求。
5.景观环境设计应符合下列要求:1)停车场、人行通道和广场应种植高大乔木提供遮阳,机动车停车场遮阴率不应小于20%;室外非机动车停车场应设置遮阳避雨措施。
2)场地内应结合绿化景观设计完善步行道系统,提供配套的休憩设施,并综合考虑遮荫、排水要求。
3)人行通道应安全、舒适,满足无障碍设计要求,且与场地外人行通道无障碍连通。
4)室外硬质铺装地面中透水铺装率不应小于50%,透水铺装垫层应采用透水构造做法;室外机动车停车场采用植草砖做透水地面时,镂空面积比不应低于40%。
5)景观绿地设计应以乡土植物开发利用为主,兼顾引种,丰富城市绿地系统树种多样性,本地植物种数不宜低于70%。
6)根据植物的生态习性进行多种植物的合理配植;种植应当适应当地气候和土壤条件的植物,采用乔、灌、草结合的复层绿化;绿化用地内绿化覆盖率应大于70%。
附件2:
上海市公共建筑建设项目施工图设计文件
建筑节能审查要点
一、基本要求
受建委委托的审图机构在审查建设项目施工图设计文件时,应当将建筑节能内容列入审查范围。
未经审查或者审查不合格的施工图设计文件不得使用,市、区(县)建设行政管理部门不得颁发施工许可证。
二、审查要点
(一)审查依据
1、《公共建筑节能设计标准》(GB50189-2005);
2、《建筑照明设计标准》(GB50034-2004);
3、《民用建筑热工设计规范》(GB50176-93);
4、《建筑外窗气密性能分级及其检测方法》(GB7107-2002);
5、《建筑幕墙物理性能分级》(GB/T15225);
6、《民用建筑节能管理规定》(建设部第76号部长令);
7、《实施工程建设强制性标准监督规定》(建设部第81号部长令);
8、《上海市建筑节能管理办法》(市政府第50号市长令);
9、关于印发《进一步加强上海民用建筑工程项目建筑节能管理若干意见》的通知(市建设交通委沪建建[2005]212号);
10、国家、本市现行的相关建筑节能标准和规程。
(二)审查内容
1、核查初步设计方案中涉及建筑节能的审查意见;
2、建筑节能设计所选用的围护结构热工性能、用能设备和再生能源利用等符合标准和规程规定的情况;
3、建筑节能设计所选择的围护结构材料及其计算书的符合情况;
4、建筑节能计算书的计算结果情况。
.一、建筑主要设计依据1、浙江省《民用建筑项目节能评估技术导则》;2、《杭州市民用建筑节能条例》3、《绿色建筑评价标准》GB/T50378-();4、浙江省《民用建筑绿色设计标准》DB/1092-();5、《民用建筑热工设计规范》GB50176-();6、《公共建筑节能设计标准》GB50189-()7、浙江省《公共建筑节能设计标准》DB33/1036-();8、《建筑设计防火规范》GB50016-(2014 );9、《建筑外门窗气密、水密、抗风压性能分级及检测方法》GB/T 7106-();10、《建筑幕墙》GB/T 21086-();11、《浙江省建设领域推广应用技术公告》和《浙江省建设领域禁止和限制使用技术公告》(浙建发【2014】284号);12、项目编号为()的节能审查意见书及其附件:节能评估报告书(表)和专家评审意见;13、现行国家、行业、地方相关建筑节能的法律、法规、标准和规范性文件二、建筑绿色节能设计主要内容:1 工程基本情况项目名称建设单位建设地点用地内单体建筑数量幢本次设计单体数量幢项目用地面积建筑容积率建筑密度建筑类型□新建;□改扩建公建节能分类□甲类建筑;□乙类建筑总建筑面积m2地下建筑面积m2地上建筑面积m2建筑高度m建筑层数地上层地下层设计使用年限年结构安全等级抗震设防类别抗震设防烈度度结构形式项目基准建筑规模倍空调形式主楼:;裙房:项目投资(万元)可达绿色建筑设计标识等级(参照GB/T 50378-2014)□无;□一星级;□ 二星级;□三星级可再生能源应用形式□太阳能;□风能;□水能;□空气能;□生物质能;□地热能;□海洋能其他需要说明的内容2 关键指标设计汇总指标单位填报数据(小数点后保留两位) 备注用地面积万m2建筑总面积万m2地下建筑面积m2地下面积比R P1(地下总建筑面积与总用地面积之比)%地下面积比R P2(地下一层建筑面积与总用地面积之比)%绿地率%透水地面面积比%建筑总能耗tce/a单位面积能耗kWh/㎡a ;tce/㎡a节能率%可再生能源及(余热或废热)回收总量可再生能源核算标准要求总量kWh/a设计项目设置总量kWh/a其中可再生能源kWh/a余热或废热kWh/a可再生能源产生的热水量M3/a可再生能源发电量万kWh/a建筑总用电量万kWh/a可再生能源产生发电比例%建筑总用水量M3/a非传统水量M3/a非传统水源利用率%主要能耗品种及耗能量年能耗设计总量(tce)其中电力万kWh/a其他耗能种类::□燃气;□燃油;□燃煤;□其他热力;万kWh/a单位面积能耗设计指标(tce/(m2.a))建筑分项能耗耗能系统设计年耗能量(tce)分项能耗占总能耗百分比暖通空调系统照明、插座生活热水系统新水厨房炊事系统(燃气)电梯运输系统杭州市民用建筑绿色(节能)施工图设计专篇(公共建筑)1建筑节能。
一、建筑主要设计依据1、浙江省《民用建筑项目节能评估技术导则》;2、《杭州市民用建筑节能条例》3、《绿色建筑评价标准》GB/T50378-();4、浙江省《民用建筑绿色设计标准》DB/1092-();5、《民用建筑热工设计规范》GB50176-();6、《公共建筑节能设计标准》GB50189-()7、浙江省《公共建筑节能设计标准》DB33/1036-();8、《建筑设计防火规范》GB50016-();9、《建筑外门窗气密、水密、抗风压性能分级及检测方法》GB/T 7106-();10、《建筑幕墙》GB/T 21086-();11、《浙江省建设领域推广应用技术公告》和《浙江省建设领域禁止和限制使用技术公告》(浙建发【2019】284号);12、项目编号为()的节能审查意见书及其附件:节能评估报告书(表)和专家评审意见;13、现行国家、行业、地方相关建筑节能的法律、法规、标准和规范性文件二、建筑绿色节能设计主要内容:1 工程基本情况项目名称建设单位建设地点用地内单体建筑数量幢本次设计单体数量幢项目用地面积建筑容积率建筑密度建筑类型□新建;□改扩建公建节能分类□甲类建筑;□乙类建筑总建筑面积m2地下建筑面积m2地上建筑面积m2建筑高度m建筑层数地上层地下层设计使用年限年结构安全等级抗震设防类别抗震设防烈度度结构形式项目基准建筑规模倍空调形式主楼:;裙房:项目投资(万元)可达绿色建筑设计标识等级(参照GB/T 50378-2019)□无;□一星级;□ 二星级;□三星级可再生能源应用形式□太阳能;□风能;□水能;□空气能;□生物质能;□地热能;□海洋能其他需要说明的内容2 关键指标设计汇总指标单位填报数据(小数点后保留两位) 备注用地面积万m2建筑总面积万m2地下建筑面积m2地下面积比R P1(地下总建筑面积与总用地面积之比)%地下面积比R P2(地下一层建筑面积与总用地面积之比)%绿地率%透水地面面积比%建筑总能耗tce/a单位面积能耗kWh/㎡a ;tce/㎡a节能率%可再生能源及(余热或废热)回收总量可再生能源核算标准要求总量kWh/a设计项目设置总量kWh/a其中可再生能源kWh/a余热或废热kWh/a可再生能源产生的热水量M3/a可再生能源发电量万kWh/a建筑总用电量万kWh/a可再生能源产生发电比例%建筑总用水量M3/a非传统水量M3/a非传统水源利用率%主要能耗品种及耗能量年能耗设计总量(tce)其中电力万kWh/a其他耗能种类::□燃气;□燃油;□燃煤;□其他热力;万kWh/a单位面积能耗设计指标(tce/(m2.a))建筑分项能耗耗能系统设计年耗能量(tce)分项能耗占总能耗百分比暖通空调系统照明、插座生活热水系统新水厨房炊事系统(燃气)电梯运输系统杭州市民用建筑绿色(节能)施工图设计专篇(公共建筑)1建筑节能。
GB 50189-2015 《公共建筑节能设计标准》设计中的重大变动-建筑篇• 1.0.5施工图设计文件中应说明该工程项目采取的节能措施,并宜说明其使用要求。
备注:从方案设计开始就考虑节能措施,施工图出图和节能报告同步,保证了节能设计和施工图设计的一致,避免施工图修改。
• 2.0.4 太阳得热系数:通过透光维护结构(门窗或透光幕墙)的太阳辐射室内得热量与投射到透光围护结构外表面上的太阳辐射量的比值。
备注:代替原标准的遮阳系数,因为人们关心的是太阳辐射进入室内的部分,而不是被构件遮挡的部分,所以太阳得热系数更合理。
• 3.1.1 公共建筑分类应符合下列规定:•单栋建筑面积大于300m²的建筑,或单栋建筑面积小于等于300m²但总建筑面积大于1000m²的建筑群,应为甲类公共建筑。
•单栋建筑面积小于或等于300m²的建筑,应为乙类公共建筑。
3.2.1严寒和寒冷地区公共建筑体形系数应符合表3.2.1的规定。
(强条)表3.2.1 严寒和寒冷地区公共建筑体形系数备注:3.1.1求,特别是对于以往算节能比较头疼的门卫、传达室等小建筑的体形系数不做要求,算是给设计师的一大福利。
三、3.1.2 代表城市的建筑热工设计分区比原来更细致。
四、3.2.2 严寒地区甲类公共建筑各单一立面窗墙面积比(包括透光幕墙)均不宜大于0.6;其他地区甲类公共建筑各单一立面窗墙面积比(包括透光幕墙)均不宜大于0.7。
3.2.4 甲类公共建筑单一立面窗墙面积比小于0.4时,透光材料的可见光透射比不应小于0.6;甲类公共建筑单一立面窗墙面积比大于等于0.4时,透光材料的可见光透射比不应小于0.4。
备注:比原规范4.2.4条要求有所提高。
五、3.2.8 单一立面外窗(包括透光幕墙)的有效通风换气面积应符合下列规定:1 甲类公共建筑外窗(包括透光幕墙)应设可开启扇,其有效通风换气面积不宜小于所在房间外墙面积的10%;当透光幕墙受条件限制无法设置可开启窗扇时,应设置通风换气装置。
湖北省建筑工程施工图设计说明前言自2005年我省全面执行居住建筑和公共建筑节能设计标准以来,各地节能设计摸索出许多值得借鉴和推广的经验与做法,但也存在一些问题。
如各专业节能设计深度不足,节能措施不力,节能设计说明条理不够清晰、内容不够完整等。
为进一步贯彻落实建筑节能设计标准,指导工程设计人员正确进行建筑节能设计,规范各专业建筑节能设计说明文本,根据湖北省住建厅的要求,湖北省工程建设专家委员会组织编制组经过广泛调查研究、认真总结经验、借鉴相关成果和征求意见,编制完成本设计说明。
设计说明的编制依据是国家和地方相关规范标准,是节能设计标准的细化与延伸,是节能设计内容的汇总和完善,可作为工程设计人员的设计参考。
设计说明涵盖建筑、暖通、电气和给排水专业,共分二个部分。
第一部分是居住建筑,第二部分是公共建筑,均包括以上四个专业内容,可作为工程建筑节能设计专篇或专业设计说明独立使用。
设计说明内容采取填空或选择项方式(当采用时在□内打“√”)表达,括弧内容为优选项或备选项。
设计说明仅作为示范性文本,设计人员可根据工程实际情况,选择适用的条文作相应的增减。
各单位在使用本设计说明过程中,有何意见和建议请随时函告湖北省工程建设专家委员会(地址:武汉市武昌中南路12号,邮编:430071)。
四、编写组织编写单位: 湖北省住房和城乡建设厅委托湖北省工程建设专家委员会组织中南建筑设计院、武汉市建筑设计院、中国轻工业武汉设计工程有限责任公司编制。
编写人员:建筑专业:李上宾林莉暖通专业:马友才陈焰华电气专业:李蔚李波给排水专业:涂正纯李传志目录第一部分居住建筑施工图节能设计说明第一节建筑专业 (1)第二节暖通专业 (6)第三节电气专业 (10)第四节给排水专业 (15)第二部分公共建筑施工图节能设计说明第一节建筑专业 (21)第二节暖通专业 (27)第三节电气专业 (34)第四节给排水专业 (4)第一部分居住建筑施工图节能设计说明第一节建筑专业1.1设计依据《全国民用建筑工程设计技术措施——节能专篇(建筑)》(2007)《建筑节能工程施工质量验收规范》GB50411-2007《湖北省居住建筑节能设计标准》DB42/301—2005(简称50%标准)《湖北省武汉城市圈低能耗居住建筑设计标准》DB42/T559--2009(简称65%标准)国家及地方相关的规范、标准、规定1.2工程概况1.2.1建设地点:1.2.2工程性质:(居住、居住+公建)1.2.3工程规模:总建筑面积平方米,其中地上平方米、地下平方米建筑层数为地上层、地下层建筑总高度米1.2.4建筑朝向:(含偏角度)1.2.5结构体系:1.3气候分区和计算方法1.3.1本工程居住建筑部分属于夏热冬冷地区气候带:□HDD18≤2000□HDD18>20001.3.2计算方法:□完全符合规定性指标□热工性能权衡判断后符合节能标准1.3.3使用节能计算软件或手工计算书验证□天正夏热冬冷地区节能设计分析软件□PKPM 夏热冬冷地区设计分析软件□手工计算书1.4围护结构热工性能及节能措施1.5构造及引用详图设计的依据1.5.1屋面保温隔热构造:□挤塑(XPS)板保温隔热屋面:具体构造详□聚氨酯泡沫保温隔热屋面:具体构造详□聚苯隔热保温砖屋面:具体构造详□挤塑(XPS)板保温隔热坡屋面:具体构造详□聚苯(EPS)板保温隔热坡屋面:具体构造详□种植屋面:具体构造详□其它做法:,具体构造详1.5.2外墙保温隔热构造:1 外墙自保温系统□蒸压加气混凝土砌块:具体构造详□陶粒增强空心砌块:具体构造详□膨胀玻化微珠砌块:具体构造详□聚苯乙烯混凝土砌块:具体构造详□复合保温芯板外墙:具体构造详□其它做法:,具体构造详2 外墙外保温系统□粘贴(EPS、PU、XPS)保温板外保温系统:具体构造详□胶粉EPS颗粒保温浆料外保温系统:具体构造详□EPS板现浇混凝土外保温系统:具体构造详□EPS钢丝网架板现浇混凝土外保温系统:具体构造详□胶粉EPS颗粒浆料贴砌EPS板外保温系统:具体构造详□现场喷涂硬泡聚氨酯外保温系统:具体构造详□膨胀玻化微珠无机保温浆料外保温系统:具体构造详□装配式保温装饰一体化外墙外保温系统:具体构造详□其它做法:,具体构造详3 外墙内保温系统□粘贴(EPS、PU、XPS)保温板外加保护层内保温系统:具体构造详□岩棉轻钢龙骨纸面石膏板内保温系统:具体构造详□膨胀玻化微珠无机保温浆料内保温系统:具体构造详□胶粉EPS颗粒保温浆料内保温系统:具体构造详□增强粉刷石膏聚苯板内保温系统:具体构造详□加气混凝土复合内保温系统:具体构造详□其它做法:,具体构造详1.5.3架空楼板保温隔热构造□挤塑(XPS)板保温隔热架空楼板:具体构造详□聚氨酯泡沫保温隔热架空楼板:具体构造详□聚苯颗粒保温砂浆架空楼板:具体构造详□聚苯(EPS)板保温隔热架空楼板:具体构造详□膨胀珍珠岩保温隔热架空楼板:具体构造详□其它做法:,具体构造详1.5.4建筑外保温系统防火构造要求:□建筑高度大于等于100m,保温材料的燃烧性能为A级□建筑高度大于等于60m小于100m,保温材料的燃烧性能为B2级,每层设300mm高燃烧性能为A级的水平防火隔离带□建筑高度大于等于24m小于60m,保温材料的燃烧性能为B2级,每两层设300mm高燃烧性能为A级的水平防火隔离带□建筑高度小于24m,保温材料的燃烧性能为B2级,每三层设300mm高燃烧性能为A级的水平防火隔离带□建筑屋顶基层耐火极限不小于1.00h,其屋顶保温材料的燃烧性能不低于B2级,否则其屋顶保温材料的燃烧性能不低于B1级1.6建筑外遮阳设计建筑外遮阳形式建筑外遮阳系数SD=1.7外门窗设计1.7.1主要外窗(包括阳台门)的热工性能及判断依据:表1.7.1外窗(包括阳台门)热工性能表注明:居住建筑的窗墙面积比应分别按湖北省居住建筑节能50%标准(单一房间计算值)与65%标准(同朝向户型主要房间平均计算值)的不同规定计算。
一、建筑主要设计依据1、浙江省《民用建筑项目节能评估技术导则》;2、《杭州市民用建筑节能条例》3、《绿色建筑评价标准》GB/T50378-();4、浙江省《民用建筑绿色设计标准》DB/1092—( );5、《民用建筑热工设计规范》GB50176—();6、《公共建筑节能设计标准》GB50189—( )7、浙江省《公共建筑节能设计标准》DB33/1036—( );8、《建筑设计防火规范》GB50016-( );9、《建筑外门窗气密、水密、抗风压性能分级及检测方法》GB/T 7106—();10、《建筑幕墙》GB/T21086-( );11、《浙江省建设领域推广应用技术公告》和《浙江省建设领域禁止和限制使用技术公告》(浙建发【2014】284号);12、项目编号为()的节能审查意见书及其附件:节能评估报告书(表)和专家评审意见;13、现行国家、行业、地方相关建筑节能的法律、法规、标准和规范性文件表I.0.3浙江省公共建筑围护结构节能设计表浙江省公共建筑围护结构节能设计表项目围护结构主要做法一、项目主要参选图集屋面:墙体:门窗:其他:主要围护结构保温构造详图(节点):一、结构主要设计依据2.《民用建筑绿色设计规范》JGJ/T229-();3。
浙江省《民用建筑绿色设计标准》DB33/1092-( );4.浙江省《民用建筑项目节材评估技术导则》;5。
《绿色建筑评价标准》GB50378-( );6.住宅和城乡建设部、工业和信息化部《关于加快应用高强钢筋的指导意见》(建标【2012】1号);7.《浙江省建设领域推广应用技术公告》和《浙江省建设领域禁止和限制使用技术公告》(浙建发【2014】284号)8.《浙江省人民政府关于积极推进绿色建筑发展的若干意见》(浙政发【2011】56号);9.《浙江省人民政府办公厅关于推进新型建筑工业化的意见》(浙政办发【2012】152号);10。
《浙江省新型墙体材料产品目录(2008年本)》;11.《浙江省发展新型墙体材料条例》;12.项目编号为( )的节能审查意见书及其附件:节能评估报告书(表)和专家评审意见;13.现行国家、行业、地方相关建筑节能的法律、法规和规范性文件。
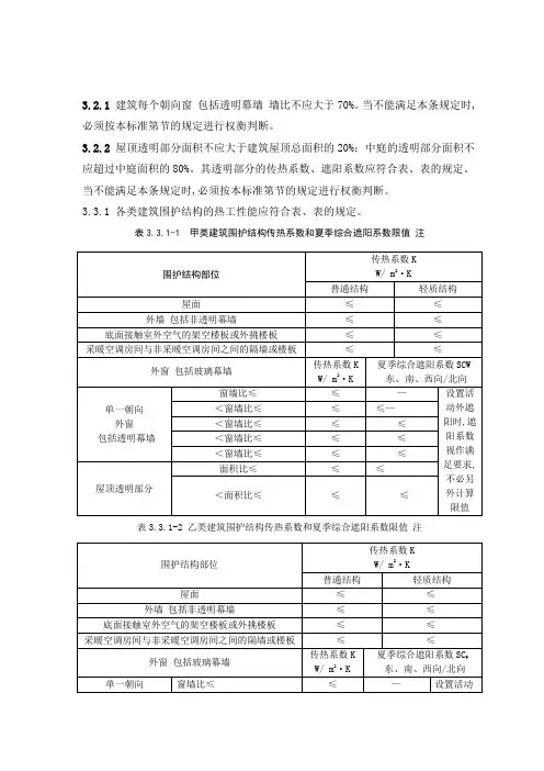
3.2.1 建筑每个朝向窗包括透明幕墙墙比不应大于70%。
当不能满足本条规定时,必须按本标准第节的规定进行权衡判断。
3.2.2 屋顶透明部分面积不应大于建筑屋顶总面积的20%;中庭的透明部分面积不应超过中庭面积的80%。
其透明部分的传热系数、遮阳系数应符合表、表的规定。
当不能满足本条规定时,必须按本标准第节的规定进行权衡判断。
3.3.1 各类建筑围护结构的热工性能应符合表、表的规定。
表3.3.1-1 甲类建筑围护结构传热系数和夏季综合遮阳系数限值注表3.3.1-2 乙类建筑围护结构传热系数和夏季综合遮阳系数限值注注: 1 普通结构材料:混凝土剪力墙、砌体、混凝土框架。
轻质结构材料:轻钢结构、木结构及面密度小于200kg/m2结构;2 透明玻璃幕墙夏季综合遮阳系数SCw=玻璃遮阳系数SC×外遮阳系数SD×其它遮阳的遮阳系数;外窗夏季综合遮阳系数SCw=外窗遮阳系数SW×外遮阳系数SD×其它遮阳的遮阳系数;SW=玻璃遮阳系数SC×窗框系数;3 设有卷帘活动外遮阳的外窗,其外窗传热系数的修正系数为;设有中空百叶玻璃或百叶窗活动外遮阳的外窗,其外窗传热系数的修正系数为;4 外遮阳的遮阳系数按附录D确定,其它遮阳系数按建筑门窗玻璃幕墙热工计算规程JGJ/T151计算,窗框系数:塑料、木为,断热铝、铝木、铝塑为,铝合金为;5 外墙的传热系数为包括结构性热桥在内的按面积计权的平均传热系数K m,计算方法见附录A;6 窗户传热系数计算见附录C。
3.3.2当底层入口大堂确因需要采用非中空玻璃幕墙时,非中空玻璃的面积不应超过同一朝向透明面积门窗和玻璃幕墙的15%,且应按同一朝向透明面积加权计算含非中空玻璃平均传热系数,并应符合第条的规定。
当传热系数不能满足本条文的规定时,必须按本标准第节的规定进行权衡判断。
3.5.1 当设计建筑围护结构的指标不能全部满足第条、第条和条的规定时,则应按本标准第、、的规定及建设行政主管部门认可的计算软件,进行权衡判断。
公共建筑建筑节能设计要点一公共建筑的界定公共建筑主要包含:办公建筑(包括写字楼、行政和事业单位的办公楼等);商业建筑(如商场、金融建筑等);旅游建筑(如旅馆、饭店、娱乐场所等);科教文卫建筑(包括文化、教育、科研、医疗、卫生、体育建筑等);通信建筑(如邮电、通讯、广播电视建筑等);交通运输建筑(如汽车客运站、铁路客运站、航空客运站、港口客运站建筑等)。
凡不设采暖空调系统的单层或多层独立式商业仓库、市场(如菜市场、建材市场、水暖器材市场等)建筑,不执行公共建筑节能设计标准;对设有采暖或空调系统(包括房间空调器)的市场建筑,以及居住建筑底部的商场、商铺,应执行公共建筑节能设计标准。
二公共建筑及居住建筑有连接部位时的节能设计1 公共建筑及居住建筑衔接部位的传热系数K,应按公共建筑和居住建筑节能设计标准中的最小值设计。
例如:公共建筑顶层及居住建筑底层相连楼面,按各地《居住建筑节能设计标准》中架空地板的规定K值设计(对对湖北省取K≤0.65);公共建筑和居住建筑的连接墙体,本地区按公建标准和居住建筑标准中外墙的最小K值设计。
2 当计算公共建筑及居住建筑的体型系数时,两者的外包面积和体积分别计算,相交部分的面积不参及体形系数的计算。
3 计算建筑物采暖空调能耗时,公共建筑和居住建筑的连接部位按不传热的绝热体设置。
三公共建筑节能50%的内涵公共建筑节能50%的内涵是:以20世纪80年代初期的“基准建筑”[其围护结构按不同地区的传统做法(详见GB50189第1.0.3条的条文说明),外窗遮阳系数SC不分地区均取0.80;采暖燃煤锅炉效率均取0.55,离心机水冷机组的能效比取4.2,螺杆机水冷机组的能效比取3.8;照明用电量均取25 W/m2],在保持及《公共建筑节能设计标准》GB50189第3章规定的室内环境参数条件下,其全年的暖通空调和照明计算能耗为100%。
通过采取以下措施,使所设计的公共建筑的全年暖通空调和照明计算能耗相当于“基准建筑”能耗的50%:1在保证公共建筑节能设计标准第3章规定的室内环境参数条件下,采用合理的节能型建筑总平面布置和单体建筑设计(使所设计的建筑符合GB50189第4章第1节及4.2.7条、4.2.9条的规定);2加强建筑物围护结构的热工性能(使其符合GB50189第4章第2节的规定性指标);3提高暖通空调设备及其系统的效率(使其符合GB50189第5章的规定);4使照明设备及其系统符合《建筑照明设计标准》GB50034—2004的有关规定;5按照GB50189第5章第5节的规定,加强暖通空调设备及其系统的运行监控。
《公共建筑节能设计原则》1总则1.0.1我国建筑用能已起过全国能源消费总量旳1/4,并将伴随人民生活水平旳提高逐渐增长到1/3以上。
公共建筑用能数量巨大,挥霍严重。
制定并实行公共建筑节能设计原则,有助于改善公共建筑旳热环境,提高暖通空调系统旳能源运用效率,从主线上扭转公共建筑用能严重挥霍旳状况,为实现国家节省能源和保护环境旳战略,贯彻有关政策和法规做出奉献。
我国已经编制了北方寒冷和寒冷地区、中部夏热冬冷地区和南方夏热冬暖地区旳居住建筑节能设计原则,并已先后公布实行。
按照节能工作从居住建筑向公共建筑发展旳布署,编制公公共建筑节能设计原则,以适应节能工作不停进展旳需要。
1.0.2建筑划分为民用建筑和工业建筑。
民用建筑又分为居住建筑和公共建筑。
公共建筑则我含办公建筑(包括写字楼、政府部门办公室等),商业建筑(如商场、金融建筑等),旅游建筑(如旅馆饭店、娱乐场所等),科教文卫建筑(包括文化、教育、科研、医疗、卫生、体育建筑等),通信建筑(如邮电、通讯、广播用房)以及交通运送用房(如机场、车站建筑等)。
目前中国每年竣工建筑面约20亿平方米,其中公共建筑约有4亿平方米。
在公共建筑中,在建筑旳原则、功能及设置整年空调采暖系统等方面有许多共性,并且其采暖空调能耗尤其高,采暖空调整能潜力也最大。
在公共建筑(尤其是大型商场、高档旅馆酒店、高档办公楼等)旳整年能耗中,大概50%-60%消耗于空调制冷与采暖系统,20%-30%用于照明。
而在空调采暖这部分能耗中,大概20%-50%由外围护构造传热所消耗(夏热冬暖地区大概20%夏热冬冷地区大概35%,寒冷地区大概40%,寒冷地区大概50%)。
从目前状况分析,这些建筑在围护构造、采暖空调系统,以及照明方面,共有节省能源50%旳潜力。
对全国新建、扩建和改建旳公共建筑,本原则提出了节能规定,并从建筑、热工以及暖通空调设计方面提出控制指标和节能措施。
1.0.3各类公共建筑旳节能设计,必须根据当时旳详细气候条件,首先保证室内热环境质量,提高人民旳生活水平;与此同步,还要提高采暖、通风、空调和照明系统旳能源运用效率,实现国家旳可持续发展旳战略和能源发展旳战略,完毕本阶段节能50%旳任务。
公共建筑施工图设计(建筑节能)
报审表
XX市建设工程施工图设计审查管理中心
填表说明:
1.凡报审建筑项目中建筑节能设计参数不同的,应分别填写该报审表。
2.该报审表可用A4纸复印或从XX市建设工程信息网
(.njcein..) 下载。
3.该报审表一式二份,审查机构一份,建设单位一份。
公共建筑施工图设计(建筑节能)报审表
所属(区、县):
特别承诺:本表所提供审查的全部数据、信息均真实反映了本工程的实际情况。
如有任何虚假成分,本单位及有关人员愿承担相应的行政和法律责任!
设计项目负责人(签章)
设计单位法定代表人(签章)
设计单位(公章)
┈┈┈┈┈┈┈┈┈┈┈┈┈┈┈┈┈┈┈┈┈┈┈┈本页以下内容及下表中审查结论由审查单位填写。