单梁起重机验收标准
- 格式:docx
- 大小:17.41 KB
- 文档页数:3
单梁起重机验收标准行车验收标准一、技术文件及资料:1、特种设备的设计文件、产品质量合格证明、检验合格报告等相关技术资料和文件;2、与采购设备相符的设备安装图、电气原理图、电气接线图,机械结构图、使用说明书、装箱单、易损件清单(可以提供电子版情况下提供电子版,如若不可则提供2份纸质文档)。
;二、实物验收:1、比对装箱单,确认设备配件及随机附件数量;2、安装尺寸、位置要求:以我方议定的设备安装图为准;3、所有部件外观油漆检查,确认各部分无漏喷、无明显色差;检查方式:目测4、所有部件焊缝检查,确认各部分无开焊,焊缝平整光滑;检查方式:目测、戴线手套手摸5、滑触线安装验收标准及工具:1)滑触线之间的水平或垂直距离应一致,偏差≤10mm(卡尺)2)接触面安装在一水平面上,其两端高差不能大于1mm(激光水平仪)3)滑触线长度超过50m时,为适应温度变化应设补偿装置;三、使用功能验收:1、操纵机构的操作方向应与起重机的各机构运转方向相符。
检查方式及标准:现场操作,方向相符2、依次开动各机构的电动机,其运转应正常,大车和小车运行时不应卡轨;各制动器能准确及时有效动作,极限位置限位开关及安全装置动作应灵敏有效。
起重机防碰撞装置、缓冲器保护有效;测试方式及标准:1)防碰撞装置、缓冲器有明显缓冲作用,每台测试2次;2)大车和小车运行时无卡轨现象,每台往复运行5次;3)制动器在控制停止后立即制动,每台测试5次;4)极限限位开关在接触后大车立即停止运行,每台测试2次。
3、空载运行先开动提升机构,进行空负荷升降操作,使小车在全程上往返运行,空载试运转应不少于3次;检查标准:无异响、无停顿。
4、额定负荷运行测试;测试方法及标准:小车停在桥式起重机的跨中,分别加负荷做起升试运转,直至加到额定负荷后,使小车在桥架全程上往返运行数次,各部正常,卸去负荷后桥架结构应无异常。
5、超额定负荷载重试验(1.25倍额定负荷);测试方法及标准:小车停在桥式起重机的跨中,缓慢提升1.25倍额定起重的负荷离地面高度为100mm~200mm时,悬吊停留时间不应少于10min,起重机应无失稳现象;然后卸去负荷,将小车移至跨端处,检查起重机桥架金属结构应无裂纹、无焊缝开裂、无油漆脱落,各连接处无松动、损坏。
电动葫芦作起升机构用于吊运熔融金属起重机检验细则安徽省特种设备检测院张申生、陈强第一条为了规范冶金用轻小型起重设备检测检验工作,提高检测检验工作的质量,根据《特种设备安全监查条例》、《起重机械安全监查规定》、《关于冶金起重机整治工作有关意见的通知》(质检办特[2007]375号)文件及《轻小型起重设备型式试验细则》,制定本细则。
第二条本细则适用于以下冶金用起重设备的监督检验:(1)起重量小于10吨的冶金用LD、LX电动单梁起重机及LH电动葫芦桥式起重机;(2)起重量小于10吨的电动葫芦作起升机构吊运熔融金属的门式起重机;(3)起重量小于10吨的吊运熔融金属的钢丝绳电动葫芦、吊运熔融金属的环链电动葫芦。
第三条本细则引用了以下主要标准:(1)GB/3811-1983《起重机设计规范》;(2)TSG Q7012-2008《轻小型起重设备型式试验细则》;(3)《起重机械监督检验规程》;(4)《关于冶金起重机整治工作有关意见的通知》(质检办特[2007]375号)文件;(5)JBT1306T-94《电动单梁起重机》;(6)JBT2306-94《电动单梁悬挂起重机》;(7)JB/T3695-94《电动葫芦桥式起重机》;(8)JB/T9008.1-2004《钢丝绳电动葫芦技术条件》;(9)JB/T5317.2-1991《环链电动葫芦技术条件》;(10)《JB/T7688.15-1999》冶金起重机技术条件-铸造起重机(11)《JB/T7688.1-95》冶金起重机技术条件-通用要求(12)GB50256-96《起重机械电气装置施工及验收规范》(13)GB50278-98《起重设备安装工程施工及验收规范》(14)TSG Q0002-2008《起重机械安全技术监察规程》第四条检验首先必须符合《起重机械监督检验规程》(附录2:起重机监督检验内容要求与方法)的内容要求。
及所依据的相关标准的要求。
第五条检测检验工作在按第四条要求的基础上需要增加和重点检查的内容:(一)资料检查用电动葫芦作起升机构,用于吊运熔融金属的起重机制造单位应提供以下资料:(1)制造许可证(目前还没有冶金专用类,因此仅需查验标准类制造许可证并结合型式试验合格报告报告。
起重机的试运转验收标准1.1起重机试运转的准备1.1.1起重机试运转前,应按下列要求进行检查:1液压系统、变速箱、各润滑点及运动机构,所加润滑油的性能、规格和数量应符合随机技术文件的规定;2制动器、起重量限制器、液压安全溢流装置、超速限速保护、超电压及欠电压保护、过电流保护装置等,应按随机技术文件的要求进行调整和整定;3限位装置、电气系统、联锁装置和紧急断电装置,应灵敏、正确、可靠;4电动机的运转方向、手轮、手柄、按钮和控制器的操作指示方向,应与机构的运动及动作的实际方向要求相一致;5钢丝绳端的固定及其在取物装置、滑轮组和卷筒上的缠绕,应正确、可靠;6缓冲器、终端止挡器、夹轨器、锚定装置等,应安装正确、动作灵敏、安全可靠。
1.2起重机空载试运转1.2.1各机构、电气控制系统及取物装置在规定的工作范围内,应正常动作;各限位器、安全装置、联锁装置等执行动作,应灵敏、可靠;操作手柄、操作按钮、主令控制器与各机构的动作应一致。
1.2.2 起升机构和取物装置上升至终点和极限位置时,其减速终点开关和极限开关的动作,应准确、可靠、及时报警断电。
1.2.3小车运行至极限位置时,其终点低速保护、极限报警和限位,应准确、可靠。
1.2.4 大车运行,应符合下列要求:1移动时应有报警声或警铃声;2移动至大车轨道端部极限位置时,端部报警和限位应准确、可靠;3两台起重机间的防撞限位装置应有效、可靠;4供电的集电器与滑触线应接触良好、无掉脱和产生火花;5供电电缆卷筒应运转灵活,电缆收放应与大车移动同步,电缆缠绕过程不得有松驰;电缆长度应满足大车移动的需要,电缆卷筒终点开关应准确、可靠;6大车运行与夹轨器、锚定装置、小车移动等联锁系统,应符合设计要求。
1.2.5 起重机空载试运转应分别进行各档位下的起升、小车运行、大车运行和取物装置的动作试验,次数不应少于3次。
1.3起重机静载试运转1.3.1起重机的静载试验,应符合下列规定:1起重机应停放在厂房柱子处;2将小车停在起重机的主梁跨中或有效悬臂处,无冲击地起升额定起重量1.25倍的载荷距地面100mm~200mm处,悬吊停留10min后,应无失稳现象;3卸载后,起重机的金属结构应无裂纹、焊缝开裂、油漆起皱、连接松动和影响起重机性能与安全的损伤、主梁无永久变形;4主梁经检验有永久变形时,应重复试验,但不得超过3次;5小车卸载后开到跨端或支腿处,检测起重机主梁的实有上拱度或悬臂实有上翘度,其值不应小于表1.3.1的规定。
电动单梁桥式起重机及电动葫芦设备设计、制造、检验、验收执行标准、规范与规定1、GB3811-2011 《起重机设计规范》;2、GB6067-2010 《起重机械安全规程》;3、GB5905-2011 《起重机试验规范和程序》;4、GB/T14405-2016 《通用桥式起重机》;5、JB/DQ4658-1991 《起重机成套电阻器》;6、GB10183.1-2018 《起重机车轮及大车和小车轨道公差》第1部分:总则;7、GB/T700-2006 《碳素结构钢》;8、GB8918-2006 《重要用途钢丝绳》;9、GB5972-2016 《起重机钢丝绳保养、维护、检验和报废》;10、GB9286-2021 《色漆和清漆划格试验》;11、JB4315-2020 《起重机电控设备》;12、GB50055-2016 《通用用电设备配电设计规范(起重运输设备)》;13、GB10051-2010 《起重吊钩(1-5部分)》;14、GB12602-2020 《起重机械超载保护装置》;15、GB12348 《工业企业厂界噪声标准》;16、GB1497-85 《低压电器基本标准》;17、JB/ZQ2007-90 《起重机电气制图》;18、JB/T9008.1-2014 《钢丝绳电动葫芦》第1部分:型式与基本参数、技术条件;19、JB/T9008.2-2015 《钢丝绳电动葫芦》第2部分:试验方法;20、JB/T9008.3-1999 《钢丝绳电动葫芦用锥形转子电动机》;21、JB/T9008.4-1999 《钢丝绳电动葫芦》试验方法;22、GB/T699-2015 《优质碳素结构钢》;23、GB/T6995.1-5部分-2008《电线电缆识别标志方法》;24、GB/T9439-2010 《灰铸铁件》;26、GBJ232-1982 《电气装置安装工程施工及验收规范》;27、GB50278-2010 《起重设备安装工程施工及验收规范》;28、GB1102-74 《圆股钢丝绳》;29、JB/T1306-2008 《电动单梁起重机》;30、GB3323-2019 《杆融化含对接接头射线照相和质量分级》;31、GB1591-2018 《低合金结构钢》;32、GB8923 《涂装前钢材表面锈蚀等级和除锈等级》;33、GB10095 《渐开线圆柱齿轮精度》;34、GB11345-2013 《钢焊缝手工超声波探伤方法和探伤结果分级》;35、GB/T13384 《机电产品包装通用技术条件》;36、JB2299 《矿山、工程、起重运输机械产品涂装颜色和安全标志》;37、JB/T6391.2 《起重机用滑接输电装置技术条件》;38、ZBJ80/013.2 《钢丝绳电动葫芦技术条件》;39、ZBJ80/013.3 《钢丝绳电动葫芦用锥形电动机》;40、ZBJ80/013.7 《钢丝绳电动葫芦安全规程》;41、GB/T4942-2021 《旋转电机整体结构的防护等级(IP代码)分级》;42、GB6164.2 《起重机橡胶缓冲器》;43、JB/ZQ3680 《焊缝外观质量》;44、GB3768 《噪音源声功率级的测定简易法》;45、GB1764 《漆膜厚度测定法》;46、GB18613-2020 《电动机能效限定值及能效等级》;47、IEC408 《低压空气断路器》;48、IEC157 《低压开关设备和控制设备》;49、GB755 《旋转电机定额和性能》;50、GB1032 《三相异步电动机试验方法》;51、JB/T7565 《隔爆型三相异步电动机技术条件》;52、GBJ87 《工业企业噪声设计规范》;53、GB191 《包装储运图示标志》;54、GB3836(1—35部分)《爆炸性气体环境用电器设备》;55、GB4720 《电控设备第一部分低压电器电控设备》;56、JB/T2603—2008 《电动悬挂起重机》;57、JB/ZQ4000.3 《焊接件通用技术标准》;58、GB/T 19666-2019 《阻燃和耐火电线电缆或光缆通则》;59、06D105 《电缆防火阻燃设计与施工》;60、22D701-3 《电缆桥架安装》;61、CB*/Z 89-1988 《电线电缆冷压连接技术条件》;62、CNCA 01C-002-2007 《电气电子产品强制性认证实施规则电线电缆产品电线电缆》;63、CNCA 01C-20001-2001《电气电子产品强制性认证实施规则电线电缆产品电线组件》;64、D101-1~7 《电缆敷设(2013年合订本)》;65、DB21/T 3156-2019 《电线电缆产品第三方验货检验和见证检验规范》;66、AQ 3009-2007 《危险场所电气防爆安全规范》;67、DB11/T 1320-2016 《危险场所电气防爆安全检测技术规范》;68、CB* 394-1988 《冷压电线电缆接头》;69、DB13/T 2083-2014 《热轧轻型薄壁工字钢》;70、T/SSEA 0058-2020 《桥梁隧道结构用热轧工字钢》;71、DB34/T 1491-2020 《电动葫芦升降机检验细则》;72、DB41/T 1896-2019 《钢丝绳电动葫芦用减速机密封性试验规程》73、GB/T 30028-2013 《电动葫芦能效测试方法》74、JB/T 10222-2011 《防爆电动葫芦》75、JB/T 12745-2016 《电动葫芦能效限额》76、JB/T 3695-2008 《电动葫芦桥式起重机》77、YB/T 4655-2018 《电动葫芦轨道用热轧型钢》78、《中华人民共和国特种设备安全法》现行最新版;79、《特种设备监察条例》现行最新版。
起重机检验规程及处罚条例
1,目测工字钢除锈干净
2,工字钢接头数目不得超过2个,7.5M以下的不允许有借口
3,接缝焊接前准备,X型坡口需开到位,坡口边打磨是否干净,无毛刺
4,对接口高低差≤0.5
5,工字钢扭曲S≤10m, f≤3m S>10m f≤5m
6,工字钢水平旁弯≤L/2500,且不能有S弯
7,拱度应在1-1.4/1000最大的拱值在跨中S/10范围内8,U型槽不得凹凸不平和S弯
9,需严格按图纸制作
10,焊缝不的有裂纹,气孔,弧坑,夹渣,未融合和未焊透及形状与其他缺陷
11,外观美观,不得有0.5mm以上的凹凸痕迹及焊疤,焊渣,飞边,飞溅物
12,上底漆后制作班组必须把沙眼,吃边,弧坑用批灰批好放可上面漆
13,凃漆不能有皱纹,流挂,失光,残留未上漆的部位等影响外观质量的现象
14,对凃标语的车需字体大小一直,间距一直,不得歪扭
15,喷完工后起重机梁头,支腿,地梁应凃吨位,跨度,编号型号的字样,并装上缓冲器和穿线护口套
16,若违反以上条例,根据情节轻重,给予相应的处罚.。
第一小节电动单梁悬挂式起重机安装
1)、验收标准
承包商应按GB50278《起重设备安装工程施工及验收规范》进行安装、现场荷载试验和验收。
2)、起重机安装
安装前先复核轨道的几何尺寸与起重机的安装尺寸是否相符,车挡及限位装置位置是否正确,待其符合安装要求后再进行起重机或葫芦安装。
由于室内施工空间较小,可在土建施工时在梁上适当位置预埋吊装钩,待设备运至室内后,在吊装钩上挂附索具用卷扬机或倒链吊装就位,或在或在土建屋面板铺设前用吊车将起重机主梁先吊装就位。
起重机安装完毕后,便可进行配线、调试工作。
起重机或电动葫芦安装允许偏差必须符合起重机施工验收规范要求。
3)、起重机或电动葫芦试运转
起重机的试运转包括试运转前的检查、空负荷试运转、静负荷试验和动负荷试运转几个步骤,试运转要在上一步骤合格后,再进行下一步骤。
试运转要符合设备技术要求和规范要求。
试运转前的检查:起重机安装完毕后应对其各机构进行全面检查,以确保符合试运转条件。
空负荷试运转:在空负荷状态下检查各机构的运行情况。
静负荷载试验:把试验载体起吊到距地面100mm的高度保持10min,检查起重机结构框架的强度和刚度。
试验负载重量须是起重
机最大起吊能力的125%。
动负荷试验:把试验载体提升,放下和移动几次来检查起重机的各个部件的运行情况。
动负荷试验的载体重量为起重机最大提升量的110%。
试验合格后,会同当地劳动主管部门、业主、监理单位办理验收移交手续。
单梁起重机验收标准 Document number:PBGCG-0857-BTDO-0089-PTT1998行车验收标准一、技术文件及资料:1、特种设备的设计文件、产品质量合格证明、检验合格报告等相关技术资料和文件;2、与采购设备相符的设备安装图、电气原理图、电气接线图,机械结构图、使用说明书、装箱单、易损件清单(可以提供电子版情况下提供电子版,如若不可则提供2份纸质文档)。
;二、实物验收:1、比对装箱单,确认设备配件及随机附件数量;2、安装尺寸、位置要求:以我方议定的设备安装图为准;3、所有部件外观油漆检查,确认各部分无漏喷、无明显色差;检查方式:目测4、所有部件焊缝检查,确认各部分无开焊,焊缝平整光滑;检查方式:目测、戴线手套手摸5、滑触线安装验收标准及工具:1)滑触线之间的水平或垂直距离应一致,偏差≤10mm(卡尺)2)接触面安装在一水平面上,其两端高差不能大于1mm(激光水平仪)3)滑触线长度超过50m时,为适应温度变化应设补偿装置;三、使用功能验收:1、操纵机构的操作方向应与起重机的各机构运转方向相符。
检查方式及标准:现场操作,方向相符2、依次开动各机构的电动机,其运转应正常,大车和小车运行时不应卡轨;各制动器能准确及时有效动作,极限位置限位开关及安全装置动作应灵敏有效。
起重机防碰撞装置、缓冲器保护有效;测试方式及标准:1)防碰撞装置、缓冲器有明显缓冲作用,每台测试2次;2)大车和小车运行时无卡轨现象,每台往复运行5次;3)制动器在控制停止后立即制动,每台测试5次;4)极限限位开关在接触后大车立即停止运行,每台测试2次。
3、空载运行先开动提升机构,进行空负荷升降操作,使小车在全程上往返运行,空载试运转应不少于3次;检查标准:无异响、无停顿。
4、额定负荷运行测试;测试方法及标准:小车停在桥式起重机的跨中,分别加负荷做起升试运转,直至加到额定负荷后,使小车在桥架全程上往返运行数次,各部正常,卸去负荷后桥架结构应无异常。
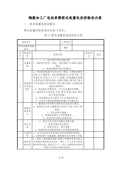
钢筋加工厂电动单梁桥式起重机安拆验收内容一、桥式起重机验收要求桥式起重机验收表详见表-1所示。
表-1 桥式起重机安装验收内容二、电气要求(1)电气部分桥式起重机电气系统的设计符合《电气装置安装工程接地装置施工及验收规范》(GB 50169-2016)和建筑机械使用安全技术规程》(JGJ33-2012)的各项规定。
桥式起重机的电气设备能够保证机械的传动性能、电气的监控及保护性能安全、准确和可靠。
在桥式起重机发生紧急情况下,操作人员能够在司机室切断电源,安全停车。
(2)供电起重机供电电源为三相交流电源,电压380V±10%,频率50HZ。
所有用电电器均从桥式起重机电气柜接线。
(3)电气保护1)短路及过载保护桥式起重机用电电器受中控系统进出电源设置断路器、控制回路设置小容量断路器,使各机构在短路,过载等事故状态下,迅速与电源脱离,以达到保护设备及人机安全的目的。
2)失压保护在电气线路中,用线路接触器作为失压保护装置,当供电电源中断时,能够自动断开电源。
3)紧急断电保护操作室内设有紧急断电按钮,当起重机运行过程中发生紧急情况时,随时方便地切断控制回路电源,从而使主回路断电,确保起重机的安全运行。
4)控制柜,端子箱防护等级IP55,端子箱采用下部或侧部进线上部做防雨,槽盖加防脱落装置。
三、焊接要求(1)焊缝外部检查不得有目测可见的裂纹、气孔、固体夹杂、未熔合、未焊透等明显缺陷。
(2)制造过程中焊接质量要求:支腿和基础的焊接面质量应达到《钢的弧焊接头缺陷质量分析指南》(GB/T19418-2003)中的“B”级,焊缝内部质量应进行无损探伤,射线探伤时应不低于《金属融化焊接接头射线照相》(GB3323-2005)中规定的Ⅱ级,超声波探伤时应不低于《钢结构超声波探伤及质量分级法》(JG/T203-2007)中规定的I级。
四、螺栓连接要求(1)钢结构采用高强度螺栓完成构件的连接时,其连接接头应符合JGJ82的规定。
起重设备备件验收标准 The document was finally revised on 2021起重设备备件验收标准一、目的为了保证起重设备的产品要求、供货范围、标准规范及安装和调试、技术服务等方面的技术要求。
设备制造商应根据技术文件所提出的设备技术规格、产品和服务要求,综合考虑设备的适应性,特制定此验收标准。
二、范围:1、设备的生产制造、技术标准等应符合GB或ISO标准。
2、起重设备应根据所承受的应力进行材料选择,设计压力和安全系数应符合GB3811标准。
3、所有起重设备的安全性、方便性及耐久性均应符合GB6067标准。
4、所有设备操作都要符合国家制定的工业、企业噪声标准(GB12348三、概述1、制造商应按要求提供工程所需起重设备,包括行走机构及起吊设备,如主机、电动机、电动葫芦及钢绳、随机附件、配套电缆等。
应保证上述设备的设计、制造、检验和检查等符合本规范要求。
制造商同时应提供相应的现场服务,包括起吊设备的安装及调试工作,并负责办理设备竣工验收的相关手续。
2、为了保证产品在运行、维护及备品备件方面的标准化,要求所有同类型的设备及部件应尽量为同一厂家的产品。
3、所有设备产品在出厂前应按GB标准进行性能试验。
如前所述,制造商提供出厂产品检验证书及产品合格证,随带产品说明书及装箱单,包括附件、备品备件的清单。
4、所有起重设备的电动装置应由起重设备制造厂商配套,使之形成完整的起吊设备。
四、验收标准1、大车车体大车车体车体为刚性结构,不能有不正常弯曲。
大车驱动靠电动机通过减速机驱动小车驱动轴完成。
单梁车体要有一个滚轴稳定器,防止大车在工作时倾斜。
大车轮子的材料为经过热处理的轧钢、锻钢。
轮子踏面的硬度最小达到200布氏。
轮轴材料经过精制加工和磨光,能装配内轴承垫圈。
当使用旋转轴时,轮子要安装压力器和键,或单独安装键。
所有齿轮均是螺旋齿、直齿或人字形齿,齿轮由轧钢或铸铁制造,并加工成20度压力齿合角。
起重机械验收标准1. 引言起重机械是现代工程建设中不可或缺的设备,它在各个行业中起到关键的作用。
为了确保起重机械的安全和可靠性,在使用之前必须进行验收。
本文档旨在提供起重机械验收的标准和流程,以帮助用户进行正确的验收工作。
2. 验收标准起重机械的验收标准包括以下几个方面:2.1 设备文件和资料•确认起重机械的资料齐全,包括使用说明书、认证证书、维修保养手册等。
•检查起重机械的出厂合格证明是否完整,并与实际设备进行对应。
2.2 外观检查•检查起重机械的表面是否有明显的划痕、变形、裂纹等。
•检查起重机械的焊接点是否牢固,是否存在漏焊、错焊等问题。
2.3 动力系统•检查起重机械的动力系统,包括发动机、电动机等是否正常运行。
•测试起重机械的行走、提升、回转等功能是否正常。
2.4 电气系统•检查起重机械的电气系统,包括线路、接线盒、断路器等是否正常工作。
•检查起重机械的电磁铁、限位器、传感器等是否灵敏可靠。
2.5 安全装置•确认起重机械的安全装置齐全,包括重载保护器、高度限位器、风速传感器等。
•检查起重机械的安全装置是否灵敏可靠,能够及时发出警报和采取措施。
2.6 试运行和功能测试•进行起重机械的试运行,测试各项功能是否正常。
•检查起重机械在行走、提升、回转等过程中是否存在异常声响、振动等问题。
3. 验收流程起重机械的验收流程应包括以下步骤:3.1 准备工作•查阅起重机械的相关资料,了解其技术参数和验收标准。
•准备验收所需的工具和设备,包括测量工具、电源等。
3.2 外观检查•仔细观察起重机械的外观,检查是否存在表面损坏或其他明显问题。
3.3 动力系统验收•对起重机械的动力系统进行测试,确保其正常运行。
•检查起重机械的行走、提升、回转等动作是否灵活、平稳。
3.4 电气系统验收•检查起重机械的电气系统,包括线路、接线盒、断路器等的连接是否正确。
•测试各个电气设备的工作状态,确保其正常运行。
3.5 安全装置验收•检查起重机械的安全装置齐全,并测试其工作状态。
梁式起重机验收标准
1.1 手动单梁起重机的检验项目及允许偏差,应符合表1.1的规定。
表1.1 手动单梁起重机的检验项目及允许偏差
注:S的单位,计算跨度允许偏差时为m,计算水平弯曲允许偏差时为mm。
1.2 手动双梁起重机的检验项目及允许偏差,应符合表1.2的规定。
表1.2 手动双梁起重机的检验项目及允许偏差
注:①S的单位,计算跨度允许偏差时为m,计算水平弯曲允许偏差时为mm;
②K的单位,计算同一横截面上小车轨道高低差时为mm。
1.3 手动悬挂起重机的检验项目及允许偏差,应符合表1.3的规定。
表1.3 手动悬挂起重机的检验项目及允许偏差
注:S的单位,计算水平弯曲允许偏差时为mm。
1.4 电动单梁起重机的检验项目及允许偏差,应符合表1.4的规定。
表1.4 电动单梁起重机的检验项目及允许偏差
注:①S的单位,计算跨度允许偏差时为m,计算水平弯曲允许偏差时为mm;
②主梁水平弯曲在腹板上离主梁顶面100mm处测量;对配用角形小车的起重机,主梁水平弯曲应向主轨道侧凹曲。
1.5 电动悬挂起重机的检验项目及允许偏差,应符合表1.5的规定。
表1.5 电动悬挂起重机的检验项目及允许偏差
注:①S的单位,计算水平弯曲允许偏差时为mm;
②K的单位,计算同一横截面上小车轨道高低差时为mm;
③主梁的水平弯曲在腹板上离主梁顶面100mm处测量。
1.6 电动悬挂起重机大车车轮与工字钢轨道的间隙,应符合表1.6的规定。
表1.6 电动悬挂起重机大车车轮与工字钢轨道的间隙。
1总则1.1为了加强对起重机械定期检验工作的管理,规范定期检验的行为,提高定期检验工作质量,特制定本细则。
1.2本细则适用于电动单梁起重机定期检验。
2.1下列所列文件,通过本细则的引用而成为本细则的条文:国务院令549号《特种设备安全监察条例》国家质检总局【2007】第92号令《起重机械安全监察规定》TSG Q7015-2008 《起重机械定期检验规则》2.2本细则引用标准如被修改,应依据最新版本对相应技术要求进行补充调整。
3检验程序3.1检验申报3.1.1使用单位应当配备专职或者兼职的安全管理人员,负责起重机械的安全管理工作,在起重机械定期检验周期届满前1个月向检验机构提出定期检验申请,并与检验机构按报检的内容约定检验日期。
3.1.2在用桥式起重机的定期检验周期如下:梁式起重机设备每2年1次,其中吊运熔融金属和炽热金属的起重机每年1次。
检验过程中,对作业环境特殊的起重机械,检验机构报经省级质量技术监督部门同意,可以适当缩短定期检验周期,但是最短周期不低于6个月。
3.2现场条件3.2.1检验检测现场环境要求3.2.1.1被检设备状况、检验现场的环境和场地条件符合相关标准及使用说明书的要求;3.2.1.2供电电源电压应正常,工作电压应满足使用说明书要求。
3.2.1.3检验露天作业的起重机,试验时现场风速应符合起重机作业对风速的要求。
3.2.1.4现场不应有影响检验及与起重机检验无关的物品和人员,并且设置相应的警示标志。
3.2.2检验检测现场检验人员及安全要求3.2.2.1检验人员的要求3.2.2.1.1检验人员应当在使用单位自检合格的基础上进行定期检验。
3.2.2.1.2检验人员到检验现场时,应当佩带和穿戴检验作业必须的个体防护用品。
3.2.2.1.3 检验人员到达检验现场,应当首先确认使用单位的检验准备工作。
对于检验前准备工作不足,实施检验不能得出完整结论、需要在现场等待较长的检验准备时间、现场不具备安全检验条件、开展检验可能危及检验人员或者他人安全和健康的,经请示实施检验的检验机构同意,检验人员可以终止检验,但是必须书面向使用单位说明原因,并且报当地质量技术监督部门和该起重机械的使用登记机关。
在安装一台3吨以下单梁起重机之前,必须严格按照相关的安装检验要求进行操作。
这些要求包括但不限于起重机的安装位置、基础的加固、起重机本身的结构和功能检查、以及安装后的调试和试运行等。
下面将从不同方面来详细阐述这些安装检验要求。
1. 安装位置:起重机的安装位置必须经过专业的工程师设计审核,并符合国家标准和规范的要求。
安装位置应该保证机械和电器设备的通风良好,并且不受外部环境的影响。
在确定安装位置时,还需考虑到设备的维护保养和检修方便,以确保设备长期运行的稳定性和安全性。
2. 基础加固:安装单梁起重机的基础必须经过土建工程师专业设计,并符合相关标准和规范的要求。
基础的加固工作必须符合安全技术规范,以确保设备在使用过程中不会因为基础的不稳定而出现安全隐患。
3. 结构和功能检查:在安装起重机的过程中,必须对起重机的结构和功能进行严格的检查。
这包括对主梁、起升机构、电器设备、传感器等零部件的检查,以确保设备的结构完好,功能正常。
还需要检查起重机的安全保护装置是否灵敏可靠,以便在作业过程中及时发现并解决问题。
4. 调试和试运行:安装完成后,必须进行起重机的调试和试运行。
调试过程中需要对设备进行各项指标的检测和调整,以确保设备在试运行时能够正常运行,并满足性能要求。
试运行时需要模拟实际工况,检查设备在不同工况下的工作状态,以确保设备在实际作业中能够安全、稳定地运行。
总结回顾:3吨以下单梁起重机的安装检验要求非常重要,直接关系到设备的安全性和稳定性。
只有严格按照相关的要求进行操作,才能保证设备在使用过程中不会出现安全隐患。
在安装之前一定要对安装位置、基础加固、设备结构和功能检查以及调试试运行等方面进行全面的评估和检查,以确保设备的安全性和稳定性。
个人观点与理解:我认为,在安装3吨以下单梁起重机时,安装检验要求是非常重要的。
这些要求不仅是国家标准和规范的要求,更是保证设备安全性和稳定性的重要保障。
只有严格按照这些要求进行操作,才能确保设备在使用过程中不会出现安全事故,保障人员和设备的安全。
电动单梁起重机检验规程
编制:
审核:
批准:
XXXX公司
年月
电动单梁起重机检验规程
S≤10m,f≤3m;S 10m,f≤5mm
F= S,最大上拱值在跨中S/10范围内
电动单梁起重机检验规程
电动单梁起重机检验规程
1 ~ 1.4
F= S
1000
电动单梁起重机检验规程
电动单梁起重机检验规程
在工字钢两端底面加垫等高块,用0.5细钢丝施以150N拉力,用钢直尺直接读取上拱值并减去钢丝自重的影响200N拉力计等高块0.5钢丝,钢直尺
tg = -0.0015 ~ +-.0015 在同一端梁两只车轮内侧端面上拉上一根尼龙
线,用塞尺塞尼龙线与车轮端面间隙,再计算出
tg值
Tg = 0.0005~ 0.0030
≥0.4M
75 ~ 105 m
5%脱落面积15%
附表:测量跨度采用的拉力修正值和钢丝自重影响上拱度时的修正值(拉力150N)钢丝直径0.5mm
拱度修正值mm
. .。
行车验收标准
一、技术文件及资料:
1、特种设备的设计文件、产品质量合格证明、检验合格报告等相
关技术资料和文件;
2、与采购设备相符的设备安装图、电气原理图、电气接线图,机
械结构图、使用说明书、装箱单、易损件清单(可以提供电子
版情况下提供电子版,如若不可则提供2份纸质文档)。
;
二、实物验收:
1、比对装箱单,确认设备配件及随机附件数量;
2、安装尺寸、位置要求:以我方议定的设备安装图为准;
3、所有部件外观油漆检查,确认各部分无漏喷、无明显色差;
检查方式:目测
4、所有部件焊缝检查,确认各部分无开焊,焊缝平整光滑;
检查方式:目测、戴线手套手摸
5、滑触线安装验收标准及工具:
1)滑触线之间的水平或垂直距离应一致,偏差≤10mm(卡尺)2)接触面安装在一水平面上,其两端高差不能大于1mm(激光
水平仪)
3)滑触线长度超过50m时,为适应温度变化应设补偿装置;
三、使用功能验收:
1、操纵机构的操作方向应与起重机的各机构运转方向相符。
检查方式及标准:现场操作,方向相符
2、依次开动各机构的电动机,其运转应正常,大车和小车运行时不
应卡轨;各制动器能准确及时有效动作,极限位置限位开关及安全装置动作应灵敏有效。
起重机防碰撞装置、缓冲器保护有效;
测试方式及标准:
1)防碰撞装置、缓冲器有明显缓冲作用,每台测试2次;
2)大车和小车运行时无卡轨现象,每台往复运行5次;
3)制动器在控制停止后立即制动,每台测试5次;
4)极限限位开关在接触后大车立即停止运行,每台测试2次。
3、空载运行先开动提升机构,进行空负荷升降操作,使小车在全
程上往返运行,空载试运转应不少于3次;
检查标准:无异响、无停顿。
4、额定负荷运行测试;
测试方法及标准:小车停在桥式起重机的跨中,分别加负荷做
起升试运转,直至加到额定负荷后,使小车在桥架全程上往返
运行数次,各部正常,卸去负荷后桥架结构应无异常。
5、超额定负荷载重试验(1.25倍额定负荷);
测试方法及标准:小车停在桥式起重机的跨中,缓慢提升 1.25倍额定起重的负荷离地面高度为100mm~200mm时,悬吊停留时间不应少于10min,起重机应无失稳现象;然后卸去负荷,将小车移至跨端处,检查起重机桥架金属结构应无裂纹、无焊缝开裂、无油漆脱落,各连接处无松动、损坏。
6、起重机轨道对地绝缘电阻≤4Ω
工具:摇表
7、起升速度(5/0.83m/min)、小车速度(0-20m/min)、大车速度
(0-30m/min)监测;
工具:秒表
四、填写验收报告,资产领用单,录入ERP系统,所有文件及资料归档;
五、验收完成。