人教版物理九年级上册 电压 电阻(提升篇)(Word版 含解析)
- 格式:doc
- 大小:198.50 KB
- 文档页数:12
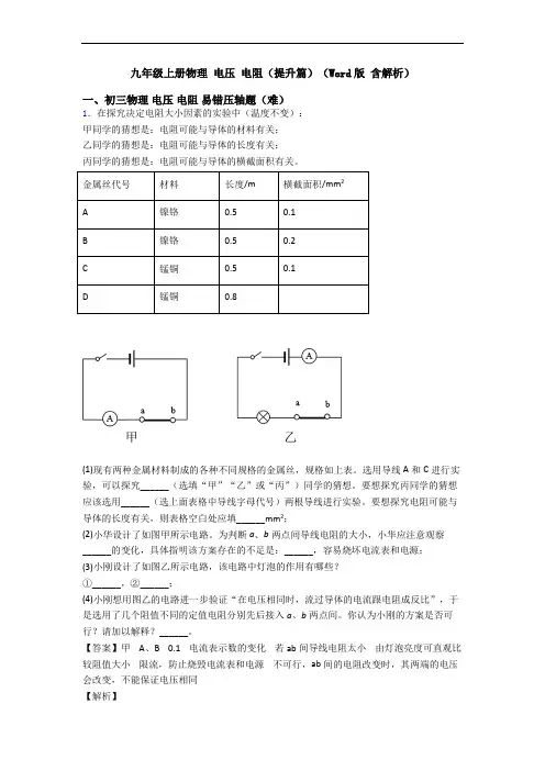
九年级上册物理电压电阻(提升篇)(Word版含解析)一、初三物理电压电阻易错压轴题(难)1.在探究决定电阻大小因素的实验中(温度不变):甲同学的猜想是:电阻可能与导体的材料有关;乙同学的猜想是:电阻可能与导体的长度有关;丙同学的猜想是:电阻可能与导体的横截面积有关。
金属丝代号材料长度/m横截面积/mm2A镍铬0.50.1B镍铬0.50.2C锰铜0.50.1D锰铜0.8(1)现有两种金属材料制成的各种不同规格的金属丝,规格如上表。
选用导线A和C进行实验,可以探究______(选填“甲”“乙”或“丙”)同学的猜想。
要想探究丙同学的猜想应该选用______(选上面表格中导线字母代号)两根导线进行实验。
要想探究电阻可能与导体的长度有关,则表格空白处应填______mm2;(2)小华设计了如图甲所示电路。
为判断a、b两点间导线电阻的大小,小华应注意观察______的变化,具体指明该方案存在的不足是:______,容易烧坏电流表和电源;(3)小刚设计了如图乙所示电路,该电路中灯泡的作用有哪些?①______,②______;(4)小刚想用图乙的电路进一步验证“在电压相同时,流过导体的电流跟电阻成反比”,于是选用了几个阻值不同的定值电阻分别先后接入a、b两点间。
你认为小刚的方案是否可行?请加以解释?______。
【答案】甲 A、B 0.1 电流表示数的变化若ab间导线电阻太小由灯泡亮度可直观比较阻值大小限流,防止烧毁电流表和电源不可行,ab间的电阻改变时,其两端的电压会改变,不能保证电压相同【解析】【分析】【详解】(1)[1]由表中所给条件知,导线A和C的长度、横截面积相同,导体的材料不同,故可以探究甲同学的猜想。
[2]要探究横截面积与导体电阻大小的关系,就要控制导体的材料、长度相同,横截面积不同,在表格中给的导线中,只有A、B符合条件。
[3]要探究长度与导体电阻大小的关系,就要控制导体的材料、横截面积相同,导体的长度不同,在表格中给的导线中,只有C、D符合条件,故表格空白处应填0.1mm2。
九年级物理上册电压电阻单元检测(提高,Word版含解析)一、初三物理电压电阻易错压轴题(难)1.阅读下列一段文字,回答问题:我们已经知道导体的电阻是导体本身的一种性质,它的大小与导体的长度、横截面积和材料有关,进一步研究表明,在温度不变时,导体的电阻跟导体的长度成正比,跟导体的横截面积成反比,这个规律叫做电阻定律,用公式表示为LRSρ=,其中R、L、S分别表示导体的电阻、导体的长度和横截面积。
而ρ是反映材料导电性能的物理量,我们把它叫做材料的电阻率。
材料电阻率的大小与什么有关?小红提出如下猜想:猜想1:电阻率与材料的长度有关;猜想2:电阻率与材料的横截面积有关;猜想3:电阻率与材料的种类有关。
于是小红找来不同规格的导线进行测量,实验数据见下表:(1)写出电阻率ρ在国际单位制中的单位是_________________。
(2)分析比较实验序号1、2的数据,可以初步确定猜想1是________(正确/错误)的,这种探究问题的方法叫_________________。
(3)分析比较实验序号_________的数据,可以初步确定猜想2是错误的。
(4)分析比较实验序号1、4、5的数据,可得到的初步结论是__________________________。
(5)根据表中的数据,如果要制作一个滑动变阻器,应选用 _________材料作为电阻线圈,这是因为相同规格的这种材料电阻较________(大/小)。
【答案】Ω·m错误控制变量法 1、3 电阻率与导体的材料有关镍铬合金大【解析】【分析】【详解】(1)[1]已知R的单位是Ω、L的单位是m、S的单位是2m,由电阻定律公式LRSρ=。
根据等式两边的单位相等可以知道电阻率ρ在国际单位制中的单位是Ω·m ;(2)[2][3]分析比较实验序号1、2的数据长度不同时电阻率相同,故猜想1是错误的;只允许一个量发生改变,控制其他量不变的实验方法叫控制变量法;(3)[4]分析比较实验序号1、3的数据横截面积不同时,电阻率相同可以确定猜想2是错误的;(4)[5]分析比较实验序号1、4、5的数据,它们的长度、横截面积相同,而材料不同时电阻率不同,可得到的初步结论是电阻率大小与材料的种类有关;(5)[6][7]根据表格可知镍铬合金的电阻率比较大,所以如果要制作一个滑动变阻器,应选用镍铬合金材料作为电阻线圈,这是因为相同规格的这种材料电阻较大。
九年级物理电压 电阻(提升篇)(Word 版 含解析)一、初三物理 电压 电阻 易错压轴题(难)1.小华用如图所示电路来探究串联电路电压的特点。
(1)在拆接电路时,开关应处在___________状态(选填“断开”或“闭合”); (2)实验中应选择规格__________(填“相同”或“不同”)的小灯泡;(3)用电压表分别测出A 与B 、B 与C 、A 与C 两点间的电压为U AB 、U BC 、U AC 。
经过多次实验,得到的数据记录在表中。
分析实验数据,你可得到串联电路的电压特点是_____________________________________;(用公式表示) 实验次数 U AB / V U BC / V U AC / V 1 0.8 2.2 3.0 2 1.0 2.0 3.0 31.21.83.0(4)小华进行多次实验的主要目的是_______;(填字母) a. 寻找普遍规律 b. 减小实验误差(5)测出L 1两端的电压后,小华断开开关,准备拆下电压表,改接在B 、C 之间。
小明认为这样做太麻烦,只需将与A 点相连的导线改接到C 点即可。
小明的做法是________(选填“正确”或“错误”)的,原因是_____________。
【答案】断开 不同 AC AB BC U U U =+ a 错误 电压表正负接线柱接反(或损坏电压表、测不出电压值) 【解析】 【详解】(1)[1]在拆接电路时,为了保护电路,开关应处在断开状态;(2)[2]实验中应选择规格不同的灯泡,因为串联电路电流是相等的,假如规格相同,那么这两灯泡的电压也是相同的,会得到错误的结论; (3)[3]从表中数据可知,第1次实验时0.8V 2.2V 3.0V AB BC AC U U U +=+==第2次、第3次实验时,也能得到这个结论,所以可知串联电路的电压特点是AC AB BC U U U =+;(4)[4]小华进行多次实验的主要目的是寻找普遍规律; (5)[5]小明的做法是错误的;[6]因为这样做,电流会从电压表的负接线柱流入,正接线柱流出,会损坏电压表。
物理九年级上册电压电阻(篇)(Word版含解析)一、初三物理电压电阻易错压轴题(难)1.在“探究串联电路电压特点”的实验中:(1)某次测量时,电压表的示数如图所示,则此时灯L1两端的电压为_____V;(2)某同学在测量了灯L1两端的电压后,断开开关,然后将AE导线的A端松开,接到D接线柱上,测量灯L2两端的电压,这一做法存在的问题是_____;(3)闭合开关S后,发现灯L1发光,L2不发光。
同学们有以下几种猜想:①灯L2灯丝断了;②灯L2的灯座短路;③灯L2也工作,但L2中电流比L1中电流小。
以上猜想中正确有_____(填序号)。
【答案】2.2 电压表的正负接线柱接反②【解析】【分析】【详解】(1)[1]由实物图可知,两灯串联,电压表测L1的电压;电源为两节干电池,则电源电压==2 1.5V3VU⨯根据串联分压的特点可知,灯L1两端的电压不可能大于3V,故图中电压表选择的是0~3V 量程,对应的分度值是0.1V,指针指在2V右面第2个小格上,读数为2V+0.1V2 2.2V⨯=(2)[2]如果将AE导线的A端松开,接到D接线柱上测量灯L2两端的电压,这样电流从电压表的“﹣”接线柱流入,从“+”接线柱流出了,开关闭合后,电压表的指针将反偏,即电压表的正负接线柱接反了,因此这种接法是错误的。
(3)[3]闭合开关S后,发现灯L1发光,L2不发光,则:①若灯L2灯丝断了,电路断路,灯泡L1也不发光,故①错误;②若灯L2的灯座短路,灯L1发光,L2不发光,故②正确;③若灯L2也工作时,由串联电路的电流特点可知,L2中电流和L1中电流相等,故③错误。
综上所述,以上猜想中正确只有②。
2.一实验小组用如图所示的器材探究“串联电路的电压关系”。
用三节干电池串联供电,他们选择了两只规格不同的小灯泡L1、L2。
(1)请用笔画线代替导线,连接实验电路。
要求:电压表测量两灯串联后的总电压,并在右边方框画出电路图。
(________)(2)为了保证电路的安全,连接器材时,开关应____________。
人教版九年级上册物理电压电阻(提升篇)(Word版含解析)一、初三物理电压电阻易错压轴题(难)1.软硬程度不同的铅笔其用途不同例如6B软铅笔用来作画,软硬适中的HB铅笔用来写字,6H硬铅笔用来制图。
已经知道铅笔芯的电阻大小与其长度、横截面积有关。
小明有5cm和15cm的6H、HB、6B的铅笔芯若干,用如图所示的方案探究铅笔芯的电阻大小与其硬度是否有关。
(1)实验中小明通过______反映铅笔芯电阻的大小。
(2)应选用______cm的铅笔芯做实验更好一些(3)实验中更换不同硬度的铅笔芯,发现灯泡亮度几乎不变可能是铅笔芯的电阻差别比较小;改进的措施是:在电路中串联一个______。
(4)实验中,______更换不同硬度的铅笔芯时,(选填“需要”或“不需要”)保持电源电压不变。
(5)根据改进后的方案,画出记录数据的装格,表格中要有必要的信息______【答案】灯泡的亮度 15 电流表需要实验次数铅笔芯硬度电流表示数I/A铅笔芯电阻(选填“较小”、“较大”、“很大”)16H2HB36B铅笔芯横截面积相同,长度为15cm【解析】【分析】【详解】(1)[1]当电压一定时,铅笔芯的电阻越大,电路中的电流越小,灯泡越暗,所以可以用灯泡的亮度来反映铅笔芯的电阻大小。
(2)[2]不同硬度的铅笔芯,选用较长的,它们的电阻差别较大,灯泡亮度变化明显,便于观察。
(3)[3]灯泡亮度几乎不变,说明电流变化不明显,串联一个电流表,可以更准确地反映电流的变化情况。
(4)[4]研究不同硬度铅笔芯的电阻与硬度的关系,应该控制其它因素相同,所以需要保持电源电压不变。
(5)[5]实验时,要控制铅笔芯长度和横截面积相同,进行多次实验,由于没有电压表,所以不能测出铅笔芯的电阻值,只能通过电流表示数来比较其电阻大小,所以设计表格如下:实验次数铅笔芯硬度电流表示数I/A铅笔芯电阻(选填“较小”、“较大”、“很大”)16H2HB36B铅笔芯横截面积相同,长度为15cm2.小华用如图所示电路来探究串联电路电压的特点。
九年级物理上册电压电阻单元检测(提高,Word版含解析)一、初三物理电压电阻易错压轴题(难)1.小红同学对串联电路的电压规律进行了探究.(猜想与假设)串联电路总电压等于各用电器两端的电压之和.(设计与进行实验)(1)按如图所示的电路图连接电路.(2)闭合开关,排除故障,用电压表在AB间测出L1两端的电压.(3)在测L2两端的电压时,小明为了节省时间,采用以下方法:电压表所接的B接点不动,只断开A接点,并改接到C接点上.(4)测出AC间的电压,得出结论.(交流与评估)(1)在拆接电路时,开关必须_________.(2)闭合开关,发现电压表示数为零,则小灯泡的故障可能是L1______或L2_______.(填“短路”或“断路”)(3)小明用步骤3的方法能否测出L2两端的电压?_________,为什么?___________________________.(4)方法改进后,测出AB、BC、AC间的电压记录在下面表格中,小明分析实验数据得出结论:_________________.此实验在设计方案上存在的不足之处是_________.U AB/V U BC/V U AC/V2.4 1.43.8【答案】断开短路断路不能电压表的正负接线柱接反了串联电路中总电压等于各用电器两端的电压之和只做一次实验,一组实验数据得出的实验结论不具普遍性【解析】【分析】【详解】(1)在做电学实验连接电路的过程中,开关应是断开的;(2)由图示可知,当灯泡L1短路时,电压表短路,示数为0;当灯泡L2断路时,整个电路断开,电压表的示数为0;(3)当采用步骤3的操作时,会使电压表正负接线柱反接,不能测出灯泡L2两端的电压;(4)得出的结论为:串联电路中总电压等于各用电器两端的电压之和;由于只做了一次实验,就得出结论,这样的结论不具有普遍性.2.某物理兴趣小组利用图甲所示实验电路图同时测量电源电压U0的大小和电阻R x的阻值,电源电压U0约为2V~3V,R x的阻值约为6Ω~7Ω.实验室提供如下器材:导线若干、开关、电流表(量程0~0.6A,0~3A)、电压表(量程0~3V,0~15V)、滑动变阻器R (最大阻值为30Ω).请你思考完成下列问题:(1)按照图甲用笔画线代替导线,连接好图乙中的实物图_________.(2)用物理量U0、R x、电流表的示数I写出表示电压表示数U大小的关系式:U=_____.(3)①正确连接电路后,闭合开关前应使滑动变阻器连入电路的阻值为_____(选填“最大”或“零”);②移动滑动变阻器的滑片,读出4组电流表和电压表示数,分别以电流表的示数I和电压表的示数U为横坐标和纵坐标,在坐标纸上描点,把这4个点连接起来大致为一条直线(并虚线延长到纵轴),如图丙所示.从图丙中信息可求得:电源电压U0=_____V,电阻R x=_____Ω.【答案】 U0﹣IR x最大 3 6【解析】(1)根据题中条件知,电压表和电流表都使用小量程,如电路图所示,除了电压表,其余元件全部串联起来,最后将电压表并联在滑动变阻器与电流表两端,两表连接时注意电流方向,如图:(2)用物理量U 0、R x 、电流表的示数I 写出表示电压表示数U 大小的关系式:根据U IR =得,R x 两端的电压为:X X U IR =,根据串联电路总电压等于各部分电压之和得电压表的示数为:00X X U U U U IR =-=-;(3)①正确连接电路后,根据保护电路的原则,闭合开关前应使滑动变阻器连入电路的阻值为最大,则闭合开关后,电流最小,对电路起到保护作用.②根据0X U U IR =-,将坐标中任意两组数据代入式子可得:0 2.4V 0.1A x U R =+⨯;0 1.8V 0.2A x U R =+⨯;联合两式解得:6Ωx R =,03V U =.点睛:关键是欧姆定律的应用,有一定难度,最后一问根据坐标图任意找出两个标点的数据,列出电源电压的关系式,即可解出答案.3.如图所示,小刚在探究“串联电路的电压特点”时,将两盏标有“2.5V0.3A”的小灯泡串联起来,接到可调直流电源两端.突然,原来正常发光的两盏灯同时熄灭.(1)关于这两盏灯的故障判断,小刚给出了四种猜测:A .一盏灯断路,另一盏灯完好B .一盏灯短路,另一盏灯完好C .一盏灯断路,另一盏灯短路D .两盏灯同时被烧断四个猜想中,可能性最大的是___________(2)如果这两盏灯熄灭的原因是其中的一盏灯有故障.现有①规格相同的灯泡;②符合要求的电压表;③符合要求的电流表;④一根导线.从它们中间选择一种器材来检测故障,你认为不适用的是_____和______(填序号).理由是_______________ .(3)故障排除后,小刚测出的数据如表,得出的结论有:①串联电路中的总电压等于各部分电路两端的电压总和;②串联电路中各部分两端的电压相等.请你对上述结论分别进行评估:根据串联电路的电压特点结论_____(填①或②)是错误的.形成错误结论的原因是:______________________________________.【答案】A③④用它们检测电路故障容易烧坏另一个灯泡②采用同样规格的灯泡进行实验(或没有换用不同规格的灯泡进行实验).【解析】【详解】(1)把两盏灯串联起来接入电路中,原来正常发光的两盏灯同时熄灭突然熄灭,造成此现象的原因是电路中的电流过大,把其中某盏灯的灯丝烧断了,故A可能性大;正常工作的电路发生短路的可能性较小,两盏灯同时被烧断的可能性也较小。
九年级物理上册电压电阻(提升篇)(Word版含解析)一、初三物理电压电阻易错压轴题(难)1.在探究“导体的电阻与哪些因素有关”的问题时,小吴老师引导同学们做了如下实验:(1)猜想:导体电阻可能与导体材料、长度、温度、_______等有关.(2)实验时,若想探究导体的长度对导体电阻的影响,可选如上图所示的________图.(3)测量时将所测得的数据进行处理后,作出了电阻丝的电阻与电阻丝的长度的关系图象,如下图甲所示.分析图象可得出,导体的电阻与长度的关系是_______.(4)在实验过程中小黄组的电流表损坏了,但聪明的小黄同学就将探测的电阻丝接入图乙中的AB两点之间,并通过观察灯泡的亮度来粗略比较电阻大小,这种物理研究方法叫_________法.(5)小黄组的同学觉得通过观察小灯泡的亮度来比较电阻大小时,认为观察不明显,于是小黄组的同学找老师换来新的小量程电流表分别对图乙的电路作了如下的改进:其中小兵同学把灯泡更换为电流表;小勇同学在原电路中串联入电流表,你认为_________同学的改进更好一些(忽略灯丝电阻变化).【答案】横截面积乙长度越长,电阻越大转换小勇【解析】【分析】【详解】(1)猜想:导体电阻可能与导体材料、长度、温度、横截面积等有关;(2)探究导体的长度对导体电阻的影响,要保持导体的材料、横截面积相同,改变导体的长度,所以应选用乙图进行探究;(3)分析图象可得出,导体的电阻与长度的关系是成正比;(4)将电阻丝接入A. B两点间,闭合开关,电阻的大小转换为灯泡的亮暗或电流表的示数来比较电阻丝电阻的大小,这种方法叫转换法;(5)将灯泡换为电流表,当电路中电阻过小时,电流会过大,电路可能会被烧坏;在原电路中串联一个电流表,灯泡可以起到保护电路的作用.因此小勇同学的方案更好,可以起到保护电路的作用.2.某物理兴趣小组利用图甲所示实验电路图同时测量电源电压U0的大小和电阻R x的阻值,电源电压U0约为2V~3V,R x的阻值约为6Ω~7Ω.实验室提供如下器材:导线若干、开关、电流表(量程0~0.6A,0~3A)、电压表(量程0~3V,0~15V)、滑动变阻器R (最大阻值为30Ω).请你思考完成下列问题:(1)按照图甲用笔画线代替导线,连接好图乙中的实物图_________.(2)用物理量U0、R x、电流表的示数I写出表示电压表示数U大小的关系式:U=_____.(3)①正确连接电路后,闭合开关前应使滑动变阻器连入电路的阻值为_____(选填“最大”或“零”);②移动滑动变阻器的滑片,读出4组电流表和电压表示数,分别以电流表的示数I和电压表的示数U为横坐标和纵坐标,在坐标纸上描点,把这4个点连接起来大致为一条直线(并虚线延长到纵轴),如图丙所示.从图丙中信息可求得:电源电压U0=_____V,电阻R x=_____Ω.【答案】 U0﹣IR x最大 3 6【解析】(1)根据题中条件知,电压表和电流表都使用小量程,如电路图所示,除了电压表,其余元件全部串联起来,最后将电压表并联在滑动变阻器与电流表两端,两表连接时注意电流方向,如图:(2)用物理量U0、R x、电流表的示数I写出表示电压表示数U大小的关系式:根据U IR =得,R x 两端的电压为:X X U IR =,根据串联电路总电压等于各部分电压之和得电压表的示数为:00X X U U U U IR =-=-;(3)①正确连接电路后,根据保护电路的原则,闭合开关前应使滑动变阻器连入电路的阻值为最大,则闭合开关后,电流最小,对电路起到保护作用.②根据0X U U IR =-,将坐标中任意两组数据代入式子可得:0 2.4V 0.1A x U R =+⨯;0 1.8V 0.2A x U R =+⨯;联合两式解得:6Ωx R =,03V U =.点睛:关键是欧姆定律的应用,有一定难度,最后一问根据坐标图任意找出两个标点的数据,列出电源电压的关系式,即可解出答案.3.如图-甲是琪皓和孟伦同学探究并联电路的电流规律的电路图(1)实验中,他们应该选择规格____________的两个小灯泡来进行实验(填“相同”或“不相同”)。
九年级物理上册电压电阻(篇)(Word版含解析)一、初三物理电压电阻易错压轴题(难)1.“探究串联电路的电压关系”实验电路如图甲所示。
(1)在使用电压表之前,发现电压表的指针向没有刻度的那一边偏转,则应对电压表进行______;(2)为了使探究得出的结论具有普遍意义,L1、L2应该选择______(选填“相同”或“不相同”)的小灯泡;(3)根据图甲连接好电路,闭合开关,电压表示数如图乙所示,读数为______V,为了使实验结果更准确,接下来的操作是:______;(4)测出L1两端电压后,小明同学断开开关,准备拆下电压表,改装在B、C之间,小聪同学认为小明的操作太麻烦,只需将与A点相连的导线改接到C点即可。
小聪的办法是否正确?请说明理由。
答:______;理由:______;(5)测出AB、BC、AC之间的电压,记录在图表格中。
根据实验数据得出结论:串联电路总电压等于各用电器两端电压之和。
此结论存在的不足之处是:______。
U AB/V U BC/V U AC/V3.1 1.44.5【答案】机械调零不相同 2.0 电压表换用0~3V量程,重做实验不正确电压表正负接线柱接反实验存在偶然性,需多测几组数据【解析】【分析】【详解】(1)[1]使用电压表之前,发现电压表的指针偏向零刻度的左边,说明电压表没有调零,此时应对电压表进行机械调零。
(2)[2]在“探究串联电路的电压关系”实验中,为了使得到的结论具有普遍性,应该采用规格不相同的灯泡多做几次实验。
(3)[3]如图乙所示电压表选择的是0~15V大量程,其示数为2.0V。
[4]2.0V远小于15V,容易产生误差,为了读数更准确,电压表应该换用0~3V的小量程,重新完成实验。
(4)[5][6]不正确,理由是根据电流流向,电流从电压表正极进、负极出的原则可知,将与A 点相连的导线改接到C点后,电压表正负接线柱接反。
(5)[7]实验中只测出了一组AB、BC、AC之间的电压,便得到结论,一次实验数据得到的结论具有偶然性,为了使结论更具有普遍性,应该多测几组数据。
九年级上册电压电阻(篇)(Word版含解析)一、初三物理电压电阻易错压轴题(难)1.有一个低压电源的电压在 30 V~36 V 间,小明要测量出它的电压(设电源电压保持不变),除了待测电源,手边有一个量程为 0~15 V 的一块电压表,及四个阻值已知的电阻,分别为R1(0.01 Ω)、R2(20 Ω)、R3(30 Ω)和R4(30 kΩ)各一个,一个开关及若干导线,请合理选择以上器材,测出电源电压。
要求:(1)在虚线框中画出实验电路图;(____)(2)写出实验步骤及所需测量的物理量________;(3)写出电源电压的表达式(用已知量和测量量表示)。
U= ______。
【答案】 a.按照电路图连接电路,开关断开;b.闭合开关 S,读出电压表的示数U1.U=2.5 U1【解析】【分析】【详解】(1)[1]由题意可知,电压表的最大量程小于电源的电压,故所用的实验电路应是串联电路,串联的两个电阻应选用20Ω和30Ω,用电压表测出其中一个电阻的电压,再根据串联电路的分压特点,可过求出另一个电阻的电压,则电源的电压亦可求出。
故电路如图:(2)[2]实验的操作过程是:a.按电路图连接电路,连接电路时开关应断开;b.闭合开关S,读出电压表的示数U1。
(3)[3]由实验操作可测出电阻R2的电压U1,而R2、R3的阻值分别为20Ω、30Ω,由串联电路的分压特点,有U1:U2=R2:R3=20Ω:30Ω=2:3即U2=1.5U1那么电源的电压U=U1+U2=U1+1.5U1=2.5U12.徐宁同学设计了如图所示的电路图,进行“探究导体电阻大小与导体长度的关系”的实验,在A、B间接入下表中待研究的电阻丝,电源电压U恒定,忽略温度对灯丝电阻的影响(电阻丝用电阻符号表示):序号材料长度横截面积1锰铜合金丝L S2镍铬合金丝L S3镍铬合金丝L2S4镍铬合金丝2L S(1)徐宁应选择序号为_________的两根电阻丝来进行实验探究.(2)她正确选择后,将电阻丝分别接入A、B间,闭合开关,通过观察电流表示数大小来比较电阻丝电阻的大小,这种研究方法叫__________.实验中,两次电流表指针均有偏转,但第一次的示数大于第二次的示数,说明第一次接入的电阻丝阻值__________(选填“较大”或“较小”);(3)若实验过程中只有一根粗细均匀的锰铜合金丝可供选择,那么她能否利用上述电路研究电阻大小与导体横截面积的关系?____________(选填“能”或“不能”).【答案】2、4 转换法较小能【解析】【详解】(1)[1]为了探究导体电阻大小与导体长度的关系,要保持材料和横截面积相同,观察表中数据可知,序号为2和4的,材料一样,都是镍铬合金丝,横截面积一样,大小都是S,长度不一样,这两跟电阻丝符合要求;(2)[2]闭合开关后,电流表示数越大,电路中的总电阻越小,电阻丝电阻越小,电流表示数越小,电路中的总电阻越大,电阻丝电阻越大,通过观察电流表示数大小来比较电阻丝电阻的大小,这种研究方法叫转换法;[3]第一次的电流表示数大于第二次的电流表示数,根据欧姆定律的变换式可知,第一次的电路总电阻较小,即第一次接入的电阻丝阻值较小;(3)[4]实验过程中只有一根粗细均匀的锰铜合金丝可供选择,要探究电阻大小与导体横截面积的关系,可以把这根锰铜合金丝剪取一半,接入电路做实验,然后再把两根锰铜合金丝缠绕在一起,再接入电路做实验,这样两次实验,电阻丝的材料一样,长度一样,只是横截面积不同;这样是可以探究电阻大小与导体横截面积的关系.3.物理小组探究导电液体的导电性与接入电路中液体横截面积大小的关系.他们用长方体水槽、浓度一定的食盐水、电源、滑动变阻器、电压表及电流表等器材进行了探究.实验电路连接如图-1所示,将电极M、N分别固定在水槽左右两侧底部的中央.(1)闭合开关前,为保护电路,应将滑动变阻器的滑片P移到最_____(选填“左”或“右”)端.(2)实验中,通过调节______来保持电极M、N间的电压恒为3V.控制其他条件不变,通过向水槽中添加食盐水,从而达到改变食盐水的_______的目的,用电流表测出相应的电流值.食盐水导电性的强弱可以由_______来判断.实验数据如下表:实验序号横截面积S/cm2电流I/A1500.0221000.0431500.0742000.0852500.1163000.1373500.1484000.1494500.14(3)依据表格中的数据在图-2中描点,做出电流I随横截面积S变化的I-S图像.(4)分析表格中的数据或图像,可得到初步结论:其他条件不变,横截面积增大时,食盐水的导电性_______.(5)为验证实验结论是否具有普遍性,应采取的做法是:______.【答案】右滑动变阻器的滑片横截面积电流表的示数(或电流的大小)先增大后不变换不同导电液体,多次实验(或换不同浓度的食盐水,多次实验)【解析】【详解】第一空.滑片P滑到右端,滑动变阻器接入电路中的阻值最大,能起到保护电路的作用;第二空.通过调节滑动变阻器滑片改变接入电路的的阻值,从而控制MN两端的电压不变恒为3V;第三空.添加盐水后,液体的横截面积增大,所以通过向水槽中添加食盐水,从而达到改变食盐水的横截面积的目的;第四空.食盐水的导电性能可以通过电流表的读数判断,电流大,导电性能强,电流小,导电性能弱,即食盐水导电性的强弱可以由电流表的示数(或电流的大小)来判断;第五空.根据表格中的数据描点连线,作出电流I随横截面积S变化的I-S图像,如图:第六空.根据表格中的数据或图像都可以看出,当食盐水的横截面积增大时,电流先增大后不变,所以食盐水横截面积增大时,导电性也是先增大后不变;第七空.根据一次实验得出结论具有偶然性,为了验证实验结论是否具有普遍性,可以换不同导电液体,进行多次实验,或换不同浓度的食盐水,进行多次实验.4.雨天乘车时,小华发现小车前挡风玻璃上的刮水器随着雨的大小,刮动的速度相应地发生变化.雨停后,刮水器自动停止工作.小华查阅相关资料后,发现它的工作电路中安装有“雨水检测金属网”装置.小华想,该装置究竟在刮水器工作中起到了什么作用,于是他自制了如图-1所示的雨水检测金属网(以下简称检测网),并设计了如图-2所示模拟电路(1)小华按照所设计的电路图连接电路,实验时,检测网未放入雨水中,电路处于断开状态,再将检测网放入雨水中,电路接通,表明雨水是______(选填“导体”或“绝缘体”).小华通过观察电路中____________的变化,来判断电动机转速的变化,从而反映刮水器刮水速度的变化.(2)将检测网竖立并浸入雨水中不同深度处进行实验,记录如下数据:检测网浸入雨水中部未浸入1/3浸入2/3浸入全部浸入分电流表的示数/A________0.160.200.32①结合上述实验将表格中的数据补充完整.②分析数据可知,检测网浸入雨水中深度越深,电流表示数越大.这说明a、b间接入电路的电阻在__________(选填“变大”或“变小”).根据影响导体电阻大小的因素可知:a、b间接入电路的电阻变化是由导体的_____________变化引起的.(3)小华设计的电路在无雨水时,电动机不能转动,无法实现车窗的清洗.请你在不拆卸原电路的基础上,在该电路中加装一个电路元件,以解决此问题.加装的元件是:_____________简述你的做法:_____________________________________________________________________________________________________________________【答案】(1)导体;电流表示数的;(2)0;变小;横截面积;(3)开关;开关与检测网并联【解析】试题分析:(1)将检测网放入雨水中,电路接通,表明雨水是导体;小华通过观察电路中电流表示数的变化,来判断电动机转速的变化,从而反映刮水器刮水速度的变化;(2)①检测网未浸入雨水时,电路断路,电流表的示数为0;②检测网浸入雨水中深度越深,电流表示数越大.这说明a、b间接入电路的电阻在减小;检测网浸入水中的深度不同,其接入电路的横截面积不同,所以a、b间接入电路的电阻变化是由导体的横截面积变化引起的;(3)无雨水时,电路断路,所以电动机不能转动,如果要实现无雨水时车窗的清洗,需添加一个开关与检测网并联,无雨水时只需闭合开关,电路也会接通.【考点定位】电路与电阻5.某物理兴趣小组利用图甲所示实验电路图同时测量电源电压U0的大小和电阻R x的阻值,电源电压U0约为2V~3V,R x的阻值约为6Ω~7Ω.实验室提供如下器材:导线若干、开关、电流表(量程0~0.6A,0~3A)、电压表(量程0~3V,0~15V)、滑动变阻器R (最大阻值为30Ω).请你思考完成下列问题:(1)按照图甲用笔画线代替导线,连接好图乙中的实物图_________.(2)用物理量U0、R x、电流表的示数I写出表示电压表示数U大小的关系式:U=_____.(3)①正确连接电路后,闭合开关前应使滑动变阻器连入电路的阻值为_____(选填“最大”或“零”);②移动滑动变阻器的滑片,读出4组电流表和电压表示数,分别以电流表的示数I和电压表的示数U为横坐标和纵坐标,在坐标纸上描点,把这4个点连接起来大致为一条直线(并虚线延长到纵轴),如图丙所示.从图丙中信息可求得:电源电压U0=_____V,电阻R x=_____Ω.【答案】 U0﹣IR x最大 3 6【解析】(1)根据题中条件知,电压表和电流表都使用小量程,如电路图所示,除了电压表,其余元件全部串联起来,最后将电压表并联在滑动变阻器与电流表两端,两表连接时注意电流方向,如图:(2)用物理量U 0、R x 、电流表的示数I 写出表示电压表示数U 大小的关系式:根据U IR =得,R x 两端的电压为:X X U IR =,根据串联电路总电压等于各部分电压之和得电压表的示数为:00X X U U U U IR =-=-;(3)①正确连接电路后,根据保护电路的原则,闭合开关前应使滑动变阻器连入电路的阻值为最大,则闭合开关后,电流最小,对电路起到保护作用.②根据0X U U IR =-,将坐标中任意两组数据代入式子可得:0 2.4V 0.1A x U R =+⨯;0 1.8V 0.2A x U R =+⨯;联合两式解得:6Ωx R =,03V U =.点睛:关键是欧姆定律的应用,有一定难度,最后一问根据坐标图任意找出两个标点的数据,列出电源电压的关系式,即可解出答案.6.某物理兴趣小组学习了导体电阻的知识后,对食盐水溶液的导电性能与什么因素有关提出了以下猜想:① 食盐水溶液的导电性能与溶液的浓度有关② 食盐水溶液的导电性能与溶液的质量有关 ③ 食盐水溶液的导电性能与溶液中两点间的距离有关为了验证猜想,他们设计了如图所示的装置,将电路中的a 、b 两金属片分别插入如图甲、乙、丙、丁溶液中所示的位置(金属片a 、b 每次插入溶液中的深度都相同)进行探究:(1)本实验电路中接入电阻R 0的目的是_____________________________;(2)食盐水溶液的导电性能可以由__________________________来判断;(3)将金属片a 、b 分别插入如图甲、乙所示位置可探究猜想_______(选填序号), 为了探究猜想② 应将金属片a 、b 分别插入_________ 两图所示位置;(4)将金属片a 、b 分别插入如图乙、丁所示位置,若I 乙 ≠ I 丁,由此可得到的结论是:________ ;【答案】保护电路 电流表示数的大小(或电流大小) ① 甲、丙 食盐水溶液的导电性能与溶液中两点间的距离有关【解析】【分析】【详解】(1)本实验电路中接入电阻R0的目的是保护电路,防止电路中电流过大烧坏电流表或者导线;(2)导电性能越好,电路中的电流就越大,所以可以用电流表示数的大小来判断食盐水溶液的导电性能;(3)由图可知甲、乙两个溶液密度明显不一样,所以将金属片a、b分别插入甲、乙所示位置时,可以探究猜想:①食盐水溶液的导电性能与溶液的浓度有关;为了探究猜想②,需保证两溶液的浓度一样,溶液中两点间的距离一样,只有溶液的质量不一样,所以应将金属片a、b分别插入甲、丙两图所示位置;(4)图乙、丁只有溶液中两点间的距离不一样,所以得到的结论是食盐水溶液的导电性能与溶液中两点间的距离有关.【点睛】本题考查导体导电性的实验探究,利用的方法是控制变量法.7.在用电流表测电流的实验中:(1)连接电路时,开关应_____;(2)若某同学连接的电路如图甲所示,则电流表测的是灯_____的电流。
人教版九年级上册物理电压电阻单元检测(提高,Word版含解析)一、初三物理电压电阻易错压轴题(难)1.一实验小组用如图所示的器材探究“串联电路的电压关系”。
用三节干电池串联供电,他们选择了两只规格不同的小灯泡L1、L2。
(1)请用笔画线代替导线,连接实验电路。
要求:电压表测量两灯串联后的总电压,并在右边方框画出电路图。
(________)(2)为了保证电路的安全,连接器材时,开关应____________。
(3)小明用电压表测量L1两端电压时,直接选用0∼3V的量程,小悦说这样不行,规范的操作方法应该是:_________。
(4)他们实验中得出一组实验数据如下表。
为了得出串联电路电压关系的普遍规律,他们还应________。
L1两端电压(V)L2两端电压(V)电路两端总电压(V)1.52.8 4.3(5)在探究串联电路电压关系实验中,物理实验小组按如图所示电路测得V的示数是3.8V,V1的示数是2.3V,V2的示数应为____V。
(6)在测量L2两端电压时,两灯突然熄灭,电压表示数为0,用电压表检测L1两端电压为电源电压,则出现故障的原因可能是(__________)A.灯L1短路 B.灯L2短路C.灯L1断路 D.灯L2断路【答案】断开先选用0∼15V的量程试触,若读数小于3V,再换用0∼3V的量程换用不同规格的灯泡,多次实验 1.5 C【解析】【分析】(1)两灯泡、开关、电源组成串联电路,电压表并联在两灯泡两端,连线时注意电压表正负接线柱不要接反;(2)为保证安全,连接电路时,开关应断开;(3)因为电源电压大于3V,在测量电压前,应先用0∼15V量程,测一下L1两端电压,若电压小于3V,再用0∼3V量程;(4)分析表中实验数据,得出结论;为了得出普遍规律,应更换不同的实验器材,进行多次测量;(5)串联电路两端电压等于各部分电路电压之和;(6)两灯突然熄灭说明电路发生断路;电压表测L2两端电压时,电压表示数为零,可能是L2短路或L2之外的电路存在断路;电压表测L1电压时,电压表有示数且等于电源电压,说明此时电压表与电源两极相连接,L1之外电路不存在端路;综合分析可知:电路故障是灯泡L1断路;【详解】(1)[1]两灯泡、开关、电源组成串联电路,电压表并联在两灯泡两端,实物图及电路图如图所示:(2)[2]为保证电路安全,连接电路时,开关应断开;(3)[3]电流表和电压表在使用时,如不能估计测量值的大小,应采用试触法选择合适量程,即先选用0∼15V的量程试测,如果示数小于3V,再改用0∼3V量程测量。
九年级物理上册电压电阻(提升篇)(Word版含解析)一、初三物理电压电阻易错压轴题(难)1.有一个低压电源的电压在 30 V~36 V 间,小明要测量出它的电压(设电源电压保持不变),除了待测电源,手边有一个量程为 0~15 V 的一块电压表,及四个阻值已知的电阻,分别为R1(0.01 Ω)、R2(20 Ω)、R3(30 Ω)和R4(30 kΩ)各一个,一个开关及若干导线,请合理选择以上器材,测出电源电压。
要求:(1)在虚线框中画出实验电路图;(____)(2)写出实验步骤及所需测量的物理量________;(3)写出电源电压的表达式(用已知量和测量量表示)。
U= ______。
【答案】 a.按照电路图连接电路,开关断开;b.闭合开关 S,读出电压表的示数U1.U=2.5 U1【解析】【分析】【详解】(1)[1]由题意可知,电压表的最大量程小于电源的电压,故所用的实验电路应是串联电路,串联的两个电阻应选用20Ω和30Ω,用电压表测出其中一个电阻的电压,再根据串联电路的分压特点,可过求出另一个电阻的电压,则电源的电压亦可求出。
故电路如图:(2)[2]实验的操作过程是:a.按电路图连接电路,连接电路时开关应断开;b.闭合开关S,读出电压表的示数U1。
(3)[3]由实验操作可测出电阻R2的电压U1,而R2、R3的阻值分别为20Ω、30Ω,由串联电路的分压特点,有U1:U2=R2:R3=20Ω:30Ω=2:3即U2=1.5U1那么电源的电压U=U1+U2=U1+1.5U1=2.5U12.小宇同学在“探究串联电路电压规律”的实验时,得到“电源两端电压总大于各用电器两端电压之和”的结论,这与之前“电源两端电压等于各用电器两端电压之和”的猜想不符。
小宇用图甲所示的电路继续进行探究:(1)测量电源及灯泡两端电压,电压表接在AB两点,是为了测量灯___两端的电压,闭合开关,电压表的示数(如图乙所示)是____V;(2)接着小宇直接将电压表接A点的接线改接到D点,闭合开关后,发现电压表_______;(3)纠正错误后,小宇测出导线BC间的电压大约为0.05V。
人教版物理九年级上册电压电阻单元检测(提高,Word版含解析)一、初三物理电压电阻易错压轴题(难)1.某实验小组探究金属丝电阻大小与横截面积的关系,实验室提供了下列器材:小灯泡、电压表、电流表、电池组、滑动变阻器、刻度尺、开关和导线若干。
(1)为了完成实验,还需要选择什么规格的金属丝。
(2)请你选择合适的器材,设计一个实验方案(电路图配合文字叙述)(3)分析可能出现的实验现象并得出结论【答案】(1)选择材料相同、长度相等,横截面积不同的金属丝若干(2)见解析(3)见解析【解析】【详解】(1)在不考虑温度变化的情况下,影响电阻大小的因素有导体的材料、长度和横截面积。
要探究金属丝电阻大小与横截面积的关系,根据控制变量法的原则,需要选择材料相同、长度相等,横截面积不同的金属丝若干,为了实验现象明显可选择电阻率较大的镍铬合金丝。
(2)实验方案:选择电池组、电流表、小灯泡、开关和若干导线连接串联电路,图中AB两点间接入材料相同、长度相等,横截面积不同的金属丝,从小灯泡的亮度可以粗略比较电阻的大小,还可以防止出现短路,通过电流表示数可以准确比较电阻的大小,电路图如下:(3)实验现象:接入AB两点间的导体横截面积越大时,闭合开关后,小灯泡越亮,电流表示数越大;实验结论:在导体的材料和长度相同时,横截面积越大,导体电阻越小。
2.小明想探究某电阻的阻值R,与温度t的关系,设计了如下图所示的电路,其中,定值电阻R o=20 Ω,电源电压U=3 V。
他把该电阻放在不同的温度下做实验,得到了不同温度下该电阻的阻值(如下表)。
(1)由表中数据得出,该电阻的阻值R t与温度t的数学关系式为_____;(2)通过计算说明,当温度为0℃时,小明观察到实验中电压表的示数为多少?_____(3)在实验过程中,小明发现:温度较高时,随温度的上升,电压表示数变化不明显。
经检查,电路连接正常,各元件没有损坏。
你认为小明发现的情况可能是什么原因造成的?_____【答案】R t=0.5t+20; 1.5V;当温度较高时,该电阻阻值较大,定值电阻阻值相对于该电阻过小,导致电压表示数变化不明显。
物理九年级上册电压电阻(提升篇)(Word版含解析)一、初三物理电压电阻易错压轴题(难)1.某实验小组探究金属丝电阻大小与横截面积的关系,实验室提供了下列器材:小灯泡、电压表、电流表、电池组、滑动变阻器、刻度尺、开关和导线若干。
(1)为了完成实验,还需要选择什么规格的金属丝。
(2)请你选择合适的器材,设计一个实验方案(电路图配合文字叙述)(3)分析可能出现的实验现象并得出结论【答案】(1)选择材料相同、长度相等,横截面积不同的金属丝若干(2)见解析(3)见解析【解析】【详解】(1)在不考虑温度变化的情况下,影响电阻大小的因素有导体的材料、长度和横截面积。
要探究金属丝电阻大小与横截面积的关系,根据控制变量法的原则,需要选择材料相同、长度相等,横截面积不同的金属丝若干,为了实验现象明显可选择电阻率较大的镍铬合金丝。
(2)实验方案:选择电池组、电流表、小灯泡、开关和若干导线连接串联电路,图中AB两点间接入材料相同、长度相等,横截面积不同的金属丝,从小灯泡的亮度可以粗略比较电阻的大小,还可以防止出现短路,通过电流表示数可以准确比较电阻的大小,电路图如下:(3)实验现象:接入AB两点间的导体横截面积越大时,闭合开关后,小灯泡越亮,电流表示数越大;实验结论:在导体的材料和长度相同时,横截面积越大,导体电阻越小。
2.某同学用下图所示的电路探究“通过导体的电流与电压、电阻的关系”,电源电压恒为.(1)闭合开关后,电流表无示数,但电压表有示数,原因可能是__________.A.电流表断路B.电压表断路C.R1断路D.R2断路(2)探究电流与电压的关系时,应保持________不变(选填“R1”或“R2”).(3)探究电流与电阻的关系时,当R1的阻值是2Ω,电流表示数是1.0A,要使电流表示数是0.5A,R1的阻值是________Ω;多次测量后,作出的I-R1图像是图乙中的________.【答案】CR14D【解析】【分析】(1)闭合开关,电流表无示数,可能电路出现断路,电压表有示数,则与电压表并联的电路断路;(2)探究电流和电压的关系,应保持电阻不变;(3)探究电流和电阻的关系时,应保持电阻两端的电压不变,根据欧姆定律得到R1的阻值;根据电流和电阻的关系得到I-R1图像。
九年级物理上册电压电阻(篇)(Word版含解析)一、初三物理电压电阻易错压轴题(难)1.探究性学习小组的同学们合作进行探究“串联电路的电压特点”,设计了如图Ⅰ所示电路,并连接了相应的实物电路,如图Ⅱ所示。
(1)在连接的实物电路中有一处错误,无法完成实验,连接错误的导线是______(填a、b 或c)(2)正确连接后,闭合开关,发现电流表和电压表V1都没示数,电压表V2有示数,电路故障可能是______,更换器材后继续实验,根据测得的实验数据,绘制了如图Ⅲ所示的曲线图。
①图Ⅲ中,甲、乙两条曲线是根据图Ⅰ电路测得的实验数据所绘制的曲线,其中图Ⅰ电路中电压表V1对应的曲线是______(填“甲”或“乙”);②已知电源电压恒为6V,根据探究目的分析图Ⅲ中的曲线,得出的实验结论是______;③由图Ⅲ可知,滑动变阻器的最大阻值为______Ω。
(拓展)学习小组的同学还想由此电路探究电流与电阻的关系,可供选择的定值电阻的阻值为5Ω、5Ω、10Ω、15Ω、20Ω、25Ω。
①电路连接正确后,先用5Ω的定值电阻进行实验,闭合开关后,移动滑动变阻器的滑片,使电压表示数为2V,读出了电流表的示数;再将5Ω的定值电阻换成10Ω的定值电阻进行实验,向______移动滑片直至电压表示数为2V,并记录电流表的示数;②该同学还想多测几组数据,但他不能选用的定值电阻阻值是______Ω。
【答案】b滑动变阻器断路甲串联电路中总电压等于各部分电压之和 40 右 25 【解析】【分析】【详解】(1)[1]根据图Ⅰ可以看出,电压表应该并联在滑动变阻器两端,而图Ⅱ中的滑动变阻器被短路,所以导线b应该接到滑动变阻器的左下端接线柱或接到定值电阻R1的右侧接线柱上。
(2)[2]正确连接后,闭合开关,发现电流表和电压表V1都没示数,说明电路断路,电压表V2有示数,则电路故障可能是与电压表V2并联的滑动变阻器断路。
[3]根据图Ⅰ可以看出,电路是一个串联电路,电流增大时,根据U=IR,电压表V1的示数也增大,对应图Ⅲ中的甲曲线。
九年级上册物理电压电阻单元检测(提高,Word版含解析)一、初三物理电压电阻易错压轴题(难)1.软硬程度不同的铅笔其用途不同例如6B软铅笔用来作画,软硬适中的HB铅笔用来写字,6H硬铅笔用来制图。
已经知道铅笔芯的电阻大小与其长度、横截面积有关。
小明有5cm和15cm的6H、HB、6B的铅笔芯若干,用如图所示的方案探究铅笔芯的电阻大小与其硬度是否有关。
(1)实验中小明通过______反映铅笔芯电阻的大小。
(2)应选用______cm的铅笔芯做实验更好一些(3)实验中更换不同硬度的铅笔芯,发现灯泡亮度几乎不变可能是铅笔芯的电阻差别比较小;改进的措施是:在电路中串联一个______。
(4)实验中,______更换不同硬度的铅笔芯时,(选填“需要”或“不需要”)保持电源电压不变。
(5)根据改进后的方案,画出记录数据的装格,表格中要有必要的信息______【答案】灯泡的亮度 15 电流表需要实验次数铅笔芯硬度电流表示数I/A铅笔芯电阻(选填“较小”、“较大”、“很大”)16H2HB36B铅笔芯横截面积相同,长度为15cm【解析】【分析】【详解】(1)[1]当电压一定时,铅笔芯的电阻越大,电路中的电流越小,灯泡越暗,所以可以用灯泡的亮度来反映铅笔芯的电阻大小。
(2)[2]不同硬度的铅笔芯,选用较长的,它们的电阻差别较大,灯泡亮度变化明显,便于观察。
(3)[3]灯泡亮度几乎不变,说明电流变化不明显,串联一个电流表,可以更准确地反映电流的变化情况。
(4)[4]研究不同硬度铅笔芯的电阻与硬度的关系,应该控制其它因素相同,所以需要保持电源电压不变。
(5)[5]实验时,要控制铅笔芯长度和横截面积相同,进行多次实验,由于没有电压表,所以不能测出铅笔芯的电阻值,只能通过电流表示数来比较其电阻大小,所以设计表格如下:实验次数铅笔芯硬度电流表示数I/A铅笔芯电阻(选填“较小”、“较大”、“很大”)16H2HB36B铅笔芯横截面积相同,长度为15cm2.有一个低压电源的电压在 30 V~36 V 间,小明要测量出它的电压(设电源电压保持不变),除了待测电源,手边有一个量程为 0~15 V 的一块电压表,及四个阻值已知的电阻,分别为R1(0.01 Ω)、R2(20 Ω)、R3(30 Ω)和R4(30 kΩ)各一个,一个开关及若干导线,请合理选择以上器材,测出电源电压。
九年级上册电压电阻(提升篇)(Word版含解析)一、初三物理电压电阻易错压轴题(难)1.热敏电阻的阻值会随温度的改变而改变。
小张同学用如图甲所示的电路来探究热敏电阻R T的阻值与温度的关系。
已知M为控温器,电源电压未知但恒定不变,R为电阻箱(一种可以改变并读出阻值的变阻器)。
因实验器材的限制,利用该电路无法直接测出热敏电阻的阻值,聪明的小张进行了如下操作:①根据图甲连接电路,闭合开关前,将电阻箱的阻值调到足够大;②控制控温器中液体温度为10℃,闭合开关,调节电阻箱的阻值,使电流表的示数达到某数值,记录此时电阻箱的阻值为26Ω;③依次改变控温器中的液体温度,同时……,得到相关数据记录如下表所示。
分析并回答下列问题:(1)步骤③中“……”部分的操作是____。
(2)从表中可以得出结论:在一定温度范围,_____。
(3)在科技创新活动中,小张用该热敏电阻和电压表制成了一支指针式温度计(电路图如图乙所示,电压表未接入),它可以直接在电压表刻度盘上读出相应温度。
闭合开关后,小华发现电流表有示数,将电压表依次并在各接线柱之间发现ab间无示数,接ac、bc间有示数,此时电路中的故障是____。
小华重新正确连接电路后,若想要电压表的读数随温度的升高而增大,则应在原理图乙中_____两端接入电压表。
A.a、b B.b、c C.a、c【答案】调节电阻箱的阻值,使电流表的示数保持不变热敏电阻的阻值随温度的升高而减小定值电阻短路A【解析】【详解】(1)为了探究热敏电阻R T的阻值与温度的关系,应保持其他变量不变,即调节电阻箱阻值来保持电流表示数不变;(2)因为热敏电阻R t与电阻箱串联,而电路电流保持不变,所以电路总电阻保持不变,读表可知,那么随着温度升高,变阻箱电阻增大,即热敏电阻R T的减小。
(3)如图乙:闭合开关后,小华发现电流表有示数,说明电路没有断路,将电压表依次并在各接线柱之间发现ab间无示数,而接ac、bc间有示数,则ab间一定发生短路;想要电压表的读数随温度的升高而增大,电路总电压不变的情况下,根据串联分压原理,定值电阻ab两端电压随热敏电阻R t减小而增加,故应接在ab之间,选A。
人教版九年级上册物理电压电阻(篇)(Word版含解析)一、初三物理电压电阻易错压轴题(难)1.“探究串联电路的电压关系”实验电路如图甲所示。
(1)在使用电压表之前,发现电压表的指针向没有刻度的那一边偏转,则应对电压表进行______;(2)为了使探究得出的结论具有普遍意义,L1、L2应该选择______(选填“相同”或“不相同”)的小灯泡;(3)根据图甲连接好电路,闭合开关,电压表示数如图乙所示,读数为______V,为了使实验结果更准确,接下来的操作是:______;(4)测出L1两端电压后,小明同学断开开关,准备拆下电压表,改装在B、C之间,小聪同学认为小明的操作太麻烦,只需将与A点相连的导线改接到C点即可。
小聪的办法是否正确?请说明理由。
答:______;理由:______;(5)测出AB、BC、AC之间的电压,记录在图表格中。
根据实验数据得出结论:串联电路总电压等于各用电器两端电压之和。
此结论存在的不足之处是:______。
U AB/V U BC/V U AC/V3.1 1.44.5【答案】机械调零不相同 2.0 电压表换用0~3V量程,重做实验不正确电压表正负接线柱接反实验存在偶然性,需多测几组数据【解析】【分析】【详解】(1)[1]使用电压表之前,发现电压表的指针偏向零刻度的左边,说明电压表没有调零,此时应对电压表进行机械调零。
(2)[2]在“探究串联电路的电压关系”实验中,为了使得到的结论具有普遍性,应该采用规格不相同的灯泡多做几次实验。
(3)[3]如图乙所示电压表选择的是0~15V大量程,其示数为2.0V。
[4]2.0V远小于15V,容易产生误差,为了读数更准确,电压表应该换用0~3V的小量程,重新完成实验。
(4)[5][6]不正确,理由是根据电流流向,电流从电压表正极进、负极出的原则可知,将与A 点相连的导线改接到C点后,电压表正负接线柱接反。
(5)[7]实验中只测出了一组AB、BC、AC之间的电压,便得到结论,一次实验数据得到的结论具有偶然性,为了使结论更具有普遍性,应该多测几组数据。
人教版物理九年级上册电压电阻(提升篇)(Word版含解析)一、初三物理电压电阻易错压轴题(难)1.热敏电阻的阻值会随温度的改变而改变。
小张同学用如图甲所示的电路来探究热敏电阻R T的阻值与温度的关系。
已知M为控温器,电源电压未知但恒定不变,R为电阻箱(一种可以改变并读出阻值的变阻器)。
因实验器材的限制,利用该电路无法直接测出热敏电阻的阻值,聪明的小张进行了如下操作:①根据图甲连接电路,闭合开关前,将电阻箱的阻值调到足够大;②控制控温器中液体温度为10℃,闭合开关,调节电阻箱的阻值,使电流表的示数达到某数值,记录此时电阻箱的阻值为26Ω;③依次改变控温器中的液体温度,同时……,得到相关数据记录如下表所示。
分析并回答下列问题:(1)步骤③中“……”部分的操作是____。
(2)从表中可以得出结论:在一定温度范围,_____。
(3)在科技创新活动中,小张用该热敏电阻和电压表制成了一支指针式温度计(电路图如图乙所示,电压表未接入),它可以直接在电压表刻度盘上读出相应温度。
闭合开关后,小华发现电流表有示数,将电压表依次并在各接线柱之间发现ab间无示数,接ac、bc间有示数,此时电路中的故障是____。
小华重新正确连接电路后,若想要电压表的读数随温度的升高而增大,则应在原理图乙中_____两端接入电压表。
A.a、b B.b、c C.a、c【答案】调节电阻箱的阻值,使电流表的示数保持不变热敏电阻的阻值随温度的升高而减小定值电阻短路A【解析】【详解】(1)为了探究热敏电阻R T的阻值与温度的关系,应保持其他变量不变,即调节电阻箱阻值来保持电流表示数不变;(2)因为热敏电阻R t与电阻箱串联,而电路电流保持不变,所以电路总电阻保持不变,读表可知,那么随着温度升高,变阻箱电阻增大,即热敏电阻R T的减小。
(3)如图乙:闭合开关后,小华发现电流表有示数,说明电路没有断路,将电压表依次并在各接线柱之间发现ab间无示数,而接ac、bc间有示数,则ab间一定发生短路;想要电压表的读数随温度的升高而增大,电路总电压不变的情况下,根据串联分压原理,定值电阻ab两端电压随热敏电阻R t减小而增加,故应接在ab之间,选A。
【点睛】电流表、电压表在判断电路故障中的应用。
本题考查了学生在实验操作中用电流表、电压表判断电路故障的方法;本题不仅体现了控制变量法思想,还考查了转换法思想,因为无法直接观测热敏电阻R T的阻值,所以可以将其转化为与U/I的关系:R T从而间接得到R T的阻值与温度的关系。
2.“探究串联电路的电压关系”实验电路如图甲所示。
(1)在使用电压表之前,发现电压表的指针向没有刻度的那一边偏转,则应对电压表进行______;(2)为了使探究得出的结论具有普遍意义,L1、L2应该选择______(选填“相同”或“不相同”)的小灯泡;(3)根据图甲连接好电路,闭合开关,电压表示数如图乙所示,读数为______V,为了使实验结果更准确,接下来的操作是:______;(4)测出L1两端电压后,小明同学断开开关,准备拆下电压表,改装在B、C之间,小聪同学认为小明的操作太麻烦,只需将与A点相连的导线改接到C点即可。
小聪的办法是否正确?请说明理由。
答:______;理由:______;(5)测出AB、BC、AC之间的电压,记录在图表格中。
根据实验数据得出结论:串联电路总电压等于各用电器两端电压之和。
此结论存在的不足之处是:______。
U AB/V U BC/V U AC/V3.1 1.44.5【答案】机械调零不相同 2.0 电压表换用0~3V量程,重做实验不正确电压表正负接线柱接反实验存在偶然性,需多测几组数据【解析】【分析】【详解】(1)[1]使用电压表之前,发现电压表的指针偏向零刻度的左边,说明电压表没有调零,此时应对电压表进行机械调零。
(2)[2]在“探究串联电路的电压关系”实验中,为了使得到的结论具有普遍性,应该采用规格不相同的灯泡多做几次实验。
(3)[3]如图乙所示电压表选择的是0~15V大量程,其示数为2.0V。
[4]2.0V远小于15V,容易产生误差,为了读数更准确,电压表应该换用0~3V的小量程,重新完成实验。
(4)[5][6]不正确,理由是根据电流流向,电流从电压表正极进、负极出的原则可知,将与A 点相连的导线改接到C点后,电压表正负接线柱接反。
(5)[7]实验中只测出了一组AB、BC、AC之间的电压,便得到结论,一次实验数据得到的结论具有偶然性,为了使结论更具有普遍性,应该多测几组数据。
3.在“探究串联电路电压的特点”活动中:(1)如图所示,连接电路时,至少需要______根导线;实验中应选择规格______(相同/不同)的小灯泡;(2)在测L1两端电压时,闭合开关,发现电压表示数为零,原因可能是________________(填出一种即可);(3)小芳保持电压表的B连接点不动,只断开A连接点,并改接到C连接点上,测量L2两端电压。
她能否测出L2两端电压?______,理由是_____________________ ;(4)小明分别测出AB、BC、AC间的电压并记录在如下表格中,分析实验数据得出结论:串联电路总电压等于各部分电路两端电压之和。
请对小明的做法进行评价:______________________ 。
U AB/V U BC/V U AC/V2.4 1.43.8【答案】6 不同 L2断路不能正负接线柱反接了一次实验具有偶然性;更换规格不同的灯泡进行多次实验【解析】【分析】【详解】(1)[1]由电路图可知,共需要导线6根导线。
[2]为了避免实验的偶然性,使探究得出的结论具有普遍意义,应该选取不同的小灯泡进行实验。
(2)[3]电压表示数为零,可能电路中出现了断路;若L1断路,则电压表测量的电源电压,有示数;若L2断路,则电压表无示数。
(3)[4][5]小芳保持电压表的B连接点不动,只将与A点相连的导线改接到C点,则会造成电流从负接线柱流入,即正负接线接反了。
所以小芳的办法是错误的,不能测出L2两端电压。
(4)[6]本实验只做了一次实验,而没有进行多次测量,只凭一组实验数据得出结论带有偶然性,不能得出正确规律,故应更换规格不同的灯泡进行多次实验。
4.某同学用下图所示的电路探究“通过导体的电流与电压、电阻的关系”,电源电压恒为.(1)闭合开关后,电流表无示数,但电压表有示数,原因可能是__________.A.电流表断路B.电压表断路C.R1断路D.R2断路(2)探究电流与电压的关系时,应保持________不变(选填“R1”或“R2”).(3)探究电流与电阻的关系时,当R1的阻值是2Ω,电流表示数是1.0A,要使电流表示数是0.5A,R1的阻值是________Ω;多次测量后,作出的I-R1图像是图乙中的________.【答案】CR14D【解析】【分析】(1)闭合开关,电流表无示数,可能电路出现断路,电压表有示数,则与电压表并联的电路断路;(2)探究电流和电压的关系,应保持电阻不变;(3)探究电流和电阻的关系时,应保持电阻两端的电压不变,根据欧姆定律得到R1的阻值;根据电流和电阻的关系得到I-R1图像。
【详解】(1)闭合开关,电流表没有示数,可能出现断路,电压表有示数,则与电压表并联的R1断路,故选C。
(2)该实验是探究R1的电流和电压、电阻的关系,探究电流与电压的关系时,应保持R1不变;(3)R1两端的电压U=IR=1.0A×2Ω=2V,探究电流与电阻的关系时,应保持电阻两端的电压不变,要使电流表示数是0.5A,R1的阻值;因为电压不变,通过导体的电流和电阻成反比,所以作出的I-R1图像是图乙中的D。
【点睛】本题考查电流电压和电阻的关系,当导体的电阻一定时,导体中的电流与导体两端的电压成正比;当导体两端的电压一定时,导体中的电流与导体的电阻成反比。
5.徐宁同学设计了如图所示的电路图,进行“探究导体电阻大小与导体长度的关系”的实验,在A、B间接入下表中待研究的电阻丝,电源电压U恒定,忽略温度对灯丝电阻的影响(电阻丝用电阻符号表示):序号材料长度横截面积1锰铜合金丝L S2镍铬合金丝L S3镍铬合金丝L2S4镍铬合金丝2L S(1)徐宁应选择序号为_________的两根电阻丝来进行实验探究.(2)她正确选择后,将电阻丝分别接入A、B间,闭合开关,通过观察电流表示数大小来比较电阻丝电阻的大小,这种研究方法叫__________.实验中,两次电流表指针均有偏转,但第一次的示数大于第二次的示数,说明第一次接入的电阻丝阻值__________(选填“较大”或“较小”);(3)若实验过程中只有一根粗细均匀的锰铜合金丝可供选择,那么她能否利用上述电路研究电阻大小与导体横截面积的关系?____________(选填“能”或“不能”).【答案】2、4 转换法较小能【解析】【详解】(1)[1]为了探究导体电阻大小与导体长度的关系,要保持材料和横截面积相同,观察表中数据可知,序号为2和4的,材料一样,都是镍铬合金丝,横截面积一样,大小都是S,长度不一样,这两跟电阻丝符合要求;(2)[2]闭合开关后,电流表示数越大,电路中的总电阻越小,电阻丝电阻越小,电流表示数越小,电路中的总电阻越大,电阻丝电阻越大,通过观察电流表示数大小来比较电阻丝电阻的大小,这种研究方法叫转换法;[3]第一次的电流表示数大于第二次的电流表示数,根据欧姆定律的变换式可知,第一次的电路总电阻较小,即第一次接入的电阻丝阻值较小;(3)[4]实验过程中只有一根粗细均匀的锰铜合金丝可供选择,要探究电阻大小与导体横截面积的关系,可以把这根锰铜合金丝剪取一半,接入电路做实验,然后再把两根锰铜合金丝缠绕在一起,再接入电路做实验,这样两次实验,电阻丝的材料一样,长度一样,只是横截面积不同;这样是可以探究电阻大小与导体横截面积的关系.6.一实验小组用如图所示的器材探究“串联电路的电压关系”。
用三节干电池串联供电,他们选择了两只规格不同的小灯泡L1、L2。
(1)请用笔画线代替导线,连接实验电路。
要求:电压表测量两灯串联后的总电压,并在右边方框画出电路图。
(________)(2)为了保证电路的安全,连接器材时,开关应____________。
(3)小明用电压表测量L1两端电压时,直接选用0∼3V的量程,小悦说这样不行,规范的操作方法应该是:_________。
(4)他们实验中得出一组实验数据如下表。
为了得出串联电路电压关系的普遍规律,他们还应________。
L1两端电压(V)L2两端电压(V)电路两端总电压(V)1.52.8 4.3(5)在探究串联电路电压关系实验中,物理实验小组按如图所示电路测得V的示数是3.8V,V1的示数是2.3V,V2的示数应为____V。