焊接结构工艺——支撑座的制作(徐平)要点
- 格式:doc
- 大小:758.50 KB
- 文档页数:19
专业课程设计说明书设计题目:支撑架焊接夹具设计学院:材料科学与工程学院专业:焊接技术与工程学号: 11209050104 姓名: 方旭指导老师: 迟露鑫设计时间: 2015.12.11—2016.01.8目录1.夹具设计的目的意义及要求 (1)1.1焊接工装夹具的意义 (1)1.2夹具设计的基本要求 (1)2.焊接结构件的分析 (2)2.1 焊接结构件组成及成分析 (2)2.2焊接材料焊接性能分析如下: (3)3.制订焊接结构件的焊接工艺 (3)4.焊接夹具的设计 (4)4.1各构件组成及成分 (4)4.2.1基准面的选择 (4)4.2.2定位器的设计 (5)4.2.3夹具体的设计 (6)4.2.5夹具材料的设计 (8)4.1.6夹具尺寸公差及粗糙度 (8)4.1.7国家标准件的选择 (8)4.2 绘制夹具草图 (8)4.3 绘制正式装配图(见图) (9)4.4 绘制零件图(详见图纸) (9)5.夹具使用说明 (10)5.1 夹具体的安装说明 (10)5.2 夹具体的使用说明 (10)5.2.1侧支板定位及夹紧.............................................................. 错误!未定义书签。
5.2.2右支板的定位及夹紧.......................................................... 错误!未定义书签。
6.感谢 (13)7.参考文献 (13)1.夹具设计的目的意义及要求1.1焊接工装夹具的意义焊接工装夹具就是将焊件进行准确定位和可靠夹紧,便于焊件进行装配和焊接、保证焊接结构精度方面要求的工艺装置。
在现代焊接结构生产中,积极推广和使用与产品结构相适应的工装夹具,对提高产品质量,减轻焊接工人的劳动强度,加速焊接生产实现机械化、自动化进程等诸方面起着非常重要的作用。
焊接工装夹具的主要作用有以下几方面:(1)准确、可靠地定位和夹紧,可以减轻甚至取消下料和装配时的划线工作。
安徽机电职业技术学院《焊接结构课程设计说明书》--------------------------支撑座的设计姓名:班级:系部:机械工程系学号:指导老师:2012-2013第二学期目录前言 0第一章设计支撑座的目的 (1)第二章板材的矫正 (2)第三章放样 (3)第四章划线(号料) (5)第五章下料工艺过程 (8)第六章装配——焊接工艺 (12)6.1 焊接装配的基础知识 (12)第七章焊接工艺制定 (18)7.1 焊接方法的选择 (18)7.2 焊接工艺参数的选择 (18)7.3 焊接工艺卡的内容 (20)第八章课程设计总结 (21)前言“焊接结构制造工艺及实施”是一门涉及多种焊接相关知识及多种工程技术,理论与实践结合极为紧密的课程。
接近生产实际经验,贴近生产,贴近工程实践,体系完善。
通过对焊接制造工艺过程中各个环节相关知识的学习,使学生初步掌握现代化焊接结构工艺编制方法,培养理论联系实际,分析问题和解决问题的能力。
帮助我们了解产品的制造工艺和企业通用焊接技术文件样本,还有制造工艺及一些典型的工艺要求,初步积累经验,为以后走上工作岗位打下良好的基础。
当然课程设计是我们学习中必不可少的,有助于帮助我们更好地去了解一个产品的生产过程和制造过程,对于提高我们的能力还是有很大的帮助的,而且在实习中还有老师的指导,和同学的交流,这些在以后的工作岗位上是很少的,学习的机会也会很少的,没有在学校中的这种氛围。
对于这次实习我们还是非常的珍惜的。
第一章设计支撑座的目的为了训练绘图,对焊接结构制造工艺的熟悉,还有铆工中的放样、划线、下料、装配、焊接、矫正,检验等这些技术方面的练习。
初步积累经验,为了自己以后走上工作岗位打下良好基础。
支撑座三视图见上图。
支撑座的组成:所用板材均为6mm厚的板材。
肋板、底板、平板、立板、背板。
本次课程设计的支撑座的材料是Q235钢,材料的合理选用是钢结构承载能力的根本保证和追求经济性的前提,Q235钢塑性好,有一定的强度,用于制造受力不大的零件,对于支撑座的设计Q235钢的使用性能完全可以胜任的,具有较好的塑性和焊接性能。
焊接结构设计的步骤和内容焊接结构设计的步骤和内容,听起来好像挺复杂的,但其实大家可以把它想成是一个做大拼图的过程——先有个整体规划,再一块一块地把每个部分拼好,最后连成一个坚固的整体。
没错,就是这么简单!所以今天咱们就来聊聊这个看似高深的焊接结构设计,怎么就能搞得明明白白,顺顺利利。
最重要的一个步骤——设计前的准备工作。
这个就像是你准备大餐之前,得先搞清楚食材都买好了没。
要设计焊接结构,首先得了解你要焊接的材料是什么,这东西非常关键。
比如钢材、铝合金,不同的材料它的焊接要求不一样,弄不清楚材料,后面可是要出大问题的。
然后,还得搞清楚结构的使用环境,像是室内、室外,还是高温还是低温。
你就想象一下,如果你在冰天雪地里做焊接,那可是得用专门的工具和技术。
环境没搞清楚,整个结构就像是沙子堆起来的楼房,根本支撑不了什么重担。
紧进入焊接结构设计的基本方案。
有点像做房子规划图,一开始得先画个大致的蓝图,标明各个位置,弄清楚每个焊接点、每个接头的具体要求。
比如说,哪些地方要用点焊,哪些地方用对接焊,这些都得搞清楚。
设计的时候,你不能光想着“方便”就好,还得想想强度,能不能承受住长期的使用和外界的压力。
毕竟,焊接结构设计的核心,还是要保证它坚固耐用。
这时候,你可能要参考一些标准规范,像是一些常见的设计图、力学公式啥的,这样才能避免设计的结构出了“纰漏”。
然后嘛,选择合适的焊接工艺。
这个步骤就像是你做菜时选用的烹饪方式,不同的食材,得用不同的火候和锅具。
同理,焊接也是,得根据不同的需求,选择合适的焊接方法。
常见的焊接方式有气焊、电弧焊、激光焊等等,不同的焊接工艺适应不同的材料和结构。
比如薄壁的材料,你可能就得选择精细的焊接工艺,确保焊接不产生过多的热影响区域,避免变形。
再比如大型结构,就得用耐高温、强度高的焊接方法,避免在长期负载下发生裂纹。
得考虑到焊接顺序与方法。
焊接顺序不对,那就是在玩火。
想象一下,如果你在建房子的时候,先把一层砌好,然后再去砌另一层,结果下面的楼层就压坏了。
目录第一章支架焊接结构设计概述 (1)1.1支架焊接结构设计简介 (2)1.2 支架材料的选择 (2)第二章支架焊接工艺设计 (3)2.1确定焊缝的位置 (4)2.2焊接接头形式的设计 (4)2.3焊接方法的选择 (7)2.4焊接材料的选择 (8)2.5焊接工艺参数的选择 (8)2.6 确定焊接顺序 (10)2.7焊接工艺卡片的制定 (10)第三章结构设计的工艺过程 (11)3.1焊接原材料的准备 (11)3.2焊前准备 (12)3.3焊接过程 (12)3.4焊后处理及检验 (12)第四章课程设计总结 (13)第五章参考文献 (13)附表一: (14)附表二: (15)附表三: (16)附表四: (17)附表五: (18)第一章支架焊接结构设计概述1.1支架焊接结构设计简介1.1.1 支架的结构组成及制造关键点(1)组成主要有底座、两侧支撑板、加强筋、圆筒体(2)制造关键点支架上各个焊缝的焊接。
1.1.2 支架的简介及设计要求(1)简介:支架是用于支承轴的机构,支架以Ф30孔套在轴上,此支架既传递运动并保持其他零件工作方式和保持互相之间的正确位置。
(2)设计要求:壁厚:底座20mm、圆筒10mm、肋板12mm、两侧板20mm 。
生产类型:单件生产1.2 支架材料的选择铸件HT150的化学成分如下:C%:3.2-3.8 Si%:2.1-2.7 Mn%:0.5-0.8 P%:〈 2 S%:〈0.15 在HT150中,由于片状石墨的存在,使其抗拉强度和塑性大大低于钢材,但抗压强度和硬度均接近于钢材,属于中强度铸铁件,有一定机械强度和良好的减震性和消磨性,用于制造承受中等载荷的零件。
由以上叙述可知,如果将材料为HT150的铸造支架改为焊接结构,可采用物理性能和力学性能与HT150铸件相似的材料,并且具有良好的焊接性能。
支架是一种全焊结构,支架材料作为一种支撑轴的结构材料,应具有一定的抗压强度、减震性和消磨性。
焊接支架制作方法
1. 选择合适的金属材料:一般建议选择钢材或铝合金材料,这些材料强度高、耐腐蚀性好,适合用于支架的制作。
2. 设计支架:确定支架的尺寸、形状和功能,画出支架的草图或3D模型。
3. 准备工具和材料:包括金属锯、割炬、电焊机、电钻、量具、打磨机等工具和金属材料、焊丝、钻头等材料。
4. 切割金属材料:按照设计草图的大小,用金属锯或割炬将金属材料切割成所需的形状。
5. 打孔:使用电钻钻出支架需要的孔,以便之后的结构连接。
6. 打磨、涂漆:使用打磨机将支架的表面光滑,清除锋利的边缘,同时进行清洁、喷涂耐腐蚀性涂料。
7. 焊接:根据设计草图的需要,将金属材料依次焊接成所需的形状。
注意焊接过程中的焊接加热时间和温度控制。
8. 结构连接:将其他的金属结构件注意和支架进行连接。
9. 检查和测试:检查焊接部位是否牢固,支架是否符合设计需求和负荷要求,会否失稳或者因为负荷过大而发生变形等情况。
10. 处理:如果已经确定该支架合格,则进行最后的表面抛光、涂漆等处理。
灯泡贯机组转子支架焊接工艺守则1、适用范围本守则规定了灯泡贯机组转子支架的焊接工艺要求。
本守则适用于灯泡贯机组转子支架的零件制作、装配、焊接、退火、探伤、划检、校修等过程。
2、引用标准SL36-92 水工金属结构焊接通用技术条件GB985-88 气焊、手工电弧焊及气体保护焊焊缝坡口的基本形式与尺寸JB/T6046-92 碳钢、低合金钢焊接件焊后热处理方法GB11345-89 钢焊缝手工超声波探伤方法和探伤结果分级GB3965-85 钢制压力容器磁粉探伤GB8561 水轮发电机组安装技术规范Q/DF76001-2006 水轮发电机组零部件无损检测方法及质量评定3、一般规定3.1 技术资料3.1.1转子支架制造前应具备下列资料a、转子支架总装图;磁轭圈、中心体、圆盘、上下法兰、筋板等零件图。
b、公司工艺路线、分厂工艺路线、转子支架装配过程卡片。
c、主要钢材、焊接材料质量证明书。
d、外委件、外分厂加工件的产品合格证。
3.1.2转子支架的制造必须按设计图纸和有关工艺文件进行,如有修改应有设计或工艺部门的更改通知书或设计和工艺部门书面同意。
3.2 材料3.2.1转子支架所使用的钢材必须符合图样规定,其性能应符合现行有关标准规定,并具有出厂质量证书,如无质量证书或钢号不清应予以复验,复验合格后方可使用,材料代用单必须经设计部门签字。
3.2.2 焊接材料(焊条、焊丝、焊剂、保护气体)必须具有出厂质量证书,焊接材料代用单须焊接工艺员签字认可。
3.3 基准点和测量工具3.3.1转子支架制造检查所用的钢卷尺和测量仪器应不低于下列精度,并按规定由质检计量部门定期检验,在有效期内使用。
a 、精度为万分之一的钢卷尺b、S3型水准仪测温仪,焊机电流、电压表等仪表也应按规定定期检验,在有效期内使用。
3.3.2转子支架装配所使用的基准点、加工检查线等标记应明显、牢固,易于识别,必要时应向下序交代清楚。
3.4 焊接工艺支撑和临时吊耳3.4.1 焊接用临时工艺支撑在退火后应全部清理干净,图纸和工艺要求的工艺支撑应布置合理和牢固。
模板及支撑架工方法及工艺要点1 施工工艺流程1.1砖胎模工艺流程基础边线放线→砖模砌筑→砖模抹灰。
1.2木模板工艺流程控制点投射→弹出轴线、构件边线→支撑体系搭设、模板安装→模板检查校对、加固→砂浆封底→砼浇筑→模板拆除。
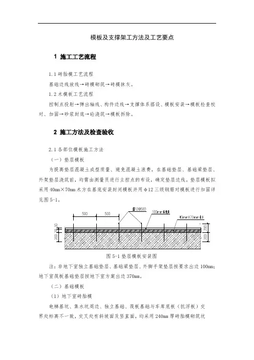
2 施工方法及检查验收2.1各部位模板施工方法(一)垫层模板为提高垫层混凝土成型质量、避免混凝土浪费,在基础垫层、基础梁垫层、外架垫层浇筑前,均需由测量员进行主控点的布设,确定垫层边线。
垫层模板拟采用40mm×70mm木方在基底安装封闭模板并用φ12三级钢筋对模板进行加固详见图5-1。
图5-1垫层模板安装图注:非地下室独立基础垫层、基础梁垫层、外脚手架垫层按要求出边100mm;地下室筏板基础垫层按地下室方案出边370mm。
(二)基础模板(1)地下室砖胎模电梯基坑、集水坑周边、独立基础、筏板基础与车库底板(抗浮板)交界处标高不一致,交叉处有斜坡面及竖直面,均采用240mm厚砖胎模砌筑坑壁;抗浮板周边均砌筑720mm高240mm厚砖胎模(即高出底板结构完成面50mm)。
砖胎膜施工完成后内侧随即用1:2水泥砂浆抹平压光,以确保成型效果和防水质量。
所有砖胎模采用MU10页岩砖, M5水泥砂浆砌筑。
砖胎模施工的同时按设计要求完成基底防水和防水保护层施工。
在防水找平层施工时,对砖胎模底部、顶部、转角阴阳角处采用1:2水泥砂浆抹成圆弧状(圆弧半径r=50mm),以达到防水卷材的施工要求。
(2)非地下室木模板桩承台及筏板基础采用15mm厚双面覆膜木胶合板, 进行模板安装,次龙骨采用40mm×70mm的木方,间距250mm;主龙骨采用双钢管,间距500mm,第一道距垫层100mm,主龙骨之间采用加长对拉螺杆固定,对拉螺杆横向间距不大于600mm。
为了防止承台浇筑时整体位移,在每侧设置两道斜撑。
(三)墙体模板(1)地下室导墙模板施工图纸中,导墙高度为500mm,为了方便混凝土浇筑且保证浇筑质量,实际施工时,导墙高度设置为300mm,导墙上表面平,相对高程为-0m。
安徽机电职业技术学院课程设计焊接结构工艺及实施系别:机械工程系专业:焊接技术及自动化班级: 焊接3121姓名: 徐平学号: 12031230412013~2014学年第二学期目录前言 (1)1、焊接结构工艺及实施实训 (2)1.1实训的目的及意义 (2)1.2实训的主要内容 (2)1.3实训所要准备的工具 (2)1.4实训的步骤 (2)二测量与绘图 (4)2.1测量的基本要求 (4)2.2测量注意的事项 (4)2.3实际测量 (4)2.4绘图的基本要求 (4)2.5绘图注意的事项: (4)三备料与板材初加工 (6)3.1领料 (6)3.2矫正 (6)3.3实际矫正 (6)3.4放样与号料 (6)3.5划线 (7)3.6号料 (7)3.7钢材的切割 (8)3.8氧气切割 (8)四、装配与焊接 (10)4.1装配与焊接顺序 (10)4.2装配时注意的问题 (10)4.3装配顺序 (10)4.4解说这样装配的原因: (11)4.5焊接 (11)五焊接检测 (13)5.1外观检测 (13)5.2无损检测的好处 (13)5.3超声波检测原理 (13)产品检测工艺卡 (14)产品检测报告 (15)结束语 (16)参考书目 (17)前言《焊接结构制造与工艺实施》是一门涉及多种焊接相关知识及多种工程技术,理论与实际结合极为紧密的课程。
其任务是学习焊接结构的基本知识,并以焊接结构、接头形式、焊接变形与应力,通过本次实训,使我们认识到了在具体工作中认识到了如何有效的减小应力与变形对焊接结构的影响,及从原材料的控制与矫正,设计时的预留余量,合理的装配顺序,合理的焊接方法与参数等。
通过本次实训可以使我们对关于焊接方面的书有一个很好的复习与巩固,同时,也检验了我们所学的知识。
通过本次实训让我们更加了解实际生产过程,也让我们了解了如何设计一个合格的产品。
1、焊接结构工艺及实施实训1.1实训的目的及意义《焊接结构制造与工艺实施》是一门涉及多种焊接相关知识及多种工程技术,理论与实际结合极为紧密的课程。
其任务是学习焊接结构的基本知识,并以焊接结构、接头形式、焊接变形与应力,通过本次实训,使我们认识到了在具体工作中认识到了如何有效的减小应力与变形对焊接结构的影响,及从原材料的控制与矫正,设计时的预留余量,合理的装配顺序,合理的焊接方法与参数等。
通过本次实训可以使我们对关于焊接方面的书有一个很好的复习与巩固,同时,也检验了我们所学的知识。
1.2实训的主要内容本次实训主要通过制作一个支撑架,使我们身临其境的感受到如何利用所学的《焊接结构制造工艺及实施》等关于焊接方面的相关知识将一堆材料变成实际的产品。
其中包括测绘、画图、放样、划线、下料、切割、焊接、装配等一系列问题。
总的来说,这是一个焊接方面知识的整合。
1.3实训所要准备的工具测绘工具:三角尺一副、铅笔、A3绘图纸;划线工具:直尺、粉笔、划针、錾子、锤子、圆规;切割工具:氧乙炔切割设备(氧气、乙炔、割枪)、钳子;焊接工具:焊机、焊条(E5015)、锤子、钢丝刷检测工具:超声波检测仪、X射线检测仪1.4实训的步骤领料→外观检查→矫正→排样(套料)→划线→钻孔→下料→装配(配合公差,点固)→焊接二测量与绘图2.1测量的基本要求1)测量对象:支撑架2)测量单位:mm3)测量方法:三角板实尺测量4)测量精度:(-1~+1)mm2.2测量注意的事项1) 正确读出刻度尺的零刻度、最小刻度、测量范围;2) 把刻度尺的刻度尽可能与被测物体接近,不能歪斜;3) 读数时,视线应垂直于被测物体与刻度尺;4) 除读出最小刻度以上各位数字外,还应估读最小刻度下一位的数字;5) 记录的测量数据,包括准确值、估计值以及单位(没有单位的数值是毫无意义的)。
2.3实际测量1)选择好测量基准,将刻度尺的刻度尽可能与被测物体接近,三角尺不能倾斜,要与被测量物体的平面保持平行;2)读数时要尽可能使视线垂直于被测物体与刻度尺;3)按上述步骤测量各个零件。
2.4绘图的基本要求1)粗线与细线要分明2) 三视图要符合“长对正,高平齐,宽相等”2.5绘图注意的事项:1)要注意对称图形要画点划线;2)注意三视图之间的关系;3)注意什么地方是虚线什么地方是实线。
4)要注意焊接符号的标注2.6实际绘图1)根据测量尺寸,画出个零件图;2)在A3图纸上画出三视图,三视图上的尺寸要与零件图相对应;3)画出三视图后,在三视图图上标注出焊接符号。
三备料与板材初加工3.1领料在仓库领取板的规格为6.0mm×500mm的钢板,检查是否有一些严重变形与严重不符合尺寸求的板料,如果有应退料与重新换取。
3.2矫正3.2.1变形的分类钢材在外力作用下,引起尺、形状与体积的改变,称为变形,分弹性变形与塑性变形两种。
弹性变形是在外力去除后能恢复原来形状的变形,也叫临时变形,塑性变形是在外力去除后仍留下来的变形,也叫永久变形。
要根据具体情况采取不同的方法进行矫正。
经常采用的矫正方法有火焰矫正、手工矫正。
3.2.2手工矫正的原理于方法利用小锤子在,由凸起出的边缘开始向周边呈放射状锤击,越向外锤击密度约大,锤击力也越大,使有里向外各部分金属纤维层得到不同程度的延伸,凸起变形在锤击过程中逐渐消失,若在钢板的中部有几处相邻的的凸起,则应在凸起的交界出处轻轻锤击,使数处凸起合并成一个凸起,然后再依照上述方法锤击四周使之展平。
3.2.3火焰矫正与方法利用火焰使较长的纤维缩短,加热位置应选择在金属较长的部位,及材料弯曲部分的外侧。
用不同的火焰热量可以获得不同的火焰矫正变形的能力。
通常,加热速度越快、热量越大,矫正能力也越强,矫正变形量也越大。
钢材加热过程中颜色变化见表一。
3.3实际矫正根据材料的变形情况,选择不同的矫正方法,通常若变形不严重,可采取手工矫正,若变形有点严重,采用火焰矫正,根据变形严重情况,采取不同的加热温度。
3.4放样与号料3.4.1放样根据图样按工件的实际尺寸或一定比例画出该工件的轮廓,或将曲面摊成平面,以便准确定出工件的尺寸,作为制造样板、加工和装配工作的依据,这一工作过程称为放样。
3.4.2确定工件的余量3.5划线划线分为平面划线和立体划线,平面划线是在一个平面上划线,立体划线是划立体上几个面有联系的线。
2.5.1划线注意的事项:1)垂直线必须用作图法划,不能用量角器或直角尺,更不能用目测法划线;2)用圆规在钢板上划圆、圆弧或分量尺寸时,为防止圆规尖角滑动,必须先冲出样冲眼;3)划线前钢材表面应该平整,如有表面呈波浪变形或凹凸不平度过大时,就会影响划线的准确度,所以事先加以矫正; 4)划线的工具在使用前要检查6)在划线后,在线上钻一定数量的孔,防止线不清楚时对加工的影响。
3.6号料利用样板,样杆或根据图纸,在板材及型钢上,划出孔的位置和零件的加工界线,这种操作称为号料。
3.6.1号料时注意的事项:1)准备好下料时所用的各种工具,如手锤、样冲、划规;2)根据图纸直接在样板和型钢上号料时,应检查号料尺寸是否正确,以防止产生错误;3)号料时,不要把材料放在人行道和运输道上;4)需要剪切的零部件,号料时应考虑剪切线是否合理,避免发生不适于剪切的情况。
3.6.2合理的号料方法1)集中下料法2)长短搭配法3)零料拼整法4)排样套料法(本次使用的是排样套料法)3.6.2号料的基本原则下料时,必须采用各种途径,最大限度地提高原材料的利用率,以节约材料。
K=na/A×100%式中K—材料的利用率,%n—板材上的零件数,个a—每一个零件的面积,mm^2A—板材的面积,mm^23..6.3排料示意图图二排料示意图3.7钢材的切割切割的目的就是就是讲放样、下料的零件形状从原材料上进行分离。
3.7.1钢材切割的种类:锯割、砂轮切割、剪切、冲裁、气割、光电跟踪自动切割等。
(本次使用的是气割)3.8氧气切割氧乙炔切割简称氧气切割3.8.1氧气切割的原理因为高温的钢能在氧气中剧烈燃烧,所以钢能用氧气切割。
在切割之前首先将金属加热至燃烧点,然后再用高压的氧气喷射上去,使其剧烈燃烧,同时借助喷射压力将熔渣吹去。
即:加热→燃烧→吹渣3.8.2氧气切割时注意事项:1)切割前将钢板矫正,并把被切割工件垫起工件下面要留出一定空间并使其畅通,保证切口向下的熔渣向下顺利排除;2)切割时,割嘴应与工件保持一定的距离;3)气割接近终点时,割嘴应与切割反方向倾斜一些;4)切割过程中必须防止回火,一旦发生回火,应及时将皮管折拢并捏紧,并紧急关掉乙炔阀门,在关氧气阀。
3.8.3氧气切割实际操作1)一打开氧气瓶、乙炔瓶阀门,并检查气路中是否有漏气;2)在气割枪上,先打开氧气阀约二分之一,后打开乙炔阀约三分之一;3)用打火机在气割枪的侧面点燃,使其燃烧;4)调整乙炔阀与氧气阀,使火焰呈白黄色(1250-1300℃);5)将割嘴与钢板离一定距离,加热,当钢板要熔化时,打开高速氧,割嘴沿划线的方向平稳前进。
氧乙炔割炬示意图四、装配与焊接4.1装配与焊接顺序1)整装—装焊2)随装随焊(本次使用这种方法)3)部件装配焊接—总装配焊接4.2装配时注意的问题1)要使各零件收缩变形最小;2)使焊接时容易操作3)装配的工艺尽量简单经济4)装配时使用的设备是已有的设备4.3装配顺序简单示意装配图如上图所示(从左到右,从上到下)实物装配图如上所示(从左到右)4.4解说这样装配的原因:1)先将两个平板对接起来,这样可以使两个零件之间自由收缩,可以减小应力集中现象;2)将对接好的平板与底板对接,这样考虑的原因是:为了焊接操作更加容易;3)在肋板上开圆弧的原因是为了防止产生三项应力,以免产生脆断;4)先焊止推板与支撑板是使两个零件之间自由收缩,可以减小应力集中现象。
4.5焊接4.5.1焊接方法的选择根据所给条件,和焊件的技术等级要求,所选用的焊接方法是焊条电弧焊(SMAM)4.5.2焊接参数的选择各种电焊条使用电流根据上表,选定的焊条直径是4mm,焊接电流160—210A,根据该参数得出其焊接参数表4.5.3焊接时注意的事项:1)焊接时检查焊机是否接地或接零,并检查是否有绝缘线破损,如果有上述情况,应向老师反映;2)焊接时,要戴好手套、和正确使用面罩;3)刚焊好的焊件,千万不要用手触摸,以免烫伤;4)焊接时,要正确的运条,焊接速度要适宜;5)焊接时,严格按照焊接规范来。
4.6焊接方法的选择1)两加强板使用平焊;2)装配的最后一步,使用的焊接方法是船形焊,这样使焊接操作更加容易;3)在缺少设备的情况下,装配的最后一步,也可进行横焊五焊接检测5.1外观检测焊完后,利用焊接检验尺检测焊缝,看是否有不合格的地方,如,余高过高,坡口不符合要求等。
5.2无损检测常用的无损检测有射线探伤、超声波检测、磁粉探伤、渗透探伤等。