危重症评分表
- 格式:doc
- 大小:69.00 KB
- 文档页数:2
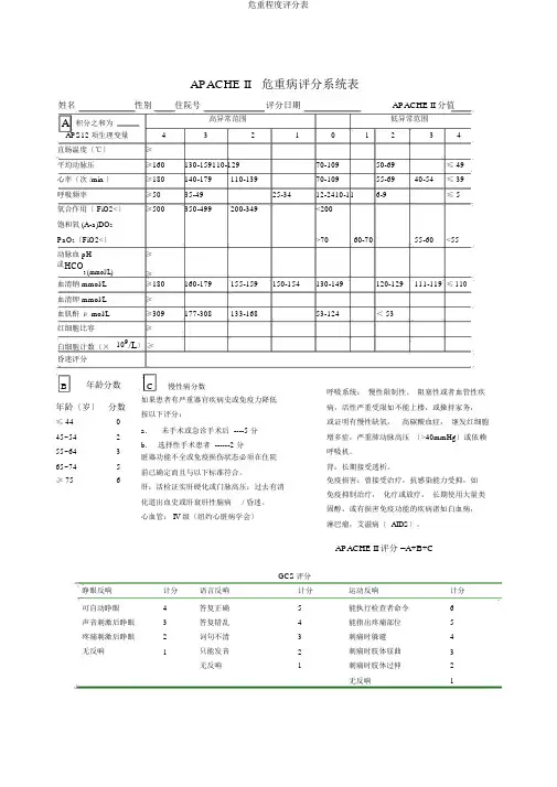
危重程度评分表APACHE II危重病评分系统表姓名性别住院号评分日期APACHE II分值A 积分之和为高异常范围低异常范围APS12项生理变量432101234直肠温度〔℃〕≥平均动脉压≥160130-159110-12970-10950-69≤ 49心率〔次 /min 〕≥180140-179110-13970-10955-6940-54≤ 39呼吸频率≥5035-4925-3412-2410-116-9≤ 5氧合作用〔 FiO2<〕≥500350-499200-349<200饱和氧 (A-a)DO2PaO2〔FiO2<〕>7060-7055-60<55动脉血 pH≥或HCO3 (mmol/L)≥血清钠 mmol/L≥180160-179155-159150-154130-149120-129111-119≤ 110血清钾 mmol/L≥血肌酐μ mol/L≥309177-308133-16853-124< 53红细胞比容≥9/L〕≥白细胞计数〔×10昏迷评分B年龄分数C慢性病分数呼吸系统:慢性限制性、阻塞性或者血管性疾如果患者有严重器官疾病史或免疫力降低年龄〔岁〕分数病,活性严重受限如不能上楼,或操持家务,按以下评分:≤ 440或证明有慢性缺氧,高碳酸血症,继发红细胞a.未手术或急诊手术后----5 分45~542增多症,严重肺动脉高压〔>40mmHg〕或依赖b.选择性手术患者 ------2 分55~643呼吸机。
脏器功能不全或免疫损伤状态必须在住院65~745肾:长期接受透析。
前已确定而且与以下标准符合。
≥ 756免疫损害:曾接受治疗,抗感染能力受抑,如肝:活检证实肝硬化或门脉高压;过去有消免疫抑制治疗,化疗或放疗,长期使用大量类化道出血史或肝衰肝性脑病/ 昏迷。
固醇,或有损害免疫功能的疾病诸如白血病,心血管: IV 级〔纽约心脏病学会〕淋巴瘤,艾滋病〔 AIDS〕。
附件三:常用急诊危重患者病情评估评分表潜在危重病评分系统RAPS-评价院前或住院病人转运风险REMS-预测急诊病人的病死危险性EWS-动态监测病情变化,早期发现潜在危重病人MEWS-对急诊病人去向的分拣和类选治疗SIRS-急危重症初筛方法,早期预测发生MODS(多器官功能衰竭)风险SCS-预测急诊病人近期,特别是30天内死亡危险性MEES-动态评价院前急救和急诊复苏的效果和质量RAPS和REMS评分表变量0 1 2 3 4 5 6脉搏70-109 55-69 40-54 <40110-139 140-179 >179收缩压90-129 70-89(mmHg)130-149 150-179 >179呼吸 12-24 10-11 6-9频率 25-34 35-49 >49GCS >13 11-13 8-10 5-7 <5年龄<45 45-54 55-64 65-74 >74 SpO2>89 86-89 75-85 <75RAPS和REMS评分注意事项:⏹参数取同一时间点⏹动态评分24小时最差值是指总分的最差值⏹血压最好由同一人反复测量,测量部位固定测量外周血氧饱和的部位应固定RAPS和REMS评分与病死危险性对应表RAPS分值REMS分值病死危险率≤7 ≤11 10%8 16-17 50%≥14 ≥24 100%EWS评分表项目评分3 2 1 0 1 2 3心率(次/min)<40 41-50 51-100 101-110 111-130 >130 收缩压(mmHg)<70 70-80 81-100 101-199 ≥200呼吸频率(次/min)<9 9-14 15-20 21-29 >30 体温(℃)<35 35.1-36.5 36.6-37.4 >37.5对声音对疼痛意识清楚有反应有反应无反应改良的早期预警评分(MEWS)项目评分3 2 1 0 1 2 3心率(次/min)≤40 41-50 51-100 101-110 111-129 ≥130 收缩压(mmHg)≤70 71-80 81-100 101-199 ≥200呼吸频率(次/min)<9 9-14 15-20 21-29 ≥30 体温(℃)<35 35.0-38.4 ≥38.5对声音对疼痛意识清楚有反应有反应无反应EWS >3分:提醒医生或ICU人员进行评估,调整处理方案MEWS评分5分:是鉴别患者严重程度的最佳临界点评分<5分,大多数不需住院治疗;评分≥5分,病情变化危险增大,有“潜在危重病”危险。
急性生理与慢性健康APACHEⅡ评分表(2018版)姓名性别年龄(岁)住院号评分时间 : 年月日时分A.急性生理学评分评分标准分值(APS)+4 +3 +2 +1 0 +1 +2 +3 +4体温 ( ℃) ≥41 39-40.9 38.5-38.9 36-38.4 34-35.9 32-33.9 30-31.9 ≤ 29.9平均动脉压 mmHg ≥ 160 130-159 110-129 70-109 50-69 ≤ 49心室率 ( 次 / 分 ) ≥ 180 140-179 110-139 70-109 55-69 40-54 ≤ 39自主呼吸频率 ( 次 / 分) ≥50 35-49 25-34 12-24 10-11 6-9 ≤5PaO2mmHg(FiO2<0.5) >70 61-70 55-60 < 55A-aDO2(FiO 2≥0.5) ≥ 500 350-499 200-349 <200动脉血 PH值≥7.7 7.6-7.69 7.5-7.59 7.33-7.49 7.25-7.32 7.15-7.24 <7.15血清钠 (mmol/L) ≥ 180 160-179 155-159 150-154 130-149 120-129 111-119 ≤ 110血清钾 (mmol/L) ≥7 6-6.9 5.5-5.9 3.5-5.4 3-3.4 2.5-2.9 < 2.5血清肌酐 (umol/L) ≥ 305 172-304 128-171 53-127 < 53红细胞压积 (%) ≥60 50-59.9 46-49.9 30-45.9 20-29.9 < 20白细胞总数 (x10 9 /L) ≥40 20-39.9 15-19.9 3-14.9 1-2.9 <1 GCS 评分+6 +5 +4 +3 +2 +1运动反应□按指令动作刺疼能定位□刺疼能躲避□刺疼肢体屈曲□刺疼肢体过伸□不能活动GCS 语言反应回答切题□回答不切题□说单个词不连贯□只能发音□不能言语积分语言反应(有人工气道者)理解力良好介于两者之间无反应睁眼反应□自动睁眼□语言刺激睁眼□疼痛刺激睁眼□不能睁眼GCS评分(﹦ 1+2+3):GCS积分(﹦ 15﹣GCS):A. APS 总积分:B.年龄评分≤44 □ 0 ; 45-54 □ 2 ;55-64 □ 3 ; 65-74 □ 5 ;≥75 □ 6 B. 年龄积分:C.慢性健康评分有严重器官系统功能不全或免疫损害:择期手术者□ 2 ;不能手术或急诊手术者□ 5 ;C. CHS 积分:(CHS) 无严重器官系统功能不全或免疫损害:□0APACHEⅡ-总积分 (=A+B+C): 分医师签名 :说明: 1. 数据采集应为病人入ICU 或抢救开始即刻或其后24 小时内最差值,并注明具体评分时间。
危重病人APACHE II评分表(可以直接使用,可编辑实用优秀文档,欢迎下载)危重病人APACHE II评分表姓名:性别:年龄:床号:住院号:入科时间:注:1.数据采集应为病人入ICU或抢救开始后24小时内最差值.2.B项中”不能手术”应理解为由于病人病情危重而不能接受手术治疗者.3.严重器官功能不全指:①心:心功能Ⅳ级;②肺:慢性缺氧、阻塞性或限制性通气障碍、运动耐力差;③肾:慢性透析者;④肝:肝硬化、门脉高压、有上消化道出血史、肝昏迷、肝功能衰竭史。
4.免疫损害:如接受放疗、化疗、长期或大量激素治疗,有白血病、淋巴瘤、爱滋病等。
5.D项中的血压值应为平均动脉压=(收缩压+2×舒张压)/3,若有直接动脉压监测则记直接动脉压。
6.呼吸频率应记录病人的自主呼吸频率。
7.如果病人是急性肾功能衰竭,则血清肌酐一项分值应在原基础上加倍(×2)8.血清肌酐的单位是μmol/L时,与mg/dL的对应值如下:mg/dL 3.5 2-3.4 1.5-1.9 0.6-1.4 0.6μmol/L305 172-304 128-171 53-127 53评分时间:年月日医师:APACHE评分系统急性生理学及慢性健康状况评分系统——APACHEⅡ(acute physiology and chronic health evaluationscoring system)是目前临床上重症监护病房应用最广泛、最具权威的危重病病情评价系统。
它经对入ICU的患者的病情评定和病死率的预测可以客观地制订和修正医疗护理计划,为提高医疗质量、合理利用医疗资源以及确定最佳出院时机或选择治疗的时间,提供了客观、科学的依据。
既可用于单病种患者的比较,也可用于混合病种。
1981年由Knaus等[Knaus WA,Draper EA,Wanger D P,et al. APACHE Ⅱ: a severity of classification system. Crit Care Med,1985,13 (40): 818-829]提出的APACHEⅡ评分系统可作为评估ICU患者病情和预后的指标。
危重患者风险评估评分表
危重患者风险评估早期预警(MEWS)评分表(成人)
科别姓名年龄性别床号住院号诊断监测指标
评分评估日期0123
意识清楚对声音
有反应
对疼痛
有反应
无反应
体温(o C)36.1-38
35.1-36或
38.1-38.5
≤35或
≥38.6
——
脉搏(次/分)51-100
41-50或
101-110
≤40或
111-130
>130
收缩压(mmHg)101-19981-100
71-80
或≥200
≤70
评估总分
备注:
1.评估说明:
MEWS:0-4分有危险因素,注意监测,汇报医生,采取相应措
施
MEWS:5-9分病情危险,汇报医生,积极采取有效措施,必要时行专科ICU监护MEWS:>9分病情极危,有死亡危险,应严密监护,迅速采取抢救措施,进ICU监护2.评估要求:
病危、病重住院患者每班评,其他有病情变化随时评估。
危重病人A P A C H E-Ⅱ评分系统表APACHE评分系统急性生理学及慢性健康状况评分系统——APACHE-II,是目前临床上重症监护病房应用最广泛、最具权威的危重病病情评价系统。
它经对入ICU的患者的病情评定和病死率的预测可以客观地制订和修正医疗护理计划,为提高医疗质量、合理利用医疗资源以及确定最佳出院时机或选择治疗的时间,提供了客观、科学的依据。
既可用于单病种患者的比较,也可用于混合病种。
APACHE-II评分系统是由急性生理学评分(APS)、年龄评分、慢性健康状况评分3部分组成,最后得分为三者之和。
理论最高分71分,分值越高病情越重。
其中APS包含12项生理参数,并提出了计算死亡危险度(R)的公式,每位患者R值相加除以患者总数即可得出该群体患者的预计病死率,目前作为ICU入住患者的主要评估标准。
说明:1、数据采集应为病人入ICU或抢救开始后24h内最差值,并注明具体评分时间。
2、B项中“不能手术”应理解为由于病人病情危重而不能接受手术治疗者B项中“慢性病”指住院前患者具有严重器官功能障碍或免疫功能受损病史,判定标准如下,具备一项即可:①肝脏:肝硬化及门脉高压;上消化道出血史;或有肝功能衰竭/肝性脑病/肝性昏迷史。
②心血管:纽约心脏病学会心功能分级IV级。
③肺(呼吸):慢性缺氧、阻塞性或限制性通气障碍、运动耐力差。
④肾脏:正在接受慢性透析治疗。
⑤免疫损害:如接受放疗、化疗、长期或大量激素治疗,有白血病、淋巴瘤、爱滋病等。
3、D项中的血压值应为平均动脉压=(收缩压+2×舒张压)/3,若有直接动脉压监测则记直接动脉压。
4、呼吸频率应记录病人的自主呼吸频率。
5、如果病人是急性肾功能衰竭,则血清肌酐一项分值应在原基础上加倍(×2)。
6。
济宁市第一人民医院西院区ICU
危重症评分系统(APACHEⅡ评分表)
姓名________性别___年龄_____床号____住院号___ 1.APS部分(A)
2.年龄(B)和慢性病(C)评分
A项得分________B项得分________C项得分_______ 总计____________
说明:APACHEⅡ评分表总计71分,分值越大预后越差。
APS部分=13项生理评分总和+(15--GCS);有急性肾衰竭时肌酐分数加倍;FiO2≥0.5时用A-aDO2,FiO2<0.5时用PaO2。
P A-aDO2(mmHg)=(713×FiO2)-(PaCO2/0.8777)-PaO2。
无血气分析时PH值用血清HCO3-代替。
慢性病是指:1.肝硬化门脉高压并消化道出血,肝衰竭;2..心功能不全四级;3.限制性,阻塞性,血管性肺病致活动受限,高碳酸血症.低血氧.RBC增多.PAWP>40 mmHg.呼吸机依赖;4.透析中;5.免疫功能受累:免疫抑制剂治疗,化疗放疗,长期大量类固醇应用,有白血病,淋巴瘤,AIDS.
评分医师____________
评分时间_____年___月___日___时___分。
危重病人APACHE II评分表注: 1.数据采集应为病人入ICU或抢救开始后24小时内最差值.2.B项中”不能手术”应理解为由于病人病情危重而不能接受手术治疗者.3.严重器官功能不全指:①心:心功能Ⅳ级;②肺:慢性缺氧、阻塞性或限制性通气障碍、运动耐力差;③肾:慢性透洗者;④肝:肝硬化、门脉高压、有上消化道出血史、肝昏迷、肝功能衰竭史。
4.免疫损害:如接受放疗、化疗、长期或大量激素治疗,有白血病、淋巴瘤、爱滋病等。
5.D项中的血压值应为平均动脉压=(收缩压+2*舒张压)/3,若有直接动脉压监测则记直接动脉压。
6.呼吸频率应记录病人的自主呼吸频率。
7.如果病人是急性肾功能衰竭,则血清肌酐一项分值应在原基础上加倍(*2)8. 血清肌酐的单位是μmol/L时,与mg/dL的对应值如下:mg/dL 3.5 2-3.4 1.5-1.9 0.6-1.4 0.6μmol/L305 172-304 128-171 53-127 53APACHEⅡ评分系统简介急性生理学及慢性健康状况评分系统——APACHEⅡ(acute physiology and chronic health evaluation scoring system)是目前临床上重症监护病房应用最广泛、最具权威的危重病病情评价系统。
它经对入ICU的患者的病情评定和病死率的预测可以客观地制订和修正医疗护理计划,为提高医疗质量、合理利用医疗资源以及确定最佳出院时机或选择治疗的时间,提供了客观、科学的依据。
既可用于单病种患者的比较,也可用于混合病种。
普通病房危重病人同样适用APACH II评分。
APACHEⅡ评分系统可作为评估ICU患者病情和预后的指标。
APACHE Ⅱ评分系统是由急性生理学评分(APS)、年龄评分、慢性健康状况评分3部分组成,最后得分为三者之和。
理论最高分71分,分值越高病情越重。
其中APS包含12项生理参数,并提出了计算死亡危险度(R)的公式,每位患者R值相加除以患者总数即可得出该群体患者的预计病死率。
一、【危重患者镇静深度评分】Ramsay镇静评分概述适用于接受静脉持续镇静患者。
解释• 1: 镇静不足• 2 - 4: 恰当• 5 或6: 镇静过度机械通气患者的Brussels镇静评分概述Brussels镇静评分用于ICU接受机械通气患者的镇静监护。
镇静水平每4小时评测一次。
二、【危重患者镇痛评分】疼痛评估:疼痛评估应包括疼痛的部位、特点、加重及减轻因素和强度,最可靠有效的评估指标是病人的自我描述。
使用各种评分方法来评估疼痛程度和治疗反应,应该定期进行、完整记录。
常用评分方法有:1.语言评分法(Verbal rating scale, VRS):按从疼痛最轻到最重的顺序以0分(不痛)至10分(疼痛难忍)的分值来代表不同的疼痛程度,由病人自己选择不同分值来量化疼痛程度。
2.视觉模拟法(Visual analogue scale, VAS):用一条100 mm的水平直线,两端分别定为不痛到最痛。
由被测试者在最接近自己疼痛程度的地方画垂线标记,以此量化其疼痛强度。
VAS已被证实是一种评价老年病人急、慢性疼痛的有效和可靠方法。
不痛疼痛难忍0 1003.数字评分法(Numeric rating scale, NRS):NRS是一个从0—10的点状标尺,0代表不疼,10代表疼痛难忍,由病人从上面选一个数字描述疼痛。
其在评价老年病人急、慢性疼痛的有效性及可靠性上已获得证实。
0 1 2 3 4 5 6 7 8 9 10不痛痛,但可忍受疼痛难忍4.面部表情评分法:(Faces Pain Scale,FPS):由六种面部表情及0-10分(或0-5分)构成,程度从不痛到疼痛难忍。
由病人选择图像或数字来反映最接近其疼痛的程度。
FPS与VAS、NRS有很好的相关性,可重复性也较好。
不痛微痛有些痛很痛疼痛剧烈疼痛难忍5.术后疼痛评分法(Prince - Henry 评分法)该方法主要用于胸腹部手术后疼痛的测量。
从0分到4分共分为5级,评分方法如下:表一、术后疼痛评分法分值描述0咳嗽时无疼痛1咳嗽时有疼痛2安静时无疼痛,深呼吸时有疼痛对于术后因气管切开或保留气管导管不能说话的病人,可在术前训练病人用5个手指来表达自己从0~4的选择。
危重症患者风险评估表
一、评估患者下肢深静脉血栓发生的风险:适合长期卧床的病人。
二、评估患者拔管的风险:适合带各种管道的患者。
三、评估使用呼吸机患者的风险:适合使用呼吸机的患者。
(评估“误吸/窒息”参照此评估方法)ICU预防V AP呼吸机相关性肺炎评估表(1-3分低度危险,4-6中度危险,7-8高度危险。
)
四、导尿管相关性尿路感染的风险评估:适合留置尿管的患者。
1、评估症状:患者出现尿频、尿急、尿痛等尿路刺激症状。
2、评估体征:下腹触痛、肾区扣痛,伴有或不伴有发热。
3、尿检白细胞男性≥5个高倍视野,女性≥10个高倍视野,插导尿管者应当结合尿培养。
五、危重病人早期预警评分(生命体征预警评分)
六、吞咽功能:适合吞咽功能异常。
洼田饮水实验评定:让病人取端坐位,喝下30ml温开水,观察所需时间和呛咳情况。
临床指导:1-2级,进食半流质、粘稠食物,取舒适卧位,进食速度合适,保证安全。
2级以上,有误吸的危险,做好各种预防措施,必要时遵医嘱留置鼻饲。
鼓励能吞咽的患者经口进食,进食高蛋白、高维生素食物,选择软饭、半流质或糊状食物,避免粗糙、
干硬、辛辣刺激性食物,少量多餐,充分咀嚼。
对面肌麻痹的患者,进食时应将食物送至口腔健侧近舌
根处。
采取抬高床头等其他措施,减少误吸的发生。
七、Glasgow昏迷评分法:总分范围为3-15分,15分表示意识清醒。
按意识障碍的差异分为轻、中、重三度,轻度13-14分,中度9-12分,重度3-8分,低于8分者为昏迷,低于3分者为深昏迷或脑死亡。
急性生理与慢性健康APACHEⅡ评分表(2018版)
姓名性别年龄(岁)住院号评分时间:年月日时分
刺疼能定位
回答切题
理解力良好介于两者之间无反应
APACHE-Ⅱ总积分(=A+B+C):分医师签名:
说明:1.数据采集应为病人入ICU或抢救开始即刻或其后24小时内最差值,并注明具体评分时间。
Ⅱ由A项、B项及C项三部分组成。
分值范围为0-71分,分值越高病情越重。
急性生理学评分(APS),共12项生理参数,其12项参数必须全部获得,否则会产生误差。
慢性健康评分(CHS),是指患者入ICU前3~6个月的健康状况。
3.平均动脉压=舒张压+1/3脉压差。
4.评价肺氧合功能时,如呼吸机吸氧浓度(FiO2)<或使用鼻导管及普通面罩吸氧者,用动脉血氧分压(PaO2)作为评分指标;如FiO2≥,则用肺泡-动脉氧分压差[(A-a)DO2]作为评分指标。
5.如果确定病人是急性肾功能衰竭,应根据肌酐先行评分后将分值x 2,而非将肌酐数值x 2后再进行评分。
急性肾功能衰竭的定义为:每日尿量< 410 ml,或每日肌酐升高> μmol/L,且未接受长期透析(腹膜透析或血液透析)。
积分:因GCS主要反映中枢神经系统功能,其评分越高表示病情越轻,正常(满分)为15分;而APACHE-Ⅱ评分越高表示病情越重,故以15减去GCS实际得分后再计入APS,以符合APACHE-Ⅱ评分越高病情越重的原则。
两侧肢体活动不对称时,根据病情较轻侧的情况进行评分。
评分:凡有下列严重器官系统功能不全或免疫损害的慢性疾病,行急诊手术或未手术治疗者加5分,择期手术治疗者加2分。
⑴严重器官功能不全指:①心:纽约心脏病协会心功能IV级;②肺:慢性限制性、阻塞性或血管性疾病导致的严重活动受限,或既往有慢性低氧血症、高碳酸血症、继发性红血球增多症、重度肺动脉高压(﹥40mmHg)或呼吸机依赖病史;③肾:长期透析治疗者;④肝:活检证实的肝硬化及明确的门脉高压,或既往因门脉高压引起的上消化道出血;或既往发生肝功能衰竭/肝性脑病/肝昏迷。
⑵免疫损害指:如接受免疫抑制剂、放疗、化疗、长期糖皮质激素或近期大剂量糖皮质激素治疗,或有白血病、淋巴瘤、艾滋病等。
若不符合慢性器官功能不全或免疫功能抑制的诊断,无论入院情况如何,均没有慢性健康评分(即慢性健康评分为0)。
8.计算预期病死率时应根据患者入ICU的主要原因而非基础疾病确定诊断分类系数(或权重),如列举项目均与患者情况不符合,应根据导致患者入ICU的主要罹患器官或系统确定系数。
序贯器官衰竭SOFA评分表(2018版)
姓名性别年龄(岁)住院号评分时间:年月日时
分
说明:1.各种拟肾上腺素类药物至少持续应用1小时才参与评分,剂量单位均为ug/kg/min;2.每日评估时应采取当日最差值;3.各系统仅评取1个分值,以最高分计算。
SOFA评分:分医师签名:。