9-变压器联结方式对三次谐波电压和电流的影响
- 格式:doc
- 大小:724.00 KB
- 文档页数:17
第5章三相变压器的联结组与不对称短路原理简述1.极性测定的依据高、低压线圈之间的相电压相位决定于两个线圈的标号及其绕向,如图5-1示。
若高、低压线圈的标号和绕向都相同(或都相反,图略),则高、低压侧的相电压同相,这时我们说两点同极性。
若只有标号(或绕向,图略)反了,如图5-2,则相电压的相位相反,这时我们说两点不同极性。
2.三相绕组的联接方法把三个单相绕组联成三相绕组将有好几种联法,其中最基本的形式有星形(或形)接法和三角形(D或形)接法两种,此外,还有曲折接法(或接法)。
它们的绕组联接图和电压相量图如图5-3所示。
形联接方法的副方每相绕组有一中间抽头,将绕组分成为相等的两半,和、和、和分别套在不同的铁芯柱上,把一个铁芯柱上的上半个绕组与另一铁芯柱上的下半个绕组反向串联,组成新的一相绕组后,再接成星形联接,其相量图每相相量连接线成曲折形,顾名思意称为曲折形(或形)接法。
从电压相量图可见,相电压只有原来绕组的,就是说在相同的电压下绕组匝数增加到倍,增加了用铜量和损耗。
但形联接的变压器能防止冲击波影响,运行在多雷雨地区可减少变压器雷击损耗。
还常使用于某些整流变压器中以防止中性点位移,使三相电压接近平衡来提高整流效率。
因此形接法近年来渐渐增多,国家标准GB1094-85中也被列为常用联结组之一。
图5-3 三相绕组联接的基本形式(1)形联接法(2)△形联接法(3)形联接法图 5-4 △联接和联接的左行接法在图5-4中画出了三角形接法和曲折形接法的另一种联接次序。
我们把图5-3称右行接法,图5-4就称左行接法。
由于联接次序不同,它们的线电压相位关系就不相同,这一点在下面的联结组别中应注意区别。
一般情况下三角形联接和曲折形联接只采用右行联接,以后不加说明的三角形联接和曲折形联接都是指右行联接。
3.三相变压器的联结组三相变压器高、低压侧线电压之间的相位关系,不但与标号和绕向有关,还与三相线圈的联接方式有关。
根据电机学理论,习惯上用“时钟法”来表示高、低压两侧间线电压的相位关系。
3.24脉波整流机组整流机组是地铁直流牵引供电系统中的重要设备之一。
整流机组的设计、结构特点和保护方式关系到整个直流牵引供电系统的正常运行。
目前,为了提高直流电的供电质量,降低直流电源的脉动量,城市轨道交通多数采用等效24脉波整流机组,一般都由两台相同容量l2脉波的整流变压器[9]和与之匹配的整流器共同组成。
3.124脉波整流机组的作用及要求在地铁供电系统中,牵引变电所高压侧的电压多为35kV AC(或33kV AC),而接触网的电压为1500V DC(或750V DC),所以需要降压和整流。
整流机组包括整流变压器和整流器,其作用是将35kV AC(或33kV AC)降压、整流,输出1500V DC(或750V DC)电压供给地铁接触网,实现直流牵引。
地铁牵引变电所一般设于地下,所以整流机组也安装在地下室内。
整流变压器宜采用干式、户内、自冷、环氧树脂浇注变压器,其线圈绝缘等级为F级,线圈温升限值为70K/90K(高压,低压),其承受极限温度为155℃,铁心温升在任何情况下不应产生损坏铁心金属部件及其附近材料的温度。
在高湿期内可能产生凝露,应采取措施防止凝露对设备的危害。
整流器采用自然风冷式,适用于户内安装。
整流器柜宜采用独立式金属柜,二极管及其它元件的布置应考虑通风流畅、接线方便,同时便于维护、维修。
整流器与外部连接的跳闸信号采用接点方式,报警信号采用数字方式。
柜的上部及底部开口,采取措施防止小动物进入,正面和后面有门,各部件与柜应绝缘。
整流变压器应从结构上进行优化设计,以抑制谐波的产生,减少电磁波干扰。
整流机组产生的谐波电流应满足国家标准的规定,并满足我国电磁兼容相应的标准[10]。
根据IEC164规定,地铁作为重型牵引负荷,其负荷等级为VI级,整流机组设备的负荷特性满足如下要求:100%额定负荷时可连续运行;150%额定负荷时可持续运行2h;300%额定负荷时可持续运行1min。
整流器的设计应满足当任一臂并联的整流管有1个损坏时,能全负荷正常运行。
三相变压器的联接方式和联结组别的判定方法目录一.首端、尾端和同名端的概念1. 变压器绕组的路端子和首尾端2. 两个绕组的同名端3. 首端、尾端跟同名端的关系4. 同名端的测试方法二.三相变压器的联结方式和联结方式的标号1. 表示联结方式的字母符号2. 表示联结组别的数字符号3. 表示三相变压器结线状况的标号三.三相变压器联结组别的判定方法1. Y-d形结线的变压器联结组别的判定方法2. D-y形结线的变压器联结组别的判定方法3. Y-y形结线的变压器联结组别的判定方法4. D-d形结线的变压器联结组别的判定方法5. Z形变压器的联结组别的判定方法四.根据变压器组别标号绘制接线图的方法1. Y-y形接线的变压器结线图的绘制方法2. Y-d形和D-y形变压器结线图的绘制方法3. Z形变压器的结线组别的判定方法五.三相变压器负序相量图的绘制方法(正文)在电力系统,三相变压器是最重要的高压电器设备之一。
本文准备简单介绍三相变压器的结线原理和结线方式,并且重点介绍怎样根据结线方式来判断三相变压器的联结线组别。
所谓“联结组别”实际上就是弄清楚低压绕组上的电压的相位跟对应的高压绕组上的电压相位相比时,低压落后多大角度。
当计算和分析三相电路时,必须搞清楚这个问题。
并作相应的技术处理,否则,否则可能酿成重大事故。
当前,国内书刊介绍的判别三相变压器的联结组别的方法有多种,基本上都是按线电压来判别的。
可是,国际标准(我国已全面采用作为国家标准)中明确规定用相电压进行判断,在IEC标准中给出了相量示意图,但是并没有作解释。
在美国的大学课本中(见文献1)介绍了相量图的画法和结线组别的分析方法。
本文就是介绍这种方法的。
在学习介绍过程中,作者也提出了更简化的分析判定方法。
一.首端、尾端和同名端的概念1.变压器绕组的线路端子和首尾端三相变压器可以是由三个单相变压器通过外部连线组成,也可以制成一个整体的三相变压器。
不管用哪种方法组成三相变压器,总得要把各个端子的用途标示出来。
9、变压器联结方式对三次谐波电压和电流的影响本章的目的,首先是阐述对称三相系统三次谐波电压和电流的基本原理,其二是表明变压器三次谐波的起因,第三是归纳整理事实并列表予以阐述;最后是表明三次谐波的不利影响。
一般情况下,在任何新的理论公布之后,常常不同程度的难以被人们接受,本节将较为详细的论述,以便于读者接受。
本节的分析仅限于对三相双绕组变压器的分析。
只要明白了三相双绕组变压器的基本原理,三相自耦变压器则很容易分析了。
9.1、对称三相系统的三次谐波原理三相系统有两种基本的联结方式,其三次谐波电压和电流的表现方式明显不同,因此需要单独考虑。
1、星形在任何星形联结的系统中,有一条基本规律,即任意瞬间流入和流出公共接点或中性点的电流之和均为零。
在对称三相系统,在基波频率下,三线呈星形联结的系统,每相电流和电压相位差是120°。
在任意瞬间,最大负载相中的瞬时电流等于其他两相的电流之和,但方向与其相反,在基波频率下,整个周期均保持这种平衡。
然而,三次谐波频率,每个相位的电流相位差是3x120°=360°,在同一瞬间,每相电流互相同相,但电流方向相同。
因此,星形联结变压器的电流之和不等于零,在对称三相、三线制星形联结系统中,不存在三次谐波电流。
然而,如果以这种方式从中性点引出中性线,该引出线可使变压器每相形成独立的回路(即使中性线为各相公用),这样可使基波频率的三倍电流在每相绕组和从中性点引线构成的回路中循环。
第四条线路起到疏导三次谐波电流维持系统电流平衡的作用,当然它不影响基波频率电流,因为基波频率电流始终是平衡的。
另一方面,对称三相、三线制星形联结系统的每个相位都可存在三次谐波电压,即电压为每条线路的对地电压(中性点不接地或中性点接),但是却不存在线电压。
由于在每个相位的谐波电压互相同相,因此,仅仅存在一个三次谐波相量,而星形联结的中性点位于这一相量的末端。
这样,中性点的电位并不为零,但是三次谐波电压却在零点附近波动。
工厂供电题库五、问答题1、工厂供电对工业生产有何重要作用?对工厂供电工作有哪些基本要求?重要作用:现代社会是建立在电能应用的基础之上的,电能在产品成本中所占的比重一般很小(除电化等工业外),其重要性是在于工业生产实现电气化以后可以增加产量、提高产品质量和劳动生产率,降低生产成本,减轻工人的劳动强度。
如果工厂供电突然中断,则对工业生产可能造成严重的后果。
例如某些对供电可靠性要求很高的工厂,即使是极短时间的停电,也会引起重大设备损坏,或引起大量产品报废,甚至可能发生重大的人身事故,给国家和人民带来经济上甚至政治上的重大损失。
基本要求:1、安全:在电能的供应、分配和使用中,不应发生人身事故和设备事故。
2、可靠:应满足电能用户对供电可靠性即连续供电的要求。
3、优质:应满足电能用户对电压和频率等质量的要求。
4、经济:供电系统的投资少,运行费用低,并尽可能地减少有色金属消耗量。
2、工厂供电系统包括哪些范围?变电所和配电所的任务有什么不同?什么情况下可采用高压深入负荷中心的直配方式?工厂供电系统是指从电源线路进厂起到高低压用电设备进线端止的电路系统,包括工厂内的变配电所和所有的高低压供电线路。
配电所的任务是接受电能和分配电能,不改变电压;而变电所的任务是接受电能、变换电压和分配电能。
高压深入负荷中心的直配方式,可以省去一级中间变压,简化了供电系统接线,节约投资和有色金属,降低了电能损耗和电压损耗,提高了供电质量。
然而这要根据厂区的环境条件是否满足35kV架空线路深入负荷中心的“安全走廊”要求而定,否则不宜采用。
3、水电站、火电站和核电站各利用什么能源?风力发电、地热发电和太阳能发电各有何特点?水力发电厂利用水流的位能来生产电能;火力发电厂利用燃料的化学能来生产电能;核电站利用核能(原子能)生产电能。
风力发电:利用风力的动能来生产电能。
风能是一种清洁、价廉和可再生的能源。
但是风能的能量密度较小,单机容量不大;而且它是一种具有随机性和不稳定性的能源,因此风力发电必须配备一定的蓄电装置,以保证其连续供电。
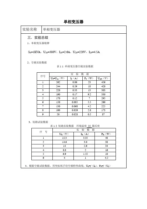
单相变压器必须标明所画图形是什么?并且横坐标和纵坐标物理含义以及单位26022517387+++=)/9 1.734150********三相变压器实验6、计算折算到高压侧的励磁阻抗参数 取额定电压时候一组数据进行计算:000220;0.079;15N U U V I A P W ====022015330.0791607m P R I ==Ω⨯Ω励磁电阻8、计算75℃时的短路阻抗参数 取额定电流时候一组数据进行计算三相变压器的联接组实验直流发电机直流电动机结果表明:直流电动机随着负载增加,转速下降、转矩与负载成正比增加直流电动机随着负载增加,效率先增大后减小,在额定负载附近达到最结果表明:直流电动机机械特性为效率小的下降线性特性。
直流电动机起动和调速实验结果表明:在超过额定转速以上范围内,采用弱磁调速,磁场越小,转速越高。
、画出变励磁近似功率特性P’= f ( I f ) 。
其中P’=P*K为表1-2最后一行n*Ia*If。
因为成正比,进而P正比于转速n、电枢电流Ia结果表明:功率基本相同,此时调速为恒功率调速。
、直流电机起动有哪些方法?直接、串R、降U三相绕组与旋转磁场实验三相鼠笼异步电动机的工作特性笼型异步电机起动实验/绕线式异步电机起动和调速实验异步电机变频调速实验结果说明:除低频补偿段,保持U/f为常数。
4、作出恒转矩调速的P L-f曲线。
结果说明:基频以下恒转矩调速,不同频率下的机械特性基本平行。
计算频率与转速降之间关系表11-21 2 3 4 5 6三相同步发电机运行特性短路电流I K (A )三相同步发电机并联运行四.思考题1、试叙述三相同步发电机投入电网时,若不满足投入电网并联运行条件将引起什么后果?参考教材2、试说明三相同步发电机投入电网并联运行时,有功功率和无功功率的调节方法。
有功功率调节:改变输入功率大小,速度不变改变励磁电流大小或者电枢电压大小。
无功功率调节:改变同步发电机励磁电流大小。
电机学第三版课后习题答案变压器1-1从物理意义上说明变压器为什么能变压,而不能变频率?答:变压器原副绕组套在同一个铁芯上, 原边接上电源后,流过激磁电流I 0, 产生励磁磁动势F 0, 在铁芯中产生交变主磁通ф0, 其频率与电源电压的频率相同, 根据电磁感应定律,原副边因交链该磁通而分别产生同频率的感应电动势 e 1和e 2, 且有 dtd Ne 011φ-=, dtd Ne 022φ-=, 显然,由于原副边匝数不等, 即N 1≠N 2,原副边的感应电动势也就不等, 即e 1≠e 2, 而绕组的电压近似等于绕组电动势,即U 1≈E 1, U 2≈E 2,故原副边电压不等,即U 1≠U 2, 但频率相等。
1-2 变压器一次线圈若接在直流电源上,二次线圈会有稳定直流电压吗?答:不会。
因为接直流电源,稳定的直流电流在铁心中产生恒定不变的磁通,其变化率为零,不会在绕组中产生感应电动势。
1-3变压器的空载电流的性质和作用如何?答:作用:变压器空载电流的绝大部分用来供励磁,即产生主磁通,另有很小一部分用来供给变压器铁心损耗,前者属无功性质,称为空载电流的无功分量,后者属有功性质,称为空载电流的有功分量。
性质:由于变压器空载电流的无功分量总是远远大于有功分量,故空载电流属感性无功性质,它使电网的功率因数降低,输送有功功率减小。
1-4一台220/110伏的变压器,变比221==N N k ,能否一次线圈用2匝,二次线圈用1匝,为什么?答:不能。
由m fN E U Φ=≈11144.4可知,由于匝数太少,主磁通m Φ将剧增,磁密m B 过大,磁路过于饱和,磁导率μ降低,磁阻m R 增大。
于是,根据磁路欧姆定律m m R N I Φ=10可知, 产生该磁通的激磁电流0I 必将大增。
再由3.12f B p m Fe ∝可知,磁密m B 过大, 导致铁耗Fe p 大增, 铜损耗120r I 也显著增大,变压器发热严重,可能损坏变压器。
变压器检修工(中级)练习卷一、填空题1.我国法定长度计量基本单位为( ),其代号为( )。
米 m2.尺寸标注的基本要求是( ),( ),清晰,合理.完整正确3.国产变压器油的牌号有( ),( ),( ),牌号是用油的( )来正分和表示的。
DB-10 DB-25 DB-45 凝固点4.仪表误差通常有三种,即( )、( )、( ),它们的表达式分别为( ),( ),( )。
绝对误差相对误差引用误差△=Ax-A;γ=(△/A° )×100% γm=(△/Am)×100%5.( )法是对变压器油进行净化处理的最普通的一种方法。
过滤6.凡是被绝缘物分开的两个导体的总和叫( ),它能储存( ),主要性能指标是( )与( )电容器电荷电容量耐压7.平行板电容器的电容( )板的面积,( )板间距离。
正比于反比于8.串联电容器的等级效电容量总是( )其中任意一个电容器的电容量,串联电容器越多,总的等效电容量越( )小于小9.设电子质量为m,电量为Q,由静止状态,直线加速到具有速度V时,其所需电压是( )。
(mv2/2Q)10.用电压表测量电压时,必须( )在被测电路中,用电流表测量电流时,必须( )在被测电路中。
并联串联11.变压器额定容量的单位是( ),额定电压的单位是( ),额定电流的单位是( );,空载损耗的单位是( ),负载损耗的单位是( ),空载电流通常以( )的百分数来表示.阻抗电压通常以( )的百分数表示。
伏安伏安瓦瓦额定电流额定电压12.变压器输出的电压比,电流比与匝数比的关系为( )。
U1/U2=W1/W2=I2/I113.磁路磁通Фm,磁阻Rm和磁势F之间的关系为( )。
Фm=F/Rm14.变压器输出有功功率P2与变压器容量S及负荷功率因数Ψ的关系式为( ),输出无功功率Q2与S,Ψ的关系式为( )。
P2=ScosΨ Q2=SsinΨ15.互感器的二次线圈必须一端接地,其目的是( )。
第四章 三相变压器练习题填空题(1)三相变压器组的磁路系统特点是 。
(2)三相心式变压器的磁路系统特点是 。
(3)三相变压器组不宜采用Y,y 联接组,主要是为了避免 。
(4)为使电压波形不发生畸变,三相变压器应使一侧绕组 。
(5)大容量Y/y 联接的变压器,在铁心柱上另加一套接成形的附加绕组,是为了 。
(6)变压器的联接组别采用时钟法表示,其中组别号中的数字为钟点数,每个钟点表示原、副边绕组对应线电势相位差为 。
(7)单相变压器只有两种联接组,分别是 和 。
(8)三相变压器理想并联运行的条件是 , , 。
(9)并联运行的变压器应满足 , , 的要求。
(10)变比不同的变压器不能并联运行,是因为 。
(11)两台变压器并联运行时,其负荷与短路阻抗 。
(12) 不同的变压器绝对不允许并联运行。
(14)短路阻抗标幺值不等的变压器不能并联运行,是因为 。
(15)一台Y/Δ-11和一台Δ/Y -11联接的三相变压器 并联运行。
(16)一台0/12Y Y -和一台0/8Y Y -的三相变压器,变比相等,经改接后 并联运行。
(1)各相主磁通有各自的铁心磁路(2)各相磁路彼此相关(3)变压器在磁路饱和情况下的相电动势波形畸变,(4)接成Δ(5)防止相电动势波形发生畸变,(6)30°的整数倍,(7)Ii0,Ii6(8)各变压器变比相等:各变压器联结组标号相同;各并联变压器的短路电压标幺值相等,短路阻抗角也相等。
(9)变压器一、二次额定电压的误差不大于0.5%;变压器联结组标号相同;各并联变压器的短路阻抗标幺值相差不超过10%(10)产生环流使变压器烧毁(11)标幺值成反比分配(12)组别(14)负载分配不合理,不能发挥并联运行的容量水平(15)能(16)能选择题(1)三相心式变压器各相磁阻 。
A .相等B .不相等,中间相磁阻小C .不相等,中间相磁阻大(2)要得到正弦波形的感应电势,则对应的磁通波形应为 。
变压器接法详解常见的变压器绕组有二种接法,即“三角形接线”和“星形接线”;在变压器的联接组别中“D表示为三角形接线,“Yn”表示为星形带中性线的接线,Y表示星形,n表示带中性线;“11”表示变压器二次侧的线电压Uab滞后一次侧线电压UAB330度(或超前30度)。
变压器的联接组别的表示方法是:大写字母表示一次侧(或原边)的接线方式,小写字母表示二次侧(或副边)的接线方式。
Y(或y)为星形接线,D(或d)为三角形接线。
数字采用时钟表示法,用来表示一、二次侧线电压的相位关系,一次侧线电压相量作为分针,固定指在时钟12点的位置,二次侧的线电压相量作为时针。
“Yn,d11”,其中11就是表示:当一次侧线电压相量作为分针指在时钟12点的位置时,二次侧的线电压相量在时钟的11点位置。
也就是,二次侧的线电压Uab滞后一次侧线电压UAB330度(或超前30度)。
变压器二个绕组组合起来就形成了4种接线组别:“Y,y”、“D,y”、“Y,d”和“D,d”。
我国只采用“Y,y”和“Y,d”。
由于Y连接时还有带中性线和不带中性线两种,不带中性线则不增加任何符号表示,带中性线则在字母Y后面加字母n表示。
n表示中性点有引出线。
Yn0接线组别,UAB与uab相重合,时、分针都指在12上。
“12”在新的接线组别中,就以“0”表示。
(一)变压器接线组别变压器的极性标注采用减极性标注。
减极性标注是将同一铁心柱上的两个绕组在某个瞬间相对高电位点或相对低电位点称为同极性,标以同名端“A”、“a”或“•”.采用减极性标注后,当电流从原绕组“A”流入,副绕组电流则由“a”流出。
变压器的接线组别是三相权绕组变压器原,副边对应的线电压之间的相位关系,采用时钟表示法。
分针代表原边线电压相量,并且将分外固定指向12上,时针代表对应的副边线电压相量,指向几点即为几点钟接线。
变压器空载运行中,Yyn0接线组别高压侧为“Y”接线,激磁电流为正弦波。
由于变压器磁化曲线的非线性,铁芯磁通为平顶波,含有三次谐波成分较大,对于三芯柱铁芯配变,奇次磁通无通路,只有通过空气隙、箱壁、夹紧螺栓形成通路,这样就增加了磁滞及涡流损耗;Dyn11接线中,奇次谐波电流可在高压绕组内环流,这样铁芯中的磁通为正弦波,不会产生前者的损耗。
第3章 三相变压器[内容]目前,电力系统均采用三相制,所以三相变压器得到了广泛应用。
三相变压器在对称负载下运行时,其各相的电压、电流大小相等,相位互差,因此对三相变压器的分析和计算可取其中的一相来进行,即三相问题可以转化为单相问题,于是单相变压器的基本理论(基本方程式、等效电路、相量图等)完全适用于三相变压器中的任一相。
本章主要研究三相变压器的几个特殊问题:(1)三相变压器的磁路结构;(2)三相变压器的联结组别;(3)联结组别和磁路结构对相绕组感应电动势波形的影响。
°120[要求]● 掌握三相组式变压器和三相心式变压器磁路结构的特点。
● 掌握三相变压器联结组别的概念,联结组别的判定方法。
●掌握联结组别和磁路结构对相绕组感应电动势波形的影响。
3.1 三相变压器的磁路结构三相变压器按磁路结构(铁心结构)可分为组式变压器和心式变压器两类。
一、三相组式变压器的磁路特点三相组式变压器由三台相同的单相变压器组合而成,如图3.1.1所示。
其磁路特点是: (1)各相磁路彼此独立,互不关联,即各相主磁通都有自己独立的磁路; (2)各相磁路几何尺寸完全相同,即各相磁路的磁阻相等;(3)当一次侧外加三相对称电压时,三相主磁通、、是对称的,三相空载电流也是对称的。
U Φ&V Φ&WΦ&二、三相心式变压器的磁路特点三相心式变压器的铁心结构是从三相组式变压器铁心演变而来的。
将三台单相变压器铁心合并成图3.1.2(a)的样子;当一次侧外加三相对称电压时,三相主磁通、、是对称的,中间铁心柱内磁通++=0,因此可以去掉中间铁心柱,变成图3.1.2(b);为使结构简单、制造方便,把三相铁心布置在同一平面内,便得到图3.1.2(c),这就是常用的三相心式变压器铁心。
U Φ&V Φ&W Φ&U Φ&V Φ&WΦ&三相心式变压器的磁路特点是:(1)各相磁路不独立,互相关联。
整理9变压器联结方式对三次谐波电压和电流的影响变压器是电力系统中常用的电气设备,用于改变交流电的电压和电流。
在变压器的联结方式中,有9种常见的方式,分别是Yy0、Yd11、Yd1、Dyn11、Dyn1、Yyn0、Yyn11、Yyn1和YYd1。
这些不同的联结方式对于系统中的电压和电流谐波的传递产生了不同的影响。
首先,我们先了解一下什么是三次谐波电压和电流。
三次谐波是指频率是基波频率的三倍的谐波信号,它在电力系统中是一种常见的电磁干扰源。
因为三次谐波的频率较低,所以它们更容易通过变压器传递到系统的其他部分,对系统产生不利的影响。
现在,我们来看看不同的变压器联结方式对三次谐波的影响。
1. Yy0联结方式:Yy0联结方式是一种较为常见的变压器联结方式。
在Yy0联结方式下,变压器的高压侧和低压侧都采用星形连接,而且都接地。
这种联结方式可以有效地阻止三次谐波电压和电流的传递,减小对系统的影响。
2. Yd11联结方式:Yd11联结方式也是常用的变压器联结方式之一。
在Yd11联结方式下,变压器的高压侧采用星形连接,低压侧采用三角形连接。
这种联结方式可以有效地抑制三次谐波电流的传递,但对于三次谐波电压的影响相对较小。
3. Yd1联结方式:Yd1联结方式是一种较为特殊的变压器联结方式。
在Yd1联结方式下,变压器的高压侧采用星形连接,低压侧为单相接地。
这种联结方式可以有效地抑制三次谐波电流的传递,并减小对系统的影响。
4. Dyn11联结方式:Dyn11联结方式是对称性连接,常用于较大容量的变压器。
在Dyn11联结方式下,变压器的高压侧和低压侧都采用星形连接,且高压侧相位移90度。
这种联结方式能够有效地控制三次谐波电压和电流的传递,减小对系统的影响。
5. Dyn1联结方式:Dyn1联结方式是一种较为特殊的对称性连接方式。
在Dyn1联结方式下,变压器的高压侧和低压侧都采用星形连接,但高压侧相位与低压侧相位相反。
这种联结方式可以有效地阻止三次谐波电压和电流的传递,减小对系统的影响。
9、变压器联结方式对三次谐波电压和电流的影响本章的目的,首先是阐述对称三相系统三次谐波电压和电流的基本原理,其二是表明变压器三次谐波的起因,第三是归纳整理事实并列表予以阐述;最后是表明三次谐波的不利影响。
一般情况下,在任何新的理论公布之后,常常不同程度的难以被人们接受,本节将较为详细的论述,以便于读者接受。
本节的分析仅限于对三相双绕组变压器的分析。
只要明白了三相双绕组变压器的基本原理,三相自耦变压器则很容易分析了。
9.1、对称三相系统的三次谐波原理三相系统有两种基本的联结方式,其三次谐波电压和电流的表现方式明显不同,因此需要单独考虑。
1、星形在任何星形联结的系统中,有一条基本规律,即任意瞬间流入和流出公共接点或中性点的电流之和均为零。
在对称三相系统,在基波频率下,三线呈星形联结的系统,每相电流和电压相位差是120°。
在任意瞬间,最大负载相中的瞬时电流等于其他两相的电流之和,但方向与其相反,在基波频率下,整个周期均保持这种平衡。
然而,三次谐波频率,每个相位的电流相位差是3x120°=360°,在同一瞬间,每相电流互相同相,但电流方向相同。
因此,星形联结变压器的电流之和不等于零,在对称三相、三线制星形联结系统中,不存在三次谐波电流。
然而,如果以这种方式从中性点引出中性线,该引出线可使变压器每相形成独立的回路(即使中性线为各相公用),这样可使基波频率的三倍电流在每相绕组和从中性点引线构成的回路中循环。
第四条线路起到疏导三次谐波电流维持系统电流平衡的作用,当然它不影响基波频率电流,因为基波频率电流始终是平衡的。
另一方面,对称三相、三线制星形联结系统的每个相位都可存在三次谐波电压,即电压为每条线路的对地电压(中性点不接地或中性点接),但是却不存在线电压。
由于在每个相位的谐波电压互相同相,因此,仅仅存在一个三次谐波相量,而星形联结的中性点位于这一相量的末端。
这样,中性点的电位并不为零,但是三次谐波电压却在零点附近波动。
电力电子技术课程设计---三相半波整流电路————————————————————————————————作者:————————————————————————————————日期:1 三相半波整流电路的负载分析1。
1 引言单相整流电路线路简单,价格便宜,制造、调整、维修都比较容易,但其输出的直流电压脉动大,脉动频率低。
又因为它接在三相电网的一相上,当容量较大时易造成三相电网不平衡,因而只用在容量较小的地方.一般负载功率超过4kw要求直流电压脉动较小时,可以采用三相可控整流电路。
半波整流电路是一种实用的整流电路。
它由电源变压器B 、整流二极管D 和负载电阻Rfz ,组成。
变压器把市电电压(多为220伏)变换为所需要的交变电压e2,D 再把交流电变换为脉动直流电.图1 半波整流电路变压器砍级电压e2,是一个方向和大小都随时间变化的正弦波电压,它的波形如图所示。
在0~K时间内,e2为正半周即变压器上端为正下端为负.此时二极管承受正向电压面导通,e2通过它加在负载电阻Rfz上,在π~2π时间内,e2为负半周,变压器次级下端为正,上端为负。
这时D承受反向电压,不导通,Rfz,上无电压。
在π~2π时间内,重复0~π时间的过程,而在3π~4π时间内,又重复π~2π时间的过程…这样反复下去,交流电的负半周就被"削”掉了,只有正半周通过Rfz,在Rfz上获得了一个单一右向(上正下负)的电压,如图所示,达到了整流的目的,但是,负载电压Usc。
以及负载电流的大小还随时间而变化,因此,通常称它为脉动直流。
这种除去半周、图下半周的整流方法,叫半波整流.不难看出,半波整说是以"牺牲"一半交流为代价而换取整流效果的,电流利用率很低(计算表明,整流得出的半波电压在整个周期内的平均值,即负载上的直流电压Usc =0.45e2 )因此常用在高电压、小电流的场合,而在一般无线电装置中很少采用。
图2 正弦波图形1。
三相变压器的连接组别一、Dyn11与Yyn0的区别三角形对星形接法,DYn11:D表示一次绕组为三角型接线,Y表示二次测绕组星型接线,n表示引出中性线,11表示二次测绕组的相角滞后一次绕组330度,用时钟的表示方法,假设一次测绕组为中心12点时刻,那么二测绕组就在11点位置Yyn0:高压星形连接、低压星形连接并引出中性线;Dyn11:高压三角形连接,低压星形连接并引出中性线。
当低压三相负载不平衡时,低压线圈存在零序电流,Yyn0连接的变压器由于高压星形连接,零序电流没有通路,所以低压零序电流产生零序磁通,从而感应出零序电势,也就是说相电压存在零序分量,使得三相相电压失去平衡,波形失真。
而在Dyn11连接的变压器中,由于高压是三角形连接,高压线圈中也感应出零序电流,它所产生的零序磁通抵消低压所产生的零序磁通,相电压中就不存在零序分量了。
所以说,Dyn11变压器比Yyn0变压器带不平衡负载的能力强。
但 Yyn0变压器结构要简单些,一般在1600KVA以下小容量的的变压器中仍然可以采用这种接法。
1)根据配电线路负荷的特点,美式箱变采用Dyn11结线,具有输出电压质量高、中性点不漂移、防雷性能好等特点。
在箱变低压侧三相负荷不平衡时,由于零序电流和三次谐波电流可以在高压绕阻的闭合回路内流通,每个铁心柱上的总零序磁势和三次谐波磁势几乎等于零,所以低压中性点电位不漂移,各项电压质量高;同样由于雷电流也可以在高压绕阻的闭合回路内流通,雷电流在每个铁心柱上的总磁势几乎等于零,消除了正、逆变换过电压,所以防雷性能好,但存在非全相运行问题,我公司采取在低压主开关加装欠压保护装置。
2)Yyn0接线,当高压熔丝一相熔断时,将会出现一相电压为零,另两相电压没变化,可使停电范围减少至1/3。
这种情况对于低压侧-9*3为单相供电的照明负载不会产生影响。
若低压侧为三相供电的动力负载,一般均配置缺相保护,故此不会造成动力负载因缺相运行而烧毁。
9、变压器联结方式对三次谐波电压和电流的影响本章的目的,首先是阐述对称三相系统三次谐波电压和电流的基本原理,其二是表明变压器三次谐波的起因,第三是归纳整理事实并列表予以阐述;最后是表明三次谐波的不利影响。
一般情况下,在任何新的理论公布之后,常常不同程度的难以被人们接受,本节将较为详细的论述,以便于读者接受。
本节的分析仅限于对三相双绕组变压器的分析。
只要明白了三相双绕组变压器的基本原理,三相自耦变压器则很容易分析了。
9.1、对称三相系统的三次谐波原理三相系统有两种基本的联结方式,其三次谐波电压和电流的表现方式明显不同,因此需要单独考虑。
1、星形在任何星形联结的系统中,有一条基本规律,即任意瞬间流入和流出公共接点或中性点的电流之和均为零。
在对称三相系统,在基波频率下,三线呈星形联结的系统,每相电流和电压相位差是120°。
在任意瞬间,最大负载相中的瞬时电流等于其他两相的电流之和,但方向与其相反,在基波频率下,整个周期均保持这种平衡。
然而,三次谐波频率,每个相位的电流相位差是3x120°=360°,在同一瞬间,每相电流互相同相,但电流方向相同。
因此,星形联结变压器的电流之和不等于零,在对称三相、三线制星形联结系统中,不存在三次谐波电流。
然而,如果以这种方式从中性点引出中性线,该引出线可使变压器每相形成独立的回路(即使中性线为各相公用),这样可使基波频率的三倍电流在每相绕组和从中性点引线构成的回路中循环。
第四条线路起到疏导三次谐波电流维持系统电流平衡的作用,当然它不影响基波频率电流,因为基波频率电流始终是平衡的。
另一方面,对称三相、三线制星形联结系统的每个相位都可存在三次谐波电压,即电压为每条线路的对地电压(中性点不接地或中性点接),但是却不存在线电压。
由于在每个相位的谐波电压互相同相,因此,仅仅存在一个三次谐波相量,而星形联结的中性点位于这一相量的末端。
这样,中性点的电位并不为零,但是三次谐波电压却在零点附近波动。
图139说明了这种状态,图中还表明所论及的线电压如何抵消三次谐波对地电压,使线路端子电压免受三次谐波电压的影响。
以这种方式从中性点引出中性线时,是为三次谐波电流提供了流通路径,它迫使电路周围的电流抵消线对中性点的三次谐波电压。
因此,根据有三次谐波电流通过的电路特点可以看出,三次谐波电压可以被全部抑制或部分被抵消。
2、三角形在任何三角形联结系统中,三角形内的总基波电压为零。
即在基波频率下,相位差为360°/m(m为相位数)的电压相量和构成一个封闭的等边三角形。
在对称三相三角形联结系统中,每相出现的三次谐波电压相位差为:因此它们互相同相,并且在封闭的三角形电路中相当于三次谐波频率的单相电压。
然而,实际上,在封闭的三角形系统,并不存在这种电压,所以三角形联结的线路中并没有出现三次谐波电流,三次谐波电压受到抑制。
图l39、中性点不接地的对称三相三线制星形联结系统中的“中性点漂移”现象在讨论三相变压器在星形和三角形联结的各种组合所产生的三次谐波问题时,必须依据以下几条基本原则:(1)、在三线制的星形联结中,线与中性点或线与地之间可能存在着三次谐波电压,但在线间却并不存在三次谐波电压。
(2)、在三线制的星形联结中,不存在三次谐波电流。
(3)、在四线制的星形联结中,由于三次谐波电路的阻抗,线与中性点或线与地间的三次谐波电压将部分或完全地受到抑制。
(4)、在四线制的星形联结中,三次谐波电流可以在各相和引出线及中性点构成的回路中流通。
(5)、在三线制的三角形联结中,各相中均有三次谐波电压,因此线间三次谐波电压消失。
(6)、在三线制的三角形联结中,三次谐波电流可以在闭合的三角形联结中流动,但线电流中不包含三次谐波电流。
9.2、变压器中三次谐波电压和电流的起因应当指出,这种讨论与供电电源的高次谐波作用无关,它仅仅限于对变压器磁路和电路的固有特性进行讨论。
磁路和电路有着密切的内在联系,在两个电路中产生的高次谐波现象当然应当互相信赖。
在交变电磁场作用下,变压器铁心叠片有两个特性,从而使某些交变量产生较明显的波形畸变(根据标准的正弦波),这些交变量是空载电流、磁通、和感应电压。
交变磁通量产生畸变是由于铁心钢片磁导率的变化和周期性磁滞现象来说,在此力求通过图解的简明方式而并非用冗长的数学公式来达到概括和有说服力的解释。
图140--146及其注释,目的就在于此。
图140示出了冷轧电工钢片的磁滞回线及典型的B/H曲线。
磁滞回线说明了在实际中将会出现的基本形状。
图140、冷轧电工钢片典型的B/H曲线和磁滞回线图141、在正弦供电电压波形的空载电流、磁通和压电压波形图141示出了空载电流、磁通和感应电压之间的波形关系,当电压是正弦波形时,不存在磁滞。
根据对这些曲线的研究可以看出,电流是实际的励磁电流,并与磁通同相。
它的峰值形式表明存在明显的三次谐波。
还应当指出,在横轴,这一波形是对称的,在纵轴,这一波形每侧各为一半。
当然假定感应电压波形是正弦波,所以磁通必然是正弦的。
图142、在正弦供电电压波形下的空载电流、磁通和感应电压波形(图中包括磁滞效应)图142除了磁滞外,其他均与图141类似。
在这种情况下,电流不是实际的励磁电流,因为引进了磁滞分量,从而使空载电流领先磁通θ角。
因此磁滞相位角超前。
这一数值还表明在最大磁通下,实际励磁电流的数值和空载电流是相同的,但考虑磁滞效应时,空载电流在表示峰值的纵轴则变成不对称形状。
对比图141和图142可以看出,在实际的励磁电流中几乎完全含有三次谐波分量,即使由于磁滞将就产生三次谐波电流分量,也微乎其微。
因此,产生三次谐波电流是由于改变铁心电工钢片的磁导率,磁滞效应的影响仅仅是一小部分。
图143表明了在正弦电流波形和没有磁滞效应时的空载电流、磁通和感应电压间的波形关系。
正如图141所示出的那样,电流是实际的励磁电流并且与磁通同相。
磁通波形顶部呈平缓状,图中还表明存在的三次谐波与基波同相,谐波具有一个负最大值,并且与基波的正最大值相吻合,因此产生了顶部平缓形状的合成波形。
应当指出,在横轴磁通波形是对称的,在纵轴每侧则为半个周波。
当然,感应电压由正弦波磁通和平波磁通产生,并且受磁通波形偏离的影响,在感应电压中也存当三次谐波分量(见143)。
当三次谐波的电压波形与基波相反时,会在同一瞬间出现基波和谐波的正最大值,因此合成的电压波形出现峰值。
图144除了考虑磁滞效应外,其他与图143相同。
在这种情况下,空载电流超前于磁通,因此磁滞回线的相位角θ超前,正如图142所示出的那样,磁通波形顶部形态较为平缓,在横轴仍然呈现对称状,在通过峰值的纵轴每侧为半个周波。
图143和144的感应电压波形并没有考虑5次以上的谐波,感应电压在零轴波动原因则在于此。
虽然磁滞效应增加了它的非对称性,但却并没有改变磁通波形的最大值。
磁滞回线越宽,磁通渡形不对称性越大。
图145和图146示出了对图141中高于5次谐波的励磁电流波形i0和对图143中感应电压E的分析,在每种情况下,图中给出的波形均是指基波和三次谐波的合成波形,还指出了忽略高于三次以上谐波的谐波影响所能造成的误差程度。
为了较直观的表示基波与三次谐波的近似相位关系,采用合成波的形式,图147仅仅示出了不同谐波位置的基波和三次谐波相叠加时的合成波形。
图145、对图141空载电流波形峰值的谐波分析根据上述讨论的三次谐波起因,得出以下结论:(1)、由于磁通波形为正弦,因此感应电压、空载电流含有明显的三次谐波,因而产生带尖峰的波形。
尽管电工钢片磁导率不断变化,但三次谐波仍主要包括在实际的励磁电流分量中,而磁滞分量在三次谐波电流中仅占微不足道的一小部分。
(2)、由于空载电流和磁通是正弦波形,因此感应电压含有明显的三次谐波电流。
从而产生顶部平缓的磁通波形和带峰值的感应电压波形。
表26所示是对以上结论的概括:α为不变;b为E方均根值(rms)不变。
图146、图143的感应电压波形峰值的谐波分析图147、基波和三次谐波的叠加表26磁通、感应电压和空载电流间的波形关系9.3、三次谐波的不良影响三次谐波对变压器的不良影响可分为两类。
由于三次谐波电流产生的影响:(1)、变压器绕组和负载过热;(2)、对电话和高灵敏度的保护设备产生磁干扰;(3)、增加变压器铁心损耗。
由于三次谐波电压产生的影响:(1)、增加变压器绝缘应力;(2)、在相邻的输电线和电话线间产生静电放电;(3)、在变压器绕组和线电容间产生三次谐波的频率谐振。
现将这些不利影响主要概括如下:1、变压器绕组和负载过热实际上,由于三次谐波电流循环导致的变压器绕组和负载过热很少出现,只要认真设计变压器,使铁心中的磁通密度不要高到增加空载电流三次谐波分量的程度便可解决这个问题。
除了设计问题外,当然,变压器也可能会承受比最初设计值高的过电压。
在这种情况下,由于磁通密度增大产生的铁心损耗所引起的过热要比因三次谐波循环电流增大所引起的绕组过热要严重得多,无论变压器绕组是三角形联结还是带中性点引出线的星形联结方式,都会得出这些结论。
实际上,只有在变压器一次绕组联结成曲折形,发电机和变压器中性点连接在一起时,由于三次谐波电流的循环才可能使变压器产生严重过热。
2、对电话和高灵敏度的保护设备产生磁干扰众所周知,与电话线相平行的输电线路流经三次谐波电流或者通过接地电话线返回时,在电话线中会产生干扰。
这对于一定长度的输电线或配电线尤为重要(明显不同于负载的短联结),它通常仅仅出现在具有中性点引出线的星形联结中,中性点引出线可以是一根电缆芯或地。
在高灵敏度保护系统的控制铁心中也可发生类似的干扰,除非特别注意,否则继电器可能出现误动作。
可以采用三角形联结的变压器绕组或取消中性点引线并且仅仅在电路一点接地的方式进行补救。
3、增加变压器铁心损耗当单相变压器组成的三相组采用星形/星形联结时,经验表明,变压器组和发电机中性点之间一次侧的中性点引线(允许三次谐波电流循环)会导致变压器铁心损耗增加到不连接中性点时的120%。
这一数值根据变压器结构和一次电路的阻抗变化而变化。
这种情况与三相壳式变压器的情况类似。
在一定条件下,星形/星形联结的三相壳式变压器或单相变压器组相电压的三次谐波分量可以受线电容的影响而增大。
如果高压中性点接地,则会出现这种情况。
因此,三次谐波电流会流经变压器绕组,并经过地和线对地电容返回。
这种现象仅仅在电路电容小于电感时,并且三次谐波电流比三次谐波电压超前近乎90°,变压器铁心磁通的三次谐波分量同相的情况下才出现。
因此,磁通的三次谐波分量增大后,导致三次谐波电压增加并进一步增加了三次谐波的容性电流。
这一过程持续到变压器铁心出现饱和为止。
在这一阶段可以发现,感应电压明显高于额定电压并且具有较高的峰值,因此变压器铁心损耗明显增大。