塔吊全套表格台账
- 格式:docx
- 大小:14.80 KB
- 文档页数:2
塔吊、起重机、提升机安全管理台账
塔吊技术资料登记表
工程名称:
塔吊基础钢筋验收单
塔吊编号:塔吊型号:工程名称:
制造单位:拆装单位:验收日期:年月日
固定式塔吊基础验收单
塔吊编号:塔吊型号:工程名称:
制造单位:拆装单位:验收日期:年月日
行走式塔吊路基与轨道验收记录项目部:
塔吊分段验收记录项目部::
塔机拆装前检查记录
塔机安装过程检查表
项目部:年月日
检验人员:安装负责人:
塔吊顶升前后检查表
塔吊安装拆除队伍资质证明文件
复印件
塔吊机拆装日记
起重机相关技术资料登记
物料提升机每日班前安全检查、运行记录施工单位:工程名称:。
表8.1.8.1-1 建筑施工起重机械(塔式起重机)固定混凝土基础验收表表8.1.8.1-2 建筑施工起重机械(塔式起重机)预制拼装基础验收表
表8.1.8.1-3 建筑施工起重机械(塔式起重机)轨道基础验收表
表8.1.8.1-4 建筑施工起重机械(塔式起重机)安装前检查表
表8.1.8.1-5 建筑施工起重机械(塔式起重机)安装自检表
(续表一)
(续表二)
(续表三)
(续表四)
注:1. 表中序号打“*”为保证项目,其他为一般项目;
2. 表中打“—”的表示该处不必填写,而只需在相应“备注”中说明即可;
3. 对于不符合要求的项目应在备注栏具体说明,对于要求量化的参数应按规定量化在备注栏内;
4. 表中d表示钢丝绳公称直径;
5. 钢丝绳磨损量=[(公称直径-实测直径)/公称直径]×100%;
6. 首次安装及每次附着顶升后,安装单位均应按此表对塔式起重机进行自检。
8.1.8.1-6建筑施工起重机械(塔式起重机)安装检测报告
(粘贴)
表8.1.8.1-7 建筑施工起重机械(塔式起重机)安装验收记录表
(续表)
注:首次安装及每次附着顶升后,施工总承包单位应组织有关单位按此表对塔式起重机进行验收。
表8.1.8.1-8 建筑施工起重机械(塔式起重机)使用登记证
(粘贴)。
建筑起重机械使用安全管理台账(塔式起重机)无锡市建筑安装管理处无锡市建设工程安全监督站塔式起重机使用安全管理台账作用登记编号:设备型号:有效期限:出厂日期:产权登记编号:工程名称:工程地点:使用单位:安装单位:监理单位:出租单位:设备负责人:联系电话:起止日期:目录一、填写说明二、《建筑起重机械安全监督管理规定》(中华人民共和国建设部令第166号)三、项目部起重机械管理网络图四、项目机管员、安全员上岗上岗证书五、塔式起重机起重性能表(图)六、各类记录表1.塔式起重机安装、附着验收移交使用登记表(塔附表一)2.塔式起重机作使用安全技术交底记录表(塔附表二)3.塔式起重机操作人员安全教育记录表(塔附表三级教育)4.塔式起重机项目部周检查记录表(塔附表四)5.塔式起重机企业月检查记录表(塔附表五)6.塔式起重机项目部巡查记录表(塔附表六)7.塔式起重机维修和技术改造记录表(塔附表七)8.塔式起重机运行故障记录表(塔附表八)9.塔式起重机生产安全事故记录表(塔附表九)七、附件1.使用单位、项目部起重机械各项管理制度2.使用单位、项目部起重机械各岗位安全生产管理责任制3.塔式起重机租赁合同(含安全使用管理协议)4.塔式起重机安装质量检测报告书、复检报告书5.多塔作业、特殊环境作业等安全使用方案、措施6.塔式起重机使用安生产安全应急预案7.其它八、塔式起重机使用安全管理台账副本塔式起重机每班保养、累计运转记录(单行本)一、填写说明1.设备行动使用过程中,对设备的定期检查和维护保养是确保安全的重要环节,设备使用单位和合同约定单位必须严格、认真做好检查和维护保养工作。
2.设备行动记录的内容应对照要求认真检查和记录。
3.设备使用安全管理台账应由设备管理人员负责收集并妥善保管,一个工程结束后使用单位应信时移交出租单位,出租单位应归档备查。
二、建筑起重机械安全监督管理规定建筑起重机械安全监督管理规定中华人民共和国建设部令第166 号《建筑起重机械安全监督管理规定》已于2008年1月8号经建设部第145次常务会议讨论通过,现予发布,自2008年6月1日起施行。
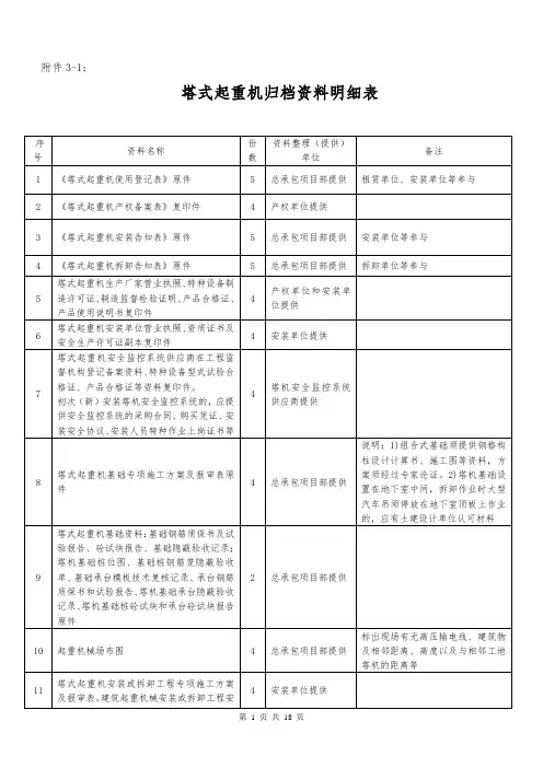
附件3-1:
塔式起重机归档资料明细表
注:塔机安装时间必须在承台砼强度达到设计值95%以上时方可进行。
附件3-2:塔式起重机使用登记表
附件3-3:
塔式起重机产权备案表
(二)交表时应提交资料;1、产权单位法人营业执照副本;2、特种设备制造许可证;3、产品合格证;4、制造监督检验证明;5、建筑起重机械设备购销合同、发票或相应凭证;6、设备备案机关规定的其他资料。
(所有资料复印件应当加盖产权单位公章)
(三)备案资料如有变更,应到原备案单位办理备案注销手续并应重新办理备案。
附件3-6:
塔式起重机安装自检表
2、表中打“—”的表示该处不必填写,而只需在相应“备注”中说明即可;
3、对于不符合要求的项目应在备注栏具体说明,对于要求量化的参数应按规定量化在备注栏内;
4、表中d表示钢丝绳公称直径;
5、钢丝绳磨损量=[(公称直径-实测直径)/公称直径]×100%。
附件3-7:
塔式起重机安装验收记录表
附件3-8:
塔式起重机安全监控系统安装验收表
塔式起重机顶升加节验收表
塔式起重机月度安全检查表。
XXXXXXXXXXX建设有限公司特种设备安全管理台账(塔式起重机)号机工程名称:施工单位:日期:塔式起重机安全管理台账卷内目录项目名称:xxxxxxxxxxxxxxxxxxx建设项目XXXXXXXXXX建设项目塔式起重机械维护保养管理制度编制:审核:审批:日期: 年月日塔式起重机械维护保养管理制度依据《特种设备安全法》和《建筑施工塔式起重机安装拆、使用、拆卸安全技术规程》JGJ196-2010等法规、规范、规程和规定要求,为保障我公司起重机械安全运行,特制定本制度。
一、操作人员的管理1、操作人员在上岗前要对所有的起重机械的结构、工作原理、技术性能、安全操作规程、保养维修制度等相关知识和国家有关法规、规范、标准进行学习掌握。
经当地技术监督部门培训取得理论知识和实际操作技能两人方面考核,合格后,方能上岗操作。
二、起重机械的“三定”管理1、“三定”管理是指定人、定机、定岗制度。
其中定人、定机是基础。
要求从有岗有责,起重机台台有人操作管理:“定岗”是责任的保证。
三、维修保养管理l、塔式起重机应当经常进行检查、维护和保养,传动部分应有足够的滑油,对易损件必须经常检查、维修或更换,对机械的螺栓,特别是经常振动的零件,如塔身连接螺栓应经常进行检查是否松动,如有松动则必须及时拧紧或更换。
2、安全装置的维护保养(1)、应每班要检查力矩限制器、起重量限制器、高度限位器、幅度限位器等安全装置是否正常,开关是否完好、螺栓是否紧固。
(力矩、重量限制可用手动开关检查,高度限位器起升吊钩至上限位位置应能自动停止,幅度限位器开动小车至起重臂两端与块接触应能自动停止。
(2)、每半月应对力矩限制器和起重量限制器进行一次吊重检测。
检查该两种安全装置精度是否符合要求,若发现超载,应立即进行调整,检查调整方法见说明书。
3、机械设备的维护与保养(1)、各机构的制动器应经常进行检查及调整制动瓦和制动轮的间隙,保证灵活可靠,其间隙保证在0.5~1mm之间,在磨察面上,不应有污物存在,遇有污物必须洗掉。
塔式起重机使用安全管理台帐使用登记编号:设备型号:有效期限:出厂日期:产权登记编号:工程名称:工程地点:使用单位:安装单位:监理单位:出租单位:设备负责人:联系电话:起止日期:目录一、填写说明二、《建筑起重机械安全监督管理规定》(中华人民共和国建设部令第166号)三、项目部起重机械管理网络图四、项目机管员、安全员上岗证书五、塔式起重机起重性能表(图)六、各类记录表1.塔式起重机安装、附着验收移交使用记录表(塔附表一)2.塔式起重机使用安全技术交底记录(塔附表二)3.塔式起重机操作人员安全教育记录表(塔附表三级教育)4.塔式起重机项目部周检查记录表(塔附表四)5.塔式起重机企业月检查记录表(塔附表五)6.塔式起重机项目部巡查记录表(塔附表六)7.塔式起重机维修和技术改造记录表(塔附表七)8.塔式起重机运行故障记录表(塔附表八)9.塔式起重机生产安全事故记录表(塔附表九)七、附件1.使用单位、项目部起重机械各项管理制度2.使用单位、项目部起重机械各岗位安全生产管理责任制3.塔式起重机租赁合同(含安全使用管理协议)4.塔式起重机安装质量检测报告书、复检报告书5.多塔作业、特殊环境作业等安全使用方案、措施6.塔式起重机使用生产安全应急预案7.其他八、塔式起重机使用安全管理台帐副本塔式起重机每班检查保养、累计运转记录(单行本)一、填写说明1.设备运行使用过程中,对设备的定期检查和维护保养时确保安全的重要环节,设备使用单位和合同约定责任单位必须严格、认真做好检查和维护保养工作。
2.设备运行记录的内容应对照要求认真检查和记录3.设备使用安全管理台帐应由设备管理人员负责收集并妥善保管,一个工程结束后使用单位应及时移交出租单位,出租单位应归档备查。
二、建筑起重机械安全监督管理规定建筑起重机械安全监督管理规定中华人民共和国建设部令第166号《建筑起重机械安全监督管理规定》已于2008年1月8日经建设部第145次常务会议讨论通过,现予发布,自2008年6月1日起施行。
附件八塔式起重机通用表格
塔式起重机目录
建筑起重机械安(拆)施工方案编审批表
TY-2表
建筑起重机械超过一定规模危险性较大分部分项工程安全专项施工方案审批表
TY-3表
建筑起重机械安(拆)施工方案报审表
建筑起重机械安装(拆除)安全技术交底
底人各一份。
塔式起重机安装前检查表
产权单位:(章)检查单位:(章)
注:1.此表为塔式起重机出租前的整机完好性检查表,目的是查看产权单位提供的设备符合相关技术要求,进入现场前30天内有效。
2.该表由该设备的安装单位负责填写。
并对检查结果负责。
3.设备使用单位在签订合同时应查验此表。
塔式起重机安装自检表
续表
续表
注:1.表中项目打*的为保证项目,其他为一般项目;
2.表中打“—”的表示该处不必填写,而只需在相应“备注”中说明即可;
3.对于不符合要求的项目应在备注栏具体说明,对于要求量化的参数应按规定量化在备注栏内;
4.表中d表示钢丝绳公称直径;
5.钢丝绳磨损量=【(公称直径—实测直径)/公称直径】×100%。
塔式起重机联合验收记录表
塔式起重机升节检查表
塔式起重机周期检查表
T-6表塔式起重机月检查表
监管部门:检查时间:
检查人(签字):年月日T-7表
塔式起重机交接班记录
T-8 表塔式起重机日常检查表
当班司机:检查人员:
时间:年月日。
塔式起重机使用安全管理台帐使用登记编号:设备型号:有效期限:出厂日期:产权登记编号:工程名称:工程地点:使用单位:安装单位:监理单位:出租单位:设备负责人:联系电话:起止日期:目录一、填写说明二、《建筑起重机械安全监督管理规定》(中华人民共和国建设部令第166号)三、项目部起重机械管理网络图四、项目机管员、安全员上岗证书五、塔式起重机起重性能表(图)六、各类记录表1.塔式起重机安装、附着验收移交使用记录表(塔附表一)2.塔式起重机使用安全技术交底记录(塔附表二)3.塔式起重机操作人员安全教育记录表(塔附表三级教育)4.塔式起重机项目部周检查记录表(塔附表四)5.塔式起重机企业月检查记录表(塔附表五)6.塔式起重机项目部巡查记录表(塔附表六)7.塔式起重机维修和技术改造记录表(塔附表七)8.塔式起重机运行故障记录表(塔附表八)9.塔式起重机生产安全事故记录表(塔附表九)七、附件1.使用单位、项目部起重机械各项管理制度2.使用单位、项目部起重机械各岗位安全生产管理责任制3.塔式起重机租赁合同(含安全使用管理协议)4.塔式起重机安装质量检测报告书、复检报告书5.多塔作业、特殊环境作业等安全使用方案、措施6.塔式起重机使用生产安全应急预案7.其他八、塔式起重机使用安全管理台帐副本塔式起重机每班检查保养、累计运转记录(单行本)一、填写说明1.设备运行使用过程中,对设备的定期检查和维护保养时确保安全的重要环节,设备使用单位和合同约定责任单位必须严格、认真做好检查和维护保养工作。
2.设备运行记录的内容应对照要求认真检查和记录3.设备使用安全管理台帐应由设备管理人员负责收集并妥善保管,一个工程结束后使用单位应及时移交出租单位,出租单位应归档备查。
二、建筑起重机械安全监督管理规定建筑起重机械安全监督管理规定中华人民共和国建设部令第166号《建筑起重机械安全监督管理规定》已于2008年1月8日经建设部第145次常务会议讨论通过,现予发布,自2008年6月1日起施行。
塔吊全套表格台账
以下是塔吊全套表格台账,共计。
塔吊台账是记录塔式起重机(即塔吊)使用过程中的安全性能
和使用情况的重要资料,也是保证塔吊安全使用的必要手段。
塔吊
台账包括塔吊操作日志、维修保养记录、检测评估报告、备件库存
清单等多种内容。
下面将对塔吊全套表格台账进行详细介绍。
(一)塔吊操作日志
塔吊操作日志是记录塔式起重机使用情况的重要资料,是保证
塔吊安全使用的必要手段。
日志应当真实、准确地记录各项内容,
包括以下几个方面:
1.使用情况,包括操作日期、操作地点、使用时间、起重重量、最大起升高度、起重物品等。
2.安全情况,包括操作人员姓名、证书编号、累计工作时间、
安全操作情况、安全事故发生情况等。
3.维修保养情况,包括机器的检查、保养、维修、更换部件等
情况。
(二)维修保养记录
维修保养记录是塔吊台账的一个重要组成部分,具体内容包括
以下几个方面:
1.维修保养项目清单,列出了塔吊每个部位的维修保养项目。
1。