SPSS的参数检验
- 格式:doc
- 大小:120.51 KB
- 文档页数:5
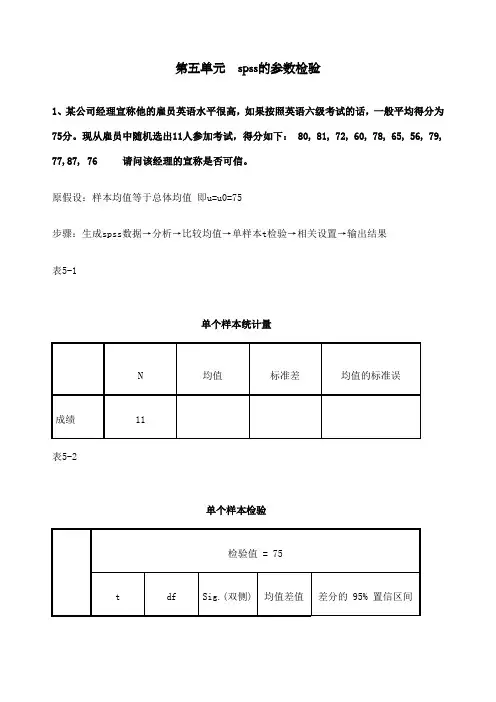
第五单元spss的参数检验1、某公司经理宣称他的雇员英语水平很高,如果按照英语六级考试的话,一般平均得分为75分。
现从雇员中随机选出11人参加考试,得分如下: 80, 81, 72, 60, 78, 65, 56, 79, 77,87, 76 请问该经理的宣称是否可信。
原假设:样本均值等于总体均值即u=u0=75步骤:生成spss数据→分析→比较均值→单样本t检验→相关设置→输出结果表5-1表5-2分析:由上表可以看出,在的检验值下得到双侧检验值为>,故不能拒绝原假设,且置信区间为(,),表中从置信区间上也可以看出在此区间,更加证明一般六级成绩为75 ,即认为该总经理的话可信。
2、经济学家认为决策者是对事实做出反应,不是对提出事实的方式做出反应。
然而心理学家则倾向于认为提出事实的方式是有关系的。
为验证哪种观点更站得住脚,调查者分别以下面两种不同的方式随机访问了足球球迷。
原假设:决策与提问方式无关,即u-u0=0步骤:生成spss数据→分析→比较均值→两独立样本t检验→相关设置→输出结果表5-3组统计量提问方式N均值标准差均值的标准误决策丢票再买200.46.500.035丢钱再买183.88.326.024表5-4分析:由表5-3可以看出,提问方式不同所做的相同决策的平均比例是46%和88%,认为决策者的决策与提问方式有关。
由表5-4看出,独立样本在的检验值为0,小于,故拒绝原假设,认为决策者对事实所作出的反应与提问方式有关,心理学家的观点更站得住脚。
3、一种植物只开兰花和白花。
按照某权威建立的遗传模型,该植物杂交的后代有75%的几率开兰花,25%的几率开白花。
现从杂交种子中随机挑选200颗,种植后发现142株开了兰花,请利用SPSS进行分析,说明这与遗传模型是否一致原假设:开蓝花的比例是75%,即u=u0=步骤:生成spss数据→分析→比较均值→单样本t检验→相关设置→输出结果表5-5表5-6分析:由于检验的结果sig值为0,小于,故拒绝原假设,由于检验区间为(,),不在此区间内,进一步说明原假设不成立,故认为与遗传模型不一致。
SPSS数据的参数检验和方差分析参数检验和方差分析是统计学中常用的两种分析方法。
本文将详细介绍SPSS软件中如何进行参数检验和方差分析,并提供一个示例来说明具体的操作步骤。
参数检验(Parametric Tests)适用于已知总体分布类型的数据,通过比较样本数据与总体参数之间的差异,来判断样本数据是否与总体相符。
常见的参数检验包括:1. 单样本t检验(One-sample t-test):用于比较一个样本的均值是否与总体均值相等。
2. 独立样本t检验(Independent samples t-test):用于比较两个独立样本的均值是否相等。
3. 配对样本t检验(Paired samples t-test):用于比较两个相关样本的均值是否相等。
4. 卡方检验(Chi-square test):用于比较两个或多个分类变量之间的关联性。
接下来,将以一个具体的实例来说明SPSS软件中如何进行单样本t检验和卡方检验。
实例:假设我们有一个数据集,记录了一所学校不同班级学生的身高信息。
我们想要进行以下两种分析:1. 单样本t检验:假设我们想要检验学生身高平均值是否等于169cm(假设总体均值为169cm)。
步骤如下:b.选择“分析”菜单,然后选择“比较均值”下的“单样本t检验”。
c.在弹出的对话框中,选择需要进行t检验的变量(身高),并将值169输入到“测试值”框中。
d.点击“确定”按钮,SPSS将生成t检验的结果,包括样本均值、标准差、t值和p值。
2.卡方检验:假设我们想要检验学生身高与体重之间是否存在关联。
步骤如下:a.打开SPSS软件,并导入数据集。
b.选择“分析”菜单,然后选择“非参数检验”下的“卡方”。
c.在弹出的对话框中,选择需要进行卡方检验的两个变量(身高和体重)。
d.点击“确定”按钮,SPSS将生成卡方检验的结果,包括卡方值、自由度和p值。
方差分析(Analysis of Variance,简称ANOVA)用于比较两个或以上样本之间的均值差异。
SPSS数据的参数检验和方差分析SPSS软件是一种用于统计和数据分析的工具,它可以进行各种参数检验和方差分析。
本文将重点介绍SPSS中的参数检验和方差分析,并提供一些建议和注意事项。
参数检验是一种统计方法,用于确定一个或多个总体参数的真实值。
在SPSS中,可以使用各种统计方法进行参数检验,例如t检验、方差分析(ANOVA)、卡方检验等。
t检验是用于比较两个样本均值是否显著不同的方法。
在SPSS中,可以通过选择“分析”->“比较均值”->“独立样本t检验”或“相关样本t检验”来执行t检验。
在进行t检验之前,需要确保数据符合正态分布和方差齐性的假设。
可以使用SPSS中的正态性检验和方差齐性检验来验证这些假设。
方差分析是用于比较三个或更多组之间差异的方法。
在SPSS中,可以通过选择“分析”->“方差”->“单因素方差分析”或“多因素方差分析”来执行方差分析。
在进行方差分析之前,同样需要检验正态性和方差齐性的假设。
在进行参数检验和方差分析时,还需确认是否使用方差分析的正确方法。
例如,如果有多个自变量,可能需要使用混合设计方差分析或多重方差分析等方法。
SPSS提供了多种不同的方差分析方法,可以根据具体研究设计选择适当的方法。
进行参数检验和方差分析时,还需要注意一些统计概念和报告结果的规范。
例如,结果中应包括样本均值、标准差、置信区间、显著性水平等信息。
此外,还应使用适当的图表和图形来展示数据和结果,以帮助读者更好地理解研究结果。
除了参数检验和方差分析,SPSS还可以进行其他类型的统计分析,例如相关分析、回归分析、因子分析等。
这些分析方法可以用来探索和描述数据之间的关系,以及预测和解释变量之间的关系。
在使用SPSS进行数据分析时,还需注意数据的质量和准确性。
确保数据输入正确、完整,处理缺失值和异常值等。
此外,也需要根据研究目的和问题选择合适的统计方法,并理解相关假设和前提条件。
总之,SPSS是一种功能强大的统计和数据分析工具,在参数检验和方差分析方面提供了丰富的方法和功能。
SPSS的参数检验和非参数检验SPSS是一种非常常用的统计分析软件,可以用于参数检验和非参数检验。
参数检验是假设检验的一种方法,用于判断统计样本是否代表总体。
而非参数检验则是用于检验数据是否满足一些分布假设,或判断两个或多个群体是否具有差异。
参数检验主要有t检验、方差分析和回归分析等。
其中,t检验用于比较两个样本均值是否有显著差异,包括独立样本t检验和相关样本t检验。
方差分析用于比较三个或更多样本均值是否有显著差异,可以进行单因素方差分析或多因素方差分析。
回归分析用于建立预测模型,可以通过线性回归或多项式回归进行。
非参数检验通常适用于数据不满足正态分布或方差齐性的情况,如Wilcoxon符号秩检验、Kruskal-Wallis H检验、Mann-Whitney U检验等。
Wilcoxon符号秩检验用于比较两个配对样本的差异是否有显著差异,Kruskal-Wallis H检验用于比较三个或更多独立样本的差异是否有显著差异,Mann-Whitney U检验用于比较两个独立样本的差异是否有显著差异。
在SPSS中进行参数检验和非参数检验一般需要进行以下步骤:1.导入数据:将数据导入SPSS软件,可以通过选择文件-导入功能进行操作。
2.设定分析变量:定义需要进行分析的变量,并将其添加到分析列表中。
3.选择统计方法:根据实验设计和数据分布情况,选择合适的参数检验或非参数检验方法。
4.执行分析:点击运行按钮进行分析,在分析结果中可以查看得到显著性水平、均数、方差等指标。
5.结果解释:根据分析结果进行假设检验,判断是否存在显著差异,并解释其结果。
无论是参数检验还是非参数检验,在进行分析前需要注意数据的合理性、样本的选择和实验设计的合理性等,以保证分析结果的可靠性。
同时,还应根据不同的研究目的和数据特点选择适当的方法,并合理解释分析结果。
在SPSS软件中,可以通过图表、表格和描述性统计等形式展示和解释结果,并通过结果进行科学判断和相关推断。
实验二 SPSS的参数检验和非参数检验(验证性实验 4学时)1、目的要求:熟练掌握t检验及其结果分析。
熟练掌握单样本、两独立样本、多独立样本的非参数检验及各种方法的适用范围,能对结果给出准确分析。
2、实验内容:使用指定的数据按实验教材完成相关的操作。
3、主要仪器设备:计算机。
练习:1、给幼鼠喂以不同的饲料,用以下两种方法设计实验:鼠体内钙的留存量有显著不同。
2、为分析大众对牛奶品牌是否具有偏好,随机挑选超市收集其周一至周六各天并说明分析结论。
1 参数检验概述假设检验的基本思想.事先对总体参数或分布形式作出某种假设,然后利用样本信息来判断原假设是否成立;.采用逻辑上的反证法,依据统计上的小概率原理。
2 单样本的T检验2.1检验目的:•检验单个变量的均值是否与给定的常数(总体均值)之间是否存在显著差异。
如:分析学生的IQ平均分是否为100分;大学生考研率是否为5%。
•要求样本来自的总体服从或近似服从正态分布。
2.2 单样本T检验的实现思路•提出原假设:•计算检验统计量和概率P值●给定显著性水平与p值做比较:如果p值小于显著性水平,小概率事件在一次实验中发生,则我们应该拒绝原假设,反之就不能拒绝原假设。
2.3 单样本t检验的基本操作步骤1、选择选项Analyze-Compare means-One-Samples T test,出现窗口:2、在Test Value框中输入检验值。
3、单击Option按钮定义其他选项。
Option选项用来指定缺失值的处理方法。
其中,Exclude cases analysis by analysis表示计算时涉及的变量上有缺失值,则剔除在该变量上为缺失值的个案;Exclude cases listwise表示剔除所有在任意变量上含有缺失值的个案后再进行分析。
可见,较第二种方式,第一种处理方式较充分地利用了样本数据。
在后面的分析方法中,SPSS对缺失值的处理方法与此相同,不再赘述。
第五章spss的参数检验1.某公司经理宣称他的雇员英语水平很高,如果参加英语六级考试,一般平均得分为75分。
现从雇员中随机选出11人参加考试,得分如下:80,81,72,60,78,65,56,79,77,87,76。
请问:该经理的宣称是否可信?首先建立spss数据文件:然后进行单样本t检验:结果输出:结果分析:结果:该经理的宣称可信,他的雇员参加英语六级考试一般平均得分为75分。
分析:由样本统计可知,11个雇员平均得分为73.73,标准差为9.551,均值标准误为2.880;再看样本检验,t统计量的观测值为-0.442,自由度为10,t统计量的双侧概率P-值是0.668,样本均值与原假设检验值的差为-1.273,总体均值与原假设值差的95%的置信区间为(-7.69,5.14),由此计算出总体均值的95%的置信区间为(67.31,80.14)。
根据题意,该问题应采用双侧检验,因此比较α和ρ。
如果α取0.05,由于ρ大于α,因此不能拒绝原假设,认为该公司雇员参加英语六级考试一般平均得分为75分。
95%的置信区间告诉我们有95%的把握认为该公司雇员参加英语六级考试一般平均得分为67.31~80.14分之间,75分包含在置信区间内,也证实了上述推断。
2.在某年级随机抽取35名大学生,调查他们每周的上网时间情况,得到的数据如下(单位:小时):24 17 26 29 386 28 44 39 830 17 26 32 4010 20 27 43 3315 30 28 35 2647 25 17 26 4516 36 29 37 15(1)请利用SPSS对上表数据进行描述统计,并绘制相关的图形。
首先建立spss数据文件:然后进行描述统计:结果输出:结果分析:从结果输出可知,35名大学生平均每周上网27.54小时,标准差为10.7小时。
平均每周上网小时呈左偏平峰分布,因此均值作为集中趋势的代表存在低估,且平均每周上网小时的整体离散趋势较弱。
参数检验与非参数检验一、参数检验与非参数检验的区别(1)参数检验:一般是数据的总体分布已知的情况下,对数据分布的参数是否落在相应范围内进行检验。
是对参数平均值、方差进行的统计检验,是推断统计的重要组成部分。
适用条件:当总体分布已知(如总体为正态分布),根据样本数据对总体分布的统计参数进行推断。
此时,总体的分布形式是给定的或是假定的,只是其中一些参数的取值或范围未知,分析的主要目的是估计参数的取值,或对其进行某种统计检验。
这类问题往往用参数检验来进行统计推断。
它不仅仅能够对总体的特征参数进行推断,还能够实现两个或多个总体的参数进行比较。
(2)非参数检验:一般是在不知道数据总体分布的前提下,检验数据的分布情况。
适用条件:在数据分析过程中,由于种种原因,往往无法对总体分布形态作简单假定,此时参数检验不再适用。
非参数检验正是基于这种考虑,在总体方差未知或知道甚少的情况下,利用样本数据对总体分布形态等进行推断的方法。
二、参数检验方法及适用条件三、非参数检验方法及适用条件四、使用方法当分析某个因素对变量的影响差异时,即检验该因素分类的若干个样本差异:(1)如果因素为两个,使用独立样本T-检验,来分析两个总体平均数相等的显著性;结果判定:先看方差齐性F检验结果,再看均值相等性的t检验结果,即a.如果方差齐性显著性>0.05,则表明方差齐性显著,再看第一行的检验统计值t及显著性p(p<0.05表示差异明显);b.如果方差齐性显著性<=0.05,则表明方差显著不齐,再看第二行的检验统计值t及显著性p(p<0.05表示差异明显);(2)如果因素为多个,使用单因素方差检验(即F检验),来分析该因素的影响差异。
结果判定:方差齐性显著则看ANOVA的检验统计值F及其显著性p。
第7章 SPSS 的参数检验
7-1 统计推断的基本方法
一、统计推断的概念
1、定义:根据已经收集到的样本数据,推断样本来自的总体的分布或总体均值、方差等总体参数。
2、统计推断的原因
(1)总体数据无法全部收集到
如:企业里面的质量检验
(2)收集总体数据的成本很高
3、两种类型(对于小样本而言)
(1)假设总体分布已知——参数检验
(2)总体分布未知——非参数检验
二、统计推断的基本方法
1、步骤
(1)根据推断检验的目标,对待推断的总体参数或分不做一个基本假设H 0
(2)利用收集到的数据和基本假设计算某检验统计量,该统计量服从或近似服从某种统计分布。
(3)根据该统计量得到的相伴概率值,该值是该统计量在某个特定的极端区域取值在H 0 成立时的概率。
(4)做出判断。
2、注意
(1)显著性水平使弃真的概率
(2)比较相伴概率与显著性水平
三、统计推断的基本内容
1、单样本
(1)大样本n ≧50
2
~(,)X N n σμ, 其中:μ为总体均值,2σ为总体方差,n 为样本容量
当2σ未知时,用样本方差s 2代替2σ
标准化:
~(0,1)X Z N =
同理,µ2~(,)P
P N P σ P 为总体成数,n 为样本容量 2(1)p pq p p n n
σ-=
= 标准化: µ
µ~(0,1)p P
p Z N σ-== (2)小样本
2σ
已知:~(0,1)Z N =
2σ
未知:0
~(1)X X t t n μσ-==- 2、两个独立样本
(1)大样本
22~(,
)A B A B A B A B X X N n n σσμμ--+
标准化统计量:
~(0,1)Z N = 如果22,A B σσ未知,则用S 2A ,S 2B 代替
(2)小样本 如果22,A B σσ已知
22~(,
)A B A B A B A B X X N n n σσμμ--+
标准化统计量:
(~(0,1)X X Z N =
如果22,A B σσ未知,但要求22A B σσ=
()~(2)A B X X t n n --
S 为S A ,S B 的加权平均
☆方差比检验
22~(1,1)A A B B
S F F n n S =-- 3、配对样本
X A , X B 满足正态分布,但并不要求22,A B σσ相等。
当A B μμ=
配对数据可以看作来自均值为0的总体D: 2~(0,)D N σ 所以,2
~(0,)d N n σ
i i i A B d X X =-
若2
σ未知,则用 221
1()1n d i i S d d n ==--∑代替
0~(1)d t t n S -=- n 为配对数.
一、单样本t检验的概念
1、含义
检验某个变量的总体均值与制定的检验值之间是否存在显著性差异,但其前提条件是样本来自的总体应符合正态分布。
2、举例:
例1:随机抽到若干个某城市居民的收入的样本数据,需要通过这些数据,分析居民的平均收入是否为某值。
例2:随机抽到某次学生考试数学成绩的样本数据,需要通过这些数据,分析学生数学考试的平均成绩是否为80分。
二、单样本t检验的基本实现思路
1、单样本t检验的零假设:
总体均值与指定检验值之间不存在显著差异
2、计算t统计量
SPSS将会自动计算出t值
D
t
D为样本均值与检验值之间的差额
S为样本方差,用以替代总体方差
N为样本数量
三、SPSS单样本t检验的操作步骤
1、菜单选项
Statistics ->Compare means->One-Samples t test
2、在Test框中输入检验值
SPSS单样本t检验的Option选项是用来指定输出内容和关于缺失值的处理方法。
其中:(1)Confidence interval 表示默认输出95%的差值的置信区间
(2)Missing Values框中,
Exclude case analysis by analysis 剔除在该变量是缺失值的个案
Exclude case listwise剔除所有含有缺失值的个案后再进行分析
四、Syntax编写方法
T-TEST
/TESTV AL=?
/MISSING=ANAL YSIS
/V ARIABLES=?
/CRITERIA=CI(.9500).
五、案例分析
1、均值检验方法
T-TEST
/TESTV AL=8
/MISSING=ANAL YSIS
/VARIABLES=friend
/CRITERIA=CI(.9500).
2、成数的检验方法
T-TEST
/TESTV AL=0.6
/MISSING=ANAL YSIS
/V ARIABLES=sex1
/CRITERIA=CI(.9500).
一、独立样本t检验的概念
1、含义
根据样本数据对他们来自的两个独立的总体均值是否有显著差异进行推断。
其前提要求是:(1)两个样本是相互独立的
(2)两个字总体分别满足正态分布
2、举例:
例1:男性与女性春节拜年平均人数的差异性
例2:男生与女生的月均消费的差异性
二、独立样本t检验的基本实现思路
1、单样本t检验的零假设:
两个子总体之间的均值不存在显著差异
2、两个步骤
(1)利用F检验两个总体的方差是否相等
2
2
~(1,1) A
A B
B
S
F F n n
S
=--
(2)根据上一步的结果,进行t检验3、计算t统计量
SPSS将会自动计算出t值
(1)当方差未知且相等是:
~(2)
A B
X X
t t n n
=+-
22
(1)(1)
1
A A
B B
p
A B
n S n S
S
n n
-+-
=
+-
(2)当方差未知且不相等是:
X X
t=
自由度修正:
222
22
22
()
()()
A A
B B
A A
B B
A B
S n S n
f
S n S n
n n
+
=
+
4、检验方法:
(1)首先判断F检验
(2)如果方差相等,则看相对应的相伴概率
(3)如果方差不相等,则看相对应的相伴概率
三、SPSS独立样本t检验的操作步骤
1、菜单选项
Statistics ->Compare means->Independent-Samples t test
2、选择若干变量到Test variables
3、选择一个表示变量作为标识变量进入Grouping框中
4、按Define Groups定义标识变量的标识情况
——Use speciified values表示分别输入两个值
——Cue point表示标识变量为连续变量,输入一个分界数。
四、Syntax 编写方法
T-TEST GROUPS=?(1 2)
/MISSING=ANAL YSIS
/V ARIABLES=?(分析变量)
/CRITERIA=CI(.9500).
五、案例分析:男女朋友网差异
T-TEST GROUPS=sex(1 2)
/MISSING=ANAL YSIS
/V ARIABLES=friend
/CRITERIA=CI(.9500).
7-4 配对样本t 检验
一、单样本t 检验的概念
1、含义
根据样本数据对他们来自的两个配对总体均值是否有显著差异进行推断。
其前提要求是:
(1)两个样本是配对的
(2)两个字总体分别满足正态分布
2、举例:
例1:茶叶是否有减肥效果
例2:某种促销方式是否有效
二、独立样本t 检验的基本实现思路
1、配对样本t 检验的零假设:
两总体之间的均值不存在显著差异
3、计算t 统计量
221
1()1n d i i S d d n ==--∑代替
0~(1)d t t n S -=- n 为配对数.
三、SPSS 配对样本t 检验的操作步骤
1、菜单选项
Statistics ->Compare means->paired-Samples t test
2、选择若干对配对变量到Paired variables
四Syntax 编写方法
T-TEST PAIRS=? WITH ?(PAIRED)
/CRITERIA=CI(.9500)
/MISSING=ANAL YSIS.
五、案例分析
拜年亲属数与朋友数量的差异
T-TEST PAIRS=friend WITH relative (PAIRED)
/CRITERIA=CI(.9500)
/MISSING=ANAL YSIS.。