半封闭制冷压缩机组运行记录
- 格式:doc
- 大小:45.00 KB
- 文档页数:2
XXXXXX项目压缩机调试运行记录XXXXXXX公司2018.6一、设备调试1、机组及配套工程,按设计全部施工完毕,工程质量符合要求。
2、施工记录资料齐全。
3、全部工艺管道和设备都已经过强度试验合格。
4、所有转动设备按规定经过详细检查,包括对中、找正等内容,保证正常运转(电机转向)。
5、自控仪表检查全部完成,报警及连锁的整定值经静态调试已准确好用。
逻辑测试完毕。
6、所有电气设备接地完成,具备投用条件。
7、公用工程的水、电、仪表空气等已能按设计保证供应。
8、安全消防设施,包括事故急救设施、消火栓、可燃气体检测仪都已安装完毕,经检查试验合格。
9、设备管线的防腐工作已经完成并对设备、管道、阀门、电气、仪表等均标记完毕。
10、易损易耗的备品配件,专用工、器具准备齐全。
11、全面检查压缩机地脚螺栓、润滑油管线接口、绕性联轴器等的紧固件,确保紧固到位。
12、润滑油油位在2/3以上。
13、检查排污气动阀组执行机构动作正常。
二、电气单元测试1、主电机控制柜,电气单元测试。
2、压缩机控制柜显示画面通讯测试。
3、辅助设备测试,包括油泵电机、油箱电加热器等。
三、空气试车调试1、拆开进气管线压缩机前滤网法兰。
2、常规性检查如:查看压缩机控制柜显示屏监控数据与实际是否相符,判断传感器工作是否正常;现场检查各压力表和压力变送器的取压手阀是否打开,压力指示是否和实际相符。
确认现场温度指示是否和实际相符。
3、检查润滑油系统查看油路上的阀门,确认进油回油管线都畅通;启动油泵,将润滑油压力调节至0.25MPa以上。
4、检查冷却水系统(1)确认冷却器投用。
(2)确认各级冷却器前后的阀门已打开。
(3)开启闭式冷却塔,观察水压,压缩机上水压表显示是否与控制柜显示屏显示压力是否一直,并高于0.1Mpa。
(4)检查压缩机本体,盘车确认压缩机转动轻松顺畅,无卡阻现象后,排空机体内积水后关闭压缩机本体的排污阀5、关闭分离器排污阀,打开排液电磁气动阀前后手阀,关闭排液阀组旁通阀;6、检查进气管线和排气管线是否畅通。
制冷机组试运行记录日期:XXXX年XX月XX日地点:XX地区试运行工程师:XXX试运行人员:XXX,XXX,XXX1.背景和目的2.试运行准备工作2.1检查设备在试运行前,我们对制冷机组进行了全面检查。
确认设备内部和外部没有任何明显的损坏或松动。
检查冷媒管路、电器系统、电控系统等,确保其正常工作。
2.2确认供电和冷却水等运行条件检查供电线路是否连接正确并正常工作,确保有稳定的电源供应。
确认冷却水管路是否连接畅通并具备足够的水量和压力。
3.试运行过程3.1启动制冷机组按照设备操作手册,按照一定的启动顺序启动制冷机组。
首先开启配电箱供电,然后按照设备工序启动压缩机、冷凝风机和蒸发风机等关键设备。
3.2监测和调整制冷剂循环启动制冷机组后,我们密切监控制冷剂在循环中的流动情况。
在实际运行中,通过检查压力和温度传感器数据,调整膨胀阀的开度和压力差,以确保制冷剂的稳定流动。
3.3检查冷凝器和蒸发器的工作状态在试运行的过程中,我们持续监控冷凝器和蒸发器的工作状态。
通过观察和记录温度和压力变化,确认冷凝器和蒸发器能够正常工作。
3.4检查电器设备和控制系统在试运行过程中,我们特别关注电气设备和控制系统的工作情况。
通过检查电气接线和控制信号等,确保电器设备能与控制系统良好配合。
3.5检查附属设备和安全装置除了主要的制冷机组设备,我们还特别关注附属设备和安全装置的运行情况。
包括冷却水泵、水塔、消防系统等。
确保它们的正常功能,以避免潜在的安全隐患。
4.问题和解决方案在试运行的过程中,我们遇到了一些问题。
例如,制冷机组启动后出现压缩机噪音偏大的情况。
我们立即停止机组运行,并检查压缩机和其它相关设备。
最终发现是一个松动的传动带导致的问题,将传动带重新固定后,压缩机噪音明显减小。
5.总结与结论本次试运行中,制冷机组大部分工作正常,但也发现了一些问题,通过及时的处理和维修,使机组能够正常运行。
试运行表明制冷机组整体性能满足设计要求。
标准文件1、目的Objective:建立制冷压缩机组标准操作规程,规范操作人员的日常操作行为,确保制冷压缩机组正常运行。
2、范围Scope:本规程适用于4PCS-15.2型制冷压缩机组的日常操作。
3、职责Responsibilities:3.1 培训职责:本文件起草人或审核人或批准人负责对工程项目部、仓库、SBA车间负责人进行本规程培训;以上部门负责人对其部门人员进行本规程培训。
3.2 工程项目部负责制定本规程,仓库、SBA车间负责人负责监督本规程的实施,仓库、SBA车间制冷压缩机组操作人员对本规程的实施负责。
4、定义Definition:无。
5、程序Procedures:5.1 日常操作5.1.1操作前准备5.1.1.1检查确认机油油位在上限及下限中间之上,不足时要及时加油。
5.1.1.2清除机器附近和放在机器上的一切物件;5.1.1.3接通电源,确认电压、电流显示正常;5.1.1.4检查确认机组排水、排污阀门处于关闭状态;5.1.1.5确认系统阀门处于正常开关状态;5.1.1.6检查阀门是否损坏,如损坏给予维修或更换;5.1.1.7确认检测压力、温度等仪表完好,否则给予维修或更换;5.1.1.8检查机组排风阀门处于开启状态,冷却风机处于完好状态;5.2 开机5.2.1开启电源、观察LCD面板上是否有故障显示,如果没有显示,说明正常。
5.2.2按启动键启动。
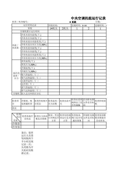
5.2.3运行中观察显示面板是否有报警提示及压力温度是否正常,并上下班时记录填写“半封闭制冷压缩机运行记录”EOP-064-R01。
5.2.4确认是吸排气压力表是否在规定范围。
5.2.5压缩机在运行中排气压力不要超过使用范围。
5.2.6倾听压缩机的运转声音,除吸、排气阀片清晰的起落声音外,其它部件不应有敲击声。
5.3 停机5.3.1按停机键后、延时一段时间后主机停止运行。
5.3.2长时间停机时,切断电源。
5.4 故障停机5.4.1当压缩机在运行过程中出现电气、机械故障或排气高温时、电机停止运行、同时在LCD面板上显示故障信息。
制冷组试运行记录一、试运行目的制冷组是一种用于冷却和冷冻空气或其他物体的设备,试运行是为了验证制冷组在各项参数和性能指标上是否符合设计要求,确保其正常运行和安全可靠。
二、试运行准备1.检查设备:对制冷组的外观进行检查,确认没有损坏或漏泄现象。
检查电气设备和管道连接是否牢固,电缆是否接地可靠。
2.准备冷媒:根据设计要求,准备好制冷组所需的冷媒,并确保冷媒的质量符合要求,无杂质和水分。
3.环境检查:确保试运行环境符合要求,包括温度、湿度和通风等方面。
4.测试设备和仪器:准备好测试所需的设备和仪器,包括温度计、压力表、流量计等。
三、试运行步骤1.系统启动:按照设备说明书的要求,按顺序启动制冷组的压缩机、冷凝器、蒸发器等设备。
2.参数检测:在试运行过程中,及时对制冷组各项参数进行检测,包括温度、压力、功率等,记录下来进行比对分析。
3.负荷调节:根据试运行要求,对制冷组进行负荷调节,改变制冷量,观察制冷组响应时间和效果。
4.故障检测:模拟故障,观察制冷组的自动保护装置是否正常工作,能否自动识别和排除故障。
5.运行稳定性:持续运行一段时间后,观察制冷组是否能够保持稳定运行,不存在异常噪音、震动和温度过高现象。
四、试运行结果分析根据试运行过程中所记录的各项参数和性能指标,对制冷组进行分析和评估,主要包括以下几个方面:1.制冷效果:通过对试运行过程中的温度变化和制冷时间的测量,评估制冷组的制冷效果是否符合设计要求。
2.能耗情况:记录制冷组的功率和制冷量等数据,分析其能耗情况,评估其节能性能。
3.运行稳定性:观察制冷组在试运行过程中是否出现异常噪音、震动和温度过高等现象,评估其运行稳定性。
4.故障检测:通过模拟故障进行观察,评估制冷组的自动保护装置是否正常工作,能否及时排除故障。
5.安全可靠性:根据试运行过程中的安全检查记录,评估制冷组的安全可靠性,包括电气设备和管道连接是否牢固,电缆是否接地可靠等。
五、试运行总结根据试运行结果的分析和评估,对制冷组的性能指标和参数进行总结,包括优点和不足之处,提出进一步改进和优化的建议。
半封闭式制冷螺杆压缩机工作原理
半封闭式制冷螺杆压缩机是一种常用于工业制冷系统的压缩机。
它采用
了螺杆结构,由两个相互啮合的螺杆组成。
其中一个螺杆作为主动螺杆,另
一个螺杆作为从动螺杆。
两个螺杆的运动可通过传动装置实现同步旋转。
该压缩机的工作过程可分为吸气、压缩、排气和喷润滑油四个阶段。
在吸气阶段,制冷剂从吸气管路进入压缩机的螺杆室。
当两个螺杆旋转时,螺杆的螺旋凹槽将制冷剂从吸气口吸入到螺杆室中。
在压缩阶段,随着螺杆的旋转,制冷剂被逐渐压缩并增加其压力和温度。
在螺杆室的螺旋凹槽中,制冷剂被紧密密封并向螺杆的出口推进。
然后,在排气阶段,压缩的制冷剂被推送到排气管路,它的压力和温度
进一步增加。
在排气阀的作用下,制冷剂从压缩机中排出。
在喷润滑油阶段,一些制冷剂会与机油混合,以润滑压缩机的旋转部件
和保持密封性能。
这些混合的制冷剂和机油通过系统中的分离器进行分离,
然后机油再回到压缩机中进行循环。
总结来说,半封闭式制冷螺杆压缩机通过螺杆结构实现制冷剂的吸气、
压缩、排气和喷润滑油等工作阶段。
它具有高效率、稳定性好和可靠性高的
特点,广泛应用于工业制冷领域。
上海高榕生物科技有限公司西克半封闭式比泽尔制冷压缩机组操作指导书设备部制冷岗位二零一一年二月目录工作指导方针:( 3 )制冷设备环境的确立:( 4 )制冷设备操作前检查:( 5 )制冷辅助设备检查:( 6 )制冷设备操作指导:(7 )一般设备日常维修指导:(9 )制冷设备维修指导:(12 )总结(13 )工作指导方针维修人员的工作理念:1. 工作思想要确立在公司利益的前提下去完成本职工作。
2. 对本职工作要认真负责。
3. 对每一项工作要自觉去完成。
4. 正确记录各项数据,确保真实性。
5. 遇到问题发生要正确对待,不得瞒报和漏报。
6. 在确保设备安全的前提下,完成本职工作。
7. 要学会寻求各方面的帮助。
希望维修人员在本职工作中做出一定的成绩。
制冷设备环境的确立由于制冷设备的特殊性,它对环境的要求有它只身的特殊要求:1. 冷冻机要检查机组的水平仪位置是否在中心位置。
2. 冷冻机房内要保持良好的通风。
3. 冷却塔附近不能有废气废热及粉尘产生,平时如发现此项问题产生要及时制止并汇报部门领导,以便和其它部门协商消除环境隐患。
4. 冷却塔附近不能有树木,平时在检查冷却塔清洁度的时候要特别注意,因为飞溅的树叶会堵塞冷却塔的滤水翅片和隔网,如果发现这项问题要及时处理并汇报部门领导,以便和其它部门协商消除环境隐患。
5. 冷却塔水池中的水质要保持清洁,水不能混着更不能有绿藻产生。
操作前检查制冷设备开机前检查是关系到制冷设备正常运行的关键一环,所以操作维修人员检查时要特别认真仔细:1. 供电电源是否在AC400V±5%的范围内。
2. 供电及控制开关是否在合闸位置。
3. 电控柜面板按钮开关与指示灯是否完好和指示正常否。
4. 控制器显示是否正常,有无故障显示条码或文字。
5. 制冷机组油位是否在,油指示镜1/2 处,油色如何。
6. 制冷机组油温是否在正常温度范围内。
7. 制冷机组的高低压力是否平衡。
8. 制冷机组及系统各处是否有渗漏处。
半封闭制冷设备操作规程1.开机前的准备(1)查看操作目录,了解压缩机的停机原因,停机超过一昼夜时,应进行全面检查,防止因停机时间较长而可能出现的故障。
(2)检查压缩机各运动的部分,是否有故障物。
(3)检查压缩机润滑油是否达到规定要求,如视油镜。
(4)检查底角螺栓是否松动,安装装置是否合乎要求。
(5)检查机组系统中有关阀门,是否按工作要求开启或关闭。
(6)检查系统外部循环水泵是否打开。
(如冷冻水泵,冷却水水泵,冷却塔风机)2.正常开机(1)向压缩机冷凝器,供应冷却水。
(2)打开控制箱电源。
按F6 确定进入控制系统。
(3)按F3 启动压缩机,待压缩机正常运转后按F3 增载(4)分数次增载并注意观察吸气压力,观察机组运行是否正常,若正常可继续增载至所需能量位置,机组在正常情况下继续运转。
(5)正常运转时,应注意并每天定时按记录表记录。
3.正常停车(1)按F4至减载位置,关闭供液阀。
(2)待能量显示为0%时,按下压缩机停止按钮。
4.切断机组电源。
5.自动停车机组装有自动保护装置,当压力、温度超过规定围时,控制器动作使压缩机立即停车,表明有故障发生,机组控制盘或电控柜上的控制灯亮,指示出发生故障的部位。
必须排除故障后,才能再次启动压缩机。
6.紧急停车( 1 )按下紧急停车按钮,使压缩机停止运转。
(2)关闭供液阀。
(3)切断电源。
7.作好运行记录作好制冷装置的运行记录,有助于操作者熟悉系统的运行,及早发现异常情况,并有利于设备出现故障时分析原因。
建议每隔一小时作一次记录。
设备检修(一)冷冻机检修期限表* 在前500小时运行过程中应注意润滑油情况,首次主机启动后细心观察油温变化。
(二)换油1 、停机,然后切断电源。
2、关闭压缩机之前的吸气止回截止阀及油分离器出口的排气止回截止阀。
3、从油分离器放空阀处排空制冷剂。
4、从油分离器底部的几个排污螺塞处放空油。
5、放空油过滤器中的油,如果机组中有油冷却器,也应放空其中的油。