智能操控装置功能一览表
- 格式:doc
- 大小:405.00 KB
- 文档页数:1
XY-802开关柜智能操控装置(版本号:4.15)操作手册(使用前请详细阅读此操作手册)目录一、概述 (1)二、技术指标 (1)三、模拟显示部分与功能 (2)3.1 断路器状态显示 (2)3.2手车位置显示 (2)3.3接地开关位置显示 (3)3.4弹簧储能显示 (3)3.5带电显示及闭锁功能 (3)3.6自动加热除湿控制 (3)3.7智能语音防误提示功能 (3)3.8转换开关功能 (3)3.9温湿度传感器断线报警功能 (3)3.10通讯功能 (3)3.11温湿度显示 (3)3.12设置说明 (4)四、安装方式 (6)五、电气接线图 (7)六、运输与贮存 (7)七、保修期限及订货说明 (8)一、概述贤业电气XY-802开关柜智能操控装置,功能强大、用于0.4KV-35kV 户内开关柜,取代现有的一次回路模拟图、温湿度控制器,高压带电闭锁装置,全功能语音防误提示和告警,配有合闸、分闸、储能、远方/就地、照明开关。
高亮度LED显示器,显示当前温度、湿度值。
可选RS485通讯接口,通讯协议为M ODBUS通讯协议。
适用于中置柜、手车柜、固定柜、环网柜等多种开关柜。
同时本装置外观精致,美观、简化、美化了开关柜面板,有效地提升开关柜品质。
二、技术指标工作电源::AC85~265V/DC110~300V工作环境温度:-20℃~+70℃工作环境湿度:≤95%RH温度测量范围:-20℃~+80℃湿度测量范围:20%-99%RH加热输出口:有源输出报警输出口:无源输出闭锁输出口:无源输出介质强度:≥AC2000V绝缘性能:≥100MΩ温度精度:≤±1℃湿度精度:≤±2%RH动态闪烁频率:1次/秒RS485通讯距离:≤1200米开关量输入端子和LED数码显示关联关系:动态配置抗电磁干扰性能:符合IEC255-22的标准规定三、模拟显示部分与功能(注:此面膜图为常规面膜图、具体面膜图以实物为准)01断路器合指示 10加热2指示02断路器分指示 11加热1指示03(1)、03(2)工作位置指示 12数码管显示04(1)、04(2)试验位置指示 13操作按键05接地开关合指示 14照明开关06接地开关分指示 15就地/远方转换07储能指示 16储能开关08带电显示及闭锁 17分/合闸转换开关09 过热指示3.1、断路器状态显示断路器合闸并且分闸回路完好时,红色01模拟条发光;断路器分闸并且合闸回路完好时,绿色02模拟条发光。
GW-A91系列开关柜综合操显装置使用说明书XX冠网电力科技XX所有不得复制产品概述GW-A91产品是根据当前中压系统开关柜技术发展而设计开发的一种新型的模块化、智能型的操作测量显示装置。
该系列产品集主回路模拟指示、带电指示与闭锁、验电功能、温湿度数字实时显示、自动加热除湿控制、自动排风降温控制、断路器分合闸状态指示、储能、接地开关指示、手车位置指示、智能防误语音提示、人体感应报警语音警示、回路电流、电压、频率、功率、电能、断路器进线出线母排温度测量显示、故障记录查询、时钟指示、手动自动储能选择、远程就地切换、分闸合闸操作以与RS 485通讯接口等功能于一体,可根据需要选配。
该产品以一体化布局配套装备于开关柜,将简化开关柜的面板结构设计,美化开关柜的面板布局,完善开关状态的指示功能和安全性能。
该系列可用于3~40KV户内的开关柜、适用于中置柜、手车柜、固定柜、环网柜等多种开关柜。
符合IEC255-22标准。
一、主要技术特性1. 使用环境a) 温度:周围空气温度上限为+65℃,且24h内的平均值不超过+35℃;周围空气温度下限为-40℃。
b) 湿度:大气相对湿度在周围空气温度为+40℃时不超过50%RH ,在较低的温度下可以有较高的相对湿度,例如20℃时可达到95%RH。
对由于温度变化产品表面上偶尔产生的凝露已采取特殊措施。
c) 海拔:安装地点的海拔不超过2000m。
2. 安装a) 与垂直面的安装倾斜度不超过5度;b) 应安装在无显著振动和冲击的地方。
3. 开孔尺寸:220mm×165mm4.污染等级:污染等级为“污染等级3”。
5. 防护等级防护等级为:IP20。
6 多功能表电能计量起动在额定电压、参比频率与功率因数为1的条件下,负载电流为0.001Ib(0.2级)、0.001Ib(0.5级)、0.004Ib(1级)、0.005 Ib(2级)电能表应能起动并连续计量电能。
7 时钟准确度:日误差≤0.5s(23℃)。
开关柜智能操控装置使用说明书一. 产品概述RT-KZ100系列开关柜智能操控装置是一种新型的集多功能开关模拟显示、温湿度数据显示、多参数监控于一体的高度集成化装置, 可用于各种电压等级的开关柜, 包括中置柜、手车柜、固定柜、环网柜等多种柜体。
具有动态一次模拟图、柜内温湿度显示、高压带电提示、自动除湿等功能, 特别是其中应用了本公司自主知识产权的热故障预警系统技术——以无线传输的方式将柜内各触头、母排及电缆头的温度采集到主机上面, 通过液晶屏显示出来, 同时设置了温湿度和温升的超限报警等独特功能,为同行业类似产品所不及。
并且具有 RS485通讯接口, 可与上位机的组态软件实时通讯, 使用户在值班室就能及时得到现场的开关柜状态和温湿度数据,以便统计和分析。
人体感应带电提示、语音防误提示、带电闭锁、自动加热除湿,大大增加了装置的安全性能。
此外还具有电力参数测量,包括电流、电压、有功功率、无功功率显示等功能,给用户提供足够的信息量。
集多种功能于一身,可取代现有的许多功能单一的测控装置。
精心的电路设计、工业级的电子元器件选用、严格的整机带电老化和出厂测试、及时周到的售后服务等措施确保产品的长期可靠性。
二. 主要技术指标1. 使用环境:温度 -20~+85℃,相对湿度≤ 95%RH2. 工作电压:AC220V/DC220V3. 介质抗电强度:≥ AC2000V4. 绝缘性能:≥ 100M Ω5. 抗电磁干扰性能:符合 IEC255-22的标准规定6. 温度测量范围:-20℃~+125℃,精度:±1℃7. 湿度测量范围:0~100%RH,精度:±3.0%RH8. 人体接近感应时间:≤ 3秒9. 分相电压精度:±0.5%10. 分相电流精度:±0.5%11. 有功功率精度:±1%12. 无功功率精度:±2%13. 通讯方式:RS48514. 温湿度控制:一至二路加热除湿装置,一路风机排风装置三. 主要功能1. 动态模拟图:根据用户的一次接线方式, 电压等级设置模拟图面板, 将断点部分用动态方式表示,构成实时动态指示。
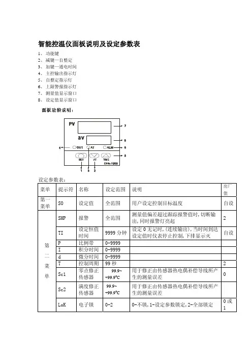
智能控温仪面板说明及设定参数表
1、功能键
2、减键—自整定
3、加键—通电时间
4、主控输出指示灯
5、自整定指示灯
6、上限警报指示灯
7、测量值显示窗口
8、设定值显示窗口
设定参数表:
菜单 提示符 名称 设定范围 说明 出厂值
第一
菜单
SO 设定值 全范围 用户设定控制目标温度 自设
SHP 报警 全范围 测量值偏差超过跟踪报警值时,切断输
出,同时报警灯亮起
2
TI 设定恒值
时间
9999分钟
设定0无记时,(连续输出),当时间到达
设定值时仪表停止控制,下排显示灭
自设
P 比例带 0-9999
I 积分时间 0-9999
d 微分时间 0-9999
T 控制周期 99秒 2
Sc1 零点修正
传感器
-99.9~
+99.9o C
用于修正由传感器热电偶补偿导线所产
生的测量误差
Sc2 满度修正
传感器
-99.9~
+99.9o C
用于修正由传感器热电偶补偿导线所产
生的测量误差
第二菜单
LoK 电子锁 0-2 0-不锁,1-设定参数锁定,2-全部锁定 0或1。
开关柜智能操控装置开关柜智能操控装置————BTZ-CK2700一、产品功能特点1、功能强大智能化:用于3-35kV户内开关柜,智能化程度高,不仅可以显示开关分合状态,还可判断手车位置是处于实验位置与工作位置之间还是处于柜体之外,并做出指示。
具备分合闸回路电压监测、过热告警、智能语音防误提示和温湿度测量及显示等多功能一体.2、抗干扰能力强,采用了先进的软硬件抗干扰技术。
3、采用大屏幕图形点阵LCD液晶显示,方便用户数据浏览、观测和参数设置。
4、高可靠性,采用工业级32位CPU作为装置系统的核心,极大提高了系统的稳定性。
5、外观设计独特、做工精致美观、美化了开关柜面板。
6、量身定做,根据用户不同的设计要求,量身定做不同的功能组合。
一、技术参数1、电源: AC220V、DC220V2、工作环境: -10℃~+70℃3、控制范围: 温度0℃~+99℃,湿度0%RH~99%RH4、测量控制: 温度±1℃,湿度±3%RH.5、通讯: RS485接口,MODBUS规约,波特率出厂可设定,默认为1200,否则用户订货时要说明。
6、功耗: 10W,电压回路功耗:≤15V A7、抗电强度: ≥AC2000V8、绝缘性能: ≥100MΩ9、抗干扰: 符合GB/T17626.8-1998标准.三、安装方式1、仪器的安装方式:嵌入式2、仪器的外形尺寸图及开孔尺寸图(单位:mm)开孔尺寸:220长*165宽外型尺寸:238长*179宽*75高3、传感器的安装方式:复合式1)采用35mm导轨式安装或螺丝固定.2)采用固定式安装(孔距37mm,孔径4mm)3)温湿度传感器与仪器的连线采用USB接口插件方式连接.复合式传感器外形尺寸四、仪表基本功能介绍1、面板功能显示说明(注:图中编号是为了说明版面的指示功能,实际仪器上无编号)01 断路器合闸指示02 断路器分闸指示03①、03②工作位置指示04①、04②试验位置指示05 接地开关合指示06 接地开关分指示07 储能指示08 带电指示(A B C)三相09 闭锁指示10 加热除湿指示(双温双湿) 11 液晶显示屏、功能按键12 人体感应探头13 远方/就地操作开关14 语音提示15 储能转换开关16 分闸/合闸开关2、端子接线图1、断路器合2、断路器分3、试验位置4、工作位置5、接地位置6、储能7、公共端8、空9、10、断路器合闸电压11、12、断路器分闸电压19、20 排风输出21、22 交流电源输入(AC220V)23、24 交直流电源输入(装置电源)25、A相带电传感器输入26、B相带电传感器输入相27、C相带电传感器输入相带28、接地29、30、电磁闭锁输出31、32、照明输出33、34、预留备用35、36、RS485接口37、38、温湿度传感器五、按键功能描述“确认”键:进入阴影覆盖的菜单项.“取消”键:返回上一级菜单.“下”键:阴影条向右移位.“上”键:通常用于菜单滚屏,阴影向下移动,当用于设定参数时,按“上”键进行0~9之间的数值设定.复合键功能描述同时按下“确认”键和“取消”键时,装置复位.注: 液晶屏最下方是有效键区域,有效键区指示当前页面下可以执行操作的按键,有效键之外的任何按键按下时系统均不响应。
第一部分TX-K7000系列智能操控装置第一章简介本章概要介绍开关柜智能操控装置的概述、型号说明、使用条件、技术参数等:1.1 概述TX-K7000系列产品是我公司最新自主研发并针对当前中压系统开关柜技术发展而设计的一种新型的模块化、智能型的操作测量显示装置。
本装置以一体化布局简易安装于3~35kV户内开关柜,适用于中置柜、手车柜、固定柜、环网柜等多种开关柜。
该产品美化了面板结构,简化了现场接线,提高了安全性能,还可带RS485通讯,实现远程自动化管理。
用户选用时只要提供一次方案图即可。
1.2 型号说明1.3 使用条件1.户内使用,并且室内通风良好;2.海拔高度:≤2km;3.环境温度:-10℃~50℃;4. 相对湿度:≤95%RH;5.大气压力:80~110kPa;6.周围介质无导电尘埃、导致金属或绝缘损坏的腐蚀性气体、霉菌等。
1.4 技术参数1.电源:AC220V±10%50Hz DC110V/ 220V;2. 功耗:≤10W;3. 控制精度:温度±0.5℃湿度±3%RH;4. 人体接近感应时间:≤3秒;5. 内置音频功率:8Ω,2W;6. 高压带电指示部分:LED启辉电压(kV):母线电压×0.15;闭锁启控电压(kV):母线电压×0.65;7. 通讯接口: RS485(默认);8. 抗电强度:外壳与端子之间大于AC2000V;9. 绝缘性能:外壳与端子之间大于100ΜΩ;10. 抗干扰:符合GB/T17626.8-1998标准;注:以上参数为标准配置,可以根据用户要求特制。
1.5 型号参照表1.6 功能参照表第二章 使用说明本章主要介绍开关柜智能操控装置的功能指示、高压带电、温湿度、语音提示、模拟指示等: 2.1 功能指示图功能分类表注:在固定柜中,03②、04①代表上隔离刀合/分,03①、04②代表下隔离刀合/分。
2.2 高压带电部分1. 高压回路带电时,相应高压带电相指示灯亮;闭锁指示灯亮,闭锁有效,闭锁TX-K7000系列控制输出接点断开;2. 本装置可实现强制闭锁,从而提高配套产品的防止误操作性能。
智能操控装置-智能操控装置(技术说明书)XY-802开关柜智能操控装置(版本号:4.15)操作⼿册(使⽤前请详细阅读此操作⼿册)⽬录⼀、概述 (1)⼆、技术指标 (1)三、模拟显⽰部分与功能 (2)3.1 断路器状态显⽰ (2)3.2⼿车位置显⽰ (2)3.3接地开关位置显⽰ (3)3.4弹簧储能显⽰ (3)3.5带电显⽰及闭锁功能 (3)3.6⾃动加热除湿控制 (3)3.7智能语⾳防误提⽰功能 (3)3.8转换开关功能 (3)3.9温湿度传感器断线报警功能 (3)3.10通讯功能 (3)3.11温湿度显⽰ (3)3.12设置说明 (4)四、安装⽅式 (6)五、电⽓接线图 (7)六、运输与贮存 (7)七、保修期限及订货说明 (8)⼀、概述贤业电⽓XY-802开关柜智能操控装置,功能强⼤、⽤于0.4KV-35kV 户内开关柜,取代现有的⼀次回路模拟图、温湿度控制器,⾼压带电闭锁装置,全功能语⾳防误提⽰和告警,配有合闸、分闸、储能、远⽅/就地、照明开关。
⾼亮度LED显⽰器,显⽰当前温度、湿度值。
可选RS485通讯接⼝,通讯协议为MODBUS通讯协议。
适⽤于中置柜、⼿车柜、固定柜、环⽹柜等多种开关柜。
同时本装置外观精致,美观、简化、美化了开关柜⾯板,有效地提升开关柜品质。
⼆、技术指标⼯作电源::AC85~265V/DC110~300V⼯作环境温度:-20℃~+70℃⼯作环境湿度:≤95%RH温度测量范围:-20℃~+80℃湿度测量范围:20%-99%RH加热输出⼝:有源输出报警输出⼝:⽆源输出闭锁输出⼝:⽆源输出介质强度:≥AC2000V绝缘性能:≥100MΩ温度精度:≤±1℃湿度精度:≤±2%RH动态闪烁频率:1次/秒RS485通讯距离:≤1200⽶开关量输⼊端⼦和LED数码显⽰关联关系:动态配置抗电磁⼲扰性能:符合IEC255-22的标准规定-1-三、模拟显⽰部分与功能(注:此⾯膜图为常规⾯膜图、具体⾯膜图以实物为准)01断路器合指⽰ 10加热2指⽰02断路器分指⽰ 11加热1指⽰03(1)、03(2)⼯作位置指⽰ 12数码管显⽰04(1)、04(2)试验位置指⽰ 13操作按键05接地开关合指⽰ 14照明开关06接地开关分指⽰ 15就地/远⽅转换07储能指⽰ 16储能开关08带电显⽰及闭锁 17分/合闸转换开关09 过热指⽰3.1、断路器状态显⽰断路器合闸并且分闸回路完好时,红⾊01模拟条发光;断路器分闸并且合闸回路完好时,绿⾊02模拟条发光。
(技术升级,恕不另行通知)开孔尺寸:宽220mm ×高为165mm外形图及安装尺寸图3、传感器的安装方式: ▲采用螺丝固定。
▲采 用固定式安装。
▲温湿度传感器与仪器的连接采用接口插件方式。
外形尺寸:230×178×722、仪器的外形尺寸图及开孔尺寸图:(单位mm )开孔尺寸图四、安装方式:1、仪器的安装方式:嵌入式尊敬的用户:您好!感谢选用我公司的操控系列产品。
为了使您对我公司产品能有最大限度的了解,在安装使用之前,请详细阅读说明书,以便正确使用本产品。
我公司生产的开关柜智能操控装置是针对335KV 户内开关柜设计~ 研制的新一代产品,适用于中置柜、手车柜、固定柜、环网柜等多种 开关柜。
该产品功能强大:有带电显示、温湿度数字显示、自动加热除湿控 制,断路器分合闸状态指示;储能、接地开关指示;小车位置指示;一 次回路模拟图,语音防误提示,RS485接口功能等。
1、智能化程度高:不仅能显示开关分合状态,还可判断指示开关车是处于试验位置与工作位置之间还是处于柜体之外。
2、增加了语音防误提示功能和加热负载断线报警功能。
3、具备温湿度数字显示,同时可监控两处环境的温湿度状况;RS485 通讯接口使其具备了与变电站其它设备,组成实显的微机防误监 控系统的能力。
4、抗干扰能力强:采用独特的抗干扰技术。
5、可靠性:采用工业级电子元件。
电 源:AC220V ±10%/50Hz DC220V /DC110V (用户可选) 工作环境: -20~60℃℃ ℃℃控制范围:0~99 功 耗: 3W通 讯: RS485 波特率9600抗电强度: 外壳与端子间大于AC2000V 绝缘性能: 外壳与端子间大于100M Ω 抗 干 扰: 符合GB /T17626.8-1998标准 抗 震 性: 10~55~10Hz 2g1min三、技术参数二、产品功能特点一、概述六、背面接线端子图19202122232425261234568910111213141516温湿传感器A温湿传感器B71718储能公共端接地位置指示空A 相B 相C 相高压带电传 感器输入闭锁输出(无源常闭)RS485ARS485B断路器合断路器分工作位置试验位置27282930加热器电源(AC220V/5A )仪器电源 (AC220V/5A )加热器A 有源输出(AC220V ) 加热器B 有源输出 (AC220V )M 断线报警风机无源输出空27、28:RS485通讯接口 温湿传感器A 温湿传感器B背面接线端子介绍1:断路器合2:断路器分3 :试验位置4:工作位置5:接地刀分/合6:储能:公共端78:空:9A 相 :10B 相:11C 相12:接地13、14:负载电源15、16:仪器电源17、18:负载A 输出(有源输出)19、20:负载B 输出(有源输出)21、22:风机23、24:闭锁输出(无源常闭)25、26:空NNNL L L (注:本图仅供参考,具体以实物为准)五、仪器基本功能介绍01断路器合闸指示02断路器分闸指示03①、03②工作位置指示04①、04②试验位置指示05接地开关合指示06接地开关分指示07储能指示08带电指示(A、B、C)三相 09闭锁指示10加热除湿指示(双温双湿)11手动/自动加热指示12柜内照明转换开关13远方、就地操作开关14语音提示15自储/手储转换开关16分闸、合闸开关面板功能显示说明(注:图中编号是为了说明面板的指示功能,具体以实物为准。
LN-6000系列开关柜智能操控装置技术说明书河北隶能电气设备科技有限公司目录一、产品概述 (2)二、技术指标 (2)三、模拟显示部分 (3)四、外形尺寸、开屏尺寸及后端子 (5)五、显示与设置说明 (7)六、产品功能表 (10)七、运输与贮存 (10)八、保修期限及订货说明 (11)一、产品概述LN-6000开关柜操控装置功能强大,使用于3~35kV户内开关柜,中置柜、手车柜、固定柜、环网柜等多种开关柜。
具有动态一次模拟图、高压带电显示、自动加热除湿数值显示及控制、断路器分合状态指示、储能指示、接地开关状态指示、小车位置指示、分合闸回路完好指示、人体感应带电提示及柜内照明、语音防误提示等功能,可取代现有的一次回路模拟图、带电显示器、自动加热除湿控制器、断路器分合按钮等。
并且具有RS485通讯接口和MODBUS通讯协议,能够使开关柜进一步智能化、网络化、数字化,方便广大用户使用与操作。
二、技术指标工作温度:-20℃~+65℃工作湿度:≤95%RH介质强度:≥AC2000V绝缘性能:≥100MΩ抗电磁干扰性能:符合IEC255-22的标准规定工作电压:AC85~265V/DC100~300V动态闪烁频率:1次/秒湿度测量范围:20%~99%RH温度测量范围:-20℃~+80℃湿度测量精度:±3.0%RH触头/电缆头接头测温范围:-20℃~+150℃温度测量精度:±1℃响应时间:≤2秒人体接近感应时间:≤3秒人体接近语音提示时间:0~29秒开关量输入端子和LED数码显示关联关系:动态配置通讯方式:RS485接口、MODBUS通讯协议通讯波特率:1200bps、2400bps、4800bps、9600bps可选数据格式:8个数据位、1个终止位、无奇偶校验三、模拟显示部分01断路器合指示02断路器分指示03(1)、03(2)工作位置指示04(1)、04(2)试验位置指示05接地开关合指示06接地开关分指示07储能指示08液晶显示界面09加热指示10带电显示及闭锁11操作键盘12储能旋钮13远方/就地转换开关14分/合闸转换开关15报警指示1.断路器状态显示断路器合闸并且分闸回路完好时,红色01模拟条发光;断路器分闸并且合闸回路完好时,绿色02模拟条发光;2.手车位置显示无源触点输入。
卓瑞电气ZR-VMD型开关柜综合操控显示装置技术使用说明书保定市卓瑞电气科技有限公司一、产品用途全新概念的开关柜智能操控装置,功能强大,用于3~35kV户内开关柜,取代现有的一次回路模拟图,数字温湿度控制器。
大屏幕LCD显示器、高压带电闭锁装置,全功能语音防误提示,配有合闸按钮、分闸按钮、储能按钮、远方/就地转换开关、电子数字照明开关。
具有RS485通信接口,适用于中置柜、手车柜、固定柜、环网柜等多种开关柜。
同时本装置外观精致、美观、简化、美化了开关柜面板,有效地提升开关柜品质。
二、技术指标1、工作电源:交流或直流100V~265V2、使用环境:温度-20℃~70℃相对湿度<95%RH3、整机功耗:<5W4、抗电强度:AC2000V 50Hz历时1分钟5、绝缘性能:>100MΩ6、开关状态显示说明6.1、断路器状态指示(无源触点输入)断路器分闸时绿色模拟条亮断路器合闸时红色模拟条亮6.2、手车位置指示(无源触点输入)试验位置触点闭合时绿色模拟条亮工作位置触点闭合时红色模拟条亮6.3、接地刀状态指示(无源触点输入)接地刀分闸时绿色模拟条亮接地刀合闸时红色模拟条亮6.4、弹簧储能状态指示(无源触点输入)断路器操动机构已储能时弹簧符号呈现黄色注:所有状态显示输入信号均取自开关柜中一次元件的辅助触点(为无源接点类型)。
7、高压带电指示指示启辉电压<15%额定母线电压闭锁启控电压<65%额定母线电压闭锁输出接点常闭型无源接点额定容量AC220V/3A警示:仅凭带电指示不足以证明系统已经不带电,如运行程序要求将其作为强制要求,还应使用符合IEC61243的相关的电压探测器或电压探测装置。
8、温湿度控制8.1、两路温度两路湿度当环境温度低于温度下限时,装置自动启动加热器加热,环境温度开始升高,当高到停止加热的温度时(即温度下限值+温度回差值),装置自动停止加热。
当环境湿度高于设定值时,装置自动启动加热器加热,环境湿度开始下降,当降到停止加热的湿度时(即湿度上限值-湿度回差值),装置自动停止加热。
XY-803 开关柜智能操控装置(液晶操控)(版本号:4.15)操作手册(使用前请详细阅读此操作手册)目录一、概述 (1)二、技术指标 (1)三、模拟显示部分与功能 (2)3.1 断路器状态显示 (2)3.2 手车位置显示 (2)3.3 接地开关位置显示 (3)3.4 弹簧储能显示 (3)3.5 带电显示及闭锁功能 (3)3.6 自动加热除湿控制及时温湿度数字显示功能 (3)3.7 人体感应探头功能 (3)3.8 手动照明 (3)3.9 智能语音防误提示功能 (3)3.10 开关转换功能 (3)3.11 通讯功能 (3)3.12、温湿度传感器报警功能 (4)四、安装尺寸与接线图 (4)4.1 安装尺寸 (4)4.2 接线图 (4)五、显示与设置说明 (5)5.1显示 (5)5.2设置说明 (6)六、运输与贮存 (8)七、保修期限及订货说明 (8)一、概述上海贤业XY-803开关柜智能操控装置,产品功能强大,使用于3KV-35KV 户内开关柜,手车柜、固定柜、中置柜、环网柜等多种开关柜。
具有动态一次模拟图、高压带电显示、断路器分合状态指示、储能指示、接地开关状态指示、自动加热除湿数据显示及控制、小车位置指示、分合闸回路完好指示、人体感应及柜内照明、语音防误提示、同时还具有测量电压、电流、有功功率、无功功率、有功电能、无功电能、功率因数、频率等功能,可取代现有的一次回路模拟图、带电显示器、自动加热除湿控制器、断路器分合按钮等。
并且具有RS485通讯接口,通讯协议为MODBUS通讯协议。
能够使开关柜进一步智能化,数字化,网络化,方便广大用户使用与操作。
二、技术指标工作电源:AC85~265V/DC110~300V工作环境温度:-20℃~+70℃工作环境湿度:≤95%RH温度测量范围:-20℃~+80℃湿度测量范围:20%-99%RH加热输出口:无源输出降温输出口:无源输出报警输出口:无源输出照明输出口:无源输出强制闭锁输出口:无源输出介质强度:≥AC2000V绝缘性能:≥100MΩ温度精度:≤±1℃湿度精度:≤±2%RH动态闪烁频率:1次/秒人体接近感应时间:≤3秒RS485通讯距离:≤1200米通讯波特率:1200bps、2400bps、4800bps、9600bps可设置数据格式:8个数据位 1个停止位无奇偶校验开关量输入端子和LED数码显示关联关系:动态配置抗电磁干扰性能:符合IEC255-22的标准规定电力仪表功能1、测量 UA UB UC 精度为 0.2级2、测量 IA IB IC 精度为 0.2级3、测量 PA PB PC P 精度为 0.5级4、测量 QA QB QC Q 精度为 2.0级5、测量 cosa cosb cosc cos 精度为 0.5级6、具有计量功能:有功电能计量、无功电能计量-1-三、模拟显示部分与功能(注:此图仅做参考、具体面膜图以实物为准)01断路器合指示 09加热A指示02断路器分指示 10 加热B指示03(1)、03(2)工作位置指示 11 操作键盘04(1)、04(2)试验位置指示 12 储能旋钮05 接地开关合指示 13 远方/就地转换开关06 接地开关分指示 14分/合闸转换开关07 储能指示 15 报警指示08 液晶显示界面 16带电显示及闭锁3.1、断路器状态显示断路器合闸并且分闸回路完好时,红色01模拟条发光;断路器分闸并且合闸回路完好时,绿色02模拟条发光。