电动机保护器的使用说明
- 格式:doc
- 大小:345.50 KB
- 文档页数:23
ES10系列电动机保护器使用说明书江阴市东歌电气技术有限公司目录1.产品简介 (2)1.1概述 (2)1.2主要性能 (2)1.3引用标准 (2)2.保护器订购选型说明 (3)3.保护器面板及接线端子说明 (4)3.1保护器正面布置 (4)3.2保护器的端子功能 (5)4.ES102编程器功能说明 (6)4.1指示灯功能 (7)4.2 ES102按键功能 (7)4.3 参数设定和查询 (7)4.4故障代码的含义 (19)4.5 符号对照表 (20)5.典型应用接线图 (21)1.产品简介1.1概述ES10系列电动机保护器对电动机的过载、欠载、缺相不平衡、堵转、过热、欠压、过压、接地或漏电等故障引起对电动机的危害给予以系统保护,可实现多种操作控制功能,同时具有测量、自我诊断、维护管理、现场总线通讯等功能。
1.2 主要性能额定工作电压:AC220V/AC380V,消耗功能15W。
电机工作电压:AC380V、660V,50Hz。
额定电流:2A(0.5A~2A);5A(1A~5A);6.3A(1.6A~6.3A);25A(6.3A~25A);100A(25A~100A);250A(63A~250A)。
继电器输出:输出使用继电器隔离,继电器触点额定负载容量a)阻性负载:AC220V(250V)、5A、COSΦ=1,DC24V(30V)、5A。
b)感性负载:AC:AC220V、1.6A ; DC:DC24V 、2A 。
工作环境a)周围环境温度不高于+55℃,不低于-10℃。
b)安装的海拔不超过2500m。
c)污染等级2级。
d)安装类别Ⅲ。
1.3引用标准:本产品符合GB/T14048.1、GB 14048.4、GB/T 17626.2/3/4/5中有关规定。
2.保护器订购选型说明附加功能表1 附加功能代号RS485通讯T电压V漏电保护L4~20mA模拟量输出M4路开关量输入KSOE事件记录S互感器额定电流(A)互感器匝数(一次)额定电流In范围(A)电动机功率(KW)2 1 0.5~2 0.18~0.755 1 1~5 0.75~1.56.3 1 1.6~6.3 1.1~325 1 6.3~25 3~11100 1 25~100 15~45 250 1 50~250 55~132 250以上 1 250以上132以上产品代号 表33.保护器面板及接线端子3.1保护器布置图A相B相C相 V通讯运行报警故障编程口%In东歌EASTSONGES-101功能运行signal in注:1: 端子(功能详解见3.2)2: 指示灯:通讯指示灯,在通讯建立后恒亮。
7.16、AMDP-□/D8 系列电动机保护器7.16.1、电动机运行状态信号输出AMDP-□/D8 系列电动机保护器,除保护电动机的继电器触点输出信号外,还配有5个电动机状态输出信号和1个选通、1个清除故障状态输入信号。
DI1、DI2、DO1-DO5与电动机、保护器工作状态的关系如下表。
表中的 ╳ ,对DI2表示该位无论是0还是1都对输出信号无影响;对DO1-DO5表示输出信号无意义。
表中的故障“预警状态”是指电动机虽出现故障,但还没到设定的报警时间,电动机还在运行;表中的故障“报警状态”是指电动机出现故障且已到设定的报警时间,保护器O11、O12已经断开停止了电动机的运行。
DI2 DI1 DO5 DO4 DO3 DO2DO1电动机、保护器工作状态╳ 1 ╳ ╳ ╳ ╳╳清除故障状态0 0 1 1 1 1 1 选通信号DI2无效,DO1-DO5信号输出无效1 0 1 1 1 1 0 电动机接地故障,保护器处于接地预警状态1 0 1 1 1 0 1 电动机短路故障,保护器处于短路预警状态1 0 1 1 1 0 0 电动机缺相故障,保护器处于缺相预警状态1 0 1 1 0 1 1 电动机堵转故障,保护器处于堵转预警状态1 0 1 1 0 1 0 电动机电流不平衡,保护器处于故障预警状态1 0 1 1 0 0 1 电动机过载故障,保护器处于过载预警状态1 0 1 1 0 0 0 电动机欠载故障,保护器处于欠载预警状态1 0 1 0 1 1 1 电动机过压故障,保护器处于过压预警状态1 0 1 0 1 1 0 电动机欠压故障,保护器处于欠压预警状态1 0 1 0 1 0 1 电动机未起动1 0 1 0 1 0 0 电动机正常运行,无故障1 0 0 1 1 1 0 电动机发生接地故障,保护器处于接地报警状态1 0 0 1 1 0 1 电动机发生短路故障,保护器处于短路报警状态1 0 0 1 1 0 0 电动机发生缺相故障,保护器处于缺相报警状态1 0 0 1 0 1 1 电动机发生堵转故障,保护器处于堵转报警状态1 0 0 1 0 1 0 电动机电流不平衡,保护器处于故障报警状态1 0 0 1 0 0 1 电动机发生过载故障,保护器处于过载报警状态1 0 0 1 0 0 0 电动机发生欠载故障,保护器处于欠载报警状态1 0 0 0 1 1 1 电动机发生过压故障,保护器处于过压报警状态1 0 0 0 1 1 0 电动机发生欠压故障,保护器处于欠压报警状态24V+PLC读取多台AMDP-□/D8 系列电动机保护器电气原理图AMDP-□/D8 系列电动机保护器有4路与采集、保护电路及DSP相隔离的4-20mA输出信号,这4路4-20mA输出信号与A、B、C相电流、电压(电压显示值)成比例。
电机保护器使用方法电机保护器是一种用于对电动机进行保护的装置,它能够实时监测电机的运行状态,并在出现异常情况时采取相应的保护措施。
电机保护器的使用方法如下:1. 选择合适的电机保护器。
在使用电机保护器之前,首先需要根据电机的额定功率和其他参数选择适合的电机保护器。
一般来说,电机保护器的额定电流应略大于电机的额定电流,以确保在正常运行时不会误动作。
2. 安装电机保护器。
将电机保护器安装在电机的供电回路上,通常安装在电机的控制盘中。
在安装过程中,要确保电路连接正确、接线松紧适当,并且需要有良好的接地。
3. 设置电机保护器的参数。
根据电机的额定电流和额定功率,调节电机保护器上的参数,包括过流保护值、过负荷保护值和短路保护值等。
这些参数的设定应符合电机的实际工作情况,并经过实际测试和调试。
4. 进行电机保护器的试运行。
在电机保护器安装完成后,需要进行试运行,以确保电机保护器的正常工作和灵敏度。
同时,还需要检查电机保护器的各项功能是否正常,如过负荷保护、过温保护和欠电压保护等。
5. 定期检查和维护电机保护器。
为了确保电机保护器的长期可靠工作,需要定期检查和维护电机保护器。
定期检查应包括对电机保护器的外观检查、参数设置检查和功能测试等。
同时,还应及时清洁和更换电机保护器的触点和继电器,以保持其正常运行。
6. 注意电机保护器的报警和故障处理。
当电机保护器发出报警信号时,应立即停止电机运行,并排除故障原因,如过负荷、过温或短路等。
如果电机保护器无法恢复正常工作,则需要更换电机保护器或修理。
总的来说,电机保护器的使用方法包括选择合适的电机保护器、正确安装、设置合理的参数、试运行、定期检查和维护、处理报警和故障等。
使用电机保护器能够保护电机免受过负荷、过温、短路等可能引起损坏的因素影响,延长电机的使用寿命,并提高电机系统的安全性和可靠性。
数显式电机保护器
一、功能简介:
1、反时限
2、手动(即时)/断电复位
3、可显示三相最大电流值
4、数字显示故障原因,便于处理故障
5、调节电流及时间旋钮时,可准确显示电流及时间设定值
6、过电流/堵转/缺相/不平衡/反相保护
7、显示部分与主体可分离,便于在面板上安装和操作
见附图2。
四、安装调试
1、将保护器固定在交流接触器旁,A1、A2接操作电源,主回路相线按R、S、T相序对
应穿过保护器的三相互感器,辅助触点接线端子95、96按接线图(附图3)连接。
2、调试方法
根据反时限特性和实际启动时间,保护设置时间=实际启动时间╳(110~120%)设
置后电机按所设特性脱扣,启动为冷态,启动后按照热态,具体参看说明书反时限脱扣特性曲线。
3、设置负载电流及过载延时
①调节“电流设定”旋钮,此时显示体上显示负载电流设定值,将负载电流设定
至电机额定电流的110%.
②调节“时间设定”旋钮,此时显示体上显示过载电流设定值,将过载延时设定
至电机启动所需的时间。
五、ZCDB-62工作过程中的显示状态(附图1)
三相最大电流值设定负载电流设定过载延时过电流
缺R相或R相电流低缺S相或S相电流低缺T相或T相电流低反相
六、ZCDB -62反时限特性曲线(附图2)
七、接线图(附图3)
热态 冷态 5S 10S 20S 30S 60S 5S 10S 20S 30S 60S 1000%。
0731-汤经理WDB-FST电动机智能保护器、AA说明书0731-汤经理AQ0OSENDIANQIWDB-FST智能电动机保护器⑧家质h【认证企业国索强制性认证(3C)及!£09^01:硬■誉踵傅乘认证电动机保护器订购热线:*************0731-汤经理一、概述我公司是一家从事于电动机保护器科研、生产、销售、技术支持的高新技术企业。
对电动机的保护有着深入的研究,本公司生产的电动机保护器具有低价、物美、品种齐全,性能卓越深受用户的喜爱。
电动机保护器从产品品种上分为四种。
1基本型,2基本智能型,3智能豪华型,4普通实用型。
本产品核心部件均采用美国MICRHIP公司新型十六位单片机及控制器配低功耗集成电路开发而成的,该保护器0731-汤经理具有保护功能齐全,测量参数直观,反应灵敏,动作及时可靠,工作稳定可靠、精度高、保护参数设定简单方便和数字化、智能化、网络化等特点,可满足不同层次用户的要求。
广泛应用于电力、石油、治金、化工、纺织等工业电动机及三相电力系统。
作过热、过载、欠载、断相、过压、欠压、堵转、三相电路不平衡保护。
还通过本机RS-485远程通迅接口和PC组成网络监控系统,通过PC对监控器保护参数进行修改及运行状态控制。
是一种提高电机运行安全和自动化管理水平的智能化仪器,可以与上位机通迅构成远程监控与一体的高新技术产品。
二、主要特点采用先进的微机技术与高性能的集成芯片,整机功能强大、性能优越。
测试精度高,线性度好,分辨率高,整机抗干扰能力强,保护动作可靠。
三相电流值,电压值及各类故障代号,显示于LED上、直观清晰。
稳定性好,长期工作无须维护。
采用E2PR0M存储技术,实现参数设定,掉电后设定参数仍保存下来,勿须再设定。
一机多用,可取代传统的电流互感器、电流表、电压表、热继电器和时间继电器等。
配有RS485串行数字接口,便于上位机(PC)进行数字通迅。
三、 依据电动机制造商的规范和过程控制要求设置预警和脱扣参数图1主要功能 保护功能:除了具有通用的保护功能外,还有自启动、通迅启动和关闭,且欠流、过压、欠压、三相电流不平衡、自启动等功能用户可取可舍。
1.3.5 安装面与垂直面的斜度不大于±5°。
1.3.6 在无爆炸危险介质,且介质中无足以腐蚀金属和破坏绝缘的气体及较多导电尘埃存在的地方。
1.3.7 在有防雨雪设备及没有充满水蒸汽的地方。
1.3.8 在无显著动摇、冲击和振动的地方。
1.3.9 安装类别:Ⅲ。
1.3.10 主电路使用类别:AC-3、AC-4。
2.1 结构本系列电动机保护器主要部件由底座罩壳、互感器和电路板组件组成。
全部的零部件都安装在一个塑料外壳中。
2.2 结构特点2.2.1 保护器具有断相和过载保护功能。
2.2.2 保护器的三个指示灯分别指示运行、过载和断相工作状态。
2.2.3 保护器具有整定电流连续可调装置。
2.2.4 保护器的主电路是采用穿芯式接线方试。
2.2.5 保护器的脱扣级别:10A ;3P 。
2.2.6 保护器的安装方式:与产品底板平面螺钉独立安装。
2.3 工作原理保护器是通过电流互感器检测电动机主电路电流来判断电动机是否过载或断相的,过载时触发过载反时限电路,根据过载电流倍数进行延时,延时时间到,便触发继电器使其常闭触头断开而实现保护;断相时保护器是通过断相保护电路延时,时间到,则使继电器常闭触头断开而实现保护。
2 结构与工作原理3.1 主电路基本参数见表13.2 辅助电路技术参数3.2.1 额定工作电压AC220V ±10%或AC380V ±10%,3 技术参数1.1适用范围JD-5(B)电动机保护器,适用于额定频率50Hz ,额定工作电压AC380V/AC220V ,额定工作电流0.5A~100A 的长期工作1 概述:额定控制电源电压:以电压值AC380V 或AC220V 表示整定电流范围代号(见表1),用整定电流范围最大值表示基本规格代号:不标注为一般式,加注字母B 表示设有报警功能设计序号电动机保护器1.3正常工作条件1.3.1周围空气温度:a) 周围空气温度不超过+40℃,且其24h 内其平均温度值不超过+35℃;b) 周围空气温度下限为-5℃。
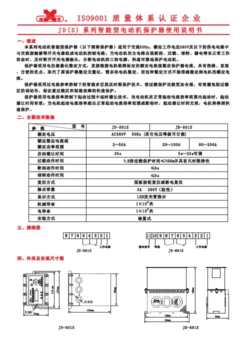
ISO9001 质 量 体 系 认 证 企 业J D(S) 系列智能型电动机保护器使用说明书一、概述本系列电动机智能型保护器(以下简称保护器)适用于交流50Hz,额定工作电压380V及以下的供电电路中与交流接触器等开关电器组成电动机控制电路。
当电动机的主电路出现断相、过载、堵转、漏电等非正常工作状态时,及时断开开关电器触头,分断电动机的三相电源,快速可靠地保护电动机。
保护器采用电位器量化整定方式,直接根据电机铭牌标定的额定电流值整定保护器电流,具有准确、直观、方便的优点,取代了原保护器整定无量化,需启动电机整定,而这种整定方式不能准确整定到电机的额定电流。
保护器采用过电流倍率控制下的智能多区段反时限保护技术,使过载保护功能更加合理,有效避免轻过载区的误动作,保证重过载区和短路故障的快速保护。
保护器采用电流倍率控制下起动过程中延时避让技术,当电动机在正常起动电流倍率范围内起动时,起动避让时间有效;当电机起动电流倍率超出正常起动电流倍率范围或断相时,起动避让时间无效,电机将得到快速保护。
二、主要技术数据三、接线图四、外形及安装尺寸图8765432191011JD-501S JD-601S工作电源零线漏电信号JD-501SJD-601S型号参数JD-501S JD-601S额定整定电流或额定功率范围过载动作时间启动避让时间断相动作时间堵转动作时间复位方式触点容量显示方式机械寿命电寿命安装方式额定电压AC380V 50Hz (其它电压等级可订做)2~50A80~200A20~100A25s5s~35s可调1.5倍过载保护时间≤100s并具有凡时限特性≤6s≤6s面板按钮复位或断电复位5A 380V(阻性)LED发光管指示1×106次装置式1×105次A、参照应用电路举例将保护器与控制线路正确相连(保护器固定在交流接触器下方为宜,且三相电流线分别同向穿B、通电试验:接通保护器电源,运行(绿色)指示灯亮,将整定测量开关设定在整定位置上,观察保护器电流显示,调节整定电位器电位器顺时针旋转至电机铭牌上的额定电流值。
428ARD3M智能电动机保护器使用说明书V1.2安科瑞电气股份有限公司ACREL Co.,Ltd申明版权所有,未经本公司之书面许可,此手册中任何段落,章节内容均不得被摘抄、拷贝或以任何形式复制、传播,否则一切后果由违者自负。
本公司保留一切法律权利本公司保留对本手册所描述之产品规格进行修改的权利,恕不另行通知。
订货前,请垂询当地代理商以获悉本产品的最新规格。
目录1、概述 (1)2、产品特点 (1)3、型号说明 (2)4、主要参数 (3)5、外形尺寸及安装 (5)6、保护功能说明 (12)7、功能设置与说明 (27)8、通讯设置与说明 (42)9、典型应用方案 (82)10、特色功能简介 (87)11、订货范例 (89)1、概述ARD3M智能电动机保护器(以下简称保护器)适用于额定电压至660V的低压电动机回路,集保护、测量、控制、通讯、运维于一体。
其完善的保护功能确保电动机安全运行,带有逻辑可编程功能,可以满足多种控制方式。
可选配不同通讯模块适应现场通讯需求。
该产品采用分体式结构,由主体、显示单元、互感器和选配的通讯模块组成,可适应各种柜体的安装。
产品执行标准:——GB14048.4-2010低压开关设备和控制设备第4-1部分:接触器和电动机起动器机电式接触器和电动机起动器(含电动机保护器);——JBT10736-2007低压电动机保护器。
2、产品特点■辅助电源类型可选,AC220V电源模块支持电源范围AC85-265V/DC100-300V,AC380V 电源模块支持电源范围AC/DC100-415V。
■支持基波和全波电力参数测量(U、I、P、Q、S、PF、F、EP、EQ),电压及电流不平衡度,电压、电流正序、负序、零序分量,三相电压相角,剩余电流,电压、电流2-63次分次谐波测量,分次谐波含有率及总谐波畸变率。
■保护功能包括过载反时限、过载定时限、接地、起动超时、漏电、欠载、断相、堵转、阻塞、短路、溢出、不平衡(电流、电压)、过功率、欠功率、过压、欠压、相序、温度、tE 时间、外部故障、起动次数限制、运行时间报警、故障次数报警。
电动机保护器使用说明书Installation&Operation Manual安全和注意事项危险和警告■本装置只能由专业人士进行安装和维护。
■对于因不遵守本手册的说明而引起的故障,厂家不承担任何责任。
触电、燃烧和爆炸的危险■设备只能由取得资格的工作人员才能进行安装和维护。
■对设备进行任何操作前,应隔离电压输入和切断设备的工作电源。
■要有一台可靠的电压检测设备来确认电压是否已切断。
■在将设备通电前,应该将所有的机械部件恢复原位。
■设备在使用中应该提供正确的额定电压。
■在通电前应仔细检测所有的接线是否正确。
不注意这些预防措施就有可能会引起严重损害!目录一、概述 (1)二、特点 (1)三、主要功能 (1)四、型号说明 (1)五、工作条件 (2)六、技术数据 (2)6.1.输入输出 (2)6.2.电气试验 (3)七、保护特性与设定范围 (3)7.1.启动保护 (3)7.2.三相电流不平衡(断相)保护 (3)7.3.堵转保护 (4)7.4.过流保护 (4)7.5.tE时间保护(增安型电机) (4)7.6.过压保护(控制回路电压) (5)7.7.欠压保护(控制回路电压) (5)7.8.短路保护 (5)7.9.启动中过流保护 (6)7.10.自启动功能(订货时注明) (6)八、键盘操作和显示 (6)九、外形结构及安装尺寸 (9)9.1.96*48分体式安装方式及开孔尺寸 (9)9.2.整体式安装方式及尺寸 (10)9.3.零序互感器安装方式及尺寸 (10)十、接线图 (10)10.1.接线规则 (10)10.2.端子定义图及接线图 (11)10.3.典型接线图 (11)十一、电机保护器计算机远程通讯系统 (14)十二、注意事项 (15)十三、订货须知 (15)电动机保护器一、概述电动机保护器适用于AC380V低压系统,作为低压异步电动机和增安型电动机的保护、监测和控制的新一代智能化综合装置。
除了先进的电动机保护、监控功能,还提供了设备运行和跳闸的记录以及额定参数等重要信息,并且采用现场总线方式结构,为现代化的设备管理带来很大的便利;广泛用于石油、化工、电力、冶金、煤炭、轻工、纺织等行业。
东启冷暖电动机智能电动机保护器说明书电动机保护器使用说明1、缺相保护L1--L3.三个电流互感器取样,经三个三极管U9--U11组成的与门,在电阻R4上获得门限电位。
缺相时,只要其中一个三极管截止,在R4上形成低电位时,红色发光二极管亮,便表示缺相。
同时电容C6快速充电,NE556的左边555时基组成比较单元。
2、正常运行电机启动后,在正常运行时,电流互感器的取样电位不会高于时基内部比较电位。
多谐振荡电路也变成一个比较电路。
NE556的OUT2输出端变成高电位,绿色发光二极管常亮,表示运行正常。
3、过载保护过载时,R4上的取样电位高于时基内部比较电位。
随着过载量的加重或时间的增长,R4上的取样电位会相对增加。
因而,多谐振荡电路频率也会随着增高。
对应NE556的OUT2输出端,高低交替变化(不足的是:这种电机综合保护器的电流取样只有一相),一旦电位变低,单稳态电路电容C6开始充电,按照变化的频率充电。
电动机保护器的安装步骤1、根据安装部位要求方式和保护功能的需要,合理选择电动机保护器型号及其各项保护动作参数设置;2、按产品使用说明书要求正确安装,应按各接线端子用途正确无误连接,工作电源应接在控制回路前,并注意标称电压与实际电压相符合;3、电动机保护器配用电流变比互感器时,若设备现场或控制室需电流表显示时,好另配一个电流互感器,不然对配带电流表的那相电流显示会有影响;4、安装分体式的保护器不要将不同编号的配套互感器和显示部分共同使用;5、可以按用户要求改进,模拟量4-20毫安接口输出量应与连接设备相匹配使用;6、正确接地,低压系统为TN-C保护系统时,保护器负载侧的设备的接地保护线改为按TT系统的独立保护接地,中性线不得重复接地,不得作为保护线。
第二十章 AMDS-X/E系列电动机保护器20.1、AMDS-X/E 系列电动机保护器AMDS-X/E 0 □ □1: 1常开、常闭继电器触点(AC 250V/10A(阻性负载)、DC 30V/10A);2: 2常开、常闭继电器触点(AC 220V/5A(阻性负载)、DC 30V/5A);0:接地、短路、缺相、堵转、电流不平衡、过载;1:接地、短路、缺相、堵转、电流不平衡、过载、零序;2:接地、短路、缺相、堵转、电流不平衡、过载、欠载;5:接地、短路、缺相、堵转、电流不平衡、过载、零序、欠载;0:无通讯接口、无4-20mA输出、无运行状态输出;5 位LED数码管显示 3相电流、零序电流、故障代码、保护参数,外接通用互器;外接通用电流互感器一次额定电流(A),可以是 100、150、200、300、400、500、600、800、1000、1200、1600 之一;电流互感器二次额定电流5A。
AMDS加H,即AMDSH,是重负载起动型保护器,AMDSH适用于风机等重负载起动,起动时间长,过载电流倍数大(大于7倍),详细技术数据请参见AMDSH-X/E0□□使用说明;AMDS-X/E 系列保护器主单元主要特点:DSP为核心,数字设定、数字显示,保护功能完备、保护性能可靠。
按键设置保护参数,5位LED数码管显示三相电流、零序电流、故障代码、保护参数。
外接通用电流互感器,主单元小体积柜内导轨安装;基本保护功能:接地、短路、缺相、堵转、电流不平衡、过载;可选保护功能:零序、欠载;适用范围:额定电压不高于1140V,频率为50Hz、60Hz的三相交流电动机;工作电压:AC 85V — 265V、DC 85V — 265V;功率消耗:小于 2W;采集精度:0.5;环境温度:- 20℃ — 50℃。
20.2、AMDS-X/E 系列电动机保护器技术数据(型号只列出了AMDS-X/E0□□中的X)电流互感器一次电流(A)100 150 200300400500600800 1000 12001600最大设定电流(A) 100 150 200300400500600800 1000 12001600最小设定电流(A) 20 30 40 60 80 100120160 200 240320电动机最大功率(KW) 45 75 110132160250315355 500 600800电动机最小功率(KW) 11 15 22 30 45 55 75 90 110 132160注:表中电动机的额定电压为380V,电动机因型号、极数的不同,相同功率的额定电流会有不同,选用电动机保护器时应以电动机工作电流值为准。
电动机保护器的使用说明
一、电动机保护器的功能
1.无故障运行:电动机保护器可以监测电机的运行状态,并可以自动检测电机是否正常工作,如果出现故障,及时发出警报,确保该电机正常运行。
2.保护运行:电动机保护器可以实时检测电机的运行状态,如果电机出现异常,则及时发出警报,保护电机免受损坏,确保电机正常运行。
3.能源节约:电动机保护器可以通过监测来实现节能减排,即节约电能,减少电力耗用,降低电费开支,从而达到节能减排的目的。
二、电动机保护器的安装
1.确定安装位置:在安装电动机保护器之前,首先应考虑电动机保护器的安装位置,它应该安装在电动机的附近,以减少运行中受到的干扰,同时可以较好的保护电机。
2.连接电缆:在安装电动机保护器之前,需要将电缆和电动机连接起来,安装时应当按照正确标准,保证电缆连接的牢固程度,以确保电动机保护器的正常工作。
苏雪电动机保护器sx-e02说明书苏雪电动机保护器SX-E02说明书第一节产品简介1.1 产品概述:苏雪电动机保护器SX-E02是一种用于电动机保护的装置,具有过载、欠载、短路、过温等保护功能。
它能够有效保护电动机免受损坏,并保障电动机正常运行。
1.2 产品特点:1.2.1 高效保护: SX-E02采用先进的电子组件和智能控制算法,能够准确判断电流、负荷、温度等参数,提供全方位的保护。
1.2.2 灵活可调:具备可调节的过载、欠载、短路、过温保护参数,可根据实际需求进行设定。
1.2.3 稳定可靠:SX-E02采用高品质的元器件和组装工艺,具有良好的稳定性和可靠性。
1.2.4 易于安装:SX-E02小巧轻便,安装简单方便,适用于各类电机控制系统。
第二节产品参数2.1 电气参数2.1.1 输入电压:AC220V±10%,50Hz-60Hz2.1.2 功能参数:过载保护、欠载保护、短路保护、过温保护2.1.3 过载保护范围:根据实际需求可设定2.1.4 欠载保护范围:根据实际需求可设定2.1.5 短路保护时间:<0.1s2.1.6 过温保护范围:根据实际需求可设定2.2 物理参数2.2.1 外观尺寸:100mm×80mm×40mm2.2.2 安装方式:便携式安装2.2.3 工作温度:-10℃~55℃2.2.4 防护等级:IP20第三节使用说明3.1 安装及操作3.1.1 将SX-E02保护器正确安装在电机控制系统中,确保连接稳固可靠。
3.1.2 启动电源,并按照实际需求设定过载、欠载、短路、过温保护参数。
3.1.3 检查保护器显示面板,确保所有指示灯正常亮起。
3.2 维护保养3.2.1 定期检查SX-E02保护器的正常工作状态,如发现异常及时维修或更换。
3.2.2 避免SX-E02保护器接触湿气、腐蚀性物质等场所,以免影响保护器性能。
第四节注意事项4.1 使用前请仔细阅读产品说明书。
ES10系列电动机保护器使用说明书江阴市东歌电气技术有限公司目录1.产品简介 (2)1.1概述 (2)1.2主要性能 (2)1.3引用标准 (2)2.保护器订购选型说明 (3)3.保护器面板及接线端子说明 (4)3.1保护器正面布置 (4)3.2保护器的端子功能 (5)4.ES102编程器功能说明 (6)4.1指示灯功能 (7)4.2 ES102按键功能 (7)4.3 参数设定和查询 (7)4.4故障代码的含义 (19)4.5 符号对照表 (20)5.典型应用接线图 (21)1.产品简介1.1概述ES10系列电动机保护器对电动机的过载、欠载、缺相不平衡、堵转、过热、欠压、过压、接地或漏电等故障引起对电动机的危害给予以系统保护,可实现多种操作控制功能,同时具有测量、自我诊断、维护管理、现场总线通讯等功能。
1.2 主要性能额定工作电压:AC220V/AC380V,消耗功能15W。
电机工作电压:AC380V、660V,50Hz。
额定电流:2A(0.5A~2A);5A(1A~5A);6.3A(1.6A~6.3A);25A(6.3A~25A);100A(25A~100A);250A(63A~250A)。
继电器输出:输出使用继电器隔离,继电器触点额定负载容量a)阻性负载:AC220V(250V)、5A、COSΦ=1,DC24V(30V)、5A。
b)感性负载:AC:AC220V、1.6A ; DC:DC24V 、2A 。
工作环境a)周围环境温度不高于+55℃,不低于-10℃。
b)安装的海拔不超过2500m。
c)污染等级2级。
d)安装类别Ⅲ。
1.3引用标准:本产品符合GB/T14048.1、GB 14048.4、GB/T 17626.2/3/4/5中有关规定。
2.保护器订购选型说明附加功能表1产品代号 表33.保护器面板及接线端子3.1保护器布置图A相B相C相 V通讯运行报警故障编程口%In东歌EASTSONGES-101功能运行signal in注:1: 端子(功能详解见3.2)2: 指示灯:通讯指示灯,在通讯建立后恒亮。
运行指示灯,在运行状态下恒亮。
报警指示灯,在故障报警延时过程中闪烁,发生故障跳闸后恒亮故障指示灯,在发生故障跳闸后恒亮 3: 功能按键,用于查看各相电流和电压。
复位按键,用于清除状态指示和故障报警接点信号。
4: 编程接口,用于ES102手持编程器。
3.2保护器的端子功能保护器开关量输入端子最多同时用4个,作为状态用的输入开关量控制实时检测,检测周期小于100ms。
作为控制操作用的输入开关量控制时间至少需维持100ms。
DI使用内部电源,直流24V电源,外部仅用无源触点即可控制。
禁止外部带电体与DI端子接触和连接!DI端子接线请勿与带强电电线电缆同管或绞合配线!超过2米必须使用屏蔽线!DI引出线最远不得超过300米!以免产生干扰,影响DI输入的错误。
继电器输出最多同时用4个。
继电器输出初始状态有常开、常闭两种,输出方式有电平和脉冲两种。
通用端子对应功能表44.ES102编程器ES102操作编程器和ES20配合使用,是ES20的可选部件之一,通过ES102可以实时显示电动机的各种测量参数;调整各种参数(保护定值、起动参数、系统参数);查询各种故障信息/报警信息/DI和DO状态;检测各种管理信息。
直接起动模式下的ES102面板功能定义如下:4.1 指示灯停车――指示当前电动机为停车状态。
起动――指示电动机的停车和运行的中间状态,包括起动和转换过程。
运行――指示当前保护器处于正常工作状态。
报警――指示灯点亮时表示有非跳闸故障报警发生。
故障――闪烁表示有跳闸故障,当前在处理过程中;恒亮表示当前处于故障跳闸状态。
4.2 ES102键功能起动 A 在本地权限下,此按键可以控制电动机起动运行。
该控制按键据需要可锁定不用。
停车在本地权限下,此按键可以控制运行电动机停车。
该控制按键据需要可锁定不用。
复位清除故障显示,退出故障跳闸状态,但不能清除热容。
返回、确认、↓、↑四个功能键用于参数设定和参数查询。
停车+复位当ES102起动,停车按键被锁定时可实现应急停车。
4.3 对ES101保护器的参数设定和参数查询保护器通过102编程器的四个功能键可实现参数测量、报警查询、故障查询、管理信息、DI/DO状态查询、保护定值设置、起动参数设置、系统参数设置等功能。
ES102工作时首先显示欢迎窗口信息,然后自动进入起动准备就绪,窗口菜单状态,有向下箭头指示时表示有多屏信息,可通过向下键可查询上次停车的原因。
在默认窗口菜单下按一次“确认”则进入一级功能窗口菜单,此时按向下、向上键可进入10个不同功能的一级窗口菜单。
每一个一级窗口菜单都有多个子窗口,子窗口菜单中显示的功能项目侧边有向右实心箭头指示时,有三种可能:一是表示还有下一级子功能窗口菜单,此时按“确认”进入下一级,显示更多的信息;二是表示功能项目参数可修改,按一次“确认”时,实心箭头会变为虚箭头。
三是表示显示的子功能项目未完,按向上向下键可转换功能项目。
针对可修改的参数,在相应功能项目侧边有实心箭头指示下按一次“确认”键,如箭头变为空心箭头则表示可以修改,修改时通过上、下键调整,调整好后再按一次“确认”键,如空心箭头恢复成实心箭头则表示修改的参数已被确认。
参数查询或修改后需按“返回”键,每按一次“返回”键窗口向上退一级,直至显示测量窗口或需要监视的窗口。
4.3.1 不同功能的一级窗口菜单显示的内容保护器接线正确后,ES102显示“起动准备就序”窗口菜单,窗口中显示有当前电动机控制模式,电动机控制权限`--“本地”或“远程”,同时按一次向下键可查看上一次停车的原因。
在“起动准备就序”默认窗口菜单下按一次“确认”进入一级功能窗口菜单,再通过向上向下键查看各一级功能窗口菜单,有多个一级窗口菜单。
4.3.1.1 “测量参数”功能一级窗口菜单下的内容如下:在一级“参数测量”窗口菜单下按一次“确认”则进入测量状态,通过向上或向下键可查询各种参数,分多屏显示测量参数。
不带电压功能时,少一屏电压相关的参数。
运行过程中一旦发现显示的电动机热容量接近100%或在不断增加时,表示电动机已过载运行,保护器很快会发停车命令。
注意电动机起动过程中热容量很大,起动结束后,热容会逐步下降。
4.3.1.2 “报警查询”功能一级窗口菜单下的内容如下:在一级“报警查询”窗口菜单下按一次“确认”则进入报警查询状态,通过向上或向下键可查询各种报警信息,分多屏显示报警信息。
报警出现时有发光指示和显示,报警信息中除“EEPROM ERROR”外,各种报警均为实时状态,警情消失则发光指示和显示消失。
一旦有“EEPROM ERROR”报警,须立即检查保护器各种设置参数,修改不合理参数,使保护器断电一次重新检查确认后再操作电动机运行。
若确认参数无误,不断电进入报警查询状态中“EEPROM ERROR”位置按一次“确认”键亦可以清除报警指示和显示。
4.3.1.3 “故障查询”功能一级窗口菜单下的内容如下:在一级“故障查询”窗口菜单下按一次“确认”则进入故障查询选择状态,保护器共记录8次故障信息(第8次表示最后一次),通过向上或向下键可选取需要查看的第几次故障,再按一次“确认”则进入相应故障的二级窗口菜单状态,二级窗口分多屏显示故障信息;4.3.1.4 “管理信息”功能一级窗口菜单下的内容如下:在一级“管理信息”窗口菜单下按一次“确认”则进入管理信息查询状态,通过向上或向下键可选取查看多种管理维护信息,分多屏显示各种管理信息。
运行时间、停车时间和操作次数均有量程限制,需要清零时,仅需在对应状态下同时按一次“↓”键和“确认”键即可。
4.3.1.5 “DI/DO状态查询”功能一级窗口菜单下的内容如下:在一级“DI/DO状态查询”窗口菜单下按一次“确认”则进入输入/输出状态查询,通过向上或向下键可选择查看DI或DO,对应状态下按“确认”则可查看状态信息,空心圆表示常开,实心圆表示常闭。
注:针对DO输出空心圆,实心圆仅指继电器线圈工作状态,实心圆时表示继电器线圈得电吸合,空心圆时表示继电器线圈失电释放。
DO3输出是常闭触点,DO3实心圆表示常闭触点打开。
4.3.1.6 “保护定值设置”功能一级窗口菜单下的内容如下:在一级“保护定值设置”窗口菜单下按一次“确认”则进入各种保护定值设置状态,通过向上或向下键可选择不同类别的保护定值设置,保护类别分多屏显示。
每一种保护都有多种参数需要设定,详见下列各种保护的二级窗口菜单说明。
4.3.2 “欠载保护”功能窗口菜单下的内容如下:在“欠载保护”定值设置窗口菜单下按一次“确认”则进入欠载保护定值设置状态,欠载保护定值设置分多屏显示,通过向上或向下键可选。
需要修改定值参数时在相应位置上按一次“确认”则原实心箭头变为空心箭头,表示参数已可调整,调整时按向上箭头(+)或向下箭头(-),达到所需参数或最接近参数时再按一次确认,此时空心箭头转为实心表示参数已确认。
通过向上(+)或向下(-)调整参数时,按一次变化一个级差,按住不放可加快调整的速度。
欠载的出厂参数一般在OFF状态,表示欠载退出保护。
欠载保护可设定参数的范围如下:保护执行方式:报警,跳闸动作值:(20%~100%)Ir1+OFF,OFF表示欠载保护功能退出延时时间:0.5s~50.0s4.3.2.1 “过载保护”功能二级窗口菜单下的内容如下:在二级“过载保护”定值设置窗口菜单下按一次“确认”则进入过载保护定值设置状态,过载保护定值设置分多屏显示,通过向上或向下键可选。
需要修改定值参数时在相应位置上按一次“确认”则原实心箭头变为空心箭头,表示参数已可调整,调整时按向上(+)或向下(-)箭头,达到所需参数或最接近参数时再按一次确认,此时空心箭头转为实心箭头表示参数已确认。
通过向上(+)或向下(-)调整参数时,按一次变化一个级差,按住不放会加快调整的速度。
过载参数设定时需结合电动机性能根据保护器不同K系数的特性曲线或电流-时间特性表选配。
过载保护功能不能退出,但可设置为“报警”,即过载故障出现时不跳闸。
除“过载保护”窗口下的参数需要设置外,在一级“系统参数配置”窗口菜单下还有电动机“满负载电流”的参数与过载保护相关联,需要根据电动机功率进行合理设置。
过载保护可设定参数及范围如下:保护执行方式:报警,跳闸K系数:10~1300冷却时间:5min~1080min冷热曲线比:100%起动允许热容:方式一,方式二过载故障复位方式:手动,自动满负载电流(在“系统参数配置”一级窗口菜单下):2A(0.5A~2A),5A(1A~5A) ,6.3A(1.6A~6.3A) ,25A(6.3A~25A),100A(25A~100A) ,250A(50A~250A)注:电动机起动允许热容出厂默认为“方式二”,要在热容下降到(100%-上次起动所用的热容值-2%)或降到15% 以下时方可再次起动电动机。