设备设施安全检查表大全
- 格式:doc
- 大小:3.12 MB
- 文档页数:215
单位:潍坊石大鼎盛能源科技有限企业序检查项目标准不切合标准号状况及结果基座坚固无1地基裂痕、无下物体打击沉本体表面无3本体裂痕,无严其余损害重锈蚀,防腐优秀管线无泄漏、无严重4管线锈蚀、法兰、火灾蝶阀安装齐全坚固开关控制灵敏,电机无锈蚀,轴承5电机触电、火灾转动无异响,润滑、接地优秀附件四:安全检查表安全检查表剖析(SCL+LS)评论记录岗位:加氢岗位风险点(地区 / 装置 / 设备 / 设备)名称:加热炉鼓风机No :SDCS-SS-01现有控制举措建议新增评价管控L S R (改良)备注级别级别举措工程技术管理举措培训教育个体防备应急处理人员稍微擦资质单位设计人员经过三级人员装备安伤利用抢救施工,依据设备箱进行简单教育培训,培全帽、工作巡检管理制度,救援,重度伤 1 5 5 4 低训事故应急预服、防爆对一月对地基巡害立刻拨打案讲机检一次120 报警追求救护人员佩带氨正规厂家采买,人员经过三级气防毒口罩、人员装备安防化服或逃依据设备巡检教育培训,掌全帽、工作生器逃离现管理制度,一月握岗位技术,服、防爆对场。
开启自动13 3 5 低对本体检查一具备应急处理讲机喷淋水,液氨次能力水溶液装入事故水池。
依据岗位操作人员经过三级规程,通风机开管线泄露,开教育培训,掌人员佩带安设置温度、压力启前,进行全面启自然通风1握岗位技术,全帽、穿着 5 5 4 低远传检查,运转时,具备应急处理工作服等阀门,维修管班中 2 小时定线能力期巡检岗位巡检管理人员经过三级人员触电启教育培训,掌人员佩带安动触电现场防爆线路,自动制度, 1 小时巡握岗位技术,全帽、穿着处理方案,将 1 5 5 4 低控制,设置接地检一次,按期进具备应急处理工作服等受伤人员脱行润滑办理能力离电源人员经过三级发现润滑油开 启 前 检 查油教育培训,掌 人员佩带安设置油窗检查 变质或油位6润滑油油位正常火灾油位位在油窗 1/2 握岗位技术, 全帽、穿着不足立刻进1 4 4 4低2/3 之间 具备应急处理 工作服等 行停机改换能力安全检查表剖析(SCL+LS)评论记录单位:潍坊石大鼎盛能源科技有限企业岗位:加氢岗位风险点(地区/装置/设备/设备)名称:加热炉No :SDCS-SS-02序不切合标准检查项目标准号状况及结果基础坚固、1基础无下沉、无火灾、爆炸凹陷2 本体本体无腐火灾、爆炸蚀、无泄露管线防腐处3物料管线理,保温良火灾、爆炸好无泄露通道无泄4 烟道挡板漏,无拥塞、火灾、爆炸自控、手控敏捷靠谱现有控制举措建议新增评价管控L S R (改良)备注级别级别举措工程技术管理举措培训教育个体防备应急处理正规厂家设计培训设备设备管按规定佩带理制度、巡回检查劳保用品:采纳材质切合要施工、交接班检管理制度、掌握岗安全帽、防 1 5 5 4 低求查、班中巡检一位技术,具备应急毒面具、工次处理能力作服等设置可燃气体泄漏报警仪;采纳培训设备设备管按规定佩带设置消防蒸碳钢材质切合要理制度、巡回检查劳保用品:每两小时巡检汽圈,发生火求,设置消防蒸管理制度、掌握岗安全帽、防 5 5 4 低检查1汽圈,发生火灾位技术,具备应急毒面具、工灾手工开启消防蒸汽立刻熄灭、设置处理能力作服等防爆板采纳材质切合要求,设置保温层,培训设备设备管按规定佩带周边设置可燃气劳保用品:设置连锁切理制度、巡回检查体报警仪,发生交接班检查。
设备设施安全考评检查表1. 设备安装- 所有设备是否安装在牢固的基础上?- 设备是否安装在符合规定的位置和高度上?- 设备是否有足够的支撑和固定?2. 电气安全- 是否有明确的电气线路图和标识?- 设备是否接地良好?- 电气设备是否定期检查和维护?3. 使用安全- 是否配备了必要的安全装置和防护设施?- 是否提供了清晰的使用说明和安全警示标志?- 是否有定期的安全培训和演练?4. 检修维护- 是否有定期的检修维护计划?- 是否有专业人员进行设备检修维护?- 是否有记录设备的检修维护情况?5. 紧急情况处理- 是否安装了紧急停止按钮和报警装置?- 是否明确制定了紧急情况处理流程和责任人?- 是否进行了紧急情况演练和应急预案评估?6. 环境安全- 设备周围是否保持整洁和通风良好?- 是否做好了防火、除尘和排风等安全措施?- 是否定期进行环境安全检查和评估?- 是否建立了设备安全管理制度和规范?- 是否有明确的设备责任人和安全管理人员?- 是否进行了定期的安全考评和改进措施?8. 其他- 是否符合相关法律法规和标准要求?- 是否有关于设备安全的其他特殊要求和措施?- 是否有其他可能影响设备安全的因素和情况?备注:以上检查内容仅供参考,需根据具体情况调整。
设备设施的安全考评检查表是针对设备设施的安全性进行全面评估和检查的重要工具。
通过对设备设施进行定期的检查和评估,可以有效地发现隐患和问题,并及时采取相应的措施进行改进和修复,确保设备设施的正常运转和人员安全。
在进行设备设施的安全考评检查时,需要综合考虑设备的安装、电气安全、使用安全、检修维护、紧急情况处理、环境安全、管理制度以及其他相关因素。
下面将进一步对这些方面进行详细的说明。
1. 设备安装设备安装是确保设备稳定性和安全性的首要条件。
在进行设备安装时,需要确保设备安装在牢固的基础上,有足够的支撑和固定。
此外,设备的安装位置和高度也需要符合相关规定,以确保设备的正常运行和操作的便利性。
安全设施、设备安全检查表检查单位检查人员检查时间计划检查频次每月不少于一次序号检查项目检查标准检查方法检查结果存在的问题整改方案1 消防设施1、消防栓、管道有水,闷盖、阀门开关灵活现场打开阀门检查2、消防栓出水口、水带、水枪、水炮接扣管牙及扳手完好现场检查3、水带及内膜无损坏,捆扎处牢固对检查部位做受力试验4、消防栓无跑冒滴漏现象检查漏点情况5、消防箱完好现场检查消防箱6、灭火器外观良好,压力正常、灭火剂干粉无结块现象现场检查是否备用,保养良好7、消防器材存放场所符合要求,距地5-150厘米,取用方便检查存放地点8、消防泵启动正常,电机转动无异常现场检查2应急设施器材1、防毒面具完好、洁净,无老化现象检查面具保存情况2、滤毒罐、盒滤毒剂未失效,胶塞和上盖处于密封状态,滤毒盒要密封保存现场检查滤毒罐、盒保存情况3、防化服完好、洁净,无老化现象检查防化服保存情况4、空气呼吸器压力处于正常状态,阀门、气管完好查看压力表、阀门、气管保存情况5、洗眼器有水源,阀门开关灵活打开阀门是否有水6、应急灯完好打开开关或试验按扭7、员工会使用本岗位设施器材现场抽查员工使用情况8、应急器材柜洁净、无损坏检查应急器材柜3防护栏、防护罩使用良好,无腐蚀、损坏现象现场查看4 现场报警时刻处于完好状态电源正常,显示正常方仪5其它安全设施使用良好现场查看检查与责任制挂钩记录:要求按照《危险化学品从业单位安全标准化规范》的要求认真检查,不放过任何可疑点。
对查出问题及时通知有关单位处理,暂时无法处理的应督促有关单位采取有效的预防措施,并立即安环部、技术部、公司领导报告。
填表人:审核人:。
特种设备安全检查表检查项1. 设备检查- 是否有明显的损坏或故障?- 是否正常工作,符合相关技术规范和使用要求?- 是否存在安全隐患,如锈蚀、断裂、松动等?2. 保护装置- 设备的保护装置是否完好有效?- 是否存在缺失或损坏的安全保护装置?- 保护装置是否合理设置、有效可靠?3. 电气设备- 电气设备是否符合规定的安全标准?- 是否存在电气线路暴露、短路、过载等安全问题?- 电气设备是否安装可靠的过载保护装置?4. 燃气设备- 燃气设备是否具备正常的通风、排放条件?- 是否存在泄漏、缺氧等安全隐患?- 燃气设备是否符合安全使用要求?5. 压力- 压力是否符合规定的安全标准?- 压力是否被定期检测和监测?- 是否存在泄漏、过压等安全问题?6. 高空设备- 高空设备是否有稳固的结构和固定设施?- 是否存在使用限制、故障等安全风险?- 高空设备是否符合安全规范和操作要求?检查流程1. 检查人员应按照检查表的顺序进行逐项检查,确保不遗漏。
2. 对每个检查项依次进行评估,根据实际情况做出判断。
3. 如果发现安全问题或隐患,应及时记录,并采取必要的安全措施。
4. 在检查过程中,应注意保持沟通和了解相关人员的意见和建议。
检查结果1. 对于符合安全要求的检查项,标注“合格”。
2. 对于存在安全问题的检查项,标注“不合格”并详细描述问题。
3. 对于需要进一步处理的安全问题,应指定责任人并制定整改措施。
4. 在整改完成后,需进行重新检查,确保问题得到有效解决。
注意事项1. 检查人员应熟悉相关法律法规和技术标准,确保检查的准确性和专业性。
2. 检查过程中应注意安全,严禁触碰、操作危险设备。
3. 对于特种设备安全问题的处理,应遵循相关法规和标准,确保安全交付使用。
以上是特种设备安全检查表,用于评估特种设备的安全性和合规性。
通过严密的检查和评估,可以及时发现和解决安全隐患,确保特种设备的正常运行和使用安全。
检查人员应根据实际情况,对每个检查项进行准确评估,并及时采取相应措施,确保特种设备的安全使用。
设备设施检查表一、设备信息
设备名称:________________
设备型号:________________
设备编号:________________
设备制造商:________________
二、检查内容
1. 设备外观检查
- 检查设备外观是否完整无损
- 检查设备表面是否有磨损、划痕或变形
2. 设备功能检查
- 检查设备各个功能部件是否正常工作
- 检查设备的电源是否接通并工作正常
3. 设备安全检查
- 检查设备是否有明显的安全隐患
- 检查设备的安全保护装置是否完善并有效
4. 设备维护检查
- 检查设备的维护记录是否完整
- 检查设备的定期保养是否按时进行
三、检查结果
本次检查结果如下:
1. 设备外观:(选择一项)
- 完好无损
- 有磨损或划痕
- 有变形或损坏
2. 设备功能:(选择一项)
- 正常工作
- 部分功能异常
- 完全无法使用
3. 设备安全:(选择一项)
- 无明显安全隐患
- 存在安全隐患,请备注具体情况
4. 设备维护:(选择一项)
- 维护记录完整
- 维护记录不完整,请备注具体情况
四、备注
(在此处填写需要备注的具体情况,如设备的特殊情况、安全隐患的详细描述等)
五、检查人员
检查人员:________________
日期:________________。
安全设施设备安全检查表检查时间: 检查人员:检查结果序检查内容检查要求及标准检查方法号符合不符合及主要问题整改要求整改结果机电设备接地线是检查设备,机电设备接地否完整和牢固;电1 线应完整和牢固;电机的现场检查机的转动轴是否有转动轴应有防护罩防护罩2 生产场所照明灯具生产场所照明灯具应按照现场检查是否选用防爆型灯规定选用防爆型灯具具3 安全附件:安全阀、安全附件:安全阀、压力现场检查压力表、液位计和表、液位计和温度计应处温度计是否处于良于良好状态好状态4 各类容器设备是否各类容器设备不应有泄漏现场检查有泄漏现象现象5 不防雨电机是否有不防雨电机应有防护罩现场检查防护罩6 消防设施是否齐消防设施应齐全,摆放整现场检查全,摆放整齐、性齐、性能良好能良好7 消防通道是否畅通消防通道应该畅通无阻,现场检查不应占用。
8 部分防爆设备,防防爆设备,防爆板应有效,现场检查爆板是否有效定期检查9 是否违章使用安全安全设施设备应正确使用现场检查设施设备查资料1安全设施是否由车安全设施应由车间定期检现场检查 0 间定期检查,保证查,保证安全措施的有效查资料安全措施的有效性性。
1警示标志是否齐警示标志应齐全,清楚醒现场检查 1 全,清楚醒目目1行车的防脱落装置行车的防脱落装置应工作现场检查 2 是否工作正常正常,定期检查1安全设施设备是否安全设施设备应有车间专现场检查 3 有车间专人看管,人看管,制定制度,定期定期检查检查。
1各种报警器是否正各种报警器应该正常有效现场检查 4 常有效使用,是否使用长时间不用1紧急停车联锁系统紧急停车联锁系统应该正现场检查 5 是否正常使用常使用其他安全隐患:检查考核意见:检查单位负责人: 被查班组现场人员: 被查部门负责人:。
安全检查表汇总编写人:审核人:批准人:目录安全检查的目的和要求 (4)日常安全检查表 (5)班组日常安全检查表 (8)周安全检查表 (12)月度安全检查表 (20)春季安全检查表 (24)夏季安全检查表 (26)秋季安全检查表 (30)冬季安全检查表 (34)防火防爆及消防专项安全检查表 (36)危险化学品管理专项安全检查表 (39)机械设备专项安全检查表 (41)电气设备专项安全检查表 (44)特种设备安全检查表 (46)流动式起重机(汽车吊)专项安全检查表 (49)气瓶专项安全检查表 (53)厂房建筑专项安全检查表 (56)机动车辆专项安全检查表 (58)消防泵房点检表 (62)油品库点检表 (64)节前安全检查表 (66)安全隐患整改通知单 (68)安全检查问题清单 (69)年度安全检查计划 (70)隐患整改台帐 (74)一、安全检查的目的:为了保证公司安全生产方针、目标的实现,确保安全标准化的有效实施,对生产过程及安全管理中可能存在的隐患、有害与危险因素、缺陷等进行查证,查找出不安全因素和不安全行为,以确定隐患或有害与危险因素或缺陷的存在状态,以及它们转化为事故的条件,以便制定整改措施,消除或控制隐患和有害与危险因素。
二、安全检查的要求:1、安全检查要按规定的检查计划进行检查,有变更时要有变更说明;2、参加安全检查的人员应按时、按地点、按检查路线进行检查,不得随意变更检查时间、地点和检查路线;3、参加某种类型安全检查的人员,应严格按照该检查表的检查细则进行检查;4、进行安全检查,不能影响正常的生产经营活动;5、参加安全检查的人员应戴好安全帽、穿好工作服和不带铁钉的安全鞋;6、进行安全检查时,语言要文明,严禁说脏话或使用轻蔑的语言;7、检查人员进入生产区域,禁止影响操作人员的正常操作;8、检查出的问题要及时整理汇总,并反馈给有关部门、班组或个人,督促其按要求整改。
(总装厂/部门)安全巡检表(日检)文件编号: ZZZX—JCB-2015 -01 序号:检查人员:检查日期567(总装厂/部门)班组级日常安全检查表8910安全巡检表(周检)1213(总装厂/部门)安全巡检表(周检)文件编号:ZZZX—JCB-2015 -03 序号:14151617(总装厂/部门)安全综合检查表(月检)文件编号:ZZZX—JCB-2015 -04 序号:18192021(总装厂/部门)季节性安全检查表(春季)文件编号:ZZZX—JCB-2015 -05 序号:参加检查人员:检查时间:年月日23(总装厂/部门)季节性安全检查表(夏季)制表人:部门负责人:日期:24文件编号:ZZZX—JCB-2015 -06 序号:参加检查人员:检查时间:年月日2526制表人:部门负责人:日期:27制表人:部门负责人:日期:(总装厂/部门)季节性安全检查表(秋季)文件编号:ZZZX—JCB-2015 -07 序号:参加检查人员:检查时间:年月日(总装厂/部门)季节性安全检查表(冬季)文件编号:ZZZX—JCB-2015 -08 序号:参加检查人员:检查时间:年月日2930填写人:单位负责人:日期:31(总装厂/部门)防火防爆及消防专项安全检查表文件号:ZZZX—JCB-2015 -09 序号:检查人:检查时间:323334(总装厂/部门)危险化学品专项安全检查表文件号:ZZZX—JCB-2015 -10 序号:检查人:检查时间:3536(总装厂/部门)机械设备专项安全检查表文件号:ZZZX—JCB-2015 -11 序号:373839:(总装厂/部门)电气设备专项安全检查表40文件号:ZZZX—JCB-2015 -12 序号:检查人:检查时间:4142( 总装厂/部门)特种设备专项安全检查表文件号:ZZZX —JCB-2015-13序号: 检查人: 检查时间:434445(总装厂/部门)流动式起重机(汽车吊)专项安全检查表文件号:ZZZX—JCB-2015-14 序号:检查车辆车牌号:日期:4647(总装厂/部门)工装吊具及吊带安全检查表文件号:ZZZX—JCB-2015-15 序号:检查人:检查时间:48(总装厂/部门)气瓶专项安全检查表文件号:ZZZX—JCB-2015-16 序号:检查人:检查时间:4950。
工业气瓶安全检查表被查单位:检查日期:年月日检查人(签名):检查日期:年月日检查人(签名):检查日期:年月日检查人(签名):检查日期:年月日检查人(签名):危险化学品库安全检查表被查单位:检查日期:年月日检查人(签名):检查日期:年月日检查人(签名):检查日期:年月日检查人(签名):检查日期:年月日检查人(签名):检查日期:年月日检查人(签名):检查日期:年月日检查人(签名):油库、油罐安全检查表被查单位:检查日期:年月日检查人(签名):检查日期:年月日检查人(签名):检查日期:年月日检查人(签名):检查日期:年月日检查人(签名):检查日期:年月日检查人(签名):压力容器安全检查表被查单位:检查日期:年月日检查人(签名):检查日期:年月日检查人(签名):空压机安全检查表被查单位:检查日期:年月日检查人(签名):检查日期:年月日检查人(签名):检查日期:年月日检查人(签名):工业管道安全检查表被查单位:检查日期:年月日检查人(签名):检查日期:年月日检查人(签名):木料场所安全检查表被查单位:检查日期:年月日检查人(签名):检查日期:年月日检查人(签名):工厂建筑安全检查表检查日期:年月日检查人(签名):检查日期:年月日检查人(签名):检查日期:年月日检查人(签名):检查日期:年月日检查人(签名):检查日期:年月日检查人(签名):涂装作业场所安全检查表被查单位:检查日期:年月日检查人(签名):检查日期:年月日检查人(签名):锻造机械安全检查表被查单位:检查日期:年月日检查人(签名):检查日期:年月日检查人(签名):铸造机械安全检查表被查单位:检查日期:年月日检查人(签名):检查日期:年月日检查人(签名):检查日期:年月日检查人(签名):检查日期:年月日检查人(签名):铸造熔炼炉安全检查表检查日期:年月日检查人(签名):检查日期:年月日检查人(签名):酸碱油糟安全检查表检查日期:年月日检查人(签名):工业梯台(直梯)安全检查表检查日期:年月日检查人(签名):检查日期:年月日检查人(签名):工业梯台(斜梯)安全检查表检查日期:年月日检查人(签名):工业梯台(活动轻金属梯)安全检查表检查日期:年月日检查人(签名):工业梯台(轮式移动平台)安全检查表检查日期:年月日检查人(签名):工业梯台(走台、平台)安全检查表检查日期:年月日检查人(签名):检查日期:年月日检查人(签名):工业炉窑安全检查表被查单位:检查日期:年月日检查人(签名):。
设备设施安全检查表大全设备设施安全检查表是一种重要的安全管理工具,通过检查设备设施的安全性能,能够避免安全事故的发生,保障工作人员的人身安全和财产安全。
下面是设备设施安全检查表大全,供大家参考。
机械设备安全检查表在日常生产中,机械设备的安全装置与使用是非常重要的,如果机械设备的安全装置没有检查好,势必会导致人身伤害和财产损失。
因此,建立机械设备安全检查表格,并执行机械设备安全检查制度,能有效地减少安全事故。
机械设备安全检查表如下:设备名称检查内容检查结论机械设备机械设备是否有明显的损坏?是 / 否机械设备是否正常运行?是 / 否对机械设备的安全装置进行检查(如门、限位开关、光电、安全线等)安全正常 / 安全异常机械设备是否符合规格要求?是 / 否机械设备操作人员是否熟悉机械设备的操作和安全知识?是 / 否机械设备是否存在振动、噪声等异常情况?是 / 否电气设施安全检查表电气设施在使用过程中,需要保证电气设施本身的安全性能,避免因电气设施的安全问题导致火灾等事故的发生。
电气设施安全检查表如下:设备名称检查内容检查结论电气设施电气设施是否有明显的损坏?是 / 否电气设施是否符合规格要求?是 / 否对电气设施的保护措施进行检查(如保护接地、漏电保护、过流保护等)安全正常 / 安全异常电气设施的线路接线盒、接线端子柜是否紧固牢固?是 / 否电气设施是否存在路线交叉的情况?是 / 否电气设施的操作人员是否熟悉电气设施的操作和安全知识?是 / 否火灾安全检查表在生产、生活等场所,火灾事故是一种常见的安全事故,为了避免火灾事故的发生,需要经常检查消防设施、电气设施等设备的安全性能,以发现问题及时进行处理。
火灾安全检查表如下:设备名称检查内容检查结论消防设施消防设施是否存在明显的损坏?是 / 否消防设施是否符合规格要求?是 / 否是否对消防设施进行了日常检查、维护、保养工作?是 / 否消防设施的灭火器、灭火栓是否可靠性足够?是 / 否是否设置了灭火器、灭火栓的保护区域?是 / 否是否制定了火灾逃生预案和演练计划?是 / 否电源设施电源设施的接地是否符合规定要求?是 / 否电源设施的保护措施是否完善?是 / 否化学实验室安全检查表化学实验室是一种特殊的工作场所,需要通过化学实验室安全检查表来发现潜在的安全隐患,保障实验人员的人身安全和财产安全。
设备设施安全考评检查表汇总背景设备设施安全考评检查表是用来对企业或机构的设备设施进行安全评估和检查的工具,其目的是保障设备设施的安全使用,减少事故发生的可能性,保护员工和公众的生命财产安全。
在工业生产、商业经营、学校教育等各个领域,设备设施安全考评检查表都扮演着重要角色。
通过定期的检查评估,可以发现并及时处理设备设施存在的安全隐患,提高管理水平,降低风险。
设备设施安全考评检查表内容汇总1. 设备设施基本信息•设备设施名称•设备设施型号•设备设施使用部门•设备设施安装位置•设备设施启用日期2. 设备设施运行状态检查•设备设施是否正常运行•设备设施是否有异常噪音或振动•设备设施是否有异味或漏油现象•设备设施是否产生过热现象3. 设备设施安全保护装置检查•安全保护装置是否完好有效•安全阀是否正常工作•紧急停车按钮是否灵敏•防护罩是否齐全完好4. 设备设施操作规程遵守情况检查•操作人员是否按照规程操作设备•操作人员是否戴好安全防护用具•操作人员是否具备相应的操作资质•操作人员是否存有操作违章行为5. 设备设施安全警示标识检查•安全警示标识是否清晰明了•安全警示标识是否易于辨识•安全警示标识是否醒目显眼•安全警示标识是否能够提醒人员注意安全6. 设备设施定期维护检查•设备设施是否有维护记录•设备设施是否有维护保养计划•设备设施是否按计划进行维护保养•设备设施维护是否得到专业人员操作结语通过对设备设施安全考评检查表的综合汇总,可以帮助企业或机构全面掌握设备设施的安全状况,及时发现并解决存在的问题,确保设备设施的安全可靠运行。
定期进行安全考评检查,不仅可以提高设备设施的使用寿命,降低维护成本,更能保障员工和公众的安全,促进企业或机构的可持续发展。
以上是对设备设施安全考评检查表的汇总内容,希望对大家有所帮助。
如果有任何疑问或建议,欢迎随时联系我们,共同探讨设备设施安全管理的重要性和方法。
感谢您的阅读!。
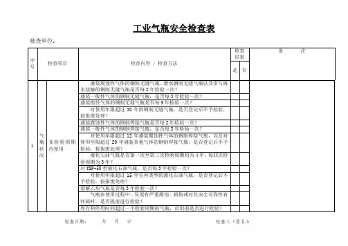
工业气瓶安全检查表
被查单位:
1检查日期:年月日检查人(签名):
2检查日期:年月日检查人(签名):
4检查日期:年月日检查人(签名):
5检查日期:年月日检查人(签名):
6检查日期:年月日检查人(签名):
危险化学品库安全检查表
被查单位:
7检查日期:年月日检查人(签名):
8检查日期:年月日检查人(签名):
10检查日期:年月日检查人(签名):
12检查日期:年月日检查人(签名):
14检查日期:年月日检查人(签名):
15检查日期:年月日检查人(签名):
16检查日期:年月日检查人(签名):
油库、油罐安全检查表
被查单位:
17检查日期:年月日检查人(签名):
18检查日期:年月日检查人(签名):
19检查日期:年月日检查人(签名):
20检查日期:年月日检查人(签名):
21检查日期:年月日检查人(签名):
22检查日期:年月日检查人(签名):
23检查日期:年月日检查人(签名):
24检查日期:年月日检查人(签名):
25检查日期:年月日检查人(签名):
压力容器安全检查表
被查单位:
26检查日期:年月日检查人(签名):
27检查日期:年月日检查人(签名):
28检查日期:年月日检查人(签名):
空压机安全检查表
被查单位:
29检查日期:年月日检查人(签名):
30检查日期:年月日检查人(签名):
31检查日期:年月日检查人(签名):
32检查日期:年月日检查人(签名):
33检查日期:年月日检查人(签名):
工业管道安全检查表
被查单位:
34检查日期:年月日检查人(签名):
35检查日期:年月日检查人(签名):
36检查日期:年月日检查人(签名):
木料场所安全检查表
被查单位:
37检查日期:年月日检查人(签名):
38检查日期:年月日检查人(签名):
39检查日期:年月日检查人(签名):
工厂建筑安全检查表
被查单位:
40检查日期:年月日检查人(签名):
42检查日期:年月日检查人(签名):
44检查日期:年月日检查人(签名):
涂装作业场所安全检查表
被查单位:
45检查日期:年月日检查人(签名):
46检查日期:年月日检查人(签名):
47检查日期:年月日检查人(签名):
锻造机械安全检查表
被查单位:
48检查日期:年月日检查人(签名):
49检查日期:年月日检查人(签名):
50检查日期:年月日检查人(签名):。