混凝土外约束拉应力计算书
- 格式:doc
- 大小:44.01 KB
- 文档页数:3
一、受弯构件强度计算书项目名称_____________日期_____________设计者_____________校对者_____________一、示意图:二、基本资料:1.依据规范:《水工混凝土结构设计规范》(SL 191-2008),以下简称《规范》《水工钢筋混凝土结构学》(中国水利水电出版社)2.几何参数:截面形状: T形截面T形截面腹板宽度:b = 200 mmT形截面高度:h = 450 mmT形截面受压翼沿宽度:b f' = 400 mmT形截面受压翼沿高度:h f' = 100 mm截面有效高度ho = h - a s = 450 - 35 = 415 mm上纵筋合力作用点至截面近边距离:a s' = 35 mm下纵筋合力作用点至截面近边距离:a s = 35 mm3.荷载信息:承载力安全系数K = 1.35弯矩设计值:M = 64.22 kN·m剪力设计值:V = 40.00 kN弯矩标准值:M k = 51.00kN·m4.材料信息:混凝土强度等级: C20 弹性模量Ec = 2.55×104 N/mm2轴心抗压强度设计值f c = 9.6 N/mm2;轴心抗拉强度设计值f t = 1.10 N/mm2轴心抗压强度标准值f ck = 13.4 N/mm2;轴心抗拉强度标准值f tk = 1.54 N/mm2纵筋种类: HRB335 弹性模量Es = 2.0×105 N/mm2抗拉强度设计值f y = 300.0 N/mm2;抗压强度设计值f y' = 300.0 N/mm2箍筋种类: HPB235;抗拉强度设计值f yv = 210.0 N/mm2二、正截面配筋计算:截面有效高度ho = h - a s = 450 - 35 = 415 mm相对界限受压区高度ξb = 0.8/[1+f y/(0.0033×Es)] (规范6.1.4)ξ b = 0.8 / [1 + 300 / (0.0033 ×200000)] = 0.550单筋截面,不考虑受压纵筋:As'=0.0 mm2取b = b f' = 400 mm,根据《规范》式6.2.1-1可算得:受压高度χ= 58.5 mmχ≤ξb×ho = 0.550 × 415 = 228.3 mmAs = (f c × b f' × χ + f y' ×As')/ f y(《规范》式6.2.1-2)As = (9.60×400×58.531+300×0.0)/300.0 = 749.2 mm2配筋率ρ= As/ho/b = 749.2/415/200 = 0.90% > ρmin = 0.20%,满足要求。
混凝土外约束拉应力计算书计算依据:1、《大体积混凝土施工规范》GB50496-20092、《建筑施工计算手册》江正荣编著一、混凝土外约束拉应力计算依据:《大体积混凝土施工规范》GB50496-2009第1层保温层厚度δ1(m) 0.5 第1层保温材料导热系数λ1[W/(m·K)] 0.06 第2层保温层厚度δ2(m) 0.7 第2层保温材料导热系数λ2[W/(m·K)] 0.09 实测日期t1(d) 3 实测温度T1(°C) 50松弛系数H1(t1) 0.186 实测日期t2(d) 6实测温度T2(°C) 45 松弛系数H2(t2) 0.215 实测日期t3(d) 9 实测温度T3(°C) 3535.7 松弛系数H3(t3) 0.383 固体在空气中的放热系数βu[W/(m2·K)]混凝土的导热系数λ0[W/(m·K)] 0.45 混凝土浇筑体的长度L(mm) 44混凝土浇筑体的实际厚度h(m) 1 外约束介质水平变形刚度C X(10-2N/mm3)水泥品种修正系数M1 1.1 水泥细度修正系数M2 1.13 水胶比修正系数M3 1.21 胶浆量修正系数M4 1.45 养护时间修正系数M5 1.11 环境相对湿度修正系数M6 1.1 水力半径的倒数修正系数M70.76 E S F S/E C F C修正系数M80.85 减水剂修正系数M9 1.3 粉煤灰掺量修正系数M100.860.99 矿粉掺量修正系数M11 1.01 粉煤灰掺量对弹性模量调整修正系数β1矿渣粉掺量对弹性模量调整修正系数 1.03 系数φ0.091、各龄期混凝土弹性模量E i(3)=βE0(1-e-φt)=β1β2E0(1-e-φt)=0.99×1.03×3×104×(1-2.718-0.09×3)=7241N/mm2同理:E i(6)=12768N/mm2,E i(9)=16987N/mm22、各龄期混凝土浇筑体综合降温差的增量εy(3)=εy0(1-e-0.01t)·M1·M2·M3…M11=3.24×10-4×(1-2.718-0.01×3)×1.1×1.13×1.21×1.45×1.11×1. 1×0.76×0.85×1.3×0.86×1.01=1.86×10-53天的混凝土的收缩当量温度:T y(3)=εy(t)/α=1.86×10-5/1.0×10-5=1.86°C同理:εy(6)=3.665×10-5,T y(6)=3.66°C,εy(9)=5.417×10-5,T y(9)=5.42°CΔT2i(6)=(T2-T1)+(Ty(6)-Ty(3))=(50-45)+(3.665-1.86)=6.805°C同理:ΔT2i(9)=11.752°C3、各龄期外约束系数保温层总热阻:R S=Σ(δi/λi)+1/βu=(0.5/0.06+0.7/0.09)+1/35.7=16.139(m2·K)/W保温层总放热系数:βS=1/R S =1/16.139=0.062W/(m2·K)保温层相当于混凝土的虚拟厚度:h'=λ0/βS=0.45/0.062=7.263mR i(6)=1-1/cosh[(C X/HE(6))0.5×L/2]=1-1/cosh[(4×10-2/((7.263+1)×103×12768))0.5×4×103/2]=0 .00076同理:R i(9)=0.000574、各龄期外约束拉应力σx(6)=αΔT2i(6)×E i(6)×H i(6)×R i(6)/(1-μ)=1×10-5×6.805×12768×0.186×0.00076/(1-0.15)=0.000144MPa同理:σx(9)=0.000288MPa5、外约束拉应力σx=σx(6)+σx(9)=0.000144+0.000288=0.000432MPa 二、控制温度裂缝计算依据:《大体积混凝土施工规范》GB50496-20091、混凝土抗拉强度f tk(t)=f tk(1-e-γt)=2.01×(1-2.781-0.3×10)=1.91N/mm22、混凝土防裂性能判断λf tk(t)/K=λ1λ2f tk(t)/K=1.03×1.09×1.91/1.15=1.865N/mm2。
YKL-1一、计算条件1、材料1)、预应力钢筋采用高强低松弛钢绞线Φs15.2,其强度为f ptk=1860N/mm22)、张拉控制应力为σcon(N/mm2)= 13023)、孔道成型采用预埋金属波纹管,直径(mm)为70.00 4)、锚具种类:夹片锚5)、非预应力钢筋采用HRB400级钢筋,箍筋采用HRB335级钢筋6)、混凝土强度等级为C40 fc(N/mm2)= 19.1 ftk(N/mm2)=2.517)、施加预应力时的混凝土强度为2、内力计算1)、跨中截面跨中设计弯矩M(KN.m):2287 恒荷载力作用下的弯矩标准值Mk(KN.m):891 活荷载力作用下的弯矩标准值Mk(KN.m):303 2)、支座截面支座设计弯矩M(KN.m):947 恒荷载力作用下的弯矩标准值Mk(KN.m):939 活荷载力作用下的弯矩标准值Mk(KN.m):285 3、结构信息1)、裂缝控制等级:三级2)、配筋情况:下部:2×6Φs15.2+9φ25上部:2×6Φs15.2+8φ254、张拉方式:一端张拉5、跨度L(mm)12.6二、截面验算2.1 截面设计参数梁截面宽度 b(mm) 400 梁截面高度 h(mm) 1000 上翼缘高度 h f(mm) 150 上翼缘宽度b f(mm) 2200 下翼缘高度h f'(mm) 0 下翼缘宽度b f'(mm) 400 支座截面加掖高度h a(mm) 0跨中截面面积A1(mm2) 6.700E+05支座截面面积A2(mm2) 6.700E+05跨中截面形心距上翼缘边缘的距离y11(mm) 329 跨中截面形心距下翼缘边缘的距离y12(mm) 671 支座截面形心距上翼缘边缘的距离y21(mm) 329 支座截面形心距下翼缘边缘的距离y22(mm) 671跨中截面惯性矩I1(mm4) 6.296E+10支座截面惯性矩I2(mm4) 6.296E+102.2 截面抗裂及承载力计算验算(三级)1、跨中截面1—1受拉区普通钢筋根数n1 9 受拉区普通钢筋直径d1(mm) 25 拉区预应力钢筋根数n2 12 弯矩标准值Mk(kN-m) 1194 次弯矩M2(kN-m) 469预应力损失计算预应力钢筋与孔道壁之间的摩擦系数引起的预应力损失σl2(N/mm2)147张拉端锚具变形和钢筋内缩引起的预应力损失σl1(N/mm2)0预应力钢筋的应力松弛引起的应力损失σl4(N/mm2)33由于砼的收缩徐变引起的预应力损失σl5(N/mm2)33裂缝宽度验算受拉区纵向钢筋的公称直径d eq(mm) 26.56按有效受拉混凝土截面面积计算的纵向受拉钢筋配筋率ρte0.03轴向压力作用点至纵向受拉钢筋合力点的距离e(mm)1003.03纵向受拉钢筋合力点至截面受压区全力点的距离z(mm)788.03等效应力σsk(N/mm2)74.06裂缝间纵向受拉钢筋应变不均匀系数ψ(0.2<ψ<1.0)0.38裂缝宽度ωmax(mm)0.03 <0.2,满足要求承载力计算跨中计算弯矩包络值+1.2次弯矩M(KN.M)2287实际承载力Mu(KN.M)3313 >M,满足要求2、支座截面2—2受拉区普通钢筋根数n1 8受拉区普通钢筋直径d1(mm) 25拉区预应力钢筋根数n2 12弯矩标准值M k(kN-m) 647次弯矩M2(kN-m) -462预应力损失计算预应力钢筋与孔道壁之间的摩擦系数引起的预应力损失σl2(N/mm2)277张拉端锚具变形和钢筋内缩引起的预应力损失σl1(N/mm2)0预应力钢筋的应力松弛引起的应力损失σl4(N/mm2)33由于砼的收缩徐变引起的预应力损失σl5(N/mm2)33 裂缝验算受拉区纵向钢筋的公称直径d eq(mm) 26.69按有效受拉混凝土截面面积计算的纵向受拉钢筋配筋率ρte0.01轴向压力作用点至纵向受拉钢筋合力点的距离e(mm)111.88纵向受拉钢筋合力点至截面受压区全力点的距离z(mm)-7144.2等效应力σsk(N/mm2)-299.90裂缝间纵向受拉钢筋应变不均匀系数ψ(0.2<ψ<1.0) 1.00裂缝宽度ωmax(mm)0.03 <0.2mm,满足要求抗震验算梁端的配筋强度比λ0.61 <0.75,满足要求截面换算配筋率ρ(%) 2.41 <2.5%,满足要求受压区高度比x/h0 0.23 <0.35,满足要求梁端底面与顶面普通钢筋面积比A s’/As 1.13 >0.3/(1-λ),满足要求梁底面普通钢筋配筋率0.66 >0.2%,满足要求承载力计算支座计算弯矩包络值+次弯矩M(KN.M)947(1.2恒荷弯矩+1.4活荷弯矩)*调幅系数+次弯矩M1(KN.M)263实际承载力Mu(KN.M)2710 >M1,满足要求支座计算配筋包络值A s(mm2) 5018支座换算实际配筋面积A s实(mm2) 9065 >As,满足要求支座抗剪设计值V(KN)977抗剪承载力V实(KN)1645 >V,满足条件施工阶段验算支座验算施工阶段上翼缘边缘砼法向压应力ócc(N/mm2) 2.61 <0.6fck,满足要求施工阶段下翼缘边缘砼法向拉应力ótp(N/mm2)-2.68 <0.95ftk,满足要求跨中验算施工阶段下翼缘边缘砼法向压应力ócc(N/mm2) 1.59 <0.6fck,满足要求施工阶段上翼缘边缘砼法向拉应力ócc(N/mm3)-3.14 <0.95ftk,满足要求施工阶段预应力伸长计算值(mm) 76施工阶段反拱验算0.06 0.05751219荷载长期作用下梁挠度验算9.25 满足要求<1/300一、计算条件1、材料1)、预应力钢筋采用高强低松弛钢绞线Φs15.2,其强度为f ptk=1860N/mm22)、张拉控制应力为σcon(N/mm2)= 13023)、孔道成型采用预埋金属波纹管,直径(mm)为80.004)、锚具种类:夹片锚5)、非预应力钢筋采用HRB400级钢筋,箍筋采用HRB335级钢筋6)、混凝土强度等级为C40 fc(N/mm2)= 19.1ftk(N/mm2)=2.517)、施加预应力时的混凝土强度为2、内力计算1)、跨中截面跨中设计弯矩M(KN.m):2364 恒荷载力作用下的弯矩标准值Mk(KN.m):788 活荷载力作用下的弯矩标准值Mk(KN.m):224 2)、支座截面支座设计弯矩M(KN.m):1474 恒荷载力作用下的弯矩标准值Mk(KN.m):1108 活荷载力作用下的弯矩标准值Mk(KN.m):274 3、结构信息1)、裂缝控制等级:三级2)、配筋情况:下部:2×8Φs15.2+9φ25上部:2×8Φs15.2+8φ254、张拉方式:一端张拉5、跨度L(mm)15.5二、截面验算2.1 截面设计参数梁截面宽度 b(mm) 400 梁截面高度 h(mm) 1200 上翼缘高度 h f(mm) 150 上翼缘宽度b f(mm) 2200 下翼缘高度h f'(mm) 0 下翼缘宽度b f'(mm) 400 支座截面加掖高度h a(mm) 0跨中截面面积A1(mm2) 7.500E+05支座截面面积A2(mm2) 7.500E+05跨中截面形心距上翼缘边缘的距离y11(mm) 411 跨中截面形心距下翼缘边缘的距离y12(mm) 789 支座截面形心距上翼缘边缘的距离y21(mm) 411 支座截面形心距下翼缘边缘的距离y22(mm) 789跨中截面惯性矩I1(mm4) 1.057E+11支座截面惯性矩I2(mm4) 1.057E+112.2 截面抗裂及承载力计算验算(三级)1、跨中截面1—1受拉区普通钢筋根数n1 9 受拉区普通钢筋直径d1(mm) 25 拉区预应力钢筋根数n2 16 弯矩标准值Mk(kN-m) 1012 次弯矩M2(kN-m) 692预应力损失计算预应力钢筋与孔道壁之间的摩擦系数引起的预应力损失σl2(N/mm2)156张拉端锚具变形和钢筋内缩引起的预应力损失σl1(N/mm2)0预应力钢筋的应力松弛引起的应力损失σl4(N/mm2)33由于砼的收缩徐变引起的预应力损失σl5(N/mm2)44裂缝宽度验算受拉区纵向钢筋的公称直径d eq(mm) 26.89按有效受拉混凝土截面面积计算的纵向受拉钢筋配筋率ρte0.03轴向压力作用点至纵向受拉钢筋合力点的距离e(mm)777.51纵向受拉钢筋合力点至截面受压区全力点的距离z(mm)868.11等效应力σsk(N/mm2)-34.20裂缝间纵向受拉钢筋应变不均匀系数ψ(0.2<ψ<1.0) 1.00裂缝宽度ωmax(mm)0.04 <0.2,满足要求承载力计算跨中计算弯矩包络值+1.2次弯矩M(KN.M)2364实际承载力Mu(KN.M)4809 >M,满足要求2、支座截面2—2受拉区普通钢筋根数n1 8受拉区普通钢筋直径d1(mm) 25拉区预应力钢筋根数n2 16弯矩标准值M k(kN-m) 888次弯矩M2(kN-m) -680预应力损失计算预应力钢筋与孔道壁之间的摩擦系数引起的预应力损失σl2(N/mm2)292张拉端锚具变形和钢筋内缩引起的预应力损失σl1(N/mm2)0预应力钢筋的应力松弛引起的应力损失σl4(N/mm2)33由于砼的收缩徐变引起的预应力损失σl5(N/mm2)44 裂缝验算受拉区纵向钢筋的公称直径d eq(mm) 27.04按有效受拉混凝土截面面积计算的纵向受拉钢筋配筋率ρte0.01轴向压力作用点至纵向受拉钢筋合力点的距离e(mm)95.45纵向受拉钢筋合力点至截面受压区全力点的距离z(mm)-18520.95等效应力σsk(N/mm2)-355.74裂缝间纵向受拉钢筋应变不均匀系数ψ(0.2<ψ<1.0) 1.00裂缝宽度ωmax(mm)0.03 <0.2mm,满足要求抗震验算梁端的配筋强度比λ0.68 <0.75,满足要求截面换算配筋率ρ(%) 2.41 <2.5%,满足要求受压区高度比x/h0 0.27 <0.35,满足要求梁端底面与顶面普通钢筋面积比A s’/As 1.13 >0.3/(1-λ),满足要求梁底面普通钢筋配筋率0.59 >0.2%,满足要求承载力计算支座计算弯矩包络值+次弯矩M(KN.M)1474(1.2恒荷弯矩+1.4活荷弯矩)*调幅系数+次弯矩M1(KN.M)310实际承载力Mu(KN.M)3902 >M1,满足要求支座计算配筋包络值A s(mm2) 5989支座换算实际配筋面积A s实(mm2) 11007 >As,满足要求支座抗剪设计值V(KN)895抗剪承载力V实(KN)1996 >V,满足条件施工阶段验算支座验算施工阶段上翼缘边缘砼法向压应力ócc(N/mm2) 4.51 <0.6fck,满足要求施工阶段下翼缘边缘砼法向拉应力ótp(N/mm2)-0.49 <0.95ftk,满足要求跨中验算施工阶段下翼缘边缘砼法向压应力ócc(N/mm2) 5.89 <0.6fck,满足要求施工阶段上翼缘边缘砼法向拉应力ócc(N/mm3)-1.69 <0.95ftk,满足要求施工阶段预应力伸长计算值(mm) 92施工阶段反拱验算 1.36 1.36165642荷载长期作用下梁挠度验算 6.72 满足要求<1/300一、计算条件1、材料1)、预应力钢筋采用高强低松弛钢绞线Φs15.2,其强度为f ptk=1860N/mm22)、张拉控制应力为σcon(N/mm2)= 13023)、孔道成型采用预埋金属波纹管,直径(mm)为55.004)、锚具种类:夹片锚5)、非预应力钢筋采用HRB400级钢筋,箍筋采用HRB335级钢筋6)、混凝土强度等级为C40 fc(N/mm2)= 19.1ftk(N/mm2)=2.517)、施加预应力时的混凝土强度为2、内力计算1)、跨中截面跨中设计弯矩M(KN.m):2058 恒荷载力作用下的弯矩标准值Mk(KN.m):788 活荷载力作用下的弯矩标准值Mk(KN.m):224 2)、支座截面支座设计弯矩M(KN.m):1729 恒荷载力作用下的弯矩标准值Mk(KN.m):1108 活荷载力作用下的弯矩标准值Mk(KN.m):274 3、结构信息1)、裂缝控制等级:三级2)、配筋情况:下部:2×5Φs15.2+7φ25上部:2×5Φs15.2+5φ254、张拉方式:一端张拉5、跨度L(mm)15.5二、截面验算2.1 截面设计参数梁截面宽度 b(mm) 400 梁截面高度 h(mm) 1200 上翼缘高度 h f(mm) 150 上翼缘宽度b f(mm) 2200 下翼缘高度h f'(mm) 0 下翼缘宽度b f'(mm) 400 支座截面加掖高度h a(mm) 0跨中截面面积A1(mm2) 7.500E+05支座截面面积A2(mm2) 7.500E+05跨中截面形心距上翼缘边缘的距离y11(mm) 411 跨中截面形心距下翼缘边缘的距离y12(mm) 789 支座截面形心距上翼缘边缘的距离y21(mm) 411 支座截面形心距下翼缘边缘的距离y22(mm) 789跨中截面惯性矩I1(mm4) 1.057E+11支座截面惯性矩I2(mm4) 1.057E+112.2 截面抗裂及承载力计算验算(三级)1、跨中截面1—1受拉区普通钢筋根数n1 7 受拉区普通钢筋直径d1(mm) 25 拉区预应力钢筋根数n2 10 弯矩标准值Mk(kN-m) 1012 次弯矩M2(kN-m) 433预应力损失计算预应力钢筋与孔道壁之间的摩擦系数引起的预应力损失σl2(N/mm2)156张拉端锚具变形和钢筋内缩引起的预应力损失σl1(N/mm2)0预应力钢筋的应力松弛引起的应力损失σl4(N/mm2)33由于砼的收缩徐变引起的预应力损失σl5(N/mm2)44裂缝宽度验算受拉区纵向钢筋的公称直径d eq(mm) 26.64按有效受拉混凝土截面面积计算的纵向受拉钢筋配筋率ρte0.02轴向压力作用点至纵向受拉钢筋合力点的距离e(mm)1056.53纵向受拉钢筋合力点至截面受压区全力点的距离z(mm)924.81等效应力σsk(N/mm2)40.15裂缝间纵向受拉钢筋应变不均匀系数ψ(0.2<ψ<1.0)0.20裂缝宽度ωmax(mm)0.01 <0.2,满足要求承载力计算跨中计算弯矩包络值+1.2次弯矩M(KN.M)2058实际承载力Mu(KN.M)3320 >M,满足要求2、支座截面2—2受拉区普通钢筋根数n1 5受拉区普通钢筋直径d1(mm) 25拉区预应力钢筋根数n2 10弯矩标准值M k(kN-m) 888次弯矩M2(kN-m) -425预应力损失计算预应力钢筋与孔道壁之间的摩擦系数引起的预应力损失σl2(N/mm2)292张拉端锚具变形和钢筋内缩引起的预应力损失σl1(N/mm2)0预应力钢筋的应力松弛引起的应力损失σl4(N/mm2)33由于砼的收缩徐变引起的预应力损失σl5(N/mm2)44 裂缝验算受拉区纵向钢筋的公称直径d eq(mm) 27.04按有效受拉混凝土截面面积计算的纵向受拉钢筋配筋率ρte0.01轴向压力作用点至纵向受拉钢筋合力点的距离e(mm)340.21纵向受拉钢筋合力点至截面受压区全力点的距离z(mm)-544.20等效应力σsk(N/mm2)-575.16裂缝间纵向受拉钢筋应变不均匀系数ψ(0.2<ψ<1.0) 1.00裂缝宽度ωmax(mm)0.05 <0.2mm,满足要求抗震验算梁端的配筋强度比λ0.68 <0.75,满足要求截面换算配筋率ρ(%) 1.51 <2.5%,满足要求受压区高度比x/h0 0.14 <0.35,满足要求梁端底面与顶面普通钢筋面积比A s’/As 1.40 >0.3/(1-λ),满足要求梁底面普通钢筋配筋率0.46 >0.2%,满足要求承载力计算支座计算弯矩包络值+次弯矩M(KN.M)1729(1.2恒荷弯矩+1.4活荷弯矩)*调幅系数+次弯矩M1(KN.M)565实际承载力Mu(KN.M)2622 >M1,满足要求支座计算配筋包络值A s(mm2) 5989支座换算实际配筋面积A s实(mm2) 6879 >As,满足要求支座抗剪设计值V(KN)895抗剪承载力V实(KN)1996 >V,满足条件施工阶段验算支座验算施工阶段上翼缘边缘砼法向压应力ócc(N/mm2) 1.65 <0.6fck,满足要求施工阶段下翼缘边缘砼法向拉应力ótp(N/mm2)-2.54 <0.95ftk,满足要求跨中验算施工阶段下翼缘边缘砼法向压应力ócc(N/mm2) 2.09 <0.6fck,满足要求施工阶段上翼缘边缘砼法向拉应力ócc(N/mm3)-1.88 <0.95ftk,满足要求施工阶段预应力伸长计算值(mm) 92施工阶段反拱验算0.11 0.10540212荷载长期作用下梁挠度验算9.24 满足要求<1/300YKL-4一、计算条件1、材料1)、预应力钢筋采用高强低松弛钢绞线Φs15.2,其强度为f ptk=1860N/mm22)、张拉控制应力为σcon(N/mm2)= 13023)、孔道成型采用预埋金属波纹管,直径(mm)为55.004)、锚具种类:夹片锚5)、非预应力钢筋采用HRB400级钢筋,箍筋采用HRB335级钢筋6)、混凝土强度等级为C40 fc(N/mm2)= 19.1ftk(N/mm2)=2.517)、施加预应力时的混凝土强度为2、内力计算1)、跨中截面跨中设计弯矩M(KN.m):1591 恒荷载力作用下的弯矩标准值Mk(KN.m):665 活荷载力作用下的弯矩标准值Mk(KN.m):15 2)、支座截面支座设计弯矩M(KN.m):518 恒荷载力作用下的弯矩标准值Mk(KN.m):773 活荷载力作用下的弯矩标准值Mk(KN.m):55 3、结构信息1)、裂缝控制等级:三级2)、配筋情况:下部:2×5Φs15.2+7φ25上部:2×5Φs15.2+5φ254、张拉方式:一端张拉5、跨度L(mm)15.5二、截面验算2.1 截面设计参数梁截面宽度 b(mm) 400 梁截面高度 h(mm) 1100上翼缘高度 h f(mm) 150 上翼缘宽度b f(mm) 2200 下翼缘高度h f'(mm) 0 下翼缘宽度b f'(mm) 400 支座截面加掖高度h a(mm) 0跨中截面面积A1(mm2) 7.100E+05支座截面面积A2(mm2) 7.100E+05跨中截面形心距上翼缘边缘的距离y11(mm) 369 跨中截面形心距下翼缘边缘的距离y12(mm) 731 支座截面形心距上翼缘边缘的距离y21(mm) 369 支座截面形心距下翼缘边缘的距离y22(mm) 731跨中截面惯性矩I1(mm4) 8.263E+10支座截面惯性矩I2(mm4) 8.263E+102.2 截面抗裂及承载力计算验算(三级)1、跨中截面1—1受拉区普通钢筋根数n1 7 受拉区普通钢筋直径d1(mm) 25 拉区预应力钢筋根数n2 10 弯矩标准值Mk(kN-m) 680 次弯矩M2(kN-m) 422预应力损失计算预应力钢筋与孔道壁之间的摩擦系数引起的预应力损失σl2(N/mm2)141张拉端锚具变形和钢筋内缩引起的预应力损失σl1(N/mm2)0预应力钢筋的应力松弛引起的应力损失σl4(N/mm2)33由于砼的收缩徐变引起的预应力损失σl5(N/mm2)34裂缝宽度验算受拉区纵向钢筋的公称直径d eq(mm) 26.64按有效受拉混凝土截面面积计算的纵向受拉钢筋配筋率ρte0.02轴向压力作用点至纵向受拉钢筋合力点的距离e(mm)783.06纵向受拉钢筋合力点至截面受压区全力点的距离z(mm)824.19等效应力σsk(N/mm2)-14.48裂缝间纵向受拉钢筋应变不均匀系数ψ(0.2<ψ<1.0) 1.00裂缝宽度ωmax(mm)0.02 <0.2,满足要求承载力计算跨中计算弯矩包络值+1.2次弯矩M(KN.M)1591实际承载力Mu(KN.M)3013 >M,满足要求2、支座截面2—2受拉区普通钢筋根数n1 5受拉区普通钢筋直径d1(mm) 25拉区预应力钢筋根数n2 10弯矩标准值M k(kN-m) 561次弯矩M2(kN-m) -416预应力损失计算预应力钢筋与孔道壁之间的摩擦系数引起的预应力损失σl2(N/mm2)265张拉端锚具变形和钢筋内缩引起的预应力损失σl1(N/mm2)0预应力钢筋的应力松弛引起的应力损失σl4(N/mm2)33由于砼的收缩徐变引起的预应力损失σl5(N/mm2)34 裂缝验算受拉区纵向钢筋的公称直径d eq(mm) 27.04按有效受拉混凝土截面面积计算的纵向受拉钢筋配筋率ρte0.01轴向压力作用点至纵向受拉钢筋合力点的距离e(mm)103.56纵向受拉钢筋合力点至截面受压区全力点的距离z(mm)-11681.32等效应力σsk(N/mm2)-367.44裂缝间纵向受拉钢筋应变不均匀系数ψ(0.2<ψ<1.0) 1.00裂缝宽度ωmax(mm)0.06 <0.2mm,满足要求抗震验算梁端的配筋强度比λ0.68 <0.75,满足要求截面换算配筋率ρ(%) 1.64 <2.5%,满足要求受压区高度比x/h0 0.15 <0.35,满足要求梁端底面与顶面普通钢筋面积比A s’/As 1.40 >0.3/(1-λ),满足要求梁底面普通钢筋配筋率0.48 >0.2%,满足要求承载力计算支座计算弯矩包络值+次弯矩M(KN.M)518(1.2恒荷弯矩+1.4活荷弯矩)*调幅系数+次弯矩M1(KN.M)197实际承载力Mu(KN.M)2356 >M1,满足要求支座计算配筋包络值A s(mm2) 2986支座换算实际配筋面积A s实(mm2) 6815 >As,满足要求支座抗剪设计值V(KN)495抗剪承载力V实(KN)1821 >V,满足条件施工阶段验算支座验算施工阶段上翼缘边缘砼法向压应力ócc(N/mm2) 2.54 <0.6fck,满足要求施工阶段下翼缘边缘砼法向拉应力ótp(N/mm2)-1.24 <0.95ftk,满足要求跨中验算施工阶段下翼缘边缘砼法向压应力ócc(N/mm2) 2.51 <0.6fck,满足要求施工阶段上翼缘边缘砼法向拉应力ócc(N/mm3)-1.90 <0.95ftk,满足要求施工阶段预应力伸长计算值(mm) 94施工阶段反拱验算0.52 0.51765696荷载长期作用下梁挠度验算8.91 满足要求<1/300一、计算条件1、材料1)、预应力钢筋采用高强低松弛钢绞线Φs15.2,其强度为f ptk=1860N/mm22)、张拉控制应力为σcon(N/mm2)= 13023)、孔道成型采用预埋金属波纹管,直径(mm)为55.004)、锚具种类:夹片锚5)、非预应力钢筋采用HRB400级钢筋,箍筋采用HRB335级钢筋6)、混凝土强度等级为C40 fc(N/mm2)=19.1ftk(N/mm2)=2.397)、施加预应力时的混凝土强度为2、内力计算支座截面支座设计弯矩M(KN.m):562 恒荷载力作用下的弯矩标准值Mk(KN.m):400 活荷载力作用下的弯矩标准值Mk(KN.m):213、结构信息1)、裂缝控制等级:三级2)、配筋情况:上部:2×5Φs15.2+7φ254、张拉方式:一端张拉5、跨度L(mm) 5二、截面验算2.1 截面设计参数梁截面宽度 b(mm) 500 梁截面高度 h(mm) 700 上翼缘高度 h f(mm) 150 上翼缘宽度b f(mm) 2300 下翼缘高度h f'(mm) 0 下翼缘宽度b f'(mm) 500 支座截面加掖高度h a(mm) 0支座截面面积A2(mm2) 6.200E+05支座截面形心距上翼缘边缘的距离y21(mm) 230 支座截面形心距下翼缘边缘的距离y22(mm) 470支座截面惯性矩I2(mm4) 2.632E+102.2 截面抗裂及承载力计算验算(三级)支座截面受拉区普通钢筋根数n1 7 受拉区普通钢筋直径d1(mm) 25 拉区预应力钢筋根数n2 10 弯矩标准值M k(kN-m) 421预应力损失计算张拉端锚具变形和钢筋内缩引起的预应力损失σl1(N/mm2)234预应力钢筋的应力松弛引起的应力损失σl4(N/mm2)33由于砼的收缩徐变引起的预应力损失σl5(N/mm2)43 裂缝验算受拉区纵向钢筋的公称直径d eq(mm) 26.64按有效受拉混凝土截面面积计算的纵向受拉钢筋配筋率ρte0.03轴向压力作用点至纵向受拉钢筋合力点的距离e(mm)305.08纵向受拉钢筋合力点至截面受压区全力点的距离z(mm)218.83等效应力σsk(N/mm2)112.75裂缝间纵向受拉钢筋应变不均匀系数ψ(0.2<ψ<1.0)0.60裂缝宽度ωmax(mm)0.07 <0.2mm,满足要求抗震验算梁端的配筋强度比λ0.60 <0.75,满足要求截面换算配筋率ρ(%) 2.44 <2.5%,满足要求受压区高度比x/h0 0.26 <0.35,满足要求承载力计算支座计算弯矩包络值M(KN.M)5621.2恒荷弯矩+1.4活荷弯矩M1(KN.M)509实际承载力Mu(KN.M)1568 >M1,满足要求支座计算配筋包络值A s(mm2) 2700支座换算实际配筋面积A s实(mm2) 7814 >As,满足要求支座抗剪设计值V(KN)180抗剪承载力V实(KN)1468 >V,满足条件挠度验算挠度f(mm) 10.31 满足要求。
Th= m c Q/C ρ(1-е-mt)式中:Th—混凝土的绝热温升(℃);m c ——每m 3混凝土的水泥用量,取3;Q——每千克水泥28d 水化热,取C——混凝土比热,取0.97[KJ/(Kg·K)];ρ——混凝土密度,取2400(Kg/m3);е——为常数,取2.718;t——混凝土的龄期(d);m——系数、随浇筑温度改变,取2、混凝土内部中心温度计算T 1(t)=T j +Thξ(t)式中:T 1(t)——t 龄期混凝土中心计算温度,是混凝土温度最高值T j ——混凝土浇筑温度,取由上表可知,砼第6d左右内部温度最高,则验算第6d砼温差2、混凝土养护计算混凝土表层(表面下50-100mm 处)温度,底板混凝土表面采用保温材料(阻燃草帘)蓄热保温养护,并在草袋上下各铺一层不透风的塑料薄膜。
地下室外墙1200 厚混凝土表面,双面也采用保温材料(阻燃草帘)蓄热保温养护,并在草袋上下各铺一层不透风的塑料薄膜。
计算结果如下表ξ(t)——t 龄期降温系数,取值如下表大体积混凝土热工计算1、绝热温升计算计算结果如下表:①保温材料厚度δ= 0.5h·λi (T 2-T q )K b /λ·(T max -T 2)式中:δ——保温材料厚度(m);λi ——各保温材料导热系数[W/(m·K)] ,取λ——混凝土的导热系数,取2.33[W/(m·K)]T 2——混凝土表面温度:23.9(℃)(Tmax-25)T q ——施工期大气平均温度:25(℃)T 2-T q —--1.1(℃)T max -T 2—21.0(℃)K b ——传热系数修正值,取δ= 0.5h·λi (T 2-T q )K b /λ·(T max -T2)*100=-0.32cm故可采用一层阻燃草帘并在其上下各铺一层塑料薄膜进行养护。
②混凝土保温层的传热系数计算β=1/[Σδi /λi +1/βq ]δi ——各保温材料厚度λi ——各保温材料导热系数[W/(m·K)]βq ——空气层的传热系数,取23[W/(m 2·K)]代入数值得:β=1/[Σδi /λi +1/βq ]=48.83③混凝土虚厚度计算:hˊ=k·λ/βk——折减系数,取2/3;λ——混凝土的传热系数,取2.33[W/(m·K)]hˊ=k·λ/β=0.0318④混凝土计算厚度:H=h+2hˊ= 1.66m ⑤混凝土表面温度T 2(t)= T q +4·hˊ(H- h)[T 1(t)- T q ]/H 2式中:T 2(t)——混凝土表面温度(℃)T q —施工期大气平均温度(℃)hˊ——混凝土虚厚度(m)H——混凝土计算厚度(m)式中: hˊ——混凝土虚厚度(m)式中:β——混凝土保温层的传热系数[W/(m 2·K)]T 1(t)——t 龄期混凝土中心计算温度(℃)不同龄期混凝土的中心计算温度(T 1(t))和表面温度(T 2(t))如下表。
附件:盖梁计算书一、计算说明、参数本标段盖梁累计71个,均为双柱盖梁。
总体分一般构造盖梁和框架墩盖梁(即预应力盖梁)两种。
其中一般构造盖梁7种尺寸,框架墩盖梁2种尺寸。
普通盖梁采用C35混凝土,框架墩盖梁采用C50混凝土。
一般构造盖梁共7种尺寸,分布如下(按长x宽x高统计):11.2*1.9*1.4共 6个;11.2*2.1*1.9共6个;11.595*1.9*1.4共18个;15.736*2.1*1.5共4个;7.8*1.9*1.3共4个;11.2*2.2*1.6共12个;11.595*2.2*1.6共18个。
框架墩盖梁共两种尺寸,分布如下(按长x宽x高统计);24.2*2.4*2.2共1个,适用于松林大桥5#墩;24.2*2.4*2.2共2个,适用于松林大桥4#、6#墩。
由于11.2*1.9*1.4(1.595*1.9*1.4为斜交)盖梁具有代表性,故以下计算按11.2*1.9*1.4盖梁进行受力计算分析。
盖梁采用大块定型钢模板施工方法。
模板设置横向][8加劲楞,横向加劲楞直接焊接在模板上;竖向][12加劲楞则布置在外侧,间距为0.8m,且其上安装对拉螺杆。
计算参数:A3钢强度设计值:抗拉、抗压、抗弯:[σ] =21.5KN/cm2=215Mpa,不计入系数时[σ] =145Mpa 抗剪:[τ]=12.5KN/cm2二、计算依据和参考资(1)揭阳至惠来高速公路A7标合同段两阶段施工图设计(2)公路桥涵施工技术规范(JTJ 041-2000)(3)公路桥涵钢结构及木结构设计规范(JTJ025-86)(4)路桥施工计算手册. 人民交通出版社. 2002(5)公路桥涵施工技术规范实施手册. 人民交通出版社. 2002(6)机械工程师手册. 机械工业出版社. 2004三、模板计算荷载分项系数是在设计计算中,反映了荷载的不确定性并与结构可靠度概念相关联的一个数值。
对永久荷载和可变荷载,规定了不同的分项系数。
大体积混凝土专项施工方案XXX交通枢纽工程的室外总体、制冷站及桥梁工程需要进行大体积混凝土施工。
为此,XXX建设工程(西安)有限公司编制了专项方案,并进行了审核和审批。
在编制依据章节中,说明了该方案的编制依据是相关技术标准和规范,以及施工图纸和设计文件。
工程概况章节介绍了工程的基本情况,包括工程规模、施工地点和工期等信息。
施工准备章节分为四个部分,分别是技术准备、测量准备、施工人员配置和施工机械配置。
这些准备工作是为了保证施工的顺利进行,需要提前做好充分准备。
大体积混凝土总体施工方案是本方案的核心内容。
该章节包括冷却水管、测温管的安装、混凝土的浇筑和养护,以及测温监控等内容。
这些步骤都需要严格按照方案进行操作,以确保混凝土的质量和稳定性。
混凝土自约束应力计算书是为了计算混凝土的自约束应力,从而保证混凝土的强度和稳定性。
该章节介绍了混凝土的弹性模量和最大自约束应力的计算方法。
总之,本方案详细介绍了XXX交通枢纽工程的大体积混凝土施工方案,并对相关工作进行了准备和计算。
这些工作的顺利进行将为工程的顺利完成提供有力保障。
第一章编制依据1.XXX室外总体、制冷站及桥梁工程施工承包招标文件由XXX签发。
2.制冷站土建施工图由XXX设计。
3.国家现行的建筑施工规范、规程、标准包括:1) 《建筑工程冬期施工规程》104-20112) 《钢筋焊接及验收规程》18-20163) 《混凝土结构工程施工质量验收规范》GB-20154) 《大体积混凝土施工规范》GB-20095) 《混凝土泵送施工技术规程》/T10-20116) 《建筑施工计算手册》XXX编著第二章工程概况本工程的建设单位为XXX,设计单位为XXX,监理单位为XXX,施工单位为西部机场集团建设工程(西安)有限公司。
第六章混凝土外约束拉应力计算书混凝土外约束拉应力是指混凝土受到外部约束时产生的拉应力。
为了保证混凝土结构的安全和稳定,必须对混凝土外约束拉应力进行计算和控制。
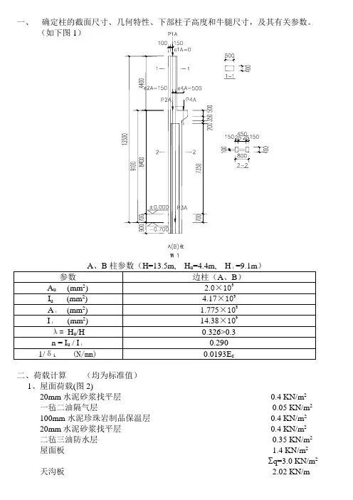
一、确定柱的截面尺寸、几何特性、下部柱子高度和牛腿尺寸,及其有关参数。
(如下图1)二、荷载计算(均为标准值)1、屋面荷载(图2)20mm水泥砂浆找平层0.4 KN/m2一毡二油隔气层0.05 KN/m2 100mm水泥珍珠岩制品保温层0.4 KN/m220mm水泥砂浆找平层0.4 KN/m2二毡三油防水层0.35 KN/m2屋面板 1.4 KN/m2Σq=3.0 KN/m2天沟板 2.02 KN/m此外,屋架自重为106.0KN/榀,天窗架2×36KN/榀,天窗端壁 2×57KN/榀P1A=P1B=3.0×6×(12+0.77)+106/2+36+57+2.02×6=387.98KNM1A=M1B=0M2A=M2B= P1A×e2A=387.98×0.15=193.99KN.2、屋面活载(图3)屋面活载取 0.5KN/m2P1A=P1B=0.5×6×(12+0.77)=38.31KNM1A=M1B=0M2A=M2B= P1A×2A=38.31×0.15=5.75KN.3P2A=P2B=0.4×0.5×4.4×25=22KNM2A=M2B= P2A×e2A=22×0.15=3.3KN.mP3A=P3B=[(7.35+0.7)×0.1775+(1.05×0.8×0.4)+(0.4×0.35×0.5)+(0.352×0.4)/2]×25=46.48KN4、吊车轨道连接及吊车梁自重(图5)P4A=P4B=44.2+1×6=50.2KN0.5=25.1KN.m5设有20/5t和30/5t吊车各一台D max=290×(1+0.2)+215×(0.058+0.792)=530.75KND min=70×(1+0.2)+45×(0.058+0.792)=122.25KND max在A柱:P4A = D max =530.75KNM4A = P4A×e4A =530.75×0.5=265.38KN.mP4B = D min =122.25KNM4B = P4B×e4B =122.25×0.5=61.13KN.mD max在B柱:P4B = D max =530.75KNM4B = P4B×e4B =530.75×0.5=265.38KN.mP4A = D min =122.25KNM4A = P4A×e4A =122.25×0.5=61.13KN.m②水平荷载横向水平荷载(a=0.1)20/5t吊车一个轮子横向水平制动力 T20=0.1×(200+78)/4=6.95KN30/5t吊车一个轮子横向水平制动力 T30=0.1×(300+118)/4=10.45KN 当一台30/5t吊车作用时:T max=10.45×(1+0.2)=12.54KN当一台30/5t和20/5t吊车共同作用时:T max=10.45×(1+0.2)+6.95×(0.792+0.058)=18.45KN 纵向水平荷载不参与横向排架结构内力分析6、风荷载基本风压W o=0.55 KN/m22“+”表示顺风方向“-”表示逆风方向q1k=2.8KN/mq2k=1.75KN/mF wk=(3.19+2)×2.3+(-0.8+2.4)×1.19+(2.4+2.4)×2.67=26.66KN7、荷载汇总三、各荷载作用下的排架内力(A柱)四、排架内力组合(A柱)如下表:A: 1.2×恒载效应标准值+0.9×1.4×(活+吊车+风)荷载效应标准值B: 1.2×恒载效应标准值+0.9×1.4×(吊车+风)荷载效应标准值五、柱的配筋计算(A柱)1、材料:混凝土C30,f c=14.3N/mm2, f tk=2.01N/mm2, f t=1.43N/mm2钢筋(HRB335), f y=f y′=300N/mm2, E s=2.0×105N/mm2箍筋 (HPB235), f y=210N/mm2, E s=2.0×105N/mm22、柱截面参数:①上柱Ⅰ-Ⅰ截面b=400mm,h=500mm,a==a′=40mm,h o=460mm,A c=2.0×105mm2, ξb=0.55求得大小偏心受压破坏界限时的轴力N b,用以判断截面的大小偏心受压情况,选择最不利的荷载组合。
混凝土浇筑后裂缝控制计算书依据<<建筑施工计算手册>>。
一、计算原理:弹性地基基础上大体积混凝土基础或结构各降温阶段综合最大温度收缩拉应力,按下式计算:降温时,混凝土的抗裂安全度应满足下式要求:式中(t)──各龄期混凝土基础所承受的温度应力(N/mm2);──混凝土线膨胀系数,取1.0×10-5;──混凝土泊松比,当为双向受力时,取0.15;E i(t)──各龄期综合温差的弹性模量(N/mm2);△T i(t)──各龄期综合温差(℃);均以负值代入;S i(t)──各龄期混凝土松弛系数;cosh──双曲余弦函数;──约束状态影响系数,按下式计算:H──大体积混凝土基础式结构的厚度(mm);C x──地基水平阻力系数(地基水平剪切刚度)(N/mm2);L──基础或结构底板长度(mm);K──抗裂安全度,取1.15;f t──混凝土抗拉强度设计值(N/mm2)。
二、计算:(1) 计算各龄期混凝土收缩值及收缩当量温差取y0=3.24×104;M1=1.42;M2=0.93;M3=0.70;M4=0.95,则3d收缩值为:y(3)=y0×M1×M2……×M10(1-e-0.01×3)=0.084×10-43d收缩当量温差为:T y(3)=y(3)/=0.84℃同样由计算得:y(6)=0.166×10-4 T y(6)=1.66℃y(9)=0.245×10-4 T y(9)=2.45℃(2) 计算各龄期混凝土综合温差及总温差6d综合温差为:T(6)=T(3)-T(6)+T y(6)-T y(3)=3.22℃同样由计算得:T(9)=4.49℃(3) 计算各龄期混凝土弹性模量3d弹性模量:E(3)=E c(1-e-0.09×3)=0.709×104N/mm2同样由计算得:E(6)=1.251×104N/mm2E(9)=1.665×104N/mm2(4) 各龄期混凝土松弛系数根据实际经验数据荷载持续时间t,按下列数值取用:S(3)=0.186; S(6)=0.208; S(9)=0.214;(5) 最大拉应力计算取=1.0×10-5;=0.15; C x=0.02;H=1400mm; L=5000mm。
CB-240悬臂模板计算书编制:审核:审批:中交二公局第三工程有限公司炎汝高速二十五合同段项目部.2010.05一.编制计算书遵守的规范和规程:《建筑结构荷载规范》(GB 50009-2001)《钢结构设计规范》(GBJ 50017-2003)《混凝土结构设计规范》(GB 50010-2002)《混凝土结构工程施工质量验收规范》(GB 50204-2002)《建筑施工计算手册》江正荣编著《钢结构工程施工质量验收规范》(GB 50205-2001)二.爬模组成:爬模由预埋件、三脚架、吊平台、模板等装置组成。
爬模简图三.计算参数:1.各操作平台的设计施工荷载为:模板,浇筑,钢筋绑扎工作平台最大允许承载3KN/m模板后移及倾斜操作主平台最大允许承载 1.5KN/m2.除与结构连接的关键部件外,其它钢结构剪力设计值为:F V=125KN; 拉压设计值为:F=215KN;3.爬升时,结构砼抗压强度不低于15MPa。
4.假定模板浇筑及钢筋绑扎工作平台宽度为3.0米,则施工荷载为9KN。
5.假定模板后移及倾斜操作主平台宽度为4.0米,则施工荷载为6KN。
6.假定分配到单位机位的模板宽度为3米,高度为3.3米,则模板面积为9.9平米。
7.假定分配到单榀的模板自重为6.5KN。
8.假定最大风荷载为2.5KN/平米,作用在模板表面,侧沿模板高度方向风荷载为2.5×3=7.5KN/米。
9.假定单榀架体系统总重为15KN,含支架、平台、跳板。
三角架体约束反力图四.对体系进行强度验算:◆支架受力分析⒈确定支架计算简图(风况一):支架计算简图轴力图剪力图弯矩图各杆件的轴力、弯矩、剪力(进一法取值)见下表:约束反力:V=48KN;N=100KN;R=65KN⒉确定支架计算简图(风况二):支架计算简图轴力图剪力图弯矩图各杆件的轴力、弯矩、剪力(进一法)见下表:约束反力: V=48KNN=-40KN R=-5KN⒊ 由以上两个表格可以得到,在考虑风况时,各杆件可能承受的最大荷载(弯矩和剪力只考虑绝对值)见下表:各杆件正应力验算见下表:(拉压弯强度设计值为:F=215N/mm 2,承压强度设计值为325 N/mm 2) (应力二=M)各杆件剪切应力验算见下表:(拉剪强度设计值为:F=125N/mm 2)◆各杆件强度验算见下表:◆主背楞斜撑(滑动螺旋传动)计算螺杆承受最大荷载F=±65KN ,螺杆螺纹为T48³6,大径d=48mm ,中径d 2=45mm ,小径d 3=41mm ,螺距为P=6mm ,基本牙型高度1H =0.5P=3mm ,旋合圈数n=H/P=8.3,螺杆和螺母材料均为Q235,螺母高度H=50mm ,螺纹副材料为钢对钢,速度属手动低速,许用压强P p =7.5~13N/mm 2,取10N/mm 2。
40m 预应力混凝土T 梁计算书1 概述采用交通部公路科学研究所开发的结构计算软件GQJS 并配合手算分析40m 简支T 梁的结构受力,以新规范JTG D60-2004和JTG D62-2004为标准。
拟定合理的结构尺寸,给出合理的预应力钢筋和普通钢筋构造。
2 计算依据及参考《公路桥涵设计通用规范》JTG D60-2004《公路钢筋混凝土及预应力混凝土桥涵设计规范》JTG D60-2004 《公路桥涵设计规范》JTJ023-853 计算过程 3.1基本数据跨径:40m ,计算跨径:39.4m ; 设计荷载:公路I 级; 净宽:2x0.5+11=12m 材料:预应力钢筋:17⨯钢绞线,直径15.2mm ,截面面积1392mm ,重量1.101kg/m ,强度标准值1860MPa ,强度设计值1260MPa ,控制张拉应力0.7518601395con σ=⨯=MPa 。
弹性模量51.9510⨯ MPa 。
预应力钢筋采用4根10束15.2j φ(截面面积为13902mm )的预应力钢绞线,预应力截面面积共计55602mm 。
普通钢筋HRB335:强度标准值335MPa ,强度设计值280MPa ,弹性模量5210⨯ MPa 。
受拉区配置6根20φ钢筋,每根截面面积314.202mm ,共1885.22mm 。
混凝土C50:抗压强度标准值32.4MPa ,设计值22.4MPa ,弹性模量43.2510⨯ MPa ,抗拉强度标准值2.65MPa ,设计值1.83MPa 。
3.2 截面特性计算跨中截面横断面布置见下图:预制T 梁截面特性如下:3.3内力计算3.3.1 荷载横向分布系数计算采用刚接梁法计算荷载横向分布系数,采用老规范的计算方法,梁宽采用2.4m,共5片T梁,行车道宽度11m,分别输入各片梁的抗弯、抗扭惯矩、桥面板沿梁长方向单位长度的抗弯惯性矩和悬臂长度,采用编制程序进行计算,结果如下表所示:3.3.2 内力计算采用GQJS程序计算上部结构在各种荷载工况下主要控制截面的内力如下:几点说明:1、结构基频=2.838Hz ,汽车荷载冲击系数=0.169;2、现浇段集度=0.650.1826 3.042⨯⨯=kN/m ;3、防水混凝土+沥青面层集度=0.21224/511.52⨯⨯=kN/m ;4、防撞护栏集度=(0.419*25.5+0.18)×0.336=10.86*0.336=3.65 kN/m ;5、将现浇段、防水混凝土+沥青面层及防撞护栏作为二期恒载施加,集度=18.212 kN/m ;3.4久状况承载能力极限状态计算 3.4.1跨中截面正截面抗弯强度验算:按承载能力极限状态进行计算,考虑恒载和公路I 级荷载按规范JTG D60-2004第4.1.6条进行效应组合,弯矩设计值=14765.75kN.m 。
预应力梁计算书工程概况华师附中新建教学楼部分框架梁由于跨度大,故采用部分有粘结预应力砼。
预应力筋采用高强低松弛钢绞线,强度等级为1860Mpa,规格为Φs15.2,有粘结钢绞线k(预应力筋考虑每米长度局部偏差的摩擦系数)值取0.0015,μ(预应力筋与孔道壁之间的摩擦系数)值取0.25,锚具采用夹片式锚具,张拉控制应力为1395KN/m2。
二、预应力结构设计的基本考虑预应力抗裂控制:梁按二级抗裂控制。
即:荷载标准效应组合进行计算时,梁关键截面受拉边缘砼产生的拉应力不超过αcts f tk, αcts取不大于1.0; 按荷载准永久效应组合进行计算时,梁关键截面受拉边缘砼产生的拉应力不超过αctl f tk, αctl取不大于0.5。
三、预应力框架梁设计过程本工程结构设计参照《混凝土结构设计规程》、《建筑结构荷载规范》、《建筑抗震设计规范》、《后张预应力砼设计手册》陶学康编著等规范及文献。
采用《预应力砼建筑结构设计系列软件》PRCS5.0程序进行计算。
(一)、计算简图及荷载预应力设计根据总体计算的剪力图、弯矩图,现行预应力设计规程进行。
(二)、梁截面尺寸梁编号计算简图编号梁截面预应力筋根数混凝土强度等级YKL1 YKL1 500×12008 C35YL1 YL1 500×120012 C35(三)、结构内力计算及分析根据总体计算内力图,由预应力平面框架程序\PRCS\计算,标准组合工况、承载力组合工况的弯矩见附图所示。
(四)预应力筋布置及预应力损失计算在梁中布置预应力筋,其曲线形状根据其弯矩包络图确定。
经多次试算,框架梁配筋见(二),钢绞线强度等级为1860Mpa,张拉控制应力σcon=75% f ptk.=1395Mpa。
预应力损失计算:(1). 预应力总损失值最小取80Mpa。
(2). 各种损失(张拉端锚具变形及钢筋内缩引起的预应力损失σl1、预应力筋与管壁之间的摩擦引起的预应力损失σl2、预应力筋的应力松弛引起的预应力损失σl4、砼收缩与徐变引起的预应力损失σl5)按照规范与规程条款由程序自行计算,计算过程略。
T梁预应力张拉计算书.doc范本1:一、引言该文档旨在对T梁预应力张拉计算进行详细说明。
包括计算梁体的受力状态、预应力钢束张拉计算、锚固长度计算等部分。
通过本文档的编写,希望能够提供一个清晰的计算过程,为工程设计提供参考。
二、梁体受力状态计算1.梁体几何参数的确定2.梁体受力分析3.梁体设计荷载的确定4.梁体内力的计算三、预应力钢束张拉计算1.预应力钢束的选择和布置2.预应力钢束的张拉计算3.张拉过程中的应力、变形计算四、锚固长度计算1.锚固长度的确定2.锚固长度的计算公式3.锚固长度的检查和优化五、其他设计要求1.梁体的裂缝控制2.预应力钢束的保护层厚度3.短期和长期的变形控制4.施工工艺和安全要求六、附件1.梁体几何参数表格2.预应力钢束布置示意图3.张拉计算过程中的计算表格4.锚固长度计算表格七、法律名词及注释本文档涉及的法律名词及其注释:1.预应力混凝土:指通过在结构中施加预先拉应力的混凝土。
2.锚固长度:指预应力钢束锚固在混凝土内的有效长度。
3.变形控制:指在结构受力过程中,控制结构变形的大小和变形速度。
范本2:一、引言该文档旨在对T梁预应力张拉计算进行详细说明。
包括梁体的受力状态计算、预应力钢束的张拉计算、锚固长度的计算以及其他设计要求等。
通过本文档的编写,旨在提供一个全面的计算过程,为工程设计提供指导。
二、梁体受力状态计算1.确定梁体的几何参数,包括长度、宽度、高度等。
2.分析梁体的受力状态,包括弯矩、剪力、轴力等。
3.确定梁体的设计荷载,包括恒载、活载等。
4.计算梁体的内力,包括正弯矩、剪力以及轴力。
三、预应力钢束张拉计算1.选择合适的预应力钢束并进行布置。
2.进行预应力钢束的张拉计算,确定所需的张拉力。
3.计算张拉过程中的应力和变形。
四、锚固长度计算1.确定锚固长度的要求和设计准则。
2.使用合适的计算公式计算锚固长度。
3.进行锚固长度的检查和优化。
五、其他设计要求1.控制梁体的裂缝,尽量减小裂缝的宽度和数量。
预应力混凝土简支T形梁桥设计计算一.设计资料及构造布置(一).设计资料1.桥梁跨径及桥宽标准跨径:40m(墩中心距离)主梁全长:39.96m计算跨径:39.00m桥面净空:净9m+2×1.0m人行道+2×0.5m护栏=12m2.设计荷载公路-Ⅱ级,根据《公路桥涵设计通用规》:均布荷载标准值为qk=10.5×0.75=8.0kN/m;集中荷载根据线性插应取Pk=250kN。
计算剪力效应时,上述集中荷载标准值应乘以1.2的系数。
人群载荷标准值为3.0kN/m2 ,每侧人行柱防撞栏重力作用分别为1.52kN/m和4.99kN/m。
3.材料及工艺混凝土:主梁采用C60,栏杆及桥面铺装用C30。
预应力钢筋采用《公路钢筋混凝土及预应力混凝土桥涵设计规》(JTG D62—2004)的s15.2钢绞线,每束6根,全梁配7束,pkf=1860Mpa。
普通钢筋直径大于和等于12mm的采用HRB335钢筋,直径小于12mm的均用R235钢筋。
按后法施工工艺要求制作主梁,采用径70mm,外径77mm的预埋波纹管和夹片锚具。
4.设计依据(1)交通部颁《公路工程技术标准》(JTG B01—2003),简称《标准》(2)交通部颁《公路桥涵设计通用规》(JTG D60--2004),简称《桥规》(3)交通部颁《公路钢筋混凝土及预应力混凝土桥涵设计规》(JTG B62—2004)(4)基本计算数据见下表注:考虑混凝土强度达到C45时开始拉预应力钢束。
ck f 和tk f 分别表示钢束拉时混凝土的抗压,抗拉标准强度,则:ck f =29.6a MP ,tk f =2.51a MP 。
(二)横截面布置 1.主梁间距与主梁片数主梁间距通常应随梁高与跨径的增大而加宽为经济。
同时加宽翼板对提高主梁截面效率指标很有效,故在许可条件下应适当加宽T 梁翼板。
上翼缘宽度一般为1.6~2.4m 或更宽。
本设计拟取翼板宽为2500mm (考虑桥面宽度)。
最新预应力梁计算书一、预应力梁的基本原理预应力梁是在梁体承受荷载前,预先对其施加一定的压力,使梁体在使用过程中能够更好地抵抗拉应力。
通过预应力筋的张拉,在梁体内部产生预压应力,从而抵消一部分或全部由外荷载产生的拉应力,提高梁的承载能力和使用性能。
二、预应力梁的计算参数1、材料特性混凝土:包括强度等级、弹性模量、泊松比等。
预应力筋:如钢绞线的强度、弹性模量等。
2、荷载参数恒载:梁体自重、附属结构重量等。
活载:人员、设备、车辆等荷载。
3、几何参数梁的长度、宽度、高度等尺寸。
三、预应力梁的内力计算1、恒载作用下的内力根据梁的几何形状和材料特性,采用结构力学方法计算恒载作用下梁的弯矩、剪力和轴力。
2、活载作用下的内力通过影响线法或其他荷载布置方法,计算活载在不同工况下产生的最大内力。
3、预应力产生的内力根据预应力筋的布置和张拉控制应力,计算预应力在梁体内产生的等效荷载,进而求得预应力产生的内力。
四、预应力损失的计算1、摩擦损失由于预应力筋与孔道壁之间的摩擦,导致预应力在传递过程中的损失。
2、锚具变形和钢筋回缩损失在锚固过程中,锚具和钢筋的变形会引起预应力损失。
3、混凝土的弹性压缩损失混凝土在预应力作用下发生弹性压缩,导致预应力筋的应力降低。
4、预应力筋的松弛损失长期作用下,预应力筋会产生应力松弛,造成预应力损失。
5、混凝土的收缩和徐变损失混凝土在硬化和使用过程中的收缩和徐变会使预应力筋的应力发生变化。
五、预应力梁的承载能力计算1、正截面受弯承载力计算根据混凝土和预应力筋的应力应变关系,计算梁在正弯矩作用下的承载能力,确保梁不发生弯曲破坏。
2、斜截面受剪承载力计算考虑混凝土、箍筋和弯起钢筋的抗剪作用,计算梁在斜截面的承载能力,防止梁发生剪切破坏。
六、抗裂验算1、正截面抗裂验算根据规范要求,验算梁在使用阶段正截面的抗裂性能,确保梁不开裂或裂缝宽度在允许范围内。
2、斜截面抗裂验算同样要对梁的斜截面抗裂性能进行验算,保证梁在使用过程中的耐久性。
一.设计规范及参考文献(一)重机设计规范(GB3811-83)(二)钢结构设计规范(GBJ17-88)(三)公路桥涵施工规范(041-89)(四)公路桥涵设计规范(JTJ021-89)(五)石家庄铁道学院《GFJT-40/300拆装式架桥机设计计算书》(六)梁体按30米箱梁100吨计。
二.架桥机设计荷载(一).垂直荷载=100t梁重:Q1=7.5t(含卷扬机)天车重:Q2吊梁天车横梁重:Q=7.3t(含纵向走行)3主梁、桁架及桥面系均部荷载:q=1.29t/节(单边)1.29×1.1=1.42 t/节(单边)0号支腿总重: Q=5.6t4=14.6t1号承重梁总重:Q52号承重梁总重:Q=14.6t6=7.5+7.3=14.8t纵向走行横梁(1号车):Q7纵向走行横梁(2号车):Q=7.5+7.3=14.8t8梁增重系数取:1.1活载冲击系数取:1.2不均匀系数取:1.1(二).水平荷载1.风荷载a.设计取工作状态最大风力,风压为7级风的最大风压:=19kg/m2q1b. 非工作计算状态风压,设计为11级的最大风压;=66kg/m2q2(以上数据参照石家庄铁道学院《GFJT-40/300拆装式架桥机设计计算书》)2.运行惯性力:Ф=1.1三.架桥机倾覆稳定性计算(一)架桥机纵向稳定性计算架桥机纵向稳定性最不利情况出现在架桥机悬臂前行阶段,该工况下架桥机的支柱已经翻起,1号天车及2号天车退至架桥机尾部作为配重,计算简图见图1(单位 m):图中P 5= P6=14.8t (天车、起重小车自重)P7为风荷载,按11级风的最大风压下的横向风荷载,所有迎风面均按实体计算,P7=ΣCKnqAi=1.2×1.39×66×(0.7+0.584+0.245+2.25+0.3+0.7+0.8+1.5)×12.9=10053kg=10.05t作用在轨面以上5.58m处M抗=43.31×15+14.8×(22+1.5)+14.8×27.5+14.6×22=1725.65t.mM倾=5.6×32+45.44×16+10.05×5.58=962.319t.m架桥机纵向抗倾覆安全系数n=M抗/M倾=1725.65/(962.319× 1.1)=1.63>1.3 <可)(二) 架桥机横向倾覆稳定性计算1.正常工作状态下稳定性计算架桥机横向倾覆稳定性最不利情况发生在架边梁就位时,最不利位置在1号天车位置,检算时可偏于安全的将整个架桥机荷载全部简化到该处,计算简图如图图2P1为架桥机自重(不含起重车),作用在两支点中心P1=43.31+45.44+7.3×2+14.6×2=132.55 tP2为导梁承受的风荷载,作用点在支点以上3.8m处,导梁迎风面积按实体面积计,导梁形状系数取1.6。
混凝土外约束拉应力计算书计算依据:
1、《大体积混凝土施工规范》GB50496-2009
2、《建筑施工计算手册》江正荣编著
一、混凝土外约束拉应力
计算依据:《大体积混凝土施工规范》GB50496-2009
第1层保温层厚度δ1(m) 0.5 第1层保温材料导热系数λ1[W/(m·K)] 0.06 第2层保温层厚度δ2(m) 0.7 第2层保温材料导热系数λ2[W/(m·K)] 0.09 实测日期t1(d) 3 实测温度T1(°C) 50
松弛系数H1(t1) 0.186 实测日期t2(d) 6
实测温度T2(°C) 45 松弛系数H2(t2) 0.215 实测日期t3(d) 9 实测温度T3(°C) 35
35.7 松弛系数H3(t3) 0.383 固体在空气中的放热系数
βu[W/(m2·K)]
混凝土的导热系数λ0[W/(m·K)] 0.45 混凝土浇筑体的长度L(mm) 4
4
混凝土浇筑体的实际厚度h(m) 1 外约束介质水平变形刚度
C X(10-2N/mm3)
水泥品种修正系数M1 1.1 水泥细度修正系数M2 1.13 水胶比修正系数M3 1.21 胶浆量修正系数M4 1.45 养护时间修正系数M5 1.11 环境相对湿度修正系数M6 1.1 水力半径的倒数修正系数M70.76 E S F S/E C F C修正系数M80.85 减水剂修正系数M9 1.3 粉煤灰掺量修正系数M100.86
0.99 矿粉掺量修正系数M11 1.01 粉煤灰掺量对弹性模量调整修正系数
β1
矿渣粉掺量对弹性模量调整修正系数 1.03 系数φ0.09
1、各龄期混凝土弹性模量
E i(3)=βE0(1-e-φt)=β1β2E0(1-e-φt)=0.99×1.03×3×104×(1-2.718-0.09×3)=7241N/mm2
同理:E i(6)=12768N/mm2,E i(9)=16987N/mm2
2、各龄期混凝土浇筑体综合降温差的增量
εy(3)=εy0(1-e-0.01t)·M1·M2·M3…M11=3.24×10-4×(1-2.718-0.01×3)×1.1×1.13×1.21×1.45×1.11×1. 1×0.76×0.85×1.3×0.86×1.01=1.86×10-5
3天的混凝土的收缩当量温度:
T y(3)=εy(t)/α=1.86×10-5/1.0×10-5=1.86°C
同理:
εy(6)=3.665×10-5,T y(6)=3.66°C,
εy(9)=5.417×10-5,T y(9)=5.42°C
ΔT2i(6)=(T2-T1)+(Ty(6)-Ty(3))=(50-45)+(3.665-1.86)=6.805°C
同理:ΔT2i(9)=11.752°C
3、各龄期外约束系数
保温层总热阻:
R S=Σ(δi/λi)+1/βu=(0.5/0.06+0.7/0.09)+1/35.7=16.139(m2·K)/W
保温层总放热系数:
βS=1/R S =1/16.139=0.062W/(m2·K)
保温层相当于混凝土的虚拟厚度:
h'=λ0/βS=0.45/0.062=7.263m
R i(6)=1-1/cosh[(C X/HE(6))0.5×L/2]=1-1/cosh[(4×10-2/((7.263+1)×103×12768))0.5×4×103/2]=0 .00076
同理:R i(9)=0.00057
4、各龄期外约束拉应力
σx(6)=αΔT2i(6)×E i(6)×H i(6)×R i(6)/(1-μ)=1×10-5×6.805×12768×0.186×0.00076/(1-0.15)=0.00
0144MPa
同理:σx(9)=0.000288MPa
5、外约束拉应力
σx=σx(6)+σx(9)=0.000144+0.000288=0.000432MPa
二、控制温度裂缝
计算依据:《大体积混凝土施工规范》GB50496-2009
混凝土强度等级C30 混凝土抗拉强度系数γ0.3
粉煤灰掺量对混凝土抗拉强度影响系数λ11.03 矿渣粉掺量对混凝土抗拉强度影响系
数λ2
1.09
1、混凝土抗拉强度
f tk(t)=f tk(1-e-γt)=2.01×(1-2.781-0.3×10)=1.91N/mm2
2、混凝土防裂性能判断
λf tk(t)/K=λ1λ2f tk(t)/K=1.03×1.09×1.91/1.15=1.865N/mm2。