混凝土自约束应力计算书
- 格式:doc
- 大小:34.00 KB
- 文档页数:2
目录1 计算依据与基础资料 (1)1.1 标准及规范 (1)1.1。
1 标准 (1)1。
1.2 规范 (1)1.1.3 参考资料 (1)1。
2 主要材料 (1)1.3 设计要点 (1)2 横断面布置 (2)2.1 横断面布置图 (2)2。
2 预制T梁截面尺寸 (2)2。
3 T梁翼缘有效宽度计算 (3)3 汽车荷载横向分布系数、冲击系数的计算 (4)3.1 汽车荷载横向分布系数计算 (4)3。
1.1 车道折减系数 (4)3.1。
2 跨中横向分布系数 (4)3。
2 汽车荷载冲击系数 值计算 (6)3。
2。
1汽车荷载纵向整体冲击系数 (6)3。
2.2 汽车荷载的局部加载的冲击系数 (6)4 作用效应组合 (6)4.1 作用的标准值 (7)4。
1.1 永久作用标准值 (7)4。
1.2 汽车荷载效应标准值 (8)4.2 作用效应组合 (10)4。
2。
1 基本组合(用于结构承载能力极限状态设计) (10)4.2.2 作用短期效应组合(用于正常使用极限状态设计) (12)4.2.3 作用长期效应组合(用于正常使用极限状态设计) (13)4.3 截面预应力钢束估算及几何特性计算 (15)4.3。
1 全预应力混凝土受弯构件受拉区钢筋面积估算 (15)4.3。
2 截面几何特性计算 (20)5 持久状态承载能力极限状态计算 (21)5.1 正截面抗弯承载能力 (22)5。
2 斜截面抗剪承载力验算 (22)5。
2。
1 验算受弯构件抗剪截面尺寸是否需进行抗剪强度计算 (22)5。
2。
2 箍筋设置 (25)5。
2。
3 斜截面抗剪承载力验算 (27)6 持久状况正常使用极限状态计算 (27)6。
1 预应力钢束应力损失计算 (28)6。
1.1 张拉控制应力 (28)6。
1。
2 各项预应力损失 (28)6。
2 温度梯度截面上的应力计算 (33)6.3 抗裂验算 (35)6.3.1 正截面抗裂验算 (35)6。
3.2 斜截面抗裂验算 (37)6。
Th= m c Q/C ρ(1-е-mt)式中:Th—混凝土的绝热温升(℃);m c ——每m 3混凝土的水泥用量,取3;Q——每千克水泥28d 水化热,取C——混凝土比热,取0.97[KJ/(Kg·K)];ρ——混凝土密度,取2400(Kg/m3);е——为常数,取2.718;t——混凝土的龄期(d);m——系数、随浇筑温度改变,取2、混凝土内部中心温度计算T 1(t)=T j +Thξ(t)式中:T 1(t)——t 龄期混凝土中心计算温度,是混凝土温度最高值T j ——混凝土浇筑温度,取由上表可知,砼第6d左右内部温度最高,则验算第6d砼温差2、混凝土养护计算混凝土表层(表面下50-100mm 处)温度,底板混凝土表面采用保温材料(阻燃草帘)蓄热保温养护,并在草袋上下各铺一层不透风的塑料薄膜。
地下室外墙1200 厚混凝土表面,双面也采用保温材料(阻燃草帘)蓄热保温养护,并在草袋上下各铺一层不透风的塑料薄膜。
计算结果如下表ξ(t)——t 龄期降温系数,取值如下表大体积混凝土热工计算1、绝热温升计算计算结果如下表:①保温材料厚度δ= 0.5h·λi (T 2-T q )K b /λ·(T max -T 2)式中:δ——保温材料厚度(m);λi ——各保温材料导热系数[W/(m·K)] ,取λ——混凝土的导热系数,取2.33[W/(m·K)]T 2——混凝土表面温度:23.9(℃)(Tmax-25)T q ——施工期大气平均温度:25(℃)T 2-T q —--1.1(℃)T max -T 2—21.0(℃)K b ——传热系数修正值,取δ= 0.5h·λi (T 2-T q )K b /λ·(T max -T2)*100=-0.32cm故可采用一层阻燃草帘并在其上下各铺一层塑料薄膜进行养护。
②混凝土保温层的传热系数计算β=1/[Σδi /λi +1/βq ]δi ——各保温材料厚度λi ——各保温材料导热系数[W/(m·K)]βq ——空气层的传热系数,取23[W/(m 2·K)]代入数值得:β=1/[Σδi /λi +1/βq ]=48.83③混凝土虚厚度计算:hˊ=k·λ/βk——折减系数,取2/3;λ——混凝土的传热系数,取2.33[W/(m·K)]hˊ=k·λ/β=0.0318④混凝土计算厚度:H=h+2hˊ= 1.66m ⑤混凝土表面温度T 2(t)= T q +4·hˊ(H- h)[T 1(t)- T q ]/H 2式中:T 2(t)——混凝土表面温度(℃)T q —施工期大气平均温度(℃)hˊ——混凝土虚厚度(m)H——混凝土计算厚度(m)式中: hˊ——混凝土虚厚度(m)式中:β——混凝土保温层的传热系数[W/(m 2·K)]T 1(t)——t 龄期混凝土中心计算温度(℃)不同龄期混凝土的中心计算温度(T 1(t))和表面温度(T 2(t))如下表。
混凝土计算书混凝土计算书是一份非常重要的文档,其主要作用是为混凝土结构工程提供合理、安全、经济的设计方案。
当我们需要设计混凝土结构工程时,通常需要根据结构所处的环境、承受荷载的大小和地质条件等多种因素进行综合考虑。
混凝土计算书的编制可以帮助我们进行科学的结构设计,确保结构的稳定性和安全性。
混凝土计算书一般包含的内容非常丰富,其中包括但不限于以下几个方面:1. 工程概况:这部分内容主要介绍混凝土结构的设计依据、结构形式、用途、工程造价等基本信息。
同时还需要考虑必要的限制性条件,例如工程施工时间、交通运输条件等,以确保结构设计的可行性。
2. 荷载计算:当混凝土结构承担静态或动态载荷时,我们需要对荷载进行详细的计算。
荷载计算通常需要考虑负载大小、作用位置、荷载特性和持续时间等因素。
荷载计算的结果将为后续工程设计提供依据。
3. 基础设计:基础在混凝土结构中起着支撑和传递荷载的作用。
基础设计通常需要考虑土壤承载能力、地质条件和基础结构的大小和形状等因素。
基础设计的目的是提供合理的基础支撑,保证结构的稳定性和安全性。
4. 结构设计:混凝土结构的设计主要包括框架结构、梁柱结构、板壳结构等。
这些结构在设计时需要考虑所承受的荷载大小和分布、结构尺寸和形状、材料的应力应变关系等因素。
结构设计的目标是提供合理的设计方案,在保证结构稳定性和安全性的前提下实现经济性。
5. 材料选择和计算:在混凝土结构的设计过程中,需要考虑材料的物理特性,因为这些特性会影响结构的稳定性和安全性。
这部分内容包括强度设计、应力应变分析、物理测试等工作。
程序通常会根据材料性能进行计算,确定混凝土强度、钢筋强度、混凝土与钢筋的附着性等重要参数。
6. 结构施工图:混凝土计算书的最后一个部分是结构施工图,该图包含了结构的概貌、建筑分解图、标准图样和细节设计等信息。
这部分内容需要清晰地表达结构的每个组成部分和每个零件的具体尺寸、形状和位置等细节,以确保在建设过程中能够正确执行结构设计。
混凝土自约束应力计算书一、混凝土的弹性模量计算依据:《大体积混凝土施工规范》GB50496-2009E(t)=βE 0(1-e -υt )=1.02×3×104×(1-2.718-0.09×10)=18159N/mm 2二、混凝土最大自约束应力计算依据:《大体积混凝土施工规范》GB50496-2009 混凝土浇注体内的表面温度T b (°C)5 混凝土浇注体内的最高温度T m (°C) 18 水泥3天的水化热Q 3(kJ/kg)220 水泥7天的水化热Q 7(kJ/kg) 250 粉煤灰掺量对水化热调整系数k 1 0.96 矿渣粉掺量对水化热调整系数k 20.93 每m 3混凝土胶凝材料用量W(kg/m 3) 30 混凝土比热C[kJ/(kg·°C)]0.95 混凝土重力密度ρ(kg/m 3) 2450 系数m(d-1)0.4 混凝土入模温度T 0(°C) 24混凝土结构的实际厚度h(m) 1 在龄期为τ时,第i 计算区段产生的约束应力延续至t 时的松弛系数Hi(t, τ)0.22水泥水化热总量:Q 0=4/(7/Q 7-3/Q 3)=4/(7/250-3/220)=278.48kJ/kg胶凝材料水化热总量:Q=kQ 0=(k 1+k 2-1)Q 0=(0.96+0.93-1)×278.48=247.85kJ/kg混凝土的绝热温升:T(t)=WQ(1-e -mt )/(Cρ)=30×247.85×(1-2.718-0.4×10)/(0.95×2450)=3.1°C混凝土浇注体内的最高温度(这步计算参考《建筑施工计算手册》(中国建筑工业出版社,汪正荣编著)):T m =T 0+ T(t)·δ=24+3.14×0.36=25.1°C在施工准备阶段,最大自约束应力:σzmax=α×E(t) ×ΔT lmax×H i(t, τ)/2=1.0×10-5×18159×(25.13-5)×0.22/2=0.41MPa 三、控制温度裂缝计算依据:《大体积混凝土施工规范》GB50496-2009f tk(t)=f tk(1-e-γt)=2.01×(1-2.781-0.3×10)=1.91N/mm22、混凝土防裂性能判断λf tk(t)/K=λ1λ2f tk(t)/K=1.03×1.09×1.91/1.15=1.86N/mm2。
大体积混凝土专项施工方案XXX交通枢纽工程的室外总体、制冷站及桥梁工程需要进行大体积混凝土施工。
为此,XXX建设工程(西安)有限公司编制了专项方案,并进行了审核和审批。
在编制依据章节中,说明了该方案的编制依据是相关技术标准和规范,以及施工图纸和设计文件。
工程概况章节介绍了工程的基本情况,包括工程规模、施工地点和工期等信息。
施工准备章节分为四个部分,分别是技术准备、测量准备、施工人员配置和施工机械配置。
这些准备工作是为了保证施工的顺利进行,需要提前做好充分准备。
大体积混凝土总体施工方案是本方案的核心内容。
该章节包括冷却水管、测温管的安装、混凝土的浇筑和养护,以及测温监控等内容。
这些步骤都需要严格按照方案进行操作,以确保混凝土的质量和稳定性。
混凝土自约束应力计算书是为了计算混凝土的自约束应力,从而保证混凝土的强度和稳定性。
该章节介绍了混凝土的弹性模量和最大自约束应力的计算方法。
总之,本方案详细介绍了XXX交通枢纽工程的大体积混凝土施工方案,并对相关工作进行了准备和计算。
这些工作的顺利进行将为工程的顺利完成提供有力保障。
第一章编制依据1.XXX室外总体、制冷站及桥梁工程施工承包招标文件由XXX签发。
2.制冷站土建施工图由XXX设计。
3.国家现行的建筑施工规范、规程、标准包括:1) 《建筑工程冬期施工规程》104-20112) 《钢筋焊接及验收规程》18-20163) 《混凝土结构工程施工质量验收规范》GB-20154) 《大体积混凝土施工规范》GB-20095) 《混凝土泵送施工技术规程》/T10-20116) 《建筑施工计算手册》XXX编著第二章工程概况本工程的建设单位为XXX,设计单位为XXX,监理单位为XXX,施工单位为西部机场集团建设工程(西安)有限公司。
第六章混凝土外约束拉应力计算书混凝土外约束拉应力是指混凝土受到外部约束时产生的拉应力。
为了保证混凝土结构的安全和稳定,必须对混凝土外约束拉应力进行计算和控制。
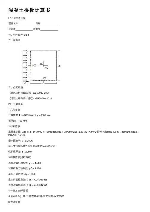
混凝⼟楼板计算书LB-1矩形板计算项⽬名称_____________⽇期_____________设计者_____________校对者_____________⼀、构件编号: LB-1⼆、⽰意图三、依据规范《建筑结构荷载规范》 GB50009-2001《混凝⼟结构设计规范》 GB50010-2010四、计算信息1.⼏何参数计算跨度: Lx = 3000 mm; Ly = 6300 mm板厚: h = 100 mm2.材料信息混凝⼟等级: C25 fc=11.9N/mm2 ft=1.27N/mm2 ftk=1.78N/mm2Ec=2.80×104N/mm2钢筋种类: HRB400 fy = 360 N/mm2Es = 2.0×105 N/mm2最⼩配筋率: ρ= 0.200%纵向受拉钢筋合⼒点⾄近边距离: as = 25mm保护层厚度: c = 20mm3.荷载信息(均布荷载)永久荷载分项系数: γG = 1.200可变荷载分项系数: γQ = 1.400准永久值系数: ψq = 1.000永久荷载标准值: qgk = 4.040kN/m2可变荷载标准值: qqk = 2.000kN/m24.计算⽅法:弹性板5.边界条件(上端/下端/左端/右端):简⽀/固定/固定/简⽀6.设计参数结构重要性系数: γo = 1.00泊松⽐:µ = 0.200五、计算参数:1.计算板的跨度: Lo = 3000 mm2.计算板的有效⾼度: ho = h-as=100-25=75 mm六、配筋计算(ly/lx=6300/3000=2.100>2.000,所以选择多边⽀撑单向板计算):1.X向底板配筋1) 确定X向底板弯距Mx = 9*(γG*qgk+γQ*qqk)*Lo2/128= 9*(1.200*4.040+1.400*2.000)*32/128= 4.840 kN*m2) 确定计算系数αs = γo*Mx/(α1*fc*b*ho*ho)= 1.00*4.840×106/(1.00*11.9*1000*75*75)= 0.0723) 计算相对受压区⾼度ξ = 1-sqrt(1-2*αs) = 1-sqrt(1-2*0.072) = 0.0754) 计算受拉钢筋⾯积As = α1*fc*b*ho*ξ/fy = 1.000*11.9*1000*75*0.075/360= 186mm25) 验算最⼩配筋率ρ = As/(b*h) = 186/(1000*100) = 0.186%ρ<ρmin = 0.200% 不满⾜最⼩配筋要求所以取⾯积为As = ρmin*b*h = 0.200%*1000*100 = 200 mm26) 计算纵跨分布钢筋⾯积不宜⼩于横跨板底钢筋⾯积的15%,所以⾯积为:As1 = As*0.015 = 200.00*0.15 = 30.00mm2不宜⼩于该⽅向截⾯⾯积的0.15%,所以⾯积为:As1 = h*b*0.0015 = 100*1000*0.0015 = 150.00mm2取⼆者中较⼤值,所以分布钢筋⾯积As = 150mm2采取⽅案?8@200, 实配⾯积251 mm22.X向⽀座钢筋1) 确定左端⽀座弯距M o x = (γG*qgk+γQ*qqk)*Lo2/8= (1.200*4.040+1.400*2.000)*32/8= 8.604 kN*m2) 确定计算系数αs = γo*M o x/(α1*fc*b*ho*ho)= 1.00*8.604×106/(1.00*11.9*1000*75*75)= 0.1293) 计算相对受压区⾼度ξ = 1-sqrt(1-2*αs) = 1-sqrt(1-2*0.129) = 0.1384) 计算受拉钢筋⾯积As = α1*fc*b*ho*ξ/fy = 1.000*11.9*1000*75*0.138/360= 342mm25) 验算最⼩配筋率ρ = As/(b*h) = 342/(1000*100) = 0.342%ρ≥ρmin = 0.200% 满⾜最⼩配筋要求采取⽅案?8@140, 实配⾯积359 mm23.上边⽀座配筋1) 构造上边钢筋⾯积构造钢筋⾯积As = ρmin*b*h = 0.200%*1000*100 = 200 mm24.下边⽀座配筋1) 构造下边钢筋⾯积钢筋⾯积As = ρmin*b*h = 0.200%*1000*100 = 200采取⽅案?8@200, 实配⾯积251 mm2 5.右边⽀座配筋1) 构造右边钢筋⾯积钢筋⾯积As = ρmin*b*h = 0.200%*1000*100 = 200七、跨中挠度计算:Mk -------- 按荷载效应的标准组合计算的弯矩值Mq -------- 按荷载效应的准永久组合计算的弯矩值1.计算标准组合弯距值M k:Mk = M gk+M qk = (qgk+qqk)*Lo2/128= (4.040+2.000)*32/128= 3.822 kN*m2.计算准永久组合弯距值M q:Mq = M gk+ψq*M qk = (qgk+ψq*qqk)*Lo2/128= (4.040+1.0*2.000)*32/128= 3.822 kN*m3.计算受弯构件的短期刚度 Bs1) 计算按荷载荷载效应的两种组合作⽤下,构件纵向受拉钢筋应⼒σsk = Mk/(0.87*ho*As) 混规(7.1.4-3)= 3.822×106/(0.87*75*251) = 233.377 N/mmσsq = Mq/(0.87*ho*As) 混规(7.1.4-3)= 3.822×106/(0.87*75*251) = 233.377 N/mm2) 计算按有效受拉混凝⼟截⾯⾯积计算的纵向受拉钢筋配筋率矩形截⾯积: Ate = 0.5*b*h = 0.5*1000*100= 50000mm2ρte = As/Ate 混规(7.1.2-4)= 251/50000 = 0.502%3) 计算裂缝间纵向受拉钢筋应变不均匀系数ψψk = 1.1-0.65*ftk/(ρte*σsk) 混规(7.1.2-2)= 1.1-0.65*1.78/(0.502%*233.377) = 0.112因为ψ不能⼩于最⼩值0.2,所以取ψk = 0.2ψq = 1.1-0.65*ftk/(ρte*σsq) 混规(7.1.2-2)= 1.1-0.65*1.78/(0.502%*233.377) = 0.112因为ψ不能⼩于最⼩值0.2,所以取ψq = 0.24) 计算钢筋弹性模量与混凝⼟模量的⽐值αEαE = Es/Ec = 2.0×105/2.80×104 = 7.1435) 计算受压翼缘⾯积与腹板有效⾯积的⽐值γf矩形截⾯,γf=06) 计算纵向受拉钢筋配筋率ρρ = As/(b*ho)= 251/(1000*75) = 0.335%7) 计算受弯构件的短期刚度 BsBsk = Es*As*ho2/[1.15ψk+0.2+6*αE*ρ/(1+ 3.5γf')](混规(7.2.3-1)) = 2.0×105*251*752/[1.15*0.112+0.2+6*7.143*0.335%/(1+3.5*0.0)] = 4.924×102 kN*m2Bsq = Es*As*ho2/[1.15ψq+0.2+6*αE*ρ/(1+ 3.5γf')](混规(7.2.3-1)) = 2.0×105*251*752/[1.15*0.112+0.2+6*7.143*0.335%/(1+3.5*0.0)] = 4.924×102 kN*m24.计算受弯构件的长期刚度B1) 确定考虑荷载长期效应组合对挠度影响增⼤影响系数θ当ρ'=0时,θ=2.0 混规(7.2.5)2) 计算受弯构件的长期刚度 BBk = Mk/(Mq*(θ-1)+Mk)*Bs (混规(7.2.2-1))= 3.822/(3.822*(2.0-1)+3.822)*4.924×102= 2.462×102 kN*m2Bq = Bsq/θ (混规(7.2.2-2))= 4.924×102/2.0= 2.462×102 kN*m2B = min(Bk,Bq)= min(246.216,246.216)= 246.2165.计算受弯构件挠度f max = 0.00542*(q gk+q qk)*Lo4/B= 0.00542*(4.040+2.000)*34/2.462×102= 10.770mm6.验算挠度挠度限值fo=Lo/200=3000/200=15.000mmfmax=10.770mm≤fo=15.000mm,满⾜规范要求!⼋、裂缝宽度验算:1.跨中X⽅向裂缝1) 计算荷载效应Mx = 9*(qgk+ψq*qqk)*Lo2/128= 9*(4.040+1.0*2.000)*32/128= 2.810 kN*m2) 带肋钢筋,所以取值v i=1.03) 因为C > 65,所以取C = 654) 计算按荷载效应的准永久组合作⽤下,构件纵向受拉钢筋应⼒σsq=Mq/(0.87*ho*As) 混规(7.1.4-3)=2.810×106/(0.87*75*251)=171.555N/mm5) 计算按有效受拉混凝⼟截⾯⾯积计算的纵向受拉钢筋配筋率矩形截⾯积,Ate=0.5*b*h=0.5*1000*100=50000 mm2ρte=As/Ate 混规(7.1.2-4)=251/50000 = 0.0050因为ρte=0.0050 < 0.01,所以让ρte=0.016) 计算裂缝间纵向受拉钢筋应变不均匀系数ψψ=1.1-0.65*ftk/(ρte*σsq) 混规(7.1.2-2)=1.1-0.65*1.780/(0.0100*171.555)=0.4267) 计算单位⾯积钢筋根数nn=1000/dist = 1000/200=58) 计算受拉区纵向钢筋的等效直径d eqd eq= (∑n i*d i2)/(∑n i*v i*d i)=5*8*8/(5*1.0*8)=89) 计算最⼤裂缝宽度ωmax=αcr*ψ*σsq/Es*(1.9*C+0.08*Deq/ρte) (混规(7.1.2-1) =1.9*0.426*171.555/2.0×105*(1.9*20+0.08*8/0.0100) =0.0707mm ≤ 0.30, 满⾜规范要求2.右端⽀座跨中裂缝1) 计算荷载效应M o x = (qgk+ψq*qqk)*Lo2/8= (4.040+1.0*2.000)*32/8= 4.995 kN*m2) 带肋钢筋,所以取值v i=1.03) 因为C > 65,所以取C = 654) 计算按荷载效应的准永久组合作⽤下,构件纵向受拉钢筋应⼒σsq=Mq/(0.87*ho*As) 混规(7.1.4-3)=4.995×106/(0.87*75*359)=213.236N/mm5) 计算按有效受拉混凝⼟截⾯⾯积计算的纵向受拉钢筋配筋率矩形截⾯积,Ate=0.5*b*h=0.5*1000*100=50000 mm2ρte=As/Ate 混规(7.1.2-4)=359/50000 = 0.0072因为ρte=0.0072 < 0.01,所以让ρte=0.016) 计算裂缝间纵向受拉钢筋应变不均匀系数ψψ=1.1-0.65*ftk/(ρte*σsq) 混规(7.1.2-2)=1.1-0.65*1.780/(0.0100*213.236)=0.5577) 计算单位⾯积钢筋根数nn=1000/dist = 1000/140=78) 计算受拉区纵向钢筋的等效直径d eqd eq= (∑n i*d i2)/(∑n i*v i*d i)=7*8*8/(7*1.0*8)=89) 计算最⼤裂缝宽度ωmax=αcr*ψ*σsq/Es*(1.9*C+0.08*Deq/ρte) (混规(7.1.2-1) =1.9*0.557*213.236/2.0×105*(1.9*20+0.08*8/0.0100) =0.1152mm ≤ 0.30, 满⾜规范要求。
混凝土结构课程设计计算书设计背景:该混凝土结构课程设计计算书是基于建筑物的设计需求和规范要求进行的。
建筑物的结构类型为钢筋混凝土框架结构,设计目标是确保建筑物在使用寿命期内的安全可靠性。
设计内容:该设计计算书的主要内容包括结构荷载计算、轴力设计、抗弯设计、抗剪设计和基础设计等方面的计算。
一、结构荷载计算:结构荷载计算是设计过程中的基础工作,它包括永久荷载、活荷载和地震作用等荷载的计算。
设计计算书应详细列出各种荷载的计算表格,并按规范要求进行合理的组合和计算。
二、轴力设计:轴力设计是钢筋混凝土结构设计中的重要部分,它主要关注结构构件受拉或受压时的轴向力计算和设计。
设计计算书应根据建筑物的功能和载荷条件,计算出各构件所受到的轴力,并设计出合适的钢筋布置和截面尺寸。
三、抗弯设计:抗弯设计是指对受弯构件进行强度和变形的计算与设计。
设计计算书应根据受弯构件所受到的弯矩大小,确定构件的钢筋配置和截面尺寸,并进行强度、变形和稳定性的验证。
四、抗剪设计:抗剪设计是对受剪构件进行强度计算和设计。
设计计算书应根据构件所受到的剪力大小,计算剪应力和抗剪强度,并根据规范要求进行钢筋配置和截面尺寸的设计。
五、基础设计:基础设计是建筑物整体力学系统的组成部分,它对整个建筑物的稳定性、安全性和可靠性起着决定性作用。
设计计算书应根据建筑物的载荷情况,计算出合适的基础尺寸和承载力,并设计出合理的基础类型和施工方案。
六、其他计算:设计计算书还可以包括其他一些与混凝土结构设计相关的计算,如梁的挠度计算、柱的稳定性计算、钢筋的配置计算等。
设计结果:设计计算书应清晰、准确、全面地记录设计过程和计算结果,并按规范要求进行归档和保存。
设计结果应能够满足建筑物的设计要求,并确保建筑物在使用寿命期内的安全可靠性。
总结:混凝土结构课程设计计算书是混凝土结构设计过程中的关键文档,它对建筑物的安全性和可靠性起着重要的决定作用。
设计人员应严格按照规范要求进行计算,确保设计结果的准确性和合理性,以保障建筑物的工程质量和使用安全。
预应力张拉计算书(范本)预应力张拉计算书(范本)1. 引言本文档旨在对预应力张拉计算进行详细说明,以确保计算准确性和安全性。
2. 术语定义在本文档中,以下术语被定义如下:- 预应力张拉:通过施加预应力力量,使混凝土构件产生预压应力,以增强其承载能力和抗裂性能的过程。
- 预应力力量:通过张拉预应力筋或压制预应力筋所施加的力量。
- 预应力筋:用于施加预应力力量的钢筋。
- 预应力锚固端:将预应力筋锚固在混凝土中的部位。
- 拉伸长度:预应力筋在锚固端至张拉端的拉伸长度。
- 张拉端:预应力筋的一端,用于施加预应力力量。
- 引伸载荷:施加在预应力筋上的力量。
3. 设计要求在进行预应力张拉计算前,需要满足以下设计要求:- 构件尺寸和几何形状符合设计规范。
- 张拉力计算符合设计规范。
- 预应力筋的保护层和锚固长度符合设计规范。
- 构件的预应力张拉布置符合设计规范。
4. 计算输入参数进行预应力张拉计算时,需要输入以下参数:- 构件的尺寸和几何形状。
- 预应力筋的数量、直径和强度等级。
- 构件的材料参数,如混凝土强度等。
5. 张拉力计算通过施加预应力力量,预应力筋将被拉伸,产生一定的张拉力。
张拉力的计算公式如下:张拉力 = 引伸载荷 / 预应力筋的截面积6. 锚固长度计算预应力筋需要足够的锚固长度,以保证其在锚固段不滑动并能传递预应力力量。
锚固长度的计算需要考虑预应力筋的直径和混凝土的强度等因素。
7. 考虑其他因素在进行预应力张拉计算时,还需考虑以下因素:- 混凝土的抗裂性能。
- 预应力筋的损失。
- 预应力力量的施加方式和顺序。
8. 结论通过对预应力张拉计算的详细说明,我们可以确保计算的准确性和安全性。
附件:(在此处添加相关附件)法律名词及注释:1. 预应力:指在施工或制造过程中,施加力量于构件以减小约束应力并增加预先应变的作用。
2. 混凝土强度:指混凝土材料所能承受的最大压缩力。
3. 抗裂性能:指混凝土构件在受力后能够有效防止或减轻裂缝的产生和扩展的能力。
40m 预应力混凝土T 梁计算书1 概述采用交通部公路科学研究所开发的结构计算软件GQJS 并配合手算分析40m 简支T 梁的结构受力,以新规范JTG D60-2004和JTG D62-2004为标准。
拟定合理的结构尺寸,给出合理的预应力钢筋和普通钢筋构造。
2 计算依据及参考《公路桥涵设计通用规范》JTG D60-2004《公路钢筋混凝土及预应力混凝土桥涵设计规范》JTG D60-2004 《公路桥涵设计规范》JTJ023-853 计算过程 3.1基本数据跨径:40m ,计算跨径:39.4m ; 设计荷载:公路I 级; 净宽:2x0.5+11=12m 材料:预应力钢筋:17⨯钢绞线,直径15.2mm ,截面面积1392mm ,重量1.101kg/m ,强度标准值1860MPa ,强度设计值1260MPa ,控制张拉应力0.7518601395con σ=⨯=MPa 。
弹性模量51.9510⨯ MPa 。
预应力钢筋采用4根10束15.2j φ(截面面积为13902mm )的预应力钢绞线,预应力截面面积共计55602mm 。
普通钢筋HRB335:强度标准值335MPa ,强度设计值280MPa ,弹性模量5210⨯ MPa 。
受拉区配置6根20φ钢筋,每根截面面积314.202mm ,共1885.22mm 。
混凝土C50:抗压强度标准值32.4MPa ,设计值22.4MPa ,弹性模量43.2510⨯ MPa ,抗拉强度标准值2.65MPa ,设计值1.83MPa 。
3.2 截面特性计算跨中截面横断面布置见下图:预制T 梁截面特性如下:3.3内力计算3.3.1 荷载横向分布系数计算采用刚接梁法计算荷载横向分布系数,采用老规范的计算方法,梁宽采用2.4m,共5片T梁,行车道宽度11m,分别输入各片梁的抗弯、抗扭惯矩、桥面板沿梁长方向单位长度的抗弯惯性矩和悬臂长度,采用编制程序进行计算,结果如下表所示:3.3.2 内力计算采用GQJS程序计算上部结构在各种荷载工况下主要控制截面的内力如下:几点说明:1、结构基频=2.838Hz ,汽车荷载冲击系数=0.169;2、现浇段集度=0.650.1826 3.042⨯⨯=kN/m ;3、防水混凝土+沥青面层集度=0.21224/511.52⨯⨯=kN/m ;4、防撞护栏集度=(0.419*25.5+0.18)×0.336=10.86*0.336=3.65 kN/m ;5、将现浇段、防水混凝土+沥青面层及防撞护栏作为二期恒载施加,集度=18.212 kN/m ;3.4久状况承载能力极限状态计算 3.4.1跨中截面正截面抗弯强度验算:按承载能力极限状态进行计算,考虑恒载和公路I 级荷载按规范JTG D60-2004第4.1.6条进行效应组合,弯矩设计值=14765.75kN.m 。
预应力混凝土简支T形梁桥设计计算一.设计资料及构造布置(一).设计资料1.桥梁跨径及桥宽标准跨径:40m(墩中心距离)主梁全长:39.96m计算跨径:39.00m桥面净空:净9m+2×1.0m人行道+2×0.5m护栏=12m2.设计荷载公路-Ⅱ级,根据《公路桥涵设计通用规》:均布荷载标准值为qk=10.5×0.75=8.0kN/m;集中荷载根据线性插应取Pk=250kN。
计算剪力效应时,上述集中荷载标准值应乘以1.2的系数。
人群载荷标准值为3.0kN/m2 ,每侧人行柱防撞栏重力作用分别为1.52kN/m和4.99kN/m。
3.材料及工艺混凝土:主梁采用C60,栏杆及桥面铺装用C30。
预应力钢筋采用《公路钢筋混凝土及预应力混凝土桥涵设计规》(JTG D62—2004)的s15.2钢绞线,每束6根,全梁配7束,pkf=1860Mpa。
普通钢筋直径大于和等于12mm的采用HRB335钢筋,直径小于12mm的均用R235钢筋。
按后法施工工艺要求制作主梁,采用径70mm,外径77mm的预埋波纹管和夹片锚具。
4.设计依据(1)交通部颁《公路工程技术标准》(JTG B01—2003),简称《标准》(2)交通部颁《公路桥涵设计通用规》(JTG D60--2004),简称《桥规》(3)交通部颁《公路钢筋混凝土及预应力混凝土桥涵设计规》(JTG B62—2004)(4)基本计算数据见下表注:考虑混凝土强度达到C45时开始拉预应力钢束。
ck f 和tk f 分别表示钢束拉时混凝土的抗压,抗拉标准强度,则:ck f =29.6a MP ,tk f =2.51a MP 。
(二)横截面布置 1.主梁间距与主梁片数主梁间距通常应随梁高与跨径的增大而加宽为经济。
同时加宽翼板对提高主梁截面效率指标很有效,故在许可条件下应适当加宽T 梁翼板。
上翼缘宽度一般为1.6~2.4m 或更宽。
本设计拟取翼板宽为2500mm (考虑桥面宽度)。
混凝土结构课程设计计算书一、设计要求本课程设计主要针对混凝土结构的设计进行计算和分析,其设计要求如下:1.设计基本要求:满足建筑物的使用功能和安全要求,保证结构的稳定性和承载能力,控制结构的变形和振动,确保结构的耐久性和施工的可行性。
2.材料要求:采用混凝土C30和钢筋HRB400,符合相关国家标准和规范要求。
3.结构形式:采用框架结构,具体结构形式根据实际情况进行选择。
4.设计负载:根据使用功能和设计要求确定设计负荷,包括常规荷载、风荷载、地震荷载等。
5.设计方法:采用极限状态设计方法进行结构设计和计算,包括弯曲、剪力、轴力、扭转等构件的计算。
二、计算内容本课程设计的计算内容主要包括以下几个方面:1.结构整体计算:包括整体稳定性计算、整体刚度计算等。
2.梁的计算:包括梁的弯曲计算、剪力计算等。
3.柱的计算:包括柱的轴心受压计算、轴心受拉计算等。
4.基础的计算:包括基础的稳定计算、轴心受力计算等。
5.钢筋计算:包括钢筋的抗弯承载力计算、剪力承载力计算等。
6.应力与变形计算:包括抗弯应力计算、剪切应力计算等。
7.施工过程控制:包括预应力计算、框架节点计算等。
三、计算方法和步骤本课程设计的计算方法和步骤如下:1.确定结构形式和布局,并进行荷载计算,确定设计负荷。
2.进行负荷组合,确定设计荷载组合。
3.进行整体稳定性计算,包括计算刚度、承载力等。
4.对梁、柱和基础进行结构计算,包括弯曲计算、剪力计算、轴力计算等。
5.对钢筋进行计算,确定钢筋布置和钢筋数量。
6.进行应力和变形计算,包括抗弯应力计算、剪切应力计算等。
7.进行施工过程控制计算,包括预应力计算、框架节点计算等。
四、计算结果根据以上计算方法和步骤,可以得出结构的计算结果,包括各构件的尺寸、钢筋布置和钢筋数量,以及结构的稳定性、承载能力和变形情况等。
五、结论与建议根据计算结果,可以得出结构满足设计要求,并符合相关国家标准和规范的要求。
在实际施工过程中,需要按照设计计算书的要求进行施工,注意加强施工过程的质量控制,确保结构的安全和可靠。
30装配式部分预应力税简支梁计算书本计算为30装配式部分预应力碎简支梁。
本联桥宽11.89~17.16米,梁高1.6米,箱梁腹板厚从0.18-0.25米。
以下箱梁各项计算,均按A类预应力混凝土构件相应指标控制。
1.计算内容⑴持久状况极限状态抗弯承载能力计算。
⑵持久状况正常使用极限状态计算。
①正截面抗裂验算一一正截面混凝土拉应力验算。
②斜截面抗裂验算一一斜截面混凝土主拉应力验算。
⑶使用阶段正截面混凝土压应力验算(4)预应力钢筋最大拉应力验算。
⑸最小配筋率验算(6)挠度验算⑺裂缝宽度验算2.计算方法构件纵向计算均按平面杆系理论,并采用桥梁博士3.1进行计算。
⑴将计算对象作为平面梁划分单元作出构件离散图;⑵根据箱梁的实际施工过程和施工方案划分施工阶段;⑶进行荷载组合,求得构件在施工阶段和使用阶段时的应力、内力和位移;(4)根据规范中所规定的各项容许指标,验算构件是否规范规定的各项要求。
3.计算依据及参数取值⑴《公路桥涵设计通用规范》(JTGD60-2004)o⑵《公路钢筋混凝土及预应力混凝土桥涵设计规范》(JTGD62-2004)o⑶主要材料及设计参数根据设计文件及规范取值,见表(4)预应力钢筋按规范中提供的钢绞线参数确定。
主要材料及参数表T4.荷载取值与荷载组合⑴荷载取值①一期恒载主要是箱梁自重。
混凝土容重取2.6t∕πA箱梁按实际断而计取重量。
②二期恒载包括防撞护栏(波形护拦)和桥而铺装仅作为恒载施加,不参与构件受力,见表-2。
③活载汽车荷载采用公路I级荷载,考虑多车道加载时的横向折减系数为:按规范规定桥梁全宽为16.3m,共五片梁,四列车队为横向折减速系数为0.67,横向分布跨中采用刚接板梁法进行计算,支点处采用杠杆法进行计算。
则汽车荷载的横向分布系数见表-3(未计入冲击系数)。
活载横向分布系数表-3④温度力・体系升温34°C,体系降温-10℃。
・箱梁上、下缘梯度温度:14℃~5.5℃。
大体积砼施工方案一、工程概况工程名称:山水名城·振业大厦A座工程建设地点:合肥市政务区祁门路与翡翠路交叉口建设规模:建筑总面积26939平方米,其中地下建筑面积为1494㎡,框筒结构,地上27层(局部28层),一层至三层为商业及大开间办公;四层以上为办公楼;地下一层为设备用房,建筑高度为99.700m,为一类高层建筑。
耐火等级为一级,抗震设防烈度为七度,建筑设计使用年限为50年,安全等级二级,场地类别Ⅱ类,屋面防水等级Ⅱ级,剪力墙抗震等级二级,建筑场地类别Ⅱ类,结构形式为框架核心筒结构。
本工程地下室筏板设计强度等级为C40,主楼核心筒部分基础筏板最大厚度为1.5米,属大体积砼施工,面积190m2。
骨料要求:细骨料粒径控制在0.15~5mm,粗骨料粒径控制在5~31.5mm,粗骨料中最好选择质量密度大,不得有空洞、蜂窝和裂缝。
二、大体积砼施工的要求对于本工程大体积砼施工,重要是控制砼内部的温升,对此,有关规范做出了相应规定。
根据《块体基础大体积砼施工技术规程》(YBJ224-92)的要求,一般情况下,温控指标宜不大于下列数值:1、砼浇筑块体在浇筑入模温度基础上最大温升值为35O C;2、砼浇筑块体的内外温差为25 O C;3、砼浇筑块体的降温速度为1.5 O C /d;根据《砼结构工程施工及验收规范》(GB50204-92)规定:1、第4.4.17条规定,大体积砼的浇筑应合理分段分层进行,使砼沿高度均匀上升,浇筑宜在室外气温较低时进行,砼浇筑温度不宜超过28℃;2、第4.5.3条规定,对大体积砼的养护,应根据气温条件采取控温措施,并按需要测定浇筑后的砼表面和内部温度,将温差控制在设计要求的范围以内,当设计无要求时,温差不宜超过25℃。
三、大体积砼施工配合比设计1、砼配合比设计的要求和一般措施;要控制砼内部温升,根本的一条就是控制砼的水泥用量,做好配合比设计。
在这一方面,目前一般采取以下措施:①、优选水泥品种,本工程因水化热过高引起的砼自约束裂缝的可能性较小。
第二部分满堂架计算书参考资料:《建筑施工扣件式钢管脚手架安全技术规范》(JGJ130-2001)《混凝土结构设计规范》GB50010-2002、《建筑结构荷载规范》(GB 50009-2001)、《钢结构设计规范》(GB 50017-2003)等规范。
一、参数信息:1.脚手架参数横向间距或排距(m):0.75;纵距(m):0. 75;步距(m):1.20;立杆上端伸出至模板支撑点长度(m):0.10;脚手架搭设高度(m):10.07;采用的钢管(mm):Φ48×3.0 ;扣件连接方式:扣件,扣件抗滑承载力系数:0.80;板底支撑连接方式:钢管支撑;板底钢管的间隔距离(mm):150.00;2.荷载参数钢模板自重(kN/m2):0.750;混凝土自重(kN/m3):24.000;楼板浇筑厚度(m):3.000;混凝土振捣荷载标准值(kN/m2):2.000;施工人员及设备荷载标准值(kN/m2):2.500;钢筋自重(kN/m3):1.500图1 底板支撑架立面简图图2 底板支撑架荷载计算单元二、纵向支撑钢管的计算:纵向钢管按照均布荷载下简支梁计算,截面力学参数为截面抵抗矩 w=4.49cm3截面惯性矩 I=10.78cm4弹性模量 E=2.06×106N/mm1.荷载的计算:(1)钢筋混凝土自重(kN/m):q11= (24.000+1.500)×0.15×3.000 = 11.475 kN/m;(2)模板的自重线荷载(kN/m):q12= 0.750×0.15 = 0.1125 kN/m ;(3)活荷载为施工人员及设备、混凝土振捣时产生的荷载(kN):q2 = (2.500 +2.000)×0.15 = 0.675kN/m;2.强度计算:最大弯矩考虑为简支梁均布荷载作用下的跨中弯矩。
M=ql2/8q=q11+ q12+ q2=12.2625 kN/m最大弯距 M max = 12.2625×0. 752 /8= 0.862 kN.M;最大支座力计算公式如下:N=ql/2最大支座力 N = 12.2625×0.75/2=4.598 kN ;截面应力σ= M/W= 0.862×106/4490.0 =192.028 N/mm2;纵向钢管的计算强度为 192.028小于205.0 N/mm2,满足要求!3.挠度计算:最大挠度考虑为简支梁均布荷载作用下的挠度计算公式如下:W=5ql4/384EIq=q11+ q12+ q2=12.2625 kN/m均布荷载作用下的最大挠度W= 5×12.2625×75.04/( 100×2.060×105×107800.0 ) =0.227 mm;支撑钢管的最大挠度小于750.0/150与10 mm,满足要求!三、横向支撑10#槽钢计算:横向10#槽钢按照均布荷载下简支梁计算,截面力学参数为截面抵抗矩 w=39.7cm3截面惯性矩 I=198.3cm4弹性模量 E=2.06×106N/mm1.荷载的计算:(1)钢筋混凝土自重(kN/m):q11= (24.000+1.500)×0.75×3.000 = 57.375 kN/m;(2)模板的自重线荷载(kN/m):q12= 0.750×0.75 = 0.5625 kN/m ;(3)活荷载为施工人员及设备、混凝土振捣时产生的荷载(kN):q2 = (2.500 +2.000)×0.75 = 3.375kN/m;2.强度计算:最大弯矩考虑为简支梁均布荷载作用下的跨中弯矩。
混凝土自约束应力计算书
计算依据:
1、《大体积混凝土施工规范》GB50496-2009
2、《建筑施工计算手册》江正荣编著
一、混凝土的弹性模量
E(t)=βE 0(1-e -υt )=1.02×3.25×104×(1-2.718-0.09×3)=7844N/mm 2
二、混凝土最大自约束应力
混凝土浇注体内的表面温度T b (°C) 20 混凝土浇注体内的最高温度T m (°C) 25.1 水泥3天的水化热Q 3(kJ/kg) 314 水泥7天的水化热Q 7(kJ/kg) 354 粉煤灰掺量对水化热调整系数k 1
0.95
矿渣粉掺量对水化热调整系数k 2 1 每m 3混凝土胶凝材料用量W(kg/m 3
) 448
混凝土比热C[kJ/(kg·°C)] 0.97 混凝土重力密度ρ(kg/m 3
) 2450 系数m(d-1)
0.4 混凝土入模温度T 0(°C)
24
混凝土结构的实际厚度h(m)
1.4
在龄期为τ时,第i 计算区段产生的约束应力延续至t 时的松弛系数Hi(t, τ)
1 水泥水化热总量:
Q 0=4/(7/Q 7-3/Q 3)=4/(7/354-3/314)=391.394kJ/kg 胶凝材料水化热总量:
Q=kQ 0=(k 1+k 2-1)Q 0=(0.95+1-1)×391.394=371.825kJ/kg 混凝土的绝热温升:
T(t)=WQ(1-e -mt )/(Cρ)=448×371.825×(1-2.718-0.4×3)/(0.97×2450)=49°C T m =T 0+ T(t )·ξ=24+48.982×0.46=46.5°C 在施工准备阶段,最大自约束应力:
σzmax =α×E(t) ×ΔT lmax ×H i (t, τ)/2=1.0×10-5×7844×(46.532-20)×1/2=1.041MPa
三、控制温度裂缝
f tk(t)=f tk(1-e-γt)=2.39×(1-2.781-0.3×3)=1.418N/mm2
2、混凝土防裂性能判断
λf tk(t)/K=λ1λ2f tk(t)/K=1.03×1×1.418/1.15=1.27N/mm2。