营口港鲅鱼圈港区30万t级矿石码头的设计船型和码头长度研究
- 格式:pdf
- 大小:371.32 KB
- 文档页数:4
营口港进展现状与预测分析营口港是国家“三主一支持”交通进展计划中层次最高的沿海要紧口岸之一,是东北地域第二大口岸,是振兴东北老工业基地和加速辽宁沿海经济带建设的重要支撑,是沈阳经济圈及营口市经济和城市可持续进展的重要依托,是东北地域战略物资大型深水转运港、重要的综合交通运输枢纽和现代物流基地。
因此营口港的进展对辽宁乃至整个新的进展都相当重要。
一、营口港进展现状一、口岸基础设施概况营口港由营口老港区、鲅鱼圈港区和正在开发建设的神仙岛港区组成。
截至2020年末,营口港共计生产性泊位62个,其中深水泊位44个;货物综合通过能力达万吨,其中营口老港区290万吨、鲅鱼圈港区8350万吨、神仙岛港区1800万吨。
同时,拥有集装箱泊位8个,煤炭泊位6个,原油、散粮、矿石、汽滚、大件和油品泊位各1个。
截至2020年末,营口港在建和拟建的码头工程包括:鲅鱼圈港区一港池30万矿石码头工程、A港池5#、6#通用泊位工程和1#、2#成品油泊位、25万吨级航道工程;神仙岛港区1#、2#成品油泊位、1#、2#多用途泊位和通用泊位工程、30万吨级航道工程。
上述工程建成后,营口港设计通过能力将新增加4000万吨/年以上。
二、吞吐量现状及特点营口港进入了一个高速进展的时期,口岸生产慢慢向多元化和之外贸为主的方向进展,口岸吞吐量持续高速增加。
“八五”、“九五”、“十五”期间年均递增别离为%、%和%,2007年一举冲破亿吨,2020年实现亿吨大关,估量2020年将实现亿吨。
营口港在东北地域的经济进展中发挥着愈来愈重要的作用。
近几年营口港及其鲅鱼圈港区吞吐量进展要紧具有以下特点。
(1)吞吐量持续高速增加。
“八五”期间平均递增速度为%,打破全国沿海各港进展记录,“九五”和“十五”期间继续以两位数的递增速度增加。
鲅鱼圈港区及港区深水泊位的建设极大地适应了腹地经济进展的需求。
(2)以大宗散货中转运输及散货船运输为主。
在口岸吞吐量货类组成中,以煤炭、石油、金属矿石、非金属矿石、化肥、粮食等为主,货物吞吐量占港区总吞吐量的比重达60%。
营口港仙人岛港区30万t级原油码头工程获国家优质工程奖
银质奖
李妍
【期刊名称】《港工技术》
【年(卷),期】2013(000)005
【总页数】1页(P45-45)
【作者】李妍
【作者单位】党群工作部宣传科
【正文语种】中文
【本刊讯】日前,中国施工企业管理协会表彰2012至2013年度国家优质工程奖和突出贡献者,由中交第一航务工程勘察设计院有限公司参与设计的营口港仙人岛港区30万t级原油码头工程荣获国家优质工程奖银质奖。
营口港仙人岛港区30万t级原油码头工程是经国家发改委核准批复的重点工程项目,自试运行以来截至2013年4月,接卸各类原油船舶598艘次,其中
VLCC30万t级油轮112艘次,实现吞吐量3832万t,并不断刷新作业效率记录,为业主提供更大的经济效益,赢得了业主的信任并荣获业主授予的“筑港精英”的美誉。
营口港(含鲅鱼圈港)介绍营口港由营口港区、鲅鱼圈港区共同组成。
营口港区位于辽东湾北部辽河入海处。
地理坐标东经122º15′,北纬40º41′。
鲅鱼圈港区位于辽东湾东海岸台子山下,地理坐标为东经122º06′00″,北纬40º17′42″。
是辽宁沿海经济带上的重要港口,也是东北地区及内蒙古东部地区最近的出海港。
现辖营口、鲅鱼圈和仙人岛三个港区,陆域面积20多平方公里,共有包括集装箱、滚装汽车、煤炭、粮食、矿石、大件设备、成品油及液体化工品和原油8个专用码头在内的61个生产泊位,最大泊位为20万吨级矿石码头和30万吨级原油码头,集装箱码头可停靠第五代集装箱船。
营口港划分为鲅鱼圈港区、仙人岛港区和营口港区三个港区。
鲅鱼圈港区是营口港发展综合运输的核心港区,重点发展矿石、煤炭、集装箱、钢材、油品、粮食、商品汽车等的运输,逐步发展成为东北地区重要的物流基地;仙人岛港区以大型石化等工业布局为依托,逐步发展成为大型综合性公用港区;老港区以调整、优化现有设施为主,主要为城市物资运输服务。
2007年,营口港吞吐量达到1.22亿吨,成为中国沿海第10个亿吨港口;2008年吞吐量超过1.5亿吨,2010年实现2亿吨。
营口港的集装箱航线已覆盖沿海主要港口,并开通了日本、韩国和东南亚等国家和地区十几条国际班轮航线和多条可中转世界各地的内支线。
2007年集装箱吞吐量完成137万标准箱;2008年超过200万标准箱;2010年实现300万标准箱。
营口港同50多个国家和地区140多个港口建立了航运业务关系。
装卸的主要货种有:集装箱、汽车、粮食、钢材、矿石、煤炭、原油、成品油、液体化工品、化肥、木材、非矿、机械设备、水果、蔬菜等。
其中,内贸集装箱、进口矿石、进口化肥、出口钢材、出口非矿的装卸量均为东北各港之首。
每周两班往返于营口港和韩国仁川港之间的豪华邮轮“紫丁香”号,开辟了营口港第一条国际客运航线。
营口港鲅鱼圈港区码头船舶岸电系统的设计孙秋萍;张建伟;张胜朝【摘要】By analyzing the application of shore-to-ship power supply system to the ports in China and abroad,we expatiate on the importance and significance of shore-to-ship power supply system to energy-saving and emission reduction as well as environmental protection. Based on the design of shore-to-ship power supply system at Bayuquan Harbor of Yingkou Port, basic design principles of shore-to-ship power supply system are introduced as key point. In addition, explanation is made for the calculation steps of different electrical loads, selection of equipment and system functions,which will provide references to the design of shore-to-ship power supply system in future.%基于对国内、外港口船舶岸电系统应用情况的分析,阐述在港口码头设置船舶岸电系统对节能减排和环境保护的意义和必要性。
结合营口港鲅鱼圈港区码头船舶岸电系统的设计方案,重点介绍港口船舶岸电系统的基本设计原则,对各种用电负荷的计算步骤、设备选型和系统功能等加以说明,可供今后港口船舶岸电系统的设计参考。
1 /16xx 港区30万吨级原油码头工程治理质量通病措施手册一、 工程实体通病治理序号 质量通病名称 表现及典型特征 主要产生原因 消除措施 责任者 质量目标1接岸结构和沉箱产生过大位移、沉降投产不久或施工过程中产生过大位移,导致陆地基础出现倾斜、塌陷、滑移,或导致平台区的墙体出现裂。
1.基槽土质未达到设计要求。
2.基槽内沉积回淤物超过规范要求。
3.同一断面基床厚度差较大,基床夯实1.基槽开挖到设计深度时认真核对土质,若发现和设计要求不符时及时与相关部门联系、解决。
2.抛石前检查基槽内沉积回淤物,当回淤物含水率<150%、厚度>0.3m 时必须清除。
3.认真按规范要求进行基床夯实,夯沉量>3cm 时必须补夯;爆夯密实基床时,夯沉量控制在抛石层厚度的10%-20%。
4.根据水深、潮流大的特点(基床顶标高-25m )特点,采用水下基床爆夯工艺,确保基床夯实质量。
5.及时进行沉箱内填料并严格控制箱内各仓xx墩身和桥台位移<4cm ; 墩身和桥台沉降<4cm 。
审核:xx编制:xx2 / 162 /16xxxx港区30万级吨原油码头工程治理质量通病措施手册一、工程实体通病治理序号质量通病名称表现及典型特征主要产生原因消除措施责任者质量目标2 预制高标号、高性能的梁云斑、泌水、龟裂等外观缺陷混凝土表面出现云斑、泌水、龟裂、砂斑1.模板拼缝不严密,拼缝处漏浆;模板清理不彻底,脱模剂涂刷不均匀。
2.混凝土原材料质量控制不严、配合比不合理、骨料级配较差、搅拌不均匀、混凝土运输过程中离析,混凝土泌水。
3.养护不到位。
1.模板缝填夹双面胶或橡胶条进行止浆,确保拼缝严密;电动刷清理模板均匀涂刷脱模剂。
2.优化混凝土配合比,加强现场试验检测工作,严格控制原材料质量、配料计量偏差、混凝土搅拌时间,按规定对拌合物进行相关检验,保证混凝土的施工性能,为混凝土入仓、分灰和振捣提供条件。
3.混凝土终凝后覆盖土工布洒淡水养护。
2021 年 6 月第6期总第583期水运工程Port & Waterway Engineering Jun. 2021No. 6 Serial No. 583•港口・我国沿海港口 40万吨级矿石码头新布局王达川,姚海元,李宜军(交通运输部规划研究院,北京100028)摘要:为应对巴西淡水河谷40万t 大型矿砂船对我国沿海港口运输市场的影响,国家层面于2015年及时出台了相关文件,明确了现行“ 4港7泊位”的40万吨级铁矿石码头布局方案,有效地指导了相关码头运营和靠泊管理工作。
随着巴西至中国航线投放40万t 船舶运力日益增加、国内沿海钢铁产业结构进一步调整,亟待对40万吨级矿石船接卸港址方案进行调整研究。
总结原布局方案的码头建设运营情况,分析未来航运市场变化的趋势,提出结合港口资源条件的系统分析和规 划建设实际情况,统筹考虑区域外贸铁矿石接卸需求等因素,合理加密山东沿海布局,填补南方布局空白,最终形成沿海港口 40万吨级矿石码头新的布局方案,以满足近期国家钢铁产业布局及区域运输的迫切需求。
关键词:40万吨级码头;矿砂船;国际贸易需求;码头布局方案中图分类号:U65文献标志码:A文章编号:1002-4972(2021)06-0054-07New layout of 400,000 DWT ore terminals in China ,s coastal portsWANG Da-chuan, YAO Hai-yuan, LI Yi-jun( Transport Planning and Research Institute, Ministry of Transport, Beijing 100028, China)Abstract : In response to the impact of 400, 000 DWT large ore ships from Vale Brazil on China's coastal porttransportation market, the government issued relevant documents in 2015, clarified the current "Four Ports andSeven Berths" 400, 000 DWT iron ore terminal layout plan, which effectively guided the terminals' operations andberthing management. In the new era, with the increasing capacity of 400, 000 DWT ships on the route from Brazil to China and the further adjustment of the domestic coastal iron and steel industry structure, it is urgent to study theadjustment of the 400, 000 DWT ore ship unloading port plan. This article summarizes the terminal construction and operation of the original layout plan, analyzes the trend of future shipping market changes, and proposes that based on the systematic analysis of port resource conditions and the actual situation of planning and construction, we shalltake regional foreign trade iron ore unloading needs into account to encrypt Shandong's coastal layout reasonably andfill the gaps in the southern layout, and finally form a new layout plan for 400, 000 DWT ore terminals in coastal ports to meet the urgent needs of the national steel industry layout and regional transportation.Keywords : 400, 000 DWT terminal; ore ship; international trade need; wharf layout design随着我国钢铁产业的快速发展,铁矿石市场需求持续攀升。
营口港情况简介营口港是我国东北地区对外开埠最早的口岸,也是东北及内蒙古东部地区最便捷的出海口,营口港是我国综合交通体系的重要枢纽和沿海主要港口之一,是辽宁中部城市群最近的出海口岸、是辽宁省“五点一线”沿海经济带的重要战略资源。
营口港现辖营口港区、鲅鱼圈港区和正在建设中的仙人岛港区,目前港区主体是鲅鱼圈港区。
鲅鱼圈港区距沈阳195公里,距大连184公里,水路距大连港156海里。
营口港环境优美,气候温和,港区水深浪缓,不淤不冻,四季通航,是理想的贸易良港。
2008年营口港完成货物吞吐量1.51亿吨,吞吐量居全国沿海港口第十位;集装箱完成203.6万标准箱,内贸集装箱量已跃居全国沿海港口第二位,成为东北地区内贸集装箱运输第一大港。
营口港现拥有陆域面积20.39平方公里,水域面积92.5平方公里。
现有生产性泊位61个,其中营口港区19个,鲅鱼圈港区42个。
新港区航道宽230米,水深-18米,可满足20万吨级散货船乘潮通航;老港区航道宽120米,水深-5.3米,可满足3000—5000吨级散货船乘潮通航。
营口港现有货物堆场总面积500万平方米,物流园区面积200万平方米,集装箱堆场400万平方米,成品油及液体化工品码头后方灌区总库容53万立方米,散粮筒仓仓容40万吨。
营口港现已建成的专业化码头有:集装箱专用码头、煤炭专用码头、矿石专用码头、粮食专用码头、商品汽车专用码头、油品及液体化工品专用码头、大件设备专用码头、散杂货专用码头等。
主要作业货种有化肥、非矿、钢材、铁矿石、煤炭、粮食、成品油及化工产品、内贸商品汽车、集装箱等。
其中钢材、铁矿石、非矿、化肥、乙醇、集装箱等运量居东北各港之首。
集装箱码头发展尤为迅速,集装箱码头泊位水深-15米,码头岸线长达1700米,配有先进的集装箱装卸设备,可接卸世界上最大的集装箱船舶。
目前,营口港已同40多个国家和地区120多个港口建立了运输业务往来关系。
并开通了日本、韩国、东南亚等国家和地区数条国际集装箱班轮航线和多条可中转世界各港口的内支线,内贸集装箱航线已覆盖全国沿海主要港口。
第20卷 第5期 中 国 水 运 Vol.20 No.5 2020年 5月 China Water Transport May 2020收稿日期:2019-12-24作者简介:刘 洋,营口市交通事务中心。
从引航角度对营口港航标助航效能的思考刘 洋(营口市交通事务中心,辽宁 营口 115000)摘 要:营口港划分为营口港区、仙人岛港区和鲅鱼圈港区三个港区,地理位置十分优越,地处海上丝绸之路和丝绸之路经济带的交汇区、及“东北老工业基地振兴”与“京津冀协同发展”两大国家重要战略区的结合部,是承接中欧物流运输重要的中转港,也是沈阳经济区、环渤海经济区的重要枢纽港。
针对激烈的竞争形势,在充分发挥港口区位、自然条件等优势的基础上,营口港不断健全港口主体功能,向专业化、大型化、集装箱化的现代化港口方向发展。
本文从引航角度出发,对营口港航标助航效能进行分析,并提出进一步完善营口港航标助航效能的建议。
关键词:引航;营口港;航标;助航效能;思考中图分类号:U675 文献标识码:A 文章编号:1006-7973(2020)05-0039-02一、营口港概况 1.港口概况营口港划分为鲅鱼圈港区、仙人岛港区和营口港区三个港区。
鲅鱼圈港区是营口港发展综合运输的核心港区,陆续发展成为东北地区重要的物流中转基地;仙人岛港区以大型石油化工等工业产品布局为依托,逐步发展成为大型综合性公用港区;老港区以调整、优化现有设施为主,主要为城市发展提供物资运输服务。
2007年,营口港吞吐量达到1.22亿t,成为中国沿海第10个亿t 港口;2019年吞吐量超过2.38亿t。
2.航道概况航道:营口港区航道全长39km,分外航道和内航道。
外航道有一段拦门沙浅滩,长3,000余米,最浅端水深-1.7m。
3,000t 级船舶可乘潮出港,3,000t 级以上船舶需在锚地过驳减载后乘高潮进港。
外航道东西各有一个导流堤,起束水、冲沙作用。
3.助航标志情况营口港有公用航标215座,为船舶进出港区提供助航服务,近些年随着经济的快速发展,也为港口企业的发展设置了响应的专用航标,并负责航标日常维护工作,保障了航标的助航效能正常。
中国30万吨级航道与码头〖注〗:30万吨级船舶吃水最小的只有19.35m,不过那是极少数,多数吃水则在21米多点,大的则有22.2m,甚至23m。
很多地方都有建设的想法,但要建设航道与码头需要项目的批复立项,环保评估,工可批复,然后才是工程建设,完工验收,接下来就是试运行,最后才是正式投入运营。
【宁波舟山港】虾峙门航道(界于桃花岛与虾峙岛之间,东接外海,西连佛渡水道)由虾峙门口内、口外两段航道组成,口内航道自然水深优良,最小水深在30m以上;而口外航道扩建前最小水深只有18(16.6?)m,仅能满足15~20万t级船舶乘潮通航。
虾峙门为半日潮,大潮升4.1m,小潮升3.1m,平均海面2.3m。
东口涨潮为西北流,流速1.8节;落潮为东南流,流速2.8节。
西口涨潮为西北流,流速4.4节;落潮为东南流,流速4节。
涨潮始于定海港高潮前3小时,落潮始于定海港高潮后2小时。
虾峙门中部为回流,流速2.2节。
舟山虾峙门外航道工程长度14.85公里,宽度390米,水深-22.1米,备淤深度0.4m,挖槽边坡1:15(1:10?),设计通航水深-25.3m。
主航道最大设计通航水深25.7米,炸礁底标高负25.1米。
设计疏浚底标高-22.5m(含备淤0.4m),航道有效宽度390m。
虾峙门外有外航道、东航道、中航道可通航30万吨的海船。
30万吨船单向乘潮通航,通航时间为1小时,通航保证率为90%。
按设计30万吨级船舶需乘3.2m高潮通过航道。
最大富裕水深3 ~6m,最小富裕水深1.5m。
虾峙门口外30万吨级航道整治工程总投资约4.8亿元,由中国石化股份有限公司、宁波港集团有限公司、舟山港务管理局按比例出资。
航道于2007年5月开工建设,2008年1月交工验收,2009年5月竣工验收投入运营。
螺头水道(北仑以东的大猫岛螺头角与穿鼻岛之间以东)、金塘水道(北仑与金塘岛之间)、册子岛(金塘岛与舟山岛之间)进港航道(水深-25m)、马迹山(嵊泗县西南的马迹山岛,马迹山村)进港航道及相关支航道、绿华山(嵊泗县绿华乡,嵊泗列岛东北,长江口以东)进港航道。
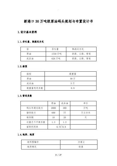
新港口30万吨级原油码头规划与布置设计书1.设计基本资料1.1.吞吐量、集疏运方式1.2.船型1.3.营运系数1.4.地形、地质1.5集疏运条件1.6.水文与气象条件位置:港位于北纬38°55′44〃,东经121°39′17〃。
气温:年平均气温10.4℃。
七月份气温最高,月平均为23.5℃。
一月份气温最低,月平均零下5.9℃。
风:全年以北风及西北风最强,次数最多。
春、夏季以南风居多,冬季以北风及西北风最强。
降水:年平均降水量为600毫米。
七、八、九三个月雨量集中,可占全年的三分之二。
雾:每年入春以后,雾逐渐增加,多发生在早晨。
七月份雾略多,对船舶出入影响不大。
九月份以后很少有雾。
冰:本港每年冰冻期为一月初至三月初,港区有的年份可有部分结冰,约为六十天,结冰厚度为五至二十毫米,对船舶航行靠泊无影响。
水文:潮汐属半日潮混合型。
历年最高潮位4.6米,最低潮位0.66米,平均潮位2.14米,平均海面1.63米。
航道:大港区航道底为淤泥,设计水深为负10米,航道宽度270米,长度2500米,吃水在10米左右的船舶可随时进出。
新港原油码头航道为天然航道,水深负17.5米,宽300米。
防波堤:全港共有防波堤9座,总长7000米。
其港区的东、西、北三面有防波堤环抱,东口门宽度360余米,外国籍船舶主要在东口门进出港口。
年营运天数:345〔天,恶劣天气3—8〔天;2.港口总平面设计由原始资料知,本码头的货种为原油。
本规划将设计为30万t 油码头。
根据《JTJ211-99海港总平面设计规》有:表2.1 油轮船型主尺度2.1.港口主要建设规模的确定 2.1.1泊位数量的确定根据《JTJ211-99海港总平面设计规》有:泊位数应根据码头年作业量、泊位性质和船型等因素按下式计算: 式中 N ——泊位数Q ——码头年作业量〔t,指通过码头装卸的货物总量,包括船舶外挡作业的货物数量,根据设计吞吐量和操作过程确定;百分量(%)潮位(m)——一个泊位的年通过能力〔t〔1原油码头百分量(%)潮位(m)3.8310.35984.19100,取N=1〔2成品油码头百分量(%)潮位(m)3.8310.35984.19100,取N=22.1.2库、场面积根据《JTJ211-99海港总平面设计规》有:原油码头所需油库、油罐容量可按下式计算:式中:百分量(%)潮位(m)——库场所需容量〔;百分量(%)潮位(m)——年货运量〔t ;百分量(%)潮位(m)——货物平均堆存期〔天,取;——油品密度〔百分量(%)潮位(m)——油库或油罐容积利用系数,取0.85;百分量(%)潮位(m)——库场年营运天〔,本设计中年营运天数为345d ;百分量(%)潮位(m)3.830.354.19——库场不平衡系数;〔1原油码头 〔2成品油码头2.2.码头有关设计尺度的确定 2.2.1码头前沿高程的确定根据《JTJ211-99海港总平面设计规》有:有掩护的码头前沿高程为计算水位与超高值之和,应按基本标准和复核标准分别计算,并取大值。
关于营口港仙人岛港区30万吨级航道工程可行性研究报告的批复营口市发展改革委:你委《关于呈报营口港仙人岛港区30万吨级航道工程可行性研究报告的请示》(营发改能交[2008]352号)收悉。
在辽宁省国际工程咨询中心对该项目可行性研究报告评审的基础上,经研究,现批复如下:一、为满足仙人岛港区30万吨级原油码头及其他先期工程建设的需要,适应船舶大型化发展趋势和发挥专业化深水泊位的作用,以及保证国家石油安全、支持东北老工业基地振兴和腹地经济发展,建设营口港仙人岛港区30万吨级航道工程非常必要。
二、同意本工程按满足30万吨级原油船舶单向乘潮航行设计,航道全长27.85 公里,航道设计有效宽度350米,设计底标高-22.5米,边坡1:5。
三、同意航道总平面布臵方案一。
航道轴线方位为90°—270°,与仙人岛港区航道规划轴线一致。
鉴于本项目进港航道口门段东西向布臵,与风、浪、潮流的夹角大,为保证进出港船舶安全,同意优化后的口门方案,口门向西平移1000米,口门宽度为1415米,30万吨级船舶制动距离增加至2200米。
四、同意可研报告提出的导助航等配套工程设计方案。
五、项目总投资为270275万元,其中项目资本金为94596万元,占总投资的比例为35%,拟申请国家补助或企业自筹解决,其余65%资金申请银行贷款。
六、项目的勘察、设计、监理等均采用公开招标,请项目单位严格按照国家有关规定办理招标投标事宜(附:招标事项核准意见)。
并按照新开工项目管理联动机制的要求,履行相关建设程序,及时填写《辽宁省新开工项目管理联动机制信息表》的各项信息。
二○○九年五月十五日主题词:航道工程工可研批复抄送:省交通厅、省环保局、省海洋与渔业厅、省安全生产监督管理局、省国际工程咨询中心省发展改革委交通处拟文 2009年5月日印发。
鞍本钢铁集团营口港鲅鱼圈港区钢铁项目宽厚板专用码头工程海洋环境影响报告书简本二〇一六年八月目录一、建设项目概况 (3)二、建设项目所在海域环境状况概述 (3)三、建设项目对环境、资源、海域功能和其他活动可能造成的影响概述 (6)四、预防或减轻不良影响的对策和措施要点 (7)五、环境影响报告书提出的环境影响评价结论要点 (8)一、建设项目概况鞍本钢铁集团营口港鲅鱼圈港区钢铁项目宽厚板专用码头位于营口市鲅鱼圈区海域,即营口经济技术开发区工业园区的北部,属于鲅鱼圈工业与城镇用海区。
毗邻营口新港和华能营口电厂,紧靠滨海大道,相距开发区市区约4km,东接芦屯镇,西濒渤海湾畔,南临熊岳镇,北接壤盖州市的沙岗镇。
工程码头为顺岸布置,码头前沿线与厂区用地北红线平行,距离为330m,基本位于-2m等深线处。
根据工艺对后方陆域的要求,码头平行前沿线方向取为531m,其中码头岸线长度378m,布置2个15000DWT泊位,码头岸线北侧布置1个40m的工作船泊位(工作船泊位长度40m、前沿水深-5m),工作船码头与防波堤根部之间由113m的直立式岸壁过渡。
码头面高程结合厂区陆域标高为6.0m,码头前沿停泊水域宽46m,底标高-11.0m,码头布置有装卸工艺设备和临时堆场。
防波堤自码头东端起布置,沿码头东护岸向外延伸668m后向西转向116°,再向外延伸516m。
另外一段防波堤轴线与码头前沿线平行,距离为900m,防波堤长度330m。
防波堤采用斜坡式结构。
可满足本码头全天候船舶作业装卸需求。
项目施工期约为14个月,总投资估算为56662万元。
二、建设项目所在海域环境状况概述1.水文动力环境现状1)测站布设具有良好的区域代表性,涨、落潮流速均较强,故属于较强潮流区。
2)一般表层流速较强、中层流速居中,底层流速较弱。
大潮流速强于小潮流速。
3)本测区属于正规半日潮流性质,且接近正规半日潮流区。
显示出驻潮波特点。
4)本测区潮流以呈往复流运动形式为主,旋转流运动形式为次。
营口港鲅鱼圈港区30万t级矿石码头的设计船型和码头长度研究贾立新;张俊健;唐国明【摘要】According to the development planning of steel industry in Yingkou Port hinterland, argumentation is made for the necessity to construct Bayuquan Port Area 300,000 DWT Ore Terminal. According to the related content stipulated in Seaport General Layout Design Specification, analysis is made for the detail of international large-scale ore fleets and ore ships of Anshan-Benxi Steel Group, argumentation is also made to determine short-term and long-term ship forms designed for the proposed ore terminal. The above argumentation result is used to study and demonstrate the optimum length of berth in the proposed ore terminal.%根据营口港腹地钢铁产业的发展规划论证建设鲅鱼圈港区30万t级矿石码头的必要性;根据《海港总平面设计规范》的相关规定,分析世界现有大型矿石船队和鞍山本溪钢铁集团拟靠泊矿石船的具体情况,论证拟建矿石码头近、远期的设计船型;根据上述论证的成果,研究论证拟建矿石码头的最佳泊位长度.【期刊名称】《港工技术》【年(卷),期】2012(049)002【总页数】4页(P8-11)【关键词】30万t级矿石码头;设计船型;码头长度【作者】贾立新;张俊健;唐国明【作者单位】中交第一航务工程勘察设计院有限公司,天津300222;中交第一航务工程勘察设计院有限公司,天津300222;营口港务集团有限公司,辽宁营口115007【正文语种】中文【中图分类】U651.4;U656.1341 港区总体规划营口港鲅鱼圈港区以运输大宗散货、集装箱、钢材、粮食和商品汽车等货种的为主,是营口港综合运输体系的核心。
营口港调研报告一、调研背景营口港位于辽宁省营口市,地处渤海湾中部,是中国东北地区唯一的渤海性国际班轮港口,也是中国重要的货物集散中心之一。
为了进一步了解营口港的发展现状和未来规划,我们进行了一次实地调研。
二、调研内容1. 港口基础设施现状我们首先了解了营口港的基础设施现状。
营口港拥有多个码头,其中包括散货码头、集装箱码头和液体散货码头。
码头设施完备,装卸设备齐全,运行效率高。
2. 港口运营情况我们对营口港的运营情况进行了详细调查。
营口港目前主要从事散杂货、液体散货和集装箱的装卸作业。
港口拥有专业的作业团队和先进的作业设备,能够满足大型船舶的装卸需求。
3. 港口发展规划我们与营口港的相关负责人进行了座谈,并了解了港口的发展规划。
营口港将进一步扩大货物吞吐能力,提升港口服务水平,加强与国际航运市场的联系,开拓新的航线和贸易渠道。
营口港还计划通过引进先进的技术和管理经验,提高港口的运行效率和安全性。
三、调研结果1. 优势营口港拥有得天独厚的地理位置优势,距离北方工业中心辽宁省鞍山、抚顺等地距离较近,货源充足;同时距离渤海湾其他主要港口也相对较近,便于与其他港口建立货运通道。
此外,营口港的基础设施完善,运营效率高,能够满足日益增长的装卸需求。
2. 挑战营口港也面临着一些挑战。
首先,港口面临着日益激烈的竞争。
随着港口行业的发展,港口市场竞争日益加剧,营口港需要不断提升自身的吞吐能力和服务质量,才能在竞争中立于不败之地。
另外,港口还需要应对日益严格的环保要求,保护海洋环境,开展可持续发展。
四、建议与展望基于我们的调研结果,我们提出以下建议:1. 加大现有港口设施的改造和更新,提升作业效率和服务质量;2. 引进先进的技术设备,提高港口的自动化程度,降低人力成本;3. 加强与各大航运公司和贸易商的合作,拓宽港口的贸易渠道;4. 把握国家推动东北老工业基地振兴的契机,发展港口物流和加工制造业,增加港口的附加值。
我们对营口港的未来发展充满信心。
简析营口港鲅鱼圈港区五港池的调整规划
王松;王斌;刘岩
【期刊名称】《港工技术》
【年(卷),期】2014(000)003
【摘要】营口港是东北地区第二大港口,随着港口的发展,到港船舶量大幅增长,《营口港总体规划》确定的鲅鱼圈港区南部作业区五港池需要进行规划调整。
五港池调整的重点是五港池口门通航水域的扩展及五港池宽度的增加。
【总页数】3页(P22-24)
【作者】王松;王斌;刘岩
【作者单位】中交第一航务工程勘察设计院有限公司,天津 300222;中交第一航
务工程勘察设计院有限公司,天津 300222;营口港务集团有限公司,辽宁营口115007
【正文语种】中文
【中图分类】U651
【相关文献】
1.营口港鲅鱼圈港区码头船舶岸电系统的设计 [J], 孙秋萍;张建伟;张胜朝
2.营口港鲅鱼圈港区30万t级矿石码头的设计船型和码头长度研究 [J], 贾立新;
张俊健;唐国明
3.营口港鲅鱼圈港区30万t级矿石码头结构设计与施工 [J], 邹湧;范海亮;贾惠杰;吴波
4.营口港鲅鱼圈港区的总体布置 [J], 刘晔;韩广东;张俊健;沈克丽
5.营口港鲅鱼圈港区一港池及A港池码头A2、93#汽油线跨接分析研究 [J], 孙文刚;崔茂新
因版权原因,仅展示原文概要,查看原文内容请购买。