机油泵拆装活动单
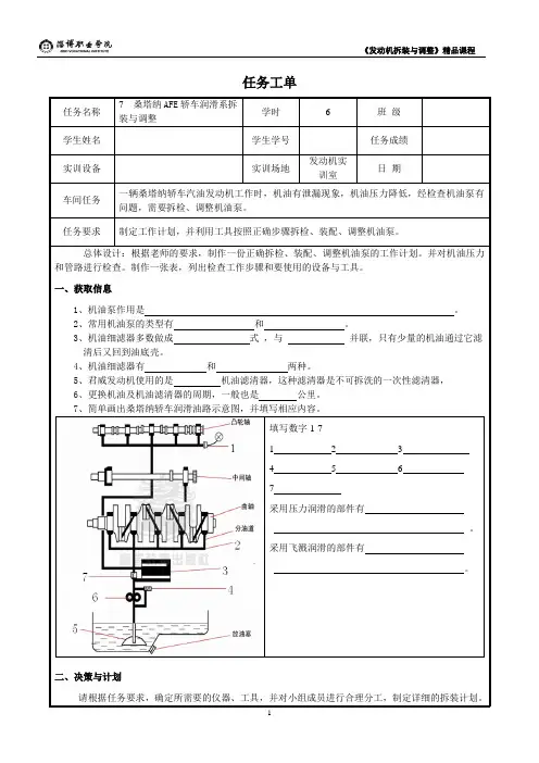
- 格式:doc
- 大小:767.00 KB
- 文档页数:1
年月日午第节课第周实训报告项目(任务)任务三机油泵的拆装
目的、要求1.了解发动机水泵的安装部位2.掌握机油泵的拆装步骤
所需时间2课时
小组成员及
任务
实训器材器材准备带机油泵三个
设备状况良好
操作要领1.不得随意离开工位、离开实训室。
2.不准在实训室追逐打闹,大声喧哗。
3.实训过程严格遵守实训“7S”要求。
4.实训过程中注意安全,操作规范。
操作步骤(图纸)1、从发动机上拆下机油泵总成
(1)确认汽车支撑牢固
(2)放好接油盒,拧出放油螺栓,将润滑油排放干净
(3)拆卸油底壳
(4)拆卸机油滤网
2、机油泵的拆装
(l)旋松并拆下两个机油泵壳与发动机机体的连接长紧固螺栓,将机油泵及吸油部件一起拆下
(2)拧松并拆下吸油管组紧固螺栓,拆下吸油管组(3)旋松并取下机油泵盖短螺栓,取下机油泵盖组
(4)分解主从动齿轮
(5)按相反顺序进行安装,注意要先清洗滤网
拓展思考思考一:
机油泵有什么作用?
将一定压力和油量的润滑油,通过油道压送到各运动的副表面。
思考二:
我们拆装的机油泵结构与泵油原理是什么?
(1)结构:内外转子编心设计外转子齿比内转子齿多一个
(2 )工作过程:
传动齿轮——内转子——腔内间的油被挤压——外转子共同旋转——机油被带列出油腔——压送的气缸体油道
任务完成情况自我评价
教师评语。
基于工作过程的——机油泵拆装与检测教学设计《机油泵拆装与检测》教学设计导学生完成学习任务,获取知识,让学生有路可循、有板可参,在促进学生更有效学习的同时,还可以协助教师提高课堂监控和管理的有效性。
学法:自主学习法、合作学习法、探究学习法根据中职学生“重实践,轻理论;重感性,轻理性”的学习特征,本学习任务在学法上主要采用:自主学习法、合作学习法及探究法,辅以对比分析法和归纳总结法。
让学生对机油泵折装与检测内容产生感性和理性的认识。
在教学过程中通过小组合作学习积极鼓励学生发现问题、讨论问题并解决问题。
通过小组讨论学习,提供给学生更多的表达交流的机会,培养他们协作学习的良好习惯。
在提高学生的学习兴趣和团队合作意识的同时,提高学生归纳总结和拓展延伸能力。
五、教学过程课前准备教师准备选择在理实一体化实训室中,根据学生知识掌握差异和专业兴趣,按照组间同质、组内异质的原则分成3个工位,工位中设小组长一名,设记录员一名,并设主发言人和副发言人各一名,以便在每个环节结束后,由主副发言人轮流将小组讨论结果以口头表达等形式呈现给教师,以方便教师进行评价和总结。
学生准备课前结合班级网络空间,通过查阅维修手册、学习微视频、动画、图片及课件完成自主学习单,将其以邮件形式发送给老师。
同时,教师通过班级QQ群提供在线答疑。
环节五展示任务步骤一:趣味比武成果巩固(15分钟)◆组织学生以小组为单位进行机油泵拆装检测的技能比武,小组成员分工与环节四中相同。
通过此环节再一次巩固其拆装过程。
在规范操作的前提下,用时最短者获胜◆以板书的形式对机油泵的拆装与检测各环节进行总结归纳◆小组合作进行机油泵的拆装技能比武◆明确各自角色,完成各自任务◆听教师总结◆将实践操作与技能比武相结合,进一步巩固,进一步突出重点,突破难点◆通过小组合作、成员合理分工,培养学生的合作交流能力及良好的职业素养◆通过板书形式清晰的反映知识结构让学生思路清晰。
步骤二:测试软件课堂反馈(5分钟)◆组织学生利用“课堂测评软件”对本堂课知识点进行当堂测评。
本次课程设计的内容是机油泵的拆装与检测,内容取材于国家规划教材,高等教育出版社出版的《汽车发动机构造与维修》。
机油泵为润滑系的主要部件,其作用是将机油加压后对发动机主要零件进行润滑。
其性能的好坏直接影响润滑系的工作情况。
因此,规范地拆装和检测机油泵对后续内容的学习起着重要作用。
下面本文将从教学分析、教学过程、多元评价、教学反思等4个方面进行阐述。
1 教学分析1.1 学情分析本次课的授课对象为汽车运用与维修专业一年级学生,今后就业的主要岗位是汽车维修工,要求具备查阅、使用维修手册,正确拆装零部件,规范检测部件性能等能力。
中职汽修专业一年级的学生普遍表现为动手能力强,能熟练使用信息化教学软件,喜爱探究新鲜事物,会使用一些简单工、量具;但理论知识相对薄弱、规范的操作意识和探究协作精神还需进一步提高。
本次课前学生已经学习了机油泵的结构及工作原理。
1.2 教学策略通过分析岗位能力,结合教材及学情特点,确定了以下教学目标和教学重难点。
(1)知识目标。
掌握机油泵的拆装、检测流程和检测方法。
(2)能力目标。
培养查阅、运用维修手册的能力;利用相应工、量具对1ZR机油泵进行规范拆装与检测。
(3)情感目标。
提高团队合作和自主探究意识。
(4)教学重点。
机油泵的拆装、检测流程。
(5)教学难点。
三个间隙的规范测量。
基于教学目标,依据教改理念,确定本次课的教学策略是“以任务为载体,以学生为主体”展开教学,体现“做中学”“做中教”的教学思想。
运用仿真软件、录播系统、教学平台等信息化手段将难点逐一化解。
在教学过程中,注重学生职业能力的培养。
2 教学过程2.1 任务引领,自主学习课前学生登录教学平台,下载“自主学习任务单”,认真观看微课,查阅维修手册,在实训车间进行实操练习,填写学习任务单。
最后登录教学平台进行在线测试,成绩自动记录到学生评价量表中。
在自主学习过程中学生可能会有疑惑和问题,可通过微信群与教师或企业专家进行交流。
还可登录网站查找教学资源,补充相关知识。
润滑系统部件的拆装1. 实训内容及目的1) 拆装油底壳;2) 拆装机油泵;3) 拆装机油滤清器。
2. 实训器材和用具1) 汽油机油;2) 桑塔纳轿车 1 辆;3) 机油压力表 1 套;4) 常用工具和专用工具各一套;5) 吹气枪、机油壶、洗涤油盆、刷子、铲刀、毛巾。
3. 实训注意事项1) 拆卸油底壳,必须先旋下副车架固定螺栓和发动机支架固定螺母,使副车架和车身分离;2) 注意清洁,注意安全。
4. 实训操作步骤1) 拆卸油底壳(拆卸机油泵所需)①打开引擎盖②旋下发动机机油加注口盖子③排放发动机润滑油④旋下放油螺栓⑤使用机油放入机油接收车内⑥待机油排放尽后,安装放油孔螺塞⑦拆卸飞轮挡板,旋下 1 个固定螺栓⑧拆卸发动机左右支架,拆卸发动机左右支架螺母,取下 2 只螺母及垫片⑨拆卸左右下球头螺母,旋松左右下球头 4 只螺母,旋下 4 只固定螺栓⑩拆卸发动机悬架,拆卸悬架左右螺栓 2 只、取下 2 只螺栓及垫片、把发动机支架垫与悬架分开⑪拆卸油底壳与缸体固定螺栓 20 只⑫取下油底壳及垫片⑬拆卸机油泵与缸体固定螺栓、取下 2只螺栓与机油泵⑭拆卸机油防溅板⑮拆卸机油泵下盖板固定螺栓 2 只、取下2 只螺栓与盖板⑯取出机油泵主动齿轮、从动齿轮⑰分解完毕2) 机油滤清器的更换1). 机油滤清器的拆装专用工具在每一次定期保养更换机油时,都应该同时更换机油滤清器,机油滤清器的拆装工具属专用工具类,它的类型较多:①套筒连接专用类②扳手类2). 更换步骤①放掉机油②根据滤清器的位置挑选适用的工具③使用工具套上滤清器逆时针旋转④卸松之后垫上毛巾(防止烫伤)用手拧掉,注意滤清器内充满机油,口要始终朝上,防止潵溅。
⑤对比型号相同⑥在新滤清器的橡胶圈上涂抹新机油。
⑦用扳手上紧,更换完毕⑧检查油底壳螺丝并上紧,添加机油⑨运转发动机之后关闭点火开关静置短时间之后观察油尺油量。
3) 安装安装步骤:安装步骤与拆卸的顺序相反,特别注意紧固螺栓时力矩应均匀并符合规定的拧紧力矩标准5. 实训记录单。
机油泵拆卸修理与装配工艺
机油泵拆卸修理与装配的工艺如下:
一、拆卸:
1.卸下机油泵盖螺母及锁紧片后,将机油泵盖拿下;
2.松开机油泵间隔板螺母,将间隔板取出,然后将机油泵轴承及凸轮节拆下;
3.卸下机油泵泵体上的套筒、柱塞、凸轮轴和压杆;
4.将机油泵内部所有配件进行清洗,检查是否损坏或磨损,如有问题应及时更换。
二、装配:
1.先将机油泵轴承及凸轮节安装到机油泵盖上,然后将机油泵盖固定到机油泵泵体上;
2.将间隔板安装到机油泵泵体上,紧固螺母;
3.将柱塞和压杆、凸轮轴及套筒依次安装到机油泵泵体内部,注意各配件的安装顺序;
4.检查机油泵内部各配件安装是否牢固,旋转凸轮轴,检查机油泵是否正常工作。
以上就是机油泵拆卸修理与装配的工艺,需要注意的是,在进行拆卸修理或装配时应注意安全,确保操作正确,不得有过失,以防出现危险。
附件一:教学设计模板一、本次课背景说明机油泵是发动机润滑系统的重要组成零件,如果车辆仪表的机油压力指示灯点亮,可能是润滑系统中的机油泵存在故障,对于发动机来说没有很好的润滑将会加速发动机其他部件的损坏程度。
那么对于一名汽修维修工来说掌握机油泵诊断流程、规范地进行拆装与检测将是一项必要的技能。
为了让教学贴合实际工作,在教学过程中要求学生结合维修手册进行学习,以便达到更好的学习效果。
目前我所教授的班级是大专四年学生,他们在第三年已经学习过了发动机的润滑系统,那么本节课就利用卡提亚动态仿真软件进行机油泵的构造与工作原理的知识回顾。
为接下来学生自主进行机油泵检测工艺的制定和实际的检测打下很好的基础。
教学过程中,利用网教平台让学生提前进行学习,这样就大大的缩短了理论讲解时间。
通过案例引入的方式给学生创造一个与实际工作相接近的工作情景,增强理实一体的教学效果。
二、教学设计特点自述让学生根据网络平台进行课前学习,从而带着问题到课堂上来学习是提高学习质量的关键。
12级高职学生在第三年已经系统的学习了发动机的润滑系统的基础知识,具有了一定的动手操作能力。
对于本次课程我的设计思路如下:课前学生根据本次新课的内容自己登陆网络平台学习教师课前准备的ppt、视频等资料,在网络教学平台上自由进行分组,以小组的形式对知识进行学习,培养学生自学能力,增加团队意识,激发学生的探索欲,体现了“翻转课堂”的理念。
课上实操环节,学生根据机油压力指示灯点亮的实际故障案例为引入点,让学生针对故障展开讨论,依照学生总结的故障点顺利的引入本次课程。
那么对于第四年的高职生来说已经学习过了发动机的润滑系统的知识,这样的话我将采用打乱的实物卡片的形式让学生进行机油泵的构造知识回顾,并且利用卡提亚动态仿真软件进行机油泵的工作原理的知识回顾,这样的话就为学生接下来的拆装检测打下来很好的基础。
在活动二的环节中学生根据维修手册自主进行机油泵的维修工艺的制定,并将检测流程写到大的展板上,之后学生根据检测工艺所需的工具到指定位置领取,以小组竞赛的形式开展机油泵的实际检测。
国家示范校建设教学工作页(汽车发动机拆装与检修)专业:汽车运用与维修班级:二○一四年前言《汽车发动机拆装与检修》工作单是与校本教材《汽车发动机拆装与检修》配套使用的学生工作单。
工作单对学生学习过程起引领和指导作用,本书的编写充分利用学校的教学设备,符合中职学生的知识结构和学习特点。
将汽车发动机拆装与检修的基础理论和实践应用完美地结合在一起,以富有逻辑性的组织结构引领学生了解和学习汽车发动机的基础知识并掌握实际操作的基本技能,实现理实一体化教学。
本书具有形式活泼,针对性强,便于学生学习和测评等特点。
山西省农业机械化学校汽车工程系2014年目录发动机的初步认识..................................................................................... 发动机的初步认识..................................................................................... 气缸盖、气缸垫的构造与检修 .............................................................. 气缸体、油底壳的构造与检修 .............................................................. 活塞环、活塞销的构造与检修 .............................................................. 活塞的构造与检修..................................................................................... 连杆的构造与检修..................................................................................... 曲轴的构造与检修..................................................................................... 配气机构的认识 ......................................................................................... 气门传动组的构造与检修 ....................................................................... 润滑系的构造与检修 ................................................................................ 冷却系的构造与检修 ................................................................................汽车发动机拆装与检修工单一、资讯1、将车辆的信息填入表中2、相关知识(1)写出发动机基本构造的零部件名称 1 ;2 ; 3 ;4 ;5 ;6 ;7 ;8 ;9 ;10 ;11 ;12 ;13 ;14 ;(2)根据工作原理图写出发动机常用术语的含义上止点(TDC)下止点(BDC)活塞行程S燃烧室容积V C气缸工作容积V H发动机排量V L压缩比ε(3)填写活塞、进气门、排气门在工作循环中的运动关系二、任务实施1、学生分组学生分三组,每组一位组长2、任务分配(1)利用发动机工作原理示教板观察发动机的基本构造,进一步掌握发动机的工作原理、发动机常用术语的含义。
《机油泵拆装》说课稿《机油泵的拆装》说课稿尊敬的各位领导、专家,大家好!今天我要说课的课题是《机油泵的拆装》。
本次我将从说教材、说学情、说过程和说反思四个方面阐述我的设计思路。
【教材地位】一、教材地位在实际工作过程中,机油泵故障是行车时经常遇见的问题,维修机油泵是汽修岗位的典型工作任务。
本课程选择高等教育出版社出版,孔宪峰主编的《汽车发动机构造与维修》教材,以其中第五章的第一、第二节:机油泵的构造、工作原理和拆装等理论和实训内容。
我上课的班级为,我校汽修专业丰田项目班的学生。
项目班是我校联合企业办学特色班,旨在明确就业目标和岗位需求,培养满足企业需求的技能型人才。
因此本课程以教材内容为框架,融入职业标准和丰田企业生产模式,将课程内容和职业标准对接,配合维修手册,制定本节课的工作任务:卡罗拉转子式机油泵的拆装。
本课程在我校丰田实训室中进行,共两学时。
二、教学目标依据岗位需求,本着职业性和突出学生能力培养的原则,将本节课的知识与技能目标确定为:1.说出转子式机油泵的拆装流程。
2.能够正确拆装转子式机油泵。
过程与方法目标为:1.通过课为科学系,完成测评,提升自学能力。
2.通过小组合作及汇报展示,培养团结协作和语言表达的能力。
3.通过强化操作标准,培养学生良好的职业意识。
情感态度和价值观目标为:1.养成规范流程、注重标准的习惯。
2.感受自学带来的成功感。
三、教学重难点根据项目要求确定教学重点:实现转子式机油泵的正确拆装教学难点:转子式机油泵的拆装流程。
学生突出重点,突破难点的关键在于争取更多的拆装练习时间,且借助维修手册,强化标准。
【学情分析】本课程的学习对象是丰田项目班学生,具有较强的动手能力,但缺乏学习主动性。
表现在乐于动手拆装,但拆装不讲究方法和标准,经常导致操作失误或者零件的损坏。
由于班级学生将来要从事汽车维修工作,对思维能力和职业习惯的要求较高。
针对教学内容和学情特点,我将采取翻转课堂的模式,能够更好的培养学生学习的主动性,并弥补课上练习时间不足的问题。
机油泵拆装与检修评分标准查核时限: 30 分钟
序号查核项目配分
工具及设
15
备的准备
机油泵的
220
拆卸
机油泵的
340
检测扣分标准(每项累计扣分不超出配分)扣分记录得分未检查工具设施扣 2 分
工具准备错误扣 2 分
工具摆放不齐整扣 1 分
未先拆油底壳扣 5 分
未分次交替平均松连杆螺栓扣 3 分
拆装动作不规范扣 5 分
工具使用错误一次扣 2 分
部件落地扣 5 分
使用量具不正确扣 5 分
检测动作不规范扣 5 分
少检测一项扣 5 分
没有进行部件外观检查扣10 分
检测数据偏差大于±扣 5 分
不可以判断部件利害扣10 分
部件安装对错标志或装反扣 5 分
没有打机油扣 5 分
4机油泵的
20拆装动作不规范扣 5 分安装
工具使用错误一次扣2分
部件落地扣 3 分
翻转架未恢还原状扣2分
5操作现场
5工具没整理扣 2 分
整齐
操作现场没有整理扣1分
6安全生产10因违规操作发生触电、火灾、人身和设备事故,本项目全程否认
7共计100
机油泵拆装与检修操作工单
班级:姓名:时间:查核时限: 30 分钟
信息获得发动机型号:
一、场所及设施初步检查(考前对场所安全和设施的检查及准备)
1)工量具检查准备:
2)仪器设施检查准备:
3)技术资料检查准备:
4)发动机翻转架情况检查:
二、故障诊疗:
1、记录拆卸步骤:
2、记录安装步骤:
3、技术重点与难点:1年月日
备注
1、项目 1)至 10)不需要作记录;。
机泵拆装实训指导书工程教育中心2010年2月目录绪论 (1)第1章离心油泵的拆装 (5)1.1 概述 (5)1.2 离心式油泵检修规程 (5)1.3 50Y60×2离心式油泵的拆卸步骤 (9)1.4 泵主要零部件的检测 (12)1.5 50Y60×2离心式油泵的安装 (16)1.6 机械密封的拆装 (33)1.7 泵试车与验收 (48)第2章活塞式压缩机的拆装 (50)2.1 活塞式压缩机检修的主要内容 (50)2.2 活塞式压缩机的拆装步骤及主要零件的检测 (51)2.3 活塞式压缩机的装配 (57)1绪 论本课程开设的指导思想目的及具体要求本课程开设的指导思想目的及具体要求::我校开设机泵拆装课的目的就是使化机专业的学生在学完专业课后,全面地复习及综合所学过的知识,培养理论与实践相结合的思维方法,进一步提高动手能力,掌握一定的专业技能,掌握一定的专业技能,从而为今后的工作打下较扎实的基础。
另一方面,本课同时又汇集了机械制图、金属工艺学、机械原理、机械零件、公差与技术测量及化工机器等内容,是综合分析、实际动手的实际环节,其内容正是化机毕业生今后从事的专业技术工作的一部分内容,而且也是在生产实习中无法解决的内容,因此本拆装的开设具有重要的意义。
本拆装课的具体要求是:1.在了解机械结构的前提下拆装各零部件;2.在了解零部件的性能及功能的前提下进行尺寸误差和形位误差的检测;3.在了解机械正常运转的条件下进行安装。
有关检修的基本内容一、文明施工与科学检修设备管理是企业管理中的一个重要组成部分。
在企业中,只有搞好设备管理,才能保证企业的正常生产秩序;才能够做到优质、高产、低耗、低成本;才能不断提高劳动生产率;才能预防各类事故,保证安全生产。
设备的检修是设备管理中的一个重要环节。
设备检修的目的是恢复或提高设备的额定功能的可靠性,从而保证设备和系统的生产能力。
设备检修的施工管理则是设备检修计划的实施过程。
AMM 73-11-01/401 发动机燃油泵的拆卸和安装
消耗件工具
如需在翼分解FUEL PUMP与HMU 需借用
友情提示:
1.拆卸掉管路借口处应用堵盖或纸胶带封好,以免有东西意外掉进去。
2.视情更换燃油泵和齿轮箱连接卡环、燃油泵和HMU连接处封圈、燃油泵和主滑油/燃油热交换器连接处封圈、各管路连接处的金属封圈。
3.检查燃油泵和HMU之间的连接螺栓径向运动不能超过0.062inch(1.6mm)。
4.建议HMU与燃油泵一起拆下。
拆卸避免燃油泵花键受力。
5.更换完成后需试车,则应准备地面灭火设备。
7.此表仅供参考。
8.航线可借用航线工具箱
9.螺栓与邻近部位间隙较小时,拆除时建议不要使用棘轮,以防棘轮卡在该间隙内
10 FUEL PUMP 与HMU 组合之后很重。
学号:姓名:
学生任务单
活动一机油泵拆装
齿轮式机油泵的拆装顺序:A、拆卸顺序:泵盖→衬垫→从动齿轮→从动轴→主动齿轮→主动轴
B、装配顺序:主动轴→主动齿轮→从动轴→从动齿轮→衬垫→泵盖转子式机油泵的拆装顺序:A、拆卸顺序:泵盖→衬垫→内转子→外转子
B、装配顺序:外转子→内转子→衬垫→泵盖
活动二完成习题
图8—1转子式机油泵图8—2外啮合齿轮机油泵
一、填写各部件名称:
图8—1转子式机油泵图8—2外啮合齿轮机油泵
1. 1.
2. 2.
3. 3.
4. 4.
5. 5.
二、齿轮式机油泵的工作原理:Array
齿轮式机油泵工作原理:。