八角形电缆井施工图
- 格式:pdf
- 大小:209.14 KB
- 文档页数:1
电缆井施工的全景视图1. 引言电缆井施工是电力工程中的重要环节之一。
本文将提供电缆井施工的全景视图,介绍施工过程中的关键步骤和注意事项。
2. 施工前准备在进行电缆井施工之前,需要进行详细的准备工作。
包括:- 确定施工地点:根据电缆布线图和工程需求,确定电缆井的位置。
- 确定施工方案:制定施工方案,包括施工步骤、施工时间和所需材料等。
- 安全预防措施:评估施工现场的安全风险,制定相应的安全预防措施。
3. 施工步骤3.1. 地面准备- 清理施工区域:清除施工区域的杂物和障碍物,确保施工区域干净整洁。
- 标记井位:根据设计要求,在地面上标记出电缆井的位置和尺寸。
3.2. 井施工- 井口开挖:按照设计要求,使用挖掘机或人工开挖井口。
确保井口的尺寸和深度符合要求。
- 井壁支护:在井壁上安装支护结构,以确保井壁的稳定性。
- 钢筋绑扎:按照设计要求,在井壁和井底的合适位置绑扎钢筋,增强井的结构强度。
- 混凝土浇筑:用混凝土将井壁和井底填充,使井具备足够的强度和稳定性。
- 井盖安装:在井口上安装井盖,确保井内设备的安全和防护。
3.3. 电缆敷设- 引入电缆:通过井口将电缆引入井内,注意保护电缆的外皮和绝缘层。
- 固定电缆:在井内使用固定设备将电缆固定在井壁上,防止电缆的移动和损坏。
- 进行连接:根据电缆布线图,将电缆与其他设备进行连接,确保电力传输的正常进行。
4. 施工注意事项- 施工过程中,必须遵守相关的安全操作规程,确保施工人员的人身安全。
- 施工现场应保持整洁,减少杂物和障碍物对施工的干扰。
- 施工结束后,对井内的设备和电缆进行检查,确保其安装牢固和连接正常。
以上是电缆井施工的全景视图,包括施工前准备、施工步骤和施工注意事项。
通过遵循正确的施工流程和安全操作规程,可以确保电缆井施工的顺利进行。
八边形四通电缆井计算(实用版)目录1.八边形四通电缆井的概述2.八边形四通电缆井的计算方法3.八边形四通电缆井的应用领域4.八边形四通电缆井的未来发展趋势正文【1.八边形四通电缆井的概述】八边形四通电缆井是一种用于电缆敷设的设施,其主要特点是形状为八边形,拥有四个进出口。
这种电缆井的优势在于其空间利用率高,可以容纳更多的电缆,因此在电力系统、通信系统等领域得到了广泛的应用。
【2.八边形四通电缆井的计算方法】在实际工程中,计算八边形四通电缆井的大小和形状是一个重要的环节。
一般来说,计算方法包括以下几个步骤:(1)确定电缆的数量和规格,以及敷设方式。
(2)计算电缆的总面积。
(3)确定八边形四通电缆井的边长和高度。
(4)根据电缆的敷设方式,计算电缆井的进出口位置和大小。
【3.八边形四通电缆井的应用领域】八边形四通电缆井广泛应用于电力系统、通信系统、铁路系统等领域。
在电力系统中,八边形四通电缆井主要用于电缆的敷设和保护,可以有效地提高电缆的使用效率和安全性。
在通信系统中,八边形四通电缆井主要用于光缆和电缆的敷设,可以节省大量的空间和成本。
在铁路系统中,八边形四通电缆井主要用于信号电缆和通信电缆的敷设,可以提高铁路系统的运行效率和安全性。
【4.八边形四通电缆井的未来发展趋势】随着科技的不断发展,八边形四通电缆井在未来的发展趋势如下:(1)更加智能化。
未来的八边形四通电缆井将拥有更加智能化的功能,例如自动调节温度、自动检测故障等。
(2)更加环保。
未来的八边形四通电缆井将采用更加环保的材料,例如可降解的材料等。
(3)更加高效。
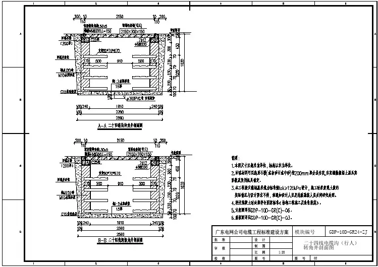
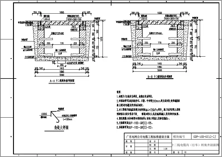
10kV电力电缆线路电缆沟及电缆井敷设设计要求1、使用范围1.1 电缆沟电缆沟是用以敷设和更换电力电缆设施的地下管道,也是被敷设电缆设施的围护结构,有矩形、圆形、拱形等管道结构形式。
电缆沟适用于道路、厂区、建筑物内电缆出线集中且不需采用电缆隧道的区域;城镇人行便道或绿地等区域。
但在盖板不可开启区域,不应选择电缆沟。
一般在变电站出线、小区道路、电缆较多、道路弯曲或地坪高程变化较大的地段,可以采用电缆沟与电缆排管、电缆井等进行相互配合使用。
电缆沟为有盖板的沟道,敷设和维修电缆时都必须揭开盖板,很繁琐、不方便,沟内还容易淤积赃物、积水。
但因土建施工简单、造价低,常在工程中采用。
电缆沟内安装有电缆支架,电缆支架通常由金属材料做成,通过焊接或用螺丝固定在沟壁上。
电缆由支架托住,与沟底保持着一定的距离。
电缆沟中的电缆通常会采取防火措施,包括涂刷防火涂料、封堵隔离等。
电缆沟在进入建筑物(包括控制室和开关室)处,设有封堵隔墙,以防止电缆着火时烟火向室内蔓延扩散。
此外,还可防止小动物进入室内。
电力电缆沟敷设的优点:电缆沟检修、更换电缆较方便,灵活多样,转弯方便,可根据地坪高程变化调整电缆敷设高程。
电力电缆沟敷设的缺点:电缆沟施工、巡检及更换电缆时须搬运大量盖板,施工时外物不慎落入沟时易将电缆碰伤。
▲图电缆沟1.2 电缆工井电缆井适用于电缆排管、电缆沟敷设中电缆接头、电缆分支、、预留电缆余量及电缆施工等工艺要求的情况。
电缆井根据电缆敷设工艺要求,采用人员下井工作模式时,电缆井深度不小于1.9m,其井盖尺寸应满足人员上下井;当采用人员不下井工作模式时,电缆井深度可适当调整,其盖板可开启。
▲图电缆工井2、类型2.1 电缆沟电缆沟按沟体结构分为砖砌电缆沟、钢筋混凝土电缆沟.一般在非车行道不承受重力外部荷载较小的地方可以采用砖砌电缆沟,有条件优先采用钢筋混凝土型式;车行道外部荷载较大采用钢筋混凝土型式电缆沟。
▲图单侧支架砖砌电缆沟示意图▲图双侧支架砖砌电缆沟示意图▲图单侧支架现浇电缆沟示意图▲图双侧支架现浇电缆沟示意图2.2 电缆工井电缆井土建设计应满足电气尺寸要求,遵循结构安全可靠、经济合理、技术先进、坚固耐久、施工简便为原则进行。
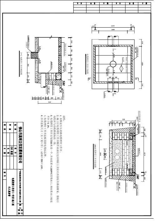
电缆入地工程施工图纸
电缆入地施工图排管组装图电缆管剖面图电缆排管井
资料目录
•1、封面、图纸目录
•2、电缆排管井平面布置图
•3、三线单层排列电缆管(行人)剖面图
•4、三线双层排列电缆管(行车)剖面图
•5、四线双层排列电缆管(行人)剖面图
•6、四线双层排列电缆管(行车)剖面图
•7、五线双层排列电缆管(行人)剖面图
•8、五线双层排列电缆管(行车)剖面图
•9、六线双层排列电缆管(行人)剖面图
•10、六线双层排列电缆管(行车)剖面图
•11、七线双层排列电缆管(行人)剖面图
•12、七线双层排列电缆管(行车)剖面图
•13、九线三层排列电缆管(行人)剖面图
•14、九线三层排列电缆管(行车)剖面图
•15、十三线双层排列电缆管(行人)剖面图
•16、十三线双层排列电缆管(行车)剖面图
•17、十六线双层排列电缆管(行人)剖面图
•18、十六线双层排列电缆管(行车)剖面图
•19、公路人井施工图
•20、人行道人井施工图
•21、单层排管组装图
•22、双层排管组装图
•23、三层排管组装图
•24、四层排管组装图
•25、预装式变电站基础大样图
隐藏详细目录>>
•关键词:
•电缆入地施工图
•排管组装图
•电缆管剖面图
•电缆排管井
内容简介
本资料是电缆入地工程施工图纸,总共29张。
六线双层排列电缆管(行车)剖面图
五线双层排列电缆管(行车)剖面图
五线双层排列电缆管(行人)剖面图
四线双层排列电缆管(行车)剖面图
四层排管组装图
公路人井施工图。