混凝土结构构件尺寸检查记录
- 格式:docx
- 大小:45.63 KB
- 文档页数:23
混凝土结构外观及尺寸偏差检验批质量验收记录一、项目概述根据合同要求,进行混凝土结构外观及尺寸偏差检验批质量验收。
本次验收记录共涵盖以下内容:混凝土结构的外观检验、尺寸偏差检验及相关的质量验收情况。
二、验收准备工作1.质量检验设备与工具准备为确保本次验收工作的准确性和客观性,准备了以下检验设备与工具:-线锤、尺子、测量仪器等尺寸检测工具;-手电钻、平头螺丝刀和文火枪等工具;-灯具、特定颜色灯泡和测光仪等外观检测工具。
2.质检人员组织与安排-质检人员:李明、王芳、刘强;-分工:李明负责尺寸检验;王芳负责外观检验;刘强负责记录与统计。
三、验收过程1.检验对象:混凝土结构外观及尺寸3.检验内容及方法:-外观检验:主要检查混凝土结构的表面平整度、混凝土表面的裂缝情况、麻面情况等;-尺寸检验:主要检测混凝土结构的尺寸偏差,包括长度、宽度、高度等。
4.检测结果:-外观检验:a.表面平整度:经测量,表面平整度达到国家标准要求;b.混凝土表面裂缝:共检测到3处裂缝,其中两处属于微小级别,1处属于轻度级别;c.麻面情况:经目测,麻面吻合度达到要求。
-尺寸检验:a.结构长度:地上长度:实测为50.8m,偏差在合格范围内;地下长度:实测为38.5m,偏差在合格范围内;b.结构宽度:实测为12.7m,偏差在合格范围内;c.结构高度:实测为6.5m,偏差在合格范围内。
四、质量验收结论及建议1.质量验收结论:经过以上的检验与评估,混凝土结构的外观及尺寸偏差检验批质量通过验收。
2.建议:由于检测中发现3处混凝土表面裂缝,建议在后续维护工作中加以修复,以确保工程的长期稳定性和安全性。
五、其他注意事项1.验收过程中,所有检验工具和设备使用前进行了校准,并保持在最佳状态下;2.验收过程中,所有人员按照验收标准和方法进行工作,保证了验收结果的准确性和可靠性;3.验收记录将被保留,作为相关工程质量的依据。
六、验收人员-质检人员:李明、王芳、刘强-验收日期:XXXX年XX月XX日七、附件以上为混凝土结构外观及尺寸偏差检验批质量验收记录,共计1200字。
主体砼结构尺寸位置抽查记录日期:--------------------项目名称:--------------------项目地址:--------------------抽查人员:------------------被抽查单位:----------------被抽查人员:----------------一、抽查目的本次抽查的目的是为了确保主体混凝土结构施工符合设计要求和施工规范,以保证施工质量和工程安全。
二、抽查内容1.主体混凝土结构尺寸抽查:根据设计图纸和规范要求,抽查主体混凝土结构的尺寸是否满足设计要求,包括柱、梁、板等结构的截面尺寸、长度、高度等。
2.主体混凝土结构位置抽查:根据设计图纸和规范要求,抽查主体混凝土结构的位置是否符合设计要求,包括柱、梁、板等结构的轴线、偏移量、交叉点等。
三、抽查方法1.尺寸抽查:1.1从设计图纸上确定抽查的结构单元(柱、梁、板等);1.2使用刻度尺、测量标杆等工具,对抽查结构的尺寸进行测量;1.3将测量结果与设计图纸上的尺寸进行对比,判断是否符合设计要求。
2.位置抽查:2.1从设计图纸上确定抽查的结构单元(柱、梁、板等);2.2使用测距仪、经纬仪等工具,对抽查结构的位置进行测量;2.3将测量结果与设计图纸上的位置进行对比,判断是否符合设计要求。
四、抽查结果记录抽查过程中,发现以下情况(根据实际情况填写):1.结构尺寸不符合设计要求的情况:(1)柱:______处尺寸偏差较大,尺寸为______;(2)梁:______处尺寸偏差较大,尺寸为______;(3)板:______处尺寸偏差较大,尺寸为______。
2.结构位置不符合设计要求的情况:(1)柱:______处位置偏移较大,偏移量为______;(2)梁:______处位置偏移较大,偏移量为______;(3)板:______处位置偏移较大,偏移量为______。
五、抽查结论经抽查详细记录及对比分析,主体混凝土结构的尺寸、位置符合设计要求的比例为___%。
现浇混凝土构件尺寸检测记录结构类型□砌体承篁□混凝土结构结构层数地上一层地下一层混凝土类型口自摔口泵送形象进度检测构件及部位设计值(mm)长X宽允许偏差(mm)测点值(mm)检测结果是否平行检验检测项目楼层及构件类型轴线部位12345测点数合格点数合格率(%)最大偏差尺寸(梁柱板墙) +8 -5检测意见:□所检测构件尺寸检测结果符合要求。
□______________________________ 所检测构件中,检测结果不合格,应对同一楼层同一类型构件加倍进行检验。
□______________________________ 经加倍检验, 检测结果仍不合格,应按质量问题处理。
□____________________________________________________________ 。
检查人员:年月日质检员监理工程师工程名称: □施工自检口平行检验编号:砖(砌块)外观检验(报验)记录砖(砌块)品种规格数量进场时间合格证准用证检测项目标准要求检查方法检查记录砖(砌块)几何尺寸偏差:±2mm采用砖用卡尺或尺量检查。
精度05—Imm缺棱掉角个数不多于1处、尺寸不得大于20mm尺量检查缺损的投影尺寸裂纹长度大面上宽度方向不大于30nun,长度方向不大于50mm尺量检查裂纹的长度检验结论:施工单位检查人:监理机构检验人:质检员:监理工程师:年月日工程名称编号。
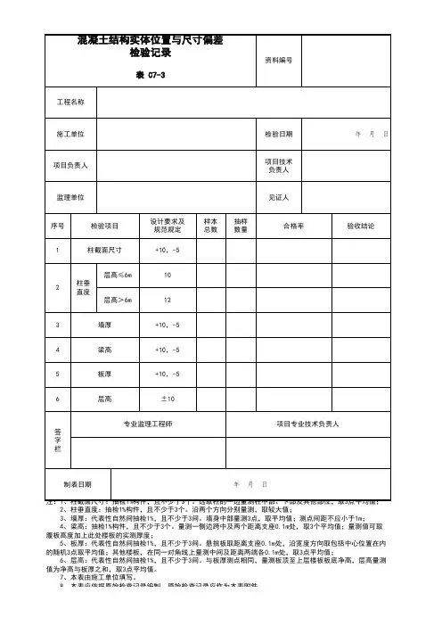
2、柱垂直度:抽检1%构件,且不少于3个。
沿两个方向分别量测,取较大值;
3、墙厚:代表性自然间抽检1%,且不少于3间。
墙身中部量测3点,取平均值;测点间距不应小于1m;
4、梁高:抽检1%构件,且不少于3个。
量测一侧边跨中及两个距离支座0.1m处,取3个平均值;量测值可取腹板高度加上此处楼板的实测厚度;
5、板厚:代表性自然间抽检1%,且不少于3间。
悬挑板取距离支座0.1m处,沿宽度方向取包括中心位置在内的随机3点取平均值;其他楼板,在同一对角线上量测中间及距离两端各0.1m处,取3点平均值;
6、层高:代表性自然间抽检1%,且不少于3间。
与板厚测点相同,量测板顶至上层楼板板底净高,层高量测值为净高与板厚之和,取3点平均值。
7、本表由施工单位填写。
8、本表应依据原始检查记录编制。
原始检查记录应作为本表附件。
基础混凝土结构外观及尺寸偏差检验批质量验收记录项目名称:基础混凝土结构施工施工单位:XXX公司验收日期:XXXX年XX月XX日一、验收目的本次验收主要是对基础混凝土结构的外观及尺寸偏差进行检验,确保其质量符合相关标准和规范要求,为后续施工提供可靠的基础。
二、检验要求1.外观检验:检查基础混凝土结构的表面是否平整、光滑,有无起鼓、开裂、空洞等缺陷。
2.尺寸检验:检查基础混凝土结构的尺寸是否符合设计施工图纸要求。
三、检验方法及结果1.检查方式:现场实地检查与对比设计施工图纸。
2.检查内容:a)外观检验:-表面平整度:施工单位采用水平仪对基础混凝土结构的表面进行测量,测量结果如下:测量点1:平整度符合要求测量点2:平整度符合要求...-表面缺陷:施工单位对基础混凝土结构的表面进行全面检查,未发现起鼓、开裂、空洞等缺陷。
b)尺寸检验:-长度:设计要求长度为X米,经测量,长度为X米,符合要求。
-宽度:设计要求宽度为X米,经测量,宽度为X米,符合要求。
-高度:设计要求高度为X米,经测量,高度为X米,符合要求。
四、结论与建议1.结论:基础混凝土结构的外观及尺寸偏差检验结果符合设计施工图纸的要求,质量合格。
2.建议:鉴于本次验收结果良好,施工单位应继续保持施工质量,做好基础混凝土结构后续工作,确保整个工程的顺利进行。
五、附件1.验收图纸副本:包括设计施工图纸和实际基础混凝土结构的对比照片。
2.检测数据表格:包括表面平整度、尺寸测量等数据。
六、总结本次基础混凝土结构外观及尺寸偏差检验批质量验收记录对基础混凝土结构的质量进行了全面的检查和评估。
通过符合要求的外观及尺寸偏差检验,可以保证基础混凝土结构的质量达到设计要求,为接下来的施工提供可靠的基础。
同时,施工单位应继续保持高标准的施工质量,确保整个工程的顺利进行。
结构外观及尺寸偏
差检查记录表
(预查收自检表)
工程名称
分部名称检查部位
施工单位项目经理
施工履行标准及编号《混凝土结构施工质量查收规范》GB50204-2002
项目检查小组检查评定记录备注
外观质量
尺寸误差及办理、查收
外观质量一般缺点
使用功能有无渗水
检查有无裂痕
后植筋(墙体拉结筋、结构柱钢筋、
飘窗、压顶等)
轴线
柱、墙、梁检查记录
位置
8
垂直度
≤ 5M 8
> 5M 10
几
标高
层高± 10
全高± 30
何
尺平坦度8
寸
梁、柱、墙
检
查
验
设
收截面+ 8
板计
- 5
尺寸
厚板
厚
建设方代表:
验年月日
收监理方代表:
意年月日
见施工方代表:
年月日注:检查数目与方法
1、采纳 2 米检测尺、 5 米钢卷尺、拉线、吊线、水平仪、经纬仪配合检查,钢筋保护层厚度,板厚采纳局部钻小孔的方法进行检查,检查数目按没栋每楼层抽检30%;
2、楼板面有无积水,采纳泼水检查;
3、逐层检查楼板面裂痕状况,要求有修理方案及隐蔽记录;
4、砌体施工前,要求有完美的后植钢筋施工方案、隐蔽记录及有关的抗拔试验报告。