1234-36-38控制器故障代码
- 格式:pdf
- 大小:141.41 KB
- 文档页数:11
各品牌分体空调故障代码海尔变频空调维修故障代码:3、KFR-36GW/B〔BPF〕、KFR-36GW/BPJF、KFR-28GW/BPJF、KFR-28GW/@(BPF) KFR-36GW/@(BPF)室内机显示故障原因E1 室内环境温度传感器E2 室内热交温度传感器F21 室外除霜温度传感器F25 室外排气温度传感器F6 室外环境温度传感器E07 通讯异常室内机显示故障原因F24 CT断线F4 排气温度超过120℃,排气管温度过升保护F22 AC电流过电流保护F23 DC电流过电流保护E9 制热时,蒸发器温度上升〔68℃以上〕,或室内电机运转但风量小F11 压机运转异常4.KFR-60LW/BPF故障显示故障原因E1 室温传感器故障E2 室内盘管传感器故障E3 室外环温传感器故障E4 室外盘管传感器故障E5 过电流保护E6 压机过热保护E7 室外低电压保护E8 面板与主板通讯故障E9 室内外通讯故障5. KFR-48LW/@〔BPJXF〕、KFR-48LW/@〔BPF〕、KFR-50LW/BPJXF、KFR-51LW/BPJXF、KFR-51LW/BPJF、KFR-51LW/N〔BPF〕、KFR-51LW/T〔BPJXF〕、KFR-51LW/@〔BPJXF〕、KFR-52LW/BPJXF、KFR-52LW/BPJF、KFR-52LW/E〔BPJXF〕、KFR-52LW/N〔BPJXF〕、KFR-58LW/T 〔BPJXF〕、KFR-58LW/@〔BPF〕、KFR-58LW/@〔BPJXF〕、KFR-60LW/BPJXF、KFR-58LW/BPJXF、KFR-58LW/E〔BPJXF〕、KFR-58LW/N〔BPJXF〕、KFR-58LW/N〔BPF〕、KFR-60LW/BPJF、KFR-60LW/BPXF、KFR-60LW/E〔BPJXF〕、KFR-68LW/BPJXF、KFR-68LW/E〔BPJXF〕、KFR-68LW/@〔BPJXF〕等故障代码故障原因E1 功率模块过热、过流、短路E2 电流传感器感应电流太小E4 制热时压机温度传感器温度超过120℃E5 过电流保护E6 室外温度传感器故障E7 室外盘管传感器故障Ea 电源超欠压Ec 制冷时室外热交传感器温度超过70℃保护Ee 单片机读入EEPROM数据有错误F1 室温传感器故障F2 室内盘管传感器故障F4 制热时室内盘管传感器超过72℃保护F5 制冷时室内盘管温度传感器低于0℃以下保护F7 室内主板与控制面板通讯故障海尔定频空调维修故障代码KFR-26GW/B〔JF〕、KFR-26GW/〔JF〕、KFR-36GW/B〔JF〕、KFR-36GW/C〔F〕KFR-40GW/A〔JF〕故障代码故障原因E1 室内环境传感器断路、短路、接触不良E2 室内盘管传感器断路、短路、接触不良E21 除霜温度传感器异常E4 单片机读入EEPROM数据错误E8 面板和主控板间通讯故障E14 室内风机故障E16 里离子集尘故障E24 CT电流互感器断保护电路板CT电流互感器线圈不良,更换电路板、压缩机未启动,压缩机电流小,漏气海尔定频柜机维修故障代码KFRD-52LW/JXF、KFRD-62LW/F、KFRD-62LW/JXF、KFRD-71LW/F、KFRD-71LW/SDF、KFRD-71LW/JXF、KFRD-120LW/F故障代码故障原因E1 室温传感器故障E2 室内盘管传感器故障E3 室外环温传感器故障E4 室外盘管传感器故障E5 过电流保护E6 管路压力保护E7 室外低电压保护E8 面板与主板通讯故障E9 室内外通讯故障三菱重工—海尔柜机维修故障代码故障现象检测灯〔黄色〕故障代码故障原因E1 面板与室内主板通讯故障闪亮1次E6 室内环温传感器故障传感器阻值错、内板坏闪亮2次E7 室内盘管传感器故障闪亮4次E9、E40 室外机异常电压低、压力过高、高压开关动作闪亮5次E57 制冷剂缺乏检测压力闪亮6次E8 室外机过负荷保护制冷剂过多、短路E28 控制面板上SW13-6设置错误将SW13-6设置为关〔OFF〕检测灯〔黄色〕故障代码故障原因E1 面板与室内主板通讯故障闪亮1次E6 室内环温传感器故障传感器阻值错、内板坏闪亮2次E7 室内盘管传感器故障闪亮4次E9、E40 室外机异常电压低、压力过高、高压开关动作闪亮5次E57 制冷剂缺乏检测压力闪亮6次E8 室外机过负荷保护制冷剂过多、短路E28 控制面板上SW13-6设置错误将SW13-6设置为关〔OFF室内机电源指示灯连续闪烁的次数代表室内机故障代码下面的数字代表次数室内机故障1室温传感器相关故障2室内盘管传感器相关故障4制热室内盘管过热或传感器故障5制冷室内盘管过冷或传感器故障6CPU工作不正常7通讯故障8内风机故障〔含霍尔元件坏〕9电源接触不良室内机定时指示灯〔黄色〕连续闪烁的次数代表室外机故障代码下面的数字代表次数室外机故障1IPM模块过热、过流、短路2室外压缩机无电〔检流线圈、压缩机开路等〕4压缩机过热5整机过流6室外环温传感器相关部位7室外盘管传感器相关部位8CPU故障10电源欠压11电源接触不良12制冷室外盘管温度超过72度14CPU故障15CPU工作条件不正常或CPU坏变频空调故障代码1、KFR-26GW/BPF、KFR-26GW/A〔BPF〕、KFR-26GW/C〔BPF〕、KFR-28GW/BPA、KFR-28GW/BPF、KFR-28GW/A〔BPF〕、KFR-28GW/C〔BPF〕、KFR-40GW/BPF、KFR-40GW/A〔BPF〕、KFR-28GW/DBPF、KFR-36GW/DBPF、KFR-28GW/M〔BPF〕、KFR-36GW/M〔BPF〕、KFR-25GW*2/BP、KFR-25GW*2/BPF、KFR-25GW*2/BPJF、KFR-26GW*2/BPF、KFR-30GW*2/BPF、KFR-30GW*2/BPKF、KR-〔32G/AF.40G/F〕60W/BP、KR-〔32G/AF.50L/F〕70W/BP室内机显示灯故障原因维修方法备注电源定时运转闪灭灭室内环温传感器上门检修闪亮亮室内热交传感器1.上门检查过滤网是否脏、热交换器换热是否正常,风速是否正常;2、检测传感器阻值3、假设以上正常,拉回检修亮亮闪室外除霜传感器上门检修只适用于一拖一机型闪亮灭压机排气温度传感器1、上门检查过滤网是否脏、热交换器换热是否正常、管路安装是否完好2、检查传感器阻值3、假设以上正常,拉回检修亮闪灭室外环境温度传感器上门检修闪灭亮室外传感器异常上门检修只适用于一拖二机型闪灭亮压机运转异常1、上门检测电压是否正常、管路是否安装完好;2、假设以上正常,拉回检修只适用于一拖一机型闪闪亮1.DC电流检知2、过电流保护动作3、功率模块温度过高保护4、功率模块低电压检知1、上门检测电压是否正常,2、电压正常,拉回检修室内机显示灯故障原因维修方法电源定时运转闪闪灭过电流保护动作AC电流检知1、上门检测电压是否正常;2、电压正常,拉回检修闪闪闪制热时,蒸发器温度上升〔68度以上〕,或室内风机风量小1、上门检查过滤网是否脏、热交换器换热是否正常、风速是否正常;2、假设以上正常,拉回检修闪灭闪CT断线保护上门检修亮闪亮功率模块异常上门检修灭灭闪通讯异常上门检修灭闪灭排气管温度超过120度1、上门检查过滤网是否脏、热交换器换热是否正常、管路安装是否完好2、检查传感器阻值3、假设以上正常,拉回检修灭闪亮电压缺乏解释原因,让用户断电10-15分钟后重新上电开机灭亮闪控制基板异常上门检修灭亮闪室内机EEPROM异常上门检修闪亮闪室外机EEPROM异常上门检修2、KFR-35GW/BPF、KFR-35GW/ABPF、KFR-36GW/BP、KFR-36GW/BPF 、KFR-36GW/ABPF、KFR-50GW/BPF、KFR-50LW/BP、KFR-50LW/BPF故障现象故障原因维修方法备注定时灯闪烁1次功率模块过热、过流、短路拉回检修室外机定时灯闪烁2次电流传感器感应电流太小上门检修定时灯闪烁4次制热时压机温度传感器温度超过120度保护1、上门检查热交换器换热是否正常、管路安装是否完好;2、检查压机传感器阻值3、假设以上正常,拉回检修定时灯闪烁5次过电流保护1、上门检测电压是否正常;2、电压正常,拉回检修定时灯闪烁6次室外环温传感器故障上门检修定时灯闪烁7次室外热交传感器故障上门检修定时灯闪烁10次电源超、欠压解释原因,让用户断电10-15分钟后重新上电开机定时灯闪烁11次瞬时断电保护解释原因,让用户断电10-15分钟后重新上电开机定时灯闪烁12次制冷时室外热交传感器温度超过70度保护1、上门检查热交换器换热是否正常;2、检测传感器阻值3、假设以上正常,拉回检修定时灯闪烁14次单片机读入EEPROM数据有错误上门检修定时灯闪烁15次瞬时断电时单片机复位解释原因,让用户断电10-15分钟后重新上电开机故障现象故障原因维修方法备注电源灯闪烁1次室内环温传感器故障上门检修室内机电源灯闪烁2次室内热交传感器故障1、检查传感器阻值;2、检查过滤网是否脏、热交换器换热是否正常,风速是否正常;3、假设以上正常,拉回检修电源灯闪烁4次制热时室内热交传感器温度超过72度保护1、上门检查过滤网是否脏、热交换器换热是否正常,风速是否正常;2、检测传感器阻值3、假设以上正常,拉回检修电源灯闪烁5次制冷时室内热交传感器温度低于0度保护1、上门检查过滤网是否脏、热交换器换热是否正常,风速是否正常;3、假设以上正常,拉回检修电源灯闪烁6次瞬时断电时单片机复位解释原因,让用户断电10-15分钟后重新上电开机电源灯闪烁7次通讯回路故障上门检修电源灯闪烁8次室内风机故障上门检修电源灯闪烁9次瞬时断电保护解释原因,让用户断电10-15分钟后重新上电开机3、KFR-36GW/B〔BPF〕、KFR-36GW/BPJF、KFR-28GW/BPJF、KFR-28GW/@(BPF)、KFR-36GW/@(BPF) 室内机显示故障原因维修方法E1室内环境温度传感器上门检修E2室内热交温度传感器1、上门检查过滤网是否脏、热交换器换热是否正常,风速是否正常;2、检测传感器阻值3、假设以上正常,拉回检修F21室外除霜温度传感器上门检修F25室外排气温度传感器1、上门检查过滤网是否脏、热交换器换热是否正常、管路安装是否完好2、检查传感器阻值3、假设以上正常,拉回检修F6室外环境温度传感器上门检修E07通讯异常上门检修室内机显示故障原因维修方法F24CT断线上门检修F4排气温度超过120℃,排气管温度过升保护1、上门检查过滤网是否脏、热交换器换热是否正常、管路安装是否完好2、检查传感器阻值3、假设以上正常,拉回检修F22AC电流过电流保护1、上门检测电压是否正常;2、电压正常,拉回检修F23DC电流过电流保护1、上门检测电压是否正常;2、电压正常,拉回检修E9制热时,蒸发器温度上升〔68℃以上〕,或室内电机运转但风量小1、上门检查过滤网是否脏、热交换器换热是否正常,风速是否正常;2、检测传感器阻值3、假设以上正常,拉回检修F11压机运转异常拉回检修E8面板主板通讯异常上门检修4.KFR-60LW/BPF故障显示故障原因维修方法E1室温传感器故障上门检修E2室内盘管传感器故障1、上门检查过滤网是否脏、热交换器换热是否正常,风速是否正常;3、假设以上正常,拉回检修E3室外环温传感器故障上门检修E4室外盘管传感器故障上门检修E5过电流保护1、上门检测电压是否正常;2、电压正常,拉回检修E6压机过热保护1、上门检查过滤网是否脏、热交换器换热是否正常、管路安装是否完好2、检查压机传感器阻值3、假设以上正常,拉回检修E7室外低电压保护解释原因,让用户断电10-15分钟后重新上电开机E8面板与主板通讯故障上门检修E9室内外通讯故障上门检修5、KFR-48LW/@〔BPJXF〕、KFR-48LW/@〔BPF〕、KFR-50LW/BPJXF、KFR-51LW/BPJXF、KFR-51LW/BPJF、KFR-51LW/N〔BPF〕、KFR-51LW/T〔BPJXF〕、KFR-51LW/@〔BPJXF〕、KFR-52LW/BPJXF、KFR-52LW/BPJF、KFR-52LW/E〔BPJXF〕、KFR-52LW/N〔BPJXF〕、KFR-58LW/BPJXF、KFR-58LW/E〔BPJXF〕、KFR-58LW/N〔BPJXF〕、KFR-58LW/N〔BPF〕、KFR-58LW/T 〔BPJXF〕、KFR-58LW/@〔BPF〕、KFR-58LW/@〔BPJXF〕、KFR-60LW/BPJXF、KFR-60LW/BPJF、KFR-60LW/BPXF、KFR-60LW/E〔BPJXF〕、KFR-68LW/BPJXF、KFR-68LW/E〔BPJXF〕、KFR-68LW/@〔BPJXF〕等故障代码故障原因维修方法E1功率模块过热、过流、短路拉回检修E2电流传感器感应电流太小上门检修E4制热时压机温度传感器温度超过120℃1、上门检查过滤网是否脏、热交换器换热是否正常、管路安装是否完好;2、检查压机传感器阻值;3、假设以上正常,拉回检修E5过电流保护1、上门检测电压是否正常;2、电压正常,拉回检修E6室外温度传感器故障上门检修E7室外盘管传感器故障上门检修Ea电源超欠压解释原因,让用户断电10-15分钟后重新上电开机Ec制冷时室外热交传感器温度超过70℃保护1、上门检查过滤网是否脏、热交换器换热是否正常;2、检测传感器阻值;3、假设以上正常,拉回检修Ee单片机读入EEPROM数据有错误上门检修F1室温传感器故障上门检修F2室内盘管传感器故障1、上门检查过滤网是否脏、热交换器换热是否正常,风速是否正常;3、假设以上正常,拉回检修F4制热时室内盘管传感器超过72℃保护1、上门检查过滤网是否脏、热交换器换热是否正常,风速是否正常;2、检测传感器阻值3、假设以上正常,拉回检修F5制冷时室内盘管温度传感器低于0℃以下保护1、上门检查过滤网是否脏、热交换器换热是否正常,风速是否正常;2、检测传感器阻值3、假设以上正常,拉回检修F7室内主板与控制面板通讯故障上门检修E1 室内温度传感器E2室外盘管传感器E3室外温度传感器E4室外盘管传感器E5电流过大E6压力保护E7低电压保护E8面板,主板〔内〕通信故障E9室内,外板通信故障海尔商用空调〔KTR系列〕:室内机组1、室温传感器〔TA〕电路“OC〞2、室内热交换传感器〔TC1〕电路“93”3、室内热交换传感器〔TC2〕电路“94”4、室内压力传感器电路“b9”5、电机电路〔相位控制〕“11”6、排水泵,浮子开关系统电路“0b〞7、制冷剂循环量缺乏判断“9F〞8、室内外通信电路“95”9、集中控制通信电路“97”10、集中控制地址设定“98”11、外部输入显示“b5”12、外部连锁显示“b6”13、室内机组误配线误连接“9A〞14、室内基板电路“12”15、系统冷媒缺乏判断“Ed I/F 控制基板1、变频串行信号回路,TRS电路“04”2、室外热交传感器〔TE〕电路“18”3、变频压机排气温度传感器〔TD1〕电路“A0”4、定频压机排气温度传感器〔TD2〕电路“A1”5、吸气温度传感器〔TS〕电路“A2”6、高压压力传感器〔Pd〕电路“AA〞7、低压压力传感器〔Ps〕电路“b4”8、接口基板电路“1C〞9、高压保护动作〔Pd〕传感器“22”10、变频压机排气温度〔TD1〕保护动作“A6”11、定频压机排气温度〔TD2〕保护动作“bb〞12、吸气温度〔Ts〕保护动作“A7”13、低频时变频压机排气温度〔TD1〕保护动作“AE〞14、低压压力保护动作“bE〞15、定频压机用高压开关电路“E1”16、变频IOL电路“E5”17、定频机IOL.OL电路,室外机三相电相序异常“E6”18、压力传感器〔Pd,Ps〕误配线“Ab〞19、室内外通信电路“95”20、室内外地址矛盾“96”21、MgSW1触点粘连控制显示“bd〞22、连接室内机组容量过载“89E0-排水系统故障E1-室内感温器故障E2-室内盘管传感器故障E3-室外环温传感器故障E4-室外盘管传感器故障E5-过流保护E6-管路压力保护E7-面板与主板通迅故障E8-主板与室外通讯故障日本三菱空调故障代码机型FDF304HEN、FDF504HES无显示室内机和室外机电源OFF、电源被关断、操作开关电路板不良。
Curtis 1234/1236/1238 产品故障代码表1.LED指示灯显示模式本产品安装有2支LED显示灯,通过不同颜色灯光的组合来显示不同的信息。
详见下表:LED显示信息说明显示信息LED灯不亮控制器电源未接通;或车辆电池耗尽;或其他严重故障。
黄色LED灯闪烁控制器工作正常黄色以及红色LED灯常亮控制器处于程序载入的状态红色LED灯常亮看门狗失效或软件未安装。
重启钥匙开关,重新启动。
如果需要,重新安装软件红色和黄色LED灯交替闪烁控制器发现故障。
故障显示代码由2位数字组成。
红灯闪烁次数指示代码是首位数字还是第二位数字,黄灯闪烁次数代表相应数位的具体数字。
^_^2.故障代码表此故障代码表提供了以下信息。
•故障代码•在Curtis编程器上显示的故障名称•故障所导致的表现•导致故障的可能原因•故障深层原因•状态解决发生故障时,如果确认不是接线错误或车辆机械故障,可以尝试通过车辆钥匙开关重新启动。
如果故障仍旧存在,请关闭钥匙开关,检查35-pin针接插件是否连接正确或有污损,修复并清洁后,重新连接,再启动尝试。
15 Controller SevereUndertemp控制器温度过低电机停止工作主连接器断开电磁刹车断开加速器失效刹车泵停止工作1,控制器工作环境过于严酷原因:散热器温度低于-40o C解决:温度升至-40o C以上,重新启动钥匙开关或互锁开关16 Controller SevereOvertemp控制器温度过高电机停止工作主连接器断开电磁刹车断开加速器失效刹车泵停止工作1,控制器工作环境过于严酷2,车辆超载3,控制器安装错误原因:散热器温度高于95o C解决:降低温度至95o C以下。
重新启动钥匙开关或互锁开关17 Severe Undervoltage电压过低驱动扭矩降低1,电池参数设置错误2,非控制器系统耗电3,电池阻抗过大4,电池连接断开5,熔断器断开,或主接触器未连接原因:MOSFEET桥工作时电容电压低于最低电压限制解决:将电容电压升高18 Severe Overvoltage电压过高电机停止工作主连接器断开电磁刹车断开加速器失效刹车泵停止工作1,电池参数设置错误2,电池阻抗过高3,再生制动时电池连接断开原因:MOSFEET桥工作时电容电压超过了最高电压限制解决:降低电压然后重启钥匙开关22 Controller OvertempCutback控制器温度过高导致性能消减驱动以及再生制动力矩减低1, 控制器工作环境严酷2,车辆超载3,控制器安装不正确原因:散热温度超过85O C解决:降低温度^_^23 Undervoltage Cutback电压过低性能消减驱动力矩减低1,电池电量不足2,电池参数设置错误3,非控制器系统耗尽电量4,电池阻抗过大5,电池连接断开6,熔断器断开或主接触器断开原因:电容电压过低解决:提升电容电压24 Overvoltage Cutback电压过高性能消减再生制动力矩减低1,再生制动过程中再生制动电流导致电池电压升高2,电池参数设置错误3,电池阻抗过大4,再生制动时电池连接断开原因:MOSFEET桥工作时电容电压超过了最高电压限制解决:降低电容电压25 +5V Supply Failure控制器输出5v电源失效1,外接负载阻抗过低原因:5v输出有超过±10%的误差解决:调整输出电压至正常范围26 Digital Out 6 Failure驱动6输出过流驱动6输出不能开启1,外接负载阻抗过低原因:驱动6输出电流超出15mA解决:调整负载,然后用VCL设置“set_digout”重新启动驱动27 Digital Out 7 Overcurrent驱动7输出量输出过流驱动7输出不能开启1,外接负载阻抗过低原因:驱动7输出电流超出15mA解决:调整负载,然后用VCL设置“set_digout”重新启动驱动^_^28 Motor Temp Hot Cutback电机过热导致性能消减驱动力矩减低1,电机温度达到或者高于程序设定的警戒温度,导致电流输出降低2,电机温度参数设定有误3,如果电机没有使用温度传感器,编程参数“Tempcompensation”和“Tempcutback”必须设置为“OFF”。
控制器错误代码的说明书[文档封面:控制器错误代码的说明书][文档摘要:本说明书旨在解释控制器错误代码的含义和解决方法,帮助用户更好地使用产品。
][正文]控制器是现代工业生产中使用较多的设备之一,其稳定性对生产效率有着至关重要的作用。
然而,在控制器的日常使用过程中,会出现各种错误代码,如果不能及时解决,会给生产带来严重的影响。
因此,针对控制器常见的错误代码,本文将进行详细的介绍和解决方法的说明。
[一、E001]E001是控制器中最常见,最容易出现的错误代码之一。
该错误代码通常是指控制器的电源电压过低或过高。
当该错误代码出现时,操作人员应首先检查控制器的电源连接和电压是否正常。
如果电源连接和电压正常,那么该错误代码可能是由于控制器本身的电路出现问题,此时需要联系厂家进行更换或维修。
[二、E002]E002是控制器中另一种常见的错误代码。
该错误代码通常是指控制器内部的程序出现了错误。
一旦出现该错误代码,操作人员应该首先确认控制器的程序是否正确,检查程序中是否存在逻辑错误等问题。
如果确定程序无误,那么该错误可能是由于控制器内部损坏导致的,此时需要联系厂家进行更换或修理。
[三、E003]E003通常是指控制器的通信出现了问题,导致与外部设备无法正常通信。
当该错误代码出现时,操作人员应该首先检查控制器与外部设备的连接是否正常,确认通信协议是否正确。
如果确认连接和协议无误,那么该错误可能是由于控制器内部集成电路出现故障导致的,此时需要联系厂家进行更换或修理。
[四、E004]E004通常是指控制器的输入输出(I/O)出现问题。
这种错误可能是由于I/O模块的电路故障、信号线开路或其他原因导致的。
当该错误代码出现时,操作人员应该首先检查I/O模块的连接是否正常,是否存在接线松动或者断裂等问题。
如果连接正常,那么该错误可能是由于控制器内部I/O模块出现问题导致的,此时需要联系厂家进行更换或维修。
[五、E005]E005通常是指控制器的存储器(ROM、RAM)出现问题。
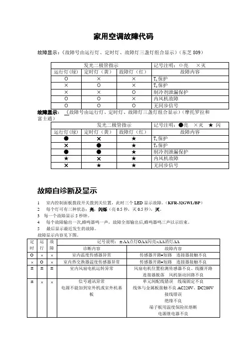
家用空调故障代码故障显示:(故障号由运行灯、定时灯、故障灯三盏灯组合显示)(东芝809)(故障号由运行灯、定时灯、故障灯三盏灯组合显示)故障自诊断及显示1 室内控制面板拨段开关拨到关位置,此时三个LED显示故障。
(KFR-32GWL/BP)2 每个灯可有三种状态:亮,闪烁(亮0.5秒,灭0.5秒),灭。
3 每一个故障显示5秒钟。
4 每个故障输出一次,蜂鸣器鸣一声,故障全部输出后,蜂鸣器鸣三声以示结束。
5最后显示最近发生的故障。
室外故障显示KF-120保护及故障检测1 压缩机保护* 压缩机启动间隔时间大于等于3分钟;* 首次上电或按关机键重新开机延时为55秒。
2 制冷剂泄漏保护压缩机开机5分钟时,计算T 2(蒸发器温度)T 1(室内温度)的差值,如果差值小于3℃,并连续2分钟都小于3℃则判为制冷剂泄漏。
停止并禁止开机,故障灯闪。
(不可恢复)3 T 3(室外散热器温度探头)开路保护、短路保护如果T 3的A/D 值大于F6H 值,并连续5s 判T 3开路。
T 3的A/D 值小于10H ,并连续5s 判T 3短路。
停机并禁止开机同时故障灯闪。
(不可恢复) 4 T 2(室内蒸发器温度探头)开路保护、短路保护如果T 2的A/D 值小于40H ,则判T 2开路,T 2的A/D 值大于F8H ,判T 2短路,停机并禁止开机,同时故障灯闪。
(可恢复) 5 T 1(室内环境温度探头)开路保护、短路保护如果T 1的A/D 值小于40H ,则判T 1开路,T 1的A/D 值大于F8H ,判T 1短路,停机并禁止开机,同时故障灯闪。
(可恢复) 6 高压保护如果高压过高,停机并禁止开机,同时故障灯闪。
(不可恢复) 7 低压保护如果低压过低(压缩机开后3分钟内连续1分钟低压力,或3分钟外连续5秒低压力,整个化霜过程不判),停机并禁止开机,同时故障灯闪。
(不可恢复) 8 相序,缺相保护三相电源相序错,在通电10秒后故障灯闪。
(不可恢复)如果缺掉进线电源棕线相室内主板无电,整机不工作。
空调常见故障代码介绍空调常见故障代码解决方法【详解】无论是什么品牌的空调,在使用的时候出现故障是在所难免的,而在空调出现故障的时候,一般都会显示相对应的一些故障代码,来告诉我们故障的具体原因,帮助我们可以更好的辨别故障,方便更快的解决这个问题。
而小编今天为了大家可以更好的了解空调故障代码方面的情况,就来为大家介绍下现在比较常见的一些空调故障代码,希望大家可以作为参考进行了解,在我们以后使用空调的时候可以更好的辨别故障原因,并更快速的加以解决。
A1为室内机印刷电路板不良,A3排水水位系统异常。
A7摆动电机锁定,C4热交换器温度感应器系统异常。
C9吸入空气温度感应器系统异常,E0保护装置动作。
室外机E3高压异常。
室外机 E4低压异常。
室外F3排水管温度异常。
室外机H3高压开关故障。
室外机H9外气温度感应器系统异常。
室外机J3排出管温度感应器系统异常。
室外机 J6热交换器温度感应器系统异常。
故障代码故障原因A6风扇系统故障,风扇电机有问题。
C4室外管温热敏电阻有故障,C9室外微风热敏电阻有故障。
U4室内机与室外控制线接触不良或接错。
U5室内机与遥控器接触不良。
E5过载可压缩机超负荷运行。
E3高压过高使压力继电器断开保护,H3高压控制器本身有故障。
H9室外温度传感器本身有问题。
J6热交换器的感温器有故障。
P3电气箱内的感温器有故障。
错误代码e5表示:室外机压缩机瞬时电流过大,解释是接地不好或压缩机短路,估计室外机有漏电的可能性。
看内外热交是否过脏,内外风机是否异常,拔掉压缩机连接线看是否还显示故障代码,否则查变频板。
大家在购买空调使用的时候,故障问题是在所难免的,而小编在上面为大家介绍的这些空调故障代码的情况,大家一定要仔细了解这方面的情况。
在以后如果大家在使用空调的时候遇到故障的话,大家可以根据空调提示的故障代码来判定故障的原因,从而让我们大家在实际排除故障的时候可以节约更多的时间,以免影响我们大家的日常空调使用效果。
长虹空调故障代码大全KFR-120L/WD3S"长虹空调故障代码大全KFR-120W/WDS"1 外机不工作不通电ZNR201短路(引起烧保险)2 不工作(F5故障)F5故障R240、R241开路,D222、D 201、IC205、IC211失效3 不工作(E2故障)E2故障Q203、Q205、Q204、D210、D226、Q211失效长虹空调故障代码大全KFR-120L/MAS1 不工作外机动作,室内机不工作D41、D42开路2 不工作(无内机通讯)E1故障Q7、Q8失效长虹空调故障代码大全KFR-120W/MAS1 不工作(P5故障)P5故障R28、R31开路,D4、D5、P C5、PC6、Q7、Q8失效2 不工作(E4故障)E4故障L1、Q10失效"长虹空调故障代码大全KFR-71LW/M长虹空调故障代码大全KFR-120LW/MAS(三洋)"1 不工作(P6故障,显示异常或无通信)P6故障或无通讯或显示异常S1、S2、S3、S4、S5、S6等开关位置错误或氧化后接触不良长虹空调故障代码大全KFR-50W/WBQ1 不工作(P4故障)P4故障VD311、VD310、VD309、V D312失效(其中一个或几个)2 不通电不通电IC307、VD307短路,R321开路"KFR-51(71)L/DFS(FS系列相同)" 1 不工作(不叫,传感无温度,不通电)不叫,无传感器温度,不通电D201失效2 不工作(不叫)不叫V201短路3 显示异常漏光VD201短路4 不工作(E1故障)E1故障V202短路,D201失效"长虹空调故障代码大全KFR-71L/WDAS(1、2条也适合于KFR-50L/WDCS)" 1 不工作(传感器温度异常)传感器温度异常CN301失效2 不通电不通电D101失效,L101开路,F101开路3 不工作(F1故障)F1故障E301失效,R310开路4 不工作(F2故障)F2故障E302失效,R311开路5 不工作(F3故障)F3故障E303失效,R315开路,XS3 06处零线炸开长虹空调故障代码大全KFR-28GW/BC31 不制热(冷)且手动关机后运行灯闪无通讯D108、D109烧坏,VD501、D500、D501烧坏,R57开路,T01、D101模块失效长虹空调故障代码大全KFR-25(28)(40)G/BQ1 不开机不通电R01、R02开路,IC01失效2 不制热(冷)无通讯C501失效长虹空调故障代码大全KFR-40(+25)W/BQ1 不制热(冷)且灯闪不通电Q200、DB01、IC101失效,F 01开路2 不制热(冷)且灯闪开机保护IC203、IC204、IC205、IC 207、IC200、IC201失效3 不制热(冷)且灯闪开机保护C302、C308、C312缺损/开路,Q302、Q303、Q304、Q30 5、Q306、Q307参数异常4 制热(冷)效果不好电子膨胀阀切换异常IC11开路,IC1 4开路(副板)"长虹空调故障代码大全KFR-36GW/BMF长虹空调故障代码大全KFR-40GW/BM"1 运行灯闪且不开机运行灯闪E2PROM插座氧化2 运行灯闪,手动关机后1灯直亮运行灯闪PC10、PC11、IC14、T11失效,R42开路3 运行灯闪,手动关机后2灯直亮运行灯闪D29、C52、C5 9、C60、C61模块失效,PC13~PC18失效长虹空调故障代码大全KFR-32G/DL1 运行灯闪长鸣传感器电路异常2 运行灯闪制热后运行灯闪CPU坏长虹空调故障代码大全KFR-30GW/WDS1 整机工作异常(运行一会儿停机)运行一会儿停机D101失效(+5V对地短路)2 整机不工作不启动R109开路(+24V、+12V、+5V正常)长虹空调故障代码大全KFR-34GW/WCS1 遥控不开机不遥控C115参数失调2 三灯闪且不开机三灯闪D107程序丢失3 能遥控但不开机且手动不开机手动不开机S101失效长虹空调故障代码大全KFR-32GW/A11 不通电不通电D105失效〈+12V偏低,无+5V,D105发热〉2 关机后压缩机不停压缩机一直转(D106第16脚一直处于低电平)D106失效"KFR-32G/DC2(适用于DC2、DC3系列)" 1 不通电不通电变压器开路FS、DFS系列控制面板1 不工作(不叫)不叫V101、V10 2、V103、D101失效2 显示异常漏光D103失效,C105失效3 不工作E1故障V101、V103、D101失效KFR-71L/WDAS、KFR-50L/WDCS、KFR-60L/DXS、DA系列控制面板1 不工作(不叫)不叫V201、V202、V203失效及D101失效2 不通电不显示C101短路,G301、D101失效"KFR-75L/WD3SKFR-120L/WDS控制面板" 1 按键全无作用按键失效K301开路或IC301失效,K301位置不正确2 不工作(不叫)不叫Q303、Q306、IC301失效3 不通电不通电IC301、IC302、X301、D311、C312失效KFR-71L/D控制面板1 不工作(不叫)不叫Q302、Q303、Q304、Q305、IC301失效2 无夜光无夜光Q307、RG301、R335、背光源、IC301失效"KFR-51L/D(KFR-48L基本相同)" 1 不工作(不叫)不叫Q303、Q3 02、Q305、Q306、IC301失效2 不通电不通电IC303、IC301、X301、IC302、C312、C3 18失效长虹:机型代码可能故障原因F1 室内温度传感器异常F2 室内盘管温度传感器异常F3 室外环境温度传感器异常KFR-45LW/WDQ F4 室外盘管温度传感器异常KFR-45LW/WBQ F5 压缩机排气温度传感器异常KFR-50LW/WBQ P1 压缩机排气温度传感器异常P2 CT电流异常P4 JPM故障保护. P5 四通阀切换异常E1 室内主控板与控制面板之间通讯异常E2 室内主控板与室外控制板之间通讯异常E1 主控板与面板之间通讯错误E2 主控板与室外板之间通讯错误F1 高压开关保护F2 室外风扇电机热保护器动作KF-75LW/WDS F3 室内风扇电机热保护器动作KF-75W/W3S F4 低压开关保护KFR-75LW/WDES F5 逆相保护KFR-120LW/WDS F6 缺相保护KF-120LW/WS H1 压缩机过电流保护H2 压缩机堵转保护H3 检测不到压缩机电流P1 制冷过载保护P2 制热过载保护P3 系统异常保护P4 自动模式下室内温度传感器异常无显示制冷剂不足E1 控制面板测到从室内机传来的异常信息E2 控制面板测到从室内机传来的异常信息E3 室内机测到从控制面板传来的异常信息E4 室内机测到从室外机传来的异常信息E5 室内机测到从室外机传来的异常信息E6 室外机测到从室内机传来的异常信息E7 室外机测到从室内机传来的异常信息P1 室内风扇电机热保护器动作P2 室外风扇电机与压缩机热保护器动作KFR-120LW/M P3 排气温度异常KFR-120LW/MAS P4 高压开关动作KFR-71LW/M P5 逆相保护(对KFR-71LW/M是主控板上开关位置设置错误)P6 室内机与室外机的模式不兼?F1 室内机热敏电阻断路或者受损F2 室内机热敏电阻断路或者受损F4 室外机热敏电阻断路或者受损F5 室外机热敏电阻断路或者受损F6 室外机热敏电阻断路或者受损F7 室外机热敏电阻断路或者受损F8 室外机热敏电阻断路或者受损H1 压缩机电机过流H2 压缩机电机堵转H3 压缩机电流检测异常H6 低压开关动作H7 连接室内机和室外机线路或管道接错E1 通讯异常48LWP1 制冷过载60系列P2 制热过载51系列P3 系统异常保护P4 自动模式下室内温度传感器异常KFR-7ILW/D E1 通信异常KFR-71LW/WD P1 制冷过载KF-71LW P2 制热过载P3 系统异常保护P4 自动模式室内温度传感器异常F1 高压开关保护(序号线接错或断裂,控制板上光藕或R205损坏)F2 室外风扇电机热保护(热保护器坏,控制板上光藕或R205损坏)F3 室内风扇电机热保护(热保护器坏,控制板上光藕或R205损坏)KFR-50LWWDFB E1 通信异常KF-50LWWDF P1 制冷过载KF-60LWWDF P2 制热过载KF-71LWWDF F1 高压开关保护KFR-51LWWDFB F2 室外风扇电机热保护KFR-60LWWDFB F3 室内风扇电机热保护F7 温度传感器损坏或异常F8 系统保护异常机型代码可能故障原因F1 室内温度传感器异常F2 室内盘管温度传感器异常F3 室外环境温度传感器异常KFR-45LW/WDQ F4 室外盘管温度传感器异常KFR-45LW/WBQ F5 压缩机排气温度传感器异常KFR-50LW/WBQ P1 压缩机排气温度传感器异常P2 CT电流异常P4 JPM故障保护P5 四通阀切换异常E1 室内主控板与控制面板之间通讯异常E2 室内主控板与室外控制板之间通讯异常E1 主控板与面板之间通讯错误. E2 主控板与室外板之间通讯错误F1 高压开关保护F2 室外风扇电机热保护器动作KF-75LW/WDS F3 室内风扇电机热保护器动作KF-75W/W3S F4 低压开关保护KFR-75LW/WDES F5 逆相保护KFR-120LW/WDS F6 缺相保护KF-120LW/WS H1 压缩机过电流保护H2 压缩机堵转保护H3 检测不到压缩机电流P1 制冷过载保护P2 制热过载保护P3 系统异常保护P4 自动模式下室内温度传感器异常无显示制冷剂不足E1 控制面板测到从室内机传来的异常信息E2 控制面板测到从室内机传来的异常信息E3 室内机测到从控制面板传来的异常信息E4 室内机测到从室外机传来的异常信息E5 室内机测到从室外机传来的异常信息E6 室外机测到从室内机传来的异常信息E7 室外机测到从室内机传来的异常信息P1 室内风扇电机热保护器动作P2 室外风扇电机与压缩机热保护器动作KFR-120LW/M P3 排气温度异常KFR-120LW/MAS P4 高压开关动作KFR-71LW/M P5 逆相保护(对KFR-71LW/M是主控板上开关位置设置错误)P6 室内机与室外机的模式不兼?F1 室内机热敏电阻断路或者受损F2 室内机热敏电阻断路或者受损F4 室外机热敏电阻断路或者受损F5 室外机热敏电阻断路或者受损F6 室外机热敏电阻断路或者受损F7 室外机热敏电阻断路或者受损F8 室外机热敏电阻断路或者受损H1 压缩机电机过流H2 压缩机电机堵转H3 压缩机电流检测异常H6 低压开关动作H7 连接室内机和室外机线路或管道接错E1 通讯异常48LW P1 制冷过载60系列P2 制热过载51系列P3 系统异常保护P4 自动模式下室内温度传感器异常KFR-7ILW/D E1 通信异常KFR-71LW/WD P1 制冷过载KF-71LW P2 制热过载P3 系统异常保护P4 自动模式室内温度传感器异常F1 高压开关保护(序号线接错或断裂,控制板上光藕或R205损坏)F2 室外风扇电机热保护(热保护器坏,控制板上光藕或R205损坏)F3 室内风扇电机热保护(热保护器坏,控制板上光藕或R205损坏)KFR-50LWWDFB E1 通信异常KF-50LWWDF P1 制冷过载KF-60LWWDF P2 制热过载KF-71LWWDF F1 高压开关保护KFR-51LWWDFB F2 室外风扇电机热保护KFR-60LWWDFB F3 室内风扇电机热保护F7 温度传感器损坏或异常F8 系统保护异常机型序号整机故障现象印制板故障现象故障位号"KFR-36GW/D(KFR-35GW/WDS与其基本相同)" 1 不通电不通电D1-D4、D5、D6、D9短路,IC6短路,保险管开路2 无风电机不转DC10变质3 无风电机抖动,无+8.2V 调节R284 压缩机工作一会停机无压缩机CT电流CT1开路大清快EQ系列 1 不通电(通电指示灯不亮)不通电C1、C4、C19变质,T1、R4、R60开路,VDZ2、D3、VD4、VD6、VD3、VD2、VD16、VD17、VC1短路2 无风遥控大电机不转VD1、VD15、D6、V3、R10失效3 工作一会停机,指示灯闪工作一会电机停,指示灯闪V2变质4 不工作不通电(无晶振电压)C10、C11变质"KFR-28GW/BP模块(KFR-28GW/BMF同)" 1 室外压缩机不启动压机不动模块短路或参数失调及开路2 外机不工作外机不通电E2失效,BT1、R2开路,Z1短路"KFR-28G/BP(KFR-28G/BMF同)室内主板" 1 不停机通电室内电机就转C503、IC203失效2 不通电不通电F504、RL401失效3 室内机不工作电机不转DQ201失效KFR-28W/BMF 1 室外机不工作不通电F101、F102、RT20 1开路,K505失效2 室外压缩机不工作压缩机不启动D303、D301失效,R50 4、R509开路,D403、T202失效3 外机不工作(无通讯)外机不动L102、C207、C205、D4 00、D402失效,D303失效KFR-28W/BP 1 室外风扇不转风机不转C501变质,RL502、RL503、IC401失效2 外机不通电不通电FUSE101、FUSE102、PTC501开路3 室外压缩机不工作压缩机不动R504、R509、BT202、PC 401失效4 不工作(无通讯)无通讯PC400、PC402失效,R502开路5 工作一会停机压缩机启动一会就停BT202、C207、C205失效KFR-60L/WDES 1 不工作E1故障V104、V105变质或虚焊KFR-71L/WDS 1 不通电不通电IC102、IC103失效,L102、D122开路2 不工作不叫(E1故障)Q104、Q105变质3 不工作(F1故障)F1故障高压开关坏,R205开路,D20 2、IC202失效4 不工作(F2故障)F2故障外风机坏,R201开路,D201、IC201失效5 不工作(F3故障)F3故障内风机坏,R209开路,D203、IC203失效"KFR-75L/WD3SKFR-120L/WD3S" 1 不工作(E2故障)E2故障Q106、Q107、Q108、Q109、D115、D116、PC101失效2 不工作(E1故障)E1故障Q103、Q104、D103失效3 不工作(F3故障)F3故障R121、D107、PC102失效"KFR-75W/WD3SKFR-120W/WDS" 1 外机不工作不通电ZNR201短路(引起烧保险)2 不工作(F5故障)F5故障R240、R241开路,D222、D 201、IC205、IC211失效3 不工作(E2故障)E2故障Q203、Q205、Q204、D210、D226、Q211失效KFR-120L/MAS 1 不工作外机动作,室内机不工作D41、D 42开路2 不工作(无内机通讯)E1故障Q7、Q8失效KFR-120W/MAS 1 不工作(P5故障)P5故障R28、R31开路,D4、D5、PC5、PC6、Q7、Q8失效2 不工作(E4故障)E4故障L1、Q10失效"KFR-71LW/MKFR-120LW/MAS(三洋)" 1 不工作(P6故障,显示异常或无通信)P6故障或无通讯或显示异常S1、S2、S3、S4、S5、S6等开关位置错误或氧化后接触不良KFR-50W/WBQ 1 不工作(P4故障)P4故障VD311、VD 310、VD309、VD312失效(其中一个或几个)2 不通电不通电IC307、VD307短路,R321开路"KFR-51(71)L/DFS(FS系列相同)" 1 不工作(不叫,传感无温度,不通电)不叫,无传感器温度,不通电D201失效2 不工作(不叫)不叫V201短路3 显示异常漏光VD201短路4 不工作(E1故障)E1故障V202短路,D201失效"KFR-71L/WDAS(1、2条也适合于KFR-50L/WDCS)" 1 不工作(传感器温度异常)传感器温度异常CN301失效2 不通电不通电D101失效,L101开路,F101开路3 不工作(F1故障)F1故障E301失效,R310开路4 不工作(F2故障)F2故障E302失效,R311开路5 不工作(F3故障)F3故障E303失效,R315开路,XS3 06处零线炸开KFR-28GW/BC3 1 不制热(冷)且手动关机后运行灯闪无通讯D108、D109烧坏,VD501、D500、D501烧坏,R57开路,T01、D101模块失效KFR-25(28)(40)G/BQ 1 不开机不通电R01、R02开路,IC01失效2 不制热(冷)无通讯C501失效KFR-40(+25)W/BQ 1 不制热(冷)且灯闪不通电Q200、DB01、IC101失效,F01开路2 不制热(冷)且灯闪开机保护IC203、IC204、IC205、IC 207、IC200、IC201失效3 不制热(冷)且灯闪开机保护C302、C308、C312缺损/开路,Q302、Q303、Q304、Q30 5、Q306、Q307参数异常4 制热(冷)效果不好电子膨胀阀切换异常IC11开路,IC1 4开路(副板)"KFR-36GW/BMFKFR-40GW/BM" 1 运行灯闪且不开机运行灯闪E2PROM插座氧化2 运行灯闪,手动关机后1灯直亮运行灯闪PC10、PC11、IC14、T11失效,R42开路3 运行灯闪,手动关机后2灯直亮运行灯闪D29、C52、C5 9、C60、C61模块失效,PC13~PC18失效KFR-32G/DL 1 运行灯闪长鸣传感器电路异常2 运行灯闪制热后运行灯闪CPU坏KFR-30GW/WDS 1 整机工作异常(运行一会儿停机)运行一会儿停机D101失效(+5V对地短路)2 整机不工作不启动R109开路(+24V、+12V、+5V正常)KFR-34GW/WCS 1 遥控不开机不遥控C115参数失调2 三灯闪且不开机三灯闪D107程序丢失3 能遥控但不开机且手动不开机手动不开机S101失效KFR-32GW/A1 1 不通电不通电D105失效〈+12V偏低,无+5V,D105发热〉2 关机后压缩机不停压缩机一直转(D106第16脚一直处于低电平)D106失效"KFR-32G/DC2(适用于DC2、DC3系列)" 1 不通电不通电变压器开路FS、DFS系列控制面板1 不工作(不叫)不叫V101、V10 2、V103、D101失效2 显示异常漏光D103失效,C105失效3 不工作E1故障V101、V103、D101失效KFR-71L/WDAS、KFR-50L/WDCS、KFR-60L/DXS、DA系列控制面板1 不工作(不叫)不叫V201、V202、V203失效及D101失效2 不通电不显示C101短路,G301、D101失效"KFR-75L/WD3SKFR-120L/WDS控制面板" 1 按键全无作用按键失效K301开路或IC301失效,K301位置不正确2 不工作(不叫)不叫Q303、Q306、IC301失效3 不通电不通电IC301、IC302、X301、D311、C312失效KFR-71L/D控制面板1 不工作(不叫)不叫Q302、Q303、Q304、Q305、IC301失效2 无夜光无夜光Q307、RG301、R335、背光源、IC301失效"KFR-51L/D(KFR-48L基本相同)" 1 不工作(不叫)不叫Q303、Q3 02、Q305、Q306、IC301失效2 不通电不通电IC303、IC301、X301、IC302、C312、C3 18失效机型代码可能故障原因F1 室内温度传感器异常F2 室内盘管温度传感器异常F3 室外环境温度传感器异常KFR-45LW/WDQ F4 室外盘管温度传感器异常KFR-45LW/WBQ F5 压缩机排气温度传感器异常KFR-50LW/WBQ P1 压缩机排气温度传感器异常P2 CT电流异常P4 JPM故障保护P5 四通阀切换异常E1 室内主控板与控制面板之间通讯异常E2 室内主控板与室外控制板之间通讯异常E1 主控板与面板之间通讯错误E2 主控板与室外板之间通讯错误F1 高压开关保护F2 室外风扇电机热保护器动作KF-75LW/WDS F3 室内风扇电机热保护器动作KF-75W/W3S F4 低压开关保护KFR-75LW/WDES F5 逆相保护KFR-120LW/WDS F6 缺相保护KF-120LW/WS H1 压缩机过电流保护H2 压缩机堵转保护H3 检测不到压缩机电流P1 制冷过载保护P2 制热过载保护P3 系统异常保护P4 自动模式下室内温度传感器异常无显示制冷剂不足E1 控制面板测到从室内机传来的异常信息E2 控制面板测到从室内机传来的异常信息E3 室内机测到从控制面板传来的异常信息E4 室内机测到从室外机传来的异常信息E5 室内机测到从室外机传来的异常信息E6 室外机测到从室内机传来的异常信息. E7 室外机测到从室内机传来的异常信息P1 室内风扇电机热保护器动作P2 室外风扇电机与压缩机热保护器动作KFR-120LW/M P3 排气温度异常KFR-120LW/MAS P4 高压开关动作KFR-71LW/M P5 逆相保护(对KFR-71LW/M是主控板上开关位置设置错误)P6 室内机与室外机的模式不兼?F1 室内机热敏电阻断路或者受损F2 室内机热敏电阻断路或者受损F4 室外机热敏电阻断路或者受损. F5 室外机热敏电阻断路或者受损F6 室外机热敏电阻断路或者受损F7 室外机热敏电阻断路或者受损F8 室外机热敏电阻断路或者受损H1 压缩机电机过流H2 压缩机电机堵转H3 压缩机电流检测异常H6 低压开关动作H7 连接室内机和室外机线路或管道接错E1 通讯异常48LW P1 制冷过载60系列P2 制热过载51系列P3 系统异常保护P4 自动模式下室内温度传感器异常KFR-7ILW/D E1 通信异常KFR-71LW/WD P1 制冷过载KF-71LW P2 制热过载P3 系统异常保护P4 自动模式室内温度传感器异常F1 高压开关保护(序号线接错或断裂,控制板上光藕或R205损坏)F2 室外风扇电机热保护(热保护器坏,控制板上光藕或R205损坏)F3 室内风扇电机热保护(热保护器坏,控制板上光藕或R205损坏)KFR-50LWWDFB E1 通信异常KF-50LWWDF P1 制冷过载KF-60LWWDF P2 制热过载KF-71LWWDF F1 高压开关保护KFR-51LWWDFB F2 室外风扇电机热保护KFR-60LWWDFB F3 室内风扇电机热保护F7 温度传感器损坏或异常F8 系统保护异常机型序号整机故障现象印制板故障现象故障位号"KFR-36GW/D(KFR-35GW/WDS与其基本相同)" 1 不通电不通电D1-D4、D5、D6、D9短路,IC6短路,保险管开路2 无风电机不转DC10变质3 无风电机抖动,无+8.2V 调节R284 压缩机工作一会停机无压缩机CT电流CT1开路大清快EQ系列 1 不通电(通电指示灯不亮)不通电C1、C4、C19变质,T1、R4、R60开路,VDZ2、D3、VD4、VD6、VD3、VD2、VD16、VD17、VC1短路2 无风遥控大电机不转VD1、VD15、D6、V3、R10失效3 工作一会停机,指示灯闪工作一会电机停,指示灯闪V2变质4 不工作不通电(无晶振电压)C10、C11变质"KFR-28GW/BP模块(KFR-28GW/BMF同)" 1 室外压缩机不启动压机不动模块短路或参数失调及开路2 外机不工作外机不通电E2失效,BT1、R2开路,Z1短路"KFR-28G/BP(KFR-28G/BMF同)室内主板" 1 不停机通电室内电机就转C503、IC203失效2 不通电不通电F504、RL401失效3 室内机不工作电机不转DQ201失效KFR-28W/BMF 1 室外机不工作不通电F101、F102、RT20 1开路,K505失效2 室外压缩机不工作压缩机不启动D303、D301失效,R50 4、R509开路,D403、T202失效3 外机不工作(无通讯)外机不动L102、C207、C205、D4 00、D402失效,D303失效KFR-28W/BP 1 室外风扇不转风机不转C501变质,RL502、RL503、IC401失效2 外机不通电不通电FUSE101、FUSE102、PTC501开路3 室外压缩机不工作压缩机不动R504、R509、BT202、PC 401失效4 不工作(无通讯)无通讯PC400、PC402失效,R502开路5 工作一会停机压缩机启动一会就停BT202、C207、C205失效KFR-60L/WDES 1 不工作E1故障V104、V105变质或虚焊KFR-71L/WDS 1 不通电不通电IC102、IC103失效,L102、D122开路2 不工作不叫(E1故障)Q104、Q105变质3 不工作(F1故障)F1故障高压开关坏,R205开路,D20 2、IC202失效4 不工作(F2故障)F2故障外风机坏,R201开路,D201、IC201失效5 不工作(F3故障)F3故障内风机坏,R209开路,D203、IC203失效"KFR-75L/WD3SKFR-120L/WD3S" 1 不工作(E2故障)E2故障Q106、Q107、Q108、Q109、D115、D116、PC101失效2 不工作(E1故障)E1故障Q103、Q104、D103失效3 不工作(F3故障)F3故障R121、D107、PC102失效"KFR-75W/WD3SKFR-120W/WDS" 1 外机不工作不通电ZNR201短路(引起烧保险)2 不工作(F5故障)F5故障R240、R241开路,D222、D 201、IC205、IC211失效3 不工作(E2故障)E2故障Q203、Q205、Q204、D210、D226、Q211失效KFR-120L/MAS 1 不工作外机动作,室内机不工作D41、D 42开路2 不工作(无内机通讯)E1故障Q7、Q8失效KFR-120W/MAS 1 不工作(P5故障)P5故障R28、R31开路,D4、D5、PC5、PC6、Q7、Q8失效2 不工作(E4故障)E4故障L1、Q10失效"KFR-71LW/MKFR-120LW/MAS(三洋)" 1 不工作(P6故障,显示异常或无通信)P6故障或无通讯或显示异常S1、S2、S3、S4、S5、S6等开关位置错误或氧化后接触不良KFR-50W/WBQ 1 不工作(P4故障)P4故障VD311、VD 310、VD309、VD312失效(其中一个或几个)2 不通电不通电IC307、VD307短路,R321开路"KFR-51(71)L/DFS(FS系列相同)" 1 不工作(不叫,传感无温度,不通电)不叫,无传感器温度,不通电D201失效2 不工作(不叫)不叫V201短路3 显示异常漏光VD201短路4 不工作(E1故障)E1故障V202短路,D201失效"KFR-71L/WDAS(1、2条也适合于KFR-50L/WDCS)" 1 不工作(传感器温度异常)传感器温度异常CN301失效2 不通电不通电D101失效,L101开路,F101开路3 不工作(F1故障)F1故障E301失效,R310开路4 不工作(F2故障)F2故障E302失效,R311开路5 不工作(F3故障)F3故障E303失效,R315开路,XS3 06处零线炸开KFR-28GW/BC3 1 不制热(冷)且手动关机后运行灯闪无通讯D108、D109烧坏,VD501、D500、D501烧坏,R57开路,T01、D101模块失效KFR-25(28)(40)G/BQ 1 不开机不通电R01、R02开路,IC01失效2 不制热(冷)无通讯C501失效KFR-40(+25)W/BQ 1 不制热(冷)且灯闪不通电Q200、DB01、IC101失效,F01开路2 不制热(冷)且灯闪开机保护IC203、IC204、IC205、IC 207、IC200、IC201失效3 不制热(冷)且灯闪开机保护C302、C308、C312缺损/开路,Q302、Q303、Q304、Q30 5、Q306、Q307参数异常4 制热(冷)效果不好电子膨胀阀切换异常IC11开路,IC1 4开路(副板)"KFR-36GW/BMFKFR-40GW/BM" 1 运行灯闪且不开机运行灯闪E2PROM插座氧化2 运行灯闪,手动关机后1灯直亮运行灯闪PC10、PC11、IC14、T11失效,R42开路3 运行灯闪,手动关机后2灯直亮运行灯闪D29、C52、C5 9、C60、C61模块失效,PC13~PC18失效KFR-32G/DL 1 运行灯闪长鸣传感器电路异常2 运行灯闪制热后运行灯闪CPU坏KFR-30GW/WDS 1 整机工作异常(运行一会儿停机)运行一会儿停机D101失效(+5V对地短路)2 整机不工作不启动R109开路(+24V、+12V、+5V正常)KFR-34GW/WCS 1 遥控不开机不遥控C115参数失调2 三灯闪且不开机三灯闪D107程序丢失3 能遥控但不开机且手动不开机手动不开机S101失效KFR-32GW/A1 1 不通电不通电D105失效〈+12V偏低,无+5V,D105发热〉2 关机后压缩机不停压缩机一直转(D106第16脚一直处于低电平)D106失效"KFR-32G/DC2(适用于DC2、DC3系列)" 1 不通电不通电变压器开路FS、DFS系列控制面板1 不工作(不叫)不叫V101、V10 2、V103、D101失效2 显示异常漏光D103失效,C105失效3 不工作E1故障V101、V103、D101失效KFR-71L/WDAS、KFR-50L/WDCS、KFR-60L/DXS、DA系列控制面板1 不工作(不叫)不叫V201、V202、V203失效及D101失效2 不通电不显示C101短路,G301、D101失效"KFR-75L/WD3SKFR-120L/WDS控制面板" 1 按键全无作用按键失效K301开路或IC301失效,K301位置不正确2 不工作(不叫)不叫Q303、Q306、IC301失效3 不通电不通电IC301、IC302、X301、D311、C312失效KFR-71L/D控制面板1 不工作(不叫)不叫Q302、Q303、Q304、Q305、IC301失效2 无夜光无夜光Q307、RG301、R335、背光源、IC301失效"KFR-51L/D(KFR-48L基本相同)" 1 不工作(不叫)不叫Q303、Q3 02、Q305、Q306、IC301失效.2 不通E1-----E7串行通信信号传送接收错误。
摘要:感觉好久没有更新过空调代码大全,上次更新代码大全的时候,怕篇幅长小伙伴们阅读累,就跟新某一类的,比如海信空调,结果有网友留言说过时了,太老了,没有用过,甚至有也说连法海都不相信的,后来更新其他的空调代码,又有网友说谁说海信不好,为什么不更新多一点海信,小编我真的感觉一把刀扎在胸口,,,不过也有挺实在的网友说,要格力的,谢谢,要三棱重工,美的等等,所以今天小编我豁出去了,一口气更新格力、美的、三棱重工、特灵等等空调大码大全,喜欢的可以收藏一下,希望对大家有帮助。
格力空调故障代码大全格力故障E代码:E1错误代表系统高压保护E2错误代表内侧防冻结保护E3错误代表系统低压保护E4错误代表压缩机排气保护E5错误代表低电压过流保护E6错误代表通讯故障E7错误代表逆缺相保护E8错误代表防高温保护E9错误代表防冷风保护E0错误代表整机交流电压下降降频。
如果格力空调面板上出现E代码的话,大部分都是不需要联系售后服务人员上门检修的,比较简单的处理方法是关闭空调内机,等待一段时间之后重新开机,问题就能自行解决,特别是高温保护等故障,一般是由于运行时间过长,或者是频繁开关机导致的。
格力故障H代码:H1错误代表正在化霜H2错误代表静电除尘保护H3错误代表压缩机过载保护H4错误代表系统异常H5错误代表模块保护H6错误代表无室内电机反馈H7错误代表同步失败H8错误代表水满保护H9错误代表电加热管故障H0错误代表制热防高温降频如果格力空调面板上出现H代码的话,那么要视代码的提示数字来决定解决方法,H1至H8错误的解决方法可以同E代码一样,通过重启空调的方式进行解决,如果是H9或者H0错误的话,那么可能是内部零件损坏,需要联系售后服务部门上门检修。
格力故障C代码 :C1错误代表故障电弧保护C2错误代表漏电保护C3错误代表接错线保护C5错误代表跳帽故障保护C6错误代表无地线。
格力空调如果在使用过程中出现C字头的代码错误,那么一般都是比较严重的问题了,在这种情况下一定要首先关闭空调,然后断开空调的电源连接系统,即时拨打格力空调的售后服务热线,安排专业的检修人员上门进行检修。
- 2 -安全指南在开始操作前务必仔细阅读本手册在开始操作前务必仔细阅读本手册在开始操作前务必仔细阅读本手册!! !只有合格人员才允许安装和使用本产品。
合格人员是指经过培训,并按既定安全惯例和标准进行安装,调试和使用的人员。
本手册包括了保证人身安全与保护本产品应遵守的注意事项。
这些注意事项在手册中以三角形警告图标加以突出。
免责声明免责声明我们已核对过本手册的内容。
由于差错难以完全避免,我们不能保证和所描述的产品完全一致,我们会检查经常手册的内容,并在后续的编辑中进行必要的更正。
技术数据如有改动,恕不另行通知。
目录目录.............................................................................................................................................................................- 3 -1. 概述 (5)简介 (5)应用 (5)特性 (5)相关标准 (6)系统配件 (6)2. 物料搬运车 (7)3.基础 (8)控制器 (8)机械安装要求 (9)电气连接要求 (9)典型接线图 (10)A. 配840系列仪表 (10)B. 配enGage系列仪表 (11)技术规格 (12)可编程参数 (12)1311手持编程器 (13)加速器 (14)电机 (14)电池 (15)4. 检测 (16)4.1 菜单检测 (16)4.1.1 加速器输入检测 (16)4.1.2 方向输入检测 (16)4.1.3 主接触器检测 (17)4.2 万用表检测 (18)5. 调试 (19)5.1 基本参数设置 (19)5.1.1 电机参数设置 (19)5.1.2 限流参数设置 (19)5.1.3 电池参数设置 (19)5.1.4 主接触器参数设置 (20)5.1.5 电磁刹车参数设置 (20)5.1.6 加速器参数设置 (20)5.1.7 刹车加速器参数设置 (21)5.1.8 当前故障检查 (21)5.1.9 紧急方向参数设置 (22)5.1.10 互锁刹车参数设置 (22)5.1.11 控制模式参数设置 (23)5.1.12 泵电机参数设置 (23)- 3 -5.2 控制器和电机匹配 (24)5.2.1 电机匹配 (24)5.2.2 最大牵引力测试 (25)5.2.3 拐点测试 (25)5.2.4 车速设置 (25)6. 测量 (26)6.1 限流参数设置 (26)6.2 测量前期准备 (26)6.3 测量和记录 (26)附录 (27)1.参数菜单(表3) (27)2.监控菜单(表4) (43)3. 故障代码(表5) (47)4. 故障排查 (56)5. 注意事项 (57)- 4 -1. 概述简介科蒂斯1232/34/36/38电机速度控制器,通过先进的控制软件保证了电机在不同的模式下,都能平稳运行,包括全速和大扭矩状态下的再生制动,零速以及扭矩控制,专有的输入/输出端口及软件,保证了控制器对电磁制动和液压系统控制的经济性和高效率。
所在位置:技术中心---三洋空调故障代码---TCL空调故障代码一、KF(R)-34GW/E5:故障代码故障原因E1 室温热敏电阻短路或断路E2 室内管温热敏电阻短路或断路E3 室外管温热敏电阻短路或断路E4 控制器连续16秒未接到转速反馈信号E7 压缩机保护(压缩机连续运行7分钟,室内管温与室温相差在3℃以内时)二、KFR-25GW/JK2,KFR-34GW/JK2故障点故障显示症状验证方法检修接错线● ○●○●○●○重复亮1秒,灭1秒室外机不运转接通电源,继电器52C首次接通后,连续信号停止4~5秒☆检查连接导线☆检查室内机控制板☆检查室外机控制板☆检查电器部件连接信号● ○○○○○●○○○○○●○鹬馗戳?秒,灭2.5秒来自室外机的连续信号停止4~5秒管温、室温热敏电阻● ○●○○○○○●○●○○重复闪2次,灭2.5秒室外机不运转运行中将室温或管温电阻短路或开路2秒钟☆检查热敏电阻☆检查插座☆检查室内电路板室内风扇电机● ○●○●○○○○○●○●○●○○○重复闪3秒,灭2.5秒室内风扇重复出现转12秒停3分钟,风扇不运转在室内风扇电机运转12秒期间,不能发射转速反馈信号☆拔下插座CN211,测量CN121②-③之间,确认信号大于等于1.5V☆检查室内控制板☆检查室内风机☆检查插座室外化霜电阻● ○●○●○●○●○●○○○○○●○重复闪6秒,灭2.5秒室外机不运转压缩机起动后,除霜电阻接通或断开☆制冷量不足☆检查除霜电路板● :表示亮;○:表示灭三、KF-25GW/JK2,KF-35GW/JK2故障点故障显示症状验证方法检修管温、室温热敏电阻● ○●○○○○○●○●○○重复闪2次,灭2.5秒室外机不运转运行中将室温或管温电阻短路或开路2秒钟☆检查热敏电阻☆检查插座☆检查室内电路板室内风扇电机● ○●○●○○○○○●○●○●○○○重复闪3秒,灭2.5秒室内风扇重复出现转12秒停3分钟,风扇不运转在室内风扇电机运转12秒期间,不能发射转速反馈信号☆拔下插座CN211,测量CN121②-③之间,确认信号大于等于1.5V☆检查室内控制板☆检查室内风机☆检查插座四KFR-51LW/Aa2, KFR-51LW/Ba2故障显示部位故障部位原因解决措施27℃灯闪烁室外机结霜保护☆空气循环不畅☆室内机风扇电机不工作☆移去联物或清洗滤网☆检查室内风扇电机28℃灯闪烁室外机组☆室内、外机连接线错误☆检查接线☆检查室外机29℃灯闪烁管温热敏电阻☆插头接触不良☆热敏电阻陨坏☆检查接线☆检查热敏电阻☆检查室内控制板30℃灯闪烁室温热敏电阻☆插头接触不良☆热敏电阻陨坏☆检查接线☆检查热敏电阻☆检查室内控制板五:KFR-75LW/(S)2,KFR-120LW/(S)a2KFR-75LW/(S)2, KFR-120LW/(S)a2(1) 自检(以下指示灯闪烁)TUNER TEMP▽▽故障部位原因检修方法12—29室外机组☆室内、外机接线错误☆室外机检测到异常状态☆室外管温热敏电阻☆检测到反转相位☆检查接线☆检查室外机☆检查室外管温电阻11——28室温热敏电阻☆插头接触不良☆热敏电阻失灵☆检查接线☆检查热敏电阻☆检查室内控制板10——27室内管温热敏电阻☆插头接触不良☆热敏电阻失灵☆检查接线☆检查热敏电阻☆检查室内控制板7——24预防铜管结霜和过热☆空气循环不畅☆室内机风扇电机不工作☆移去障碍物或清洗滤网☆检查室内风扇电机(1——18亮表示空调正处于自检状态)(2)室外机故障代码闪烁的LED异常诊断原因检查方法LD1反相R、S和相接触不良检查电源输送电路LD2缺相☆S相断开☆电源接触时保护器触点断开☆检查电源输送电路☆检查各保护器LD3室外管温电阻异常(断路或短路)☆室外热敏电阻损坏☆热敏电阻接触不良☆检查热敏电阻☆检查插头和控制板LD4高压开关(63H2)☆高压开头接触不良☆高压开关发生作用☆检查高压开关和室外风扇电机☆制冷剂是否不足☆空气循环是非不畅LD5热继电器(51C)☆热继电器接触不良☆热敏电阻继电器工作☆检查热继电器、压缩机和电源LD6温度开关(26C)☆温度开关接触不良☆温度开关工作☆检查温度开关☆检查制冷剂是否充足☆毛细管是否阻塞LD7过热保护☆热敏电阻损坏☆管温超过67℃☆检查热敏电阻☆检查室外风扇电机☆检查空气循环是否受阻LD8室外控制板输入电路异常脉冲输入不正常检查室外机控制板六:KF-34JK3,KF-34GW/JK3, KFR-34GW/JK3室内管温传感器●○●○○○○○●○●○室内管温短路或断路1.5秒2.5秒室温传感器●○○○○○室内温传短路或断路2.5秒室内风扇●○●○● ○○○○○●○●○● 单片机12秒未接到转速反馈信号2.5秒2.5秒七:KFR-32GW /(B)1 23JK1 25JK故障定时灯(黄色)运行灯(绿色)室内机盘管温度传感器断亮闪亮1次/8秒室温传感器断亮闪亮2次/8秒室外机异常闪亮5次/8秒亮防结霜闪亮4次/8秒亮防冷风、化霜闪亮1次/2秒八: KFR-23JK5KF(R)-23GW/JK51、压缩机连续工作时间≥10min,盘管温度≥房间温度-5℃,转低速≥5min后仍盘管温度≥房间温度-5℃,则关闭空调。
TCM电动叉车-控制器故障码故障代码;故障内容;101;加速装置断线;102;行走马达电流传感异常;103;行走安全回路;105;逆流制动回路异常;106;控制器热敏开故障代码;故障内容;101;加速装置断线;102;行走马达电流传感异常;103;行走安全回路;105;逆流制动回路异常;106;控制器热敏开故障代码;故障内容;101;加速装置断线;102;行走马达电流传感异常;103;行走安全回路;105;逆流制动回路异常;106;控制器热敏开关异常;107;行驶电机电流异常;201;起开手柄传感器断线;202;起重马达电流异常;203;起重安全回路动作;301;加速装置断线;303;行驶安全回路动作;401;起开手柄传感器断线;403;起重安全回路动作;@@@@@@@@@@@@@@@@@@@@@#车辆设置(FR在VTM在充电机内)在VTM板上设置,将设置开关放到D位置;(1)将SW2 MODE按一下,LED上显示[P6]每安一次,[S4],[T4],[A4];用SW3 H加,用SW4 L减(2)关掉钥匙;恢复设置开关到D位;P.;加速电流;标准6;S.;速度;4;T.;倾斜速度;4;A.;属具;4;#计时器数据传送(限10小时上)(1)记录下时间备用;(2)设置开关到9位;确认LED显示[9-],打开钥匙;(3)按下MODE,LED显示[9-1],2-3秒后显示[9-1],一秒后开始传送,关闭钥匙可以中止,传送开始后[-1]..[1][2]...[H];(4)关闭一切电源,更换VTM;(5)更换后,插上电瓶,显示[9-],按下L开关,对LED上的[9T]确认后,5-6秒后打开KEY,传送开始,结束显示[9L];(6)恢复设置开关到D位置;代码;内容;备注;现象01;行走动力模块短路;PN间电容不能充电;不走,MD不闭合,同时故障6902;行走动力模块断路;;不走03;行走接触器(MD)短路;;不走04;行走接触器(MD)断路;;不走07;行走接触器驱动Tr不良,线圈断路;;不走16;F或R换向开关不良;F开关R开关同时ON;不走17;行走加速器输出不良;加速器电源4.5V,输出不超过3.3V;不走19;行走电流传感器(CSDU,CSDW);传感器电源15V,静止7V,行走时输出3.0~11V;不走20;行走主保险F1;;不走,MD不闭合21;低电压检出;电瓶电压28以下(3T42V);行走,装载全停止,MD,MP不闭合,KEY-OFF22;行走控制温度传感器(THD)输出不良;4.95>T<0.2V,25度20K/4V;通常不能行走23;行走中位安全联锁输出不良;;不走24;行走控制器温度高;;能走,(110度以上时,电流受限)25;行走马达温度高;输出0.2V~4.95V,25度10.7K/3.5V;不走,(150度以上时电流受限)26;行走控制温度太高;;不走,超过115度27;行走马达温度传感器输出不良;;通常能行走,常温动作28;行走马达温度太高;;不走,超过155度41;行走速度传感器A输出不良;;不走42;行走速度传感器B输出不良;;不走67;行走微动超速;失控电流*0.7以上/10秒;不走,F/R开关中位不加速,停车制动开关关闭不能解除69;行走急速充电不良(行走电容充电不良);CPU板快速充驱动T r电阻不良;能走,故障01同时检出86;负载卸载故障;动力模块电压过上升;行走,装载全停止87;座椅开关无检出;;不走)装载系;;;30;装载动力模块短路;;31;装载动力模块断路;;33;装载接触器(MP)断路;;34;装载电流传感器(CSDU,CSDW);;35;装载电位计;电位计电源4.6V,输出0.1V-4.6V;36;装载控制温度传感器(THP)输出不良;0.2V~4.95V,25度10.7K/3.5V;37;装载接触器(MD)短路;;38;装载接触器驱动Tr不良,线圈断路;;39;装载控制温度太高;超过115度;45;装载主保险F2;;60;装载控制器温度高;超过110度;65;装载马达温度太高;超过120度;温度开关,120度断开,70;装载急速充电不良(装载电容充电不良);CPU板快速充驱动T r电阻不良;接触器接触迟缓,同时电弧大PS系;;;50;PS主Tr短路;;51;PS接触器(MPS)短路;动作正常,故障持续显示;52;PS接触器(MPS)断路;;53;装载接触器驱动Tr不良,线圈断路;;54;PS扭矩传感器输出不良;扭矩传感器电源4.6V,输出0.1V-4.6V;56;PS主Tr,马达,EPS板断开;;@@@@@@@@@@@@@@@@@@@@@@@@@@@CPU板DSW开关的位置:2t:仅DSW2-1 ON,其他全OFF3t:仅DSW2-2 ON,其他全OFF@@@@@@@@@@@@@@@@@@@@@@@@@@#车辆设置(FR在VTM在充电机内)在VTM板上设置,将设置开关放到D位置;连接蓄电池,VTM上2栏LED上显示电池电压(代码化);KEY ON;(1)将SW2 MODE按一下,LED上显示[P6]每安一次,[S4],[t4],[A4],[b4],[c4];用SW3 H加,用SW4 L减(2)关掉钥匙;恢复设置开关到D位;P.;行走装载加速电流;标准6;t.;倾斜速度;4;不可更改A.;属具;4;不可更改b.;松开再生;4;c.;制动再生;4;#计时器数据传送(限10小时上)(1)记录下时间备用;(2)设置开关到9位;确认LED显示[9-],打开钥匙;(3)按下MODE,LED显示[9-1],2-3秒后显示[9-1],一秒后开始传送,关闭钥匙可以中止,传送开始后[-1]..[1][2]...[H],传输结束后显示[9-];(4)关闭一切电源,更换VTM;(5)更换后,插上电瓶,显示[9-],按下L开关,对LED上的[9t]确认后,5-6秒后打开KEY,传送开始,结束显示[9L];(6)恢复设置开关到D位置;。
柯蒂斯控制器 Prepared on 22 November 2020第1章概述柯蒂斯1234,1236和1238交流感应电动机控制器不同于以往的车载控制系统,它能够提供稳定平滑的功率输出。
他们采用把现场可编程逻辑控制器嵌入到最先进的电动机控制器的方法,实现控制器输出稳定平滑功率的功能。
嵌入式逻辑控制器在功能齐全的磁场定向AC感应电动机控制操作系统(OS)上运行。
通过修改OS参数,可以满足客户不同的定制要求,详细内容见第3节。
OS包含OE-developed软件,简称VCL逻辑语言。
使用VCL可以进一步提高控制器性能,详细内容见第6节。
VCL是一款由柯蒂斯发展革新的软件编程语言,使用VCL可以编程许多特殊电动汽车功能的程序,并且将更多的功能内置到OE-controlled。
VCL开辟了用户定制,产品差异化和市场反应能力的新途径。
和柯蒂斯其他的很多产品一样,1234/36/38包含了CAN总线传输机制,使AC感应电动机控制器成为高效分布式系统的一部分。
输入和输出信息可以通过系统实现最佳化分享,同时可以减少系统的布线,创建集成功能和减少系统损耗。
柯蒂斯1234/36/38控制器是满足车辆牵引,起重机,双驱动,其他电机传动和车载控制需要的理想控制器。
图1.柯蒂斯1234(左)1236(中)1238(右)AC感应电动机控制器三种模型的标准特性相同和所有的柯蒂斯控制器一样,1234/36/38为电机驱动性能提供了优越的操作控制功能。
功能包括:1.高效,定向运动控制算法;2.采用先进的PWM技术,实现电源电压高效使用,电机谐波低,能抑制转矩纹波,最大化降低切换损耗;3.极其宽泛的转矩/速度变化范围,完整的正反馈性能;4.实现低速平滑控制,包括0速度;5.采用能适应电机温度变化的控制算法,在不同的条件下都能保持最佳性能;6.电池电流,电机转矩,功率实时评估功能;7.功率限制地图允许在电池核电状态变化时,降低电机热量和性能一致性的功能定制;8.强大的操作系统,允许车载控制任务,电机控制任务的并行处理和用户配置可编程逻辑阵列;9.宽泛的I/O口,适用最大化分布式系统控制;10.内置荷电状态电池,小时计,维护计时计;11.高频无声操作;12.可用于24v-80V电源系统模式,带有200A-650ARMS2分钟额定电流;13.使用柯蒂斯1311手持编程器和1314 PC编程站,可编程容易;14.使用CAN通信实现集成控制系统进入分布式控制系统;15.场可编程,快速下载主要操作编程代码;16.带有电动机,控制器热保护,提醒功能和自动停止功能;17.外壳密封严实,在严峻工况下使用时,与外部的连接符合IP65环境密封标准;18.绝缘金属忖底的功率底座提供优越的热传输,增加可靠性。
转向电机控制器故障码指示信息本控制系统共有8种故障代码,现将详细解释每一种故障码所对应的故障原因。
如果故障指示灯一直亮着,则表明系统运行正常。
如果故障指示灯一直灭,则表示控制器没供电、或者控制器损坏,如果系统运行正常则表明指示灯损坏。
1、指示灯闪1下:表示转向电位器出现故障或连接线断开①与控制器相接的三根线任意一根断开或接触不良②方向手柄转动范围超出0-180度③电位器内部零件损坏2、指示灯闪2下:表示电机轴上安装的磁钢与后盖上编码器芯片距离过远3、指示灯闪3下:表示编码器故障、连接线断开、电机内碳刷接触不良、电机堵转。
造成此现象的故障源比较多,要按照以下步骤进行区分确认。
①如果是钥匙一打开,注意转向电机是否转动,如果转向电机没动控制器故障码就闪三下,则可判断是转向电机与控制线两根线接触不好或者电机内部碳刷接触不良引起。
如果确认接线没问题,将电机拆下来用手转动一下,再装回去,看是否运行正常。
②如果是钥匙一打开,转向电机明显转动了,然后控制器故障码再闪3下,则可判断是装在电机后盖上编码器中4根连接线至少有一根断开或接触不良,或者是编码器损坏。
③如果是钥匙一打开,转向电机轻微动了一下,然后控制器故障码再闪3下,则有可能是电机轴被齿轮箱卡死或者驱动轮堵转了,可将电机拆下用手握住,再上电看电机是否能够正常转动。
④转向控制器损坏。
4、指示灯闪4下:表示接近开关连接线断开或接近开关损坏。
①在钥匙一打开,转向电机大概转了1s钟,然后控制器闪4下,则表明接近开关与控制器的电源线或信号线(分别对应接插件序号1和2)接触不好,或者接近开关损坏。
5、指示灯闪5下:表示接近开关与大齿轮上的检测块距离过远或者其中一根地线断开,正常应在1mm—1.5mm。
①当钥匙一打开,驱动轮转了一圈多过程中,仔细观察大齿轮边缘有一块突起的3mm的圆柱铁块(检测块)经过接近开关正下方时,如果接近开关指示灯不亮,然后故障码闪5下,则可判断是接近开关下方平面与检测块距离过远,正常应在1-1.5mm。
F80一体化控制器故障代码表为了方便电梯维修,一体机主板有楼层显示、故障代码显示,代码对应的故障如下:代码故障名称原因对策E01运行中安全断开运行中安全反馈(X13)断开检查安全回路E02运行中厅门锁断开运行中厅门反馈(X14)断开检查厅门锁回路E03运行中轿门锁断开运行中轿门反馈(X15)断开检查轿门锁回路E04运行中上限位动作运行中上限位(X6)动作检查上限位E05运行中下限位动作运行中下限位(X9)动作检查下限位E06运行中驱动器故障运行中驱动器故障(X30)动作检查驱动器E07驱动器运行错驱动器没有反馈准备好信号(X31)检查驱动器E08运行中脉冲检测错运行中在3秒内未检测到脉冲信号检查PG和PG线E09运行中检修动作运行中检修(X10)动作检查检修回路E10运行中平层开关错运行中在F4所设时间未检测到平层信号检查平层开关及其连接线电梯启动时平层开关6秒未动作电梯减速时平层开关16秒未动作?E11运行中抱闸开关错运行中抱闸开关动作不正常检查抱闸开关E12运行超时单次运行时间超过F6所设的值正确设置F6参数的值E17上限位动作上限位开关动作检查端站开关位置E18下限位动作下限位开关动作检查端站开关位置E19安全断开相序继电器不正常检查相序安全回路动作检查安全回路E20驱动器故障驱动器发生故障对应驱动器故障代码表进行处理E21输出接触器故障输出接触器损坏更换接触器X18信号异常检查连接线和设置E22抱闸接触器反馈错抱闸接触器损坏更换接触器X16信号异常检查连接线和设置E23抱闸开关反馈故障抱闸开关反馈的常开/常闭设置错误进行正确设置E24前门关门故障前门关门时门没有动作检查前门的厅门、轿门E25后门关门故障后门关门时门没有动作检查后门的厅门、轿门E26提前开门故障提前开门接触器动作时,未检测到反馈检查连接线及继电器E27门锁或门限位错误门锁或门限位的状态异常检查门锁或门限位E28开门故障开门时门没有动作检查厅门、轿门及门限位E29关门故障关门超过设定的次数或时间检查厅门、轿门及门限位E30轿厢通信出错轿厢板与主板通信异常检查通信电缆接线E31厅门继电器粘连厅门继电器粘连、卡死更换接触器E32轿门继电器粘连轿门继电器粘连、卡死更换接触器E33安全继电器粘连安全继电器粘连、卡死更换接触器E34未初始化主板数据未初始化进行数据初始化操作E35故障过频在单位时间(10分钟)内,运行故障频繁发生,且次数超过F5所设的值时排除故障E36输入口重复J1、J3的输入口设置重复更改输入口设置E93数据复制错误操作器中无数据先复制参数再拷贝。
Curtis 1234/1236/1238 产品故障代码表1.LED指示灯显示模式本产品安装有2支LED显示灯,通过不同颜色灯光的组合来显示不同的信息。
详见下表:LED显示信息说明显示信息LED灯不亮控制器电源未接通;或车辆电池耗尽;或其他严重故障。
黄色LED灯闪烁控制器工作正常黄色以及红色LED灯常亮控制器处于程序载入的状态红色LED灯常亮看门狗失效或软件未安装。
重启钥匙开关,重新启动。
如果需要,重新安装软件红色和黄色LED灯交替闪烁控制器发现故障。
故障显示代码由2位数字组成。
红灯闪烁次数指示代码是首位数字还是第二位数字,黄灯闪烁次数代表相应数位的具体数字。
2.故障代码表此故障代码表提供了以下信息。
•故障代码•在Curtis编程器上显示的故障名称•故障所导致的表现•导致故障的可能原因•故障深层原因•状态解决发生故障时,如果确认不是接线错误或车辆机械故障,可以尝试通过车辆钥匙开关重新启动。
如果故障仍旧存在,请关闭钥匙开关,检查35-pin针接插件是否连接正确或有污损,修复并清洁后,重新连接,再启动尝试。
15 Controller SevereUndertemp控制器温度过低电机停止工作主连接器断开电磁刹车断开加速器失效刹车泵停止工作1,控制器工作环境过于严酷原因:散热器温度低于-40o C解决:温度升至-40o C以上,重新启动钥匙开关或互锁开关16 Controller SevereOvertemp控制器温度过高电机停止工作主连接器断开电磁刹车断开加速器失效刹车泵停止工作1,控制器工作环境过于严酷2,车辆超载3,控制器安装错误原因:散热器温度高于95o C解决:降低温度至95o C以下。
重新启动钥匙开关或互锁开关17 Severe Undervoltage电压过低驱动扭矩降低1,电池参数设置错误2,非控制器系统耗电3,电池阻抗过大4,电池连接断开5,熔断器断开,或主接触器未连接原因:MOSFEET桥工作时电容电压低于最低电压限制解决:将电容电压升高18 Severe Overvoltage电压过高电机停止工作主连接器断开电磁刹车断开加速器失效刹车泵停止工作1,电池参数设置错误2,电池阻抗过高3,再生制动时电池连接断开原因:MOSFEET桥工作时电容电压超过了最高电压限制解决:降低电压然后重启钥匙开关22 Controller OvertempCutback控制器温度过高导致性能消减驱动以及再生制动力矩减低1, 控制器工作环境严酷2,车辆超载3,控制器安装不正确原因:散热温度超过85O C解决:降低温度23 Undervoltage Cutback电压过低性能消减驱动力矩减低1,电池电量不足2,电池参数设置错误3,非控制器系统耗尽电量4,电池阻抗过大5,电池连接断开6,熔断器断开或主接触器断开原因:电容电压过低解决:提升电容电压24 Overvoltage Cutback电压过高性能消减再生制动力矩减低1,再生制动过程中再生制动电流导致电池电压升高2,电池参数设置错误3,电池阻抗过大4,再生制动时电池连接断开原因:MOSFEET桥工作时电容电压超过了最高电压限制解决:降低电容电压25 +5V Supply Failure控制器输出5v电源失效1,外接负载阻抗过低原因:5v输出有超过±10%的误差解决:调整输出电压至正常范围26 Digital Out 6 Failure驱动6输出过流驱动6输出不能开启1,外接负载阻抗过低原因:驱动6输出电流超出15mA解决:调整负载,然后用VCL设置“set_digout”重新启动驱动27 Digital Out 7 Overcurrent驱动7输出量输出过流驱动7输出不能开启1,外接负载阻抗过低原因:驱动7输出电流超出15mA解决:调整负载,然后用VCL设置“set_digout”重新启动驱动28 Motor Temp Hot Cutback电机过热导致性能消减驱动力矩减低1,电机温度达到或者高于程序设定的警戒温度,导致电流输出降低2,电机温度参数设定有误3,如果电机没有使用温度传感器,编程参数“Tempcompensation”和“Tempcutback”必须设置为“OFF”。
原因:电机温度传感器输入电压值为0或大于10V解决:电机温度回归正常范围29 Motor Temp Sensor Fault电机温度传感器故障最大速度降低至LOS状态,电机温度保护功能失效。
1,电机温度传感器连接有误2,如果电机没有使用温度传感器,编程参数“MotorTemp SensorEnable”须设置为“OFF”原因::电机温度传感器输入电压值为0或大于10V解决:调整电机温度传感器输入电压值至正常范围31 Coil 1 Driver Open/Short驱动1输出连接线圈开路或短路驱动1输出关闭1,连接负载开路或短路2,连接管脚污损3,错误的接线原因:驱动1输出(6 管脚)开路或者短路。
此故障仅在“Main Enable”设置成“OFF”时才可能发生.解决:纠正开路/短路错误,重新启动输出。
31 Main Open/Short主接触器线圈开路/短路电机停止工作主连接器断开电磁刹车断开加速器失效刹车泵停止工作1,连接负载开路或短路2,连接管脚污损3,错误的接线原因:主接触器线圈(6 管脚)开路或者短路。
此故障仅在“Main Enable”设置成“ON”时才可能发生.解决:纠正开路/短路错误,重新启动输出。
32 Coil2 Driver Open/Short驱动2输出连接线圈开路或短路驱动2输出关闭1.连接负载开路或短路2.连接管脚污损3.错误的接线原因:驱动2输出(5 管脚)开路或者短路。
此故障仅在“EM brake Type”设置成0时才可能发生.解决:纠正开路/短路错误,重新启动输出。
32 EMBrake Open/Short电磁刹车线圈开路/短路电磁刹车断开加速器失效刹车1,连接负载开路或者短路2,连接管脚污损3,错误的接线原因:电磁刹车输出(5管脚)开路或短路,此故障仅在EM brake Type设置大于0时才可能发生。
解决:纠正开路/短路错误,重新启动输出。
33 Coil3 Driver Open/Short驱动3输出连接线圈开路/短路驱动3输出关闭1,连接负载开路或者短路2,连接管脚污损3,错误的接线原因:驱动3输出(4 管脚)开路或者短路。
解决:纠正开路/短路错误,重新启动输出。
34 Coil4 Driver Open/Short驱动4输出连接线圈开路/短路驱动4输出关闭1,连接负载开路或者短路2,连接管脚污损3,错误的接线原因:驱动3输出(3 管脚)开路或者短路。
解决:纠正开路/短路错误,重新启动输出。
35 PD Open/Short比例驱动开路/短路比例驱动关闭1,连接负载开路或者短路2,连接管脚污损3,错误的接线原因: 比例驱动(2管脚)开路或短路解决:纠正开路/短路错误,重新启动输出36 Encoder Fault编码器失效电磁刹车断开1,电机编码器故障2,错误的接线原因:编码器故障解决:重新启动钥匙开关37 Motor Open电机开路电机停止工作主连接器断开电磁刹车断开加速器失效刹车泵停止工作1,电机缺相2,错误的接线原因:电机缺相,U、V、W一相或多相开路解决:检查相位,重新启动钥匙开关。
38 Main Contactor Welded主接触器粘连电机停止工作主连接器断开电磁刹车断开加速器失效刹车泵停止工作1,主接触器触点熔接2,电机U 或V相断开或者缺相3,存在连接B+接线端的电路向电容充电情况原因:主接触器过多保持连接,电容电压无法释放解决:重新启动钥匙开关39 Main Contactor Did NotClose主接触器未闭合电机停止工作主连接器断开电磁刹车断开加速器失效刹车泵停止工作1,主接触器未闭合2,主接触器触点氧化,熔化,或者连接状态不稳定3,电容被外部器件充电4,熔断器断开原因:当需要主接触器闭合时候,电容电压未达到B+电压。
解决:检查接触器,重新启动钥匙开关41 Throttle Wiper High加速器输出偏高加速器失效1,加速器电位器输出电压过高原因:加速器电位器(16管脚)输出电压高于输出电压限制(通过VCL可以改变限制值,setup_pot_faults)解决:降低加速器电位器输出电压42 Throttle Wiper Low加速器输出偏低加速器失效1,加速器电位器输出电压过低原因:加速器电位器(16管脚)输出电压低于输出电压限制(通过VCL可以改变限制值,setup_pot_faults)解决:升高加速器电位器输出电压43 Pot2 Wiper High电位器2输出过高完全刹车1,电位器2输出电压过高原因:电位器2(17管脚)输出电压高于输出电压限制(通过VCL可以改变限制值,setup_pot_faults)解决:降低电位器输出电压44 Pot2 Wiper Low电位器2输出过低完全刹车1,电位器2输出电压过低原因:电位器2(17管脚)输出电压低于输出电压限制(通过VCL可以改变限制值,setup_pot_faults)解决:提高电位器输出电压45 Pot Low Overcurrent电位器低端电流过高加速器失效完全刹车1,电位器阻抗过低原因:电位器低端(18管脚)电流超过了10mA解决:降低低端电流,重启钥匙开关46 EEPROM FailureEEPROM失效电机停止主接触器停止电磁刹车停止加速器停止互锁停止1-4路输出停止比例驱动停止刹车泵停止1,对EEPROM存储写入失败。
这可能是由于VCL对EEPROM存储写入,或者CAN BUS,或者编程器参数调整后编入控制器的参数错误引起。
原因:控制器操作系统试图向EEPROM写入并且失败。
解决:下载正确的软件(OS),设置控制其正确的参数,然后重新启动钥匙开关。
47 HPD/Sequencing Fault高踏板保护/操作顺序失败加速器失效1,钥匙启动,互锁,方向,以及加速器输入顺序设置错误。
2,接线,开关钥匙,互锁,方向,或加速器输入故障原因:由于钥匙启动,互锁,方向,以及加速器输入设置错误导致高踏板保护以及启动顺序错误。
解决:输入正确顺序47 Emer Rev HPD紧急反向高踏板保护加速器失效1,紧急反向操作已经结束,但是加速器,前进以及反向输入和互锁都还没有复位。
原因:在紧急反向结束时,各类输入没有复位,导致故障发生。
解决:按照正确顺序重新进行各项输入49 Parameter Change Fault参数变更失败/错误电机停止工作主接触器停止工作电磁刹车停止工作加速器失效刹车泵停止工作1,为了保障车辆的安全性,一些特定参数的更改必须在钥匙开关重启动后才生效。