工时定额计算汇总手册之令狐文艳创作
- 格式:doc
- 大小:539.01 KB
- 文档页数:26
令狐文艳第一章土石方工程说明及工程量计算规则一、说明(一)本章包括:土方工程,石方工程,回填,运输4节共53个子目。
(二)挖土方定额子目中综合了干土、湿土,执行中不得调整。
(三)土壤含水率大于40%的土质执行挖淤泥(流砂)定额子目。
(四)平整场地是指室外设计地坪与自然地坪平均厚度≤±300mm的就地挖、填、找平;平均厚度>±300mm的竖向土方,执行挖一般土方相应定额子目。
(五)定额中不包括地上、地下障碍物处理及建筑物拆除后的垃圾清运,发生时应另行计算。
(六)土方工程无论是否带挡土板均执行本定额。
(七)挖沟槽、基坑、一般土方的划分标准:1.底宽≤7m,底长>3倍底宽,执行挖沟槽相应定额子目;2.底长≤3倍底宽,底面积≤150m2,执行挖基坑相应定额子目;3.超出上述范围执行挖一般土方相应定额子目。
4.石方工程的划分按土方工程标准执行。
(八)基坑内用于土方运输的汽车坡道已包括在相应定额子目中,执行时不得另行计算。
(九)混合结构的住宅工程和柱距6m以内的框架结构工程,设计为带形基础或独立柱基,且基础槽深>3m时,按外墙基础垫层外边线内包水平投影面积乘以槽深以体积计算,不再计算工作面及放坡土方增量,执行挖一般土方相应定额子目。
(十)管沟土方执行沟槽土方相应定额子目。
(十一)土方回填定额子目中不包括外购土的费用,发生时另行计算。
(十二)土(石)方运输子目中不包括渣土消纳费用,渣土消纳费应按有关部门相关规定另行计算。
(十三)人工土(石)方定额子目中已包含打钎拍底,机械土(石)方的打钎拍底另执行本章相应定额子目。
(十四)石方工程中不分岩石种类,定额中已综合考虑了超挖量。
(十五)土方、石方(碴)运输的规定:1.机械挖沟槽、基坑、一般土方,运距超过15km时执行第四节土(石)方运输每增5km定额子目。
2.回填土回运执行第四节土方回运运距1km以内及每增5km定额子目。
3.石方(碴)运输执行第四节石方(碴)运输相应定额子目。
工时定额标准及计算方法标准工时的计算方法:标准工时=正常工时X(1+宽放率);宽放率=(标准工时-实测工时)/实测工时*100%=管理宽放率+生理宽放率+疲劳宽放率;正常工时是人工操作单元工时(经过速度评比)+机器自动作业工时(不可作速度评比)的总和;宽放率主要是如下几个方面的总和:1.生理宽放一般取2%~5%。
2.疲劳宽放一般取5%~20%;3.管理宽放一般取3%~10%4.特殊宽放电子制造业使用的宽放率一般取10%21.75天是人力资源和社会保障部规定的月计薪天数,无论某个月您的实际上班天数大于21.75天(如7月份、8月份)还是小于21.75天(如10月份、春节所在的那个月),月计薪天数都是按照21.75天计算的。
这个21.75天只是为计算加班工资有一个统一的公式,并不是平时计算月工资用的。
《劳动法》第四十四条有下列情形之一的,用人单位应当按照下列标准支付高于劳动者正常工作时间工资的工资报酬:(一)安排劳动者延长工作时间的,支付不低于工资的百分之一百五十的工资报酬;(二)休息日安排劳动者工作又不能安排补休的,支付不低于工资的百分之二百的工资报酬;(三)法定休假日安排劳动者工作的,支付不低于工资的百分之三百的工资报酬。
法律依据:《劳动法》第三十六条国家实行劳动者每日工作时间不超过八小时、平均每周工作时间不超过四十四小时的工时制度。
第三十七条对实行计件工作的劳动者,用人单位应当根据本法第三十六条规定的工时制度合理确定其劳动定额和计件报酬标准。
标准时间=观测时间*评比系数*(1+宽放率)=正常时间*(1+宽放率)观测时间:是实际观测得到的时间值的平均,而观测时间由于受到作业者熟练度、工作意愿、情绪等的影响,并能代表真实的情况,故此应加以修正,乘上一定的评价系数,求得实际时间作为标准时间的主体,而实际时间应考虑一定的宽放,作为疲劳、等待、喝水、上厕所等必须要项的预备,这样才得到标准时间。
评比系数: 评比是一种判断或评价的技术,目的是将实际的操作时间调整到平均工人的正常速度。
工时定额计算手册
目录
一. 普通车床
1.车床时间定额标准(通用部分)
~C618时间定额标准
(续)
3.C620时间定额标准
(续)
4.C630时间定额标准
(续)
5.C650时间定额标准
(续)
二.镗床
1.镗床时间定额标准
三.立式机床1.立式机床时间定额标准
(续)
四.龙门刨床
1.龙门刨床时间定额标准
五.牛头刨床1.牛头刨床时间定额标准
六.磨床1.平面磨时间定额标准
2.外元磨时间定额标准
3.内元磨时间定额标准
七. 铣床
1.铣床时间定额标准(一)
2.铣床时间定额标准(二)
八.制齿机床
1.滚直齿、斜齿、蜗轮、插内外齿、刨齿、剃齿、齿倒角
时间定额标准
九.拉床1.拉床时间定额标准
十.插床1.插床时间定额标准
十一钻床1.钻床时间定额标准
十二. 钳工
1.钳工时间定额标准(一)
(续)
2.钳工时间定额标准(二)
单位:分
(续)。
工时定额计算手册目录一. 普通车床 (5)1.车床时间定额标准(通用部分) (5)2.C615~C618时间定额标准 (10)3.C620时间定额标准 (12)4.C630时间定额标准 (14)5.C650时间定额标准 (16)二.镗床 (18)1.镗床时间定额标准 (18)三.立式机床 (21)1.立式机床时间定额标准 (21)四.龙门刨床 (23)1.龙门刨床时间定额标准 (23)五.牛头刨床 (25)1.牛头刨床时间定额标准 (25)六.磨床 (26)1.平面磨时间定额标准 (26)2.外元磨时间定额标准 (28)3.内元磨时间定额标准 (30)七. 铣床 (32)1.铣床时间定额标准(一) (32)2.铣床时间定额标准(二) (36)八.制齿机床 (39)1.滚直齿、斜齿、蜗轮、插内外齿、刨齿、剃齿、齿倒角时间定额标准 (39)九.拉床 (42)1.拉床时间定额标准 (42)十.插床 (44)1.插床时间定额标准 (44)十一钻床 (45)1.钻床时间定额标准 (45)十二. 钳工 (48)1.钳工时间定额标准(一) (48)2.钳工时间定额标准(二) (50)3. 钳工时间定额标准(三) (53)十三. 冷冲模 (56)1.冷冲模装配时间定额标准 (56)十四. 冲床 (58)1.冲床时间定额标准 (58)十五. 锻造 (61)1.锻造时间定额标准(一) (61)2. 锻造时间定额标准(二) (63)十六. 铸造 (65)1.铸造时间定额标准 (65)2. 铸造复杂程度分类 (68)十七. 铆工 (71)1.铆工时间定额标准(一) (71)2.铆工时间定额标准(二) (75)3.铆工时间定额标准(三) (77)十八. 点焊 (79)1.电焊焊接时间定额标准 (79)十九.木型 (83)1.木型制造时间定额标准(一) (83)2.木型制造时间定额标准(二) (87)二十. 喷漆 (90)1. 喷漆时间定额标准 (90)附录 (93)一.冷冲模赚装配复杂程度分类 (93)二.公式时间定额标准,设备适用范围及工序内容 (104)三. 应用举例 (106)1.车床C620加工例题 (106)2.2.5m立车 (109)3.镗床例题 (110)4.Z525 (111)5.龙门刨(6M) (113)6. 牛头刨 (115)7.15 吨冲床 (116)8.M7120—M131W (117)9.M7120 (118)10.M131W (119)11.设备Y38 (120)12.设备B516K (121)13.设备L6110 (122)14. 设备X52 (123)一. 普通车床1.车床时间定额标准(通用部分)——以手轮最大R代入。
工时定额计算手册绩效管理2008-02-25 09:36:18 阅读4195 评论13 字号:大中小订阅工时定额管理规定一、工时定额制定的目的为了提高公司计划管理水平,增加公司经济效益,并为成本核算、劳动定员提供数据,体现按劳分配的原则,特制定本规定。
二、工时定额制定的原则1、制定工时定额必须走群众路线,使其具有坚实的群众路线。
2、制定工时定额应有科学依据,力求做到先进合理。
3、制定工时定额要考虑各车间、各工序、各班组之间的平衡。
4、制定工时定额必须贯彻“各尽所能,按劳分配”的方针。
5、制定工时定额必须要“快、准、全”。
6、同一工序,同一产品只有一个定额,称为定额的统一性。
三、工时定额制定的方法1、经验估工法。
工时定额员和老工人根据经验对产品工时定额进行估算的一种方法,主要应用于新产品试制。
2、统计分析法。
对多人生产同一种产品测出数据进行统计,计算出最优数、平均达到数、平均先进数,以平均先进数为工时定额的一种方法,主要应用于大批、重复生产的产品工时定额的修订。
3、类比法。
主要应用于有可比性的系列产品。
4、技术定额法。
分测时法和计算法两种是目前最常用的方法。
四、工时定额制定的具体措施1、工时定额具有严肃性,工时定额的制定和修订由工时主管部门来执行。
其他部门无权更改。
2、工时定额具体采用技术定额法,同时参考其他方法。
先制订出《车间工时定额标准》和《工时核算方法》,以这两个文件为基础对车间生产产品进行核算,并填写《产品工时明细表》。
3、新产品工时制定流程研发部门确定新产品图纸→技术工艺部制定工时定额→制造公司总经理审批→工时审核小组复查→经理办公会批准生效→生产部、生产车间执4、老产品工时修定流程技术工艺部修订工时定额→制造公司总经理审批→工时审核小组复查→经理办公会批准生效→生产部、生产车间执行5、生产车间对制定的产品工时有异议时,应及时向技术工艺部和工时审核小组提出,并填写《产品工时修改表》,技术工艺部和工时审核小组每三个月或半年复核一次,报经理办公会批准生效后,生产车间方可执行。
(一)砌体项目令狐文艳砌体项目工程量计算规则1、墙体以不同厚度分类,工程量按砌体面积计算,砌体工程按墙体厚度分类,套相应定额。
2、计算墙体应扣除门窗洞口嵌入墙身的梁、柱,不扣除0.3m2以下予留孔洞。
3、砌砖墙包括安装门窗过梁、砖平拱,面积连砖墙计算。
4、砌砖墙均包括原浆勾缝用工,24砖墙需补平另按相应项目计算。
说明:1、砌砖墙应配合预留电线管沟、线盒,转角加钢筋等工作。
2、必须做到工完场清。
3、砖块规格按标准砖规格。
其中:12墙68条/ m2,18墙102条/ m2,24墙136条/ m2一般不予换算。
(一)砌体项目工作内容:淋砖、运砖、运砂浆、砌砖、安门窗过梁、塞墙尾、清理场地等。
(二)内墙批挡项目内墙批挡项目工程量计算规则:1、天花、内墙批挡以实际完成面积计算。
2、梁柱以二种方式计算:A、以展开面积单独计算。
B、以展开面积合在墙体或天花抹灰中一起计算,另以长度补工。
3、批挡不包括定点,批灌门窗洞。
(但施工缝必须分割整齐。
)4、墙踢脚线分二次施工的,不扣除踏脚线面积,但必须留空位置。
(如若无留空,以后凿除用工要负责)5、批灌门窗框时,以延长米计算。
6、批挡调整系数,高指层高,每步架为1.8米。
7、零星面积批挡为一些项目的补充(以固体难度取值)。
说明:1、批挡为二遍(打底面层),如设计要求增加遍数的,按相应定额计算。
如减少面层抹灰的,按相应定额计算。
2、所有定额项目包括搭脚手架在内,层高超过3.6按相应定额计算。
3、砂浆为统一制作,不包括在定额内。
如需制作砂浆,则按相应定额计算。
4、按定额分配工作时,须综合考虑室内收尾工程。
(二)内墙批挡项目工作内容:淋水、备料、搭架、打底、找平、压光、清理场地等工序。
(二)内墙批挡项目工作内容:淋水、备料、搭架、打底、压光、清理场地等工序(三)外墙装修项目外墙装修项目工程量计算规则:1、外墙批挡、贴饰面砖,以实际完成面积计算。
不扣除孔洞面积,但必须修整完好。
工厂考勤制度令狐文艳1.0 目的为确保公司进行有秩序的经营管理而制定2.0 适用范围适用于**公司一般员工到总监级员工3.0 责任各部门主管、经理4.0 程序内容4.1 出勤工作时间: -每周工作五天,每天8小时,正常时间为上午9点到下午6点,因工作需要执行晚班和倒班的员工,特别工作制为8:00-17:00或10:00-19:00,此项工作制需要部门经理和CEO的批准后,再到人力资源部登记后,方可实施。
午休为一个小时(11:30 - 2:00之间任选时段)。
打卡:员工每天上班、下班,午休出入均需打卡(共计每日4次)。
员工应亲自打卡,帮助他人打卡和接受他人帮助打卡者,无论是否迟到, 均按C类迟到计算.忘记打卡的员工, 需要其直接上级把员工漏掉打卡的时间email给*@*, 人事部会给予补签.公出:一个工作日内的公出需在前台登记,方便转接电话和留言。
出差、事假等需事前得到部门经理批准,并到人力资源部登记.请假:任何类别的假期都需部门经理事前批准,并到人力资源部登记如有紧急情况,不能事先请假,应在两小时以内电话通知本部门经理和人力资源部并在上班当日补办手续,否则以旷工计。
迟到、早退和旷工的奖惩制度:全勤奖:每月100元,以考勤卡为准.迟到早退线: 上班9:15以后到达,视为迟到,下班5:45以前离开,视为早退特别条款: 在一个自然月份里,允许二次迟到(不晚于10:00),给员工应急时使用。
超过10:00,扣除缺勤时间的工资。
迟到细则: 在一个自然月份里,第三次或更多的迟到处理如下:A: 9:15- 9:30 到,即迟到 0-15分钟/次,扣款个人月工资1% B: 9:31- 9:45 到,即迟到16-30分钟/次,扣款个人月工资2% C: 9:46- 10:00 到,即迟到30-45分钟/次,扣款个人月工资3%D: 10:00以后,按旷工一天计注:若9:00-11:00间致电直接上级请假者,可补假,否则按旷工计算。
工时定额计算手册目录一. 普通车床 (5)1.车床时间定额标准(通用部分) (5)~C618时间定额标准 (11)3.C620时间定额标准 (13)4.C630时间定额标准 (15)5.C650时间定额标准 (17)二.镗床 (19)1.镗床时间定额标准 (19)三.立式机床 (22)1.立式机床时间定额标准 (22)四.龙门刨床 (24)1.龙门刨床时间定额标准 (24)五.牛头刨床 (26)1.牛头刨床时间定额标准 (26)六.磨床 (27)1.平面磨时间定额标准 (27)2.外元磨时间定额标准 (29)3.内元磨时间定额标准 (31)七. 铣床 (33)1.铣床时间定额标准(一) (33)2.铣床时间定额标准(二) (37)八.制齿机床 (40)1.滚直齿、斜齿、蜗轮、插内外齿、刨齿、剃齿、齿倒角时间定额标准 (40)九.拉床 (43)1.拉床时间定额标准 (43)十.插床 (45)1.插床时间定额标准 (45)十一钻床 (46)1.钻床时间定额标准 (46)十二. 钳工 (49)1.钳工时间定额标准(一) (49)2.钳工时间定额标准(二) (50)3. 钳工时间定额标准(三) (54)十三. 冷冲模 (56)1.冷冲模装配时间定额标准 (56)十四. 冲床 (59)1.冲床时间定额标准 (59)十五. 锻造 (62)1.锻造时间定额标准(一) (62)2. 锻造时间定额标准(二) (64)十六. 铸造 (66)1.铸造时间定额标准 (66)2. 铸造复杂程度分类 (69)十七. 铆工 (72)1.铆工时间定额标准(一) (72)2.铆工时间定额标准(二) (75)3.铆工时间定额标准(三) (76)十八. 点焊 (79)1.电焊焊接时间定额标准 (79)十九.木型 (83)1.木型制造时间定额标准(一) (83)2.木型制造时间定额标准(二) (86)二十. 喷漆 (90)1. 喷漆时间定额标准 (90)附录 (93)一.冷冲模赚装配复杂程度分类 (93)二.公式时间定额标准,设备适用范围及工序内容 (104)三. 应用举例 (106)1.车床C620加工例题 (106)2.立车 (109)3.镗床例题 (110)4.Z525 (110)5.龙门刨(6M) (113)6. 牛头刨 (115)7.15 吨冲床 (116)8.M7120—M131W (117)9.M7120 (118)10.M131W (119)11.设备Y38 (120)12.设备B516K (121)13.设备L6110 (122)14. 设备X52 (123)机床 分类T 准 一. 普 通 车 床1.车床时间定额标准(通用部分)单位(分)C615~C618C620C630C650一般 15 30 40 60 中等 30 40 60 80 复杂40801202401.一般——包括接受任务,领取工票图纸工艺熟悉加工方法,调整机床,装卸刀具清理工作地,擦拭润滑机床借还工具换三爪、四爪、花盘胎具校量具首件检查。
1、工程估价令狐文艳项目建设各阶段工程估价的内容工程建设阶段估价内容项目建议书、可行性研究阶段投资估算初步设计阶段设计概算技术设计阶段修正概算施工图设计阶段施工图预算投标阶段投标报价承包人与发包人签订合同时合同价合同实施阶段结算价工程竣工验收后竣工决算价2、建设工程项目总投资生产性建建设投资(也叫工程造价)设工程项目铺底流动资金(30%)注:非静非动建设工程项目总投资非生产性建建设投资设工程项目1、设备及工器具购置费(积极部分)2、建筑安装工程费工程费用静态投资建设3、工程建设其他费用投资基本预备费4、预备费涨价预备费动态投资5、建设期利息3、1、设备购置费=设备原价或进口设备抵岸价+设备运杂费设备及工器 2、工、器具费具购置费3、生产家具费4、国产标准设备:一般按带有备件的出厂价计算国产设备原价成本计算估价法国产非标准设备系列设备插入估价法分部组合估价法定额估价法内陆交货类(出口国内陆)5、进口设备交货方式目的地交货类(进口国目的地)装运港交货类(出口国港口)设备购置费=设备原价或进口抵岸价+设备运杂费进口设备抵岸价=货价+国外运费+国外运输保险+银行财务费+外贸手续费+进口关税+增值税+消费税进口设备抵岸价=到岸价+两费+三税(消费税一般没有)货价=离岸价×人民币外汇牌价到岸价=货价+国外运费+国外运输保险国外保险费=(离岸价+国外运费+国外保险费)×保险费率银行财务费=离岸价×银行财务费率外贸手续费=到岸价×外贸手续费率进口关税=到岸价×人民币外汇牌价×进口关税率增值税=组成计税价格×增值税率(针对部分产品征收:汽车)消费税=(到岸价+关税+消费税)×消费税率组成计税价格=到岸价+进口关税+消费税6、设备运杂费由五个部分组成:⑴运费和装卸费⑵包装费⑶供销部分手续费⑷采购与仓库保管费⑸成套公司服务费运杂费=设备原价×运杂费率注:运费为国内运费;国外运费已经进入抵岸价7、1、农用土地征用费1、建设单位管理费。
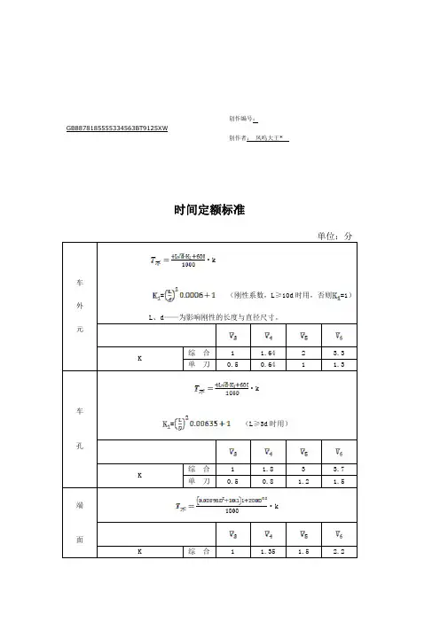
创作编号:GB8878185555334563BT9125XW创作者:凤呜大王*时间定额标准车外元·k=(刚性系数,L≥10d时用,否则=1)L、d——为影响刚性的长度与直径尺寸。
K综合 1 1.64 2 3.3单刀0.5 0.64 1 1.3车孔·k=(L≥3d时用)K综合 1 1.8 3 3.7单刀0.5 0.8 1.2 1.5端面·kK 综合 1 1.35 1.5 2.2单刀0.5 0.8 1.2 1.5 外锥·kK综合 1 1.65 2.45 3.5单刀0.5 0.65 0.8 0.925 锥孔·kK综合 1 1.65 2.45 3.5单刀0.5 0.65 0.8 0.925 钻孔=50(回屑时间 L<15时取用)铰(扩)孔滚花(续)节距0.5 1 1.51 1.3 1.7切槽B<8B≥81.B——槽宽2.t——槽深3.(内孔系数)。
4.(有形位公差系数)。
5.(髙滚钢刀系数,限小直径另件选用)。
切断(实心件取0)(高速钢刀系数,限小件选用)说明1.D——直径(锥体大端直径)。
2.d——孔径(锥体大端直径)。
3.L——加工长度。
4.K——光洁度系数。
5.G——重量(公斤)。
6.S——螺距。
7.M——模数。
8.R——半径。
3.C620时间定额标准车外元·k=(刚性系数,L≥10d时用,否则=1)L、d——为影响刚性的长度与直径尺寸。
K综合 1 1.73 2.05 3.4单刀0.5 0.73 1.05 1.4 车孔·k=(L≥3d时用)K综合 1 1.9 3.1 3.9单刀0.5 1.9 1.2 1.7 端面·kK综合 1 1.74 2 2.2单刀0.5 0.74 1 1.2 外·k锥K综合 1 1.65 2.45 3.5单刀0.5 0.65 0.8 0.925 锥孔·kK综合 1 2.3 3.25 K单刀0.5 0.65 3.8 钻孔=50(回屑时间 L>15时取用)铰(扩)孔滚花(续)节距0.5 1 1.51 1.3 1.7切槽B<8B≥81.B——槽宽2.t——槽深3.(内孔系数)。
工时定额计算手册目录一. 普通车床 (5)1.车床时间定额标准(通用部分) (5)2.C615~C618时间定额标准 (10)3.C620时间定额标准 (12)4.C630时间定额标准 (14)5.C650时间定额标准 (16)二.镗床 (18)1.镗床时间定额标准 (18)三.立式机床 (21)1.立式机床时间定额标准 (21)四.龙门刨床 (23)1.龙门刨床时间定额标准 (23)五.牛头刨床 (25)1.牛头刨床时间定额标准 (25)六.磨床 (26)1.平面磨时间定额标准 (26)2.外元磨时间定额标准 (28)3.内元磨时间定额标准 (30)七. 铣床 (32)1.铣床时间定额标准(一) (32)2.铣床时间定额标准(二) (36)八.制齿机床 (39)1.滚直齿、斜齿、蜗轮、插内外齿、刨齿、剃齿、齿倒角时间定额标准 (39)九.拉床 (42)1.拉床时间定额标准 (42)十.插床 (44)1.插床时间定额标准 (44)十一钻床 (45)1.钻床时间定额标准 (45)十二. 钳工 (48)1.钳工时间定额标准(一) (48)2.钳工时间定额标准(二) (50)3. 钳工时间定额标准(三) (53)十三. 冷冲模 (56)1.冷冲模装配时间定额标准 (56)十四. 冲床 (58)1.冲床时间定额标准 (58)十五. 锻造 (61)1.锻造时间定额标准(一) (61)2. 锻造时间定额标准(二) (63)十六. 铸造 (65)1.铸造时间定额标准 (65)2. 铸造复杂程度分类 (68)十七. 铆工 (71)1.铆工时间定额标准(一) (71)2.铆工时间定额标准(二) (74)3.铆工时间定额标准(三) (76)十八. 点焊 (78)1.电焊焊接时间定额标准 (78)十九.木型 (82)1.木型制造时间定额标准(一) (82)2.木型制造时间定额标准(二) (86)二十. 喷漆 (89)1. 喷漆时间定额标准 (89)附录 (92)一.冷冲模赚装配复杂程度分类 (92)二.公式时间定额标准,设备适用范围及工序内容 (103)三. 应用举例 (105)1.车床C620加工例题 (105)2.2.5m立车 (108)3.镗床例题 (109)4.Z525 (110)5.龙门刨(6M) (112)6. 牛头刨 (114)7.15 吨冲床 (115)8.M7120—M131W (116)9.M7120 (117)10.M131W (118)11.设备Y38 (119)12.设备B516K (120)13.设备L6110 (121)14. 设备X52 (122)一. 普通车床1.车床时间定额标准(通用部分)——以手轮最大R代入。
工时定额计算手册目录一. 普通车床 (5)1.车床时间定额标准(通用部分) (5)2.C615~C618时间定额标准 (11)3.C620时间定额标准 (13)4.C630时间定额标准 (15)5.C650时间定额标准 (17)二.镗床 (19)1.镗床时间定额标准 (19)三.立式机床 (22)1.立式机床时间定额标准 (22)四.龙门刨床 (24)1.龙门刨床时间定额标准 (24)五.牛头刨床 (26)1.牛头刨床时间定额标准 (26)六.磨床 (27)1.平面磨时间定额标准 (27)2.外元磨时间定额标准 (29)3.内元磨时间定额标准 (31)七. 铣床 (33)1.铣床时间定额标准(一) (33)2.铣床时间定额标准(二) (37)八.制齿机床 (40)1.滚直齿、斜齿、蜗轮、插内外齿、刨齿、剃齿、齿倒角时间定额标准 (40)九.拉床 (43)1.拉床时间定额标准 (43)十.插床 (45)1.插床时间定额标准 (45)十一钻床 (46)1.钻床时间定额标准 (46)十二. 钳工 (49)1.钳工时间定额标准(一) (49)2.钳工时间定额标准(二) (50)3. 钳工时间定额标准(三) (54)十三. 冷冲模 (56)1.冷冲模装配时间定额标准 (56)十四. 冲床 (59)1.冲床时间定额标准 (59)十五. 锻造 (62)1.锻造时间定额标准(一) (62)2. 锻造时间定额标准(二) (64)十六. 铸造 (66)1.铸造时间定额标准 (66)2. 铸造复杂程度分类 (69)十七. 铆工 (72)1.铆工时间定额标准(一) (72)2.铆工时间定额标准(二) (75)3.铆工时间定额标准(三) (76)十八. 点焊 (79)1.电焊焊接时间定额标准 (79)十九.木型 (83)1.木型制造时间定额标准(一) (83)2.木型制造时间定额标准(二) (86)二十. 喷漆 (90)1. 喷漆时间定额标准 (90)附录 (93)一.冷冲模赚装配复杂程度分类 (93)二.公式时间定额标准,设备适用范围及工序内容 (104)三. 应用举例 (106)1.车床C620加工例题 (106)2.2.5m立车 (109)3.镗床例题 (110)4.Z525 (110)5.龙门刨(6M) (113)6. 牛头刨 (115)7.15 吨冲床 (116)8.M7120—M131W (117)9.M7120 (118)10.M131W (119)11.设备Y38 (120)12.设备B516K (121)13.设备L6110 (122)14. 设备X52 (123)一. 普通车床1.车床时间定额标准(通用部分)攻套扣+0.2(12)元球+2.3(包括砂布砂光)手轮元弧本公式系按铸铁制订,并包括砂布砂光。
-令狐文艳内蒙古建筑工程预算定额(2009)总说明2009届“内蒙古自治区建设工程计价依据”是按照《建设工程工程量清单计价规范》(GB50500-2008)和建设部《建筑工程施工发包与承包计价管理办法》(建设部令第107号)、《内蒙古自治区建筑市场管理条例》等政策法规,在全国统一《建筑工程基础定额》、《装饰工程基础定额》、《安装工程预算定额》、《市政工程预算定额》、《园林绿化工程预算定额》和2004届“内蒙古自治区建设工程计价依据”的基础上,结合内蒙古自治区近年来建筑市场变化情况,根据现行的建筑、装饰装修、安装、市政、园林绿化工程设计规范、施工验收技术规范、质量评定标准、安全生产操作规程等资料编制的。
包括:《内蒙古自治区建筑工程预算定额》、《内蒙古自治区装饰装修工程预算定额》、《内蒙古自治区安装工程预算定额》\《内蒙古自治区市政工程预算定额》、《内蒙古自治区园林绿化工程预算定额》、《内蒙古自治区园林绿化养护工程预算定额》、《内蒙古自治区混凝土及砂浆配合比价格》、《内蒙古自治区施工机械台班费用定额》、《内蒙古自治区建设工程费用定额》及相关的编制说明(以下简称本计价依据),具体问题说明如下:一、《内蒙古自治区建筑工程预算定额》适用于建筑工程计价。
二、本计价依据是内蒙古自治区建设工程计价活动的地方性标准,适用于内蒙古自治区行政区域内城市基础设施和一般工业与民用房屋建筑工程的新建、扩建工程。
三、本计价依据中的消耗量是在正常合理的施工组织设计和施工条件下,完成相应建筑合格产品所需的人工、材料、机械台班的社会平均水平。
四、本计价依据中人工包括基本用工、辅助用工、人工幅度差、超运距用工等,不分工种和技术等级以综合工日表示。
人工单价是按国家有关政策和内蒙自治区建筑市场人工单价综合考虑确定的,包括基本工资、工资性津贴、生产工人辅助工资、劳动保护费、职工福利费、随身携带使用的工具补贴,不包括各类保险费用。
五、本计价依据中的主要材料按照标准合格产品考虑,分别列出名称规格及消耗量,并包括了正常的操作和场内运输损耗。
令狐文艳创作000000000令狐文艳劳务施工方案编制单位:000000000编制日期:2019年1月24日目录第一章编制说明第二章工程概况第三章指导思想和工程目标第四章指导思想和工程目标第五章施工部署第六章施工方法及技术措施第七章雨季施工措施第八章施工进度计划及工期保证措施第九章设备机械配置及材料进场安排第十章组织管理架构及人力配备情况第十一章质量保证措施第十二章质量通病的防治措施第十三章文明施工及安全保证措施第一章编制说明1.1编制说明1、依据2018.9.28平面图(中间交流版)结合现场地块特点进行编制。
2、恒辉房地产开发有限公司与重庆鸿超建筑劳务有限责任公司所签定的劳务施工。
3、上海中建建筑设计院有限公司《000000000》施工图。
4、我国现行的施工规范和操作规程及有关法律、法规等文件。
5、我国现行的有关机具设备和材料的施工要求和标准。
6、有关文明施工及安全生产的规定和要求。
1.2采用国家及地方规范有关资料1、《建设工程强制性标准条文》(房屋建筑)2013版2、《建筑地基基础施工质量验收规范》(GB50202-2016)3、《混凝土结构工程施工质量验收规范》(GB50204-2015)4、《砌体工程施工质量验收规范》(GB50203-2015)5、《屋面工程质量验收规范》(GB50207-2015)6、《建筑地面工程施工质量验收规范》(GB50209-2016)7、《钢筋焊接及验收规程》(JGJ18-2012)8、《建筑机械使用安全技术规程》(JGJ33-2012)9、《施工现场临时用电安全技术规程》(JGJ46-2012)10、《建筑工程施工质量验收统一标准》(GB50300-2013)11、《建筑工程项目管理规范》(GB/T50326-2006)12、《建筑施工扣件式钢管脚手架安全技术规范》(JGJ130-2011)第二章工程概况2.1工程建设概况1、本工程为湖南省怀化市溆浦县重点工程,工程投资基本落实,三通一平已基本完成,已具备开工条件;2、本工程施工用水水源、用电电源由建设方指定接驳点。
机械加工令狐文艳工 时定 额 计 算 标 准一.锯床工时定额计算标准1.工时计算公式:T=(k m T 机+nT 吊+T 装卸)k 2式中:k m —材料系数n —一次装夹工件数;n=1-2;k 2—次装夹工件数修正系数,k 2=1(n=1);k 2=0.55(n=2)2.机动时间:T 机2.1. 方料:式中: H -板厚mm式中D —棒料外径 mm2.3. 管料: 式中d 0—管料内径;mm 2.4.方管:式中:H —方管外形高mmH 0—方管内腔T 机 = k BH 20T 机=D 24 T 机=D —d 02 2410000 T 机= H— H 0*B 0 208000高mmB 0—方管内腔宽mm 3.吊料时间: 4.装卸料时间及其它时间:综上所述: 方料:T=(0.12+n0.0519H+0.001L )k 2-0.00013 H 0*B 0(min )圆料:T=(0.12+n0.0429D+0.001L )k 2-0.0001 d 02(min )n —一次装夹工件数;n=1-2;k 2—次装夹工件数修正系数,k 2=1(n=1);k 2=0.55(n=2)1.5 材料加工难度系数材料名称尼龙、塑料及非金属铜、铝Q235、45#碳素钢不锈钢等硬合金难度系数0.80.91.01.1 二.剪板冲压折弯工时定额计算标准1.剪板工时定额计算方法A.剪板单件工时定额:a —每块工时系数、见表b —剪角次数毛剌T 毛剌 =0.3 + L/400 L-处理长度C. 剪板校正T 校:(min ) 材料系数:K=1~1.5规 格T ﹝mm ﹞1 2 3 4 5 6 K0.80.911.171.331.5注:材料系数不含单件长度L ≤150mm 或单件重量≤250g 的零件。
2.冲压T 冲(min ):T 冲=a每冲一次工时T 吊=L 1000 T 装卸=0.12+ L + D1800 840T=k* ( a + ba)33折弯工时定额T 折(min ):T 折=Σa i(理论计算:每刀0.15分×折 1.5=0.225+0.2=0.425→0.5) ↓准备工时三.风割焊接工时定额计算标准1.风割1.1 风割工时:T 风割(min ) 公式:修磨风割 2.焊接单件工时: T 焊接=T 工件装卸+T 点焊+ T 全焊2.1 装卸工件工时:T 工件装卸=(T 01+0.2n )B式中:T 01—装卸基本工时;(取T 01=0.2);n-- 工件数B-- 重量系数(见表)2.2.点焊单件工时:T 点焊= T 02+0.1J+0.1N式中:T 02—点焊基本工时;J —点焊数;N —点焊时工件翻转次数;2.3. 全焊单件工时:T 全焊(min ) T 全焊= T 03+0.1M+0.1N+L Σ/200+0.2NCT 风割= 风割线长度×3+1.5式中:T03—全焊基本工时;M—焊缝段数;N—全焊时工件翻转次数;LΣ--焊缝长NC---焊接参数调节次数注:1、小件装卸与点焊工时合并,统称点焊工时;2、圆周焊每翻转90°为一次翻转次数;3、圆周焊每180°为一条焊缝;4、水平直条焊缝毎150mm折一条焊缝;超过部份按其折箅焊缝条数。
工时定额计算手册目录一. 普通车床....................................................................................... 错误!未指定书签。
1.车床时间定额标准(通用部分) ................................................. 错误!未指定书签。
2.C615~C618时间定额标准............................................................ 错误!未指定书签。
3.C620时间定额标准..................................................................... 错误!未指定书签。
4.C630时间定额标准..................................................................... 错误!未指定书签。
5.C650时间定额标准..................................................................... 错误!未指定书签。
二.镗床.................................................................................... 错误!未指定书签。
1.镗床时间定额标准 ...................................................................... 错误!未指定书签。
三.立式机床.................................................................................. 错误!未指定书签。
时间定额标准
令狐文艳
单位:分
(续)
3.C620时间定额标准
单位:分
(续)
4.C630时间定额标准
单位:分
(续)
5.C650时间定额标准
单位:分
(续)
二.镗床
1.镗床时间定额标准
(续)
K 1 1.3 K 1 1.2 1.4
平旋盘抄平面钻孔
L——为走刀长度
(回屑时间,L<40时,取0)
K 1 1.4 1.79 3.1
短刀杆镗孔D<8
D≥8
K 1 1.58 1.88 3.2
穿镗杆
镗孔
K 1 1.4 1.79 3.1
铰(扩)孔镗外元
K 1 1.3 2.01
刮
平
面
镗内沟槽B<5 B<8
(续)
三.立式机床
1.立式机床时间定额标准
单位:分
(续)
四.龙门刨床
1.龙门刨床时间定额标准
单位:分
系数
有刚度影响,松紧螺母操作不方便。
平 垂 面
L ——加工长 B ——加工宽
K 1 1.15
1.53
1.95
斜 面
L ——加工斜面宽 B ——加工斜面长
K 1 1.37
2
直 槽
L ——直槽宽 t ——直槽深 B ——直槽长
K
1 1.15
1.53
T 形面
K
1
1.37
系数
系数
系数
五.牛头刨床
1.牛头刨床时间定额标准
单位:分
六.磨床
1.平面磨时间定额标准
单位:分
(续)
2.外元磨时间定额标准
单位:分
(续)
3.内元磨时间定额标准
单位:分
(续)
七. 铣床
1.铣床时间定额标准(一)
单位:分
(续)
(续)
(续)。