工时定额计算手册簿
- 格式:doc
- 大小:3.08 MB
- 文档页数:125
时间定额标准
3.C620时间定额标准
4.C630时间定额标准
5.C650时间定额标准
二.镗床1.镗床时间定额标准
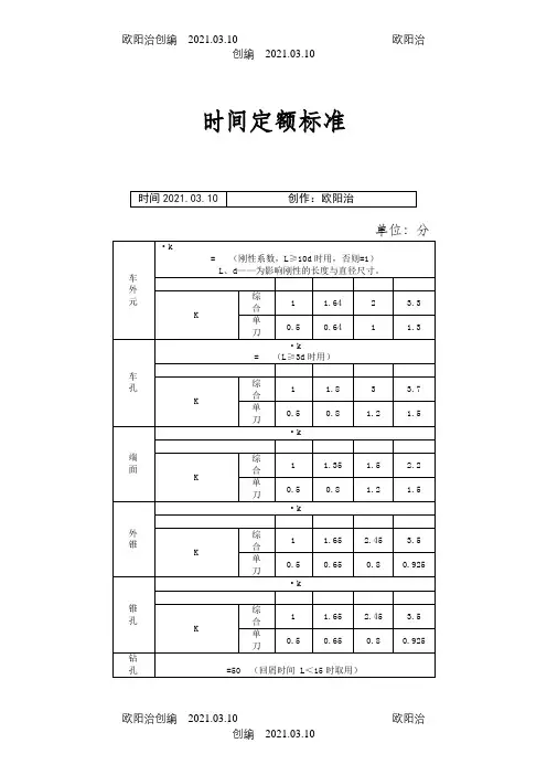
K 1 1.3 K 1 1.2 1.4 平旋盘抄平面钻孔
L——为走刀长度
(回屑时间,L<40时,取0)K 1 1.4 1.79 3.1
短刀杆镗孔D<8
D≥8
K 1 1.58 1.88 3.2
穿镗杆
镗孔
K 1 1.4 1.79 3.1
铰(扩)孔镗外元
K 1 1.3 2.01
刮
平
面
镗内沟槽B<5 B<8
三.立式机床1.立式机床时间定额标准
四.龙门刨床1.龙门刨床时间定额标准
系数
复杂——有2—3级精度要求及整形公差要求,千分表仔细校正,
有刚度影响,松紧螺母操作不方便。
平 垂 面
L ——加工长 B ——加工宽
K 1 1.15
1.53
1.95
斜 面
L ——加工斜面宽 B ——加工斜面长
K 1 1.37
2
直 槽
L ——直槽宽 t ——直槽深 B ——直槽长
K
1 1.15
1.53
T 形面
K
1
1.37
系数
系数
系数
五.牛头刨床1.牛头刨床时间定额标准
六.磨床1.平面磨时间定额标准
2.外元磨时间定额标准
3.内元磨时间定额标准
七. 铣床
1.铣床时间定额标准(一)。
工时定额计算手册
目录
一. 普通车床
1.车床时间定额标准(通用部分)
~C618时间定额标准
(续)
3.C620时间定额标准
(续)
4.C630时间定额标准
(续)
5.C650时间定额标准
(续)
二.镗床
1.镗床时间定额标准
三.立式机床1.立式机床时间定额标准
(续)
四.龙门刨床
1.龙门刨床时间定额标准
五.牛头刨床1.牛头刨床时间定额标准
六.磨床1.平面磨时间定额标准
2.外元磨时间定额标准
3.内元磨时间定额标准
七. 铣床
1.铣床时间定额标准(一)
2.铣床时间定额标准(二)
八.制齿机床
1.滚直齿、斜齿、蜗轮、插内外齿、刨齿、剃齿、齿倒角
时间定额标准
九.拉床1.拉床时间定额标准
十.插床1.插床时间定额标准
十一钻床1.钻床时间定额标准
十二. 钳工
1.钳工时间定额标准(一)
(续)
2.钳工时间定额标准(二)
单位:分
(续)。
工时定额计算手册绩效管理2008-02-25 09:36:18 阅读4195 评论13 字号:大中小订阅工时定额管理规定一、工时定额制定的目的为了提高公司计划管理水平,增加公司经济效益,并为成本核算、劳动定员提供数据,体现按劳分配的原则,特制定本规定。
二、工时定额制定的原则1、制定工时定额必须走群众路线,使其具有坚实的群众路线。
2、制定工时定额应有科学依据,力求做到先进合理。
3、制定工时定额要考虑各车间、各工序、各班组之间的平衡。
4、制定工时定额必须贯彻“各尽所能,按劳分配”的方针。
5、制定工时定额必须要“快、准、全”。
6、同一工序,同一产品只有一个定额,称为定额的统一性。
三、工时定额制定的方法1、经验估工法。
工时定额员和老工人根据经验对产品工时定额进行估算的一种方法,主要应用于新产品试制。
2、统计分析法。
对多人生产同一种产品测出数据进行统计,计算出最优数、平均达到数、平均先进数,以平均先进数为工时定额的一种方法,主要应用于大批、重复生产的产品工时定额的修订。
3、类比法。
主要应用于有可比性的系列产品。
4、技术定额法。
分测时法和计算法两种是目前最常用的方法。
四、工时定额制定的具体措施1、工时定额具有严肃性,工时定额的制定和修订由工时主管部门来执行。
其他部门无权更改。
2、工时定额具体采用技术定额法,同时参考其他方法。
先制订出《车间工时定额标准》和《工时核算方法》,以这两个文件为基础对车间生产产品进行核算,并填写《产品工时明细表》。
3、新产品工时制定流程研发部门确定新产品图纸→技术工艺部制定工时定额→制造公司总经理审批→工时审核小组复查→经理办公会批准生效→生产部、生产车间执4、老产品工时修定流程技术工艺部修订工时定额→制造公司总经理审批→工时审核小组复查→经理办公会批准生效→生产部、生产车间执行5、生产车间对制定的产品工时有异议时,应及时向技术工艺部和工时审核小组提出,并填写《产品工时修改表》,技术工艺部和工时审核小组每三个月或半年复核一次,报经理办公会批准生效后,生产车间方可执行。
工时定额计算手册目录一. 普通车床 (6)1.车床时间定额标准(通用部分) (6)2.C615~C618时间定额标准 (16)3.C620时间定额标准 (20)4.C630时间定额标准 (24)5.C650时间定额标准 (28)二.镗床 (32)1.镗床时间定额标准 (32)三.立式机床 (38)1.立式机床时间定额标准 (38)四.龙门刨床 (42)1.龙门刨床时间定额标准 (42)五.牛头刨床 (46)1.牛头刨床时间定额标准 (46)六.磨床 (48)1.平面磨时间定额标准 (48)2.外元磨时间定额标准 (53)3.内元磨时间定额标准 (58)七. 铣床 (62)2.铣床时间定额标准(二) (70)八.制齿机床 (75)1.滚直齿、斜齿、蜗轮、插内外齿、刨齿、剃齿、齿倒角时间定额标准 (75)九.拉床 (82)1.拉床时间定额标准 (82)十.插床 (86)1.插床时间定额标准 (86)十一钻床 (88)1.钻床时间定额标准 (88)十二. 钳工 (94)1.钳工时间定额标准(一) (94)2.钳工时间定额标准(二) (98)3. 钳工时间定额标准(三) (104)十三. 冷冲模 (110)1.冷冲模装配时间定额标准 (110)十四. 冲床 (116)1.冲床时间定额标准 (116)十五. 锻造 (123)2. 锻造时间定额标准(二) (127)十六. 铸造 (131)1.铸造时间定额标准 (131)2. 铸造复杂程度分类 (139)十七. 铆工 (145)1.铆工时间定额标准(一) (145)2.铆工时间定额标准(二) (151)3.铆工时间定额标准(三) (154)十八. 点焊 (158)1.电焊焊接时间定额标准 (158)十九.木型 (166)1.木型制造时间定额标准(一) (166)2.木型制造时间定额标准(二) (172)二十. 喷漆 (177)1. 喷漆时间定额标准 (177)附录 (182)一.冷冲模赚装配复杂程度分类 (182)二.公式时间定额标准,设备适用范围及工序内容 (203)三. 应用举例 (209)1.车床C620加工例题 (209)2.2.5m立车 (218)3.镗床例题 (220)4.Z525 (222)5.龙门刨(6M) (225)6. 牛头刨 (230)7.15 吨冲床 (232)8.M7120—M131W (234)9.M7120 (235)10.M131W (237)11.设备Y38 (239)12.设备B516K (240)13.设备L6110 (242)14. 设备X52 (244)机床 分类 T 准 一. 普 通 车 床1.车床时间定额标准(通用部分)单位(分)C615~C618 C620 C630 C650 一般 15 30 40 60 中等 30 40 60 80 复杂40801202401.一般——包括接受任务,领取工票图纸工艺熟悉加工方法,调整机床,装卸刀具清理工作地,擦拭润滑机床借还工具换三爪、四爪、花盘胎具校量具首件检查。
目录一. 普通车床 (5)1.车床时间定额标准〔通用局部〕 (5)~C618时间定额标准 (1)3.C620时间定额标准 (250)4.C630时间定额标准 (255)5.C650时间定额标准 (260)二.镗床 (264)1.镗床时间定额标准 (264)三.立式机床 (269)1.立式机床时间定额标准 (269)四.龙门刨床 (273)1.龙门刨床时间定额标准 (273)五.牛头刨床 (278)1.牛头刨床时间定额标准 (278)六.磨床 (280)1.平面磨时间定额标准 (280)2.外元磨时间定额标准 (283)3.内元磨时间定额标准 (288)1.铣床时间定额标准〔一〕 (291)2.铣床时间定额标准〔二〕 (299)八.制齿机床 (304)1.滚直齿、斜齿、蜗轮、插内外齿、刨齿、剃齿、齿倒角时间定额标准 (304)九.拉床 (310)1.拉床时间定额标准 (310)十.插床 (313)1.插床时间定额标准 (313)十一钻床 (316)1.钻床时间定额标准 (316)十二. 钳工 (321)1.钳工时间定额标准〔一〕 (321)2.钳工时间定额标准〔二〕 (325)3. 钳工时间定额标准〔三〕 (332)十三. 冷冲模 (338)1.冷冲模装配时间定额标准 (338)十四. 冲床 (113)1.冲床时间定额标准 (113)1.锻造时间定额标准〔一〕 (120)2. 锻造时间定额标准〔二〕 (123)十六. 铸造 (128)1.铸造时间定额标准 (128)2. 铸造复杂程度分类 (136)十七. 铆工 (142)1.铆工时间定额标准〔一〕 (142)2.铆工时间定额标准〔二〕 (147)3.铆工时间定额标准〔三〕 (150)十八. 点焊 (154)1.电焊焊接时间定额标准 (154)十九.木型 (161)1.木型制造时间定额标准〔一〕 (161)2.木型制造时间定额标准〔二〕 (167)二十. 喷漆 (172)1. 喷漆时间定额标准 (172)附录 (177)一.冷冲模赚装配复杂程度分类 (177)二.公式时间定额标准,设备适用范围及工序内容 (198)三. 应用举例 (204)1.车床C620加工例题 (204)2.立车 (212)3.镗床例题 (214)4.Z525 (216)5.龙门刨〔6M〕 (219)6. 牛头刨 (224)7.15 吨冲床 (226)8.M7120—M131W (228)9.M7120 (229)10.M131W (231)11.设备Y38 (233)12.设备B516K (234)13.设备L6110 (236)14. 设备X52 (238)一. 普通车床1.车床时间定额标准〔通用局部〕〔续〕(续) K=3(续)~C618时间定额标准单位:分〔续〕3.C620时间定额标准单位:分〔续〕4.C630时间定额标准单位:分〔续〕5.C650时间定额标准单位:分〔续〕二.镗床1.镗床时间定额标准〔续〕1T 不=35.6t +223B +1.59tB +9001000〔续〕三.立式机床1.立式机床时间定额标准单位:分〔续〕四.龙门刨床1.龙门刨床时间定额标准单位:分系数中等——需仔细找正,略有刚度影响,需适当增加辅助支撑。
工时定额核算说明1、月基本工时为出勤实际天数(周日除外)。
如:当月出勤26天,当月基本工时=26×8=208小时当月出勤22天,当月基本工时=22×8=176小时2、基本工时小时工资为日工资除八,超额部分为每小时三元,出差和日工按每天八小时工时计算。
如:日工资为65元,则基本工时每小时工资为65÷8=8.125元3、当月出勤满当月额定工作日(26天,不含周日,含出差),周日上班为加班工时,加班工时每小时工资以基本工时每小时工资计算。
因个人原因当月出勤不满当月额定工作日(26天)则周日上班补满后超出部分再按加班计算,如补不满则按正常工时考核计算。
如:个人当月实际工作天数26天出满勤,4 个周日全部到厂上班,当月实际个人产生工时超过208小时,则此4个周日每天加基本工时八小时合计32小时,金额为32×8.125=260元,此为加班计算方式。
如:个人当月出勤24天,4个周日全部到厂上班,并实际产生工时超过208小时,则周日计算方式为24+4-26=2天,周日加班为2天,加班工时为16小时,金额为16×8.125=130元。
4、当月基本工时未能完成,则用周日上班所产生工时补加,如补加后完成基本工时则超出部分按加班计算,如补加后还未能完成基本工时则周日上班按正常工时考核计算。
如:个人当月出勤满26天,4个周日全部到厂上班,但所产生工时总额不足208则周日不计加班。
如:个人当月出勤满26天,但产生工时不足208小时,且4个周日全部到厂上班,如除周日外实际工时为190小时,周日上班产生工时30小时,则计算方式为190+30-208=12小时,周日加班为12小时,金额为12×8.125=97.5元。
丹东中成包装机械有限公司二〇一〇年九月十三日。
工时定额计算手册目录一. 普通车床 (5)1.车床时间定额标准(通用部分) (5)2.C615~C618时间定额标准 (14)3.C620时间定额标准 (17)4.C630时间定额标准 (20)5.C650时间定额标准 (23)二.镗床 (26)1.镗床时间定额标准 (26)三.立式机床 (31)1.立式机床时间定额标准 (31)四.龙门刨床 (34)1.龙门刨床时间定额标准 (34)五.牛头刨床 (37)1.牛头刨床时间定额标准 (37)六.磨床 (38)1.平面磨时间定额标准 (38)2.外元磨时间定额标准 (41)3.内元磨时间定额标准 (44)七. 铣床 (47)1.铣床时间定额标准(一) (47)2.铣床时间定额标准(二) (54)八.制齿机床 (59)1.滚直齿、斜齿、蜗轮、插内外齿、刨齿、剃齿、齿倒角时间定额标准 (59)九.拉床 (64)1.拉床时间定额标准 (64)十.插床 (67)1.插床时间定额标准 (67)十一钻床 (68)1.钻床时间定额标准 (68)十二. 钳工 (73)1.钳工时间定额标准(一) (73)2.钳工时间定额标准(二) (76)3. 钳工时间定额标准(三) (81)十三. 冷冲模 (86)1.冷冲模装配时间定额标准 (86)十四. 冲床 (89)1.冲床时间定额标准 (89)十五. 锻造 (93)1.锻造时间定额标准(一) (93)2. 锻造时间定额标准(二) (96)十六. 铸造 (98)1.铸造时间定额标准 (98)2. 铸造复杂程度分类 (101)十七. 铆工 (104)1.铆工时间定额标准(一) (104)2.铆工时间定额标准(二) (110)3.铆工时间定额标准(三) (113)十八. 点焊 (116)1.电焊焊接时间定额标准 (116)十九.木型 (123)1.木型制造时间定额标准(一) (123)2.木型制造时间定额标准(二) (129)二十. 喷漆 (134)1. 喷漆时间定额标准 (134)附录 (138)一.冷冲模赚装配复杂程度分类 (138)二.公式时间定额标准,设备适用范围及工序内容 (149)三. 应用举例 (151)1.车床C620加工例题 (151)2.2.5m立车 (156)3.镗床例题 (157)4.Z525 (158)5.龙门刨(6M) (161)6. 牛头刨 (164)7.15 吨冲床 (165)8.M7120—M131W (166)9.M7120 (168)10.M131W (169)11.设备Y38 (170)12.设备B516K (171)13.设备L6110 (173)14. 设备X52 (175)一. 普通车床1.车床时间定额标准(通用部分)·0.3·0.22+0.40.3+0.80.3+0.2+0.7+0.6+1.4+0.7+1.5+0.90.3+1.10.3+0.40.4+0.4+1.3+1.20.3+2.50.4+3.5+4·K·K ZZ Z(续) ZZZZ·k4与··=1.5 (内螺纹系数)···K(续)+2.3+0.2·K·Z钢(续)2.C615~C618时间定额标准·k=·k·k·k·k=50(续)3.C620时间定额标准·k=·k=·k·k·k(续)4.C630时间定额标准·k·k =·k·k ·k(续)..5.C650时间定额标准·k·k =·k·k·k(续)二.镗床1.镗床时间定额标准)×1.58)×2.38)×1.48 )×2.17(续)(续)5.6.7.三.立式机床1.立式机床时间定额标准系数(续)系数系数四.龙门刨床1.龙门刨床时间定额标准公式系数系数系数公式: H五.牛头刨床1.牛头刨床时间定额标准系数系数六.磨床1.平面磨时间定额标准换虎钳胎、夹具,在中为轮廓尺寸,在中为磨削尺寸。
工时定额计算手册目录一. 普通车床 (5)1.车床时间定额标准(通用部分) (5)2.C615~C618时间定额标准 (10)3.C620时间定额标准 (12)4.C630时间定额标准 (14)5.C650时间定额标准 (16)二.镗床 (18)1.镗床时间定额标准 (18)三.立式机床 (21)1.立式机床时间定额标准 (21)四.龙门刨床 (23)1.龙门刨床时间定额标准 (23)五.牛头刨床 (25)1.牛头刨床时间定额标准 (25)六.磨床 (26)1.平面磨时间定额标准 (26)2.外元磨时间定额标准 (28)3.内元磨时间定额标准 (30)七. 铣床 (32)1.铣床时间定额标准(一) (32)2.铣床时间定额标准(二) (36)八.制齿机床 (39)1.滚直齿、斜齿、蜗轮、插内外齿、刨齿、剃齿、齿倒角时间定额标准 (39)九.拉床 (42)1.拉床时间定额标准 (42)十.插床 (44)1.插床时间定额标准 (44)十一钻床 (45)1.钻床时间定额标准 (45)十二. 钳工 (48)1.钳工时间定额标准(一) (48)2.钳工时间定额标准(二) (50)3. 钳工时间定额标准(三) (53)十三. 冷冲模 (56)1.冷冲模装配时间定额标准 (56)十四. 冲床 (58)1.冲床时间定额标准 (58)十五. 锻造 (61)1.锻造时间定额标准(一) (61)2. 锻造时间定额标准(二) (63)十六. 铸造 (65)1.铸造时间定额标准 (65)2. 铸造复杂程度分类 (68)十七. 铆工 (71)1.铆工时间定额标准(一) (71)2.铆工时间定额标准(二) (74)3.铆工时间定额标准(三) (76)十八. 点焊 (78)1.电焊焊接时间定额标准 (78)十九.木型 (82)1.木型制造时间定额标准(一) (82)2.木型制造时间定额标准(二) (86)二十. 喷漆 (89)1. 喷漆时间定额标准 (89)附录 (92)一.冷冲模赚装配复杂程度分类 (92)二.公式时间定额标准,设备适用范围及工序内容 (103)三. 应用举例 (105)1.车床C620加工例题 (105)2.2.5m立车 (108)3.镗床例题 (109)4.Z525 (110)5.龙门刨(6M) (112)6. 牛头刨 (114)7.15 吨冲床 (115)8.M7120—M131W (116)9.M7120 (117)10.M131W (118)11.设备Y38 (119)12.设备B516K (120)13.设备L6110 (121)14. 设备X52 (122)一. 普通车床1.车床时间定额标准(通用部分)——以手轮最大R代入。
时间定额标准单位:分(续)3.C620时间定额标准单位:分(续)4.C630时间定额标准单位:分(续)5.C650时间定额标准单位:分(续)二.镗床1.镗床时间定额标准(续)K 1 1.3 K 1 1.2 1.4 平旋盘抄平面钻孔L——为走刀长度(回屑时间,L<40时,取0)K 1 1.4 1.79 3.1短刀杆镗孔D<8D≥8K 1 1.58 1.88 3.2穿镗杆镗孔K 1 1.4 1.79 3.1铰(扩)孔镗外元K 1 1.3 2.01刮平面镗内沟槽B<5 B<8(续)三.立式机床1.立式机床时间定额标准单位:分(续)四.龙门刨床1.龙门刨床时间定额标准单位:分系数在垫块上复 杂简单——划针粗略找正,无刚度影响,松紧螺母方便。
中等——需仔细找正,略有刚度影响,需适当增加辅助支撑。
复杂——有2—3级精度要求及整形公差要求,千分表仔细校正,有刚度影响,松紧螺母操作不方便。
平 垂 面L ——加工长 B ——加工宽 K 1 1.15 1.531.95 斜 面L ——加工斜面宽 B ——加工斜面长 K 1 1.372 直 槽L ——直槽宽 t ——直槽深 B ——直槽长K1 1.15 1.53 T 形面K11.37系数系数系数五.牛头刨床1.牛头刨床时间定额标准单位:分六.磨床1.平面磨时间定额标准单位:分(续)2.外元磨时间定额标准单位:分(续)3.内元磨时间定额标准单位:分(续)七. 铣床1.铣床时间定额标准(一)单位:分(续)(续)(续)。
工时定额计算手册簿工时定额计算手册目录一. 普通车床 (5)1.车床时间定额标准(通用部分) (5)2.C615~C618时间定额标准 (10)3.C620时间定额标准 (12)4.C630时间定额标准 (14)5.C650时间定额标准 (16)二.镗床 (17)1.镗床时间定额标准 (17)三.立式机床 (18)1.立式机床时间定额标准 (18)四.龙门刨床 (20)1.龙门刨床时间定额标准 (20)五.牛头刨床 (22)1.牛头刨床时间定额标准 (22)六.磨床 (23)1.平面磨时间定额标准 (23)2.外元磨时间定额标准 (25)3.元磨时间定额标准 (27)七. 铣床 (29)1.铣床时间定额标准(一) (29)2.铣床时间定额标准(二) (33)八.制齿机床 (36)1.滚直齿、斜齿、蜗轮、插外齿、刨齿、剃齿、齿倒角时间定额标准 (36)九.拉床 (39)1.拉床时间定额标准 (39)十.插床 (41)1.插床时间定额标准 (41)十一钻床 (42)1.钻床时间定额标准 (42)十二. 钳工 (45)2.钳工时间定额标准(二) (47)3. 钳工时间定额标准(三) (50)十三. 冷冲模 (53)1.冷冲模装配时间定额标准 (53)十四. 冲床 (55)1.冲床时间定额标准 (55)十五. 锻造 (58)1.锻造时间定额标准(一) (58)2. 锻造时间定额标准(二) (60)十六. 铸造 (62)1.铸造时间定额标准 (62)2. 铸造复杂程度分类 (65)十七. 铆工 (68)1.铆工时间定额标准(一) (68)2.铆工时间定额标准(二) (71)3.铆工时间定额标准(三) (73)十八. 点焊 (75)1.电焊焊接时间定额标准 (75)十九.木型 (79)2.木型制造时间定额标准(二) (83)二十. 喷漆 (86)1. 喷漆时间定额标准 (86)附录 (89)一.冷冲模赚装配复杂程度分类 (89)二.公式时间定额标准,设备适用围及工序容 (100)三. 应用举例 (102)1.车床C620加工例题 (102) 2.2.5m立车 (105)3.镗床例题 (106)4.Z525 (107)5.龙门刨(6M) (109)6. 牛头刨 (111)7.15 吨冲床 (112)8.M7120—M131W (113) 9.M7120 (114)10.M131W (115)11.设备Y38 (116) 12.设备B516K (117) 13.设备L6110 (118)14. 设备X52 (119)。
时间定额标准单位:分(续)3.C620时间定额标准单位:分(续)4.C630时间定额标准单位:分(续)5.C650时间定额标准单位:分(续)二.镗床1.镗床时间定额标准(续)K 1 1.3 K 1 1.2 1.4 平旋盘抄平面钻孔L——为走刀长度(回屑时间,L<40时,取0)K 1 1.4 1.79 3.1短刀杆镗孔D<8D≥8K 1 1.58 1.88 3.2穿镗杆镗孔K 1 1.4 1.79 3.1铰(扩)孔镗外元K 1 1.3 2.01刮平面镗内沟槽B<5 B<8(续)三.立式机床1.立式机床时间定额标准单位:分(续)四.龙门刨床1.龙门刨床时间定额标准单位:分系数在垫块上复 杂简单——划针粗略找正,无刚度影响,松紧螺母方便。
中等——需仔细找正,略有刚度影响,需适当增加辅助支撑。
复杂——有2—3级精度要求及整形公差要求,千分表仔细校正,有刚度影响,松紧螺母操作不方便。
平 垂 面L ——加工长 B ——加工宽 K 1 1.15 1.531.95 斜 面L ——加工斜面宽 B ——加工斜面长 K 1 1.372 直 槽L ——直槽宽 t ——直槽深 B ——直槽长K1 1.15 1.53 T 形面K11.37系数系数系数五.牛头刨床1.牛头刨床时间定额标准单位:分六.磨床1.平面磨时间定额标准单位:分(续)2.外元磨时间定额标准单位:分(续)3.内元磨时间定额标准单位:分(续)七. 铣床1.铣床时间定额标准(一)单位:分(续)(续)(续)。
目录一. 普通车床 (5)1.车床时间定额标准(通用部分) (5)2.C615~C618时间定额标准 (10)3.C620时间定额标准 (12)4.C630时间定额标准 (14)5.C650时间定额标准 (16)二.镗床 (17)1.镗床时间定额标准 (17)三.立式机床 (18)1.立式机床时间定额标准 (18)四.龙门刨床 (20)1.龙门刨床时间定额标准 (20)五.牛头刨床 (22)1.牛头刨床时间定额标准 (22)六.磨床 (23)1.平面磨时间定额标准 (23)2.外元磨时间定额标准 (25)3.内元磨时间定额标准 (27)1.铣床时间定额标准(一) (29)2.铣床时间定额标准(二) (33)八.制齿机床 (36)1.滚直齿、斜齿、蜗轮、插内外齿、刨齿、剃齿、齿倒角时间定额标准 (36)九.拉床 (39)1.拉床时间定额标准 (39)十.插床 (41)1.插床时间定额标准 (41)十一钻床 (42)1.钻床时间定额标准 (42)十二. 钳工 (45)1.钳工时间定额标准(一) (45)2.钳工时间定额标准(二) (47)3. 钳工时间定额标准(三) (50)十三. 冷冲模 (53)1.冷冲模装配时间定额标准 (53)十四. 冲床 (55)1.冲床时间定额标准 (55)1.锻造时间定额标准(一) (58)2. 锻造时间定额标准(二) (60)十六. 铸造 (62)1.铸造时间定额标准 (62)2. 铸造复杂程度分类 (65)十七. 铆工 (68)1.铆工时间定额标准(一) (68)2.铆工时间定额标准(二) (71)3.铆工时间定额标准(三) (73)十八. 点焊 (75)1.电焊焊接时间定额标准 (75)十九.木型 (79)1.木型制造时间定额标准(一) (79)2.木型制造时间定额标准(二) (83)二十. 喷漆 (86)1. 喷漆时间定额标准 (86)附录 (89)一.冷冲模赚装配复杂程度分类 (89)二.公式时间定额标准,设备适用范围及工序内容 (100)三. 应用举例 (102)1.车床C620加工例题 (102)2.2.5m立车 (105)3.镗床例题 (106)4.Z525 (107)5.龙门刨(6M) (109)6. 牛头刨 (111)7.15 吨冲床 (112)8.M7120—M131W (113)9.M7120 (114)10.M131W (115)11.设备Y38 (116)12.设备B516K (117)13.设备L6110 (118)14. 设备X52 (119)一. 普通车床1.车床时间定额标准(通用部分)(续)(续) K=3(续)2.C615~C618时间定额标准单位:分(续)3.C620时间定额标准单位:分(续)4.C630时间定额标准单位:分(续)5.C650时间定额标准单位:分(续)二.镗床1.镗床时间定额标准(续)1T 不=35.6t +223B +1.59tB +9001000(续)三.立式机床1.立式机床时间定额标准单位:分(续)四.龙门刨床1.龙门刨床时间定额标准系数中等——需仔细找正,略有刚度影响,需适当增加辅助支撑。
工时定额计算手册气割本标准适用钢结构件的数控气割、手工气割、半自动气割等工时定额查定。
本标准工时定额包括:基本时间、辅助时间、布置工作地时间、休息与生理需要时间、准备与结束时间。
1 操作内容1.1操作前应先熟悉工艺要求,准备工具,检查机器设备及运行状况,检查乙炔、氧气的压力以及工作场地的安全生产条件,清除工件切割表面的油污、铁锈等脏物,根据工件材质和厚度,选择合适的割嘴。
1.2操作时应随时把握和调整割缝与割线相符,保持最佳的切割速度和割距,气割过程中根据实际情况,随时调整氧气、乙炔压力和气割速度,达到无熔渣和少熔渣。
1.3气割后清除工件熔渣和氧化皮,清扫工作场地,做好工具设备的日常保养工作,保证气割质量,达到精度要求。
2 技术要求气割零件尺寸精度应符合有关规定。
3 修正系数K3.1本标准工时以钢板宽度δ为1800mm,长度L为8000mm的规格制订。
3.2用瓶装氧气、乙炔施工,K=1.15。
3.3若一个工件同时需要用多个系数修正时,其总的修正系数K为各修正系数K之积。
4. 使用方法4.1 本标准定员:手工气割、半自动气割、靠模气割均为一人操作;数控气割、门式气割、大斜面气割均为二人操作。
4.2钢板气割以实际气割长度计算,型钢以实际气割头数计算。
4.3气割坡口工时已包括先割直线,后割斜面的工时。
4.4 若所要查定的零件尺寸在表格中无具体规定时,可用内插法或类推法求工时定额。
5半自动气割直线5.1型式见图15.2 工时定额见表15.3 表1使用说明5.3.1 本表工时按钢板实际气割长度计算。
考虑到结构件在气割中存在公共边等因素以及查定方便,若采用按钢板长宽二边之和计算气割长度,K=1.80。
5.3.2 圆钢纵向气割直线,K=1.40;型钢纵向气割直线,K=1.30。
5.3.3 气割弧线,K=1.20。
5.3.4 技术等级:3级。
6 半自动气割坡口 6.1 型式见图26.2 工时定额见表26.3 表2使用说明6.3.1 本表工时按钢板实际气割长度计算。
工时定额计算手册
目录
一. 普通车床 (5)
1.车床时间定额标准(通用部分) (5)
2.C615~C618时间定额标准 (10)
3.C620时间定额标准 (12)
4.C630时间定额标准 (14)
5.C650时间定额标准 (16)
二.镗床 (18)
1.镗床时间定额标准 (18)
三.立式机床 (21)
1.立式机床时间定额标准 (21)
四.龙门刨床 (23)
1.龙门刨床时间定额标准 (23)
五.牛头刨床 (25)
1.牛头刨床时间定额标准 (25)
六.磨床 (26)
1.平面磨时间定额标准 (26)
2.外元磨时间定额标准 (28)
3.内元磨时间定额标准 (30)
七. 铣床 (32)
1.铣床时间定额标准(一) (32)
2.铣床时间定额标准(二) (36)
八.制齿机床 (39)
1.滚直齿、斜齿、蜗轮、插内外齿、刨齿、剃齿、齿倒角时间定额标准 (39)
九.拉床 (42)
1.拉床时间定额标准 (42)
十.插床 (44)
1.插床时间定额标准 (44)
十一钻床 (45)
1.钻床时间定额标准 (45)
十二. 钳工 (48)
1.钳工时间定额标准(一) (48)
2.钳工时间定额标准(二) (50)
3. 钳工时间定额标准(三) (53)
十三. 冷冲模 (56)
1.冷冲模装配时间定额标准 (56)
十四. 冲床 (58)
1.冲床时间定额标准 (58)
十五. 锻造 (61)
1.锻造时间定额标准(一) (61)
2. 锻造时间定额标准(二) (63)
十六. 铸造 (65)
1.铸造时间定额标准 (65)
2. 铸造复杂程度分类 (68)
十七. 铆工 (71)
1.铆工时间定额标准(一) (71)
2.铆工时间定额标准(二) (75)
3.铆工时间定额标准(三) (77)
十八. 点焊 (79)
1.电焊焊接时间定额标准 (79)
十九.木型 (83)
1.木型制造时间定额标准(一) (83)
2.木型制造时间定额标准(二) (87)
二十. 喷漆 (90)
1. 喷漆时间定额标准 (90)
附录 (93)
一.冷冲模赚装配复杂程度分类 (93)
二.公式时间定额标准,设备适用范围及工序内容 (104)
三. 应用举例 (106)
1.车床C620加工例题 (106)
2.2.5m立车 (109)
3.镗床例题 (110)
4.Z525 (111)
5.龙门刨(6M) (113)
6. 牛头刨 (115)
7.15 吨冲床 (116)
8.M7120—M131W (117)
9.M7120 (118)
10.M131W (119)
11.设备Y38 (120)
12.设备B516K (121)
13.设备L6110 (122)
14. 设备X52 (123)
一. 普通车床
1.车床时间定额标准(通用部分)
2.C615~C618时间定额标准
(续)
3.C620时间定额标准
(续)
4.C630时间定额标准
(续)
5.C650时间定额标准
(续)
二.镗床1.镗床时间定额标准
不
B<5
三.立式机床1.立式机床时间定额标准
(续)
四.龙门刨床1.龙门刨床时间定额标准
五.牛头刨床1.牛头刨床时间定额标准
六.磨床1.平面磨时间定额标准
(续)
2.外元磨时间定额标准
(续)
3.内元磨时间定额标准
(续)
七. 铣床
1.铣床时间定额标准(一)
2.铣床时间定额标准(二)
(续)
(续)
八.制齿机床
1.滚直齿、斜齿、蜗轮、插内外齿、刨齿、剃齿、齿倒角
时间定额标准
(续)
(续)
九.拉床1.拉床时间定额标准
(续)
十.插床1.插床时间定额标准
十一钻床1.钻床时间定额标准
十二. 钳工
1.钳工时间定额标准(一)
(续)
2.钳工时间定额标准 (二)
单位:分。